Two-Stage Isolated Bidirectional DC-DC Converter with Low Profile and Double Heat Sink for Battery Charging/Discharging System
Abstract
1. Introduction
- (1)
- A bidirectional converter capable of charging and discharging the battery is required.
- (2)
- A low-profile converter, matching the height of the battery to improve space utilization and complexity of the connection, is required.
- (3)
- Due to the low height, a cooling fan cannot be installed; thus, a high-efficiency converter and easy heat dissipation structure are required.
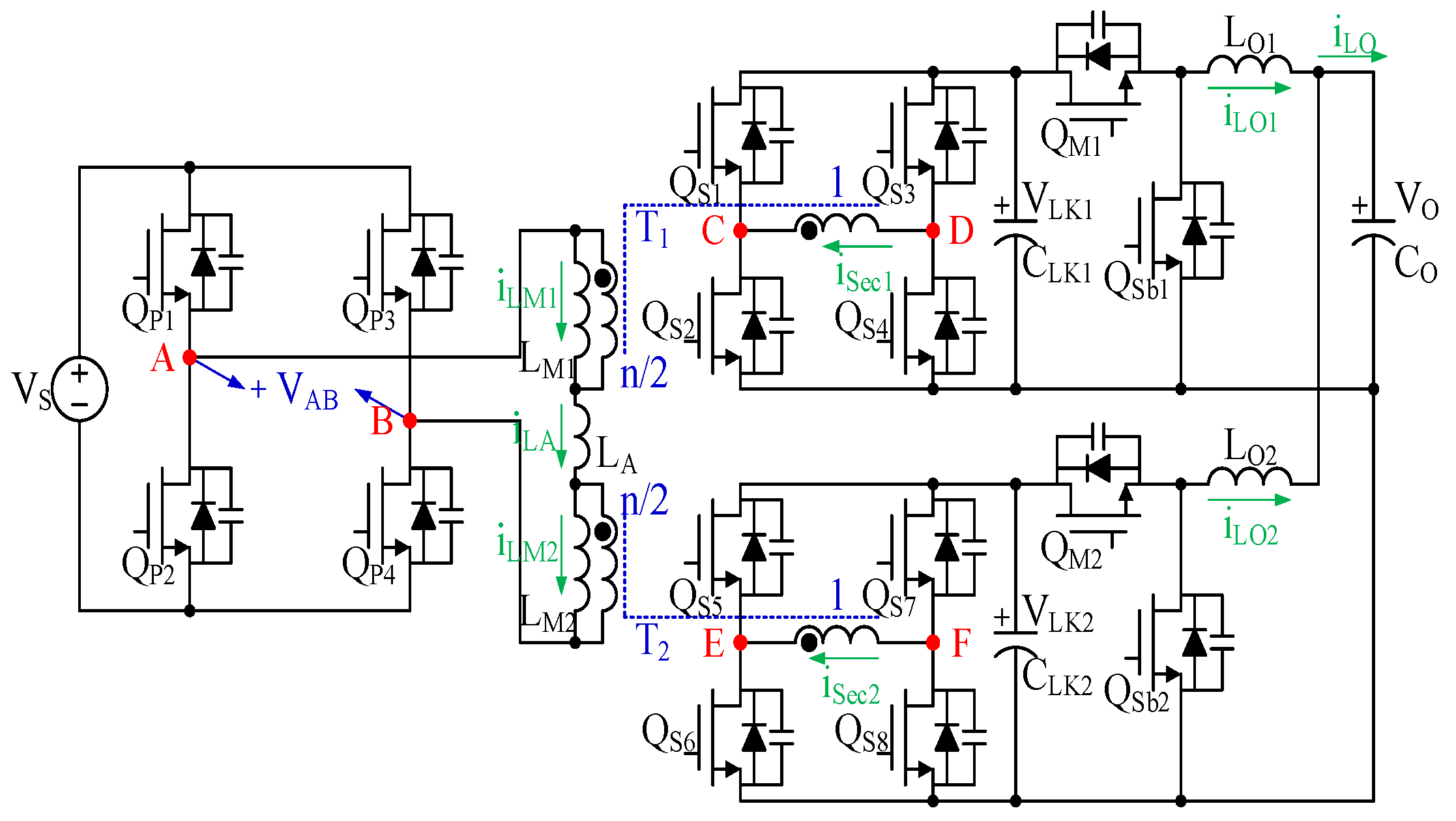
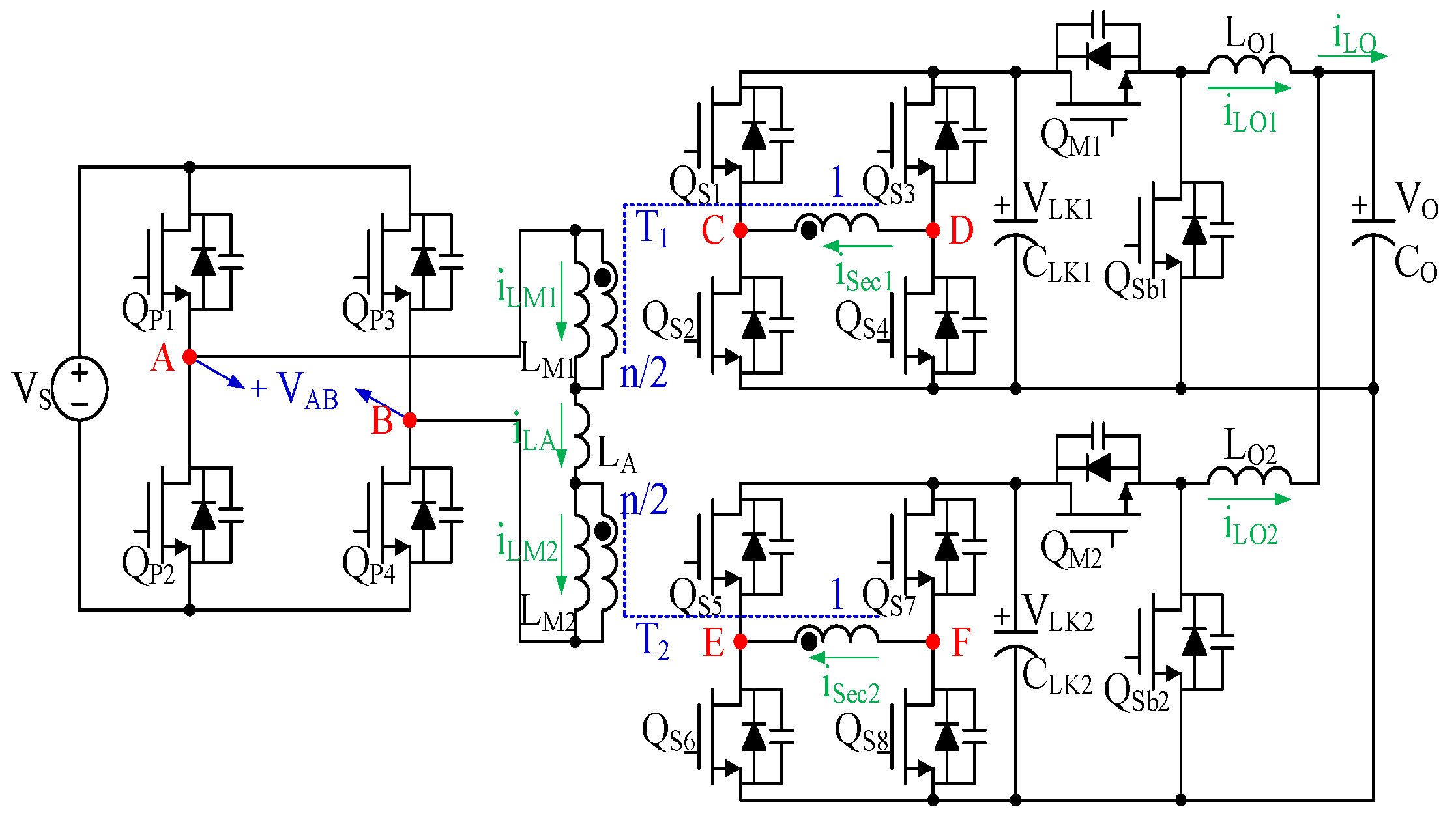
2. Analysis of Proposed Isolated Bidirectional DC-DC Structure
2.1. Review of Structure
2.2. Analysis of DAB Converter
2.3. Analysis of Two Interleaved Buck Converters
3. Design Considerations of DC-DC Converter
3.1. DAB Converter
3.2. Selection of Link Voltage (VLK)
3.3. The 500 W Fanless Prototype with Low Profile
4. Experimental Results
5. Conclusions
Author Contributions
Funding
Data Availability Statement
Conflicts of Interest
References
- Lee, B.J.; Choi, G.J.; Lee, S.H.; Jeong, Y.M.; Park, Y.; Cho, D.U. A Study on Explosion and Fire Risk of Lithium-Ion and Lithium-Polymer Battery. J. Korean Inst. Commun. Inf. Sci. 2017, 42, 855–863. [Google Scholar]
- Hannan, M.A.; Hoque, M.; Peng, S.W.; Uddin, M.N. Lithium-Ion Battery Charge Equalization Algorithm for Electric Vehicle Applications. IEEE Trans. Ind. Appl. 2017, 53, 2541–2549. [Google Scholar] [CrossRef]
- Aalund, R.; Diao, W.; Kong, L.; Pecht, M. Understanding the Non-Collision Related Battery Safety Risks in Electric Vehicles a Case Study in Electric Vehicle Recalls and the LG Chem Battery. IEEE Access 2021, 9, 89527–89532. [Google Scholar] [CrossRef]
- Wang, Y.; Kim, S.Y.; Chen, Y.; Zhang, H.; Park, S.J. An SMPS-Based Lithium-Ion Battery Test System for Internal Resistance Measurement. IEEE Trans. Transp. Electrif. 2023, 9, 934–944. [Google Scholar] [CrossRef]
- Khan, M.A.; Ahmed, A.; Husain, I.; Sozer, Y.; Badawy, M. Performance Analysis of Bidirectional DC–DC Converters for Electric Vehicles. IEEE Trans. Ind. Appl. 2015, 51, 3442–3452. [Google Scholar] [CrossRef]
- Khan, M.S.; Nag, S.S.; Das, A.; Yoon, C. Analysis and Control of an Input-Parallel Output-Series Connected Buck-Boost DC–DC Converter for Electric Vehicle Powertrains. IEEE Trans. Transp. Electrif. 2023, 9, 2015–2025. [Google Scholar] [CrossRef]
- Karimi, M.; Farzanehfard, H.; Packnezhad, M.; Esteki, M. Bidirectional ZVS Buck–Boost Converter With Single Auxiliary Switch and Continuous Current at Low Voltage Source. IEEE Trans. Ind. Electron. 2022, 69, 2480–2487. [Google Scholar] [CrossRef]
- Zhang, X.; Tang, W.; Liu, H.; Guan, Y.; Wang, Y.; Bai, Z.; Shao, J.; Xu, D. Design and Modeling of CLLC Converter for Bidirectional on-Board Charger. IEEE Trans. Ind. Appl. 2023, 59, 6095–6102. [Google Scholar] [CrossRef]
- Zhao, L.; Pei, Y.; Wang, L.; Pei, L.; Cao, W.; Gan, Y. Design Methodology of Bidirectional Resonant CLLC Charger for Wide Voltage Range Based on Parameter Equivalent and Time Domain Model. IEEE Trans. Power Electron. 2022, 37, 12041–12064. [Google Scholar] [CrossRef]
- Chen, H.; Sun, K.; Shi, H.; Ha, J.I.; Lee, S. A Battery Charging Method With Natural Synchronous Rectification Features for Full-Bridge CLLC Converters. IEEE Trans. Power Electron. 2022, 37, 2139–2151. [Google Scholar] [CrossRef]
- Sun, K.; Chen, H.; Lu, L.; Zhang, K.; Wang, L. A Simplified Sensorless Synchronous Rectification Method for Inner Phase Shift Control in CLLC Converters. IEEE J. Emerg. Sel. Top. Power Electron. 2023, 11, 3815–3826. [Google Scholar] [CrossRef]
- He, P.; Khaligh, A. Comprehensive Analyses and Comparison of 1 kW Isolated DC–DC Converters for Bidirectional EV Charging Systems. IEEE Trans. Transp. Electrif. 2017, 3, 147–156. [Google Scholar] [CrossRef]
- Das, D.; Mishra, S.; Singh, B. Design Architecture for Continuous-Time Control of Dual Active Bridge Converter. IEEE J. Emerg. Sel. Top. Power Electron. 2021, 9, 3287–3295. [Google Scholar] [CrossRef]
- Chaurasiya, S.; Singh, B. A Bidirectional Fast EV Charger for Wide Voltage Range Using Three-Level DAB Based on Current and Voltage Stress Optimization. IEEE Trans. Transp. Electrif. 2023, 9, 1330–1340. [Google Scholar] [CrossRef]
- Hou, N.; Qin, K.; Wei, R.; Zhang, Y.; Li, Y.W. Control Techniques With Low Computational Burden for a DAB-Based Two-Stage DC–DC EV Charging Converter System. IEEE Trans. Power Electron. 2024, 39, 10865–10875. [Google Scholar] [CrossRef]
- Saket, M.A.; Shafiei, N.; Ordonez, M. LLC Converters With Planar Transformers: Issues and Mitigation. IEEE Trans. Power Electron. 2017, 32, 4524–4542. [Google Scholar] [CrossRef]
- Chen, W.; Yan, Y.; Hu, Y.; Lu, Q. Model and design of PCB parallel winding for planar transformer. IEEE Trans. Magn. 2003, 39, 3202–3204. [Google Scholar] [CrossRef]
- Ouyang, Z.; Thomsen, O.C.; Andersen, M.A.E. Optimal Design and Tradeoff Analysis of Planar Transformer in High-Power DC–DC Converters. IEEE Trans. Ind. Electron. 2012, 59, 2800–2810. [Google Scholar] [CrossRef]
- Weimer, J.; Koch, D.; Nitzsche, M.; Haarer, J.; Roth-Stielow, J.; Kallfass, I. Miniaturization and Thermal Design of a 170 W AC/DC Battery Charger Utilizing GaN Power Devices. IEEE Open J. Power Electron. 2022, 3, 13–25. [Google Scholar] [CrossRef]




















| DAB Converter (2 Parallel Secondary) | ||
|---|---|---|
| Primary FETs (QP1~QP4, 4EA) | CREE C3M0065090D (900 V/36 A/65 mΩ) | |
| Secondary FETs (QS1~QS8, 16EA) [2 Parallel × Full Bridge × 2 Rectifiers] | TOSHIBA TPWR6003PL (30 V/150 A/0.6 mΩ) | |
| Output Capacitor (CLK) of DAB | MURATA KRM55QR71E226KH01 | |
| DAB Inductor (LA, 1EA) | Core | PEI5815S (PL-13) |
| Number of Turns | 32 Turns | |
| Inductance | 942 μH | |
| DAB Transformer (T1, T2, 2EA) | Core | PEI5815S (PL-13) |
| Number of Turns | 27:1 | |
| LM | 1 mH | |
| Two Interleaving Buck/Boost Converters | ||
| Main FETs (QM1~QM2, 8EA) [4 Parallel × 2 Modules] | TOSHIBA TPWR6003PL (30 V/150 A/0.6 mΩ) | |
| Sub-FETs (QSb1~QSb2, 8EA) [4 Parallel × 2 Modules] | ||
| Inductor (LO1, LO2, 2EA) | Core | CH358125 |
| Number of Turns | 4 Turns | |
| Inductance | 1.9 μH | |
| Electrical Specifications | |
|---|---|
| Input Voltage (VS) | 650 V |
| Link Voltage (VLK) | 12 V |
| Output Voltage (VO) | 1~5 V |
| Rated Output Current (IO) | 60 A at VO = 1 V, 100 A at VO = 5 V |
| Rated Output Power (PO) | 60 W at VO = 1 V, 500 W at VO = 5 V |
| FS of DAB | 85 kHz |
| FS of Buck/Boost | 42.5 kHz |
Disclaimer/Publisher’s Note: The statements, opinions and data contained in all publications are solely those of the individual author(s) and contributor(s) and not of MDPI and/or the editor(s). MDPI and/or the editor(s) disclaim responsibility for any injury to people or property resulting from any ideas, methods, instructions or products referred to in the content. |
© 2025 by the authors. Licensee MDPI, Basel, Switzerland. This article is an open access article distributed under the terms and conditions of the Creative Commons Attribution (CC BY) license (https://creativecommons.org/licenses/by/4.0/).
Share and Cite
Hong, S.-Y.; Ryu, S.-G.; Park, C.-B.; Lee, H.-W.; Lee, J.-B. Two-Stage Isolated Bidirectional DC-DC Converter with Low Profile and Double Heat Sink for Battery Charging/Discharging System. Electronics 2025, 14, 283. https://doi.org/10.3390/electronics14020283
Hong S-Y, Ryu S-G, Park C-B, Lee H-W, Lee J-B. Two-Stage Isolated Bidirectional DC-DC Converter with Low Profile and Double Heat Sink for Battery Charging/Discharging System. Electronics. 2025; 14(2):283. https://doi.org/10.3390/electronics14020283
Chicago/Turabian StyleHong, Seong-Yong, Sang-Gyun Ryu, Chan-Bae Park, Hyung-Woo Lee, and Jae-Bum Lee. 2025. "Two-Stage Isolated Bidirectional DC-DC Converter with Low Profile and Double Heat Sink for Battery Charging/Discharging System" Electronics 14, no. 2: 283. https://doi.org/10.3390/electronics14020283
APA StyleHong, S.-Y., Ryu, S.-G., Park, C.-B., Lee, H.-W., & Lee, J.-B. (2025). Two-Stage Isolated Bidirectional DC-DC Converter with Low Profile and Double Heat Sink for Battery Charging/Discharging System. Electronics, 14(2), 283. https://doi.org/10.3390/electronics14020283

