A Modular Power Converter Topology to Interface Removable Batteries with 400 V and 800 V Electric Powertrains †
Abstract
1. Introduction
2. Proposed Topology
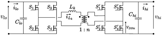
2.1. Fundamental Module
2.2. Configurations
3. Controller Design for the Reconfigurable Topology
4. Simulation and Experimental Verification
4.1. Voltage Loop
4.2. Current Loop
4.3. IPOS Configuration
5. Conclusions
Author Contributions
Funding
Data Availability Statement
Conflicts of Interest
Abbreviations
| BMS | Battery Management System |
| BUMS | Battery Unit Management System |
| DAB | Dual Active Bridge |
| EVs | Electrical Vehicles |
| IPOP | Input Parallel Output Parallel |
| IPOS | Input Parallel Output Series |
| ISOP | Input Series Output Parallel |
| ISOS | Input Series Output Series |
| SPS | Single Phase Shift |
| HV | High-Voltage |
| LV | Low-Voltage |
References
- Blaabjerg, F.; Wang, H.; Vernica, I.; Liu, B.; Davari, P. Reliability of Power Electronic Systems for EV/HEV Applications. Proc. IEEE 2021, 109, 1060–1076. [Google Scholar] [CrossRef]
- Hou, R.; Magne, P.; Bilgin, B.; Emadi, A. A topological evaluation of isolated DC/DC converters for Auxiliary Power Modules in Electrified Vehicle applications. In Proceedings of the 2015 IEEE Applied Power Electronics Conference and Exposition (APEC), Charlotte, NC, USA, 5–19 March 2015; pp. 1360–1366. [Google Scholar] [CrossRef]
- Jangir, P.; Sangwan, V.; Kumar, R.; Rathore, A.K. Optimal Power Management of Multiple Battery Units by Power Converter System in Electric Vehicle. In Proceedings of the 2018 IEEE International Conference on Power Electronics, Drives and Energy Systems (PEDES), Chennai, India, 18–21 December 2018; pp. 1–6. [Google Scholar] [CrossRef]
- Rey, S.O.; Romero, J.A.; Romero, L.T.; Martínez, À.F.; Roger, X.S.; Qamar, M.A.; Domínguez-García, J.L.; Gevorkov, L. Powering the Future: A Comprehensive Review of Battery Energy Storage Systems. Energies 2023, 16, 6344. [Google Scholar] [CrossRef]
- Jung, C. Power Up with 800-V Systems: The benefits of upgrading voltage power for battery-electric passenger vehicles. IEEE Electrif. Mag. 2017, 5, 53–58. [Google Scholar] [CrossRef]
- Serban, E.; Pondiche, C.; Ordonez, M. Analysis and Design of Bidirectional Parallel-Series DAB-Based Converter. IEEE Trans. Power Electron. 2023, 38, 10370–10382. [Google Scholar] [CrossRef]
- Aarninkhof, B.O.; Lyu, D.; Soeiro, T.B.; Bauer, P. A Reconfigurable Two-stage 11kW DC-DC Resonant Converter for EV Charging with a 150–1000 V Output Voltage Range. IEEE Trans. Transp. Electrif. 2023, 10, 509–522. [Google Scholar] [CrossRef]
- Karneddi, H.; Ronanki, D. Reconfigurable Battery Charger With a Wide Voltage Range for Universal Electric Vehicle Charging Applications. IEEE Trans. Power Electron. 2023, 38, 10606–10610. [Google Scholar] [CrossRef]
- Shakib, S.M.S.I.; Mekhilef, S. A Frequency Adaptive Phase Shift Modulation Control Based LLC Series Resonant Converter for Wide Input Voltage Applications. IEEE Trans. Power Electron. 2017, 32, 8360–8370. [Google Scholar] [CrossRef]
- Sha, D.; Yang, X. Wide Voltage Input Full Bridge(FB)/Half Bridge(HB) Morphing-Based LLC DC–DC Converter Using Numerical Optimal Trajectory Control. IEEE Trans. Ind. Electron. 2023, 70, 3697–3707. [Google Scholar] [CrossRef]
- Dacanal Colvero, G.; Murillo Yarce, D.; Tuñón Díaz, J.; Rodríguez Alonso, A.; Vázquez Ardura, A. Closed Loop Modular Topology to Interface Removable Batteries in an Electric Powertrain with 400 V and 800 V Compatibility. In Proceedings of the Energy Conversión Congress and Expo (ECCE Europe 24’), Darmstadt, Germany, 2–6 September 2024. [Google Scholar]
- Murillo-Yarce, D.; Colvero, G.D.; Lamar, D.G.; Rodriguez, A.; Vazquez, A. A Reconfigurable Topology for Integration of Removable Batteries in an Electric Powertrain with 400 V and 800 V Compatibility. In Proceedings of the 2024 IEEE Applied Power Electronics Conference and Exposition (APEC), Long Beach, CA, USA, 25–29 February 2024; pp. 3092–3099, ISSN 2470-6647. [Google Scholar] [CrossRef]
- Tian, J.; Wang, F.; Zhuo, F.; Cui, X.; Yang, D. An Optimal Primary-Side Duty Modulation Scheme With Minimum Peak-to-Peak Current Stress for DAB-Based EV Applications. IEEE Trans. Ind. Electron. 2023, 70, 6798–6808. [Google Scholar] [CrossRef]
- Rodríguez, A.; Vázquez, A.; Lamar, D.G.; Hernando, M.M.; Sebastián, J. Different Purpose Design Strategies and Techniques to Improve the Performance of a Dual Active Bridge With Phase-Shift Control. IEEE Trans. Power Electron. 2015, 30, 790–804. [Google Scholar] [CrossRef]
- Bal, S.; Yelaverthi, D.B.; Rathore, A.K.; Srinivasan, D. Improved Modulation Strategy Using Dual Phase Shift Modulation for Active Commutated Current-Fed Dual Active Bridge. IEEE Trans. Power Electron. 2018, 33, 7359–7375. [Google Scholar] [CrossRef]
- Calderon, C.; Barrado, A.; Rodriguez, A.; Alou, P.; Lazaro, A.; Fernandez, C.; Zumel, P. General Analysis of Switching Modes in a Dual Active Bridge with Triple Phase Shift Modulation. Energies 2018, 11, 2419. [Google Scholar] [CrossRef]
- Chetty, P. Current Injected Equivalent Circuit Approach to Modeling Switching DC-DC Converters. IEEE Trans. Aerosp. Electron. Syst. 1981, AES-17, 802–808. [Google Scholar] [CrossRef]
- Zumel, P.; Ortega, L.; Lázaro, A.; Fernández, C.; Barrado, A.; Rodríguez, A.; Hernando, M.M. Modular Dual-Active Bridge Converter Architecture. IEEE Trans. Ind. Appl. 2016, 52, 2444–2455. [Google Scholar] [CrossRef]
- Qu, L.; Zhang, D.; Bao, Z. Output Current-Differential Control Scheme for Input-Series–Output-Parallel-Connected Modular DC–DC Converters. IEEE Trans. Power Electron. 2017, 32, 5699–5711. [Google Scholar] [CrossRef]
- Fan, H.; Li, H. A distributed control of input-series-output-parallel bidirectional dc-dc converter modules applied for 20 kVA solid state transformer. In Proceedings of the 2011 Twenty-Sixth Annual IEEE Applied Power Electronics Conference and Exposition (APEC), Fort Worth, TX, USA, 6–11 March 2011; pp. 939–945. [Google Scholar] [CrossRef]
- Chen, W.; Fu, X.; Xue, C.; Ye, H.; Syed, W.A.; Shu, L.; Ning, G.; Wu, X. Indirect Input-Series Output-Parallel DC–DC Full Bridge Converter System Based on Asymmetric Pulsewidth Modulation Control Strategy. IEEE Trans. Power Electron. 2019, 34, 3164–3177. [Google Scholar] [CrossRef]
- Chen, W.; Jiang, X.; Cao, W.; Zhao, J.; Jiang, W.; Jiang, L. A Fully Modular Control Strategy for Input-Series Output-Parallel (ISOP) Inverter System Based on Positive Output-Voltage-Amplitude Gradient. IEEE Trans. Power Electron. 2018, 33, 2878–2887. [Google Scholar] [CrossRef]
- Shu, L.; Chen, W.; Jiang, X. Decentralized Control for Fully Modular Input-Series Output-Parallel (ISOP) Inverter System Based on the Active Power Inverse-Droop Method. IEEE Trans. Power Electron. 2018, 33, 7521–7530. [Google Scholar] [CrossRef]
- Ruan, X.; Chen, W.; Cheng, L.; Tse, C.K.; Yan, H.; Zhang, T. Control Strategy for Input-Series–Output-Parallel Converters. IEEE Trans. Ind. Electron. 2009, 56, 1174–1185. [Google Scholar] [CrossRef]
- Wang, Y.; Guan, Y.; Fosso, O.B.; Molinas, M.; Chen, S.Z.; Zhang, Y. An Input-Voltage-Sharing Control Strategy of Input-Series-Output-Parallel Isolated Bidirectional DC/DC Converter for DC Distribution Network. IEEE Trans. Power Electron. 2022, 37, 1592–1604. [Google Scholar] [CrossRef]
- Jung, C.W.; Lee, D.C. Decoupling Control of Input-Paralleled System with Dual Active Bridge Converters. In Proceedings of the 2019 International Symposium on Electrical and Electronics Engineering (ISEE), Ho Chi Minh, Vietnam, 10–12 October 2019; pp. 226–231. [Google Scholar] [CrossRef]
- Lee, S.; Jeung, Y.C.; Lee, D.C. Voltage Balancing Control of IPOS Modular Dual Active Bridge DC/DC Converters Based on Hierarchical Sliding Mode Control. IEEE Access 2019, 7, 9989–9997. [Google Scholar] [CrossRef]

















| Parameter | ||
|---|---|---|
| 6.2 | 3.3 | |
| 50 | 60 | |
| 3 | 3 | |
| n | 8 | 8.4 |
| Parameter | Voltage Loop | Current Loop |
|---|---|---|
| ADC Resolution (bits) | 12 | 12 |
| PWM Resolution (bits) | 10 | 10 |
Disclaimer/Publisher’s Note: The statements, opinions and data contained in all publications are solely those of the individual author(s) and contributor(s) and not of MDPI and/or the editor(s). MDPI and/or the editor(s) disclaim responsibility for any injury to people or property resulting from any ideas, methods, instructions or products referred to in the content. |
© 2025 by the authors. Licensee MDPI, Basel, Switzerland. This article is an open access article distributed under the terms and conditions of the Creative Commons Attribution (CC BY) license (https://creativecommons.org/licenses/by/4.0/).
Share and Cite
Murillo-Yarce, D.; Colvero, G.D.; Gómez, A.A.; Díaz, J.T.; Rodríguez, A.; Vázquez, A. A Modular Power Converter Topology to Interface Removable Batteries with 400 V and 800 V Electric Powertrains. Electronics 2025, 14, 215. https://doi.org/10.3390/electronics14020215
Murillo-Yarce D, Colvero GD, Gómez AA, Díaz JT, Rodríguez A, Vázquez A. A Modular Power Converter Topology to Interface Removable Batteries with 400 V and 800 V Electric Powertrains. Electronics. 2025; 14(2):215. https://doi.org/10.3390/electronics14020215
Chicago/Turabian StyleMurillo-Yarce, Duberney, Gabriel D. Colvero, Alexis A. Gómez, Jairo Tuñón Díaz, Alberto Rodríguez, and Aitor Vázquez. 2025. "A Modular Power Converter Topology to Interface Removable Batteries with 400 V and 800 V Electric Powertrains" Electronics 14, no. 2: 215. https://doi.org/10.3390/electronics14020215
APA StyleMurillo-Yarce, D., Colvero, G. D., Gómez, A. A., Díaz, J. T., Rodríguez, A., & Vázquez, A. (2025). A Modular Power Converter Topology to Interface Removable Batteries with 400 V and 800 V Electric Powertrains. Electronics, 14(2), 215. https://doi.org/10.3390/electronics14020215

