Next Article in Journal
Blockchain-Based Self-Sovereign Identity Management Mechanism in AIoT Environments
Next Article in Special Issue
A Multi-Mode Oscillation Suppression Strategy for Grid-Connected Inverter Systems Based on Amplitude–Phase Reconstruction
Previous Article in Journal
DLG–IDS: Dynamic Graph and LLM–Semantic Enhanced Spatiotemporal GNN for Lightweight Intrusion Detection in Industrial Control Systems
Previous Article in Special Issue
Analysis of Low-Signal Behavior in Electric Motors for Auto-Motive Applications: Measurement, Impedance Evaluation, and Dummy Load Definition
 
 
Font Type:
Arial Georgia Verdana
Font Size:
Aa Aa Aa
Line Spacing:
Column Width:
Background:
Article

An Isolated AC-DC LED Electronic Lighting Driver Circuit with Power Factor Correction

Department of Electrical Engineering, I-Shou University, Kaohsiung City 84001, Taiwan
*
Author to whom correspondence should be addressed.
Electronics 2025, 14(19), 3953; https://doi.org/10.3390/electronics14193953
Submission received: 1 September 2025 / Revised: 28 September 2025 / Accepted: 3 October 2025 / Published: 7 October 2025

Abstract

Light-emitting diodes (LEDs) have gained widespread adoption as solid-state lighting sources due to their compact size, long operational lifetime, high brightness, and mechanical robustness. This paper presents the development and implementation of an isolated AC-DC LED electronic lighting driver circuit that integrates a modified flyback converter with a lossless snubber circuit, along with inherent power factor correction (PFC). The proposed design operates the transformer’s magnetizing inductor in the discontinuous conduction mode (DCM), thereby naturally achieving PFC without the need for complex control circuitry. Furthermore, the circuit is capable of recycling the energy stored in the transformer’s leakage inductance, improving overall efficiency. The input current harmonics are shown to comply with the IEC 61000-3-2 Class C standard. A 72 W (36 V/2 A) prototype has been constructed and tested under a 110 V AC input. Experimental results confirm the effectiveness of the proposed design, achieving a power factor of 0.9816, a total harmonic distortion (THD) of 12.094%, an output voltage ripple factor of 9.7%, and an output current ripple factor of 11.22%. These results validate the performance and practical viability of the proposed LED driver architecture.

1. Introduction

Lighting plays a fundamental role in human life, far exceeding basic visual needs. It influences physical health, enhances environmental aesthetics, supports economic productivity, and ensures safety in various environments. Therefore, the development and optimization of lighting sources remain a key area for further research and technological advancement. Lighting sources are indispensable in modern life, encompassing functional, psychological, economic, and environmental dimensions. Strategic design and implementation of lighting systems not only improve quality of life but also enhance safety, efficiency, and sustainability across various industries. As lighting technology continues to evolve, its social significance will grow increasingly important, underscoring the necessity for interdisciplinary research and innovation in this field. The benefits and impacts of lighting sources in our daily lives are as follows: (1) Human vision and visual comfort: The most immediate and essential function of lighting is to facilitate human vision. Adequate illumination allows for accurate visual perception, which is indispensable for daily activities, occupational tasks, and recreational engagement. Proper lighting reduces visual fatigue, enhances contrast sensitivity, and improves performance in both residential and professional environments. Inadequate or poorly designed lighting can lead to eye strain, decreased productivity, and increased incidence of errors and accidents. (2) Psychological and physiological impacts: Scientific studies have established that lighting conditions significantly affect human circadian rhythms, mood, and cognitive functioning. Exposure to appropriate lighting at specific times of day helps regulate melatonin production and promotes healthy sleep–wake cycles. Natural daylight and high-quality artificial lighting can improve alertness, reduce symptoms of depression, and enhance overall psychological well-being. Therefore, lighting design has become a crucial component in architectural and healthcare applications. (3) Safety and security: Lighting is a key factor in ensuring personal and public safety. In urban infrastructure, streetlights and traffic signals enhance visibility for pedestrians and drivers, thereby reducing the risk of accidents. In industrial and commercial settings, well-illuminated environments prevent workplace injuries and enable the safe operation of machinery. Emergency lighting systems are vital for facilitating evacuation during power outages or hazardous events. (4) Economic and industrial significance: Illumination directly influences economic activity by enabling extended operational hours and improving working conditions. In sectors such as manufacturing, retail, healthcare, and education, appropriate lighting increases efficiency and supports task-specific requirements. Moreover, the lighting industry itself constitutes a significant segment of the global economy, with substantial investments in research, innovation, and sustainable development. (5) Aesthetic and cultural value: Lighting contributes to the aesthetic quality of built environments, shaping perceptions of space, color, and texture. It is an essential element in interior and architectural design, as well as in cultural and artistic expression, such as theater, photography, and public installations. The ability to manipulate light color, intensity, and direction provides designers with a versatile tool for enhancing user experience and ambiance. (6) Environmental considerations: With growing concerns about energy consumption and environmental sustainability, lighting technologies have come under increased scrutiny. Traditional lighting sources often involve significant energy losses and the use of hazardous materials. The shift toward energy-efficient lighting, particularly light-emitting diodes (LEDs), has contributed to reductions in greenhouse gas emissions and resource consumption. Thus, lighting also plays a pivotal role in global sustainability efforts [1,2].
In recent years, the development of solid-state lighting technologies, particularly light-emitting diode (LED) lamps, has significantly transformed the lighting industry. A comprehensive comparison between traditional lighting sources and LED lighting, with a focus on their respective advantages and disadvantages in terms of energy efficiency, operational characteristics, environmental impact, and economic considerations, is addressed as follows. (1) Energy efficiency: Traditional lighting sources exhibit relatively low luminous efficacy, typically offering approximately 60–100 lm/W efficiency; however, they still fall short when compared to LED technology. In contrast, LED lamps demonstrate superior energy efficiency, often exceeding 100 lm/W and reaching up to 150 lm/W in high-performance applications. This improvement results in significant reductions in electricity consumption and operational costs over time. (2) Lifespan and maintenance: The operational lifespan of traditional lighting sources is limited and may achieve 6000 to 15,000 h of use. LEDs, on the other hand, offer an extended service life, commonly rated at 25,000 to 50,000 h or more. Consequently, the maintenance frequency and associated costs for LED systems are substantially reduced, particularly in large-scale or hard-to-access installations. (3) Thermal characteristics: One of the major drawbacks of traditional lighting is excessive heat generation. Traditional lighting sources convert a significant portion of electrical energy into thermal energy, which not only reduces efficiency but also increases the risk of thermal damage or fire. LED lamps operate at much lower temperatures, making them inherently safer and more energy-efficient. (4) Durability and reliability: Traditional lighting technologies often rely on fragile components such as filaments or glass tubes, which are susceptible to mechanical shock and vibration. LEDs, being solid-state devices, are inherently more robust and resistant to external impacts. This attribute enhances their reliability and makes them suitable for a wide range of indoor and outdoor applications. (5) Environmental and health considerations: Traditional lighting sources, such as fluorescent lamps, contain small amounts of mercury, a hazardous substance that poses environmental and health risks if improperly disposed of. Additionally, the higher energy consumption of traditional lighting contributes to increased greenhouse gas emissions. LEDs are free of toxic materials and, due to their high efficiency, help minimize environmental impact by reducing both energy use and carbon footprint. (6) Light quality and control: In contrast to traditional lighting sources, LEDs provide a wide range of correlated color temperatures (CCTs) and can achieve high color rendering index (CRI) values (>80, and up to 95 for premium products). Moreover, LED systems are compatible with advanced control features, including dimming, color tuning, and smart connectivity, although some models may require compatible dimmer circuits. (7) Economic considerations: While traditional lighting sources generally have a lower initial cost, their short lifespan and high energy consumption result in higher long-term operational expenses. LED lamps involve a higher upfront investment; however, the total cost of ownership is often lower due to savings in energy and maintenance. In summary, while traditional lighting sources offer certain benefits—such as high color fidelity and low initial costs—they are generally surpassed by LED lamps in terms of energy efficiency, longevity, safety, and environmental sustainability. The transition to LED lighting represents a significant advancement in modern illumination technology and supports global initiatives for energy conservation and sustainable development [3,4,5,6,7,8,9,10,11,12,13,14,15,16,17,18,19].
In power electronic systems, snubber circuits are essential for protecting switching devices from voltage spikes and reducing switching losses caused by parasitic inductances. Traditional snubber configurations, such as resistor–capacitor (RC) or resistor–capacitor–diode (RCD) networks, dissipate excess energy as heat, resulting in power loss and reduced efficiency. In contrast, lossless snubber circuits are designed to recover and recycle this energy, thereby enhancing overall system efficiency. A lossless snubber circuit redirects the energy stored in the parasitic elements during switching transitions back to the power source or to a storage component, such as a capacitor or inductor, without significant energy dissipation. These circuits are typically composed of passive components (inductors, capacitors, and diodes) and occasionally include active switches to control the energy recovery process. Advantages and features of the lossless snubber circuit are addressed as follows. (1) High efficiency: Lossless snubbers minimize power dissipation by recovering the switching energy, making them highly suitable for high-efficiency power converters. (2) Improved thermal management: By avoiding resistive dissipation, less heat is generated, which reduces thermal stress on components and simplifies the thermal design. (3) Reduced electromagnetic interference (EMI): Properly designed lossless snubber circuits can smooth voltage and current transitions, thereby reducing high-frequency EMI emissions. (4) Extended switch lifespan: By limiting voltage spikes and reducing turn-off losses, the electrical stress on switching devices is minimized, enhancing their reliability and lifespan. (5) Energy recycling capability: The inherent energy recovery mechanism contributes to power conservation, especially in systems where switching frequency and load dynamics vary significantly. (6) Scalability and adaptability: Lossless snubber designs can be adapted to various converter topologies, including flyback, forward, and resonant converters, offering flexible integration into modern power systems [20,21,22,23,24,25,26,27,28,29].
To address the need for efficient power conversion and improved input current quality, this paper proposes and implements a novel LED electronic lighting driver circuit featuring input current shaping capability. The proposed topology integrates a lossless snubber circuit with a flyback converter to realize an isolated, single-switch power conversion architecture, herein referred to as a modified flyback converter. Furthermore, the transformer’s magnetizing inductor within the proposed driver is designed to operate in discontinuous conduction mode (DCM), thereby inherently achieving power factor correction (PFC) without the need for additional circuitry. The original concept of the proposed circuit is described in [30], and this paper is an expanded version of [30] with improvements in content for applications with higher LED output power. The remainder of this paper is structured as follows. Section 2 provides a detailed description and analysis of the operational modes of the proposed isolated AC-DC LED electronic lighting driver circuit incorporating power factor correction. Section 3 discusses the key design considerations associated with the proposed driver architecture. In Section 4, experimental results obtained from a fabricated prototype are presented to validate the circuit’s performance. Finally, Section 5 concludes the paper with a summary of the findings.

2. Descriptions and Analysis of the Isolated AC-DC LED Electronic Lighting Driver Circuit with Power Factor Correction

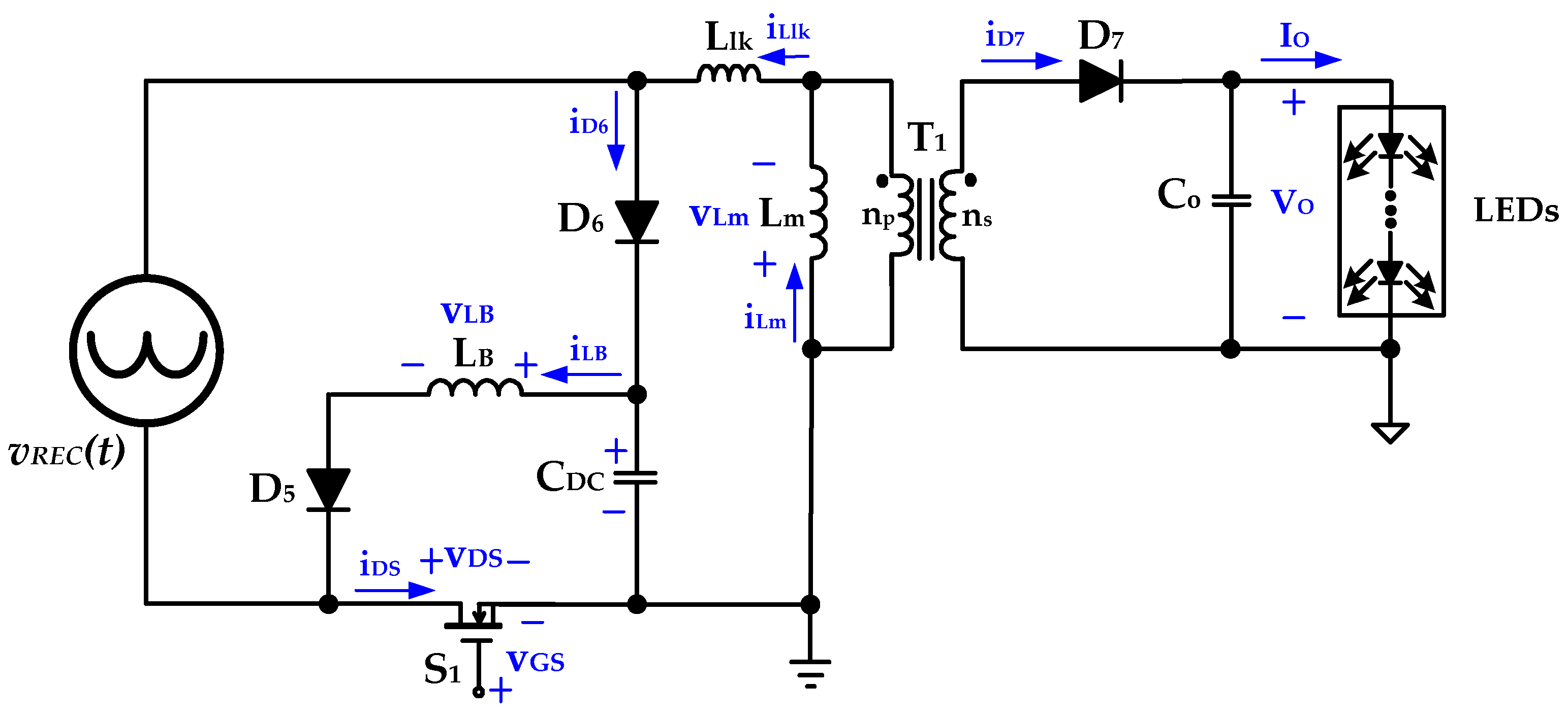
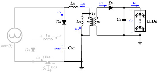
Figure 1 shows the proposed AC-DC LED electronic lighting driver circuit with power factor correction, which consists of a lossless snubber circuit and a modified flyback converter as the main circuit, and the entire isolated AC-DC LED electronic lighting driver circuit topology includes a filter inductor Lf, a filter capacitor Cf, a full-wave rectifier (including four diodes D1, D2, D3, and D4), a power switch S1, an inductor LB, three diodes D5, D6 and D7, a DC-linked capacitor CDC, a transformer T1 with a turn np in the primary-side and a turn ns in the secondary-side, an output capacitor Co and the LEDs.
Figure 2 shows the equivalent circuit of the isolated AC-DC LED electronic lighting driver circuit with power factor correction, obtained while analyzing the operational modes. In order to analyze the circuit operation of the proposed isolated AC-DC LED electronic lighting driver circuit with power factor correction, the following assumptions were made.
(a)
The input AC voltage source vAC is connected to the filter inductor Lf and filter capacitor Cf and rectified by a full-bridge rectifier, and then the voltage presented on the input capacitor Cin is denoted as vREC(t).
(b)
The magnetizing inductor Lm of the transformer T1 is designed to operate in discontinuous conduction mode (DCM), and Llk is the leakage inductance of the transformer T1, respectively. In addition, the values of leakage inductors Llk are much smaller than the magnetizing inductor Lm; therefore, the voltage drops of the leakage inductor Llk can be neglected.
(c)
The intrinsic diode and the turn-on resistor of the power switch S1 are neglected.
(d)
Neglect the on-state voltage drops and equivalent resistance of diodes D5 and D6 and output diode D7.
(e)
The rest of the circuit elements are considered ideal.
Figure 3, Figure 4, Figure 5, Figure 6, Figure 7 and Figure 8 illustrate the operating modes and theoretic waveforms of the isolated AC-DC LED electronic lighting driver circuit with power factor correction, respectively, and each operation mode is analyzed and introduced in detail below.
Operation Mode 1 (t0t < t1): Figure 3 represents the operation mode 1 of the isolated AC-DC LED electronic lighting driver circuit with power factor correction. At time t0, the power switch S1 is driven on and starts to enter operation mode 1. The full-wave rectified voltage vREC(t) is supplied to the magnetizing inductor Lm and the leakage inductor Llk via the power switch S1; the magnetizing inductor current iLm and the leakage inductor current iLlk show a linear rise; the DC-linked capacitor CDC is supplied to the inductor LB via the power switch S1 and the diode D5; and the inductor current iLB shows a linear rise, and the output capacitor Co provides energy to the LEDs. At time t1, the inductor currents iLm and iLB will reach their maximum values, and operation mode 1 ends when the power switch S1 cuts off at time t1.
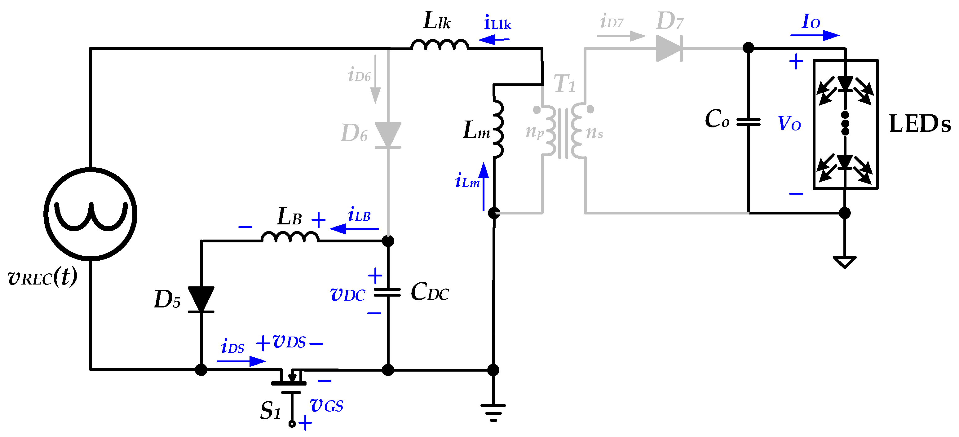
Operational Mode 2 (t1t < t2): Figure 4 represents the operation mode 2 of the isolated AC-DC LED electronic lighting driver circuit with power factor correction. At time t1, the power switch S1 cuts off and the diodes D5 and D6 are biased in the forward direction. The inductor LB sends energy back to the full-wave rectified voltage vREC(t) via diodes D5 and D6, and the inductor current iLB decreases linearly. The magnetizing inductor Lm and the leakage inductor Llk are supplied with energy via diode D6 to the DC-linked capacitor CDC, and the magnetizing inductor current iLm and the leakage inductor current iLlk decrease linearly. In addition, the output diode D7 on the secondary side of the transformer is forward biased, so the magnetizing inductor Lm provides energy to the LEDs through the diode D7, and operation mode 2 ends when the inductor LB finishes releasing energy at time t2.
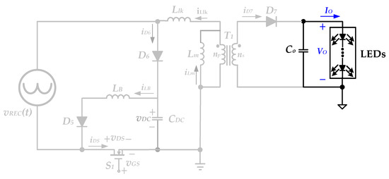
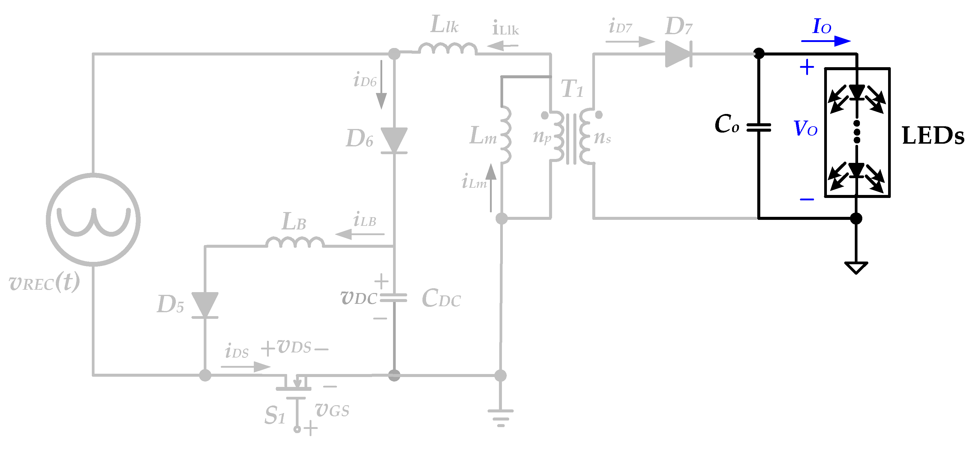
Operational Mode 3 (t2t < t3): Figure 5 represents operation mode 3 of the isolated AC-DC LED electronic lighting driver circuit with power factor correction. In this mode, the magnetizing inductor Lm and the leakage inductor Llk continue to provide energy to the DC-linked capacitor CDC via diode D6 and continue to provide energy to the LEDs via diode D7, and the magnetizing inductor current iLm and the leakage inductor current iLlk continue to decrease linearly. When the leakage inductor Llk finishes releasing energy at time t3, operation mode 3 ends.
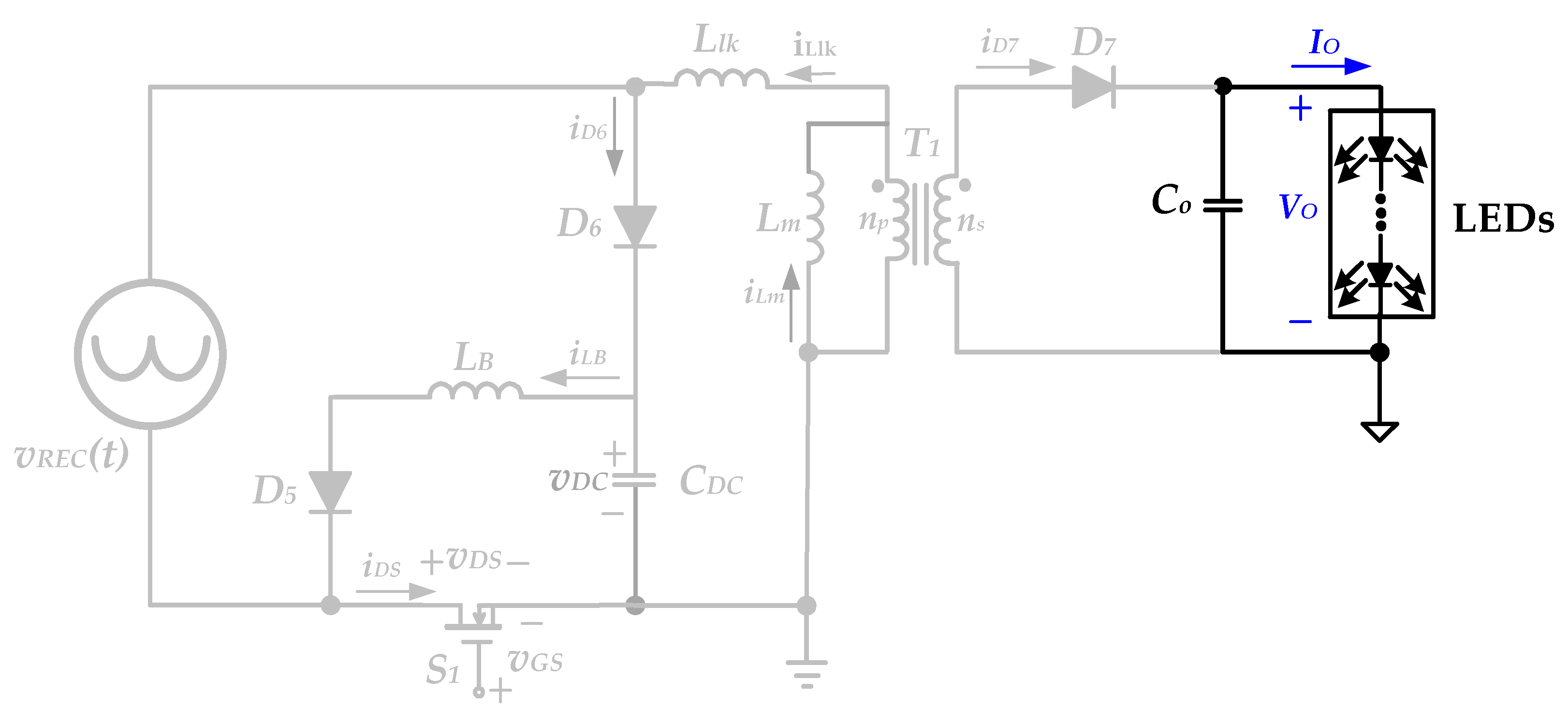
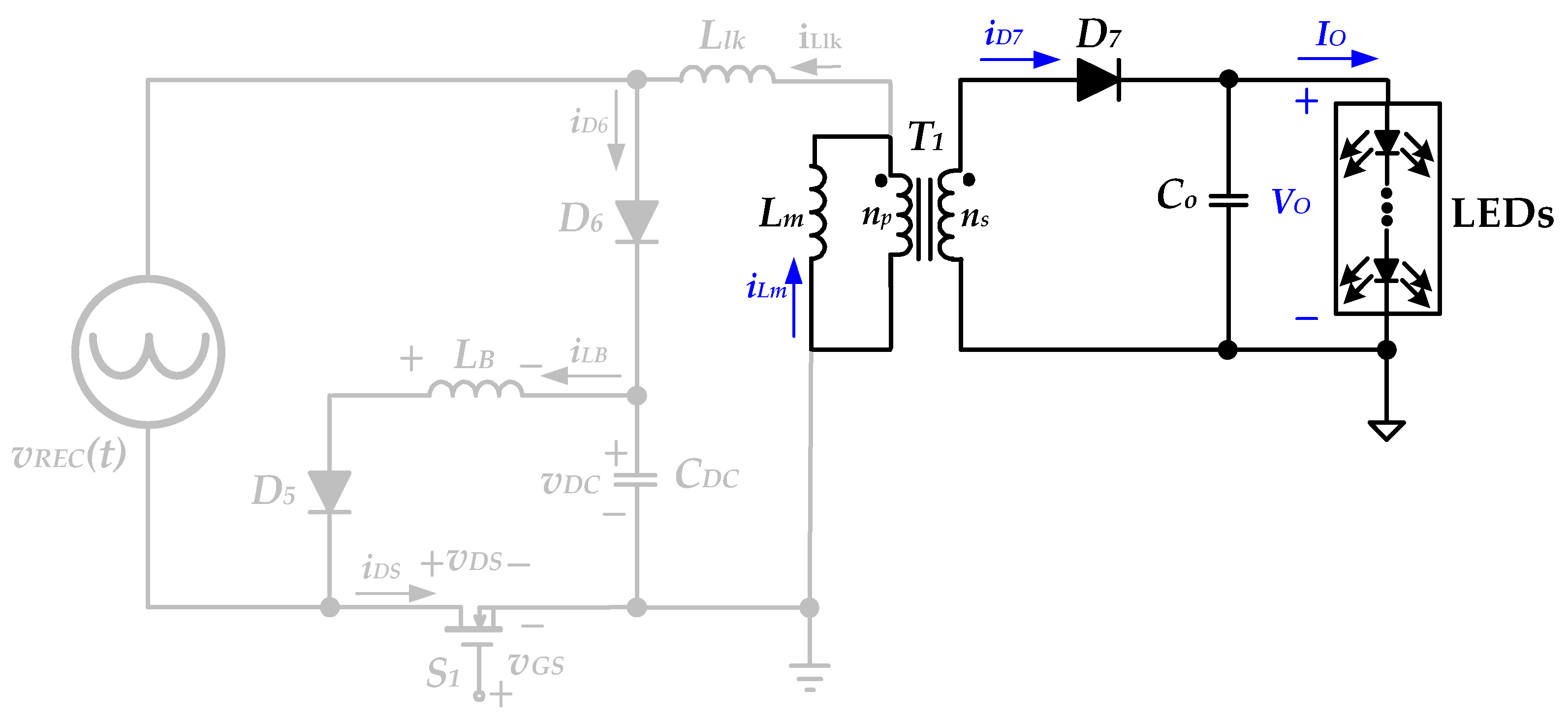
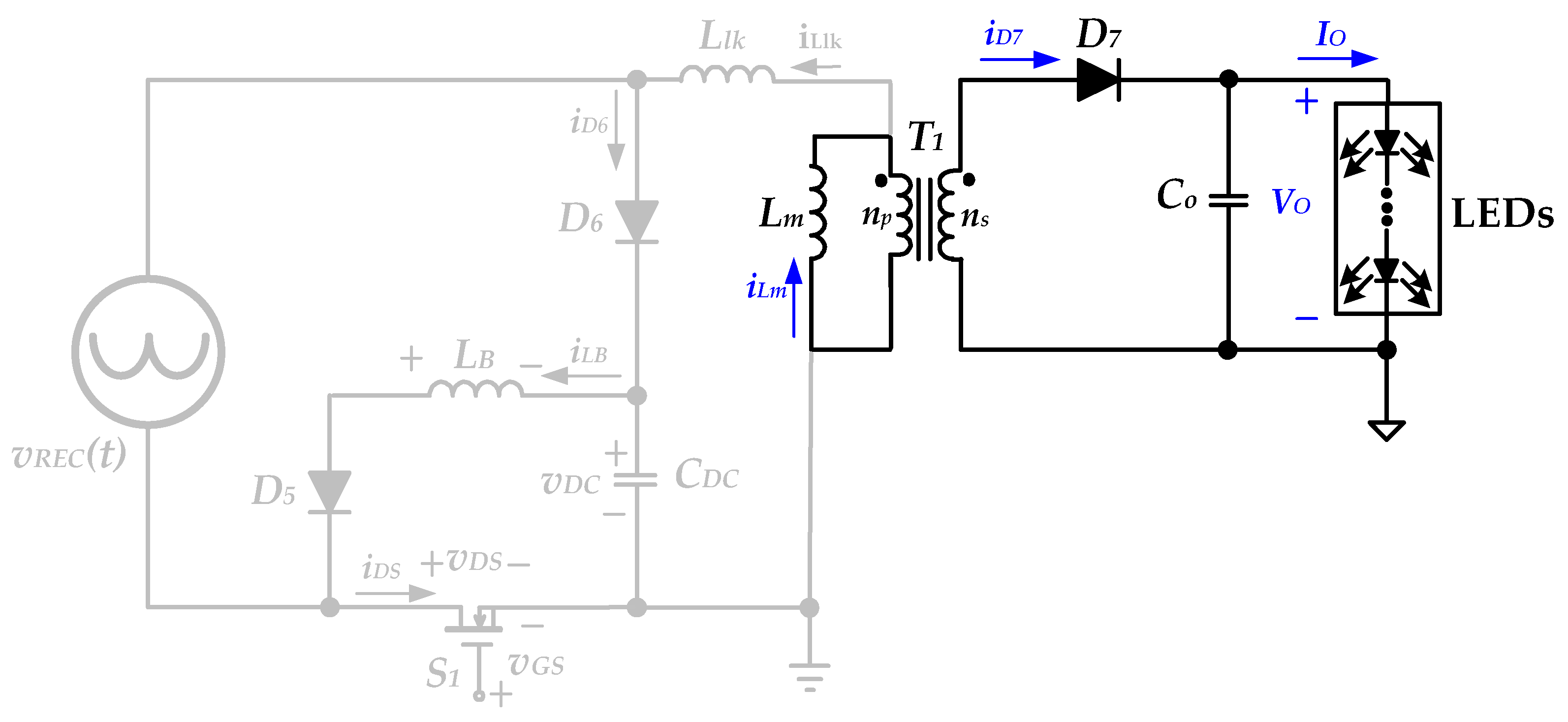
Operational Mode 4 (t3t < t4): Figure 6 represents the operation mode 4 of the isolated AC-DC LED electronic lighting driver circuit with power factor correction. In this mode, the magnetizing inductor Lm continues to provide energy to the LEDs via diode D7, and the magnetizing inductor current iLm continues to decrease linearly. When the magnetizing inductor Lm finishes releasing energy at time t4, operation mode 4 ends.
Operational Mode 5 (t4t < t5): Figure 7 represents operation mode 5 of the isolated AC-DC LED electronic lighting driver circuit with power factor correction. In this mode, energy is supplied to the LEDs by the output capacitor Co. When the power switch S1 is turned on again at time t5, operation mode 5 ends and the circuit reverts back to operation mode 1.

3. Design Equations and Considerations of Key Components in the Proposed AC-DC LED Electronic Lighting Driver Circuit

3.1. Design Formula of the Magnetizing Inductor LM

The utility-line voltage vAC(t) can be expressed by
v A C ( t ) = 2 v A C r m s sin ( 2 π f A C t )
where vAC-rms and fAC are the rms value and the frequency of the utility-line voltage.
The voltage occurred on the input capacitor Cin, which is denoted as vREC(t), can be given by
v R E C ( t ) = 2 v A C r m s sin ( 2 π f A C t )
The peak value of the magnetizing inductor current iLM in the transformer T1, which is denoted as iLM,peak(t), can be represented by
i L M , p e a k ( t ) = 2 v A C r m s sin ( 2 π f A C t ) D u t y T S L M
where Duty is the duty cycle of the power switch.
The input utility-line current iAC is equal to the average level of iLM,peak(t) during one switching period and can be expressed as
i A C ( t ) = 1 T A C 0 T A C i L M , p e a k ( t ) d t = 2 v A C r m s D u t y 2 T S 2 L M sin ( 2 π f A C t )
where TAC is the utility-line period.
The average input power of the utility line, PIN, is determined by multiplying the instantaneous utility line voltage, vAC(t), by the instantaneous line current, iAC(t), and subsequently averaging the product over one complete cycle, as expressed by the following equation.
P I N = 1 T A C 0 T A C v A C ( t ) i A C ( t ) d t = v A C r m s 2 D u t y 2 T S 2 L M
The rated output power of the LEDs, PO, is related to the input power through the estimated efficiency of the driver circuit, η, according to the following relationship.
P O = η P I N = η v A C r m s 2 D u t y 2 T S 2 L M
By rearranging this Expression (6), the design formula for the magnetizing inductance, LM, can be derived as follows:
L M = η v A C r m s 2 D u t y 2 T S 2 P O
With a vAC-rms of 110 V, a PO of 72 W, an η of 0.8, a Duty of 0.25 and a switching period TS of 1/(40 kHz), the inductances of the magnetizing inductor LM are calculated as
L M = η v A C r m s 2 D u t y 2 T S 2 P O = 0.8 110 2 0.25 2 2 72 40,000 = 105.03   μ H
In order to operate the magnetizing inductor current in discontinuous continuous mode, the magnetizing inductor LM is selected to be 79 μH when the prototype driver circuit was realized.

3.2. Design Consideration of the Turns Ratio n in the Transformer T1

Based on the volt-second balance theorem, the voltage across the magnetizing inductor LM during the switch’s turn-on time is equal to the voltage across LM during the switch’s turn-off time. This relationship can be expressed using the following formula:
v R E C max D u t y T S = n p n s V O 1 D u t y T S
where vREC-max is the maximum value of the voltage vREC(t); TS is the switching period.
By organizing Equation (8), the turns ratio n in the transformer T1 can be expressed by
n = n p n s = v R E C max V O D u t y 1 D u t y
In accordance with Equation (9), Figure 9 demonstrates the correlation between the turns ratio n and the duty cycle Duty for various output voltage VO. In addition, with an output voltage VO of 36 V, a vREC-max of 155 V, and a duty cycle Duty of 0.25, the turns ratio n is selected as 1.4 when implementing the prototype of the LED electronic lighting driver circuit.

3.3. Design Guideline of the LC Non-Dissipative Snubber Circuit

The main function of the LC non-dissipative snubber circuit is to absorb and recover the energy of high voltage spikes caused by the leakage inductance of the transformer, reducing the voltage stress on the power switching elements. When designing the capacitance CDC of a non-dissipative snubber, it is necessary to consider that it is sufficient to temporarily absorb the energy of the leakage inductance Llk, so as not to oversurge the spike voltage of the power switch. The energy of the capacitance CDC can be calculated by the energy conservation theorem as follows:
E C D C = L l k I p e a k 2 2
where Ipeak is the peak value of the switch current.
The energy in the above equation will be temporarily stored in the capacitor CDC, so the magnitude of the voltage change ΔVDC on the capacitor CDC can be expressed as follows.
Δ V D C = E C D C 1 2 C D C V D C 2 = L l k I p e a k 2 C D C V D C 2
Rearranging Equation (11), the equation for calculating the capacitance CDC can be expressed as follows.
C D C L l k I p e a k 2 V D C 2 Δ V D C V D C
With a VDC of 100 V, a ΔVDC of 1 V, a Llk of 4 μH, and a Ipeak of 10 A, the minimum value of the capacitance CDC is calculated as
C D C L l k I p e a k 2 V D C 2 Δ V D C V D C = 4 μ 10 2 100 2 0.01 = 4   μ F
In addition, the capacitor CDC was selected to be 47 μF when the prototype of the LED electronic lighting driver circuit was realized. As indicated by Equation (12), the voltage ripple across the capacitor CDC is inversely related to their capacitance. A capacitance value exceeding the calculated minimum is deliberately selected to further suppress voltage ripple. Moreover, capacitors with slightly larger capacitance values typically exhibit negligible differences in physical size when their voltage ratings are identical, making such a design choice both electrically and mechanically practical.
When designing the inductance LB of a non-dissipative snubber, it is important to consider that the energy stored in the capacitor CDC can be transferred back to the main circuit or to the power supply. Therefore, the inductance LB should be designed so that it is in approximate resonance with the capacitor CDC so that the energy can be transferred back and forth. The formula for the resonant frequency fr can be expressed as:
f r = 1 2 π L B C D C
Usually, the design objective is to make the resonant frequency, fr, is different from the switching frequency, so that the energy transfer procedure of the non-dissipative snubber will not interfere with the switching frequency of the main circuit. The design equation of inductive LB is as follows:
L B = 1 2 π f r 2 C D C
With a resonant frequency fr of 2 kHz and a CDC of 47 μF, the turns ratio n is calculated as
L B = 1 2 π f r 2 C D C = 1 2 π 2000 2 47 μ = 134.74 μ H
To enable power factor correction (PFC) in the driver circuit, the inductor LB was designed to operate in discontinuous conduction mode (DCM). For the implementation of the prototype LED electronic lighting driver circuit, LB was selected with a value of 115 μH. This design choice ensures proper PFC operation while maintaining the desired performance characteristics of the driver.

4. Experimental Results Obtained from the Implemented Prototype of the Isolated AC-DC LED Electronic Lighting Driver Circuit

A prototype isolated AC-DC LED electronic lighting driver circuit applied to an AC input voltage of 110 V root-mean-square (rms) value has been successfully implemented and tested for powering a 72 W-rated LEDs with an output rated voltage of 36 V and an output rated current of 2 A. Table 1 and Table 2 show the specifications and the key components used in the proposed isolated AC-DC LED electronic lighting driver circuit with power factor correction, respectively. Considering the variability of LED parameters in practical applications, a prototype of the proposed LED electronic lighting driver circuit was designed, implemented, and experimentally evaluated. The circuit employs a PWM control IC (TL494) to regulate both the voltage and current of the LED load, thereby ensuring operation at their respective nominal values.
Figure 10 illustrates the experimentally measured gate-driving signal VGS of the power switch. The switching frequency and duty cycle were set to 40 kHz and 0.25, respectively. Figure 11 presents the corresponding measured waveforms of the switch voltage VDS and switch current IDS. As illustrated in Figure 11, a substantial voltage is observed across (VDS) during the conduction period of the MOSFET. The MOSFET employed in the prototype driver circuit (STP20NM60), which is commonly available in our laboratory, exhibits a channel resistance (RDSon) of 0.29 Ω. Consequently, considerable conduction losses occur in the device, leading to a reduction in overall circuit efficiency. To enhance conversion efficiency, future work may consider replacing the existing MOSFET with one possessing a lower (RDSon), thereby mitigating conduction losses and improving the performance of the LED driver circuit. Figure 12 depicts the measured currents of the magnetizing inductor (iLm) and the secondary inductor (iLB), both operating in discontinuous conduction mode (DCM). In addition, both inductor currents exhibit an extended interval of discontinuity. This behavior arises because the experimental waveforms illustrated in Figure 12 were obtained at an operating point significantly distant from the peak value of the input voltage (i.e., at 90 degrees). Figure 13 illustrates the measured output voltage VO and output current IO, with corresponding average values of 36.2 V and 2.0909 A. The peak-to-peak variations in the output voltage and current are observed to be 3.5114 V and 0.2346 A, respectively. Based on these measurements, the ripple factors—defined as the ratio of the peak-to-peak value to the average value—are calculated to be 9.7% for the output voltage and 11.22% for the output current.
Figure 14 presents the input utility-line voltage (vAC) and input current (iAC). It can be observed that the input current waveform closely follows the voltage waveform, thereby demonstrating the power factor correction (PFC) capability of the proposed isolated LED electronic lighting driver circuit.
Table 3 summarizes the harmonic components of the input current, obtained from measurements conducted with a power analyzer under a 110 V AC input condition. These measured values are compared with the IEC 61000-3-2 Class C standard limits [31]. The proposed driver circuit achieves a power factor of 0.9816 and a total harmonic distortion (THD) of 12.094%. Additionally, the overall conversion efficiency of the prototype LED driver was measured to be 82.3%.
Figure 15 shows a photograph of the clear top-view schematic of the prototype AC-DC electronic lighting driver circuit. Figure 16 presents a photograph of the prototype AC-DC electronic lighting driver circuit with power factor correction used to power LEDs applied to an AC input voltage source with a value of 110 V rms. In addition, the input AC current harmonics, power factor, and total harmonic distortion of the prototype electronic lighting driver circuit were tested and measured at input voltages ranging from 100 V to 120 V. Figure 17 presents the measured values of input AC current harmonics at each input AC voltage and their comparison with the IEC 61000-3-2 Class C standard. Figure 18 shows the power factor and total harmonic distortion of current measured for the prototype electronic lighting driver circuit at different input AC voltages.
Figure 19 illustrates the detailed power loss distribution of the prototype isolated LED electronic driver circuit incorporating power factor correction, thereby serving as empirical support for the efficiency metrics presented in this study. As shown, the individual contributions to the overall power loss by critical circuit components are quantified as follows: the power switch S1 accounts for 12% of the total losses, diode D5 contributes 6%, while diodes D6 and D7 are responsible for 5% and 17%, respectively. The remaining 60% of the total power loss is attributed to various other circuit elements and parasitic phenomena. This comprehensive breakdown offers valuable insight into the primary sources of inefficiency within the driver architecture and identifies key areas where future design improvements may be directed to enhance overall performance.
Table 4 provides a comparative analysis of the proposed AC-DC LED driver circuit against two previously reported designs. The first reference [32] describes a 100 W (36 V/2.77 A) driver comprising a modified stacked dual-boost converter integrated with a half-bridge LLC resonant converter, operating from a 110 V AC input. The second design [33] employs an inverted buck-boost converter with a lossless snubber, delivering 18 W (60 V/0.3 A) from the same input voltage. In contrast, the proposed driver circuit utilizes a modified flyback converter integrated with a lossless snubber to achieve an output power of 72 W (36 V/2 A).
Compared to the topology in [32], the proposed design reduces component count by eliminating one power switch, two power diodes, and one magnetic component, thereby offering a more compact and potentially cost-effective solution. However, the circuit in [32] demonstrates superior efficiency due to the implementation of soft-switching techniques and exhibits lower total harmonic distortion (THD) in the input current, as well as better current quality.
In comparison with the design in [33], the proposed circuit requires an equivalent number of components, while achieving a measured efficiency above 82%, similar to both referenced designs. Notably, the proposed driver achieves a higher power factor than the topology in [33], along with a reduced input current THD, signifying enhanced power quality performance.

5. Conclusions

This study presents the design and implementation of an isolated AC-DC LED electronic lighting driver circuit with integrated power factor correction, intended for operation from an AC input voltage source. The proposed topology is based on a modified flyback converter combined with a lossless snubber circuit, which effectively recovers the leakage inductance energy, thereby improving overall efficiency. A 72 W-rated prototype was developed to drive LED loads with an output voltage of 36 V and output current of 2 A under a 110 V AC input condition. Experimental validation confirms that the proposed driver achieves a high-power factor exceeding 0.98 and a low total harmonic distortion (THD) of the input current below 13%. Moreover, all measured input current harmonics comply with the IEC 61000-3-2 Class C standard, demonstrating the suitability of the proposed design for practical and regulatory-compliant LED lighting applications.
In summary, the implemented prototype driver circuit, which integrates a modified flyback converter with a lossless snubber and inherent PFC capability, achieves an overall efficiency of 82.3%. While this efficiency is somewhat lower than that reported for state-of-the-art LED driver technologies—particularly those employing soft-switching strategies—the proposed design nonetheless demonstrates significant advantages. By minimizing the component count, the circuit attains a more compact structure and offers the potential for reduced manufacturing costs. These characteristics highlight the practical relevance of the proposed approach and suggest its suitability for applications where cost-effectiveness and compactness are prioritized over maximum efficiency. Future work will focus on further enhancing the efficiency of the design while preserving its structural simplicity and economic feasibility.
Additionally, the implementation of dimming functionality in the proposed isolated AC-DC LED electronic driver circuit represents another potential direction for future work. This functionality can be achieved by incorporating an additional power switch in series with the LED load. By employing pulse-width modulation (PWM) control, the dimming operation is facilitated through the adjustment of the duty cycle of the supplementary switch. This approach enables modulation of the average current supplied to the LEDs, thereby achieving effective and precise brightness control.

Author Contributions

C.-A.C. established and designed the topology of the LED electronic lighting driver circuit; H.-L.C. arranged and performed circuit simulations; E.-C.C. designed the circuit parameters; M.-T.C. carried out the prototype of the LED electronic lighting driver circuit, and measured as well as analyzed experimental results with the guidance from C.-A.C.; C.-A.C. revised the manuscript for submission. All authors have read and agreed to the published version of the manuscript.

Funding

This research received no external funding.

Data Availability Statement

The original contributions presented in this study are included in the article. Further inquiries can be directed to the corresponding author.

Conflicts of Interest

The authors declare no conflicts of interest.

References

  1. Robles, J.; Zamorano, J.; Pascual, S.; Sánchez Miguel, A.; Gallego, J.; Gaston, K.J. Evolution of Brightness and Color of the Night Sky in Madrid. Remote Sens. 2021, 13, 1511. [Google Scholar] [CrossRef]
  2. Alharbi, F.; Almoshaogeh, M.I.; Ibrahim, A.H.; Haider, H.; Elmadina, A.E.M.; Alfallaj, I. Performance Appraisal of Urban Street-Lighting System: Drivers’ Opinion-Based Fuzzy Synthetic Evaluation. Appl. Sci. 2023, 13, 3333. [Google Scholar] [CrossRef]
  3. Arias, M.; Lamar, D.G.; Linera, F.F.; Balocco, D.; Diallo, A.A.; Sebastián, J. Design of a Soft-Switching Asymmetrical Half-Bridge Converter as Second Stage of an LED Driver for Street Lighting Application. IEEE Trans. Power Electron. 2012, 27, 1608–1621. [Google Scholar] [CrossRef]
  4. Sauerlander, G.; Hente, D.; Radermacher, H.; Waffenschmidt, E.; Jacobs, J. Driver electronics for LEDs. In Proceedings of the IEEE 41st IAS Annual Meeting, Tampa, FL, USA, 8–12 October 2006; pp. 2621–2626. [Google Scholar]
  5. Muneer, A.; Fayyaz, A.; Iqbal, S.; Jabbar, M.W.; Qaisar, A.; Farooq, F. Single Stage Active Power Factor Correction Circuit for Street LED Light with Battery Backup. Eng. Proc. 2021, 12, 69. [Google Scholar] [CrossRef]
  6. Lozano-Miralles, J.A.; Hermoso-Orzáez, M.J.; Gago-Calderón, A.; Brito, P. LCA Case Study to LED Outdoor Luminaries as a Circular Economy Solution to Local Scale. Sustainability 2020, 12, 190. [Google Scholar] [CrossRef]
  7. Kolla, H.R.; Vishwanathan, N.; Murthy, B.K. Independently Controllable Dual-Output Half-Bridge Series Resonant Converter for LED Driver Application. IEEE J. Emerg. Sel. Top. Power Electron. 2022, 10, 2178–2189. [Google Scholar] [CrossRef]
  8. Zhang, Y.; Ma, D. A Single-Stage Solar-Powered LED Display Driver Using Power Channel Time Multiplexing Technique. IEEE Trans. Power Electron. 2015, 30, 3772–3780. [Google Scholar] [CrossRef]
  9. Kathiresan, R.; Xiong, T.M.; Panda, S.K.; Das, P.; Reindl, T. A non-isolated converter design with time-multiplexing control topology for un-binned high-power LEDs in parallel operation for off-grid solar-PV streetlamps. In Proceedings of the 2016 IEEE International Conference on Sustainable Energy Technologies (ICSET), Hanoi, Vietnam, 14–16 November 2016; pp. 359–363. [Google Scholar]
  10. Xu, H.; Wen, H.; Li, X. Design and evaluation of a solar based single inductor multiple outputs LED lighting. In Proceedings of the International Conference on Renewable Power Generation (RPG 2015), Beijing, China, 17–18 October 2015; pp. 1–5. [Google Scholar]
  11. Ocenasek, J.; Bednar, B.; Tyrpekl, M.; Michalik, J.; Kosan, T. Design of Two-Channel LED Stand-Alone Solar Lamp Driver Prototype for Biodynamic Application. In Proceedings of the 2022 IEEE 20th International Power Electronics and Motion Control Conference (PEMC), Brasov, Romania, 25–28 September 2022; pp. 691–696. [Google Scholar]
  12. Jiang, X. Innovation to brisbane city council street lighting system with solar powered LED: A techno-economic feasibility study. In Proceedings of the 2016 Australasian Universities Power Engineering Conference (AUPEC), Brisbane, QLD, Australia, 25–28 September 2016; pp. 1–6. [Google Scholar]
  13. Corradini, L.; Spiazzi, G. A High-Frequency Digitally Controlled LED Driver for Automotive Applications with Fast Dimming Capabilities. IEEE Trans. Power Electron. 2014, 29, 6648–6659. [Google Scholar] [CrossRef]
  14. Pollock, A.; Pollock, H.; Pollock, C. High Efficiency LED Power Supply. IEEE J. Emerg. Sel. Top. Power Electron. 2015, 3, 617–623. [Google Scholar] [CrossRef]
  15. Pouladi, F.; Farzanehfard, H.; Adib, E.; Le Sage, H. Single-Switch Soft-Switching LED Driver Suitable for Battery-Operated Systems. IEEE Trans. Ind. Electron. 2019, 66, 2726–2734. [Google Scholar] [CrossRef]
  16. Tseng, S.-Y.; Fan, J.-H. Zeta/Flyback Hybrid Converter for Solar Power Applications. Sustainability 2022, 14, 2924. [Google Scholar] [CrossRef]
  17. Kasireddy, I.; Ch, K.R. An Efficient Selective Harmonic Based Full Bridge DC-DC Converter for LED Lighting Applications. In Proceedings of the 2019 National Power Electronics Conference (NPEC), Tiruchirappalli, India, 13–15 December 2019; pp. 1–6. [Google Scholar]
  18. Song, C.; Kweon, H.; Lee, U.; Kim, J.; Yang, S.; Park, J. Modeling of conducted EMI noise in an Automotive LED Driver Module with DC/DC Converters. In Proceedings of the 2019 International Symposium on Electromagnetic Compatibility-EMC EUROPE, Barcelona, Spain, 2–6 September 2019; pp. 1009–1013. [Google Scholar]
  19. Wang, Y.; Alonso, J.M.; Ruan, X. A Review of LED Drivers and Related Technologies. IEEE Trans. Ind. Electron. 2017, 64, 5754–5765. [Google Scholar] [CrossRef]
  20. Lee, S.W.; Do, H.L. A Single-Switch AC–DC LED Driver Based on a Boost-Flyback PFC Converter with Lossless Snubber. IEEE Trans. Power Electron. 2017, 32, 1375–1384. [Google Scholar] [CrossRef]
  21. Domb, M.; Redl, R.; Sokal, N.O. Nondissipative turn-off snubber alleviates switching power dissipation, second-breakdown stress and VCE overshoot: Analysis, design procedure and experimental verification. In Proceedings of the 1982 IEEE Power Electronics Specialists Conference, Cambridge, MA, USA, 14–17 June 1982; pp. 445–454. [Google Scholar]
  22. Tanaka, T.; Ninomiya, T.; Harada, K. Design of a nondissipative turn-off snubber in a forward converter PESC ’88 Record. In Proceedings of the 19th Annual IEEE Power Electronics Specialists Conference, Kyoto, Japan, 11–14 April 1988; pp. 789–796. [Google Scholar]
  23. Ali, M.A.S.; Mehmood, K.K.; Park, J.K.; Kim, C.H. Transient and Steady-State Analysis of Flyback Converter with Non-Dissipative LC Snubber. In Proceedings of the International Conference on Power Systems Transients (IPST2017), Seoul, Republic of Korea, 26–29 June 2017. [Google Scholar]
  24. Dzhunusbekov, E.J. A novel semi-active regenerative snubber. J. Vibroeng. 2020, 22, 1240–1250. [Google Scholar] [CrossRef]
  25. Ai, T.H. A novel integrated non dissipative snubber for flyback converter. IEEE Int. Conf. Syst. Signals 2005, 2005, 66–71. [Google Scholar]
  26. Liao, C.S.; Smedley, K.M. Design of high efficiency flyback converter with energy regenerative snubber. In Proceedings of the 2008 Twenty-Third Annual IEEE Applied Power Electronics Conference and Exposition, Austin, TX, USA, 24–28 February 2008; pp. 796–800. [Google Scholar]
  27. Vartak, C.; Abramovitz, A.; Smedley, K.M. Analysis and Design of Energy Regenerative Snubber for Transformer Isolated Converters. IEEE Trans. Power Electron. 2014, 29, 6030–6040. [Google Scholar] [CrossRef]
  28. Cacciotto, F.; Cannone, A.; Cassarà, E.; Rizzo, S.A. Analysis and Optimization of a Regenerative Snubber for a GaN-Based USB-PD Flyback Converter. Electronics 2024, 13, 1045. [Google Scholar] [CrossRef]
  29. Infineon Technologies AG. Using a Capacitance-Diode-Lossless Turn-Off Snubber Circuit in Telecom Bricks; Infineon Technologies AG: Neubiberg, Germany, 2022; Available online: https://www.infineon.com/dgdl/Infineon-Using_a_CDL_turn_off_snubber_curciut_in_telecom_bricks-ApplicationNotes-v01_00-EN.pdf?fileId=8ac78c8c80f4d32901811ebf2a3c1ad3 (accessed on 2 October 2025).
  30. Cheng, C.-A.; Chang, C.-H.; Cheng, H.-L.; Chang, M.-T. A Novel LED Driver with Power Factor Correction Suitable for Streetlight Applications. In Proceedings of the International Future Energy Electronics Conference 2017 (IFEEC 2017)–ECCE Asia, Kaohsiung, Taiwan, 3–7 June 2017; pp. 1–4. [Google Scholar]
  31. IEC 61000-3-2:2018; Electromagnetic Compatibility (EMC)—Part 3-2: Limits—Limits for Harmonic Current Emissions (Equipment Input Current = 16 A per Phase). IEC: Geneva, Switzerland, 2018.
  32. Cheng, C.-A.; Lee, C.-M.; Chang, E.-C.; Hou, S.-H.; Lan, L.-F.; Lin, C.-K. A Novel Integrated Electronic Lighting Driver Circuit for Supplying an LED Projection Lamp with High Power Factor and Soft Switching Characteristics. Electronics 2023, 12, 4642. [Google Scholar] [CrossRef]
  33. Cheng, C.-A.; Chen, Y.-L.; Chen, Y.-J.; Lai, S.-W. A Novel Cost-Effective AC-DC Power Supply for Indoor LED Lighting Applications. In Proceedings of the 2019 IEEE PES Asia-Pacific Power and Energy Engineering (APPEEC), Macao, China, 1–4 December 2019; pp. 1–3. [Google Scholar]
Figure 1. The proposed isolated AC-DC LED electronic lighting driver circuit with power factor correction.
Figure 1. The proposed isolated AC-DC LED electronic lighting driver circuit with power factor correction.
Electronics 14 03953 g001
Figure 2. Equivalent circuit of the isolated AC-DC LED electronic lighting driver circuit with power factor correction.
Figure 2. Equivalent circuit of the isolated AC-DC LED electronic lighting driver circuit with power factor correction.
Electronics 14 03953 g002
Figure 3. Equivalent circuit diagram of operation mode 1 of the isolated AC-DC LED electronic lighting driver circuit with power factor correction.
Figure 3. Equivalent circuit diagram of operation mode 1 of the isolated AC-DC LED electronic lighting driver circuit with power factor correction.
Electronics 14 03953 g003
Figure 4. Equivalent circuit diagram of operation mode 2 of the isolated AC-DC LED electronic lighting driver circuit with power factor correction.
Figure 4. Equivalent circuit diagram of operation mode 2 of the isolated AC-DC LED electronic lighting driver circuit with power factor correction.
Electronics 14 03953 g004
Figure 5. Equivalent circuit diagram of operation mode 3 of the isolated AC-DC LED electronic lighting driver circuit with power factor correction.
Figure 5. Equivalent circuit diagram of operation mode 3 of the isolated AC-DC LED electronic lighting driver circuit with power factor correction.
Electronics 14 03953 g005
Figure 6. Equivalent circuit diagram of operation mode 4 of the isolated AC-DC LED electronic lighting driver circuit with power factor correction.
Figure 6. Equivalent circuit diagram of operation mode 4 of the isolated AC-DC LED electronic lighting driver circuit with power factor correction.
Electronics 14 03953 g006
Figure 7. Equivalent circuit diagram of operation mode 5 of the isolated AC-DC LED electronic lighting driver circuit with power factor correction.
Figure 7. Equivalent circuit diagram of operation mode 5 of the isolated AC-DC LED electronic lighting driver circuit with power factor correction.
Electronics 14 03953 g007
Figure 8. Theoretic waveforms of the isolated AC-DC LED electronic lighting driver circuit with power factor correction.
Figure 8. Theoretic waveforms of the isolated AC-DC LED electronic lighting driver circuit with power factor correction.
Electronics 14 03953 g008
Figure 9. The turns ratio n versus the duty cycle Duty for output voltage VO.
Figure 9. The turns ratio n versus the duty cycle Duty for output voltage VO.
Electronics 14 03953 g009
Figure 10. Measured gate-driving signal VGS (10 V/div) of the power switch; time scale: 10 μs/div.
Figure 10. Measured gate-driving signal VGS (10 V/div) of the power switch; time scale: 10 μs/div.
Electronics 14 03953 g010
Figure 11. Measured switch voltage VDS (100 V/div) and switch current IDS (5 A/div); time scale: 5 μs/div.
Figure 11. Measured switch voltage VDS (100 V/div) and switch current IDS (5 A/div); time scale: 5 μs/div.
Electronics 14 03953 g011
Figure 12. Measured magnetizing inductor current iLm (5 A/div) and inductor current iLB (2 A/div); time scale: 5 μs/div.
Figure 12. Measured magnetizing inductor current iLm (5 A/div) and inductor current iLB (2 A/div); time scale: 5 μs/div.
Electronics 14 03953 g012
Figure 13. Measured output voltage VO (20 V/div) and output current IO (2 A/div); time scale: 5 ms/div.
Figure 13. Measured output voltage VO (20 V/div) and output current IO (2 A/div); time scale: 5 ms/div.
Electronics 14 03953 g013
Figure 14. Measured input voltage vAC (100 V/div) and input current iAC (2 A/div); time scale: 5 ms/div.
Figure 14. Measured input voltage vAC (100 V/div) and input current iAC (2 A/div); time scale: 5 ms/div.
Electronics 14 03953 g014
Figure 15. Photograph of the clear top-view schematic of the prototype AC-DC electronic lighting driver circuit.
Figure 15. Photograph of the clear top-view schematic of the prototype AC-DC electronic lighting driver circuit.
Electronics 14 03953 g015
Figure 16. Photograph of the prototype AC-DC electronic lighting driver circuit with power factor correction used to power LEDs applied to an AC input voltage source with a value of 110 V rms.
Figure 16. Photograph of the prototype AC-DC electronic lighting driver circuit with power factor correction used to power LEDs applied to an AC input voltage source with a value of 110 V rms.
Electronics 14 03953 g016
Figure 17. Measured harmonics of input AC current in comparison to IEC 61000-3-2 Class C standard at various input AC voltages.
Figure 17. Measured harmonics of input AC current in comparison to IEC 61000-3-2 Class C standard at various input AC voltages.
Electronics 14 03953 g017
Figure 18. Measured power factor (orange line) and current THD (blue line) of the prototype electronic lighting driver circuit at various input AC voltages.
Figure 18. Measured power factor (orange line) and current THD (blue line) of the prototype electronic lighting driver circuit at various input AC voltages.
Electronics 14 03953 g018
Figure 19. Loss breakdown chart of the prototype isolated AC-DC LED electronic lighting driver circuit.
Figure 19. Loss breakdown chart of the prototype isolated AC-DC LED electronic lighting driver circuit.
Electronics 14 03953 g019
Table 1. Specifications of the proposed isolated AC-DC LED electronic lighting driver circuit with power factor correction.
Table 1. Specifications of the proposed isolated AC-DC LED electronic lighting driver circuit with power factor correction.
ParameterValue
AC Input Voltage Source vAC110 V
Rated Output Voltage VO36 V
Rated Output Current IO2 A
Rated Output Power PO72 W
Table 2. Key components used in the proposed isolated AC-DC LED electronic lighting driver circuit with power factor correction.
Table 2. Key components used in the proposed isolated AC-DC LED electronic lighting driver circuit with power factor correction.
ComponentValue
Filter Inductor LF3 mH
Filter Capacitor CF2 μF
Full-Wave Rectifier (D1, D2, D3, D4)KBPC1006
Input Capacitor Cin220 nF/400 V
Power Switches S1STP20NM60
Inductor LB115 μH
DC-linked Capacitor CDC47 μF/250 V
Diodes D5, D6, D7MUR460
Transformer T1
Magnetized Inductor LM79 μH
Leakage Inductor Llk4 μH
Turns Ratio nP:nS10:7
Output Capacitor Co100 μF/250 V
PWM Control ICTL494
Table 3. Measured harmonic components of the input current in the proposed isolated AC-DC LED electronic lighting driver circuit with power factor correction compared with the IEC 61000-3-2 class C standard values.
Table 3. Measured harmonic components of the input current in the proposed isolated AC-DC LED electronic lighting driver circuit with power factor correction compared with the IEC 61000-3-2 class C standard values.
Order of HarmonicIEC61000-3-2 Class C
Standard Value
Measured Value
2nd20.8469
3rd2710.541
5th105.6463
7th71.5166
9th50.4146
11th31.0449
13th30.2885
15th30.5506
17th30.1599
19th30.2186
21th30.3318
23th30.1474
25th30.148
27th30.3089
29th30.2176
31th30.1173
33th30.2272
35th30.1599
37th30.0954
39th30.1418
Table 4. Comparisons between the existing AC-DC LED electronic lighting driver circuits in [32,33] and the proposed one.
Table 4. Comparisons between the existing AC-DC LED electronic lighting driver circuits in [32,33] and the proposed one.
ItemExisting AC-DC LED Electronic Lighting Driver Circuit in Reference [32]Existing AC-DC LED Electronic Lighting Driver Circuit in Reference [33]Proposed AC-DC LED Electronic Lighting Driver Circuit
Circuit TopologyIntegration of a modified stacked dual boost converter and a half-bridge LLC resonant converterInversed buck-boost converter with a lossless snubberModified flyback converter with a lossless snubber
Input AC Voltage110 V110 V110 V
Output Rated Power100 W (36 V/2.77 A)18 W (60 V/0.3 A)72 W (36 V/2 A)
Number of Required Switches211
Number of Required Capacitors644
Number of Required Magnetic Elements433
Number of Required Diodes677
Measured Circuit Efficiency>89%>82%>82%
Measured Power Factor0.98790.97370.9816
Measured Current THD5.7951%18.422%12.094%
Disclaimer/Publisher’s Note: The statements, opinions and data contained in all publications are solely those of the individual author(s) and contributor(s) and not of MDPI and/or the editor(s). MDPI and/or the editor(s) disclaim responsibility for any injury to people or property resulting from any ideas, methods, instructions or products referred to in the content.

Share and Cite

MDPI and ACS Style

Cheng, C.-A.; Cheng, H.-L.; Chang, E.-C.; Chang, M.-T. An Isolated AC-DC LED Electronic Lighting Driver Circuit with Power Factor Correction. Electronics 2025, 14, 3953. https://doi.org/10.3390/electronics14193953

AMA Style

Cheng C-A, Cheng H-L, Chang E-C, Chang M-T. An Isolated AC-DC LED Electronic Lighting Driver Circuit with Power Factor Correction. Electronics. 2025; 14(19):3953. https://doi.org/10.3390/electronics14193953

Chicago/Turabian Style

Cheng, Chun-An, Hung-Liang Cheng, En-Chih Chang, and Man-Tang Chang. 2025. "An Isolated AC-DC LED Electronic Lighting Driver Circuit with Power Factor Correction" Electronics 14, no. 19: 3953. https://doi.org/10.3390/electronics14193953

APA Style

Cheng, C.-A., Cheng, H.-L., Chang, E.-C., & Chang, M.-T. (2025). An Isolated AC-DC LED Electronic Lighting Driver Circuit with Power Factor Correction. Electronics, 14(19), 3953. https://doi.org/10.3390/electronics14193953

Note that from the first issue of 2016, this journal uses article numbers instead of page numbers. See further details here.

Article Metrics

Back to TopTop