A Deep Learning-Based Ensemble Method for Parameter Estimation of Solar Cells Using a Three-Diode Model
Abstract
1. Introduction
- Estimation results using the three-diode model are compared with those from other diode models to verify its accuracy.
- Multiple optimization algorithms, including EC, SI, and PB methods, are employed to generate complementary estimates, thereby enhancing ensemble effectiveness and mitigating overfitting.
- A hybrid CNN–LSTM architecture is developed to improve predictive accuracy and stability in three-diode parameter estimation.
- As the output power of PV systems decreases due to degradation and parameter drift, the proposed ensemble method integrates multiple optimization algorithms to enhance prediction accuracy, thereby improving the reliability of practical deployments.
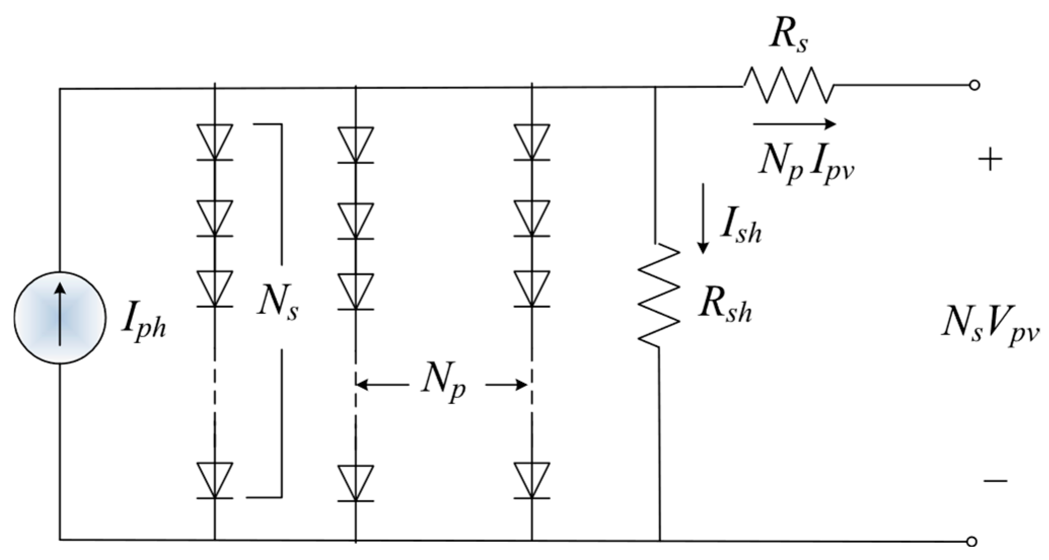
2. The Three-Diode Model
3. The Proposed Method
3.1. Data Preprocessing
3.1.1. Missing Data Compensation
3.1.2. Outlier Removal
3.1.3. Data Smoothing
3.1.4. Feature Selection
3.1.5. Data Classification
3.2. Optimization Algorithms
3.2.1. Newton–Raphson Method
- 1.
- Parameter initialization: Define the admissible range for each parameter.
- 2.
- Fitness definition: Let , and formulate the objective function as:where is a nonlinear recursive function, and its fitness value is expressed as:where N is the number of data points, MAE is the mean absolute error, which is less sensitive to outliers.
- 3.
- Initialization: Randomly generate an initial value , and evaluate both and its derivative
- 4.
- Parameter update: Update the parameter values according to Equation (21):
- 5.
- Convergence check: Evaluate . If the value falls below a predefined threshold, the algorithm terminates and the converged is recorded. Otherwise, repeat Step 4.
- 6.
- Output calculation: Once convergence is achieved, compute the output current, voltage, and power using Equation (2).
3.2.2. Particle Swarm Optimization (PSO)
3.2.3. Multiverse Optimizer (MVO)
- 1.
- Initialization: Randomly generate the initial population of universes (solutions) as follows:where is the population size and is the variable dimension. In this paper, , representing the number of parameters to be estimated.
- 2.
- Fitness evaluation: Compute the inflation rate (IR) of each universe, which is the inverse of the fitness value of Equation (20). IR is used for sorting and probability exchange.
- 3.
- White- and black-hole exchange: Exchange variables between universes based on fitness ranking. If the inflation rate of the universe is high, transmit its information to other universes through white holes. Information exchange is performed using the roulette wheel selection method, as follows:where is a random number, is the selected inflation rate, and is the parameter value of the kth dimension of the ith universe.
- 4.
- Wormhole tunneling: Adjust each universe’s position toward the best-known universe with a certain probability. All universes have the opportunity to approach the optimal solution through the wormhole. Equation (25) is updated as follows:where and are the upper and lower bounds of the k dimension, respectively, is the traveling distance rate, controlling the magnitude of perturbation.
- 5.
- Termination: Repeat step 2 until a maximum number of iterations or convergence criteria are met.
3.2.4. Evolution Strategies (ES)
- 1.
- Initialization: Start with a randomly initialized population of individuals (solutions) as:where individual is a -dimensional vector.
- 2.
- Mutation: Each individual is perturbed by adding a normally distributed noise to generate offspring:where is the step size of mutation, and is a standard normal distribution.
- 3.
- Fitness evaluation: Calculate the fitness value of each offspring using Equation (20), as follows:
- 4.
- Selection: Sort all populations and select the top-performing individuals (based on fitness) to form the next generation, as follows:After the best performing individuals are selected, half of them () remain in the population.
- 5.
- Termination: Repeat step 2 until convergence or a maximum number of iterations are met.
3.2.5. Atom Search Optimization (ASO)
- 1.
- Initialization: Randomly initialize the positions and velocity of all atoms as:
- 2.
- Fitness evaluation: Evaluate the fitness of each atom () using Equation (20).
- 3.
- Mass calculation: Convert fitness to mass as follows:where is the well depth of potential used to control attraction strength.
- 4.
- Force calculation: Use the Lennard-Jones (LJ) potential to calculate forces between atoms i and j:where is the interatomic distances and is a distance constant where the potential is zero if there is a balance between attraction and repulsion.
- 5.
- Acceleration calculation: Apply Newton–Raphson’s second law to evaluate acceleration as follows:where is the normalization of mass.
- 6.
- Velocity and position update: Update velocity and position as follows:
- 7.
- Boundary handling: Ensure that all position values remain within the defined search space:
- 8.
- Termination: Repeat step 2 until convergence or a maximum number of iterations are met.
3.3. Deep Learning-Based Ensemble Method
3.3.1. CNNs
- (i)
- Convolutional layers:
- Serve as the fundamental building blocks of CNNs.
- Utilize learnable filters (kernels) to convolve across the input, capturing local spatial or temporal dependencies.
- Early layers primarily extract low-level features, while deeper layers capture more abstract and high-level representations.
- (ii)
- Pooling layers:
- Reduce the dimensionality of spatial or temporal features while preserving essential information.
- Enhance translation invariance and decrease computational complexity.
- (iii)
- Fully connected layers:
- Transform the extracted features from convolutional and pooling layers into a one-dimensional vector.
- Enable high-level reasoning at the final stage, supporting tasks such as classification, regression, or other predictions.
3.3.2. LSTM
4. Numerical Results
4.1. Data Preprocessing Results
4.2. Estimation Results of Different Diode Models
4.3. Preliminary Estimation Results
4.4. Final Estimation Results
5. Discussions
- 1.
- The three-diode model provides superior estimation accuracy compared with the single- and two-diode models, albeit with a longer computation time (~12 min). Nevertheless, this additional computational burden does not hinder its applicability for fault detection in PV systems.
- 2.
- As presented in Table 4, the optimization results indicate a decrease in parallel resistance and an increase in series resistance compared with the Newton–Raphson method. The Newton–Raphson method is employed as a benchmark because the manufacturer typically provides only four parameters (, , , and ). The remaining unknown parameters are estimated using the Newton–Raphson method. Therefore, the parameters obtained via the Newton–Raphson method are regarded as the baseline solutions derived from the manufacturer’s data. This outcome suggests possible PV module oxidation and degradation [48,49], thereby requiring maintenance to restore performance.
- 3.
- The Newton–Raphson method exhibits instability due to its gradient-based nature and sensitivity to initial values (Table 5). In contrast, multi-agent optimization approaches leverage multi-point search and parallelism to achieve more reliable solutions.
- 4.
- The proposed CNN–LSTM ensemble method consistently achieves stable performance and yields lower MRE compared with standalone LSTM and other individual optimization algorithms (Table 7). Although the difference in mean MRE between CNN–LSTM (3.968%) and the best individual method PSO (3.976%) is relatively small (0.008 p.p.), this improvement translates into meaningful gains in energy prediction accuracy when applied to a 733 kW PV system. In practical deployment, it corresponds to approximately 146.6 kWh annually (based on 2500 h per year).
6. Conclusions
- 1.
- Enhanced model accuracy: Compared with single- and two-diode models, the three-diode structure demonstrated superior capability in capturing nonlinear and physical effects, thereby improving estimation reliability.
- 2.
- Robust ensemble performance: The proposed ensemble method consistently outperformed tree-based models (XGBoost and LightGBM) and other deep learning models (GRU, CNN, and LSTM) across all evaluation metrics, including MRE, MAE, NMAE, and sMAPE.
- 3.
- Deep learning integration: The CNN–LSTM architecture successfully combined feature extraction and temporal sequence learning, mitigating overfitting while delivering more stable parameter estimates.
- 4.
- Practical validation: Experimental results on a 733 kW PV power system indicated a decrease in parallel resistance and an increase in series resistance compared with the Newton–Raphson method. The Newton–Raphson method is employed as a benchmark since it relies on manufacturer-provided parameters to generate the estimated results. This outcome suggests possible PV module oxidation and degradation, thereby requiring maintenance to restore performance.
- 5.
- Deployment aspect: Although the difference in mean MRE between the CNN–LSTM and the best-performing individual method (PSO) is relatively small (0.008%), this improvement translates into meaningful practical benefits. In particular, it yields an additional energy prediction gain of approximately 146.6 kWh per year in a 733 kW PV system, underscoring the practical significance of the proposed framework, especially when applied to larger PV systems.
- 6.
- Scalability aspect: The proposed method has been validated on a 733 kW PV system and can be readily extended to larger-scale PV power generation systems. With appropriate parameter tuning, such as adjustments to the number of parallel and series modules, the proposed framework can be adapted to different system configurations, thereby ensuring its applicability to a wide range of deployment scenarios.
Author Contributions
Funding
Data Availability Statement
Conflicts of Interest
Abbreviations
| A–LSTM | Attention LSTM |
| ASO | Atom Search Optimization |
| BO | Bonobo Optimizer |
| CNNs | Convolutional Neural Networks |
| CSS | Charged System Search |
| DE | Differential Evolution |
| EC | Evolutionary Computing |
| ES | Evolutionary Strategy |
| FPA | Flower Pollination Algorithm |
| GA | Genetic Algorithm |
| GHI | Global Horizontal Irradiance |
| GRU | Gated Recurrent Unit |
| IQR | Interquartile Range |
| LightGBM | Light gradient boosting machine |
| LSTM | Long Short-Term Memory |
| LSA | Lightning Search Algorithm |
| MAD | Median Absolute Deviation |
| MAE | Mean Absolute Error |
| MPP | Maximum Power Point |
| MRE | Mean Relative Error |
| MVO | Multiverse Optimizer |
| PB | Physics-Based method |
| PCC | Pearson Correlation Coefficient |
| PSO | Particle Swarm Optimization |
| PV | Photovoltaic |
| RNNs | Recurrent Neural Networks |
| SI | Swarm Intelligence |
| SSA | Salp Swarm Algorithm |
| SSE | Sum of Squared Errors |
| STC | Standard Test Condition |
| WOA | Whale Optimization Algorithm |
| XGBoost | Extreme gradient boosting |
References
- Huang, C.M.; Chen, S.J.; Yang, S.P.; Huang, Y.C.; Huang, P.Y. Parameter Estimation and Preliminary Fault Diagnosis for Photovoltaic Modules Using a Three-Diode Model. Energies 2024, 17, 3214. [Google Scholar] [CrossRef]
- González-Cagigal, M.A.; Rosendo-Macías, J.A.; Gómez-Expósito, A. Estimation of Equivalent Model of Photovoltaic Array Using Unscented Kalman Filters. J. Mod. Power Syst. Clean Energy 2024, 12, 819–827. [Google Scholar] [CrossRef]
- Kumar, M.; Panda, K.P.; Naayagi, R.T.; Thakur, R.; Panda, G. Enhanced Optimization Techniques for Parameter Estimation of Single-Diode PV Modules. Electronics 2024, 13, 2934. [Google Scholar] [CrossRef]
- Singla, M.K.; Gupta, J.; Nijhawan, P.; Singh, P.; Giri, N.C.; Hendawi, E.; Abu El-Sebah, M.I. Parameter Estimation Techniques for Photovoltaic System Modeling. Energies 2023, 16, 6280. [Google Scholar] [CrossRef]
- Cárdenas-Bravo, C.; Barraza, R.; Sánchez-Squella, A.; Valdivia-Lefort, P.; Castillo-Burns, F. Estimation of Single-diode Pho-tovoltaic Model Using the Differential Evolution Algorithm with Adaptive Boundaries. Energies 2021, 14, 3925. [Google Scholar] [CrossRef]
- Hakmi, S.H.; Alnami, H.; Moustafa, G.; Ginidi, A.R.; Shaheen, A.M. Modified Rime-Ice Growth Optimizer with Polynomial Differential Learning Operator for Single- and Double-Diode PV Parameter Estimation Problem. Electronics 2024, 13, 1611. [Google Scholar] [CrossRef]
- Elshara, R.; Gullari, A.H.; Rahebi, J.; Lopez-Guede, J.M. PV Cells and Modules Parameter Estimation Using Coati Optimization Algorithm. Energies 2024, 17, 1716. [Google Scholar] [CrossRef]
- Aalloul, R.; Elaissaoui, A.; Benlattar, M.; Adhiri, R. Emerging Parameters Extraction Method of PVModules Based on the Survival Strategies of Flying Foxes Optimization (FFO). Energies 2023, 16, 3531. [Google Scholar] [CrossRef]
- Ishaque, K.; Salam, Z.; Taheri, H. Simple, Fast and Accurate Two-Diode Model for Photovoltaic Modules. Sol. Energy Mater. Sol. Cells 2011, 95, 586–594. [Google Scholar] [CrossRef]
- Abdelminaam, D.S.; Alluhaidan, A.S.; Ismail, F.H.; El-Rahman, S. Parameters Extraction of the Three-Diode Photovoltaic Model Using Crayfish Optimization Algorithm. IEEE Access 2024, 12, 109342. [Google Scholar] [CrossRef]
- Nunes, H.; Pombo, J.; Mariano, S.; Calado, M.R. Photovoltaic Power Estimation of a Polycrystalline Silicon Module Under Partial Shading. In Proceedings of the IEEE International Conference on Environment and Electrical Engineering, Rome, Italy, 17–20 June 2024; pp. 1–6. [Google Scholar]
- Huang, C.M.; Huang, Y.C.; Chen, S.J.; Yang, S.P.; Huang, P.Y.; Chiu, C.H. Parameters Estimation of PV Modules for a Three-Diode Model Using an Enhanced Salp Swarm Algorithm. In Proceedings of the IEEE International Conference on Industrial Technology (ICIT), Bristol, UK, 25–27 March 2024; pp. 106–111. [Google Scholar]
- Dal, S.; Sezgin, N. Optimal Parameter Extraction of Triple-Diode Photovoltaic Model Using Frilled Lizard Optimization. In Proceedings of the IEEE Global Energy Conference (GEC), Batman, Turkiye, 4–6 December 2024; pp. 310–314. [Google Scholar]
- Gupta, J.; Hussain, A.; Singla, M.K.; Nijhawan, P.; Haider, W.; Kotb, H.; Kareem, M.; AboRas, M. Parameter Estimation of Different Photovoltaic Models Using Hybrid Particle Swarm Optimization and Gravitational Search Algorithm. Appl. Sci. 2023, 13, 249. [Google Scholar] [CrossRef]
- Gatla, V.R.; Injeti, S.K.; Kotte, S.; Polamarasetty, P.K.; Nuvvula, R.S.S.; Vardh, A.S.S.; Singh, M.; Khan, B. An Effective Approach for Extracting the Parameters of Solar PV Models Using the Chaotic War Strategy Optimization Algorithm with Modified Newton Raphson Method. IEEE J. Electron Devices Soc. 2023, 12, 849–858. [Google Scholar] [CrossRef]
- Qais, M.H.; Hasanien, H.M.; Alghuwainem, S.; Loo, K.H.; Elgendy, M.A.; Turky, R.A. Accurate Three-Diode Model Estimation of Photovoltaic Modules Using a Novel Circle Search Algorithm. Ain Shams Eng. J. 2022, 13, 101824. [Google Scholar] [CrossRef]
- Yousri, D.; Fathy, A.; Rezk, H.; Babu, T.S.; Berber, M.R. A Reliable Approach for Modeling the Photovoltaic System Under Partial Shading Conditions Using Three Diode Model and Hybrid Marine Predators-Slime Mould Algorithm. Energy Convers. Manag. 2021, 243, 114269. [Google Scholar] [CrossRef]
- Yousri, D.; Thanikanti, S.B.; Allam, D.; Ramachandaramurthy, V.K.; Eteiba, M.B. Fractional Chaotic Ensemble Particle Swarm Optimizer for Identifying the Single, Double, and Three Diode Photovoltaic Models’ Parameters. Energy 2020, 195, 116979. [Google Scholar] [CrossRef]
- Soliman, M.A.; Hasanien, H.M.; Alkuhayli, A. Marine Predators Algorithm for Parameters Identification of Triple-diode Photovoltaic Models. IEEE Access 2020, 8, 155832–155842. [Google Scholar] [CrossRef]
- Ayodele, T.R.; Ogunjuyigbe, A.S.O.; Ekoh, E.E. Evaluation of Numerical Algorithms Used in Extracting the Parameters of a Single-diode Photovoltaic Model. Sustain. Energy Technol. Assess. 2016, 13, 51–59. [Google Scholar] [CrossRef]
- De Blas, M.A.; Torres, J.L.; Prieto, E.; Garcia, A. Selecting a Suitable Model for Characterizing Photovoltaic Devices. Renew. Energy 2002, 25, 371–380. [Google Scholar] [CrossRef]
- Chegaar, M.; Ouennoughi, Z.; Foffmann, A. A New Method for Evaluating Illuminated Solar Cell Parameters. Solid-State Electron. 2001, 45, 293–296. [Google Scholar]
- Villalva, M.G.; Gazoli, J.R.; Filho, E.R. Comprehensive Approach to Modeling and Simulation of Photovoltaic Arrays. IEEE Trans. Power Electron 2009, 24, 1198–1208. [Google Scholar] [CrossRef]
- Yang, X.S. Flower Pollination Algorithm for Global Optimization. In International Conference on Unconventional Computing and Natural Computation; Springer: Berlin/Heidelberg, Germany, 2012; pp. 240–249. [Google Scholar]
- Ishaque, K.; Salam, Z. An Improved Modeling Method to Determine the Model Parameters of Photovoltaic (PV) Modules Using Differential Evolution (DE). Sol. Energy 2011, 85, 2349–2359. [Google Scholar] [CrossRef]
- Jervase, J.A.; Bourdoucen, H.; Al-Lawati, A. Solar Cell Parameters Extracting Using Genetic Algorithm. Meas. Sci. Technol. 2001, 12, 19–22. [Google Scholar] [CrossRef]
- Ye, M.; Wang, X.; Xu, Y. Parameter Extraction of Solar Cells Using Particle Swarm Optimization. J. Appl. Phys. 2009, 105, 094502. [Google Scholar] [CrossRef]
- Omnia, S.; Elazab, H.M.; Hasanien, M.A.E.; Abdeen, A.M. Parameters Estimation of Single- and Multiple-Diode Photovoltaic Model Using Whale Optimisation Algorithm. IET Renew. Power Gener. 2018, 12, 1755–1761. [Google Scholar]
- Al-Shamma’a, A.A.; Omotoso, H.O.; Alturki, F.A.; Farh, H.M.H.; Alkuhayli, A.; Alsharabi, K.; Noman, A.M. Parameter Estimation of Photovoltaic Cell Modules Using Bonobo Optimizer. Energies 2022, 15, 140. [Google Scholar] [CrossRef]
- Jhon, M.; Andres, F.T.M.; Andres, A.A.R.; Fabio, A.; Oscar, D.G.R.; Jose, M.P. Salp Swarm Optimization Algorithm for Estimating the Parameters of Photovoltaic Panels Based on the Three-Diode Model. Electronics 2021, 10, 3123. [Google Scholar] [CrossRef]
- Huang, Y.C.; Huang, C.M.; Chen, S.J.; Yang, S.P. Optimization of Module Parameters for PV Power Estimation Using a Hybrid Algorithm. IEEE Trans. Sustain. Energy 2020, 11, 2210–2219. [Google Scholar] [CrossRef]
- Reza, S.; Hussain, S. Parameter Extraction of Solar Cell Model Using the Lightning Search Algorithm with Different Weather. J. Sol. Energy Eng. 2016, 138, 041007–0410017. [Google Scholar] [CrossRef]
- Jordehi, A.R. Parameter estimation of solar photovoltaic (PV) cells: A review. Renew. Sustain. Energy Rev. 2016, 61, 354–371. [Google Scholar] [CrossRef]
- Chin, J.; Salam, Z.; Ishaque, K. Cell modelling and model parameters estimation techniques for photovoltaic simulator application: A review. Appl. Energy 2015, 154, 500–519. [Google Scholar] [CrossRef]
- Ullah, K.; Ahsan, M.; Hasanat, S.M.; Haris, M.; Yousaf, H.; Raza, S.F.; Tandon, R.; Abid, S.; Ullah, Z. Short-term load forecasting: A comprehensive review and simulation study with CNN-LSTM Hybrids Approach. IEEE Access 2024, 12, 111858–111881. [Google Scholar] [CrossRef]
- San, C.T.; Noyce, R.N.; Shockley, W. Carrier Generation and Recombination in P–N Junctions and P–N Junction Characteristics. Proc. IRE 1957, 45, 1228–1243. [Google Scholar]
- Lloyd, S.P. Least squares quantization in PCM. IEEE Trans. Inform. Theory 1982, 28, 129–137. [Google Scholar] [CrossRef]
- Kennedy, J.; Eberhart, R. Particle Swarm Optimization. In Proceedings of the IEEE International Conference on Neural Networks, Perth, Australia, 27 November–1 December 1995; Volume 4, pp. 1942–1948. [Google Scholar]
- Mirjalili, S.; Mirjalili, S.M.; Hatamlou, A. Multi-Verse Optimizer: A Nature-Inspired Algorithm for Global Optimization. Neural Comput. Appl. 2016, 27, 495–513. [Google Scholar] [CrossRef]
- Salimans, T.; Ho, J.; Chen, X.; Sutskever, I. Evolution Strategies as a Scalable Alternative to Reinforcement Learning. arXiv 2017, arXiv:1703.03864. [Google Scholar] [CrossRef]
- Ghaffari Hadigheh, M.; Mirjalili, S.; Faris, H. Atom Search Optimization (ASO): A Physics-Inspired Metaheuristic Algorithm. Future Gener. Comput. Syst. 2020, 112, 1180–1198. [Google Scholar]
- LeCun, Y.; Bottou, L.; Bengio, Y.; Haffner, P. Gradient-Based Learning Applied to Document Recognition. Proc. IEEE 1998, 86, 2278–2324. [Google Scholar] [CrossRef]
- Krizhevsky, A.; Sutskever, I.; Hinton, G.E. ImageNet Classification with Deep Convolutional Neural Networks. Adv. Neural Inform. Process. Syst. 2012, 25, 1–9. [Google Scholar] [CrossRef]
- Hochreiter, S.; Schmidhuber, J. Long short-term memory. Neural Comput. 1997, 9, 1735–1780. [Google Scholar] [CrossRef]
- SOLCAST. Available online: https://solcast.com/ (accessed on 1 June 2025).
- The Source Code of the Proposed CNN–LSTM Method Is Available on GitHub. Available online: https://github.com/sfr0604/CNN-LSTM_TDM_Model (accessed on 8 September 2025).
- The Baseline Implementations Are Accessible Through the Open-Source Libraries in Python. Available online: https://mealpy.readthedocs.io/en/latest/ (accessed on 8 September 2025).
- Van Dyk, E.E.; Meyer, E.L. Analysis of the Effect of Parasitic Resistances on the Performance of Photovoltaic Modules. Renew. Energy 2004, 29, 333–344. [Google Scholar] [CrossRef]
- Sze, S.M. Physics of Semiconductor Devices; John Wiley and Sons: Hoboken, NJ, USA, 1981; pp. 812–816. [Google Scholar]













| Reference | No. of Parameter | Optimization Algorithm | |||
|---|---|---|---|---|---|
| EC | SI | PB | Newton | ||
| [1] * | 16 | √ ** | √ | ||
| [10] | 9 | √ | |||
| [11] | 9 | √ | |||
| [12] * | 16 | √ | |||
| [13] | 9 | √ | |||
| [14] | 9 | √ | √ | ||
| [15] | 9 | √ | √ | ||
| [16] | 9 | √ | |||
| [17] | 9 | √ | |||
| [18] | 9 | √ | √ | ||
| [19] | 9 | √ | |||
| Method | Characteristics | Advantages | Disadvantages |
|---|---|---|---|
| Newton–Raphson Method [20] |
|
|
|
| PSO [38] |
|
|
|
| MVO [39] |
|
|
|
| ES [40] |
|
|
|
| ASO [41] |
|
|
|
| Parameter | Range | Parameter | Range |
|---|---|---|---|
| Short-circuit current, Iscr (A) | 3.60~5.40 | Current temperature coefficient, βIsc (A/K) | 0.000670~0.000690 |
| Open-circuit voltage, Vocr (V) | 61~69 | Voltage temperature coefficient, βVoc (V/K) | −0.166~−0.05 |
| Current at MPP, Imr (A) | 50~55 | Ideality factor (1st diode), nidl1 | 1.0~1.2 |
| Voltage at MPP, Vmr (V) | 3.30~3.65 | Ideality factor (2nd diode), nidl2 | 1.2~2.0 |
| Irradiance under STC, Gr (W/m2) | 1000~1050 | Ideality factor (3rd diode), nidl3 | 1.2~3.0 |
| Temperature under STC, Tr (K) | 290~310 | Saturation current (1st diode), Isat1 (A) | 1.16~1.16 |
| Parallel resistance under STC, Rshr (Ω) | 60~180 | Saturation current (2nd diode), Isat2 (A) | 1.16~1.16 |
| Series resistance under STC, Rsr (Ω) | 2.0~6.0 | Saturation current (3rd diode), Isat3 (A) | 1.16~1.16 |
| Models | Single-Diode | Two-Diode | Three-Diode |
|---|---|---|---|
| MRE | 4.049% | 4.005% | 3.976% |
| Calculation time (s) | 460.16 | 683.77 | 743.76 |
| Algorithm | Parameter | Value |
|---|---|---|
| PSO | ) | 0.4 |
| ) | 0.5 | |
| ) | 0.55 | |
| MVO | ) | [1, 0] |
| ES | ) | 0.15 |
| ASO | ) | 1.0 |
| ) | 1.0 |
| Parameter | Newton | PSO | MVO | ES | ASO |
|---|---|---|---|---|---|
| Short-circuit current, Iscr (A) | 3.66 | 4.50 | 4.08 | 3.96 | 3.84 |
| Open-circuit voltage, Vocr (V) | 66.4 | 63.5 | 66.3 | 64.5 | 61.0 |
| Current at MPP, Imr (A) | 3.51 | 3.48 | 3.31 | 3.54 | 3.53 |
| Voltage at MPP, Vmr (V) | 52 | 50.2 | 50.0 | 52.4 | 51.2 |
| Irradiance under STC, Gr (W/m2) | 1000 | 1046.3 | 900 | 1040.0 | 1011.9 |
| Temperature under STC, Tr (K) | 298 | 290.03 | 290 | 305.89 | 300.52 |
| Parallel resistance under STC, Rshr (Ω) | 150 | 61.55 | 60.0 | 121.07 | 123.58 |
| Series resistance under STC, Rsr (Ω) | 2.4 | 5.99 | 6.0 | 4.16 | 5.52 |
| Current temperature coefficient, βIsc (A/K) | 0.000681 | 0.000672 | 0.000670 | 0.000685 | 0.000684 |
| Voltage temperature coefficient, βVoc (V/K) | −0.1660 | −0.0379 | −0.1000 | −0.0639 | −0.0942 |
| Ideality factor (1st diode), nidl1 | 1.2 | 1.0 | 1.01 | 1.17 | 1.16 |
| Ideality factor (2nd diode), nidl2 | 1.8609 | 1.2 | 1.98 | 1.79 | 1.38 |
| Ideality factor (3rd diode), nidl3 | 1.8609 | 1.2 | 3.0 | 1.87 | 1.64 |
| Saturation current (1st diode), Isat1 (A) | 1.16 | 9.75 | 1.00 | 5.03 | 4.29 |
| Saturation current (2nd diode), Isat2 (A) | 1.16 | 9.75 | 1.00 | 5.03 | 4.29 |
| Saturation current (3rd diode), Isat3 (A) | 1.16 | 9.75 | 1.00 | 5.03 | 4.29 |
| Weather Conditions | Newton | PSO | MVO | ES | ASO |
|---|---|---|---|---|---|
| Rainy | 3.53 w | 2.64 | 2.63 b | 2.70 | 2.68 |
| Heavily overcast | 5.49 w | 4.62 | 4.60b | 4.65 | 4.67 w |
| Overcast | 4.60 w | 4.52 | 4.54 | 4.49 b | 4.50 |
| Partly cloudy | 4.30 b | 4.57 | 4.59 | 4.62 w | 4.57 |
| Sunny | 3.56 | 3.53 | 3.53 | 3.58 w | 3.52 b |
| Average | 4.295 | 3.976 | 3.978 | 4.008 | 3.988 |
| Method | Layer | Parameter | Value | Input Shape | Output Shape |
|---|---|---|---|---|---|
| CNNs | Conv2D | filter | 16 | (N 1, 5, 1, 1, 1) | (N, 5, 1, 1, 16) |
| kernel size | (1, 1) | ||||
| activation | Relu 2 | ||||
| MaxPooling2D | pool size | (1, 1) | (N, 5, 1, 1, 16) | (N, 5, 1, 1, 1) | |
| Flatten | (N, 5, 1, 1, 16) | (N, 5, 16) | |||
| LSTM | units | 64 | (N, 5, 16) | (N, 64) | |
| activation | Relu | ||||
| Dense | units | 32 | (N, 64) | (N, 32) | |
| activation | Relu | ||||
| Dense | units | 1 | (N, 32) | (N, 1) | |
| activation | linear |
| Weather Conditions | Single Optimization Method | Ensemble Method | |||||
|---|---|---|---|---|---|---|---|
| Newton | PSO | MOV | ES | ASO | LSTM | CNN-LSTM | |
| Rainy | 3.53 w | 2.64 | 2.63 | 2.70 | 2.68 | 2.63 | 2.58 b |
| Heavily overcast | 5.49 w | 4.62 | 4.60 | 4.65 | 4.67 | 4.87 | 4.47 b |
| Overcast | 4.60 w | 4.52 | 4.54 | 4.49 b | 4.50 | 4.64 | 4.59 |
| Partly cloudy | 4.30 b | 4.57 | 4.59 | 4.62 | 4.57 | 4.65 w | 4.63 |
| Sunny | 3.56 | 3.53 | 3.53 | 3.58 w | 3.52 | 3.49 b | 3.57 |
| Average | 4.295 | 3.976 | 3.978 | 4.008 | 3.988 | 4.056 | 3.968 |
| Weather Conditions | Single Model | Hybrid Model | ||||||
|---|---|---|---|---|---|---|---|---|
| XGBoost | LightGBM | GRU | CNN | LSTM | A-LSTM | CNN-A-LSTM | CNN-LSTM | |
| Rainy | 2.677 | 2.637 | 2.619 | 2.641 | 2.587 | 2.605 | 2.580 | 2.577 |
| Heavily overcast | 4.596 | 4.562 | 4.578 | 4.821 | 4.668 | 4.694 | 4.558 | 4.471 |
| Overcast | 4.537 | 4.541 | 4.660 | 4.694 | 4.595 | 4.569 | 4.585 | 4.590 |
| Partly cloudy | 4.831 | 4.880 | 4.659 | 4.579 | 4.572 | 4.553 | 4.598 | 4.631 |
| Sunny | 3.845 | 3.493 | 3.522 | 3.528 | 3.502 | 3.502 | 3.536 | 3.571 |
| Average | 4.097 | 4.023 | 4.008 | 4.053 | 3.985 | 3.984 | 3.971 | 3.968 |
| Training time (s) | 0.32 | 0.2 | 14.59 | 28.82 | 66.62 | 90.7 | 114.4 | 105.8 |
| Weather Conditions | XGBoost | LightGBM | GRU | CNN | LSTM | CNN-LSTM |
|---|---|---|---|---|---|---|
| Rainy | 19.62 | 19.33 | 19.20 | 20.72 | 18.97 | 19.22 |
| Heavily overcast | 33.69 | 33.44 | 33.56 | 37.63 | 34.16 | 33.51 |
| Overcast | 33.25 | 33.29 | 34.16 | 36.02 | 33.76 | 33.61 |
| Partly cloudy | 35.41 | 35.77 | 34.15 | 35.83 | 33.59 | 33.48 |
| Sunny | 28.18 | 25.60 | 25.82 | 27.28 | 25.67 | 25.83 |
| Average | 30.03 | 29.49 | 29.38 | 31.50 | 29.23 | 29.13 |
| Weather Conditions | XGBoost | LightGBM | GRU | CNN | LSTM | CNN-LSTM |
|---|---|---|---|---|---|---|
| Rainy | 0.385 | 0.379 | 0.376 | 0.406 | 0.372 | 0.377 |
| Heavily overcast | 0.241 | 0.239 | 0.240 | 0.269 | 0.244 | 0.240 |
| Overcast | 0.169 | 0.169 | 0.173 | 0.183 | 0.171 | 0.171 |
| Partly cloudy | 0.140 | 0.142 | 0.135 | 0.142 | 0.133 | 0.133 |
| Sunny | 0.099 | 0.090 | 0.091 | 0.096 | 0.090 | 0.091 |
| Average | 0.207 | 0.204 | 0.203 | 0.219 | 0.202 | 0.202 |
| Weather Conditions | XGBoost | LightGBM | GRU | CNN | LSTM | CNN-LSTM |
|---|---|---|---|---|---|---|
| Rainy | 66.15 | 65.69 | 66.07 | 85.88 | 65.93 | 65.70 |
| Heavily overcast | 49.40 | 48.87 | 48.25 | 63.58 | 49.35 | 47.87 |
| Overcast | 29.10 | 30.04 | 31.34 | 33.90 | 30.06 | 30.80 |
| Partly cloudy | 27.50 | 27.81 | 27.22 | 30.81 | 26.45 | 26.63 |
| Sunny | 13.81 | 12.57 | 12.39 | 13.58 | 12.26 | 12.51 |
| Average | 37.19 | 37.00 | 37.05 | 45.55 | 36.81 | 36.70 |
Disclaimer/Publisher’s Note: The statements, opinions and data contained in all publications are solely those of the individual author(s) and contributor(s) and not of MDPI and/or the editor(s). MDPI and/or the editor(s) disclaim responsibility for any injury to people or property resulting from any ideas, methods, instructions or products referred to in the content. |
© 2025 by the authors. Licensee MDPI, Basel, Switzerland. This article is an open access article distributed under the terms and conditions of the Creative Commons Attribution (CC BY) license (https://creativecommons.org/licenses/by/4.0/).
Share and Cite
Yang, S.-P.; Shih, F.-R.; Huang, C.-M.; Chen, S.-J.; Chiua, C.-H. A Deep Learning-Based Ensemble Method for Parameter Estimation of Solar Cells Using a Three-Diode Model. Electronics 2025, 14, 3790. https://doi.org/10.3390/electronics14193790
Yang S-P, Shih F-R, Huang C-M, Chen S-J, Chiua C-H. A Deep Learning-Based Ensemble Method for Parameter Estimation of Solar Cells Using a Three-Diode Model. Electronics. 2025; 14(19):3790. https://doi.org/10.3390/electronics14193790
Chicago/Turabian StyleYang, Sung-Pei, Fong-Ruei Shih, Chao-Ming Huang, Shin-Ju Chen, and Cheng-Hsuan Chiua. 2025. "A Deep Learning-Based Ensemble Method for Parameter Estimation of Solar Cells Using a Three-Diode Model" Electronics 14, no. 19: 3790. https://doi.org/10.3390/electronics14193790
APA StyleYang, S.-P., Shih, F.-R., Huang, C.-M., Chen, S.-J., & Chiua, C.-H. (2025). A Deep Learning-Based Ensemble Method for Parameter Estimation of Solar Cells Using a Three-Diode Model. Electronics, 14(19), 3790. https://doi.org/10.3390/electronics14193790

