Sub-Synchronous Oscillation Robust Damping Method for HVDC with Embedded Energy Storage
Abstract
1. Introduction
- (1)
- The proposed Synchronized Damping Controller (SDC) is specifically tailored for the battery energy storage system-modular multilevel converter (BESS-MMC) topology. By capitalizing on the inherent structural merits of the BESS-MMC, the SDC enables dual-mode operation, encompassing energy storage management and active damping injection, through a unified control interface. This innovative integration obviates the requirement for auxiliary hardware, while maintaining the plug-and-play scalability of the BESS-MMC system.
- (2)
- Leveraging advanced H∞ control techniques, the SDC demonstrates robustness against grid impedance variations, the intermittency of renewable energy sources, and parameter uncertainties induced by faults. Consequently, it ensures stable performance across a wide range of operating conditions, spanning from nominal load scenarios to post-disturbance recovery phases.
- (3)
- The SDC adopts a parallelized multi-channel architecture equipped with adaptive notch filters. These filters are specifically designed to target both sub-synchronous oscillations (SSOs) within the frequency range of 10–50 Hz and low-frequency inter-area oscillations in the 0.1–2 Hz range. Each channel incorporates frequency-adaptive phase compensation, which aligns damping injections with the dynamics of oscillatory modes. This enables the simultaneous suppression of multiple instability mechanisms without any cross-channel interference.
2. The Structure and Control of MMC-HVDC with Embedded Energy Storage
2.1. Control Structure of MMC-HVDC
- (1)
- The system-level control (top tier) coordinates grid-wide objectives, including power flow optimization, frequency regulation, and AC/DC network stability. This layer interfaces with system operators to enforce economic dispatch strategies and real-time contingency management. This layer operates with ms-level latency.
- (2)
- The converter station-level control (intermediate tier) manages station-specific functions such as reactive power support, AC voltage regulation, and DC link voltage stabilization. It integrates predictive algorithms with real-time monitoring to mitigate disturbances (e.g., fault ride-through, renewable intermittency). This layer also operates with ms-level latency.
- (3)
- The converter valve-level control (bottom tier) executes precise pulse-width modulation (PWM) commands to individual semiconductor valves, ensuring sub-millisecond transient response and harmonic distortion suppression. This layer operates with μs-level latency to enforce high-fidelity current/voltage tracking.
2.2. Converter Station-Level Control Strategy
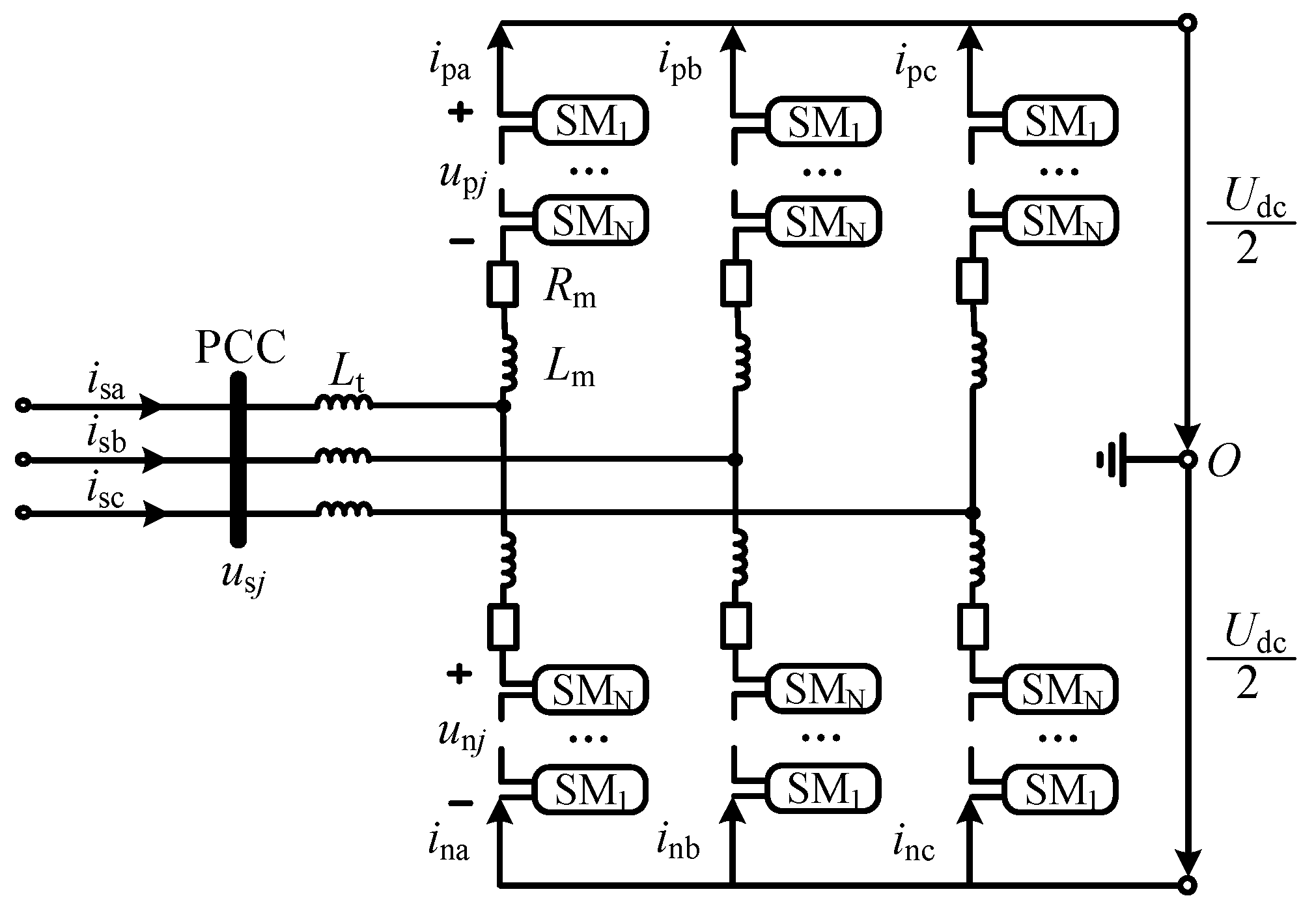
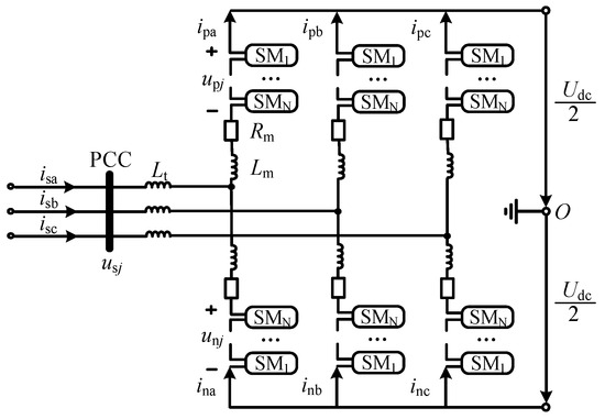
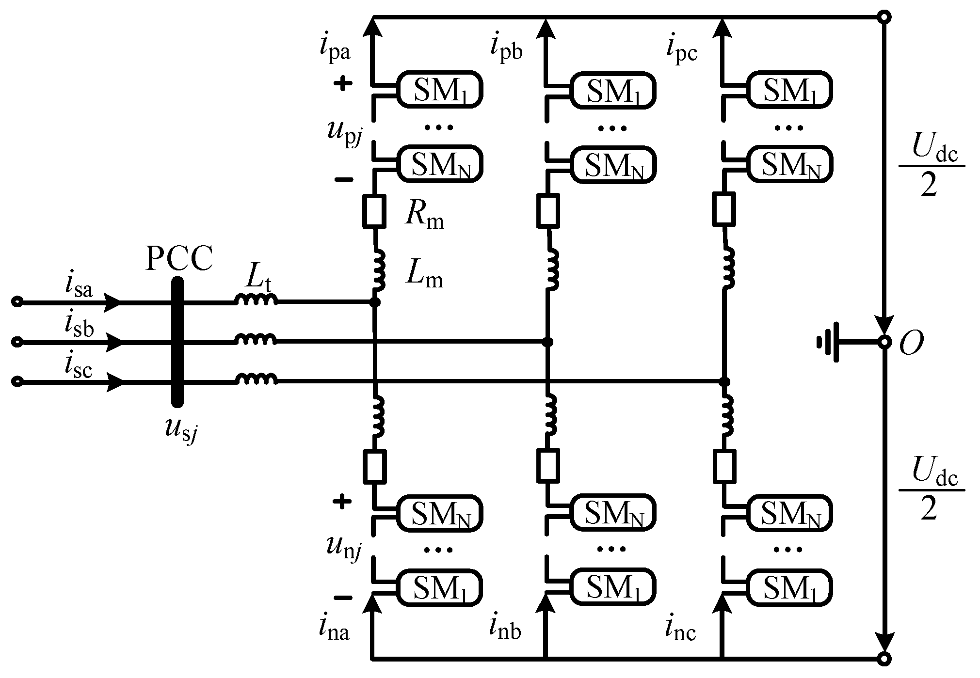
2.3. The MMC-HVDC with Embedded Energy Storage
3. Design of Multi-Channel Robust Damping Controllers Based on the Static H∞ Loop Shaping Method
3.1. H∞ Loop Shaping Method
3.2. Static Loop Shaping Method
- (1)
- Weighting function selection and loop shaping: select the weighting functions W1 and W2 based on practical performance specifications to perform loop shaping on the original system.
- (2)
- Feasibility analysis and optimization via LMIs: analyze the feasibility of Equations (18) and (19) using linear matrix inequalities (LMIs) and minimize the scalar variable β.
- (3)
- Controller synthesis via LMI-based solutions: Solve for the scalar γ and matrix R using the derived β and matrix P. Then, verify the feasibility of Equation (15) via LMIs to synthesize the static H∞-robust stabilizing controller K.
- (4)
- Final controller construction: Based on the loop-shaping principle, the final designed static H∞-loop-shaped robust controller is constructed as Kst = W2KW1.
3.3. Tuning of Weighting Functions Based on an Improved Genetic Algorithm
- (1)
- Generate an initial population:
- (2)
- Define the fitness function:
- (3)
- Genetic operations:
- (a)
- Selection: calculate the fitness values of each individual in the population, and select elite parent individuals based on their ranking from best to worst.
- (b)
- Crossover and mutation: The crossover operator and mutation operator can maintain the diversity of the population, endowing the algorithm with an active random search capability. To prevent the genetic algorithm (GA) from getting trapped in local optima, an adaptive crossover and mutation approach is adopted.
4. Simulation Verifications
4.1. Case 1
4.2. Case 2
5. Conclusions
- (1)
- A multi-channel robust damping controller based on the static H∞ loop shaping method has been proposed, achieving the suppression of sub-synchronous oscillation, which is based on the MMC-HVDC with embedded energy storage.
- (2)
- The weighting functions for robust control have been tuned using a genetic algorithm, and the system oscillation characteristics have been clarified through the TLS-ESPRIT identification algorithm, thereby enhancing the effectiveness of the controller.
- (3)
- The sub-synchronous oscillation controller designed based on the proposed robust control algorithm can achieve satisfactory oscillation suppression effects under different disturbances, demonstrating the robustness of the designed controller. It shows that the MMC-HVDC with embedded energy storage has the ability to suppress the power grid oscillations.
Author Contributions
Funding
Data Availability Statement
Conflicts of Interest
Abbreviations
| HVDC | High-Voltage Direct Current |
| MMC | Modular Multilevel Converter |
| SGCC | State Grid Corporation of China |
| SSO | Sub-Synchronous Oscillation |
| FIA | Fuzzy Immune Algorithm |
| DFIG | Doubly Fed Induction Generator |
References
- Jiang, Q.; Xu, R.; Li, B.; Chen, X.; Yin, Y.; Liu, T.; Blaabjerg, F. Impedance Model for Instability Analysis of LCC-HVDCs Considering Transformer Saturation. J. Mod. Power Syst. Clean Energy 2024, 12, 1309–1319. [Google Scholar]
- Li, Q.; Li, B.; Jiang, Q.; Liu, T.; Yue, Y.; Zhang, Y. A novel location method for interline power flow controllers based on entropy theory. Prot. Control Mod. Power Syst. 2024, 9, 70–81. [Google Scholar] [CrossRef]
- Haro-Larrode, M.; Eguia, P.; Santos-Mugica, M. Analysis of voltage dynamics within current control time-scale in a VSC connected to a weak AC grid via series compensated AC line. Electr. Power Syst. Res. 2024, 229, 110189. [Google Scholar] [CrossRef]
- Wang, Q.; Yao, L.; Xu, J.; Zheng, Y.; Li, W.; Wang, W. Steady-state Voltage Security-constrained Optimal Frequency Control for Weak HVDC Sending-end AC Power Systems. J. Mod. Power Syst. Clean Energy 2024, 12, 658–669. [Google Scholar] [CrossRef]
- Jiang, Q.; Li, B.; Liu, T.; Blaabjerg, F.; Wang, P. Study of Cyber Attack’s Impact on LCC-HVDC System with False Data Injection. IEEE Trans. Smart Grid 2023, 14, 3220–3231. [Google Scholar] [CrossRef]
- Zhang, T.; Yao, J.; Lin, Y.; Jin, R.; Zhao, L. Impact of Control Interaction of Wind Farm with MMC-HVDC Transmission System on Distance Protection Adaptability under Symmetric Fault. Prot. Control Mod. Power Syst. 2025, 10, 83–101. [Google Scholar] [CrossRef]
- Akhmatov, V.; Rasmussen, C.; Eriksen, P.B.; Pedersen, J. Technical aspects of status and expected future trends for wind power in Denmark. Wind Energy 2007, 10, 31–49. [Google Scholar] [CrossRef]
- Bjorklind, H.; Johansson, K.E.; Liss, G. Damping of sub synchronous oscillations in systems containing turbine and HVDC links. IEEE Trans. Power 2007, 22, 314–323. [Google Scholar]
- Zou, Y.; Wang, Y.; Chen, J.; Hu, W.; Zheng, Y.; Sun, W.; Xiao, Z. Optimal Nonlinear Robust Sliding Mode Control of an Excitation System Based on Mixed H2/H∞ Linear Matrix Inequalities. Prot. Control Mod. Power Syst. 2024, 9, 1–22. [Google Scholar] [CrossRef]
- Padiyar, K.R.; Prabhu, N. Design and performance evaluation of sub synchronous damping controller with STATCOM. IEEE Trans. Power Deliv. 2006, 21, 1398–1405. [Google Scholar] [CrossRef]
- Farahani, M. Damping of sub synchronous oscillations in power system using static synchronous series compensator. IET Gener. Transm. Distrib. 2012, 6, 539–544. [Google Scholar] [CrossRef]
- Shu, J.; Zhang, B.H.; Hao, Z.G.; Liang, H. Research on improving power system stability via control of variable-speed wind farms. Proc. CSEE 2011, 31, 14–22. [Google Scholar]
- Faried, S.O.; Unal, I.; Rai, D.; Mahseredjian, J. Utilizing DFIG-Based wind farms for damping sub synchronous resonance in nearby turbine-generators. IEEE Trans. Power Systems 2012, 28, 452–459. [Google Scholar] [CrossRef]
- Wu, X.; Jiang, P.; Hu, T. Research on the impact and mechanism of power system stabilizers on sub-synchronous oscillations. Proc. CSEE (China Soc. Electr. Eng.) 2011, 31, 56–63. [Google Scholar]
- Ali, S.; Ling, Z.; Tian, K.; Huang, Z. Recent Advancements in Submodule Topologies and Applications of MMC. IEEE J. Emerg. Sel. Top. Power Electron. 2021, 9, 3407–3435. [Google Scholar] [CrossRef]
- Chen, Q.; Li, R.; Cai, X. Analysis and Fault Control of Hybrid Modular Multilevel Converter with Integrated Battery Energy Storage System. IEEE J. Emerg. Sel. Top. Power Electron. 2017, 5, 64–78. [Google Scholar] [CrossRef]
- Li, X.; Xu, Z.; Zhang, Z. Application of MMC with Embedded Energy Storage for Overvoltage Suppression and Fault Ride-through Improvement in Series LCC-MMC Hybrid HVDC System. J. Mod. Power Syst. Clean Energy 2023, 11, 1001–1013. [Google Scholar] [CrossRef]


















| Compenents | Name | Value |
|---|---|---|
| Plant 1 | Rated power | 1200 MW |
| Plant 2 | Rated power | 600 MW |
| Plant 3 | Rated power | 1200 MW |
| Wind farm | Rated power | 500 MW |
| HVDC | DC power | 4000 MW |
| DC voltage | ±500 kV |
| Modes | Frequency /(Hz) | Damping Ratio /% |
|---|---|---|
| SSO1 | 13.027 | 0.01 |
| SSO2 | 23.897 | 0.09 |
| Modes | Damping Ratio Before Control/% | Damping Ratio After Control/% |
|---|---|---|
| SSO1 | 0.01 | 8.23 |
| SSO2 | 0.09 | 10.02 |
Disclaimer/Publisher’s Note: The statements, opinions and data contained in all publications are solely those of the individual author(s) and contributor(s) and not of MDPI and/or the editor(s). MDPI and/or the editor(s) disclaim responsibility for any injury to people or property resulting from any ideas, methods, instructions or products referred to in the content. |
© 2025 by the authors. Licensee MDPI, Basel, Switzerland. This article is an open access article distributed under the terms and conditions of the Creative Commons Attribution (CC BY) license (https://creativecommons.org/licenses/by/4.0/).
Share and Cite
Zhao, J.; Jia, Y.; Zhang, G.; An, H.; Zhao, T. Sub-Synchronous Oscillation Robust Damping Method for HVDC with Embedded Energy Storage. Electronics 2025, 14, 2599. https://doi.org/10.3390/electronics14132599
Zhao J, Jia Y, Zhang G, An H, Zhao T. Sub-Synchronous Oscillation Robust Damping Method for HVDC with Embedded Energy Storage. Electronics. 2025; 14(13):2599. https://doi.org/10.3390/electronics14132599
Chicago/Turabian StyleZhao, Jingbo, Yongyong Jia, Guojiang Zhang, Haiyun An, and Tianhui Zhao. 2025. "Sub-Synchronous Oscillation Robust Damping Method for HVDC with Embedded Energy Storage" Electronics 14, no. 13: 2599. https://doi.org/10.3390/electronics14132599
APA StyleZhao, J., Jia, Y., Zhang, G., An, H., & Zhao, T. (2025). Sub-Synchronous Oscillation Robust Damping Method for HVDC with Embedded Energy Storage. Electronics, 14(13), 2599. https://doi.org/10.3390/electronics14132599

