Low-Complexity Model Predictive Control for Series-Winding PMSM with Extended Voltage Vectors
Abstract
1. Introduction
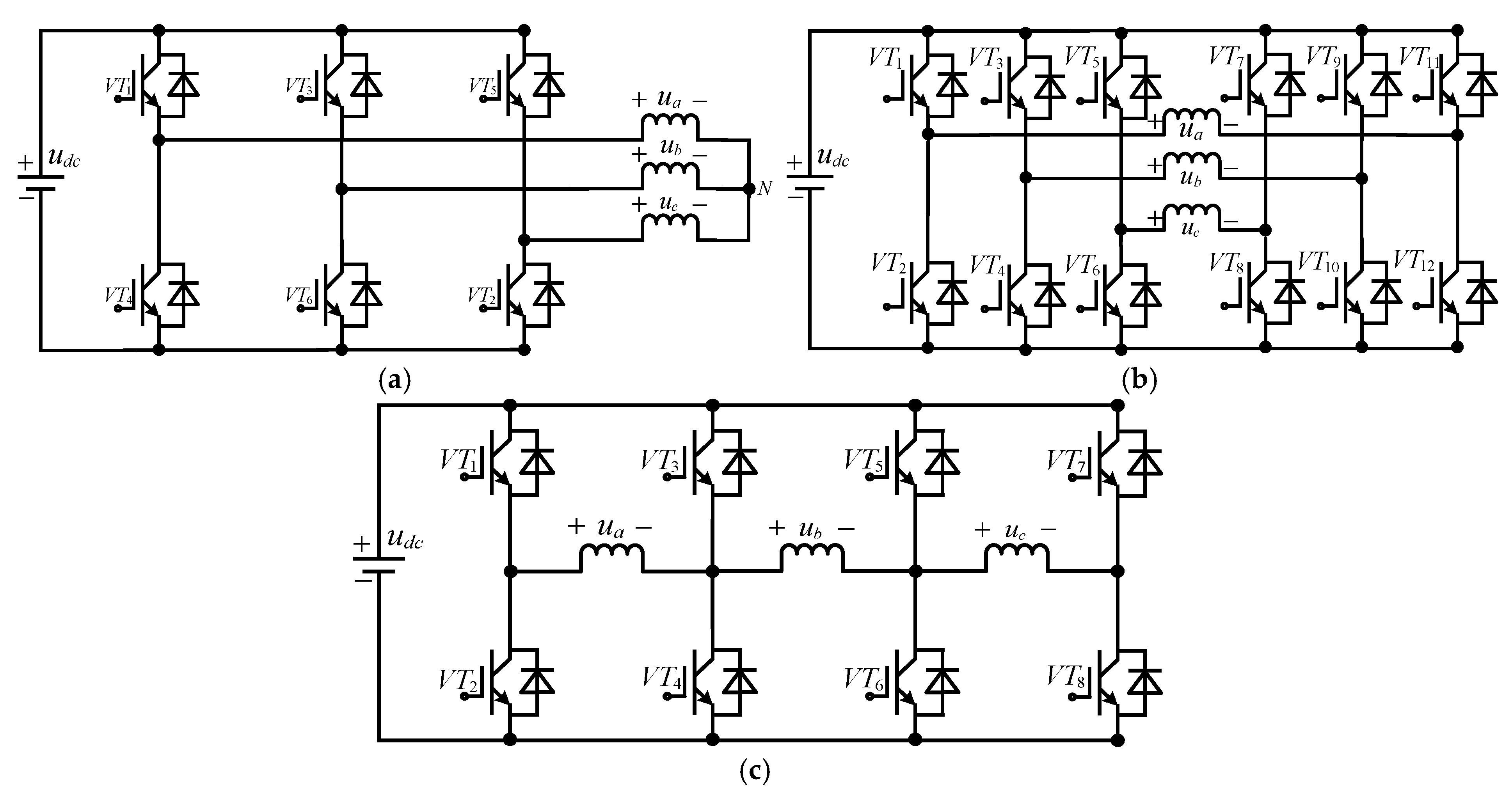
2. Modeling of TPSW-PMSM Drive
2.1. Mathematical Model of the TPSW-PMSM
2.2. Voltage Vector Distribution Within the Subspace
3. Improved MPCC for TPSW-PMSM
3.1. Basic Principles of MPCC
3.2. Basic Principles of Proposed MPCC
3.2.1. Expanded Voltage Vectors
3.2.2. Simplified Voltage Vector Selection
4. Zero-Sequence Current Suppression Strategy
5. Experiment and Discussion
5.1. Steady-State Performance and Computational Complexity Evaluation
- (1)
- Conventional MPCC: In conventional single-vector model predictive control, the basic voltage vectors are not processed. In other words, each switching state corresponds to a single, fixed voltage vector. Therefore, the control set consists of 16 elements , and conventional MPCC is relatively simple and direct, requiring 15 current predictions and 15 cost function evaluations per sampling period.
- (2)
- DCC-MPCC: In DCC-MPCC, a zero-voltage vector is introduced into the sampling period. When considering only voltage vectors in the plane, this method requires six current predictions and six cost function evaluations per sampling period. If three-dimensional modulation is considered, the computational demand will be even higher.
- (3)
- DV-MPCC:DV-MPCC expands the candidate voltage vectors from the DCC-MPCC approach, allowing the second voltage vector to extend beyond the zero vector. This improves performance but results in an exponential increase in computational load. When considering only the plane, each sampling period requires current predictions and the same number of cost function evaluations, significantly increasing the computational burden on the control system.
- (4)
- Proposed Method: By utilizing the voltage selection strategy and zero-sequence voltage suppression, this method requires at most four current predictions and four cost function evaluations per sampling period. Compared to conventional MPCC, DCC-MPCC, and DV-MPCC, the computational load per cycle is significantly reduced.
5.2. Dynamic Performance Evaluation
6. Conclusions
- (1)
- This paper first addresses the drawbacks of conventional MPCC, which outputs only one voltage vector per cycle, leading to significant errors. To resolve this, the method subdivides basic voltage vectors by their magnitudes and synthesizes additional vectors with greater flexibility in both angle and magnitude. This increases the number of candidate voltage vectors on the 2D plane from 8 to 38, substantially enhancing static performance. Compared to MV-MPCC, this method eliminates the need for calculating the distribution of dwell time, further reducing the computational burden.
- (2)
- Given the potential computational challenges posed by the increased number of voltage vectors, a simplified sector selection scheme and a region selection principle are introduced. These strategies reduce the number of candidate voltage vectors from 38 to a maximum of 4, significantly lowering the computational load.
- (3)
- To mitigate the adverse effects of zero-sequence components on control performance, this paper employs a three-vector synthesis method, effectively suppressing the zero-sequence current and greatly enhancing overall control performance.
Author Contributions
Funding
Data Availability Statement
Conflicts of Interest
References
- Liu, C. Emerging Electric Machines and Drives-An Overview. IEEE Trans. Energy Convers. 2018, 33, 2270–2280. [Google Scholar] [CrossRef]
- Wang, X.; Wang, D.; Peng, C.; Wang, B.; Wang, X. Torsional Vibration Analysis and Suppression of Interior Permanent Magnet Synchronous Motor with Staggered Segmented Rotor for Electric Vehicles. IEEE Trans. Transp. Electrif. 2024, 10, 6285–6294. [Google Scholar] [CrossRef]
- Lemma, B.D.; Pradabane, S. An Optimized Alternative Fixed Switching 12-Sector Space Vector Pulse Width Modulation Control of Open-End Winding PMSM Drive. IEEE Access 2023, 11, 55169–55177. [Google Scholar] [CrossRef]
- Wang, X.; Lin, X.; Huang, Q.; Xie, W. An Improved Parallel Predictive Torque Control for Permanent Magnet Synchronous Motor. IEEE Access 2023, 11, 32496–32507. [Google Scholar] [CrossRef]
- Bao, G.; Qi, W.; He, T. Direct Torque Control of PMSM with Modified Finite Set Model Predictive Control. Energies 2020, 13, 234. [Google Scholar] [CrossRef]
- Sun, X.; Liu, Z.; Li, A.; Wang, Z.; Jiang, D.; Qu, R. Self-Adaptive Fault-Tolerant Control of Three-Phase Series-End Winding Motor Drive. IEEE Trans. Power Electron. 2022, 37, 10939–10950. [Google Scholar] [CrossRef]
- Zuo, Y.; Zhu, X.; Lee, C.H.T. Fault-Tolerant Control for Multiple Open-Leg Faults in Open-End Winding Permanent Magnet Synchronous Motor System Based on Winding Reconnection. IEEE Trans. Power Electron. 2021, 36, 6068–6078. [Google Scholar] [CrossRef]
- Dong, Y.; Zhang, S.; Zhang, C.; Wang, S. A Parameter Robust Fault-Tolerant Control Scheme for Open-Winding Permanent Magnet Synchronous Motors in Flux-Weakening Regions. IEEE J. Emerg. Sel. Top. Power Electron. 2024, 12, 4191–4203. [Google Scholar] [CrossRef]
- Lee, H.W.; Lee, K.B. Open-fault diagnosis and tolerant control of a dual inverter fed open-end winding interior permanent magnet synchronous motor. J. Power Electron. 2024, 24, 1071–1080. [Google Scholar] [CrossRef]
- Bao, Y.; Zhang, X.; Zhao, J.; Li, B.; Xu, C. Research of Fault-Tolerant Control Strategy for Open-End Winding PMSM Under Open-Phase Fault. In Proceedings of the 2023 IEEE PELS Students and Young Professionals Symposium (SYPS), Shanghai, China, 27–29 August 2023; pp. 1–5. [Google Scholar]
- Oto, Y.; Noguchi, T.; Fauziah, M.B. Experimental Verification of Fault Tolerant Operation Focusing on DC-Bus Battery Failure in Dual Inverter Motor Drive. World Electr. Veh. J. 2019, 10, 65. [Google Scholar] [CrossRef]
- Li, A.; Jiang, D.; Liu, Z.; Sun, X. Generalized PWM Method for Series-End Winding Motor Drive. IEEE Trans. Power Electron. 2021, 36, 4452–4462. [Google Scholar] [CrossRef]
- Dong, Z.; Liu, C.; Song, Z.; Liu, S. Suppression of Dual-Harmonic Components for Five-Phase Series-Winding PMSM. IEEE Trans. Transp. Electrif. 2022, 8, 121–134. [Google Scholar] [CrossRef]
- Tolbert, L.M.; Peng, F.Z.; Habetler, T.G. Multilevel inverters for electric vehicle applications. In Proceedings of the Power Electronics in Transportation (Cat. No. 98TH8349), Dearborn, MI, USA, 22–23 October 1998; pp. 79–84. [Google Scholar]
- Oliveira, A.C.; Jacobina, C.B.; Lima, A.M.N. Improved Dead-Time Compensation for Sinusoidal PWM Inverters Operating at High Switching Frequencies. IEEE Trans. Ind. Electron. 2007, 54, 2295–2304. [Google Scholar] [CrossRef]
- Hu, W.; Ruan, C.; Nian, H.; Sun, D. Zero-Sequence Current Suppression Strategy with Common-Mode Voltage Control for Open-End Winding PMSM Drives with Common DC Bus. IEEE Trans. Ind. Electron. 2021, 68, 4691–4702. [Google Scholar] [CrossRef]
- Song, Z.; Dong, Z.; Wang, W.; Liu, S.; Liu, C. A Novel Modulation Strategy for Asymmetrical Six-Phase Series-Winding PMSM Based on Predictive Controller. IEEE Trans. Ind. Electron. 2023, 70, 5592–5603. [Google Scholar] [CrossRef]
- Xu, Y.; Morito, C.; Lorenz, R.D. Extending High-Speed Operating Range of Induction Machine Drives Using Deadbeat-Direct Torque and Flux Control With Precise Flux Weakening. IEEE Trans. Ind. Appl. 2019, 55, 3770–3780. [Google Scholar] [CrossRef]
- Kubo, H.; Yamamoto, Y.; Kondo, T.; Rajashekara, K.; Zhu, B. Zero-sequence current suppression for open-end winding induction motor drive with resonant controller. In Proceedings of the 2016 IEEE Applied Power Electronics Conference and Exposition (APEC), Long Beach, CA, USA, 20-24 March 2016; pp. 2788–2793. [Google Scholar]
- Cui, R.; Fan, Y.; Cheng, M. A New Zero-Sequence Current Suppression Control Strategy for Five-Phase Open-Winding Fault-Tolerant Fractional-Slot Concentrated Winding IPM Motor Driving System. IEEE Trans. Ind. Appl. 2019, 55, 2731–2740. [Google Scholar] [CrossRef]
- Lu, Q.; Zuo, Y.; Zhang, T.; Mo, L. Zero-Sequence Current Suppression for Open-Winding Permanent Magnet Brushless Motor Driving System Based on Second Order Generalized Integrator. IEEE Access 2020, 8, 37465–37473. [Google Scholar] [CrossRef]
- Su, Z.; Zuo, Y.; Lin, X. Direct Torque Control for Series-Winding PMSM with Zero-Sequence Current Suppression Capability. Electronics 2023, 12, 4692. [Google Scholar] [CrossRef]
- Hu, W.; Nian, H.; Zheng, T. Torque Ripple Suppression Method with Reduced Switching Frequency for Open-Winding PMSM Drives with Common DC Bus. IEEE Trans. Ind. Electron. 2019, 66, 674–684. [Google Scholar] [CrossRef]
- Dong, Z.; Chen, Y.; Feng, K.; Liu, C. Multivector-Based Model Predictive Current Control with Zero-Sequence Current Suppression for Three-Phase Series-End Winding Permanent Magnet Synchronous Motor Drives. IEEE Trans. Transp. Electrif. 2023, 9, 3282–3294. [Google Scholar] [CrossRef]
- Rodriguez, J.; Garcia, C.; Mora, A.; Flores-Bahamonde, F.; Acuna, P.; Novak, M.; Zhang, Y.; Tarisciotti, L.; Davari, S.A.; Zhang, Z.; et al. Latest Advances of Model Predictive Control in Electrical Drives-Part I: Basic Concepts and Advanced Strategies. IEEE Trans. Power Electron. 2022, 37, 3927–3942. [Google Scholar] [CrossRef]
- Sun, X.; Li, T.; Yao, M.; Lei, G.; Guo, Y.; Zhu, J. Improved Finite-Control-Set Model Predictive Control with Virtual Vectors for PMSHM Drives. IEEE Trans. Energy Convers. 2022, 37, 1885–1894. [Google Scholar] [CrossRef]
- Yu, F.; Liu, X.; Zhu, Z.; Mao, J. An Improved Finite-Control-Set Model Predictive Flux Control for Asymmetrical Six-Phase PMSMs with a Novel Duty-Cycle Regulation Strategy. IEEE Trans. Energy Convers. 2021, 36, 1289–1299. [Google Scholar] [CrossRef]
- Zhou, Y.; Li, H.; Liu, R.; Mao, J. Continuous Voltage Vector Model-Free Predictive Current Control of Surface Mounted Permanent Magnet Synchronous Motor. IEEE Trans. Energy Convers. 2019, 34, 899–908. [Google Scholar] [CrossRef]
- Wang, F.; He, L.; Rodriguez, J. FPGA-Based Continuous Control Set Model Predictive Current Control for PMSM System Using Multistep Error Tracking Technique. IEEE Trans. Power Electron. 2020, 35, 13455–13464. [Google Scholar] [CrossRef]
- Wróbel, K.; Serkies, P.; Szabat, K. Continuous and Finite Set Model Predictive Control of Induction Motor Drive. In Proceedings of the IECON 2019—45th Annual Conference of the IEEE Industrial Electronics Society, Lisbon, Portugal, 14–17 October 2019; pp. 963–968. [Google Scholar]
- Ahmed, A.A.; Koh, B.K.; Lee, Y.I. A Comparison of Finite Control Set and Continuous Control Set Model Predictive Control Schemes for Speed Control of Induction Motors. IEEE Trans. Ind. Inform. 2018, 14, 1334–1346. [Google Scholar] [CrossRef]
- Yang, H.; Wu, H. Summary of Model Predictive Control Methods in Motor Drive System. In Proceedings of the 2021 IEEE 7th International Conference on Control Science and Systems Engineering (ICCSSE), Qingdao, China, 30 July–1 August 2021; pp. 169–174. [Google Scholar]
- Zhao, K.; Zhou, R.; She, J.; Zhang, C.; He, J.; Li, X. A Model Predictive Current Control Based on Sliding Mode Speed Controller for PMSM. In Proceedings of the 2020 13th International Conference on Human System Interaction (HSI), Tokyo, Japan, 6–8 June 2020; pp. 229–233. [Google Scholar]
- Sun, X.; Wu, M.; Lei, G.; Guo, Y.; Zhu, J. An Improved Model Predictive Current Control for PMSM Drives Based on Current Track Circle. IEEE Trans. Ind. Electron. 2021, 68, 3782–3793. [Google Scholar] [CrossRef]
- Kumar, P.D.; Ramesh, T.; Pothuraju, R. Model Predictive Current Control for Multi-Level Inverter fed Speed Sensorless PMSM Drive. In Proceedings of the 2022 IEEE IAS Global Conference on Emerging Technologies (GlobConET), Arad, Romania, 20–22 May 2022; pp. 375–380. [Google Scholar]
- Dang, C.; Dou, M.; Wang, Y. Model Predictive Direct Torque Control for PMSM Drives in M–T Frame. In Proceedings of the 2021 IEEE International Conference on Predictive Control of Electrical Drives and Power Electronics (PRECEDE), Jinan, China, 20–22 November 2021; pp. 138–141. [Google Scholar]
- Ma, C.; Yao, X.; Li, H.; Belie, F.D. Current Boundary Based Model Predictive torque control of PMSM. In Proceedings of the 2019 22nd International Conference on Electrical Machines and Systems (ICEMS), Harbin, China, 1–14 August 2019; pp. 1–6. [Google Scholar]
- Mao, H.; Tang, X.; Tang, H. Speed control of PMSM based on neural network model predictive control. Trans. Inst. Meas. Control 2022, 44, 2781–2794. [Google Scholar] [CrossRef]
- Hassan, A.A.; Kassem, A.M. Modeling, Simulation and Performance Improvements of a PMSM Based on Functional Model Predictive Control. Arab. J. Sci. Eng. 2013, 38, 3071–3079. [Google Scholar] [CrossRef]
- Zhang, Y.; Bai, Y.; Yang, H. A Universal Multiple-Vector-Based Model Predictive Control of Induction Motor Drives. IEEE Trans. Power Electron. 2018, 33, 6957–6969. [Google Scholar] [CrossRef]
- Zhang, Y.; Jiang, H.; Yang, H. Model Predictive Control of PMSM Drives Based on General Discrete Space Vector Modulation. IEEE Trans. Energy Convers. 2021, 36, 1300–1307. [Google Scholar] [CrossRef]
- Zhang, Y.; Xu, D.; Huang, L. Generalized Multiple-Vector-Based Model Predictive Control for PMSM Drives. IEEE Trans. Ind. Electron. 2018, 65, 9356–9366. [Google Scholar] [CrossRef]











| Voltage Vectors | Switching States | |||
|---|---|---|---|---|
| 0000 | 0 | 0 | 0 | |
| 0001 | /3 | |||
| 0010 | 0 | 0 | ||
| 0011 | /3 | /3 | ||
| 0100 | 0 | |||
| 0101 | /3 | /3 | ||
| 0110 | 0 | |||
| 0111 | /3 | 0 | /3 | |
| 1000 | /3 | 0 | /3 | |
| 1001 | 0 | |||
| 1010 | /3 | /3 | ||
| 1011 | 0 | |||
| 1100 | /3 | |||
| 1101 | 0 | 0 | ||
| 1110 | /3 | /3 | ||
| 1111 | 0 | 0 | 0 |
| Sector | Logical Values |
|---|---|
| I | |
| II | |
| III | |
| IV | |
| V | |
| VI |
| Parameters | Value |
|---|---|
| 0.9 | |
| Pole Pairs | 4 |
| 3.7 | |
| 5 | |
| 4 | |
| 0.08 | |
| 0.002 |
| Control Scheme | Number of Candidate Voltage Vectors | Computational Burden of Sector Selection | Time Allocation Calculations |
|---|---|---|---|
| Conventional-MPCC | 16 | Low | No |
| DCC-MPCC (no sector selection) | 6 | Low | Yes |
| DCC-MPCC (sector selection) | 1 | High | Yes |
| DV-MPCC (no sector selection) | Low | Yes | |
| DV-MPCC (sector selection) | 1 | High | Yes |
| Proposed MPCC | Low | No |
Disclaimer/Publisher’s Note: The statements, opinions and data contained in all publications are solely those of the individual author(s) and contributor(s) and not of MDPI and/or the editor(s). MDPI and/or the editor(s) disclaim responsibility for any injury to people or property resulting from any ideas, methods, instructions or products referred to in the content. |
© 2024 by the authors. Licensee MDPI, Basel, Switzerland. This article is an open access article distributed under the terms and conditions of the Creative Commons Attribution (CC BY) license (https://creativecommons.org/licenses/by/4.0/).
Share and Cite
Hu, J.; Fu, Z.; Xu, R.; Jin, T.; Feng, Z.; Wang, S. Low-Complexity Model Predictive Control for Series-Winding PMSM with Extended Voltage Vectors. Electronics 2025, 14, 127. https://doi.org/10.3390/electronics14010127
Hu J, Fu Z, Xu R, Jin T, Feng Z, Wang S. Low-Complexity Model Predictive Control for Series-Winding PMSM with Extended Voltage Vectors. Electronics. 2025; 14(1):127. https://doi.org/10.3390/electronics14010127
Chicago/Turabian StyleHu, Jinde, Zhaoyang Fu, Rongwei Xu, Tian Jin, Zhengyang Feng, and Sheng Wang. 2025. "Low-Complexity Model Predictive Control for Series-Winding PMSM with Extended Voltage Vectors" Electronics 14, no. 1: 127. https://doi.org/10.3390/electronics14010127
APA StyleHu, J., Fu, Z., Xu, R., Jin, T., Feng, Z., & Wang, S. (2025). Low-Complexity Model Predictive Control for Series-Winding PMSM with Extended Voltage Vectors. Electronics, 14(1), 127. https://doi.org/10.3390/electronics14010127

