Study on Radiation Damage of Silicon Solar Cell Electrical Parameters by Nanosecond Pulse Laser
Abstract
1. Introduction
2. Device and Methods
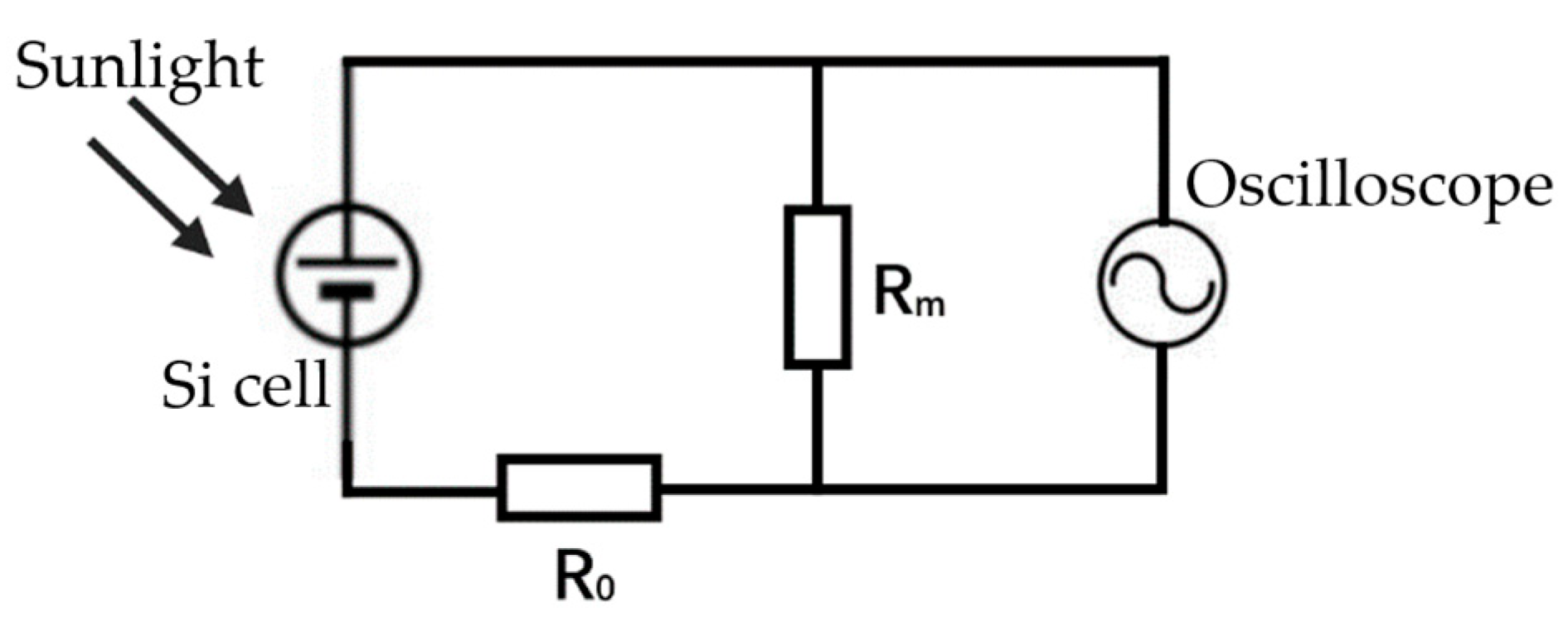
2.1. Device and Signal Acquisition Circuit
2.2. Methods
3. Results
3.1. Results at Different Laser Fluences
3.2. Results at Different Background Light Intensities
3.3. Results of Multi-Point Irradiation
4. Discussions
4.1. The Influence of Laser Fluence
- Initially, upon increasing the laser fluence, the peak value of the transient pulse signal rises by 32.5% compared to the initial pulse signal, while the pulse width remains nearly unchanged.
- Subsequently, although the peak value of the transient pulse signal remains relatively constant, its pulse width expands by 29.4% compared to the initial signal.
- Finally, with further increases in laser fluence, the peak value and pulse width of the transient pulse signal increase by 47.5% and 88.2%, respectively, compared to the initial signal.
4.2. The Influence of Background Light Intensity
4.3. The Influence of Multi-Point Irradiation
5. Conclusions
- (1)
- The interference threshold of laser-irradiated solar cells is 0.76 ± 0.26 J/cm2, and the damage threshold is about 1.18 ± 0.42 J/cm2;
- (2)
- In the presence of background light, Si cells can promptly collect the carriers generated by the laser beam and effectively release the heat of the charge carriers during the process. Therefore, the performance of the Si cell is most severely damaged when there is no background light;
- (3)
- Following six consecutive pulse laser irradiations, the cell’s output voltage decreases significantly from 855 mV to 455 mV. This reduction in open-circuit voltage and short-circuit current is attributed to changes in the values of parallel and series resistance in the cell after laser irradiation.
Author Contributions
Funding
Data Availability Statement
Conflicts of Interest
References
- Matsuoka, Y.; Usami, A. Laser Damage of Silicon Solar Cells. J. Nucl. Sci. Technol. 1973, 10, 61–62. [Google Scholar] [CrossRef][Green Version]
- Matsuoka, Y. Normal laser damage of silicon solar cells without phase change. Appl. Phys. Lett. 1974, 25, 574. [Google Scholar] [CrossRef]
- Matsuoka, Y.; Usami, A. Laser damage of silicon solar cells with different surface states. Opto-Electronics 1974, 6, 217–223. [Google Scholar] [CrossRef]
- Miyakawa, H.; Tanaka, Y.; Kurokawa, T. Photovoltaic cell characteristics for high intensity laser light. Fuel Energy Abstr. 2005, 86, 253–267. [Google Scholar] [CrossRef]
- Li, G.; Zhang, H.; Zhou, G.; Lu, J.; Zhou, D. Research on influence of parasitic resistance of InGaAs solar cells under continuous wave laser irradiation. J. Phys. Conf. Ser. 2017, 844, 12–14. [Google Scholar] [CrossRef]
- Dou, P.C.; Feng, G.B.; Zhang, J.M.; Song, M.Y.; Zhang, Z.; Li, Y.P.; Shi, Y.B. Laser induced non-monotonic degradation in short-circuit current of triple-junction solar cells. Opt. Commun. 2018, 417, 37–41. [Google Scholar] [CrossRef]
- Zhang, Y.; Li, Y.; Li, Y.; Zhao, G.; Chen, M. Research of silicon solar cells performance after being irradiated by high power laser. In High-Power Lasers and Applications VIII; SPIE: Beijing, China, 2016; Volume 10016, pp. 8–15. [Google Scholar]
- Li, G.; Zhang, H.; Wang, C.; Lu, J. Effect of 1070 nm laser uniformity on temperature distribution and performance of In0.3Ga0.7As solar panel. In Fifth International Symposium on Laser Interaction with Matter; SPIE: Changsha, China, 2019; Volume 11046, pp. 109–117. [Google Scholar]
- Guo, W.; Chang, H.; Yu, C.H.; Li, M.Y. Damage characteristics of continuous-wave laser ablation triple-junction solar cells. J. Laser Appl. 2022, 34, 042038. [Google Scholar] [CrossRef]
- Lowe, R.A.; Landis, G.A. Response of photovoltaic cells to pulsed laser illumination. IEEE Trans. Electron Devices 1995, 42, 744–751. [Google Scholar] [CrossRef]
- Qiu, D.; Wang, R.; Cheng, X.; Zhang, Z.; Jiang, T. Damage effect of monocrystalline silicon solar cells under ultrashort pulse laser irradiations. Infrared Laser Eng. 2012, 41, 112–115. [Google Scholar]
- Ke, D. Study on the Electromechanical Response Characteristics of Solar Arrays Irradiated by Pulsed Laser and Simulated Sunlight; Shenyang Ligong University: Shenyang, China, 2023. [Google Scholar]
- Zhu, R. Researches on the Irradiation Effects of Single Junction GaAs/Ge and Monocrystalline Silicon Solar Cells under Laser; National University of Defense Technology: Changsha, China, 2014. [Google Scholar]
- Höhn, O.; Walker, A.W.; Bett, A.W.; Helmers, H. Optimal laser wavelength for efficient laser power converter operation over temperature. Appl. Phys. Lett. 2016, 108, 971–974. [Google Scholar] [CrossRef]
- Li, Y.; Zhang, J.; Dou, P.; Shi, Y.; Feng, G. Thermal damage mechanism of single junction GaAs solar cells irradiated by continuous wave laser. Infrared Laser Eng. 2018, 47, 97–102. [Google Scholar]
- Wang, X.; Shen, Z.H.; Lu, J.; Ni, X.W. Laser-induced damage threshold of silicon in millisecond, nanosecond, and picosecond regimes. J. Appl. Phys. 2010, 108, 033103. [Google Scholar] [CrossRef]
- Zhu, R.; Wang, R.; Cheng, X.; Xu, Z. Research of concentric iridescent ring around the laser-induced pits on the solar cell surface. Appl. Surf. Sci. 2015, 336, 375–379. [Google Scholar] [CrossRef]
- Tian, X.; Xiao, S.; Tao, S.; Yuan, Z.; Zhou, Y. Damage threshold research of monocrystalline silicon solar cells under femtosecond laser illumination. Infrared Laser Eng. 2014, 43, 676–680. [Google Scholar]
- Wu, W.; Chen, R.; Hua, Y.; Liu, H.; Xue, Q. The damage characteristics study on the solar cell by femtosecond laser. J. Funct. Mater. 2015, 46, 17049–17057. [Google Scholar]
- Xue, Q.; Wu, W.; Ye, Y.; Liu, H.; Chen, R.; Hua, Y. Property Degradation of GaAs/Ge Solar Cells after Femtosecond Laser Irradiation. Laser Optoelectron. Prog. 2015, 52, 122–128. [Google Scholar]
- Chang, H.; Chen, Y.; Guo, W. Damage characteristics of the solar cells irradiated by nanosecond pulsed lasers and the effects on photoelectric conversion. Infrared Laser Eng. 2021, 50, 20210296-1. [Google Scholar]
- Yang, Y.; Lyu, T.; Zhang, R. Effect of repetition frequency laser on the response characteristics of silicon solar cell. Laser J. 2024, 1, 70–74. [Google Scholar]
- Guo, M.; Zhang, Y.; Zhang, W.; Li, H. Effect of spot size on laser damage single crystal silicon. In Conference on Applied Optics and Photonics China; SPIE: Beijing, China, 2019; p. 11333. [Google Scholar]
- Jia, Z.; Wang, W.; Li, X.; Hao, L. Millisecond laser-induced damage process of (001) silicon wafer. Opt. Eng. 2021, 60, 097101. [Google Scholar] [CrossRef]
- Ohmura, E.; Fukumitsu, K.; Kumagai, M.; Morita, H. Analysis of Internal Modified-Layer Formation Mechanism into Silicon Single Crystal with Nanosecond Laser. Comput. Mater. Sci. 2019, 160, 420–429. [Google Scholar] [CrossRef]
- Gao, L.; Wei, Z.; Wang, D.; Ma, J.; Liang, C. Experimental study of 1064nm CW laser ablation biased silicon-based PIN photodiodes. In Advanced Laser Technology and Applications; SPIE: Beijing, China, 2021; p. 12060. [Google Scholar]
- Wang, T.; Li, P.; Yu, X.; Wang, K.; Wang, D.; Zhang, Y.; Li, C. High-energy hundred-picosecond fiber-solid hybrid laser and its application in laser-induced damage in PIN photodiode. Laser Phys. 2020, 30, 036004. [Google Scholar] [CrossRef]
- Chen, T.; Tu, J.; Wang, D. A method for measuring parallel resistance of solar cells. Semicond. Optoelectron. 1998, 19, 3. [Google Scholar]
- Liu, Q.; Guo, K.; Mao, M. A photovoltaic fault detection method based on series equivalent resistance. J. Sol. Energy 2020, 41, 8. [Google Scholar]
- Huang, L.; Ye, J.; Li, S.; Li, L.; Wang, D. Effect of multiple pulsed laser irradiation on resistance of silicon cells. In Proceedings of the Sixth International Symposium on Laser Interaction with Matter 124590D, Ningbo, China, 22 December 2022. [Google Scholar]















| Laser Fluence (J·cm−2) | Output Voltage (mV) | Open-Circuit Voltage (V) | Short-Circuit Current (mA) | Peak Power (mW) |
|---|---|---|---|---|
| 0 | 820 | 1.24 | 200 | 174 |
| 0.24 | 820 | 1.24 | 204 | 176 |
| 0.76 | 820 | 1.24 | 207 | 175 |
| 1.6 | 780 | 1.22 | 203 | 153 (−12.1%) |
| 2.8 | 740 | 1.22 | 202 | 152 (−12.6%) |
| 4.0 | 720 | 1.18 | 205 | 137 (−21.3%) |
| Background Light Intensity (W/m2) | Open-Circuit Voltage (V) | Short-Circuit Current (mA) | Peak Power (mW) |
|---|---|---|---|
| 1100 (No laser) | 1.22 | 200 | 171 |
| 1100 | 1.14 | 200 | 145 (−15.2%) |
| 550 | 1.14 | 200 | 140 (−18.1%) |
| 0 | 1.12 | 202 | 129 (−24.6%) |
Disclaimer/Publisher’s Note: The statements, opinions and data contained in all publications are solely those of the individual author(s) and contributor(s) and not of MDPI and/or the editor(s). MDPI and/or the editor(s) disclaim responsibility for any injury to people or property resulting from any ideas, methods, instructions or products referred to in the content. |
© 2024 by the authors. Licensee MDPI, Basel, Switzerland. This article is an open access article distributed under the terms and conditions of the Creative Commons Attribution (CC BY) license (https://creativecommons.org/licenses/by/4.0/).
Share and Cite
Li, S.; Huang, L.; Ye, J.; Hong, Y.; Wang, Y.; Gao, H.; Cui, Q. Study on Radiation Damage of Silicon Solar Cell Electrical Parameters by Nanosecond Pulse Laser. Electronics 2024, 13, 1795. https://doi.org/10.3390/electronics13091795
Li S, Huang L, Ye J, Hong Y, Wang Y, Gao H, Cui Q. Study on Radiation Damage of Silicon Solar Cell Electrical Parameters by Nanosecond Pulse Laser. Electronics. 2024; 13(9):1795. https://doi.org/10.3390/electronics13091795
Chicago/Turabian StyleLi, Sai, Longcheng Huang, Jifei Ye, Yanji Hong, Ying Wang, Heyan Gao, and Qianqian Cui. 2024. "Study on Radiation Damage of Silicon Solar Cell Electrical Parameters by Nanosecond Pulse Laser" Electronics 13, no. 9: 1795. https://doi.org/10.3390/electronics13091795
APA StyleLi, S., Huang, L., Ye, J., Hong, Y., Wang, Y., Gao, H., & Cui, Q. (2024). Study on Radiation Damage of Silicon Solar Cell Electrical Parameters by Nanosecond Pulse Laser. Electronics, 13(9), 1795. https://doi.org/10.3390/electronics13091795

