Shaping of the Frequency Response of Photoacoustic Cells with Multi-Cavity Structures
Abstract
1. Introduction
- P0—the power of the light used to excite the photoacoustic effect;
- β—the absorption coefficient;
- η—the efficiency of the detector (e.g., microphone);
- Q—the quality factor of the cell (assuming that the modulation frequency of the light beam is identical to the acoustic resonance frequency of the cell);
- V—the volume of the photoacoustic cell;
- f—the frequency of the light beam modulation.
- v—the speed of sound propagation in the gas filling the cell;
- f—the frequency of the acoustic wave.
- v—the speed of sound propagation in the gas filling the cell;
- φ—the diameter of the duct connecting the cavities;
- l—the length of the duct connecting the cavities;
- V1 and V2—the cavity volumes.
- (1)
- The N-fold extension of the measurement time in comparison to the duration of a single measurement (for one compound) if N compounds are being detected;
- (2)
- The possibility of changes in the measurement conditions, e.g., the temperature of the sample; the pressure in the cell; or, in extreme cases, even the concentrations of the investigated substances over time. Such changes will usually not be taken into account, resulting in an increase in the errors of the measurement results.
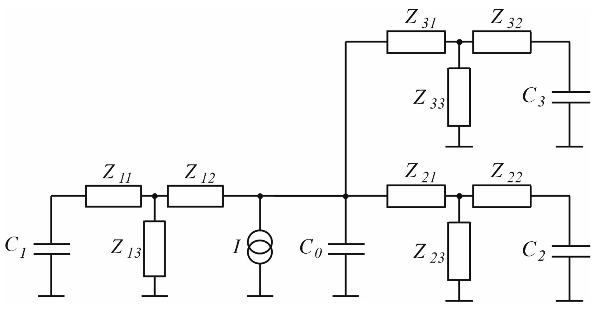
2. Theoretical Considerations
- Vi—the volume of the i-th cavity (i = 1–4);
- ρ—the gas density;
- v—the speed of sound propagation in the gas filling the cell.
3. Experimental Results
4. Discussion
5. Conclusions
Author Contributions
Funding
Data Availability Statement
Conflicts of Interest
References
- Li, T.; Sima, C.; Ai, Y.; Tong, C.; Zhao, J.; Zhao, Z.; Lu, P. Photoacoustic spectroscopy-based ppb-level multi-gas sensor using symmetric multi-resonant cavity photoacoustic cell. Photoacoustics 2023, 32, 100526. [Google Scholar] [CrossRef] [PubMed]
- Fan, E.; Liu, H.; Wang, C.; Ma, J.; Guan, B.O. Compact optical fiber photoacoustic gas sensor with integrated multi-pass cell. Photoacoustics 2023, 32, 100524. [Google Scholar] [CrossRef] [PubMed]
- Li, B.; Menduni, G.; Giglio, M.; Patimisco, P.; Sampaolo, A.; Zifarelli, A.; Wu, H.; Wei, T.; Spagnolo, V.; Dong, L. Quartz-enhanced photoacoustic spectroscopy (QEPAS) and Beat Frequency-QEPAS techniques for air pollutants detection: A comparison in terms of sensitivity and acquisition time. Photoacoustics 2023, 31, 100479. [Google Scholar] [CrossRef]
- Starecki, T. Wybrane Aspekty Optymalizacji Przyrządów Fotoakustycznych (Selected Apects of Photoacoustic Instruments Optimization); BTC: Legionowo, Poland, 2009. [Google Scholar] [CrossRef]
- Miklós, A.; Hess, P.; Bozóki, Z. Application of acoustic resonators in photoacoustic trace gas analysis and metrology. Rev. Sci. Instrum. 2001, 72, 1937–1955. [Google Scholar] [CrossRef]
- Wang, F.; Cheng, Y.; Xue, Q.; Wang, Q.; Liang, R.; Wu, J.; Sun, J.; Zhu, C.; Li, Q. Techniques to enhance the photoacoustic signal for trace gas sensing: A review. Sens. Actuators A Phys. 2022, 345, 113807. [Google Scholar] [CrossRef]
- Zhang, M.; Zhang, B.; Chen, K.; Guo, M.; Liu, S.; Chen, Y.; Gong, Z.; Yu, Q.; Chen, Z.; Liao, M. Miniaturized multi-pass cell based photoacoustic gas sensor for parts-per-billion level acetylene detection. Sens. Actuators A Phys. 2020, 308, 112013. [Google Scholar] [CrossRef]
- Zhang, M.; Gao, G.; Jiang, Y.; Wang, X.; Long, F.; Cai, T. A sensor based on high-sensitivity multi-pass resonant photoacoustic spectroscopy for detection of hydrogen sulfide. Opt. Laser Technol. 2023, 159, 108884. [Google Scholar] [CrossRef]
- Li, C.; Chen, K.; Zhao, J.; Qi, H.; Zhao, X.; Ma, F.; Han, X.; Guo, M.; An, R. High-sensitivity dynamic analysis of dissolved gas in oil based on differential photoacoustic cell. Opt. Lasers Eng. 2023, 161, 107394. [Google Scholar] [CrossRef]
- Case, J.A.; Smith, R.W. Photoacoustic measurement of the optical absorption of aerosols. In Proceedings of the Meetings on Acoustics, Acoustical Society of America, Denver, CO, USA, 23–27 May 2022; AIP Publishing: Melville, NY, USA, 2022; Volume 46, p. 045003. [Google Scholar] [CrossRef]
- Wu, Z.; Shi, Y.; Han, Y. Methane, Ethylene, and Ethane Detection by Differential Helmholtz Resonance Spectroscopy Using a 3345nm Mid-Infrared Tunable Diode Laser Source. Appl. Sci. 2023, 13, 3169. [Google Scholar] [CrossRef]
- Li, Z.; Liu, J.; Si, G.; Ning, Z.; Fang, Y. Design of a high-sensitivity differential Helmholtz photoacoustic cell and its application in methane detection. Opt. Express 2022, 30, 28984. [Google Scholar] [CrossRef]
- Li, Z.; Liu, J.; Si, G.; Ning, Z.; Fang, Y. Active noise reduction for a differential Helmholtz photoacoustic sensor excited by an intensity-modulated light source. Opt. Express 2023, 31, 1154. [Google Scholar] [CrossRef]
- Ma, Q.; Li, L.; Gao, Z.; Tian, S.; Yu, J.; Du, X.; Qiao, Y.; Shan, C. Near-infrared sensitive differential Helmholtz-based hydrogen sulfide photoacoustic sensors. Opt. Express 2023, 31, 14851. [Google Scholar] [CrossRef] [PubMed]
- Wei, Q.; Li, B.; Zhao, B.; Yang, P. EC-QCL based photoacoustic spectroscopy for detection of SF6 decomposition components. Sens. Actuators B Chem. 2022, 369, 132351. [Google Scholar] [CrossRef]
- Quimby, R.S.; Selzer, P.M.; Yen, W.M. Photoacoustic cell design: Resonant enhancement and background signals. Appl. Opt. 1977, 16, 2630. [Google Scholar] [CrossRef] [PubMed]
- Fernelius, N.C. Helmholtz resonance effect in photoacoustic cells. Appl. Opt. 1979, 18, 1784. [Google Scholar] [CrossRef] [PubMed]
- Nordhaus, O.; Pelzl, J. Frequency dependence of resonant photoacoustic cells: The extended Helmholtz resonator. Appl. Phys. 1981, 25, 221–229. [Google Scholar] [CrossRef]
- Monahan, E.M.; Nolle, A.W. Quantitative study of a photoacoustic system for powdered samples. J. Appl. Phys. 1977, 48, 3519–3523. [Google Scholar] [CrossRef]
- Besson, J.P.; Schilt, S.; Thévenaz, L. Sub-ppm multi-gas photoacoustic sensor. Spectrochim. Acta Part A Mol. Biomol. Spectrosc. 2006, 63, 899–904. [Google Scholar] [CrossRef] [PubMed]
- Egerev, S.V.; Fokin, A.V.; Pashin, A.E. Time-domain photoacoustic measurements of absolute optical absorption coefficient using three-chamber cell. Rev. Sci. Instrum. 1996, 67, 2691–2697. [Google Scholar] [CrossRef]
- Starecki, T.; Opalska, K.; Burd, A.; Misiaszek, S.; Ramotowski, M. Analysis of some basic properties of multicavity photoacoustic Helmholtz cells. In Proceedings of the Photonics Applications in Industry and Research IV, Warsaw, Poland, 8 October 2005; Romaniuk, R.S., Simrock, S., Lutkovski, V.M., Eds.; International Society for Optics and Photonics (SPIE): Bellingham, WA, USA, 2005; Volume 5948, p. 59481M. [Google Scholar] [CrossRef]
- Starecki, T.; Geras, A. Differential Open Photoacoustic Helmholtz Cell. Int. J. Thermophys. 2014, 35, 2259–2268. [Google Scholar] [CrossRef]
- Geras, A.; Starecki, T. Parametric Analysis of a Differential Photoacoustic Helmholtz Cell. Int. J. Thermophys. 2014, 35, 2269–2278. [Google Scholar] [CrossRef]
- Morse, P.M. Vibration and Sound; McGraw-Hill: New York, NY, USA, 1948; Available online: https://archive.org/details/dli.ernet.475034/page/n19/mode/2up (accessed on 8 July 2023).
- Blitz, J. Elements of Acoustics; Butterworths: London, UK, 1964. [Google Scholar]
- Chrobak, Ł.B.; Mali’nski, M.A. Comparison of the CRLC Models Describing the Helmholtz Type Cells for the Nondestructive Photoacoustic Spectroscopy. Metrol. Meas. Syst. 2014, 21, 545–552. [Google Scholar] [CrossRef]
- Liu, X.; Wu, H.; Dong, L. Methodology and applications of acousto-electric analogy in photoacoustic cell design for trace gas analysis. Photoacoustics 2023, 30, 100475. [Google Scholar] [CrossRef] [PubMed]
- Starecki, T. Comparative Analysis of the Helmholtz Cell Models Applied in PA Instruments (In Polish). Ph.D. Thesis, Warsaw University of Technology, Warsaw, Poland, 1994. [Google Scholar]
- Starecki, T. Loss-improved electroacoustical modeling of small Helmholtz resonators. J. Acoust. Soc. Am. 2007, 122, 2118–2123. [Google Scholar] [CrossRef] [PubMed]
- Benade, A.H. On the Propagation of Sound Waves in a Cylindrical Conduit. J. Acoust. Soc. Am. 1968, 44, 616–623. [Google Scholar] [CrossRef]
- Daniels, F.B. On the Propagation of Sound Waves in a Cylindrical Conduit. J. Acoust. Soc. Am. 1950, 22, 563–564. [Google Scholar] [CrossRef]
- Filament Easy PLA. Available online: https://fiberlogy.com/en/fiberlogy-filaments/filament-easy-pla/ (accessed on 16 December 2023).
- Original Prusa i3 MK3S+ 3D Printer. Available online: https://www.prusa3d.com/product/original-prusa-i3-mk3s-3d-printer-3/ (accessed on 16 December 2023).
- Function Generator DG1022Z. Available online: https://rigolshop.eu/products/waveform-generators/dg1000z/dg1022z.html (accessed on 16 December 2023).
- OSRAM SFH 4550 Datasheet. Available online: https://media.osram.info/media/resource/hires/osram-dam-5580407/SFH+4550_EN.pdf (accessed on 16 December 2023).
- Product Data: Multi-Field Microphone Type 4961. Available online: https://www.bksv.com/media/doc/bp2220.pdf (accessed on 16 December 2023).
- Product Data: 2-Channel CCLD Signal Conditioner for Production Testing Type 1704-C-102. Available online: https://www.bksv.com/media/doc/bp2384.pdf (accessed on 16 December 2023).
- Operation Manual: SR860 500 kHz DSP Lock-in Amplifier. Available online: https://www.thinksrs.com/downloads/pdfs/manuals/SR860m.pdf (accessed on 16 December 2023).












| Cavity | Volume [cm3] | Duct | Length [mm] | Diameter [mm] | |
|---|---|---|---|---|---|
| C0 | 1.5 | ||||
| C1 | 1.5 | ||||
| C2 | 1.5 | ||||
| Cell #1 | C3 | 1.5 | |||
| D1 | 35 | 3.0 | |||
| D2 | 35 | 3.2 | |||
| D3 | 35 | 3.4 | |||
| C0 | 1.5 | ||||
| C1 | 1.5 | ||||
| C2 | 1.5 | ||||
| Cell #2 | C3 | 1.5 | |||
| D1 | 50 | 3.0 | |||
| D2 | 33 | 3.4 | |||
| D3 | 25 | 4.4 |
Disclaimer/Publisher’s Note: The statements, opinions and data contained in all publications are solely those of the individual author(s) and contributor(s) and not of MDPI and/or the editor(s). MDPI and/or the editor(s) disclaim responsibility for any injury to people or property resulting from any ideas, methods, instructions or products referred to in the content. |
© 2024 by the authors. Licensee MDPI, Basel, Switzerland. This article is an open access article distributed under the terms and conditions of the Creative Commons Attribution (CC BY) license (https://creativecommons.org/licenses/by/4.0/).
Share and Cite
Porakowski, W.; Starecki, T. Shaping of the Frequency Response of Photoacoustic Cells with Multi-Cavity Structures. Electronics 2024, 13, 1786. https://doi.org/10.3390/electronics13091786
Porakowski W, Starecki T. Shaping of the Frequency Response of Photoacoustic Cells with Multi-Cavity Structures. Electronics. 2024; 13(9):1786. https://doi.org/10.3390/electronics13091786
Chicago/Turabian StylePorakowski, Wiktor, and Tomasz Starecki. 2024. "Shaping of the Frequency Response of Photoacoustic Cells with Multi-Cavity Structures" Electronics 13, no. 9: 1786. https://doi.org/10.3390/electronics13091786
APA StylePorakowski, W., & Starecki, T. (2024). Shaping of the Frequency Response of Photoacoustic Cells with Multi-Cavity Structures. Electronics, 13(9), 1786. https://doi.org/10.3390/electronics13091786

