Research Review on Multi-Port Energy Routers Adapted to Renewable Energy Access
Abstract
1. Introduction
- 1.
- Energy router based on SST
- 2.
- Multi-port energy router
- 3.
- Energy router based on PLC
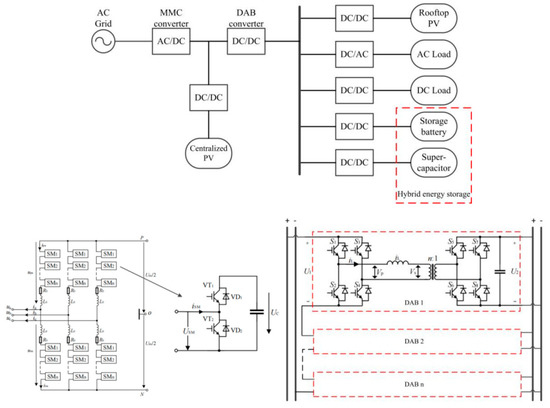
2. Typical Topology and Related Control Techniques of Multi-Port Energy Routers
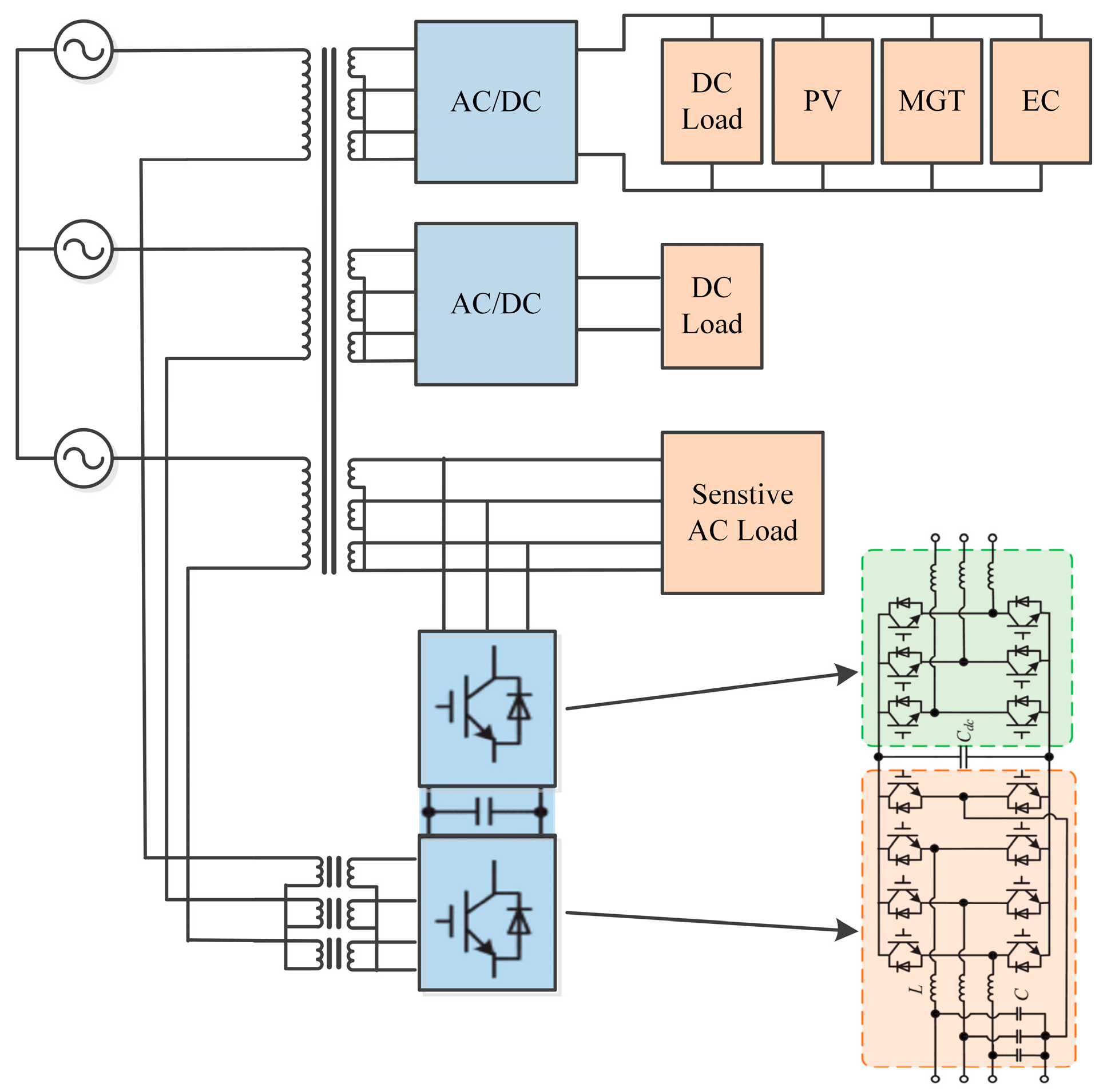
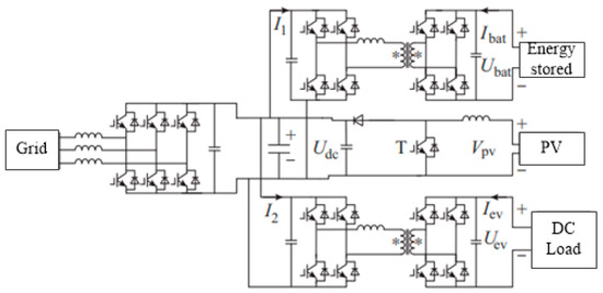
2.1. Energy Router Based on Common DC Bus
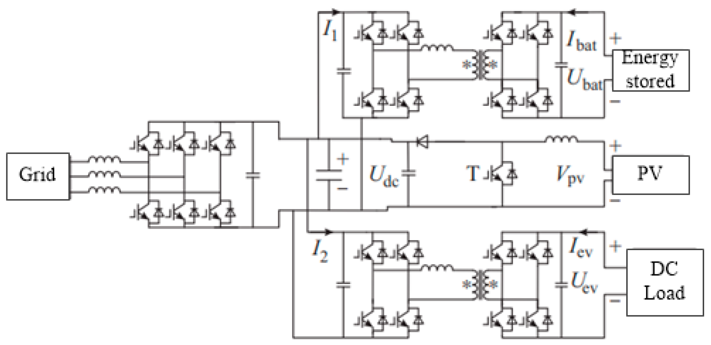
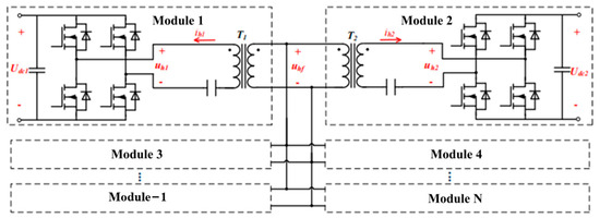
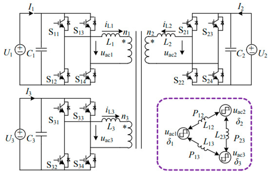
2.2. Multi-Port Energy Router Based on Multi-Winding Transformer
3. Development Trend and Prospect of Multi-Port Energy Router
- 1.
- In terms of power conversion technology:
- 2.
- In terms of control strategy:
- 3.
- In terms of information communication technology:
- 4.
- Cross-field integration of applications
- In the field of urban rail transit, as China puts forward the concepts of intelligent transportation and green transportation, the traditional rail transit power distribution system can no longer meet the development concept of the new rail transit. Therefore, energy feedback devices are added to the traditional rail transit power distribution system to reverse the energy during train braking back to the power grid. This option is technically feasible, but expensive. The application of energy router in the rail transit power supply system can, on the one hand, effectively solve the energy recovery problem in the braking process of rail transit by means of its multi-direction power flow function, without the need to add additional energy recovery devices; on the other hand, it can reduce the complicated multistage power transformation links of the rail transit power distribution system and improve the energy conversion efficiency of the system.
- Electric Vehicle to Grid (V2G) technology refers to the technology of electric vehicles to power the grid, and its core idea is to use the additional energy storage of a large number of electric vehicles as a buffer for the grid and renewable energy. This collides with the concept of power router. The combination of energy router and V2G technology can effectively solve the problem of large fluctuations in renewable energy, reduce the supply and demand pressure of the grid, and create benefits for electric vehicle users, which has great practical value and significance.
4. Conclusions
Author Contributions
Funding
Data Availability Statement
Conflicts of Interest
References
- Nagi, F.; Azwin, A.; Boopalan, N.; Ramasamy, A.K.; Marsadek, M.; Ahmed, S.K. Comparison of Grid Reactive Voltage Regulation with Reconfiguration Network for Electric Vehicle Penetration. Electronics 2022, 11, 3221. [Google Scholar] [CrossRef]
- Dolado, J.; Rodríguez Amenedo, J.L.; Arnaltes, S.; Eloy-Garcia, J. Improving the Inertial Response of a Grid-Forming Voltage Source Converter. Electronics 2022, 11, 2303. [Google Scholar] [CrossRef]
- Gu, G.G.; Yang, P.; Tang, B.; Wang, D.; Lai, X.A. Method for Improving the Balance Ability of Distribution Networks through SourceLoad-storage Collaborative Optimization. Proc. CSEE 2024, 3, 1–12. [Google Scholar]
- Cheng, L.; Li, G.Q.; Wang, Z.H.; Wang, C.; Liu, Y.N. Operation regulation for high proportion of distributed renewable energy integrated hybrid AC&DC distribution network: Scientific issues and technology framework. Electr. Power Autom. Equip. 2024, in press. [Google Scholar]
- Wang, D.; Wu, X.; Zhao, L.; Shi, Q.; Kong, W.; Dai, H. Research on DC Microgrids in the Context of the Rural Energy Internet. In Proceedings of the 2023 6th Asia Conference on Energy and Electrical Engineering (ACEEE), Chengdu, China, 21–23 July 2023. [Google Scholar]
- Cheng, L.; Qi, N.; Zhang, F.; Kong, H.; Huang, X. Energy Internet: Concept and practice exploration. In Proceedings of the 2017 IEEE Conference on Energy Internet and Energy System Integration (EI2), Beijing, China, 26–28 November 2017. [Google Scholar]
- Kabalci, Y.; Kabalci, E.; Padmanaban, S.; Holm-Nielsen, J.B.; Blaabjerg, F. Internet of Things Applications as Energy Internet in Smart Grids and Smart Environments. Electronics 2019, 8, 972. [Google Scholar] [CrossRef]
- Sun, H.B.; Guo, Q.L.; Wu, W.C.; Wang, B.; Xia, T.; Zhang, B.M. Integrated energy management systemwith Multi-energy flow for energy Internet: Design and application. Autom. Electr. Power Syst. 2019, 6, 122–128+171. [Google Scholar]
- Liu, Y.; Liu, C.; Wang, W.; Liu, S.; Chen, Y. A Novel Wired/Wireless Hybrid Multiport Energy Router for Dynamic EV Energy Internet with Grid-Tied and Islanded Operations. IEEE Trans. Ind. Electron. 2024, 3, 3559–3571. [Google Scholar] [CrossRef]
- Rahimpour, S.; Husev, O.; Vinnikov, D. Design and Analysis of a DC Solid-State Circuit Breaker for Residential Energy Router Application. Energies 2022, 15, 9434. [Google Scholar] [CrossRef]
- GB/T 40097-2021; Functional Specifications and Technical Requirements of Energy Router. State Administration for Market Regulation. Standardization Administration of China: Beijing, China, 2021; p. 12.
- Zhu, H.; Chen, S.J.; Yu, Y.; Zhao, H.Y.; Zhang, J.Z.; Yi, R.X. Research Status and Prospects of Key Technologies for Electric Energy Router. In Proceedings of the 2023 6th International Conference on Electronics Technology, Chengdu, China, 12–15 May 2023; pp. 830–835. [Google Scholar]
- Zhao, Z.M.; Feng, G.H.; Yuan, L.Q.; Zhang, C.P. The Development and Key Technologies of Electric Energy Router. Proc. CSEE 2017, 37, 3823–3834. [Google Scholar]
- Zhou, X.S.; Wang, F.Z.; Ma, Y.J.; Gao, Z.Q.; Wu, Y.J.; Yin, J.L.; Xu, X.N. An overview on energy router based on various forms of energy. In Proceedings of the 2016 Chinese Control and Decision Conference (CCDC), Yinchuan, China, 28–30 May 2016; pp. 2901–2906. [Google Scholar]
- Ma, Y.; Wang, X.; Zhou, X.; Gao, Z. An overview of energy routers. In Proceedings of the 2017 29th Chinese Control and Decision Conference (CCDC), Chongqing, China, 28–30 May 2017; pp. 4104–4108. [Google Scholar]
- Hussain, S.M.S.; Nadeem, F.; Aftab, M.A.; Ali, I.; Ustun, T.S. The Emerging Energy Internet: Architecture, Benefits, Challenges, and Future Prospects. Electronics 2019, 8, 1037. [Google Scholar] [CrossRef]
- Guo, H.; Wang, F.; Zhang, L.J.; Luo, J. Technologies of Energy Router-based Smart Distributed Energy Network. Proc. CSEE 2016, 36, 3314–3325. [Google Scholar]
- Li, Z.X.; Wang, P.; Chu, Z.F.; Zhu, H.B.; Li, Y.H. Research on Medium- and High-Voltage Smart Distribution Grid Oriented Power Electronic Transformer. Power Syst. Technol. 2013, 37, 2592–2601. [Google Scholar]
- Mollik, M.S.; Hannan, M.A.; Reza, M.S.; Abd Rahman, M.S.; Lipu, M.S.H.; Ker, P.J.; Mansor, M.; Muttaqi, K.M. The Advancement of Solid-State Transformer Technology and Its Operation and Control with Power Grids: A Review. Electronics 2022, 11, 2648. [Google Scholar] [CrossRef]
- Oliveira, T.; Mendes, A.; Caseiro, L. Model Predictive Control for Solid State Transformers: Advances and Trends. Energies 2022, 15, 8349. [Google Scholar] [CrossRef]
- Romero-Cadaval, E.; Barrero-González, F.; González-Romera, E.; Milanés-Montero, M.-I.; Roncero-Clemente, C. Improved Operation Strategy for the High Voltage Input Stage of a Multi-Port Smart Transformer. Energies 2022, 15, 3778. [Google Scholar] [CrossRef]
- Wang, H.C. Research on Control Strategy of Power Router in Distribution Network. Master’s Thesis, North China University of Technology, Beijing, China, 2023. [Google Scholar]
- Wei, C.; Zhang, Z.H.; Ma, Y.T.; Xu, Y.N.; Liu, H.T.; Sun, L.J.; Ji, Y. Research and Development of AC/DC Power Electronics Energy Router with Multi-scenarios and Multi-modes. In Proceedings of the 2022 IEEE 6th Conference on Energy Internet and Energy System Integration (EI2), Chengdu, China, 11–13 November 2022. [Google Scholar]
- Wang, H.M. Research on Modular Multilevel Converter-Power Electronic Transformer-Type Energy Router Control. Master’s Thesis, Changsha University of Science &Technology, Changsha, China, 2022. [Google Scholar]
- Lai, J.M. A Dissertation Submitted in Partial Fulfillment of the Requirements for the Degree of Doctor of Philosophy of Engineering. Ph.D. Thesis, Huazhong University of Science and Technology, Wuhan, China, 2023. [Google Scholar]
- Wen, W.S.; Zhao, Z.M.; Mo, X. Energy Self-Circulation Scheme and Power Coordinated Control of High-Frequency-Bus Based Electric Energy Router. Trans. China Electrotech. Soc. 2020, 35, 2328–2338. [Google Scholar]
- Chen, Y.; Wang, P.; Elasser, Y.; Chen, M. Multicell Reconfigurable Multi-Input Multi-Output Energy Router Architecture. IEEE Trans. Power Electron. 2020, 35, 13210–13224. [Google Scholar] [CrossRef]
- Qin, H.; Zhang, H.; Liu, M.; Ma, C. Comparison of Different Multi-winding Transformer Models in Multi-port AC-coupled Converter Application. In Proceedings of the IECON 2021—47th Annual Conference of the IEEE Industrial Electronics Society, Toronto, ON, Canada, 13–16 October 2021. [Google Scholar]
- Xu, Z.D.; Liu, Y.; Zhou, X.G.; Pan, J.B.; Xiao, Q.; Cao, B. Design and Simulation Research of a Novel Multi-Port Modular Energy Router. In Proceedings of the 2019 IEEE 7th International Conference on Computer Science and Network Technology (ICCSNT), Dalian, China, 19–20 October 2019. [Google Scholar]
- Li, Z.; Sheng, W.X.; Duan, Q.; Li, P.H.; Wang, J.H.; Du, S.H. Coordinated Control Strategy of AC/DC Hybrid Power Router Based on Voltage Stabilization by Energy Storage. Autom. Electr. Power Syst. 2019, 43, 121–129. [Google Scholar]
- Zhan, R.R.; Liu, L.H.; Zhang, D.Y.; Qiu, S.S.; Wang, D.; Zhang, F.G. Operation Strategy of Energy Router Considering Compressed Air Energy Storage. In Proceedings of the 2023 4th International Conference on Advanced Electrical and Energy Systems (AEES), Shanghai, China, 1–3 December 2023. [Google Scholar]
- Sun, L.; Chen, W.; Jiang, X.J.; Pan, P.P.; Zhang, K. Coordinated Control of Multiple Operation Conditions for Multi-port Energy Router in Energy Internet Framework. Autom. Electr. Power Syst. 2020, 44, 32–39. [Google Scholar]
- Han, X.N.; Su, X.L.; Yan, X.X.; Wang, M.Q.; Liu, X.J. Electric Power Router Based on Double DC Bus Structure. Electr. Power Constr. 2018, 39, 83–91. [Google Scholar]
- Zhou, W. Research on Active Disturbance Rejection Sliding Mode Control Method of Dual DC Bus Energy Router. Master’s Thesis, Changsha University of Science and Technology, Changsha, China, 2022. [Google Scholar]
- Liu, B.; Wu, W.H.; Zhou, C.X.; Mao, C.X.; Wang, D.; Duan, Q.; Sha, G.L. An AC–DC Hybrid Multi-Port Energy Router with Coordinated Control and Energy Management Strategies. IEEE Access 2019, 7, 109069–109082. [Google Scholar] [CrossRef]
- Tu, C.; Guan, L.; Xiao, F.; Lan, Z. Study on an novel multi-port energy router for AC-DC hybrid microgrid. In Proceedings of the 2018 13th IEEE Conference on Industrial Electronics and Applications (ICIEA), Wuhan, China, 31 May–2 June 2018; pp. 2654–2659. [Google Scholar]
- Li, K.; Zhao, Z.M.; Yuan, L.Q.; Gao, C.Y.; Wen, W.S.; You, X.J. Overview on Research of Multi-port Power Electronic Transformer Oriented for AC/DC Hybrid Distribution Grid. High Volt. Eng. 2021, 47, 1233–1250. [Google Scholar]
- Ma, W.Z.; Tai, Y.Y.; Wang, Y.S.; Jiao, L.X.; Jin, Q.T.; Zhang, J.S. Mode switching coordination control strategy of an electrical energy router for new energy access. Power Syst. Prot. Control 2023, 51, 52–61. [Google Scholar]
- Ai, X.; Rong, J.G.; Lv, Z.; Li, Y.N.; Wang, K.Y. Research on Structure and Control Strategy of a Novel Energy Router. Power Syst. Technol. 2019, 43, 1202–1210. [Google Scholar]
- Hang, J.T.; Zhang, S.G.; Wu, T. Coordinated Control Strategy of Capacitor Voltage and Circulation Suppression in MMC-HVDC. In Proceedings of the 2023 IEEE 5th International Conference on Civil Aviation Safety and Information Technology (ICCASIT), Dali, China, 11–13 October 2023. [Google Scholar]
- Tu, C.M.; Luan, S.P.; Xiao, F. A Coordinated Power Control Strategy of Three-port DC Energy Router Based on Droop Phase-shift. Power Syst. Technol. 2019, 43, 4105–4114. [Google Scholar]
- Zhang, M.; Guan, Z.T.; Duan, Q.; Ma, C.Y.; Mao, C.X.; Wang, D. Power Quality Management of Multi-port Energy Router Based on Multi-winding Line Frequency Transformer. In Proceedings of the 2021 3rd International Conference on Smart Power & Internet Energy Systems (SPIES), Shanghai, China, 25–28 September 2021. [Google Scholar]
- Duan, Q.; Xu, J.C.; Sheng, W.X. Multi-port DC Electric Energy Router Based on Cascaded High Frequency Transformer. Power Syst. Technol. 2019, 43, 2934–2941. [Google Scholar]
- Li, K.; Zhao, Z.M.; Yuan, L.Q.; Zhang, C.P.; Wen, W.S.; Sun, J.N. Synergetic control of high-frequency-link based multi-port solid state transformer. In Proceedings of the 2018 IEEE Energy Conversion Congress and Exposition (ECCE), Portland, OR, USA, 23–27 September 2018. [Google Scholar]
- Wen, W.S.; Wang, L.; Jin, L.P.; Yang, G.H.; Shen, X.L.; Zhang, Y.C. Start-Upand Pre-charging Control Strategy for Multi-port High-Frequency-Bus-Based Power Electronic Transformer. J. Army Eng. Univ. PLA 2023, 2, 36–44. [Google Scholar]
- Wen, W.S.; Zhao, Z.M.; Yuan, L.Q.; Wei, S.S.; Ji, S.Q.; Kang, C.L.; Feng, G.H. Mechanism and Suppression Strategy of the Ultra-transient Behavior of High-frequency-bus in Electric Energy Router. Proc. CSEE 2021, 41, 5283–5294. [Google Scholar]
- Yuan, L.Q.; Dai, Y.X.; Mou, D.; Zheng, M.H.; Zhang, K.H.; Chen, K.N.; Zhao, Z.M. Study on Partial Module Blocking in High-frequency-bus Electric Energy Router. Proc. CSEE 2023, 43, 8005–8015. [Google Scholar]
- Feng, G.H.; Zhao, Z.M.; Yuan, L.Q. Research on Application of Electric Energy Router for Energy Internet. Guang Dong Electr. Power 2020, 33, 22–30. [Google Scholar]
- Li, Z.X.; Gao, F.Q.; Zhao, C.; Wang, Z.; Zhang, H.; Wang, P.; Li, Y.H. Research Review of Power Electronic Transformer Technologies. Proc. CSEE 2018, 38, 1274–1289. [Google Scholar]
- Kang, C.Q. The energy Internet promotes the goal of “carbon peaking and carbon neutrality”. J. Glob. Energy Interconnect. 2021, 4, 205–206. [Google Scholar]
- Xu, Y.T.; Tan, Z.K.; Qiao, Z. Study of Hybrid AC/DC Micro-grid Under the Background of Energy Interne. Electr. Energy Manag. Technol. 2017, 18, 8–16. [Google Scholar]
- Zong, S.; He, X.N.; Wu, J.D.; Li, W.H.; Zhao, R.X. Overview of Power Electronics Based Electrical Energy Router. Proc. CSEE 2015, 35, 4559–4570. [Google Scholar]
- Ge, Q.C.; Yao, G.; Zhou, L.D. Research Status and Prospects of Electric Energy Router Technology. Electr. Power Constr. 2019, 40, 105–113. [Google Scholar]
- Zha, Y.B.; Zhang, T.; Huang, Z.; Zhang, Y.; Liu, B.L.; Huang, S.J. Analysis of energy internet key technologies. Sci. Sin. (Informationis) 2014, 44, 702–713. [Google Scholar]

















| Item\Topology | CHB | MMC |
|---|---|---|
| property | The output efficiency is slightly lower, and the control strategy to compensate the unbalanced current is more complex | High output efficiency, can provide medium and high voltage DC ports, there are circulation, capacitor voltage imbalance and other problems |
| reliability | higher | The number of submodules is large, so the reliability is low |
| economy | High frequency transformer is more in number, large in volume and high in cost | The number of switching devices is larger and the cost is slightly lower |
| Item\Topology | Common DC Bus Topology | Topology Based on Multi-Winding Transformer |
|---|---|---|
| advantage | The port can be expanded according to the demand, and can realize the access of various voltage levels, various forms of power supplies and electrical equipment, and the power level is higher | The electric energy conversion link is less, the port electrical isolation can be realized, the integration degree is higher, the power density is higher |
| shortcoming | The integration is low, the space is wasted, the electric energy conversion link is more, the coordination and control is difficult, and the efficiency is low | The coupling degree of the port is high, the decoupling is difficult, the hardware circuit design is difficult, and it is difficult to carry out modular design and port expansion |
| economy | The number of converters is large and the cost is high | The number of high-frequency transformers is small and the cost is low |
| applicability | It is suitable for low-voltage and high-power occasions, and has a wide range of application | It is mostly in the stage of laboratory prototype, with few application cases |
Disclaimer/Publisher’s Note: The statements, opinions and data contained in all publications are solely those of the individual author(s) and contributor(s) and not of MDPI and/or the editor(s). MDPI and/or the editor(s) disclaim responsibility for any injury to people or property resulting from any ideas, methods, instructions or products referred to in the content. |
© 2024 by the authors. Licensee MDPI, Basel, Switzerland. This article is an open access article distributed under the terms and conditions of the Creative Commons Attribution (CC BY) license (https://creativecommons.org/licenses/by/4.0/).
Share and Cite
Zhou, J.; Wang, J. Research Review on Multi-Port Energy Routers Adapted to Renewable Energy Access. Electronics 2024, 13, 1493. https://doi.org/10.3390/electronics13081493
Zhou J, Wang J. Research Review on Multi-Port Energy Routers Adapted to Renewable Energy Access. Electronics. 2024; 13(8):1493. https://doi.org/10.3390/electronics13081493
Chicago/Turabian StyleZhou, Jinghua, and Jiangbo Wang. 2024. "Research Review on Multi-Port Energy Routers Adapted to Renewable Energy Access" Electronics 13, no. 8: 1493. https://doi.org/10.3390/electronics13081493
APA StyleZhou, J., & Wang, J. (2024). Research Review on Multi-Port Energy Routers Adapted to Renewable Energy Access. Electronics, 13(8), 1493. https://doi.org/10.3390/electronics13081493
