Next Article in Journal
Research on PointPillars Algorithm Based on Feature-Enhanced Backbone Network
Next Article in Special Issue
Implementation of Series Resonance-Based Fault Current Limiter for Enhanced Transient Stability of Grid-Connected Photovoltaic Farm
Previous Article in Journal
GAN-Based Data Augmentation with Vehicle Color Changes to Train a Vehicle Detection CNN
Previous Article in Special Issue
A Novel Single-Phase Five-Level Current-Source Inverter Topology
 
 
Font Type:
Arial Georgia Verdana
Font Size:
Aa Aa Aa
Line Spacing:
Column Width:
Background:
Article

Large Signal Stability Analysis of Hybrid AC/DC Microgrids When a Single-Phase-to-Ground Fault Occurs

School of Electrical and Control Engineering, North China University of Technology, Beijing 100144, China
*
Author to whom correspondence should be addressed.
Electronics 2024, 13(7), 1232; https://doi.org/10.3390/electronics13071232
Submission received: 6 February 2024 / Revised: 19 March 2024 / Accepted: 21 March 2024 / Published: 26 March 2024
(This article belongs to the Special Issue New Trends in Power Electronics for Microgrids)

Abstract

Islanded hybrid AC/DC microgrids lack support for a large grid, and the negative incremental impedance of constant power loads (CPLs) aggravates the poor anti-disturbance capability of the system. When a single-phase ground fault (SPGF) occurs, the amount of fault impulse power that islanded AC/DC hybrid microgrids can stably withstand and when the protection equipment can work are both unknown. In this paper, the method of symmetrical components is utilized, and high-signal stability criteria for islanded hybrid AC/DC microgrids when a SPGF occurs are derived based on the mixed potential theory. The proposed criteria place quantitative constraints on the power of the PV unit, DC/AC converter current inner-loop proportional parameters, inductors, and inductor equivalent resistance, as well as energy storage unit power, CPL power, capacitors, DC bus voltage, line equivalent resistance, line equivalent inductance, equivalent inductance in the faulty branch, equivalent resistance in the faulty branch, positive-sequence equivalent impulse power of the SPGF, and zero-sequence equivalent impulse power. Furthermore, the maximum impulse power of a SPGF that islanded hybrid AC/DC microgrids could stably withstand is also presented, providing guidelines for protection equipment to decide when to work. In addition, the allowable maximum CPL power that islanded hybrid AC/DC microgrids could steadily support as a SPGF occurs is deduced, and the power is usually adopted to determine the states of an energy storage unit and load shedding in advance. Simulation and experimental validations prove the correctness of the derived high-signal stability criteria.

1. Introduction

Islanded AC/DC hybrid microgrids consist of various distributed generations (DGs), an AC bus, AC loads, a DC bus, DC loads, energy storage systems, and many interconnection converters, and they integrate both the advantages of AC microgrids and DC microgrids [1,2]. All tightly regulated converters and motors are regarded as constant power loads (CPLs), and the negative incremental impedance of CPLs might significantly increase disturbances and lead to instability [3,4,5]. The voltage and frequency of islanded AC/DC hybrid microgrids are usually supported by grid-forming converters replacing large grids. Furthermore, a large number of power electronic devices are utilized instead of traditional generators in microgrids, and small inertia and a poor anti-interference ability are both introduced [6,7]. Consequently, islanded AC/DC hybrid microgrids are extremely sensitive to disturbances. Actually, large severe disturbances are mostly caused by faults. Particularly, the single-phase ground fault (SPGF) accounts for the largest percentage of faults and is the most common [8,9,10,11]. However, when a SPGF occurs, the amount of fault impulse power that islanded AC/DC hybrid microgrids could stably withstand is unknown; when the protection equipment would work is not definite, and the amount of CPL power that islanded AC/DC hybrid microgrids could support is also not clear. To avoid a blackout, it is very important to determine how to guarantee the stable operation of islanded AC/DC hybrid microgrids when an SPGF occurs [12,13].
In fact, the transient stability analysis of power systems under fault conditions is widely performed [14,15,16]. References [14,15] studied the transient stability of permanent magnet synchronous generators and doubly fed wind turbines when severe grid faults appeared. Reference [16] considered the transient stability of voltage source converters with adaptive phase-locked loops under grid fault and fault recovery conditions. Based on the data distribution of transient zero-sequence currents, reference [17] detected a SPGF under three-phase voltage imbalance conditions in neutral inefficiently grounded distribution systems. Reference [18] proposes a novel SPGF detection method according to single-phase instantaneous reactive power theory and instantaneous active power theory to discriminate the line state. Reference [19] analyzed the SPGF characteristics in modular multilevel converter-based high-voltage direct-current (MMC-HVDC) converter stations and proposed an overvoltage suppression stabilization control strategy based on zero-sequence voltage modulation. These studies propose many mature methods to increase the stability for large power systems under various fault conditions, especially SPGF. Unfortunately, due to the small inertia and poor anti-interference ability of microgrids, these mature methods are not applicable to analyzing microgrids’ stability under fault conditions.
Investigating the stability of microgrids while considering fault influences is particularly important. When severe three-phase symmetrical faults appear, the synchronization stability of grid-connected converters under weak grid conditions has been described [20]. Reference [21] proposes the fault ride-through (FRT) control for voltage-controlled inverters in distributed generation units. Obviously, faults significantly affect the stability of islanded microgrids without the support of large grids. Reference [22] studied the stability of islanded microgrids with shunt synchronous generators and virtual synchronous generators (SG-VSGs) when three-phase short-circuit faults occur. Reference [23] presents current- and voltage-limiting strategies to enhance the fault ride-through (FRT) capability of islanded microgrids under symmetrical and asymmetrical fault conditions. Reference [24] explores the fundamental issues of converter control for islanded microgrids under faulty conditions. In [25], a superimposed phase current scheme with voltage constraint elements is proposed for identifying faults in islanded microgrids. In [26], a self-propelled artillery fault line identification method based on the construction of high-frequency zero-sequence voltage and zero-sequence current is proposed for islanded microgrids. The mentioned studies are all focused on fault identification and converter control, and the typical characteristics of CPLs are not taken into account. Furthermore, it is extremely necessary to consider the fault influences, the micro source features, the CPLs, and the energy storage during microgrid stability analysis procedures.
On the other side, a high-signal stability analysis is the most typical stability method for microgrids. Based on the Lyapunov function, a high-signal stability criterion of DC microgrids is derived in [27]. Reference [28] also utilized the Lyapunov function to construct a high-signal model of microgrids and obtained an asymptotic stability domain to illustrate parameter stability influences. Reference [29] constructed the neural Lyapunov function of microgrids and obtained the stability region. Reference [30] optimized the polynomial droop controller and estimated the operation region for DC microgrids. Reference [31] approximated the nonlinear model of microgrids with a TS fuzzy model and obtained the stability domain using an LMI tool. Particularly, the Brayton–Moser mixed potential function method is generally adopted to analyze the high-signal stability of microgrids. For AC/DC hybrid microgrids, reference [32] derived and optimized a unified stability criterion while considering the battery operation mode and the converter output current limitation based on the mixed potential function. References [33,34] present an absolute stability condition and a region of asymptotic stability of DC microgrids using the mixed potential function. As mentioned, the characteristics of CPLs, energy storage units, and converter parameters are all considered in the high-signal stability of microgrids; however, the fault influences are not taken into account.
When a SPGF occurs, asymmetrical effects are introduced to the microgrids; consequently, the modeling of the islanded AC/DC hybrid microgrids becomes quite difficult. In this paper, to guarantee the stability operation of islanded AC/DC hybrid microgrids when a SPGF occurs, the method of symmetrical components is used, and large-signal stability criteria are derived based on mixed potential theory. The positive-sequence power of the PV unit, DC/AC converter current inner-loop proportional parameters, inductors, and inductor equivalent resistance, as well as energy storage unit power, CPL power, capacitors, DC bus voltage, the line equivalent resistance, line equivalent inductance, the equivalent inductance in the faulty branch, the equivalent resistance in the faulty branch, the positive-sequence equivalent impulse power of the SPGF, and zero-sequence equivalent impulse power are all considered. The contributions of this paper are summarized as follows:
(1)
Based on the structure and control strategies, the method of symmetrical components is utilized, and the positive-sequence equivalent model and zero-sequence equivalent model of islanded AC/DC hybrid microgrids when a SPGF occurs are derived in the dq rotating frame separately.
(2)
Large signal stability criteria of islanded hybrid AC/DC microgrids when a SPGF occurs are obtained using mixed potential theory.
(3)
The maximum impulse power of a SPGF that islanded hybrid AC/DC microgrids could stably suffer is derived and provides quantitative guidelines for protection equipment to decide when to work.
(4)
The allowable maximum CPL power that islanded hybrid AC/DC microgrids could stably support as a SPGF occurs is deduced, and the power is usually adopted to determine the power of the energy storage unit and load shedding in advance.

2. Equivalent Modeling of Islanded AC/DC Hybrid Microgrids

2.1. Structure and Control Strategies of Islanded AC/DC Hybrid Microgrids

A representative islanded AC/DC hybrid microgrid is shown in Figure 1. The PV generation unit, the energy storage unit, a bidirectional DC/AC converter, CPLs, and resistive loads are all included. The energy storage unit is composed of a buck–boost converter and batteries and is connected to the AC bus through the cascaded bidirectional DC/AC converter. The CPLs are represented by a closed loop-controlled buck converter and a resistor, and the power consumption of the CPLs is constant.
DC/DC converters cascaded with AC/DC converters are utilized in PV units. The DC/DC converter boosts the DC voltage, and the AC/DC converter achieves the power output.
The control flow of the bidirectional buck–boost converter in the energy storage unit is shown in Figure 2. The PI control strategies are utilized in both the outer voltage controllers and inner current controllers. When ib is positive, the battery is working in a discharging state, and when ib is negative, the battery is working in a charging state. Firstly, the reference voltage vdcref and the actual voltage vdc are compared. If the battery is in a discharging state, and the calculated reference current ibref of the battery is positive, and when vdcref > vdc occurs, ibref is increased to maintain vdc equal to vdcref. On the contrary, if the battery is in a charging state, and the calculated reference current ibref of the battery is negative, and when vdcref > vdc, ibref is also increased, the absolute value of the charging current ibref is decreased to increase the DC bus. Furthermore, when vdcref < vdc, similar regulation procedures are also performed.
The control flow of the bidirectional DC/AC converter is shown in Figure 3. Q/V and P/f droop controls are used to obtain the reference voltages vdref and vqref at the d-axis and q-axis, respectively. The abc-dq and dq-abc coordinate transformations are both adopted. Actual AC voltage vabc and current iabc are used to obtain active power p and reactive power q. Outputs of the low-pass filter are p ¯ and q ¯ , respectively, and m and n are the droop coefficients. Pn, Qn, fn, and Vn are the reference active power, reference reactive power, reference frequency, and reference voltage, respectively. The vd and vq are actual voltages at the d-axis and q-axis, respectively. The idref and iqref are the reference currents at the d-axis and q-axis, respectively. The id and iq are actual currents at the d-axis and q-axis, respectively. The kip and kii are proportionality and integration coefficients of the inner current loop. The relationship of the inner current loop is shown as (1).
{ v d = { k i p ( i d r e f i d ) + k i i ( i d r e f i d ) d t } + ω L i q v q = { k i p ( i q r e f i q ) + k i i ( i q r e f i q ) d t } ω L i d

2.2. The Model of CPLs, PV Units, and Energy Storage Units

The current and voltage of CPLs are i and v, respectively. The power consumption of CPLs is P0, and the model of the CPLs is shown in Figure 4.
The PV unit is modeled as a power source, and the power is PG, shown in Figure 5. The control strategy of the two photovoltaic power generation units on the AC side is the same. The output power of PG is always positive, and is not negative.
The batteries and cascaded buck–boost converter are modeled as a power source, and the power is Pb, shown in Figure 6. If Pb is positive, the batteries are discharging. On the contrary, if Pb is negative, the batteries are charging.

2.3. The Equivalent Model of Bidirectional DC/AC Converter in dq Rotating Frame

The traditional topology of a bidirectional DC/AC converter is shown in Figure 7. ek(t) (k = a, b, c) are the voltages of the three-phase AC source, L denotes the equivalent inductance of the line, R denotes the equivalent resistance of the line, Cdc is the DC capacitor, RL is the resistive load, and vdc denotes the DC bus voltage.
The switching function sk is introduced and is defined as:
s k = { 1   the   upper   device   0   the   lower   device  
The bidirectional DC/AC converter is expressed as:
{ L d i a d t + R i a = e a ( v d c s a + v N O ) L d i b d t + R i b = e b ( v d c s b + v N O ) L d i c d t + R i c = e c ( v d c s c + v N O )
The abc-dq coordinate transformation is utilized, and the transformation matrix is shown as follows:
C 3 s 2 r = 2 3 [ sin ω t sin ( ω t 2 π 3 ) sin ( ω t + 2 π 3 ) cos ω t cos ( ω t 2 π 3 ) cos ( ω t + 2 π 3 ) ]
The mathematical model of the DC/AC converter is as follows:
{ C d v d c d t = 3 2 ( i q s q + i d s d ) i L L d i d d t ω L i q + R i d = e d v d c s d L d i q d t + ω L i d + R i q = e d v d c s q
This paper considers the condition that the power factor is 1. Let vd = sdvdc and vq = sqvdc, according to the principle of power conservation, and iq = 0; then, the DC current i0 is obtained from (5) and is expressed as follows:
i 0 = v d i d v d c
Based on (6) and Figure 7, the equivalent model of a bidirectional DC/AC converter in a dq rotating frame on the condition that the power factor is 1 is obtained and shown in Figure 8.

2.4. The Equivalent Model of Islanded AC/DC Hybrid Microgrids in DQ Rotating Frame

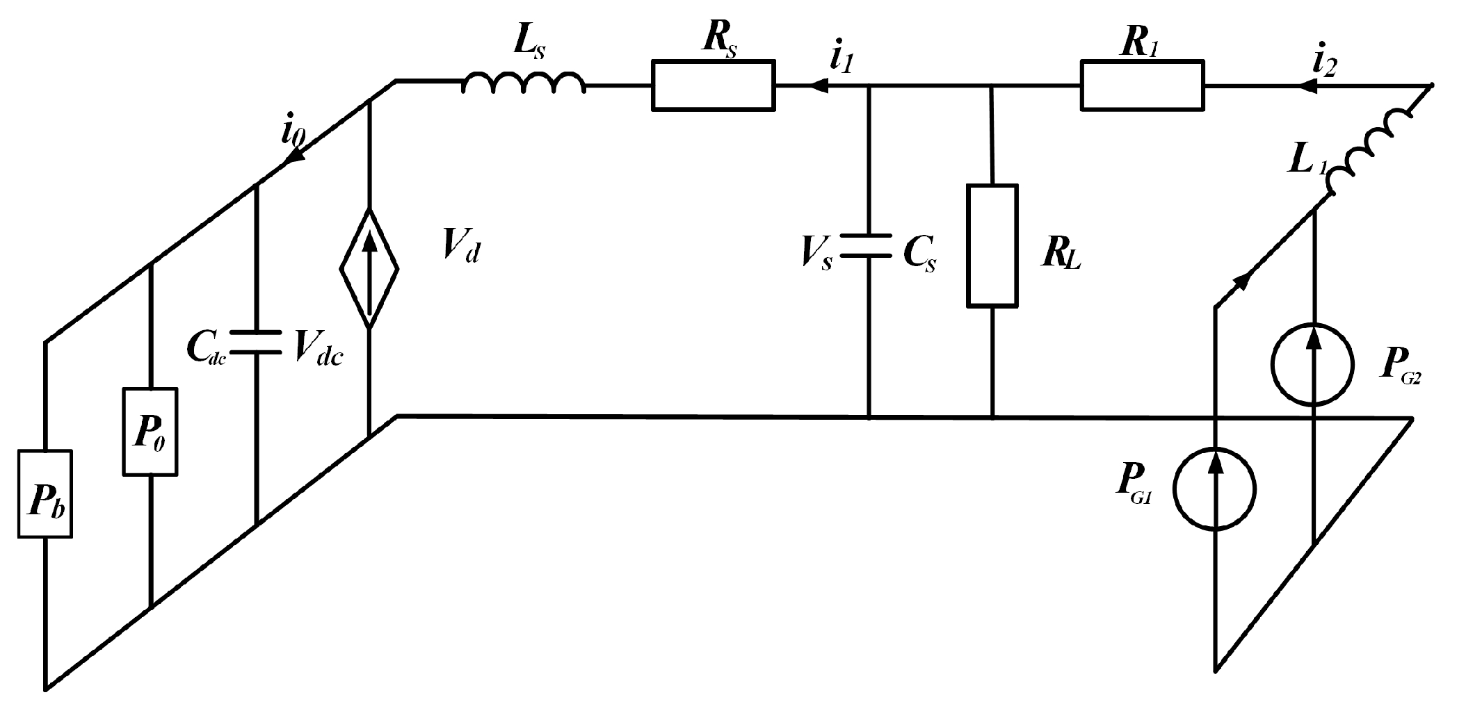
Based on the equivalent models of Figure 4, Figure 5 and Figure 6 and 8, the equivalent model of the islanded AC/DC microgrids in Figure 1 is obtained and shown in Figure 9. The PV unit is modeled as a power source, PG1 or PG2. L1 denotes the line equivalent inductance, and R1 is the parasitic resistance of the line. RL is the AC resistive load. Ls and Cs are the AC filter parameters of the bidirectional DC/AC converter, and Rs is the parasitic resistance of the inductor. Cdc is the DC capacitor. The power consumption of the CPLs is P0. The power of the energy storage unit is Pb. The positive or negative values of Pb indicate the discharging or charging states of batteries.
The equivalent model of the islanded AC/DC hybrid microgrids in Figure 9 is only applicable to symmetrical systems. Unfortunately, when a SPGF occurs, islanded AC/DC hybrid microgrids are unsymmetrical. How to derive the equivalent model of islanded AC/DC hybrid microgrids when SPGF occurs becomes a big issue.

2.5. The Equivalent Model of Islanded Hybrid AC/DC Microgrids When SPGF Occurs

The method of symmetrical components describes unsymmetrical three-phase vectors that could be decomposed into three symmetrical vectors, and these symmetrical vectors are unique. Consequently, the method of symmetrical components is usually used for unsymmetrical systems to obtain symmetric components in positive-sequence, negative-sequence, and zero-sequence separately [35].
When a SPGF occurs, based on the method of symmetrical components, positive-sequence components, zero-sequence components, and negative-sequence components of hybrid AC/DC microgrids are all derived, respectively.
As shown in Figure 9, when a SPGF occurs in phase A of PG1, the power injecting the ground fault point is Sp and is shown as follows:
S p = P A + P B + P C = Re ( [ V A V B V C ] [ I A I B I C ] * ) = V P T I P *
In (7), VA, VB, and VC are three-phase fault voltages, V P T = [ V A V B V C ] , IA, IB, and IC are three-phase fault injection currents, I P T = [ I A I B I C ] , S p = Re [ V A I A * + V B I B * + V C I C * ] , T represents the matrix transpose, * represents the phase conjugate, and Re denotes the real part of S.
The conversion matrix from voltages to sequential components is shown as follows:
[ V P V N V 0 ] = 1 3 [ 1 a a 2 1 a 2 a 1 1 1 ] [ V a V b V a ]
The superscripts P, N, and 0 indicate positive-sequence, negative-sequence, and zero-sequence, respectively; a = ej120°.
Based on (7), the relationships are obtained as follows:
S P = Re ( V A I A + V B I B + V C I C ) = Re [ 3 V P ( I P ) + 3 V N ( I N ) + 3 V 0 ( I 0 ) ] = P P + P N + P 0
Islanded hybrid AC/DC microgrids are often three-phase, three-wire systems; when a SPGF occurs in phase A of the PV unit, the voltage and current vectors of the grounding point are shown in Figure 10.
The voltages and currents of the SPGF point are as follows:
[ V a f V b f V c f ] = [ 0 3 V a e j 5 6 π 3 V a e j 5 6 π ] , [ I a f I b f I c f ] = [ 3 I a e j 1 2 π 3 I a e j 1 3 π 3 I a e j 2 3 π ]
Based on (8)–(10), the following are derived:
[ V P V N V 0 ] = 1 3 [ 1 1 1 a 2 a 1 a a 2 1 ] [ 0 3 V A e j 5 6 π 3 V A e j 5 6 π ] = [ V A e j 0 0 V A e j π ]
[ I P I N I 0 ] = 1 3 [ 1 1 1 a 2 a 1 a a 2 1 ] [ 3 I A e j 1 2 π 3 I A e j 1 3 π 3 I A e j 2 3 π ] = [ 2 I A e j 3 4 π I A e j 1 2 π 2 I A e j 1 2 π ]
The negative-sequence voltage of the SPGF point is zero, and consequently, the fault impulse power of the fault point is only related to the positive-sequence power PP and zero-sequence power P0, and it is shown as follows:
S p = 3 [ V P V N V 0 ] [ I P I N I 0 ] = P P + P 0
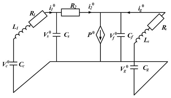
Based on (13) and the equivalent model in Figure 9, the positive-sequence equivalent model of the islanded AC/DC hybrid microgrids when a SPGF occurs is derived and shown in Figure 11. Lf is the equivalent inductance of the faulty branch, and Cf is the equivalent capacitance of the faulty branch.
Similarly, the zero-sequence equivalent model of the islanded AC/DC hybrid microgrid when a SPGF occurs is derived. The equivalent resistance in the faulty branch is Rg, the equivalent inductance in the faulty branch is Lg, the capacitance in the faulty branch is Cg, and the voltage is Vg0. Based on (13) and the equivalent model in Figure 9, the zero-sequence equivalent model of the islanded hybrid AC/DC microgrids is shown in Figure 12.

3. Large-Signal Stability Analysis of an Islanded AC/DC Hybrid Microgrid When SPGF Occurs

The mixed potential theory is utilized to analyze the stability of islanded hybrid AC/DC microgrids when a SPGF occurs. Firstly, this theory is simply demonstrated. Then, the large-signal model and stability criterion for the positive-sequence equivalent model in Figure 11 are derived. Next, a large-signal model and stability criterion for the zero-sequence equivalent model in Figure 12 are proposed. Finally, the combined stability criteria for the islanded hybrid AC/DC microgrids when a SPGF occurs are obtained.

3.1. The Mixed Potential Function Theory

The mixed potential theory was proposed by R.K. Rayton and J.K. Mercer in 1964 and is widely used to analyze large-signal stability of nonlinear systems [36]. The mixed potential function is a special form of Lyapunov functions [37,38,39]. For nonlinear circuits with different structures, the unified form of mixed potential function is as follows:
P ( i , v ) = A ( i ) + B ( v ) + ( i , γ v α )
In (14), A(i) is the current potential function, B(v) is the voltage potential function, and (i, γvα) depends on the system topology.
Verify the correctness of (14) by (15).
{ L d i ρ d t = P ( i , v ) i ρ C d v σ d t = P ( i , v ) v σ
In (15), P is the mixed potential function, and L is the inductances in the circuit. C are the capacitances in the circuit, vσ are the capacitance voltages, and iσ are the inductance currents.
The third stability theorem of mixed potential theory is often utilized to derive large-signal criteria. Further, μ1 is the minimum eigenvalue of L−1/2Aii(i) L−1/2, and μ2 is the minimum eigenvalue of C−1/2Buu(u) C−1/2, A i i ( i ) = 2 A ( i ) / i 2 , B v v ( v ) = 2 B ( v ) / v 2 , P i = P ( i , v ) / i , and P v = P ( i , v ) / v .
If (16) is satisfied, then there exists a convergence region where the system trajectory converges to the steady-state equilibrium operating point.
μ 1 + μ 2 δ , δ > 0

3.2. Large Signal Model and Stability Criterion for Positive-Sequence Equivalent Model of Islanded Hybrid AC/DC Microgrids

Define currents and voltage variables according to the positive-sequence equivalent model in Figure 11.
i = [ i 1 P i 2 P i f P ] , v = [ v s P v d c P v f P ]
The current function PiP associated with the current variables is as follows:
P i P = 1 2 ( i 2 P ) 2 R 1 1 2 ( i 1 P ) 2 R s v d P i 1 P + 0 i f P P G i d i
The voltage function PvP associated with the voltage variables is as follows:
P v P = i 0 P v d c P 0 v d c P i 0 P d v + P b 0 v d c P P b v d v P 0 + 0 v d c P P 0 v d v 1 2 ( v s P ) 2 R L P P + 0 v f P P P v d v
The powers of capacitors Cs, Cdc, and Cf are denoted as PCs, PCdc, and PCf, respectively, and shown as follows:
{ P C s P = i 2 P v s P ( v s P ) 2 / R L i 1 P v s P P C d c P = i 0 P v d c p P 0 + P b P C f P = i f P v f P P P i 2 P v f P
Combining (18)–(20), the mixed potential function P(iP,vP) based on the positive-sequence equivalent model in Figure 11 is achieved and shown as follows:
P ( i P , v P ) = 1 2 ( i 2 P ) 2 R 1 1 2 ( i 1 P ) 2 R s v d P i 1 P 0 v d c P P b v d v + 0 v d c P P 0 v d v + 0 i f P P G i d i + 1 2 ( v s P ) 2 R L + 0 v f P P P v d v 0 v d c P i 0 P d v i 2 P v s P + i 1 P v s P i f P v f P + i 2 P v f P
The current potential function A(iP) is as follows:
A ( i P ) = [ 1 2 ( i 1 P ) 2 R s + v d P i 1 P 0 0 0 1 2 ( i 2 P ) 2 R 1 0 0 0 0 i f P P G i d i ]
The voltage potential function B(vP) is as follows:
B ( v P ) = [ 1 2 ( v s P ) 2 R L 0 0 0 0 v d c P P b v d v + 0 v d c P P 0 v d v 0 v d c P i 0 P d v 0 0 0 0 v f P P P v d v ]
In order to verify the correctness of (21), a derivation based on Figure 11 and Equation (15) is carried out as follows.
{ d P ( i , v ) d i 1 P = i 1 P R s v d P + v s P = L s d i 1 P d t d P ( i , v ) d i 2 P = i 2 P R 1 v s P + v f P = L 1 d i 2 P d t d P ( i , v ) d i f P = P G i f P v f P = L f d i f P d t d P ( i , v ) d v s P = v s P R L i 2 P + i 1 P = C s d v s P d t d P ( i , v ) d v f P = P P v f P i f P + i 2 P = C f d v f P d t d P ( i , v ) d v d c P = i 0 P P b v d c P + P 0 v d c P = C d c d v d c P d t
Formula (24) satisfies (15), and the mixed potential function in (21) is correct.
According to (22) and (23), Aii(iP) and Bvv(vP) are obtained, respectively, and are shown as follows:
A i i ( i P ) = [ R s + v d i 1 0 0 0 R 1 0 0 0 P G / ( i f P ) 2 ]
B v v ( v P ) = [ 1 R L 0 0 0 P b P 0 ( v d c P ) 2 0 0 0 P P ( v f P ) 2 ]
According to the closed-loop control strategy in (1), the partial derivative of vd with respect to id is calculated and is as follows:
v d i 1 = v d i d = k i p + k i i t
In (27), kip and kii are proportional and integral parameters of the current inner loop for a bidirectional DC/AC converter. Furthermore, kii has unpredictable dynamic characteristics during dynamic procedures due to its own delay characteristics, and for simplification, (27) is transformed as follows:
v d i 1 = v d i d = k i p
Actually, id in Figure 3 and i1 in Figure 11 are the same. Based on (28), (25) is transformed into
A i i ( i P ) = [ R s + k i p 0 0 0 R 1 0 0 0 P G / ( i f P ) 2 ]
According to Figure 11, (26) and (29), the following are obtained and shown as follows:
L 1 / 2 A ( i i ) L 1 / 2 = [ R s + k i p L s 0 0 0 R 1 L 1 0 0 0 P G ( i f P ) 2 L f ]
C 1 / 2 B ( v v ) C 1 / 2 = [ 1 R L C s 0 0 0 P b P 0 ( v d c P ) 2 C d c 0 0 0 P P ( v f P ) 2 C f ]
Based on mixed potential theory, μ1 is the smallest eigenvalue of L−1/2A(ii) L−1/2, and μ2 is the smallest eigenvalue of C−1/2B (vv) C−1/2. μ1 and μ2 are as follows:
{ μ 1 = min [ R s + k i p   L s R 1 L 1 P G ( i f P ) 2 L f ] μ 2 = min [ 1 R L C s P b P 0 ( v d c P ) 2 C d c P P ( v f P ) 2 C f ]
According to (16), the large-signal stability criterion for a positive-sequence equivalent model of the islanded hybrid AC/DC microgrids is as follows:
min { R s + k i p L s , R 1 L 1 , P G ( i f P ) 2 L f } + min { 1 R L C s   , P b P 0 ( v d c P ) 2 C d c , P P ( v f P ) 2 C f } > 0
Based on (33), the simplified stability criterion is shown as follows:
min { R s + k i p L s , P G ( i f P ) 2 L f } + min { P b P 0 ( v d c P ) 2 C d c , P P ( v f P ) 2 C f } > 0
To guarantee stable operations of the islanded hybrid AC/DC microgrids when a SPGF occurs, the positive-sequence stability criterion in (34) gives quantitative constraints on the positive-sequence power PG of the PV unit, DC/AC converter current inner-loop proportional parameter kip, inductors Ls and Lf, inductor equivalent resistance Rs, energy storage unit power Pb, CPLs power P0, capacitors Cd and Cf, DC bus voltage vdc, and positive-sequence equivalent impulse power PP of the SPGF.

3.3. Large Signal Model and Stability Criterion for Zero-Sequence Equivalent Model of Islanded Hybrid AC/DC Microgrids

The current and voltage variables are defined according to the zero-sequence equivalent model in Figure 12 and are shown as follows:
i = [ i 1 0 i g 0 ] , v = [ v s 0 v f 0 ]
The power function Pi0 associated with the current variables is as follows:
P i 0 = 1 2 ( i 1 0 ) 2 R 1 1 2 ( i 2 0 ) 2 R 2 1 2 ( i g 0 ) 2 R g
The power function Pv0 associated with the voltage variables is as follows:
P v 0 = P 0 + 0 v f 0 P 0 v d v
The power P0Cs, P0Cdc, P0Cf, and P0Cg of capacitors Cs, Cdc, Cf, and Cg are as follows:
{ P v c 0 = i 1 0 v c 0 P v g 0 = i g 0 v g 0 P v s 0 = i 2 0 v s 0 i 1 0 v s 0 P v f 0 = P 0 0 i 2 0 v f 0 i g 0 v f 0
Combining (36)–(38), the mixed potential function P(i0,v0) based on the zero-sequence equivalent model in Figure 12 is achieved and shown as follows:
P ( i 0 , v 0 ) = 1 2 ( i 1 0 ) 2 R 1 1 2 ( i 2 0 ) 2 R 2 1 2 ( i g 0 ) 2 R g + 0 v f 0 P 0 v d v + i 1 0 ( v c 0 v s 0 ) + i 2 0 ( v s 0 v f 0 ) + i g 0 ( v g 0 v f 0 )
Similarly, the large-signal stability criterion for a zero-sequence equivalent model of the islanded hybrid AC/DC microgrids is derived and shown as follows:
min { R 1 L 1 , R g L g } P 0 ( v f 0 ) 2 C f > 0
The constraints in (40) are related to the line equivalent resistance R1, line equivalent inductance L1, capacitance Cf, the equivalent inductance Lg in the faulty branch, the equivalent resistance Rg in the faulty branch, and zero-sequence equivalent impulse power P0.

3.4. Combined Stability Criteria for Islanded Hybrid AC/DC Microgrids When SPGF Occurs

When a SPGF occurs, based on (34) and (40), the large-signal stability criteria of the islanded hybrid AC/DC microgrids are obtained and shown as follows:
{ min { R s + k i p L s , P G ( i f P ) 2 L f } + min { P b P 0 ( v d c P ) 2 C d c , P P ( v f P ) 2 C f } > 0 min { R 1 L 1 , R g L g } P 0 ( v f 0 ) 2 C f > 0
When a SPGF occurs, the maximum CPL power P0 that the islanded hybrid AC/DC microgrids could stably support is derived from (41) and shown in (42).
P 0 < [ min ( R s + k i p L s , P G ( i f P ) 2 L f ) ] ( v d c P ) 2 C d c + P b
According to (42), if the variable CPLs power P0 is always lower than the maximum power, islanded hybrid AC/DC microgrids stably operate as a SPGF occurs. In addition, with an increase in the PV unit power PG, energy storage unit discharging power Pb, the current inner-loop proportional parameter kip of the bidirectional DC/AC converter and DC capacitor Cdc, the maximum CPL power that the islanded hybrid AC/DC microgrids could support increases. On the contrary, when the filter inductors Ls and Lf increase, the maximum CPL power that islanded hybrid AC/DC microgrids could support decreases. When a SPGF occurs, if the CPL power increases, in order to guarantee stable operation, the discharging power of the energy storage unit is increased. Unfortunately, if the discharging power of the energy storage unit cannot increase, load shedding appears. Inequality (42) provides important stable operation constants of the islanded hybrid AC/DC microgrids when a SPGF occurs.
Based on (41), to guarantee the stable operation of islanded hybrid AC/DC microgrids, the maximum positive-sequence impulse power and the maximum zero-sequence impulse power of a SPGF are also deduced and shown as follows:
{ P P < [ min { R s + k i p L s , P G ( i f P ) 2 L f } ] ( v f P ) 2 C f P 0 < [ min { R 1 L 1 , R g L g } ] ( v f 0 ) 2 C f
According to (43), if the positive-sequence impulse power PP and zero-sequence impulse power P0 are always lower than the maximum values, islanded hybrid AC/DC microgrids operate stably. In addition, with an increase in the current inner-loop proportional parameter kip of the bidirectional DC/AC converter, inductor equivalent resistance Rs, and the positive-sequence power PG of PV unit, the maximum positive-sequence impulse power that islanded hybrid AC/DC microgrids could stably suffer increases. On the contrary, when filter inductors Ls and Lf increase, the maximum positive-sequence impulse power that islanded hybrid AC/DC microgrids could stably suffer decreases. Similarly, with an increase in filter capacitor Cf, line equivalent resistance R1, and inductor equivalent internal resistance Rg, the maximum zero-sequence impulse power that islanded hybrid AC/DC microgrids could stably suffer increases. On the contrary, when line equivalent inductance L1 increases, the zero-sequence impulse power that islanded hybrid AC/DC microgrids could stably suffer decreases.
According to (13), the fault impulse power Sp = PP + P0. Consequently, the maximum impulse power of a SPGF that islanded hybrid AC/DC microgrids could stably suffer is derived from (43). It is concluded that inequality (43) offers extremely important guidelines for protection equipment.

4. Simulation Validation

To verify the correctness of the proposed large-signal stability criteria in (41), according to Figure 1, a simulation model of the islanded hybrid AC/DC microgrids is constructed using the MATLAB R2020a/Simulink software. Q/V and P/f droop controls are used for the bidirectional DC/AC converter. PI control strategies are utilized in the outer voltage controller and inner current controllers of the batteries’ cascaded DC/DC converter. The CPLs are modeled by a closed loop-controlled buck converter and a resistor. DC/DC converters cascaded with AC/DC converters are utilized in PV units to achieve the power output. When a SPGF occurs in a PV unit, the fault impulse power is injected at the fault point. This procedure is simulated by sudden load power steps.
The simulation parameters of the islanded hybrid AC/DC microgrids are shown in Table 1. The DC bus voltage is 650 V, the AC bus voltage is 311 V, the initial power of the CPLs is 30 kW, and the power of the PV power generation unit is 5 kW.
According to (41) and Table 1, the large-signal stability criteria of the islanded hybrid AC/DC microgrids when a SPGF occurs are as follows:
R s + k i p L s P P ( v f P ) 2 C f + R 1 L 1 P 0 ( v f 0 ) 2 C f > 0
Then, the maximum fault impulse power of a SPGF that the islanded hybrid AC/DC microgrids could stably suffer is 38.37 kW and is shown as
P P + P 0 < 38.37   kW
In order to verify the correctness of (45), the parameters of the two groups are designed and shown in Table 2. Group A satisfies (45), while Group B does not.
At 0.5 s, a SPGF appears in the AC side of the islanded hybrid AC/DC microgrids. To simulate this procedure, the power steps of Group A are from 3 kW to 35 kW, and the power steps of Group B are from 3 kW to 40 kW.
When parameters in Group A are utilized, the waveforms of power steps, energy storage unit power, DC bus voltage, and AC bus voltage are shown in Figure 13, Figure 14, Figure 15 and Figure 16. As the fault impulse power of a SPGF increases from 3 kW to 35 kW, tend to stabilize after power step, and the charging state of the energy storage unit is changed into a discharging state. After a drop, the DC bus voltage recovers to 650 V at 0.9 s, and the AC bus voltage also returns to 311 V at 0.6 s behind a small fluctuation. Figure 13, Figure 14, Figure 15 and Figure 16 illustrate that the parameters of Group A could guarantee islanded hybrid AC/DC microgrid stability when a SPGF occurs.
Then, when the parameters in Group B are adopted, the waveforms of power steps, energy storage unit power, DC bus voltage, and AC bus voltage are shown in Figure 17, Figure 18, Figure 19 and Figure 20. As the fault impulse power of the SPGF increases from 3 kW to 40 kW, violent oscillations appear in power steps and energy storage unit power, and the DC bus voltage oscillates significantly between 2 kV and 0 V. At 0.5 s, slight oscillations present in the AC voltage. At 0.6 s, the AC voltage is seriously distorted and cannot restore stability. Figure 17, Figure 18, Figure 19 and Figure 20 demonstrate that the parameters of Group B could not guarantee islanded hybrid AC/DC microgrid stability when a SPGF occurs.
The simulation result comparisons of Figure 13, Figure 14, Figure 15, Figure 16, Figure 17, Figure 18, Figure 19 and Figure 20 indicate that the parameters satisfying (45) could guarantee islanded hybrid AC/DC microgrid stability when a SPGF occurs, while parameters not satisfying (45) could not ensure islanded hybrid AC/DC microgrid stability when a SPGF occurs. The simulation results verify the validity of the derived large-signal stability criteria in (41).

5. Experimental Validation

To verify the proposed large-signal stability criteria in (41), according to Figure 1, a prototype of the islanded hybrid AC/DC microgrids is built using the PTS-5000 experimental platform, Good Will Instrument (Suzhou) Co., Ltd., Suzhou, China, as shown in Figure 21. The experimental platform consists of the controller TMS320F28335, DC/DC converters, DC/AC converters, constant power loads (CPLs), AC resistive load, the power source, and the oscilloscope. Droop controls are used for the bidirectional DC/AC converters. Outer voltage controllers and inner current controllers are utilized in battery-cascaded DC/DC converters. The PV unit is represented by the power source. Load power steps are also utilized to perform the impulse power of a SPGF. The parameters of the experimental prototype are shown in Table 3.
Similarly, based on (41) and Table 3, the maximum fault impulse power of a SPGF that the islanded hybrid AC/DC microgrids could stably suffer is 91.37 W. The parameters of the two groups are also designed and shown in Table 4. The powers of Group C are less than 91.37 W, while the powers of Group D are more than 91.37 W.
When the parameters in Group C are utilized, the waveforms of the AC bus voltage and current are shown in Figure 22, and the DC bus voltage and the energy storage current are shown in Figure 23. As the fault impulse power of the SPGF increases from 30 W to 80 W, the AC bus voltage maintains stable operation after a small fluctuation, and the DC bus voltage also returns to 60 V after a transient drop, while the output current of the energy storage unit increases and then operates steadily. The results in Figure 22 and Figure 23 coincide with the simulation results in Figure 13, Figure 14, Figure 15 and Figure 16. Figure 22 and Figure 23 illustrate that the parameters of Group C could guarantee that islanded hybrid AC/DC microgrids are stable when a SPGF occurs.
Then, when the parameters in Group D are adopted, the waveforms of the AC bus voltage and current are shown in Figure 24, and the DC bus voltage and the energy storage current are shown in Figure 25. As the fault impulse power of the SPGF increases from 30 W to 100 W, serious distortions appear in the AC bus voltage and current waveforms, while the DC bus voltage drops from 60 V to 49.51 V and does not recover to 60 V. The results in Figure 24 and Figure 25 coincide with the simulation results in Figure 17, Figure 18, Figure 19 and Figure 20. Figure 24 and Figure 25 demonstrate that the parameters of Group D could not guarantee islanded hybrid AC/DC microgrid stability when a SPGF occurs.
The experimental result comparisons of Figure 22, Figure 23, Figure 24 and Figure 25 illustrate that the parameters satisfying (41) could guarantee the islanded hybrid AC/DC microgrid’s stability when a SPGF occurs, while the parameters not satisfying (41) could not ensure the islanded hybrid AC/DC microgrid’s stability when a SPGF occurs. These experimental results show the correctness of the derived large-signal stability criteria in (41).
The experimental results and simulation results all prove the validity of the proposed large-signal stability criteria of the islanded hybrid AC/DC microgrids when a SPGF occurs, as shown in (41).

6. Conclusions

Firstly, based on the structure and control strategies, the method of symmetrical components is utilized, and the positive-sequence equivalent model and zero-sequence equivalent model of islanded AC/DC hybrid microgrids when a SPGF occurs are derived separately. Then, the mixed potential theory is utilized, and large-signal stability criteria of the islanded hybrid AC/DC microgrids when a SPGF occurs are obtained. The proposed stability criteria in (41) give quantitative constraints on the positive-sequence power PG of the PV unit, DC/AC converter current inner-loop proportional parameter kip, inductors Ls and Lf, inductor equivalent resistance Rs, energy storage unit power Pb, CPLs power P0, capacitors Cd and Cf, DC bus voltage vdc, the line equivalent resistance R1, line equivalent inductance L1, capacitance Cf, the equivalent inductance Lg in the faulty branch, the equivalent resistance Rg in the faulty branch, the positive-sequence equivalent impulse power PP of SPGF, and zero-sequence equivalent impulse power P0. The stability influences of these parameters are sufficiently analyzed, and the maximum power of the CPLs that islanded hybrid AC/DC microgrids could stably support as the SPGF occurs is obtained. Simultaneously, to guarantee the stable operation of islanded hybrid AC/DC microgrids, the maximum impulse power of a SPGF is also deduced. Finally, simulation and experimental validations are performed, and prove the correctness of the derived large-signal stability criteria.
The derived maximum impulse power of a SPGF that the islanded hybrid AC/DC microgrids could stably suffer is extremely important and provides quantitative guidelines for protection equipment to decide when to work. Furthermore, if the impulse power of a SPGF is less than the maximum power, islanded hybrid AC/DC microgrids could work under a SPGF. Then, the allowable maximum CPL power that islanded hybrid AC/DC microgrids could stably support as the SPGF occurs is deduced, and the power is usually adopted to determine the power of the energy storage unit and load shedding in advance.
The presented large-signal stability criteria of islanded hybrid AC/DC microgrids when a SPGF occurs are essential for achieving power allocation and guaranteeing stable operation.

Author Contributions

Study design, literature search, and manuscript writing, X.L.; graph production, data analysis, and data processing, Y.Z.; supervision; resources, and review and editing, X.S.; translation and literature search, Y.J. All authors have read and agreed to the published version of the manuscript.

Funding

This project is supported by the National Natural Science Foundation of China (52237008).

Data Availability Statement

Data are available from the authors.

Conflicts of Interest

The authors declare no conflicts of interest.

References

  1. Gupta, A.; Doolla, S.; Chatterjee, K. Hybrid AC–DC Microgrid: Systematic Evaluation of Control Strategies. IEEE Trans. Smart Grid 2018, 9, 3830–3843. [Google Scholar] [CrossRef]
  2. Lasseter, R.H. MicroGrids. In Proceedings of the 2002 IEEE Power Engineering Society Winter Meeting. Conference Proceedings (Cat. No. 02CH37309), New York, NY, USA, 27–31 January 2002; Volume 1, pp. 305–308. [Google Scholar]
  3. Sadabadi, M.S.; Shafiee, Q. Scalable Robust Voltage Control of DC Microgrids With Uncertain Constant Power Loads. IEEE Trans. Power Syst. 2020, 35, 508–515. [Google Scholar] [CrossRef]
  4. Karimipour, D.; Salmasi, F.R. Stability Analysis of AC Microgrids With Constant Power Loads Based on Popov’s Absolute Stability Criterion. IEEE Trans. Circuits Syst. II Express Briefs 2015, 62, 696–700. [Google Scholar] [CrossRef]
  5. Hassan, M.A.; Su, C.-L.; Pou, J.; Sulligoi, G.; Almakhles, D.; Bosich, D.; Guerrero, J.M. DC Shipboard Microgrids with Constant Power Loads: A Review of Advanced Nonlinear Control Strategies and Stabilization Techniques. IEEE Trans. Smart Grid 2022, 13, 3422–3438. [Google Scholar] [CrossRef]
  6. Borrell, Á.; Velasco, M.; Castilla, M.; Miret, J.; Guzmán, R. Collaborative Voltage Unbalance Compensation in Islanded AC Microgrids With Grid-Forming Inverters. IEEE Trans. Power Electron. 2022, 37, 10499–10513. [Google Scholar] [CrossRef]
  7. Tian, Z.; Li, X.; Zha, X.; Tang, Y.; Sun, P.; Huang, M.; Yu, P. Transient Synchronization Stability of an Islanded AC Microgrid Considering Interactions Between Grid-Forming and Grid-Following Converters. IEEE J. Emerg. Sel. Top. Power Electron. 2023, 11, 4463–4476. [Google Scholar] [CrossRef]
  8. Mohammadi, J.; Ajaei, F.B.; Stevens, G. Grounding the AC Microgrid. IEEE Trans. Ind. Appl. 2019, 55, 98–105. [Google Scholar] [CrossRef]
  9. Acharya, J.R.; Wang, Y.; Xu, W. Temporary Overvoltage and GPR Characteristics of Distribution Feeders with Multigrounded Neutral. IEEE Trans. Power Deliv. 2010, 25, 1036–1044. [Google Scholar] [CrossRef]
  10. Zeng, X.; Yu, K.; Wang, Y.; Xu, Y. A novel single phase grounding fault protection scheme without threshold setting for neutral ineffectively earthed power systems. CSEE J. Power Energy Syst. 2016, 2, 73–81. [Google Scholar] [CrossRef]
  11. Barik, M.A.; Gargoom, A.; Mahmud, M.A.; Haque, M.E.; Al-Khalidi, H.; Oo, A.M.T. A Decentralized Fault Detection Technique for Detecting Single Phase to Ground Faults in Power Distribution Systems With Resonant Grounding. IEEE Trans. Power Deliv. 2018, 33, 2462–2473. [Google Scholar] [CrossRef]
  12. Yuan, W.; Li, Y.; Xu, L.; Li, T.; Chen, X. A Fast Faulty Phase Selection Method Considering Fault Tolerance for Single Phase to Ground Fault in Distribution Networks. IEEE Trans. Instrum. Meas. 2023, 72, 1–12. [Google Scholar] [CrossRef]
  13. Alluraiah, N.C.; Vijayapriya, P. Optimization, Design, and Feasibility Analysis of a Grid-Integrated Hybrid AC/DC Microgrids for Rural Electrification. IEEE Access 2023, 11, 67013–67029. [Google Scholar] [CrossRef]
  14. Ma, S.; Geng, H.; Liu, L.; Yang, G.; Pal, B.C. Grid-Synchronization Stability Improvement of Large Scale Wind Farm During Severe Grid Fault. IEEE Trans. Power Syst. 2018, 33, 216–226. [Google Scholar] [CrossRef]
  15. Tang, W.; Hu, J.; Chang, Y.; Liu, F. Modeling of DFIG-Based Wind Turbine for Power System Transient Response Analysis in Rotor Speed Control Timescale. IEEE Trans. Power Syst. 2018, 33, 6795–6805. [Google Scholar] [CrossRef]
  16. Wu, H.; Wang, X. Design-Oriented Transient Stability Analysis of PLL-Synchronized Voltage-Source Converters. IEEE Trans. Power Electron. 2020, 35, 3573–3589. [Google Scholar] [CrossRef]
  17. Liu, P.; Huang, C. Detecting Single-Phase-to-Ground Fault Event and Identifying Faulty Feeder in Neutral Ineffectively Grounded Distribution System. IEEE Trans. Power Deliv. 2018, 33, 2265–2273. [Google Scholar] [CrossRef]
  18. Chen, J.; Li, H.; Deng, C.; Wang, G. Detection of Single-Phase to Ground Faults in Low-Resistance Grounded MV Systems. IEEE Trans. Power Deliv. 2021, 36, 1499–1508. [Google Scholar] [CrossRef]
  19. Zhou, H.; Yao, W.; Sun, K.; Ai, X.; Wen, J.; Cheng, S. Characteristic Investigation and Overvoltage Suppression of MMC-HVDC Integrated Offshore Wind Farms Under Onshore Valve-Side SPG Fault. IEEE Trans. Power Syst. 2024, 39, 1346–1359. [Google Scholar] [CrossRef]
  20. Taul, M.G.; Wang, X.; Davari, P.; Blaabjerg, F. An Overview of Assessment Methods for Synchronization Stability of Grid-Connected Converters Under Severe Symmetrical Grid Faults. IEEE Trans. Power Electron. 2019, 34, 9655–9670. [Google Scholar] [CrossRef]
  21. Piya, P.; Ebrahimi, M.; Karimi-Ghartemani, M.; Khajehoddin, S.A. Fault Ride-Through Capability of Voltage-Controlled Inverters. IEEE Trans. Ind. Electron. 2018, 65, 7933–7943. [Google Scholar] [CrossRef]
  22. Cheng, H.; Shuai, Z.; Shen, C.; Liu, X.; Li, Z.; Shen, Z.J. Transient Angle Stability of Paralleled Synchronous and Virtual Synchronous Generators in Islanded Microgrids. IEEE Trans. Power Electron. 2020, 35, 8751–8765. [Google Scholar] [CrossRef]
  23. Sadeghkhani, I.; Golshan, M.E.H.; Guerrero, J.M.; Mehrizi-Sani, A. A Current Limiting Strategy to Improve Fault Ride-Through of Inverter Interfaced Autonomous Microgrids. IEEE Trans. Smart Grid 2017, 8, 2138–2148. [Google Scholar] [CrossRef]
  24. Taul, M.G.; Wang, X.; Davari, P.; Blaabjerg, F. Current Limiting Control With Enhanced Dynamics of Grid-Forming Converters During Fault Conditions. IEEE J. Emerg. Sel. Top. Power Electron. 2020, 8, 1062–1073. [Google Scholar] [CrossRef]
  25. Zarei, S.F.; Ghasemi, M.A.; Peyghami, S.; Blaabjerg, F. A Fault Detection Scheme for Islanded-Microgrid with Grid-Forming Inverters. In Proceedings of the 2021 6th IEEE Workshop on the Electronic Grid (eGRID), New Orleans, LA, USA, 8–10 November 2021; pp. 1–6. [Google Scholar] [CrossRef]
  26. He, L.; Li, Y.; Chu, X.; Shuai, Z.; Peng, Y.; Shen, Z.J. Single-Phase to Ground Fault Line Identification for Medium Voltage Islanded Microgrids With Neutral Ineffectively Grounded Modes. IEEE Trans. Smart Grid 2022, 13, 4312–4326. [Google Scholar] [CrossRef]
  27. Xie, W.; Han, M.; Cao, W.; Guerrero, J.M.; Vasquez, J.C. System-Level Large signal Stability Analysis of Droop-Controlled DC Microgrids. IEEE Trans. Power Electron. 2021, 36, 4224–4236. [Google Scholar] [CrossRef]
  28. Kabalan, M.; Singh, P.; Niebur, D. A Design and Optimization Tool for Inverter-Based Microgrids Using Large signal Nonlinear Analysis. IEEE Trans. Smart Grid 2019, 10, 4566–4576. [Google Scholar] [CrossRef]
  29. Huang, T.; Gao, S.; Xie, L. A Neural Lyapunov Approach to Transient Stability Assessment of Power Electronics-Interfaced Networked Microgrids. IEEE Trans. Smart Grid 2022, 13, 106–118. [Google Scholar] [CrossRef]
  30. Severino, B.; Strunz, K. Enhancing Transient Stability of DC Microgrids by Enlarging the Region of Attraction Through Nonlinear Polynomial Droop Control. IEEE Trans. Circuits Syst. I Regul. Pap. 2019, 66, 4388–4401. [Google Scholar] [CrossRef]
  31. Liu, X.; Sun, X. Large Signal Stability analysis of Hybrid AC/DC Microgrids Based on T-S fuzzy model method. In Proceedings of the 2019 22nd International Conference on Electrical Machines and Systems (ICEMS), Harbin, China, 11–14 August 2019; pp. 1–6. [Google Scholar] [CrossRef]
  32. Liu, X.; Li, Z.; Song, X.; Zhou, J.; Qu, Y. Large signal stability criterion of AC–DC hybrid Microgrids with constant power loads considering reference current limitation. IET Gener. Transm. Distrib. 2022, 16, 4589–4599. [Google Scholar] [CrossRef]
  33. Liu, Z.; Ge, X.; Su, M.; Han, H.; Xiong, W.; Gui, Y. Complete Large signal Stability Analysis of DC Distribution Network via Brayton-Moser’s Mixed Potential Theory. IEEE Trans. Smart Grid 2023, 14, 866–877. [Google Scholar] [CrossRef]
  34. Wu, Z.; Han, H.; Liu, Z.; Su, M.; Sun, Y.; Zhang, X.; Wang, P. A Novel Method for Estimating the Region of Attraction for DC Microgrids via Brayton-Moser’s Mixed Potential Theory. IEEE Trans. Smart Grid 2023, 14, 3313–3316. [Google Scholar] [CrossRef]
  35. Allam, M.A.; Hamad, A.A.; Kazerani, M. A Sequence-Component-Based Power-Flow Analysis for Unbalanced Droop-Controlled Hybrid AC/DC Microgrids. IEEE Trans. Sustain. Energy 2019, 10, 1248–1261. [Google Scholar] [CrossRef]
  36. Brayton, R.K.; Moser, J.K. A theory of nonlinear networks: I. Q. Appl. Math. 1964, 22, 1–33. [Google Scholar] [CrossRef]
  37. Weiss, L.; Mathis, W.; Trajkovic, L. A generalization of Brayton-Moser’s mixed potential function. IEEE Trans. Circuits Syst. I Fundam. Theory Appl. 1998, 45, 423–427. [Google Scholar] [CrossRef]
  38. Jeltsema, D.; Scherpen, J.M.A. On Brayton and Moser’s missing stability theorem. IEEE Trans. Circuits Syst. II Express Briefs 2005, 52, 550–552. [Google Scholar] [CrossRef]
  39. Chang, F.; Cui, X.; Wang, M.; Su, W.; Huang, A.Q. Large signal Stability Criteria in DC Power Grids With Distributed-Controlled Converters and Constant Power Loads. IEEE Trans. Smart Grid 2020, 11, 5273–5287. [Google Scholar] [CrossRef]
Figure 1. The structure of islanded AC/DC hybrid microgrids.
Figure 1. The structure of islanded AC/DC hybrid microgrids.
Electronics 13 01232 g001
Figure 2. The control flow of the bidirectional buck–boost converter in the energy storage unit.
Figure 2. The control flow of the bidirectional buck–boost converter in the energy storage unit.
Electronics 13 01232 g002
Figure 3. The control flow of the bidirectional DC/AC converter.
Figure 3. The control flow of the bidirectional DC/AC converter.
Electronics 13 01232 g003
Figure 4. The model of CPLs.
Figure 4. The model of CPLs.
Electronics 13 01232 g004
Figure 5. The equivalent model of PV unit.
Figure 5. The equivalent model of PV unit.
Electronics 13 01232 g005
Figure 6. The equivalent model of batteries and cascaded buck–boost converter.
Figure 6. The equivalent model of batteries and cascaded buck–boost converter.
Electronics 13 01232 g006
Figure 7. Traditional topology of the bidirectional DC/AC converter.
Figure 7. Traditional topology of the bidirectional DC/AC converter.
Electronics 13 01232 g007
Figure 8. The equivalent model of a bidirectional DC/AC converter in a dq rotating frame on the condition that the power factor is 1.
Figure 8. The equivalent model of a bidirectional DC/AC converter in a dq rotating frame on the condition that the power factor is 1.
Electronics 13 01232 g008
Figure 9. The equivalent model of islanded AC/DC hybrid microgrids.
Figure 9. The equivalent model of islanded AC/DC hybrid microgrids.
Electronics 13 01232 g009
Figure 10. The voltage and current vectors of the grounding point when phase A is grounded.
Figure 10. The voltage and current vectors of the grounding point when phase A is grounded.
Electronics 13 01232 g010
Figure 11. The positive-sequence equivalent model of islanded AC/DC hybrid microgrids when SPGF occurs. The red arrows in the figure indicate where SPGF occurs, and the green arrows indicate that PG1 and PG2 on the right are obtained from PG equivalent.
Figure 11. The positive-sequence equivalent model of islanded AC/DC hybrid microgrids when SPGF occurs. The red arrows in the figure indicate where SPGF occurs, and the green arrows indicate that PG1 and PG2 on the right are obtained from PG equivalent.
Electronics 13 01232 g011
Figure 12. The zero-sequence equivalent model of islanded AC/DC hybrid microgrid when SPGF occurs.
Figure 12. The zero-sequence equivalent model of islanded AC/DC hybrid microgrid when SPGF occurs.
Electronics 13 01232 g012
Figure 13. The waveforms of power steps when Group A is utilized.
Figure 13. The waveforms of power steps when Group A is utilized.
Electronics 13 01232 g013
Figure 14. The power of energy storage unit when Group A is utilized.
Figure 14. The power of energy storage unit when Group A is utilized.
Electronics 13 01232 g014
Figure 15. The waveform of DC bus voltage when Group A is utilized.
Figure 15. The waveform of DC bus voltage when Group A is utilized.
Electronics 13 01232 g015
Figure 16. The waveform of AC bus voltage when Group A is utilized.
Figure 16. The waveform of AC bus voltage when Group A is utilized.
Electronics 13 01232 g016
Figure 17. The waveform of power steps when Group B is utilized.
Figure 17. The waveform of power steps when Group B is utilized.
Electronics 13 01232 g017
Figure 18. The power of energy storage unit when Group B is utilized.
Figure 18. The power of energy storage unit when Group B is utilized.
Electronics 13 01232 g018
Figure 19. The waveform of DC bus voltage when Group B is utilized.
Figure 19. The waveform of DC bus voltage when Group B is utilized.
Electronics 13 01232 g019
Figure 20. The waveform of AC bus voltage when Group B is utilized.
Figure 20. The waveform of AC bus voltage when Group B is utilized.
Electronics 13 01232 g020
Figure 21. Experimental platform of AC/DC hybrid microgrids with CPLs.
Figure 21. Experimental platform of AC/DC hybrid microgrids with CPLs.
Electronics 13 01232 g021
Figure 22. Waveforms of AC bus voltage and current when Group C is utilized.
Figure 22. Waveforms of AC bus voltage and current when Group C is utilized.
Electronics 13 01232 g022
Figure 23. Waveforms of DC bus voltage and the energy storage current when Group C is utilized.
Figure 23. Waveforms of DC bus voltage and the energy storage current when Group C is utilized.
Electronics 13 01232 g023
Figure 24. Waveforms of AC bus voltage and current when Group D is utilized.
Figure 24. Waveforms of AC bus voltage and current when Group D is utilized.
Electronics 13 01232 g024
Figure 25. Waveforms of DC bus voltage and the energy storage current when Group D is utilized.
Figure 25. Waveforms of DC bus voltage and the energy storage current when Group D is utilized.
Electronics 13 01232 g025
Table 1. Simulation parameters of islanded hybrid AC/DC microgrids.
Table 1. Simulation parameters of islanded hybrid AC/DC microgrids.
Representations/UnitValue
The voltage of AC bus, vabc/V311
The voltage of DC bus, vdc/V650
The voltage of batteries, vb/V400
The AC filter inductance, Ls/mH5
The AC filter capacitance, Cs/µF100
The DC capacitor, Cdc/µF500
The distributed power, PV/kW 5
DC/AC converter current loop scaling factor for energy storage units, kip0.1
The droop coefficients, m, nm = 1 × 10−5, n = 3 × 10−4
Table 2. The parameters of simulations A and B.
Table 2. The parameters of simulations A and B.
GroupAB
Initial and final values of power steps (kW)3–353–40
Satisfying the proposed large-signal stability criteriaYESNO
Table 3. Experimental parameters of islanded hybrid AC/DC hybrid microgrids.
Table 3. Experimental parameters of islanded hybrid AC/DC hybrid microgrids.
Representations/UnitValue
The voltage of AC bus, vabc/V20
The voltage of DC bus, vdc/V60
The voltage of batteries, vb/V40
The AC filter inductance, Ls/mH1
The AC filter capacitance, Cs/µF10
The DC capacitor, Cdc/µF470
The output power of PV unit, PG/W 40
The outer voltage control loop parameters of bidirectional DC/AC converter, kvp, kvikvp = 0.6, kvi = 0.1
The inner current control loop parameters of bidirectional DC/AC converter, kip, kiikip = 2, kii = 0.1
Table 4. The experimental parameters of groups C and D.
Table 4. The experimental parameters of groups C and D.
GroupCD
Initial and final values of power steps (W)30–8030–100
Satisfying the proposed large-signal stability criteriaYESNO
Disclaimer/Publisher’s Note: The statements, opinions and data contained in all publications are solely those of the individual author(s) and contributor(s) and not of MDPI and/or the editor(s). MDPI and/or the editor(s) disclaim responsibility for any injury to people or property resulting from any ideas, methods, instructions or products referred to in the content.

Share and Cite

MDPI and ACS Style

Liu, X.; Zhang, Y.; Song, X.; Ju, Y. Large Signal Stability Analysis of Hybrid AC/DC Microgrids When a Single-Phase-to-Ground Fault Occurs. Electronics 2024, 13, 1232. https://doi.org/10.3390/electronics13071232

AMA Style

Liu X, Zhang Y, Song X, Ju Y. Large Signal Stability Analysis of Hybrid AC/DC Microgrids When a Single-Phase-to-Ground Fault Occurs. Electronics. 2024; 13(7):1232. https://doi.org/10.3390/electronics13071232

Chicago/Turabian Style

Liu, Xinbo, Yake Zhang, Xiaotong Song, and Yuntao Ju. 2024. "Large Signal Stability Analysis of Hybrid AC/DC Microgrids When a Single-Phase-to-Ground Fault Occurs" Electronics 13, no. 7: 1232. https://doi.org/10.3390/electronics13071232

APA Style

Liu, X., Zhang, Y., Song, X., & Ju, Y. (2024). Large Signal Stability Analysis of Hybrid AC/DC Microgrids When a Single-Phase-to-Ground Fault Occurs. Electronics, 13(7), 1232. https://doi.org/10.3390/electronics13071232

Note that from the first issue of 2016, this journal uses article numbers instead of page numbers. See further details here.

Article Metrics

Back to TopTop