Method for Fault Diagnosis of Track Circuits Based on a Time–Frequency Intelligent Network
Abstract
1. Introduction
2. Track Circuit Fault Diagnosis Network Design
2.1. Overview of the DBN-GA-LSSVM Diagnosis Framework
- The creation of a ZPW-2000A track circuit voltage simulation model, implemented in the Simulink software MATLAB R2022a, is initiated. This model is utilized to reflect the fault modes of the track circuit, and a corresponding voltage fault dataset is generated.
- The initial dataset undergoes continuous wavelet transformation to unveil the time–frequency characteristics inherent in the voltage signals.
- The DBN model is utilized to extract distinctive features from the wavelet spectrograms, while the LSSVM is employed as a classifier for fault diagnosis.
- Optimization of the LSSVM parameters is achieved through the application of a genetic algorithm (GA), and the refined model’s effectiveness is assessed using an independent test set.
2.2. Generation of the Dataset
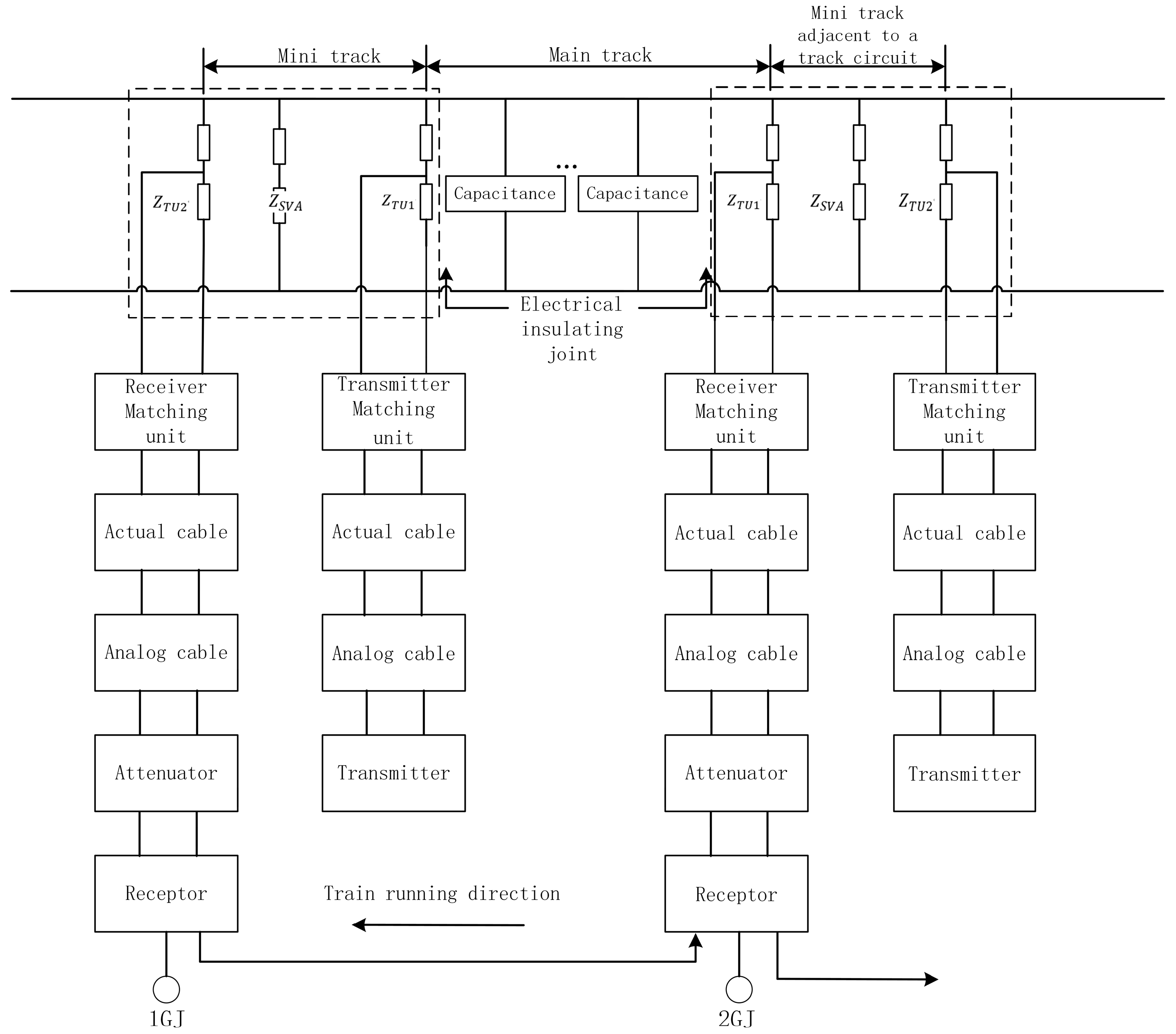
2.2.1. Modeling of the ZPW-2000A
2.2.2. Time–Frequency Visualization of the CWT
2.3. Deep Belief Network
2.4. Least-Squares Support Vector Machine
2.5. Genetic Algorithm
3. Experiment
3.1. Experimental Setup and Evaluation Index
3.2. Time–Frequency Visualization of Continuous Wavelet Transformation
3.3. DBN-Based Fault Diagnosis Results
3.4. Genetic Algorithm Optimization for the LSSVM
3.5. Results of Fault Diagnosis Using DBN-GA-LSSVM
4. Conclusions
- Using the CWT to preprocess the voltage signal data to obtain a wavelet video image is helpful to better capture the dynamic characteristics of the signal, so that the induced voltage signals in different states are easier to distinguish and more interpretable;
- Aiming at the problem of insufficient fault sample data of track circuits, a fault diagnosis model based on optimized DBN-LSSVM is proposed. The DBN exhibits a good feature extraction ability, and the LSSVM has the advantage of solving high-dimensional pattern recognition in the case of small samples, which reduces the working time. The genetic algorithm makes the optimization parameters gradually tend to be optimal with the increase in the number of iterations. Compared with the traditional neural network, this method has better fault diagnosis performance;
- In terms of engineering verification, the proposed model can be applied to an actual track circuit fault diagnosis system to further verify its applicability in practical engineering. The research object of this paper is only the ZPW-2000 track circuit, and a comparative study of 25 Hz phase-sensitive track circuits and high-voltage pulse track circuits can be added in the future.
Author Contributions
Funding
Data Availability Statement
Conflicts of Interest
Abbreviations
| CWT | Continuous wavelet transform |
| DBN | Deep belief network |
| RBM | Restricted Boltzmann machine |
| GA | Genetic algorithm |
| LSSVM | Least-squares support vector machine |
| MLP | Multilayer perceptron |
| BP | Backpropagation neural network |
| CNN | Convolutional neural network |
References
- Zang, Y.; Shangguan, W.; Cai, B.; Wang, H.; Pecht, M.G. Methods for fault diagnosis of high-speed railways: A review. Proc. Inst. Mech. Eng. Part O J. Risk Reliab. 2019, 233, 908–922. [Google Scholar] [CrossRef]
- Bruin, T.D.; Verbert, K.; Babuka, R. Railway Track Circuit Fault Diagnosis Using Recurrent Neural Networks. IEEE Trans. Neural Netw. Learn. Syst. 2016, 28, 523–533. [Google Scholar] [CrossRef]
- Zhao, B.; Ou, J.; Wang, D.; Jia, Z. Analysis of Transient Response of Jointless Track Circuit Based on Multiconductor Transmission Lines Theory. IEEJ Trans. Electr. Electron. Eng. 2022, 17, 1570–1579. [Google Scholar] [CrossRef]
- Zang, H.; Wang, R. Research on ZPW-2000A Track Circuit State Diagnosis Based on Set Pair Analysis. IOP Conf. Ser. Earth Environ. Sci. 2020, 571, 012017. [Google Scholar] [CrossRef]
- Lu, J.; Yu, J.; Huang, C.; Chen, H. Research on ZPW-2000R Track Circuit Fault Diagnosis Based on Neural Network. IOP Conf. Ser. Earth Environ. Sci. 2021, 693, 012077. [Google Scholar] [CrossRef]
- Gou, L.; Li, H.; Zheng, H.; Li, H.; Pei, X. Aeroengine Control System Sensor Fault Diagnosis Based on CWT and CNN. Math. Probl. Eng. 2020, 2020, 5357146. [Google Scholar] [CrossRef]
- Cao, Y.; Sun, F. Track Circuit Fault Diagnosis Method based on Least Squares Support Vector. IOP Conf. Ser. Earth Environ. Sci. 2018, 108, 052106. [Google Scholar] [CrossRef]
- Zheng, Z.; Dai, S.; Xie, X. Research on Fault Detection for ZPW-2000A Jointless Track Circuit Based on Deep Belief Network Optimized by Improved Particle Swarm Optimization Algorithm. IEEE Access 2020, 8, 175981–175997. [Google Scholar] [CrossRef]
- Chen, J.; Roberts, C.; Weston, P. Fault detection and diagnosis for railway track circuits using neuro-fuzzy systems. Control Eng. Pract. 2008, 16, 585–596. [Google Scholar] [CrossRef]
- Li, J.; Li, G. Research on Fault Diagnosis of ZPW-2000K Track Circuit Based on RS-BN Algorithm. Teh. Vjesn.-Tech. Gaz. 2019, 26, 1091–1097. [Google Scholar] [CrossRef]
- Gao, X.; Wei, H.; Li, T.; Yang, G. A rolling bearing fault diagnosis method based on LSSVM. Adv. Mech. Eng. 2020, 12, 1687814019899561. [Google Scholar] [CrossRef]
- Mao, Z.; Tao, G.; Jiang, B.; Yan, X.G. Adaptive control design and evaluation for multibody high-speed train dynamic models. IEEE Trans. Control Syst. Technol. 2020, 29, 1061–1074. [Google Scholar] [CrossRef]
- Mao, Z.; Yan, X.G.; Jiang, B.; Chen, M. Adaptive fault-tolerant sliding-mode control for high-speed trains with actuator faults and un-certainties. IEEE Trans. Intell. Transp. Syst. 2019, 21, 2449–2460. [Google Scholar] [CrossRef]
- Mao, Z.; Xia, M.; Jiang, B.; Xu, D.; Shi, P. Incipient fault diagnosis for high-speed train traction systems via stacked generalization. IEEE Trans. Cybern. 2020, 52, 7624–7633. [Google Scholar] [CrossRef]
- Fan, Z.; Huang, D.; Xu, K.; Tan, J. Comparative analysis of rail transit braking digital command control strategies based on neural network. Neural Comput. Appl. 2023, 35, 8833–8845. [Google Scholar] [CrossRef]
- Ahmad, S.; Ahmad, Z.; Kim, J.-M. A Centrifugal Pump Fault Diagnosis Framework Based on Supervised Contrastive Learning. Sensors 2022, 22, 6448. [Google Scholar] [CrossRef]
- Ullah, N.; Ahmad, Z.; Siddique, M.F.; Im, K.; Shon, D.-K.; Yoon, T.-H.; Yoo, D.-S.; Kim, J.-M. An Intelligent Framework for Fault Diagnosis of Centrifugal Pump Leveraging Wavelet Coherence Analysis and Deep Learning. Sensors 2023, 23, 8850. [Google Scholar] [CrossRef]
- Zhang, K.; Ma, C.; Xu, Y.; Chen, P.; Du, J. Feature extraction method based on adaptive and concise empirical wavelet transform and its applications in bearing fault diagnosis. Measurement 2021, 172, 108976. [Google Scholar] [CrossRef]
- Wang, X.; Mao, D.; Li, X. Bearing fault diagnosis based on vibro-acoustic data fusion and 1D-CNN network. Measurement 2021, 173, 108518. [Google Scholar] [CrossRef]
- Jia, N.; Cheng, Y.; Liu, Y.; Tian, Y. Intelligent fault diagnosis of rotating machines based on wavelet time-frequency diagram and optimized stacked denoising auto-encoder. IEEE Sens. J. 2022, 22, 17139–17150. [Google Scholar] [CrossRef]
- Xiong, G.; Ma, W.; Zhao, N.; Zhang, J.; Jiang, Z.; Mao, Z. Multi-type diesel engines operating condition recognition method based on stacked auto-encoder and feature transfer learning. IEEE Access 2021, 9, 31043–31052. [Google Scholar] [CrossRef]
- Erkaymaz, O.; Yapici, I.S.; Arslan, R.U. Effects of obesity on time-frequency components of electroretinogram signal using con-tinuous wavelet transform. Biomed. Signal Process. Control 2021, 66, 102398. [Google Scholar] [CrossRef]
- Fischer, A.; Igel, C. An introduction to restricted Boltzmann machines. In Proceedings of the Progress in Pattern Recognition, Image Analysis, Computer Vision, and Applications: 17th Iberoamerican Congress, CIARP 2012, Buenos Aires, Argentina, 3–6 September 2012; Proceedings 17; Springer: Berlin/Heidelberg, Germany, 2012; pp. 14–36. [Google Scholar]
- Wang, H.; Hu, D. Comparison of SVM and LS-SVM for regression. In Proceedings of the 2005 International Conference on Neural Networks and Brain, Beijing, China, 13–15 October 2005; Volume 1, pp. 279–283. [Google Scholar]
- Mirjalili, S.; Seyedali, M. Genetic algorithm. In Evolutionary Algorithms and Neural Networks: Theory and Applications; Springer: Berlin/Heidelberg, Germany, 2019; pp. 43–55. [Google Scholar]












| Fault Number | Failure Mode | Failed Part |
|---|---|---|
| F1 | normal | - |
| F2 | the sending voltage is large | transmitter |
| F3 | the sending voltage is small | |
| F4 | the analog network capacitance is small | transmitting cable |
| F5 | the analog network inductance is small | |
| F6 | SPT cable fault | |
| F7 | matching transformer fault | transmitter matching transformer |
| F8 | TU1 failure | transmitter tuning area |
| F9 | SVA failure | |
| F10 | TU2 failure | |
| F11 | the ballast resistance is large | rail line |
| F12 | the ballast resistance is small | |
| F13 | compensation capacitor fault | |
| F14 | TU1 failure | receiver tuning area |
| F15 | SVA failure | |
| F16 | TU2 failure | |
| F17 | matching transformer fault | receiving-end matching transformer |
| F18 | SPT cable fault | seismic cable |
| F19 | the analog network capacitance is small | |
| F20 | the inductance of the analog network is small |
| Feature | Simulative Value/V | Measured Value/V | E1/% | E2/% |
|---|---|---|---|---|
| M1 | 104 | 104 | 0 | 0 |
| M2 | 34.28 | 34.65 | 0.37 | 1.07 |
| M3 | 2.97 | 3.12 | 0.15 | 4.80 |
| M4 | 2.61 | 2.61 | 0 | 0 |
| M5 | 20.19 | 20.51 | 0.32 | 1.58 |
| M6 | 2.3 | 2.24 | 0.06 | 2.60 |
| Model | Accuracy/% | Time/s |
|---|---|---|
| DBN | 92.00 | 50.65 |
| MLP | 91.21 | 30.13 |
| CNN | 97.80 | 283.5 |
| BP | 91.31 | 28.33 |
| DBN-GA-LSSVM | 99.60 | 70.18 |
Disclaimer/Publisher’s Note: The statements, opinions and data contained in all publications are solely those of the individual author(s) and contributor(s) and not of MDPI and/or the editor(s). MDPI and/or the editor(s) disclaim responsibility for any injury to people or property resulting from any ideas, methods, instructions or products referred to in the content. |
© 2024 by the authors. Licensee MDPI, Basel, Switzerland. This article is an open access article distributed under the terms and conditions of the Creative Commons Attribution (CC BY) license (https://creativecommons.org/licenses/by/4.0/).
Share and Cite
Peng, F.; Liu, T. Method for Fault Diagnosis of Track Circuits Based on a Time–Frequency Intelligent Network. Electronics 2024, 13, 859. https://doi.org/10.3390/electronics13050859
Peng F, Liu T. Method for Fault Diagnosis of Track Circuits Based on a Time–Frequency Intelligent Network. Electronics. 2024; 13(5):859. https://doi.org/10.3390/electronics13050859
Chicago/Turabian StylePeng, Feitong, and Tangzhi Liu. 2024. "Method for Fault Diagnosis of Track Circuits Based on a Time–Frequency Intelligent Network" Electronics 13, no. 5: 859. https://doi.org/10.3390/electronics13050859
APA StylePeng, F., & Liu, T. (2024). Method for Fault Diagnosis of Track Circuits Based on a Time–Frequency Intelligent Network. Electronics, 13(5), 859. https://doi.org/10.3390/electronics13050859
