Abstract
The advent of dual-frequency induction heating (DFIH) technology has revolutionized modern industrial applications by providing flexible regulation of the heating process, significantly boosting heating efficiency, and optimizing energy utilization. This comprehensive review delves into the state-of-the-art research on DFIH power supplies, with a particular emphasis on their topological structures, output power control mechanisms, and resonant network configurations. The paper critically examines the challenges inherent to this technology, such as enhancing power density and ensuring system stability. It also highlights recent innovations in multi-inverter bridge topologies, resonant circuit optimization, and the implementation of intelligent control algorithms. Case studies are employed to illustrate the practical applications of DFIH in metal processing and composite material treatment, showcasing its potential to revolutionize these industries. The review concludes by delineating future research directions, with a focus on the integration of multi-frequency technologies and the development of efficient control strategies, thereby setting the stage for the next generation of induction heating systems.
1. Introduction
Induction heating is a technology that heats metal materials through electromagnetic fields generated by alternating currents [1]. Figure 1 illustrates the principle of induction heating. When a conductive object is placed inside a coil, eddy currents are induced. These eddy currents are most active near the surface of the heated object but significantly weaken towards the center, i.e., farther from the surface (Figure 2). The induction coil can heat metals quickly and uniformly, offering high energy efficiency and controllability.
Figure 1.
Schematic diagram of induction heating principle.
Figure 2.
Relationship between current density and distance from object surface.
In industrial production, compared to traditional carburizing and quenching methods, the advantages of induction heating quenching are shown in Table 1. Induction heat quenching reduces energy loss and shortens heating time, achieving a heating efficiency of over 90%, which is relatively 30% to 50% higher. The heating time ranges from a few seconds to one minute, helping to reduce the formation of oxide layers and decrease material loss by about 2%. Although induction heating provides better control over heating power and uniformity, it imposes higher calibration standards on the induction system.
Table 1.
Comparison of advantages and disadvantages between induction hardening and carburizing quenching [2,3].
Induction heating technology, based on the principle of electromagnetic induction discovered by Michael Faraday in 1831 [4], advanced significantly throughout the 20th century [5]. It was initially used to melt metals in the late 19th century, with Sebastian Z. de Ferranti and F.A. Kjellin making significant contributions [6]. Edwin F. Northrup invented the world’s first high-frequency induction furnace in 1916, marking the technology’s entry into the industrial stage [7]. The Second World War to the 1950s saw wide industrial use of induction heating, followed by its application in the automotive industry to strengthen components [8]. From the 1960s to the 1980s, the technology underwent another revolution with the introduction of thyristor and semiconductor technology [9]. Then, from the 1990s, induction heating developed in the directions of intelligence and energy saving, with the application of insulated gate bipolar transistors (IGBTs) improving system efficiency and stability [10]. Companies like EFD Induction and Inductotherm Industries promoted its use in new energy equipment manufacturing and high-precision machining [11]. The technology is also being applied in the medical field, promoted by companies such as Raindi and UIHM [12]. The development course of induction heating technology is depicted as shown in Figure 3.
Figure 3.
Development timeline of induction heating technology.
Induction heating power supplies are divided into five categories based on their operating frequencies. Their characteristics and applications are shown in Table 2. Dual-frequency systems [13], which integrate both low- and high-frequency heating functions, are more efficient than traditional single-frequency supplies. They can switch between low and high frequencies to meet diverse heating needs, from metal melting to surface hardening. The power levels are adjustable, expanding the range of applications and enhancing heating efficiency [14]. Compared to single-frequency power supplies, dual-frequency ones achieve over a 20% improvement in heating efficiency [15]. By adjusting the frequency, they optimize the heating process, making them suitable for traditional metal processing and modern industrial needs such as composite materials.
Table 2.
Classification of induction heating power supplies by operating frequency [16].
Unlike the aforementioned low-frequency induction heating power supplies that rely solely on a single frequency for AC output heating, DFIH power supplies integrate both low- and high-frequency heating functions within the same system. They can flexibly switch between low and high frequencies, effectively meeting diverse needs ranging from high-power metal melting to precise surface hardening. Their operating frequencies span from low to high, with power that can be adjusted between 10 kW and 500 kW [14], significantly broadening the application scope and enhancing heating efficiency compared to single-frequency power supplies [15]. Through frequency adjustment, they optimize the heating process. This makes dual-frequency power supplies not only suitable for traditional metal processing, but also capable of handling modern industrial demands such as the need for composite materials, further promoting the widespread application of induction heating technology in manufacturing.
With the increasing demand for efficient heating systems in industries such as metal processing [17], material surface treatment [18], and food heating [19,20], DFIH technology has become a focal point of research. Despite gaining attention in recent years, the technology still faces several technical challenges, including how to enhance system power density [21], ensure system stability [22], and optimize resonant circuit design [23] and control mechanisms [24]. This review focuses on the latest research advancements in the field of DFIH power supplies, with an emphasis on innovations in power supply topologies, output power control mechanisms, and resonant circuit design. The article will also revisit the challenges these technologies face in practical applications and point out potential future research directions. The aim is to provide comprehensive reference material for scholars and engineers enriching the field of study. Our work primarily includes the following:
(1) This section briefly introduces the fundamental principles and significance of DFIH technology, emphasizing its applications in modern industries, particularly in the precise control of heating processes, enhancing heating efficiency, and optimizing energy utilization;
(2) It reviews the recent research progress in DFIH technology regarding power supply design, topology, and resonant circuit optimization. The focus is on summarizing the application of multi-inverter bridge topologies, intelligent control algorithms, and how these technological innovations have enhanced the performance of DFIH systems;
(3) The challenges currently faced by DFIH technology in practical applications are thoroughly discussed, including the need for increased power density, system stability issues, and the optimization of resonant circuits and control mechanisms;
(4) The latest innovations in the DFIH power supply field are introduced, particularly in system design and control methods, highlighting breakthroughs in improving heating accuracy, system adaptability, and stability;
(5) Through case studies of actual industrial applications, the practical applications and effects of DFIH technology are demonstrated, further emphasizing its wide applicability in various industrial environments.
2. The Importance of Dual-Frequency Systems
Single-frequency systems are popular, but DFIH power supplies are gaining research interest due to their ability to meet higher precision and flexibility needs in industrial processing.
2.1. Basic Components
Figure 4 shows an induction heating system that consists of an AC power supply, an induction coil, a workpiece, cooling materials, and an electronic oscillator [25]. The induction coil generates an alternating magnetic field to heat the workpiece. The power supply provides AC power to the induction furnace, which outputs high-frequency AC power to the induction coil, generating an alternating magnetic field. The frequency and output power of the power supply affect the heating effect. Power supplies are classified into low-frequency, high-frequency, and medium-frequency based on the operating frequency [26]. The induction heating process generates significant heat, requiring a thermal management system to prevent overheating damage.
Figure 4.
Typical induction heating system composition diagram.
Induction heating power [27] supplies are crucial components of induction heating systems. They provide alternating current to the induction coils in the furnace and adjust the output power and frequency to control the heating process [28]. The system structure of an induction heating power supply is illustrated in Figure 5. Modern power supplies are equipped with intelligent control systems that enable automated operation, real-time monitoring, and data analysis [1]. These functions enhance convenience and allow for more sophisticated control of the heating process, making them the brain of the induction heating system.
Figure 5.
Structure diagram of induction heating power supply system.
2.2. Comparison of Single-Frequency and DFIH Power Supplies
DFIH systems exhibit significant differences from traditional single-frequency heating systems in various aspects, as illustrated in Table 3, which compares the two in terms of frequency, structure, and cost. The DFIH power supply, capable of operating at multiple frequencies, demonstrates greater flexibility and broader applicability compared to single-frequency power supplies. By switching between medium frequencies ranging from 1 kHz to 100 kHz and high frequencies up to 1 MHz, it effectively adapts to various materials and processes, enabling deep heating and precise surface treatment for diverse heating tasks. In contrast, single-frequency power supplies, due to their fixed frequency, often fail to meet the diverse requirements of various processes.
Table 3.
Comparison of single-frequency and DFIH power supply [29].
Table 3 outlines the advantages of DFIH systems over traditional single-frequency systems. Dual-frequency systems can operate across a range of medium (1 kHz to 100 kHz) to high (up to 1 MHz) frequencies, allowing for greater flexibility and applicability in various heating tasks and materials. In contrast, single-frequency systems have fixed frequencies, which are often inadequate to meet diverse process requirements. Dual-frequency systems excel in high-precision applications, such as automotive component production, facilitating surface hardening and internal strengthening simultaneously. They also enable more uniform heating in composite materials and high-precision part surface hardening, reducing processing defects. Research indicates that the heating rate of DFIH power supplies is increased by five times, and the performance of induction heating is doubled, particularly in applications requiring frequent switching between high and low frequencies. The high flexibility and efficiency of DFIH systems are increasingly critical in modern manufacturing, making DFIH systems a key technology to handle complex production demands.
2.3. The Current State of Development in DFIH Power Supplies
Since the 1950s, DFIH technology has undergone rapid development, as illustrated in Figure 6. Soviet scientists demonstrated the broad potential of this technology in metal processing by using low-frequency and high-frequency currents to heat different parts of a workpiece, thereby creating differential hardening layers [30]. In the mid-20th century, INDUCTOHEAT, an American company, developed and commercialized a dual-frequency induction hardening technology based on a single-turn inductor [8]. Subsequently, ELDEC, a German company, employed two power supply systems to heat workpieces at different frequencies, achieving uniform heating across various regions of the workpiece and enhancing production efficiency. In the 1980s, General Motors (GM) introduced asynchronous DFIH technology, using two power sources with different frequencies for segmented heating. This replaced traditional carburizing and nitriding quenching processes, reducing processing time and costs. Later, the introduction of Simultaneous Dual-Frequency (SDF®) technology by German company ELDEC marked another significant advancement in simultaneous dual-frequency heating. This technology incorporates both low-frequency and high-frequency currents within a single inductor, enabling rapid and uniform heating of workpieces along with efficient quenching [2].
Figure 6.
DFIH technology development history diagram.
At the end of the 20th century, China began to introduce and develop DFIH technology. In 2011, Tsinghua University successfully developed a dual-inverter synchronous DFIH power supply that achieved medium-frequency envelope high-frequency heating effects [31]. Meanwhile, Xi’an University of Technology made significant breakthroughs in the topology and harmonic control of the technology [32], further promoting its application in China. The 14th Five-Year Plan for China’s heat treatment industry states that in the heat treatment of automotive parts, the use of induction heating now accounts for 60% to 70%; the future will focus on the development of new processes such as dual-frequency and multi-frequency induction heating quenching and induction press quenching [33,34].
Entering the 21st century, DFIH technology has gradually evolved towards higher power and higher integration. Research teams from Spain and Japan have proposed a synchronous dual-frequency heating power supply with a single inverter and single coil structure, which enhances heating efficiency through the design of complex resonant networks [35]. This breakthrough has enabled dual-frequency induction heating to demonstrate significant advantages in applications such as complex workpiece processing and gear hardening [36]. Currently, the power of DFIH power supplies has reached 3 MW, and their applications have expanded from metal processing to biomedical fields and the precise heating of complex geometric workpieces [37].
3. Power Topology
3.1. Basic Composition of DFIH Power Supply
The typical components of a DFIH power supply include the rectifier circuit, inverter circuit, and resonant circuit, as shown in Figure 7 [38]. These parts play a central role in the power supply system and have become the focus of research. The rectifier circuit primarily consists of three-phase bridge and uncontrolled rectifier circuits designed to meet different power and load requirements. The inverter circuit involves full-bridge inverters, diode-clamped inverters, multilevel inverters, and synchronous dual-frequency inverters, aiming to enhance system power density and control flexibility. The resonant circuit includes LC series, parallel, and composite resonant circuits, which are used to adapt to the circuit’s resonant characteristics under different loads.
Figure 7.
Typical composition diagram of a DFIH power supply.
3.2. Single-Inverter Bridge vs. Multiple-Inverter Bridge Topologies
The key distinction between single-inverter bridge topologies and multi-inverter bridge topologies lies in the method of power output regulation. A single-inverter bridge can only output a signal at a single frequency, whereas a multi-inverter bridge, through the parallel operation of multiple inverters, provides multiple frequency outputs.
3.2.1. Single-Inverter Bridge Topology
In single-inverter bridge topologies, achieving dual-frequency output is typically accomplished by adjusting the inverter’s switching frequency. Assuming the inverter’s switching frequency is denoted as , the relationship between the inverter’s output power and the switching frequency can be expressed as the following equation:
where represents the maximum output power and represents the switching frequency. This indicates that in a single-inverter bridge system, the output power can be adjusted by varying the switching frequency. However, in a dual-frequency heating system, since there is only one inverter, its output frequency can only be set to one value, thereby limiting the flexibility of heating.
The single-inverter bridge structure is simple and cost-effective, as shown in Figure 8, and the application of selective harmonic elimination or frequency modulation strategies can achieve excellent dual-frequency output power control [39]. In the literature [40], Zhao et al. proposed a single-inverter bridge dual-frequency inverter that utilizes multi-frequency selective harmonic elimination technology to output two frequency current signals using a relatively simple topology. This approach is suitable for applications with low or stable load power, helping to reduce system complexity and manufacturing costs.
Figure 8.
Structure of single-inverter bridge synchronous dual-frequency power supply.
Lu Dongwei further explored the DFIH power supply with a single-inverter structure in [41], proposing an independent and controllable dual-frequency regulation strategy. This strategy achieves precise control under complex loads, addressing the issue of operating frequency disturbance to some extent and enhancing the system’s power control capability. Li Shuhao’s research [42] focuses on power regulation control for a single-inverter full-bridge structure, with the design capable of accurately adjusting dual-frequency power to accommodate complex loads.
3.2.2. Multi-Inverter Topology
The application of multi-inverter bridge structures in DFIH power supplies demonstrates significant technical advantages in reducing current stress, enhancing system scalability, and increasing power density [43]. Compared to a single-inverter bridge, a multi-inverter bridge topology can operate multiple inverters in parallel, each generating power outputs at different frequencies, thereby meeting the high-power and complex-load adaptation requirements in industrial applications. For instance, if there are inverters, each with an output power of x, the total power would be as follows:
Here, and represent the voltage and current of the th inverter, respectively, and is the phase difference of the th inverter. This formula demonstrates that by operating multiple inverters in parallel, it is possible to precisely control the power output at each frequency, thereby meeting the heating requirements for dual-frequency or multi-frequency applications.
- Reduce Current Stress
Multi-inverter bridge topologies have the advantage of reducing current stress. Two inverter bridges, as proposed in [44], control currents of different frequencies separately, ensuring even current load distribution and reducing stress on individual bridge arms. This design extends equipment lifespan and lowers system failure rates. The work by An Shuhuai [45] proposes a three-phase bridge dual-frequency inverter using a multi-bridge structure to output dual-frequency current signals independently, further reducing current stress and enhancing system stability. Ma Zhi’s [46] design of a DFIH power supply uses multiple switching circuits to control the superposition of high-frequency and low-frequency signals, optimizing current distribution and preventing potential current overload issues. This optimized design substantially reduces the overall current stress of the system.
- 2.
- Enhance System Scalability
Multi-inverter bridge structures offer flexible power and frequency output regulation, capable of adapting to various load changes and possessing high scalability to meet the demands of higher power or complex loads. The literature [47,48] investigates and analyzes the advantages of this structure in handling complex loads, particularly in terms of energy distribution at different frequencies. The dynamic power regulation in multi-inverter designs, based on load requirements, allows for flexible system expansion, enhancing the system’s flexibility and applicability to various heating processes.
- 3.
- Improve Power Density
The multi-inverter bridge structure effectively enhances the power density of the system by enabling the parallel operation of multiple inverters. As indicated in Reference [44], this structure not only distributes current load but also simultaneously outputs high- and low-frequency currents, thereby improving power output density. The 2T1C and 3T resonant inverter topologies proposed by Frania et al. [23], through the design of multiple-inverter bridges, effectively increased the system’s power density, with experimental efficiency exceeding 97%. Reference [46] mentions a DFIH power supply that utilizes a single-phase full-bridge inverter circuit, which optimizes power density and achieves the superposition of low- and high-frequency signals by adjusting its operating frequency. This design maintains a stable dual-frequency signal output under high power density requirements, making it suitable for large-scale industrial applications.
Therefore, the multi-inverter bridge structure has demonstrated significant technical advantages in DFIH power supply systems. Table 4 compares the multi-inverter bridge topology studied in DFIH power supplies with the dual-frequency inverter circuit topology. By employing the parallel operation of multiple inverters, the system not only effectively reduces current stress but also enhances system scalability and power density through flexible working frequencies and output power distribution. This structure is particularly suitable for high-power, complex-load industrial applications, such as the heat treatment processing of heavy-duty components like gears and bearings, thereby significantly improving production efficiency.
Table 4.
Comparison of dual-frequency inverter circuit topologies for multi-inverter bridge topologies.
3.3. Advantages of Multilevel Inverters
3.3.1. Structure of Multilevel Inverters
In recent years, the application of multilevel inverter technology in high-power DFIH power supplies has garnered significant attention. Multilevel inverters generate multi-stepped quasi-sinusoidal waveforms, which reduce the switching losses of devices and electromagnetic interference in the system [49]. Currently, the commonly used multilevel inverter topologies mainly include diode-clamped, flying-capacitor, and cascaded H-bridge types [50]. Each of these topologies has its own advantages and demonstrates excellent performance in different applications.
The general topology of a Neutral Point Clamped (NPC) multilevel inverter is shown in Figure 9. This topology achieves voltage step control and generates a multilevel output by paralleling diodes. A DFIH power supply based on an NPC inverter was proposed in Reference [51], along with a corresponding decoupling control strategy. The advantages of this approach include easier control of capacitor voltage balance and reduced harmonic content in the output waveform. In DFIH, the NPC inverter can produce a composite waveform with different frequencies superimposed by adjusting the firing angle, as shown in the simulation waveform in Figure 10. The NPC structure is particularly suitable for maintaining low harmonic distortion and high output quality under high-power loads.
Figure 9.
NPC three-level DFIH power supply topology.
Figure 10.
Simulation waveforms of output voltage for NPC H-bridge inverter: (a) graph of output voltage over time; (b) graph of output voltage vs. frequency.
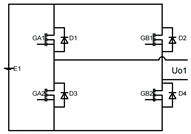
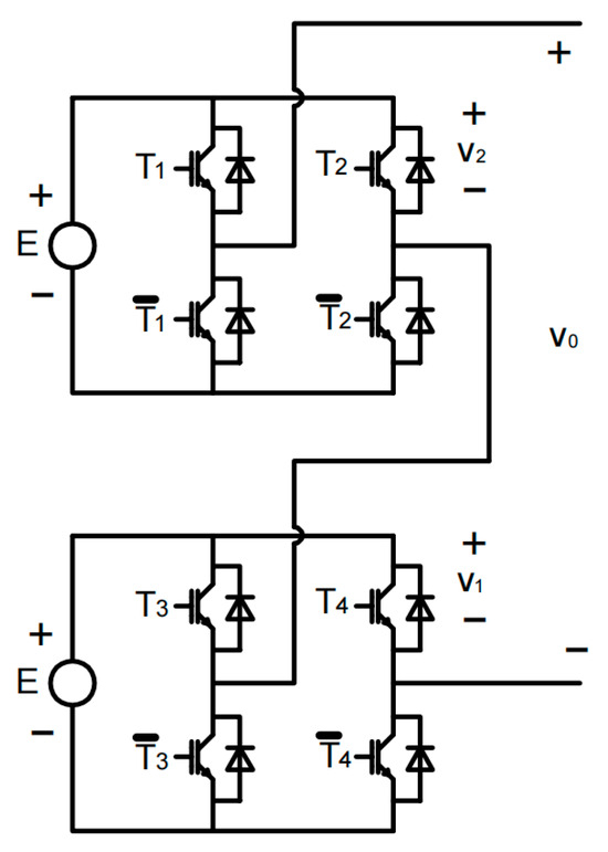
Diong and Bill proposed a DFIH power supply design [29,52] that uses a Cascaded H-Bridge (CHB) multilevel converter-based approach. This design, as shown in Figure 11, generates multilevel output by serially connecting multiple H-bridge units. The CHB structure is advantageous because it facilitates the easy expansion of voltage levels and allows for multi-frequency outputs within a single inverter. In DFIH, the CHB inverter can precisely adjust output phase angles to synthesize multi-frequency voltages and suppress higher-order harmonics. It also maintains high efficiency and excellent output waveforms across different voltage levels.
Figure 11.
CHB (2-Unit) multilevel conversion circuit.
3.3.2. Application of Multilevel Inverters in DFIH
DFIH requires multilevel heating for complex workpieces. Multilevel inverters, due to their ability to generate multiple frequency components and enhance system efficiency, have become the ideal choice for powering this type of heating. They are used in practical applications, such as heating different areas of gears and thick plates simultaneously, reducing process time and improving quality. Table 5 compares NPC and CHB inverters based on their advantages, disadvantages, and application scenarios. NPC inverters can adjust the output waveform, making them suitable for workpieces with varying heating thickness requirements. CHB inverters, on the other hand, can easily expand the output voltage level, making them suitable for high-power heating systems. Both types maintain low harmonic distortion and ensure equipment stability and reliability.
Table 5.
Comparison of multilevel inverter structures.
3.3.3. Analysis of the Advantages of Multilevel Inverters
Compared to traditional single-frequency inverters, multilevel inverters offer several key advantages in DFIH:
(1) Reduced harmonic distortion: by generating stepped waveforms that closely resemble a sine wave, multilevel inverters can effectively suppress harmonic distortion, thereby improving the quality of the output current;
(2) Enhanced efficiency: multilevel inverters significantly outperform traditional inverters in overall efficiency due to reduced switching losses and the ability to provide a higher power factor;
(3) Strong adaptability to load variations: during dual-frequency induction heating, the load varies with changes in the heating components. Multilevel inverters, with their multi-frequency output capabilities, can maintain stable output voltage and current even when the load changes.
4. Power Control
4.1. Methods of Power Regulation in Induction Heating Power Supplies
Table 6 shows common modulation techniques in induction heating power supplies, with PWM and PM being the most studied for dual-frequency supplies [28]. PWM is known for its high control precision and energy efficiency, used in medium- to small- power induction heating, while PM offers flexibility and is used in high-power equipment despite its lower efficiency.
Table 6.
Comparison of different modulation techniques in induction heating power supplies.
4.2. PWM Control of DFIH Power Supplies
PWM control technology regulates output voltage or current by adjusting the on and off times of switching devices, known as the duty cycle. This process, shown in Figure 12, is crucial for controlling both the output power and frequency of inverter circuits. By adjusting the duty cycle, the controller can regulate the output voltage or current to meet various heating power requirements. Additionally, PWM can control the switching frequency to adjust the output frequency of the inverter, meeting the operating frequency requirements of different loads. PWM control is widely used in inverter circuits, especially induction heating systems, enabling precise regulation of the system’s output power and frequency to meet diverse heating needs.
Figure 12.
PWM control flowchart.
In the literature [53], Hou, Xinyu investigates wireless power transfer technology based on PWM, achieving efficient power transmission through the precise control of multi-frequency, multi-load systems. The application areas of this technology are primarily focused on wireless power transfer systems, particularly those involving inductive heating or wireless charging scenarios with multiple frequencies and loads. In the literature [35], Esteve, V employs PWM technology at medium and high frequencies to simultaneously output signals at two frequencies, ensuring system stability. This technology is widely applicable, especially in the induction heating of complex-shaped metal parts, such as the quenching process of irregular parts like automotive gears. In the literature [54], Wang Xuyang primarily explores the PWM method for power decoupling control, introducing digital control technology to independently control signals of various frequencies. This method can be widely applied in the induction heating process of complex-shaped metal parts.
Both ADC and PWM control methods realize output regulation by controlling the on–off and off–off time of the switching device. ADC control is an advanced form of PWM control that optimizes duty cycle symmetry and increases regulatory flexibility. Papani [55] uses the ADC to achieve load-independent power regulation and efficient energy distribution. As shown in Figure 13a,b, by adjusting the power of different frequency loads separately, the overall efficiency can be improved, especially in industrial and domestic multipoint induction heating furnaces. However, this technique reduces efficiency at light loads and increases harmonic distortion at asymmetric loads.
Figure 13.
Overall efficiencies against duty-ratio from Reference [56]: (a) overall efficiency against D1 with Dh = 0.95; (b) overall efficiency against Dh with D1 = 0.95. (D1: duty-ratios for low-frequency legs; Dh: duty-ratios for high-frequency legs).
Therefore, PWM and ADC can be combined for use. For instance, PWM can be employed for basic output power regulation, while ADC can be utilized for fine-tuning the waveform, thereby enhancing the efficiency of the heating process. In the literature [57], Reddy, G. Govinda adopted asynchronous duty cycle control technology, which significantly improved the induction heating efficiency for different types of metals (such as iron and aluminum) by independently regulating the power of two loads [58]. The output current and output power are shown in Figure 14.

Figure 14.
Experimental result from Reference [58]: (a) output currents vs. D2 (D1 = 0.93); (b) output currents vs. D1 (D2 = 0.98); (c) Load-2 output power vs. D2; (d) Load-1 output power vs. D1.
4.3. Phase Control in DFIH Power Supplies
4.3.1. Role of Phase Control Technology in Inverters
The operation of DFIH systems relies on PM technology to control power distribution and regulation. By managing the phase difference of the inverter, it is possible to allocate output power between the two frequencies and optimize efficiency while reducing interference and harmonics. This is achieved through phase control technology, which adjusts the phase difference between the frequencies. In high-frequency applications, this adjustment ensures stable system operation and reduces harmonic interference.
The core function of PM technology lies in its ability to maintain a stable and efficient system power output under high load variations or during the processing of complex-shaped workpieces by adjusting the phase difference between different operating frequencies. Selvi proposed a dual-inverter system in the literature [36] that employs a phase-shift control method to independently regulate the output frequencies of the dual inverters, thereby precisely controlling high- and low-frequency signals to achieve dual-frequency induction hardening. This system is primarily suitable for high-precision DFIH scenarios, especially in controlling the hardening of workpieces with complex frequency combinations. Porpandiselvi introduced an inverter configuration in the literature [59] that allows the independent adjustment of dual frequencies through phase-shift control, enabling the simultaneous output of high- and low-frequency signals, thereby enhancing control precision and efficiency. Okudaira’s phase-shift control technology, as presented in the literature [60], can adjust the inverter frequency to control the power output of DFIH power supplies, allowing for flexible power output adjustments at different operating frequencies, suitable for various load conditions. Experimental results from the literature [59,60] are shown in Figure 15.

Figure 15.
Experimental result from reference [59,60]: (a) Ilf and Ihf vs. low-frequency inverter duty cycle (Dl); (b) Ilf and Ihf vs. high-frequency inverter duty cycle (Dh); (c) overall efficiency vs. Dl; (d) overall efficiency vs. Dh.
4.3.2. Optimization of Single-Week Control and Current Hysteresis Control
One Cycle Control technology and current hysteresis control technology are two primary strategies for optimizing phase control, each employing unique adjustment mechanisms aimed at enhancing system response speed, reducing harmonic distortion, and optimizing system efficiency.
OCC technology can precisely control the output power within each switching cycle. By real-time regulation of the current during the switching cycle, it can dynamically adjust the output, thereby ensuring the stable operation of the dual-frequency system even under conditions of frequency variations. The research by scholars such as An Shuhuai [61] successfully applied the one-cycle control technology to a DFIH power supply, with the control structure shown in Figure 16. They also achieved good results in photovoltaic grid-connected inverters, further demonstrating that the one-cycle control technology has beneficial effects in improving the system’s dynamic response speed and reducing harmonic distortion.
Figure 16.
Control block diagram of the grid-connected photovoltaic dual-frequency inverter.
The current hysteresis control strategy involves the real-time monitoring and adjustment of the current to keep it within a predetermined band, achieving precise control of the output current and suppressing transient fluctuations. This strategy responds quickly to load changes and has broad application potential in multi-frequency induction heating technology. However, research on hysteresis control for DFIH power supplies is unexplored.
4.3.3. Integration of Phase Control with PWM
In the control of DFIH power supplies, the integration of Phase Modulation (PM) with Pulse Width Modulation (PWM) can be considered. PWM precisely controls the pulse width to adjust the power output of the power supply, while PM optimizes the phase difference between dual inverters to achieve accurate power distribution. In the literature [62], Zhao’s dual-frequency control technique incorporates phase-shift control and selective harmonic elimination to power multiple AC loads. Adjusting the phase difference to eliminate harmonics can enhance system efficiency and stability, making it suitable for multi-load induction heating applications that require precise operating frequencies and harmonic control.
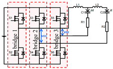
The combined application of PWM and PM not only allows for the efficient regulation of the power supply’s output power but also ensures the system’s rapid response to load changes. In DFIH systems, PWM regulates the duty cycle, while PM adjusts the power distribution between high and low frequencies. In the literature [63], Porpandiselvi proposes a phase-shift modulation technique using a three-leg inverter to achieve independent control of the dual-frequency induction hardening process, as illustrated in Figure 17. This method achieves synchronized and independent control of dual frequencies and optimizes the output current [64], with experimental results shown in Figure 18.
Figure 17.
Three-leg dual-frequency inverter topology with a loaded resonant circuit from reference.
Figure 18.
Graphs showing independent control and efficiency from reference [64]: (a) ilf and ihf versus duty cycle (Di) of the low-frequency inverter; (b) ilf and ihr versus duty cycle (Dh) of the high-frequency inverter; (c) overall efficiency versus duty cycle of the low-frequency inverter; (d) overall efficiency versus duty cycle of the high-frequency inverter.
5. Design of Resonant Network Parameters
5.1. Basic Structure and Types of Resonant Circuits
Resonant circuits are a core component of induction heating power supplies, determining the operating frequency, power, transmission efficiency, and load adaptability in DFIH systems. By combining inductance and capacitance, resonant circuits can produce resonance at specific frequencies, thereby enabling the efficient conversion of electrical energy into thermal energy. These circuits are generally categorized into series resonant circuits and parallel resonant circuits, with their principles illustrated in Figure 19.
Figure 19.
Basic topology of resonant circuit: (a) series resonance; (b) parallel resonance.
Resonant circuits, especially series and parallel types, are frequently used in power electronics for applications like induction heating and power conversion, and their characteristics are shown in Table 7. The LCCL network is ideal for DFIH power supplies due to its load-matching capabilities and dual-frequency support. The LC resonant circuit is suitable for simpler induction heating applications because of its simple design and high efficiency. By carefully selecting and optimizing resonant circuits, the power output and efficiency of induction heating systems can be significantly improved.
Table 7.
Major types of resonant circuits and their characteristics.
5.2. Typical Resonant Circuits
5.2.1. Design and Application of LCCL Networks
The LCCL network is a resonant topology widely used in DFIH power supplies that can control the operating frequency through series compensation components and reduce harmonic content. For instance, Wang Ji proposed a DFIH power supply design based on the LCCL network in Reference [65], with the power supply topology [66] illustrated in Figure 20. This design utilizes a combination of inductors and capacitors to achieve flexible adjustment of the resonant frequency, enabling it to support dual-frequency resonance and achieve load matching through inductor-capacitor tuning, demonstrating high resonant efficiency and good adaptability to load variations.
Figure 20.
DFIH power supply topology based on LCCL network.
5.2.2. LC Networks and Other Resonant Topologies
LC networks are frequently used in DFIH power supplies due to their ability to rapidly switch between high and low frequencies while reducing harmonic distortion. A novel LC network dual-frequency resonant circuit design was proposed by Ma Zhi [46] that uses optimized inductor and capacitor configurations for resonance at different frequencies. This design can accommodate complex loads, allowing for flexible frequency adjustment to meet diverse material and heating requirements. However, the dual-frequency resonance increases complexity and demands precise tuning and feedback control. Optimizing control algorithms can maintain a stable resonant current under varying loads and enhance power transfer efficiency.
LC networks represent another common resonant topology in DFIH power supplies. They enable rapid switching between high and low frequencies while reducing harmonic distortion. Ma Zhi proposed a novel dual-frequency resonant circuit design using LC networks in Reference [46], with the topology illustrated [48] in Figure 21. This topology can achieve resonance at different operating frequencies, making it suitable for dual-frequency output induction heating power supplies. Its advantages include the ability to accommodate complex loads and achieve high flexibility in frequency regulation, meeting diverse material and heating requirements. Additionally, by optimizing control algorithms, it can maintain a stable resonant current under time-varying loads.
Figure 21.
DFIH power supply topology based on LC resonant network.
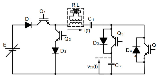
In addition, Okudaira et al. proposed a quasi-resonant inverter topology in References [60,67], as illustrated in Figure 22 and Figure 23. This scheme employs a short-circuit switch control design for the resonant capacitor, enabling the adjustment of the operating frequency based on load variations. The design achieves switching between high and low frequencies through the dynamic adjustment of the resonant capacitor, without compromising the quality of the output current, and maintains stable power output under different load conditions.
Figure 22.
Topology of the first type of quasi-resonant inverter circuit.
Figure 23.
DFIH power supply topology based on LC resonant network.
5.2.3. Multi-Resonant Power Converters
Reference [46] introduces the concept of multi-resonant power converters. By incorporating multiple resonant stages, multi-resonant power converters enable the provision of power at two distinct frequencies to the inductive system simultaneously. The proposed converter includes HB, FB, and three-phase topologies, as shown in Figure 24. It utilizes a multi-resonant network to achieve complete control over the output power at each frequency, offering the advantages of compactness and cost-effectiveness.
Figure 24.
Three types of multi-resonant converters: (a) HB; (b) FB; (c) three phase.
5.3. Resonance Frequency and Load Matching
The matching of the resonant frequency with the load affects the system’s energy transfer efficiency, heating uniformity, and harmonic control capabilities. For DFIH systems, due to the different operating frequency requirements and the complexity of load characteristics, optimizing the resonant frequency to adapt to the dynamic changes in the load is one of the key challenges in achieving efficient energy transmission.
5.3.1. Selection and Regulation of Resonance Frequency
The selection of the resonant frequency directly impacts the efficiency of the power supply. In induction heating power supplies, the resonant frequency is generally determined by the values of the resonant inductance and capacitance. As shown in Equation (3), typical resonant circuit designs include series and parallel resonant circuits. When the power supply frequency matches the resonant frequency, the current in the circuit reaches its peak. By adjusting the values of the inductance and capacitance, it is possible to achieve a match between the system’s resonant frequency and the load frequency.
The study by Okudaira et al. in Reference [52] demonstrates the quasi-resonant inverter circuit’s ability to adapt to varying load requirements through the regulation of the system’s operating frequency. In this system, the resonant capacitor is dynamically adjusted via a short-circuit switch to optimize the output frequency. It can adjust the operating frequency in real-time according to load changes, offering strong adaptability and reducing power loss. This design is particularly suitable for DFIH of complex workpieces, as it allows for stable power output at multiple frequencies.
In DFIH systems employing multi-resonant networks, the resonant frequencies are typically divided into two parts: one for low-frequency operation and the other for high-frequency operation. Sarnago’s research in Reference [68] introduces the concept of a multi-resonant converter, which achieves simultaneous operation across two frequency ranges through the combination of multiple resonant inductors and capacitors. This not only enhances the system’s flexibility and efficiency but also better accommodates load variations when processing different materials.
5.3.2. Load Matching and Impedance Design
Load matching in induction heating power supplies is crucial for achieving efficient and uniform heating. The primary objective of load matching is to align the system’s power output with the load’s impedance, thereby maximizing power and transmission efficiency. For dual-frequency systems, load matching requires consideration of the impedance characteristics at both operating frequencies, making the design more complex.
In a study by Zgraja [56], a DFIH system based on adjustable impedance matching was proposed. The flowchart of this scheme is shown in Figure 25. The impedance matching circuit dynamically adjusts the combination of capacitors and inductors, allowing the DFIH system to maintain stable output when handling high-frequency and low-frequency loads. This is particularly beneficial in processing workpieces with complex shapes, as it effectively enhances heating uniformity and reduces the occurrence of localized hotspots.
Figure 25.
Impedance matching of dual-frequency heating system.
Another approach to optimizing impedance is through the use of an LCCL network For instance, in the study by Wang Ji, referenced in [65], a DFIH power supply design based on the LCCL network was proposed. This design achieves flexible load matching through the precise selection and adjustment of inductors and capacitors. By adjusting the resonance parameters, it is possible to dynamically control the resonance frequency, thereby achieving an optimal matching state for dual-frequency output.
5.3.3. Influence of Load Variation on Resonance Frequency
The variation in electrical parameters such as impedance at the load end in a DFIH system may lead to a shift in the resonant frequency, which in turn affects the system’s heating efficiency and stability. Therefore, in scenarios with frequent load variations, real-time adjustments of the resonant frequency are achieved by regulating parameters such as inductance, capacitance, or other components of the resonant network.
In the literature, Kierepka’s detailed modeling of DFIH for gear hardening applications, as presented in [58], elucidates the impact of load changes on resonant frequency and proposes optimization methods based on simulation and experimentation. The study results indicate that the introduction of dynamic load regulation and frequency tracking algorithms can significantly enhance the system’s energy transmission efficiency under varying load conditions and reduce harmonic distortion. Okudaira’s [60] quasi-resonant inverter design offers a flexible solution that requires only a single inverter to achieve dual-frequency induction heating, making it suitable for induction heating loads and other nonlinear loads. By employing a quasi-resonant topology, the system maintains a relatively stable resonant frequency under significant load variations and reduces load power losses.
5.3.4. Optimization Methods in Parameter Design
Parameter optimization is a crucial aspect in ensuring the efficiency, stability, and power output of induction heating power supply systems. The design and optimization of the resonant network not only determine the system’s resonant frequency and matching effect but also influence power transmission, system efficiency, and switching losses. In this section, we will explore the optimization methods for parameter design in DFIH power supplies and analyze the parameter optimization strategies for different topologies.
The selection and accurate matching of component values, such as resonant inductors and capacitors, can enhance the system’s resonant effect and maintain efficient transmission during dual-frequency operation. For different types of resonant topologies, such as LCCL, LC, and LLC, the values of inductors and capacitors need to be considered based on the target operating frequencies, load characteristics, and system power requirements. In a study by Han et al. [69], a method was proposed to optimize resonant frequency and output current by adjusting L and C values. By optimizing the LCCL network, stable frequency switching and efficient energy transfer can be achieved between high and low frequencies.
Frequency tracking and adaptive control algorithms are another effective method for optimizing the performance parameters of DFIH power supplies. This method can dynamically adjust the resonant frequency and power output based on real-time load changes, ensuring efficient energy transfer under different operating conditions. Sarnago et al. [68] demonstrated the implementation of real-time adjustment in dual-frequency systems through adaptive control algorithms. By monitoring the system’s state in real-time, parameters in the resonant network can be automatically adjusted, effectively reducing harmonic distortion and improving the overall system stability.
6. Practical Applications and Case Studies
6.1. Industrial Applications and Effects
The use of DFIH power supplies in industry is due to their ability to control heating processes precisely, allowing for the accurate thermal treatment of metal workpieces. This technology, particularly beneficial for complex workpieces like gears and bearings, enables a balance between surface hardening and internal toughness, thereby improving the mechanical properties and durability of the workpieces.
6.1.1. Application in Gear Hardening
Gear hardening is a typical industrial application scenario of DFIH technology. As mentioned in Document [70], the induction hardening process for gears employs 81.53 kHz high-frequency resonant heating for the gear tips and 10.79 kHz medium-frequency resonant heating for the gear roots. This method ensures uniform heating on the gear surface, with both the gear roots and tips reaching temperatures of approximately 917.72 °C, thereby maintaining high toughness within the gear and preventing brittleness caused by excessive hardening. This dual-frequency heating approach significantly enhances the gear’s wear resistance and service life while markedly shortening the production cycle. In Document [48], the heating time for gear hardening is reduced to just 5 s per gear, with system efficiency exceeding 96%, and energy consumption is also substantially reduced
Table 8 outlines process parameters for dual-frequency, single-frequency, and carburizing quenching. Dual-frequency quenching, using 100 kW preheating and 900 kW high-frequency power, is significantly more efficient than single-frequency quenching and carburizing. It can quickly complete heating and cooling, reducing processing time. Its multi-frequency switching makes it ideal for complex hardening treatments. In contrast, single-frequency quenching has longer heating and cooling times and is less efficient, suitable for less critical situations. Carburizing focuses on long-term high-temperature treatment, suitable for deep treatments, but taking even longer.
Table 8.
Key process parameters for dual-frequency, single-frequency, and carburizing quenching.
6.1.2. Application in Rollers and Guides
The development of large industrial components such as rolls and guides has also benefited from DFIH technology. The literature [71] introduces a new type of dual-frequency quenching machine for rolls, which, through the flexible adjustment of dual-frequency current frequencies, allows for a uniform rise in the surface temperature of the rolls, resulting in a more uniform distribution of hardness in the surface layer.
One study [72] designed a fully digital dual-frequency induction heating quenching device, with the quenching site shown in Figure 26. The machine control system preheats 9Cr2Mo roll material to a temperature of 250 °C before induction heating. The 50 Hz inductor has a power of 350 kW and an outlet temperature of 880 °C, while the 250 Hz inductor has a power of 200 kW and an outlet temperature of 910 °C. By accurately setting the inlet and outlet temperatures and relevant performance parameters, the uniformity of the heating temperature distribution is improved, ensuring the uniformity of the roll’s surface hardness and strength, thereby meeting the process requirements.
Figure 26.
Dual-frequency quenching site.
Table 9 presents the specific industrial application effects based on DFIH technology, covering the performance improvements and production efficiency enhancements for key industrial components such as gears and rails.
Table 9.
Specific industrial application effects of DFIH technology.
Through relevant engineering practices, it is evident that DFIH technology offers significant advantages in reducing processing time, enhancing workpiece quality, and decreasing energy consumption. Its performance is particularly outstanding in the processing of high-precision industrial products such as gears, rolls, and rails. Looking ahead, this technology holds promising prospects for application in other industrial sectors, such as medical equipment and new energy vehicle production lines.
6.2. Household Cookware Applications
DFIH technology is being used in household cookware, particularly induction cookers and smart cookware. It uses a combination of high-frequency and low-frequency electromagnetic waves to achieve faster and more uniform heating, enhancing cooking efficiency and accommodating different cooking modes. This technology optimizes heating speed, reduces energy consumption, and improves user experience compared to traditional single-frequency induction cookers.
6.2.1. Principle of DFIH in Electromagnetic Cookers
The design of new cooking equipment tends to prioritize surface flexibility [64], as illustrated in Figure 27, which shows a cooking device that allows customers to flexibly heat different types of pots at any position. In the literature, Takayuki proposed a versatile “all-metal” induction heating cooking device with a multi-output high-frequency soft-switching inverter [66]. This device consists of two parallel single high-frequency circuit units, enabling the independent selection and adjustment of the output frequency and heating power for each unit. The principles of single-load and multi-load induction heating are shown in Figure 28. Traditional single-load high-frequency inverters require more switching devices, which significantly impacts switching losses, conduction losses, and power conversion efficiency [73]. This design significantly reduces the number of switching devices in the inverter, making it suitable for free-area induction heating and multi-burner type cooking equipment, among other innovative kitchen concepts.
Figure 27.
Induction heating in free zone.
Figure 28.
DFIH with multiple outputs: (a) single load—single high-frequency inverter system; (b) multiple loads—single high-frequency inverter system.
6.2.2. Advantages of DFIH in Induction Cooktops
An electromagnetic stove employing DFIH technology achieves stable heating through a low-frequency power supply, while a high-frequency power supply is responsible for coordinating heating speed and temperature control. For instance, in scenarios requiring high-temperature rapid response, such as boiling water or stir-frying, the high-frequency power supply quickly heats the cookware to the target temperature. Conversely, during processes like simmering or slow cooking, low-frequency induction heating provides a stable and continuous heat supply, preventing significant temperature fluctuations. Table 10 shows the efficiency of a dual-frequency inverter compared to other single-frequency inverters.
Reference [74] discusses the advantages of high-frequency induction heating in DFIH technology, where phase-shift modulation techniques are employed to achieve independent power control for multiple loads. In an experiment involving multi-load induction heating, when the power of Load 1 was 550 W and that of Load 2 was 270 W, the system’s overall efficiency reached 91% at a phase angle of 0°.
Table 10.
Efficiency comparison of dual-frequency inverters with other single-frequency inverters.
Table 10.
Efficiency comparison of dual-frequency inverters with other single-frequency inverters.
| Ref. | Inverter Topology | Number of Semiconductor Switches | Modulation Technology | Rated Power Efficiency (%) | Load Handling Capability | Application Scenario |
|---|---|---|---|---|---|---|
| [75] | Dual-output Series Resonant Inverter | 6 | AVC | 90.2 | 2 | Heating |
| [76] | Step-up/down Half-bridge Inverter | 4 | VFC | 80.1 | 1 | Heating |
| [77] | LLC Resonant Inverter | 7 | PSC | 92 | 2 | Melting |
| [78] | Class-E Inverter | 1 | PWM | 88.13 | 1 | Heating |
| [74] | Dual-frequency Inverter | 4 | PS | 91 | 2 | Heating |
Dual-frequency induction heating electromagnetic stoves are suitable for scenarios requiring precise temperature control, such as slow cooking, sugar boiling, and baking. These stoves achieve rapid temperature adjustments through high-frequency heating and maintain stability through low-frequency heating. The appliance can dynamically switch power frequencies according to the set cooking program. According to the literature [79], by modifying the series resonant capacitance value, the load resonant current frequency is altered to heat cookware made of different metal materials. For materials with low resistivity, the frequency is designed multiplicatively, while for materials with high resistivity, the design is nearly identical to the fundamental frequency. This design allows the cookware to adjust its operating frequency based on the material characteristics of the cookware, thereby achieving high-precision temperature control.
6.3. Medical Applications
The application of induction heating technology in the medical field is primarily focused on tumor hyperthermia, medical device manufacturing, and material processing. The unique advantages of this technology lie in its ability to provide rapid, precise, and non-contact heating, which has garnered widespread attention and initial applications in the medical field. For instance, the ultra-high frequency induction heating equipment developed by Raindrop Technology holds potential applications in medical device manufacturing, such as the rapid heating and deformation of shape memory alloys [80]; David Gross from MED Institute discussed the impact of radio frequency induction heating on medical devices, particularly in open MRI systems [81], and United Induction explored the application of induction heating technology in tumor treatment, specifically conducting research on magnetic induction therapy in tumor hyperthermia [82].
However, the research on DFIH technology in the medical field is still in its exploratory stage, with limited practical cases and academic achievements. As the demand for temperature control in different tissues and materials increases, DFIH technology, compared to single-frequency devices, can provide more precise heating control, offering the prospect of broad future applications in the medical field. Dual-frequency induction will provide more flexible and precise solutions for tumor hyperthermia, surgical instruments, implantable devices, and other areas.
7. Challenges and Outlook
- (1)
- Optimization of Complex Control Algorithms
The control of DFIH systems is characterized by high complexity, particularly in the precise regulation of power output at two different frequencies. When the load changes, the system must respond rapidly to maintain the stability and efficiency of the output. Although technologies such as PM and PWM have made certain advancements in current research, they may still face issues of control instability and efficiency decline under high dynamic changes and load disturbances. Therefore, future research will focus on developing more efficient and robust control algorithms. For instance, AI and ML algorithms can be leveraged to predict and adjust system load changes, thereby enhancing the adaptability and real-time response capabilities of the control system. Additionally, for the control of multi-frequency signals, it is crucial to address how to maintain system simplicity while reducing computational load and improving processing speed.
- (2)
- Optimization of Resonant Network Design
The efficiency and stability of DFIH systems are significantly dependent on the design of the resonant network. Existing resonant topologies such as LCCL and LLC have achieved a certain degree of load matching and frequency regulation, but the design of resonant networks still faces many challenges in high-power or multi-frequency applications. Future research should focus on further optimizing the resonant network to achieve efficient energy transmission over a broader frequency range. For instance, ensuring stable system operation frequency, avoiding harmonic distortion, and reducing switching losses at multiple frequencies require new topologies or improved regulation methods. Particularly in high-power applications, thermal management and loss control remain critical design challenges. Therefore, researchers can explore how to integrate high-efficiency resonant devices, wide-bandgap semiconductors, and multi-stage resonant structures to enhance the operational efficiency and adaptability of the resonant network.
- (3)
- Development of Broadband, High-Efficiency Devices
The high-frequency and high-power characteristics of DFIH power supplies impose extremely high demands on power devices. Traditional silicon-based power devices may experience significant switching losses under high-frequency operating conditions, which reduces the overall efficiency of the system. Wide-bandgap semiconductor materials (such as silicon carbide SiC and gallium nitride GaN) are considered the future solution. They possess higher conductivity and stronger thermal stability, enabling operation at higher frequencies and power levels, significantly enhancing switching efficiency and overall system performance. However, despite their excellent performance, wide-bandgap devices are relatively expensive, and their reliability under high-frequency and high-temperature conditions still needs further validation. Therefore, future research needs to focus on improving device performance while reducing production costs and enhancing stability in high-frequency applications.
- (4)
- Energy Efficiency Improvement and Thermal Management
Although the resonant network of DFIH systems can reduce certain losses, the energy efficiency of the system still faces challenges under high load variations and multi-frequency operations. Future research should focus on how to further enhance energy efficiency through the optimization of resonant circuits, control strategies, and device characteristics. For example, adopting efficient low-loss power modules, reducing switching losses, and improving the system’s power factor will effectively enhance the overall system’s energy efficiency. Additionally, as the system power increases, thermal management becomes another significant challenge. Under high-power operating conditions, power components and devices are prone to generating large amounts of heat, affecting system stability and service life. Therefore, optimizing thermal design and employing advanced cooling technologies (such as liquid cooling or ceramic heat dissipation) to improve thermal efficiency will be crucial for enhancing system reliability.
- (5)
- Decoupling and Interference Management of Multi-Frequency Signals
DFIH systems require the simultaneous processing of two frequency signals. How to effectively avoid interference between frequencies and decouple the power output of these signals will be key focuses of future research. Particularly during frequency switching and load variations, ensuring stable system operation and reducing harmonics caused by mutual interference are critical issues. Under multi-frequency conditions, accurately adjusting parameters such as phase difference, duty cycle, and frequency ratio to ensure collaborative operation between the two frequency signals remains a technical challenge. Future research may combine digital control and intelligent algorithms to optimize the interaction of multi-frequency signals, using real-time feedback to adjust frequency and power distribution, thereby improving system performance.
8. Conclusions
DFIH technology has seen rapid development in recent years and has been widely applied in various fields such as industrial manufacturing, metal processing, and household cookware. This paper summarizes the main topologies of DFIH power supplies, discussing the current research status of power control strategies and resonant network design. The core advantage of DFIH technology lies in its ability to achieve the precise heating of workpieces through the combination of different frequencies, thereby enhancing heating efficiency, reducing energy consumption, and meeting the thermal processing needs of complex workpieces.
Despite the significant achievements of DFIH technology in many fields, it still faces numerous challenges, such as maintaining stable and reliable multi-frequency control under high efficiency, optimizing the resonant network to reduce switching losses and harmonic interference, simplifying dual-frequency control algorithms, and reducing costs. With the increasing demand for complex workpieces and the diversification of industrial applications, such as in the high-end precision medical field, the development of more efficient multi-frequency induction heating systems has become particularly important.
In the future, the development of DFIH technology will rely on in-depth research in several key areas:
Intelligent Control and Digital Technology: The research and development of control schemes based on digital signal processing (DSP) and field-programmable gate arrays (FPGA) will enable the real-time monitoring and adjustment of energy distribution, enhancing the control precision and response speed of DFIH systems.
High-Efficiency Resonant Network Design: By improving resonant topologies such as LCCL and LLC to reduce switching losses and harmonic distortion and integrating intelligent algorithms like adaptive control and machine learning, the system’s real-time regulation capabilities under complex-load conditions can be further enhanced.
Development of Multi-Frequency Induction Heating Technology: Multi-frequency systems, compared to dual-frequency systems, offer greater flexibility by supporting combinations of multiple frequencies, allowing for the adaptation to different materials and shapes of workpieces. This technology not only improves heating uniformity but also significantly boosts production efficiency.
In summary, DFIH power technology will continue to face numerous challenges in the future. However, through continuous innovation in intelligent control, multi-frequency technology, resonant network optimization, and the application of new materials, this technology is expected to play a significant role in a broader range of industrial applications. As the technology further matures, DFIH power supplies will demonstrate greater potential in efficient, energy-saving, and diversified industrial manufacturing.
Author Contributions
Formal analysis, J.W.; investigation, B.M. and J.W.; resources, H.W. and Z.D.; writing—original draft preparation, X.C.; writing—review and editing, X.C. and H.W.; visualization, X.C. All authors have read and agreed to the published version of the manuscript.
Funding
This research was funded by the Beijing Municipal Science and Technology Commission Huairou Science City Achievement Landing Project, grant number Z221100005822007.
Data Availability Statement
Data sharing is not applicable to this article as no datasets were generated or analyzed during the current study.
Conflicts of Interest
The authors declare no conflicts of interest.
Abbreviations
The following abbreviations are used in this manuscript:
| Abbreviation | Implication |
| IH | induction heating |
| DFIH | dual-frequency induction heating |
| CBD | Cascaded H-Bridge |
| SWM | Square Wave Modulation |
| PWM | Pulse Width Modulation |
| FM | Frequency Modulation |
| PDM | Pulse Density Modulation |
| AM | Amplitude Modulation |
| CPC | Constant Power Control |
| AVC | Amplitude Voltage Control |
| PLL | Phase-Locked Loop |
| PS | Phase-Shift Control |
| AVC-PDM | Amplitude Voltage Control with Pulse Density Modulation |
| SPWM | Sine Pulse Width Modulation |
| ADC | Analog to Digital Converter |
| LPF | Low Pass Filter |
| PFC | Power Factor Correction |
| PM | Phase Modulation |
| NPC | Neutral Point Clamped |
| OCC | One Cycle Control |
| HB | Half Bridge |
| FB | Full Bridge |
| DSP | Digital Signal Processing |
| DC | Direct Current |
| AC | Alternating Current |
| HF | High Frequency |
| DFSHE | Dual-frequency Selective Harmonic Elimination |
| FPGA | Field-Programmable Gate array |
| IGBT | Insulated Gate Bipolar Transistor |
| AI | artificial intelligence |
| ML | machine learning |
References
- Kumar, A.; Sadhu, M.; Das, N.; Sadhu, P.K.; Roy, D.; Ganguly, A. A survey on high-frequency inverter and their power control techniques for induction heating applications. J. Power Technol. 2017, 97, 201. [Google Scholar]
- Zhao, Y.Q.; Han, Y.; Xiao, Y. An asynchronous dual-frequency induction heating process for bevel gears. Appl. Therm. Eng. 2020, 169, 114981. [Google Scholar] [CrossRef]
- Patel, K.M. An overview of applications of induction heating. Int. J. Electr. Eng. Technol. 2019, 10, 81–85. [Google Scholar] [CrossRef]
- Faraday, M.V. Experimental Researches in Electricity. Philos. Trans. R. Soc. Lond. 1832, 122, 125–162. [Google Scholar]
- Rudnev, V.; Loveless, D.; Cook, R.L. Handbook of Induction Heating; CRC Press: Boca Raton, FL, USA, 2017. [Google Scholar]
- Lucia, O.; Maussion, P.; Dede, E.J.; Burdio, J.M. Induction Heating Technology and Its Applications: Past Developments, Current Technology, and Future Challenges. IEEE Trans. Ind. Electron. 2014, 61, 2509–2520. [Google Scholar] [CrossRef]
- Roginskaya, L.E.; Mednov, A.A. Challenges and Prospects of Development of Power Supply for Electrotechnological Induction–Heating Equipment. Russ. Electr. Eng. 2023, 94, 936–941. [Google Scholar] [CrossRef]
- Yun, D.; Park, H.; Koo, J.H.; Ham, S.; Lee, S. Investigation of Heat Treatment of Gears Using a Simultaneous Dual Frequency Induction Heating Method. IEEE Trans. Magn. 2015, 51, 8003104. (In Chinese) [Google Scholar] [CrossRef]
- Huang, H.; Kong, Y.; Chen, J.; Jian, W.; Sun, F.; Sui, J.; Cheng, S. Research on a New Inverter Control Strategy of Induction Heating Power Supply. Electronics 2024, 13, 3469. [Google Scholar] [CrossRef]
- Choi, S.S.; Lee, C.W.; Kim, I.D.; Jung, J.H.; Seo, D.H. New induction heating power supply for forging applications using IGBT current-source PWM rectifier and inverter. In Proceedings of the 2018 21st International Conference on Electrical Machines and Systems (ICEMS), Jeju, Republic of Korea, 7–10 October 2018; IEEE: Piscataway, NJ, USA, 2018; pp. 709–713. [Google Scholar]
- Sheikhian, I.; Kaminski, N.; Voß, S.; Scholz, W.; Herweg, E. Optimisation of the reverse conducting IGBT for zero-voltage switching applications such as induction cookers. IET Circuits Devices Syst. 2014, 8, 176–181. [Google Scholar] [CrossRef]
- Xiang, Z.; Jakkpat, K.I.; Ducharne, B.; Capsal, J.F.; Mogniotte, J.F.; Lermusiaux, P.; Cottinet, P.J.; Della Schiava, N.; Le, M.Q. Enhancing the low-frequency induction heating effect of magnetic composites for medical applications. Polymers 2020, 12, 386. [Google Scholar] [CrossRef]
- Vishnuram, P.; Ramachandiran, G. A simple multi-frequency multiload independent power control using pulse density modulation scheme for cooking applications. Int. Trans. Electr. Energy Syst. 2021, 31, e12771. [Google Scholar] [CrossRef]
- Vishnuram, P.; Ramachandiran, G.; Ramasamy, S.; Dayalan, S. A comprehensive overview of power converter topologies for induction heating applications. Int. Trans. Electr. Energy Syst. 2020, 30, e12554. [Google Scholar] [CrossRef]
- Kuvaldin, A.B.; Lepeshkin, S.A.; Lepeshkin, A.R. Dual-frequency power supply system and inductors for heating of rotating disks in a an electromagnetic field. In Proceedings of the ISTET 2013: International Symposiumon Theoretical Electrical Engineering, Pilsen, Czech Republic, 24–26 June 2013; pp. IV-17–IV-18. [Google Scholar]
- Zhou, K.; Zhou, F.; Zuo, Z.; Peng, Z. Improved Design of Monitoring and Control System of OSB Dual-frequency Quenching Machine Tool for Rollers. Process Autom. Instrum. Zidonghua Yibiao 2010, 31. Available online: https://xueshu.baidu.com/usercenter/paper/show?paperid=6b77597137a65cadb9902b884c475621&site=xueshu_se (accessed on 8 December 2024). (In Chinese).
- Skeeba, V.Y.; Ivancivsky, V.V.; Martyushev, N.V. Peculiarities of high-energy induction heating during surface hardening in hybrid processing conditions. Metals 2021, 11, 1354. [Google Scholar] [CrossRef]
- Fomin, A.; Koshuro, V.; Shchelkunov, A.; Aman, A.; Fomina, M.; Kalganova, S. Simulation and experimental study of induction heat treatment of titanium disks. Int. J. Heat Mass Transf. 2021, 165, 120668. [Google Scholar] [CrossRef]
- Plumed, E.; Lope, I.; Acero, J. Modeling and design of cookware for induction heating technology with balanced electromagnetic and thermal characteristics. IEEE Access 2022, 10, 83793–83801. [Google Scholar] [CrossRef]
- Elsaady, W.; Moughton, C.; Nasser, A. Coupled numerical modelling and experimental analysis of domestic induction heating systems. Appl. Therm. Eng. 2023, 227, 120170. [Google Scholar] [CrossRef]
- Saha, B.; Kim, R.Y. High power density series resonant inverter using an auxiliary switched capacitor cell for induction heating applications. IEEE Trans. Power Electron. 2013, 29, 1909–1918. [Google Scholar] [CrossRef]
- Herasymenko, P.; Pavlovskyi, V.; Yurchenko, O.; Karlov, O. Applying a Series-Resonant Inverter with Extended Topology for Load Impedance Matching in Dual-Frequency Induction Heating Systems. In Proceedings of the 2023 IEEE 4th KhPI Week on Advanced Technology (KhPIWeek), Kharkiv, Ukraine, 2–6 October 2023; IEEE: Piscataway, NJ, USA, 2023; pp. 1–5. [Google Scholar]
- Frania, K.; Kierepka, K.; Kasprzak, M.; Zimoch, P. Single Three-Phase Inverter for Dual-Frequency Induction Heating. Energies 2024, 17, 2489. [Google Scholar] [CrossRef]
- Di Barba, P.; Ghafoorinejad, A.; Mognaschi, M.E.; Dughiero, F.; Forzan, M.; Sieni, E. A Neural-Network Model for Helping the Synthesis of a Dual-Frequency Induction Heating Device. In Proceedings of the 2024 IEEE 21st Biennial Conference on Electromagnetic Field Computation (CEFC), Jeju, Republic of Korea, 2–5 June 2024; IEEE: Piscataway, NJ, USA, 2024; pp. 1–2. [Google Scholar]
- Esteve, V.; Bellido, J.L.; Jordán, J. State of the Art and Future Trends in Monitoring for Industrial Induction Heating Applications. Electronics 2024, 13, 2591. [Google Scholar] [CrossRef]
- Miura, Y.; Hashem, M.; Hiraki, E.; Yasui, K.; Iwai, T.; Ahmed, N.; Lee, H.W.; Nakaoka, M. A new zero current soft switching duty cycle controlled high frequency multi resonant inverter for consumer power applications. In Proceedings of the 2005 International Conference on Electrical Machines and Systems, Nanjing, China, 27–29 September 2005; IEEE: Piscataway, NJ, USA, 2005; Volume 2, pp. 1112–1117. [Google Scholar]
- Gang, Z.; Chao, W.; Yunwang, G.; Ting, B. A Frequency Adaptive Controller for Induction Heating Power Supply. In Proceedings of the 2012 Third Global Congress on Intelligent Systems, Wuhan, China, 6–8 November 2012; IEEE: Piscataway, NJ, USA, 2012; pp. 261–263. [Google Scholar]
- Vishnuram, P.; Ramachandiran, G.; Sudhakar Babu, T.; Nastasi, B. Induction heating in domestic cooking and industrial melting applications: A systematic review on modelling, converter topologies and control schemes. Energies 2021, 14, 6634. [Google Scholar] [CrossRef]
- Diong, B.; Basireddy, S.; Corzine, K. Multilevel converter-based dual-frequency induction heating power supply. In Proceedings of the IECON’03—29th Annual Conference of the IEEE Industrial Electronics Society (IEEE Cat. No. 03CH37468), Roanoke, VA, USA, 2–6 November 2003; IEEE: Piscataway, NJ, USA, 2003; Volume 2, pp. 1992–1997. [Google Scholar]
- Tong, D.; Gu, J.; Totten, G.E. Numerical investigation of asynchronous dual-frequency induction hardening of spur gear. Int. J. Mech. Sci. 2018, 142, 1–9. (In Chinese) [Google Scholar] [CrossRef]
- Wang, Y.Q.; Zhou, W.S.; Zhao, Q.Z. Study of Synchronous Dual-frequency Induction Heating Power Supply. Dianli Dianzi Jishu Power Electron. 2013, 47, 18–20. (In Chinese) [Google Scholar]
- Zhou, M. Research on the Working Mode and Parameter Optimization Design of Dual-frequency Induction Heating Power Supply. Master’s Thesis, Xi’an University of Technology, Jinhua, China, 2024. (In Chinese). [Google Scholar]
- China Heat Treatment Industry Association. Outline of China’s 14th Five-Year Development Plan for Heat Treatment Industry. Heat Treat. Met. 2021, 46, I0029. (In Chinese) [Google Scholar]
- Han, W.; Chau, K.T.; Lam, W.H. All-utensil domestic induction heating system. Energy Convers. Manag. 2019, 195, 1035–1043. [Google Scholar] [CrossRef]
- Esteve, V.; Pardo, J.; Jordan, J.; Dede, E.J.; Sanchis-Kilders, E.; Maset, E. High power resonant inverter with simultaneous dual-frequency output. In Proceedings of the 2005 IEEE 36th Power Electronics Specialists Conference, Dresden, Germany, 16 June 2005; IEEE: Piscataway, NJ, USA, 2005; pp. 1278–1281. [Google Scholar]
- Matsuse, K.; Okudaira, S. A new quasi-resonant inverter with two-way short-circuit switch across a resonant capacitor. Proc. Power Convers. Conf. Osaka 2002, 3, 1496–1501. [Google Scholar]
- Schwenk, W.; Peter, H.J. Surface Hardening Using the Simultaneous Dual Frequency Method. Metallurgia 2003, 8–9. Available online: https://scholar.google.com/scholar?hl=en&q=Schwenk%3A+Surface+hardening+using+the+simultaneous+dual+frequency+method%2C+Metallurgia%2C+March+2003%2C+pp.+8%E2%80%939 (accessed on 10 November 2024).
- He, T. Research of Simultaneous Dual-Frequency Induction Heating Power Supply Based on Single Inverter. Master’s Thesis, Tsinghua University, Beijing, China, 2013. (In Chinese). [Google Scholar]
- Esteve, V.; Jordan, J.; Sanchis-Kilders, E.; Dede, E.J.; Maset, E.; Ejea, J.B.; Ferreres, A. Comparative study of a single inverter bridge for dual-frequency induction heating using Si and SiC MOSFETs. IEEE Trans. Ind. Electron. 2014, 62, 1440–1450. [Google Scholar] [CrossRef]
- Zhao, C.; Costinett, D.; Trento, B.; Friedrichs, D. A single-phase dual frequency inverter based on multi-frequency selective harmonic elimination. In Proceedings of the 2016 IEEE Applied Power Electronics Conference and Exposition (APEC), Long Beach, CA, USA, 20–24 March 2016; IEEE: Piscataway, NJ, USA, 2016; pp. 3577–3584. [Google Scholar]
- Lu, D. Research on Single-inverter Dual-Frequency Independent Controllable Induction Heating Power Supply. Master’s Thesis, Xi’an University of Technology, Jinhua, China, 2024. (In Chinese). [Google Scholar]
- Li, S. Research on Power Regulation and Control of Simultaneous Dual-Frequency Induction Heating Power Supply with Single Full-Bridge Inversion Topology. Master’s Thesis, Chongqing University, Chongqing, China, 2022. (In Chinese). [Google Scholar]
- Sadhu, P.K.; Bhattacharya, A.; Pal, N. Dual zone industrial induction heater using MOSFET based high frequency hybrid resonant converter. In Proceedings of the 2013 IEEE 1st International Conference on Condition Assessment Techniques in Electrical Systems (CATCON), Kolkata, India, 6–8 December 2013; IEEE: Piscataway, NJ, USA, 2013; pp. 335–340. [Google Scholar]
- Mounika, D.; Porpandiselvi, S.; Veeramallu VK, S. Dual frequency full-bridge inverter for all metal induction heating cooking applications. In Proceedings of the 2017 International Conference on Inventive Computing and Informatics (ICICI), Coimbatore, India, 23–24 November 2017; IEEE: Piscataway, NJ, USA, 2017; pp. 292–296. [Google Scholar]
- An, S.; Wang, M.; Li, C. Simulative study on three phase bridge inverter with dual frequency based on one-cycle control. Appl. Electron. Tech. 2010, 8, 77–80. (In Chinese) [Google Scholar]
- Ma, Z. Research on Dual Frequency Induction Heating Power Supply Based on new Topological Structure. Master’s Thesis, Xi’an University of Technology, Jinhua, China, 2021. (In Chinese). [Google Scholar]
- Shi, P. Study On Dual Frequency Induction Heating Power Supply used for Normalizing of Rail Welding. Master’s Thesis, Xi’an University of Technology, Jinhua, China, 2017. (In Chinese). [Google Scholar]
- Liu, P.; Yang, Y.; Lu, H. Research and implementation of Synchronous Dual-frequency Induction Heating Power Supply. Power Electron. Technol. 2018, 52, 63–65. (In Chinese) [Google Scholar] [CrossRef]
- Bi, C.; Lu, H.; Jia, K.; Hu, J.; Li, H. A novel multiple-frequency resonant inverter for induction heating applications. IEEE Trans. Power Electron. 2016, 31, 8162–8171. [Google Scholar] [CrossRef]
- Lai, J.S.; Peng, F.Z. Multilevel converters-a new breed of power converters. IEEE Trans. Ind. Appl. 1996, 32, 509–517. [Google Scholar]
- Liu, Q.; Leng, Z. The Decoupling Control of Double-frequency Induction Heating Power Supply Based on Diode Clamped Inverter. Proc. CSEE 2019, 39, 1783–1791. (In Chinese) [Google Scholar]
- Diong, B.; Basireddy, S.; Corzine, K.; Familiant, Y. Multilevel inverters with equal or unequal sources for dual-frequency induction heating. In Proceedings of the Nineteenth Annual IEEE Applied Power Electronics Conference and Exposition, 2004. APEC’04, Anaheim, CA, USA, 22–26 February 2004; IEEE: Piscataway, NJ, USA, 2004; Volume 2, pp. 825–831. [Google Scholar]
- Hou, X.; Wang, Z.; Su, Y.; Liu, Z.; Deng, Z. A dual-frequency dual-load multirelay magnetic coupling wireless power transfer system using shared power channel. IEEE Trans. Power Electron. 2022, 37, 15717–15727. [Google Scholar] [CrossRef]
- Wang, X.-Y. Research on Power Decoupling Control Double Frequency Induction Heating Power Supply. Master’s Thesis, Xi’an University of Science and Technology, Xi’an, China, 2023. (In Chinese). [Google Scholar]
- Papani, S.K.; Neti, V.; Murthy, B.K. Dual frequency inverter configuration for multiple-load induction cooking application. IET Power Electron. 2015, 8, 591–601. [Google Scholar] [CrossRef]
- Zgraja, J. Dual-frequency induction heating generator with adjustable impedance matching. IEEE Trans. Ind. Electron. 2018, 66, 8308–8317. [Google Scholar] [CrossRef]
- Reddy, G.G.; Porpandiselvi, S.; Kumar, P.S. Dual Frequency Buck-Boost Interleaved Inverter for All Metal Induction Heating Applications. In Proceedings of the 2018 International Conference on Electrical, Electronics, Communication, Computer, and Optimization Techniques (ICEECCOT), Msyuru, India, 14–15 December 2018; IEEE: Piscataway, NJ, USA, 2018; pp. 97–102. [Google Scholar]
- Kierepka, K.; Legutko, P.; Zimoch, P.; Kasprzak, M. Dual-frequency induction heating for gear hardening: Converter, resonant circuit, and FEM modelling. IET Power Electron. 2018, 11, 2396–2402. [Google Scholar] [CrossRef]
- Porpandiselvi, S.; Vishwanathan, N. Inverter configuration for simultaneous dual frequency induction hardening with independent control. EPE J. 2013, 23, 13–20. [Google Scholar] [CrossRef]
- Okudaira, S.; Matsuse, K. Power control of an adjustable frequency quasi-resonant inverter for dual frequency induction heating. In Proceedings of the IPEMC 2000. Third International Power Electronics and Motion Control Conference (IEEE Cat. No. 00EX435), Beijing, China, 15–18 August 2000; IEEE: Piscataway, NJ, USA, 2000; Volume 2, pp. 968–973. [Google Scholar]
- An, S.; Wang, M.; Deng, W. Control strategy of dual-frequency inverter suitable for photovoltaic grid-connection. Electr. Power Autom. Equip 2011, 31, 84–88. (In Chinese) [Google Scholar]
- Zhao, C.; Costinett, D. A phase-shift dual-frequency selective harmonic elimination for multiple AC loads in a full bridge inverter configuration. In Proceedings of the 2017 IEEE Applied Power Electronics Conference and Exposition (APEC), Tampa, FL, USA, 26–30 March 2017; IEEE: Piscataway, NJ, USA, 2017; pp. 2880–2887. [Google Scholar]
- Porpandiselvi, S.; Vishwanathan, N. Three-leg inverter configuration for simultaneous dual-frequency induction hardening with independent control. IET Power Electron. 2015, 8, 1571–1582. (In Chinese) [Google Scholar] [CrossRef]
- Sarnago, H.; Saoudi, M.; Mediano, A.; Puyal, D.; Lucía, Ó. Hybrid full/half wave inverter designed for low cost induction heating appliances. In Proceedings of the IECON 2011—37th Annual Conference of the IEEE Industrial Electronics Society, Melbourne, VIC, Australia, 7–10 November 2011; IEEE: Piscataway, NJ, USA, 2011; pp. 2539–2544. [Google Scholar]
- Wang, J. Research on Dual-frequency Induction Heating Power Supply based on LCCL Network. Master’s Thesis, Xi’an University of Science and Technology, Xi’an, China, 2022. (In Chinese). [Google Scholar]
- Lucia, O.; Burdio, J.M.; Millan, I.; Acero, J.; Puyal, D. Load-adaptive control algorithm of half-bridge series resonant inverter for domestic induction heating. IEEE Trans. Ind. Electron. 2009, 56, 3106–3116. [Google Scholar] [CrossRef]
- Okudaira, S.; Matsuse, K. Adjustable frequency quasi-resonant inverter circuits having short-circuit switch across resonant capacitor. IEEE Trans. Power Electron. 2008, 23, 1830–1838. [Google Scholar] [CrossRef]
- Sarnago, H.; Lucía, O.; Burdio, J.M. Multiresonant power converter for improved dual-frequency induction heating. IEEE Trans. Power Electron. 2018, 34, 2097–2103. [Google Scholar] [CrossRef]
- Han, W.; Chau, K.T.; Liu, W.; Tian, X.; Wang, H. A dual-resonant topology-reconfigurable inverter for all-metal induction heating. IEEE J. Emerg. Sel. Top. Power Electron. 2021, 10, 3818–3829. [Google Scholar] [CrossRef]
- Wang, J. Research on Dual Frequency Induction Heating Power Supply for Gear Heat Treatment. Master’s Thesis, Xi’an University of Technology, Xi’an, China, 2018. (In Chinese). [Google Scholar]
- Yang, L.; Jiang, L.; Zuo, Z. Research and Application of New Generation of Double Frequency Quenching Machine Control System for Import. In Proceedings of the 2018 China Automation Conference (CAC2018), Xi’an, China, 30 November–2 December 2018. (In Chinese). [Google Scholar]
- Zhou, K. Research on the Fully Digital Control System of a Dual-Frequency Quenching Machine for Rollers. Master’s Thesis, Wuhan University of Science and Technology, Wuhan, China, 2010. (In Chinese). [Google Scholar]
- Esteve, V.; Sanchis-Kilders, E.; Jordán, J.; Dede, E.J.; Cases, C.; Maset, E.; Ejea, J.B.; Ferreres, A. Improving the efficiency of IGBT series-resonant inverters using pulse density modulation. IEEE Trans. Ind. Electron. 2011, 58, 979–987. [Google Scholar] [CrossRef]
- Vishnuram, P.; Kumar, S.; Singh, V.K.; Babu, T.S.; Kannan, R.; Hasan, K.N.B.M. Phase shift-controlled dual-frequency multi-load converter with independent power control for induction cooking applications. Sustainability 2022, 14, 10278. [Google Scholar] [CrossRef]
- Forest, F.; Laboure, E.; Costa, F.; Gaspard, J.Y. Principle of a multi-load/single converter system for low power induction heating. IEEE Trans. Power Electron. 2000, 15, 223–230. [Google Scholar] [CrossRef]
- Huang, M.S.; Liao, C.C.; Li, Z.F.; Shih, Z.R.; Hsueh, H.W. Quantitative design and implementation of an induction cooker for a copper pan. IEEE Access 2020, 9, 5105–5118. [Google Scholar] [CrossRef]
- Esteve, V.; Jordán, J.; Dede, E.J.; Sanchis-Kilders, E.; Martinez, P.J.; Maset, E.; Gilabert, D. Optimal LLC inverter design with SiC MOSFETs and phase shift control for induction heating applications. IEEE Trans. Ind. Electron. 2021, 69, 11100–11111. [Google Scholar] [CrossRef]
- Oh, Y.; Yeon, J.; Kang, J.; Galkin, I.; Oh, W.; Cho, K. Sensorless control of voltage peaks in class-E single-ended resonant inverter for induction heating rice cooker. Energies 2021, 14, 4545. [Google Scholar] [CrossRef]
- Acero, J.; Carretero, C.; Alonso, R.; Burdio, J.M. Quantitative evaluation of induction efficiency in domestic induction heating applications. IEEE Trans. Magn. 2012, 49, 1382–1389. [Google Scholar] [CrossRef]
- Raindi. Application Potential of UHF Induction Heating Equipment in Medical Device Manufacturing [EB/OL]. 5 September 2024. Available online: http://www.raindi.com.cn/hyzx/22-337.html (accessed on 1 November 2024).
- COMSOL. Radiofrequency Induced Heating of Medical Instruments in MRI Examination [EB/OL]. September 2022. Available online: https://cn.comsol.com/story/radiofrequency-induced-heating-of-medical-devices-in-mri-systems-110141 (accessed on 1 November 2024).
- UIHM. Application of Induction Heating Technology in the Treatment of Tumor [EB/OL]. Available online: https://www.uihm.cn/chinese/2-80-419.html (accessed on 1 November 2024).
Disclaimer/Publisher’s Note: The statements, opinions and data contained in all publications are solely those of the individual author(s) and contributor(s) and not of MDPI and/or the editor(s). MDPI and/or the editor(s) disclaim responsibility for any injury to people or property resulting from any ideas, methods, instructions or products referred to in the content. |
© 2024 by the authors. Licensee MDPI, Basel, Switzerland. This article is an open access article distributed under the terms and conditions of the Creative Commons Attribution (CC BY) license (https://creativecommons.org/licenses/by/4.0/).





