Model Order Reduction and Stability Enhancement Control for AC/DC Converters Through State Feedback Method
Abstract
1. Introduction
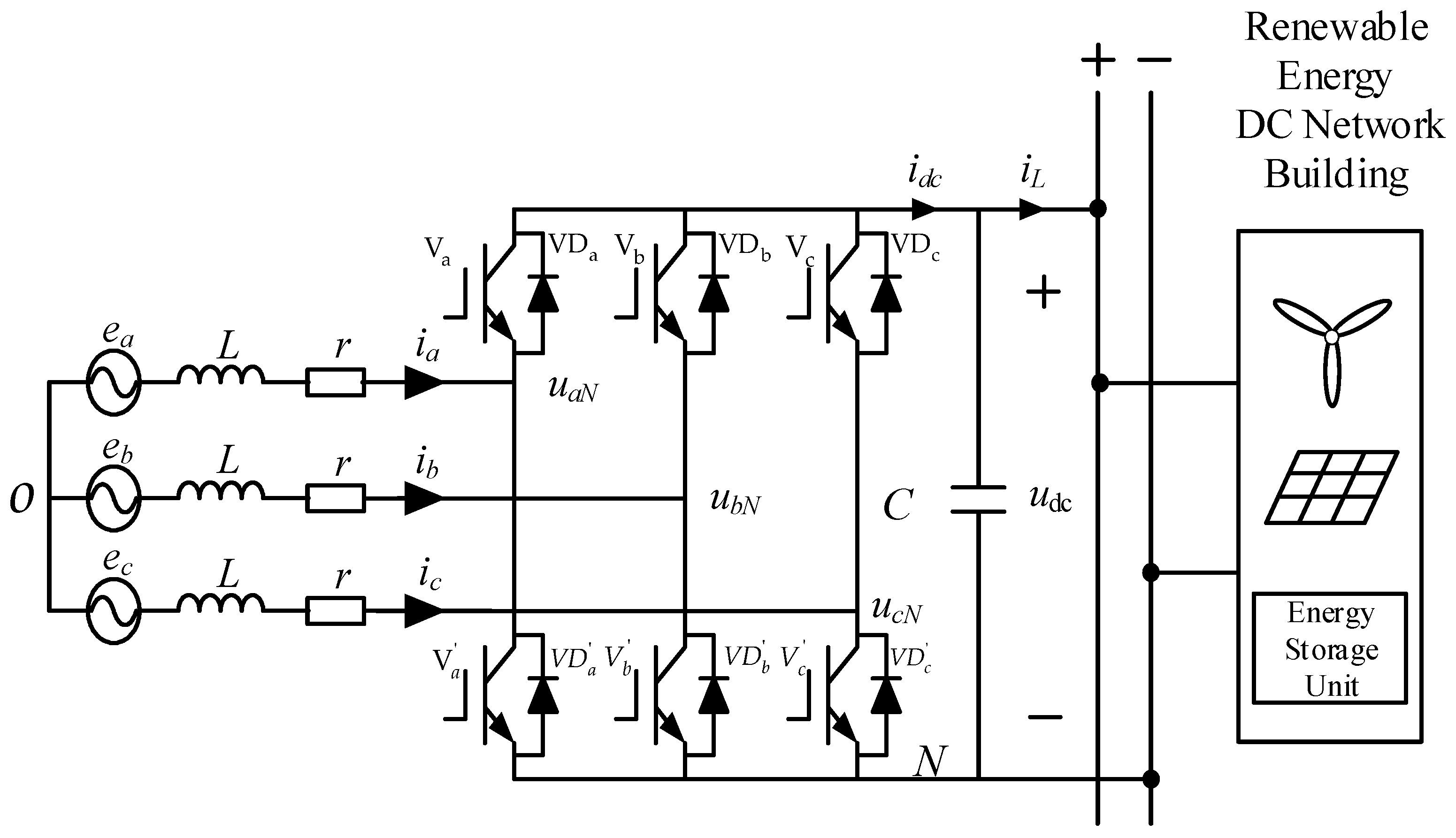
2. Mathematical Model of AC/DC Converter
3. Analysis of Double-Closed-Loop PI Control for AC/DC Converter
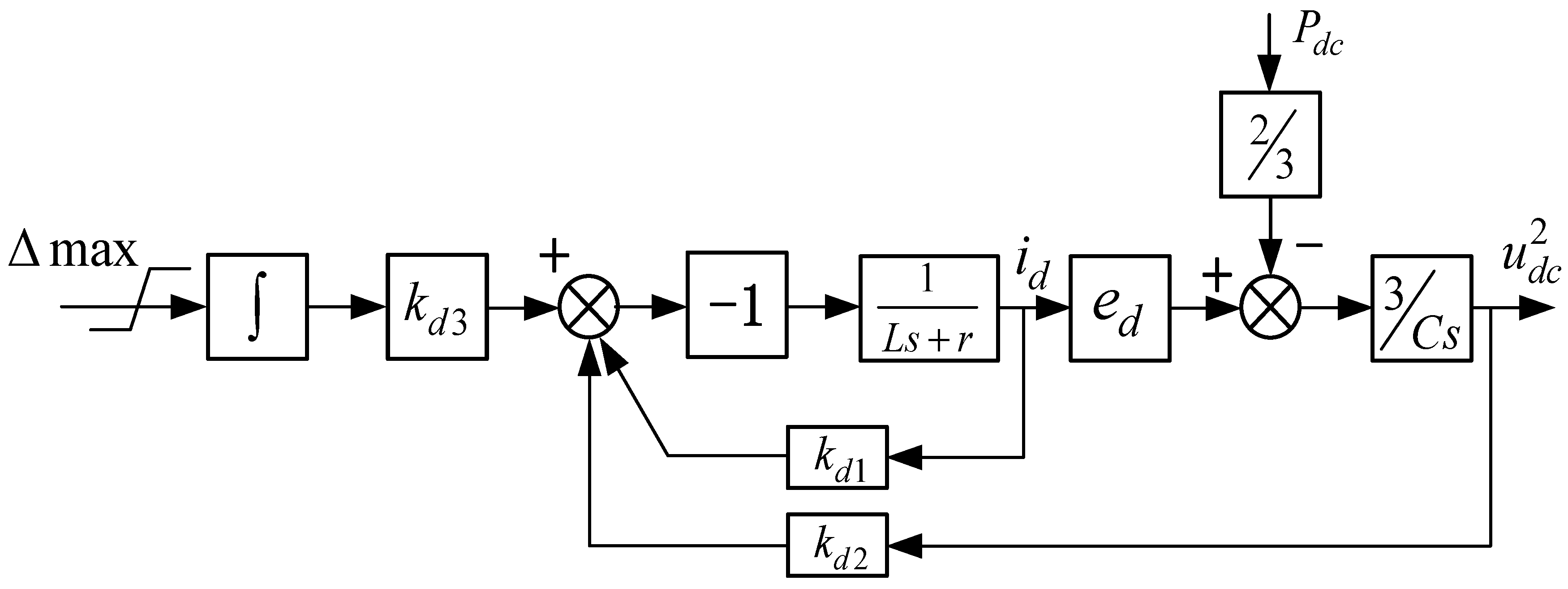
4. Single-Loop State Feedback Control
4.1. Single-Loop State Feedback Architecture
4.2. Design of Single-Loop State Feedback Controller for AC/DC Converter
5. Pole Placement for Single-Loop State Feedback Control of AC/DC Converter
5.1. Pole Placement Region
5.2. Three-Pole Configuration for AC/DC Converter
6. Comparison Between Single-Loop State Feedback Control and Double-Loop PI Control
6.1. Bode Plot Characteristic Analysis
6.2. Dynamic Performance Comparison
6.3. Disturbance Rejection Analysis
6.4. Redundancy Characteristic Analysis
7. Simulation and Experimental Verification
7.1. Simulation Verification
7.2. Experimental Verification
8. Conclusions
- In terms of stability, the single-loop state feedback control can achieve the same control objectives as PI control. In the low-frequency range, the PI control model attenuates at −40 dB/dec with a higher gain, while the single-loop state feedback control exhibits less phase lag and better stability.
- In terms of dynamic characteristics, the single-loop state feedback control exhibits significantly better controllability compared to traditional double-closed-loop PI control, equivalent to a typical Type I system. The single-loop state feedback allows for more flexible pole placement within the system constraints, thereby achieving better dynamic performance;
- In terms of disturbance rejection, the single-loop state feedback exhibits stronger disturbance rejection characteristics. Its equivalent transfer function has a high-frequency roll-off of −60 dB/dec. The single-loop state feedback also allows for more flexible pole placement within the system constraints, placing all three poles on the real axis. This configuration is equivalent to having three first-order systems in series, resulting in maximum system damping and improved disturbance rejection.
Author Contributions
Funding
Data Availability Statement
Conflicts of Interest
Nomenclature
| Parameters | Definitions |
| ea, eb, ec | the AC grid voltage |
| L | the inductor filter |
| r | the filter parasitic resistance |
| C | the DC-side filter capacitance |
| uaN, ubN, ucN | the voltages at the converter terminals relative to the neutral point |
| ia, ib, ic | the inductor currents towards the grid side |
| iL | the current on the DC side. |
| ΔWC | the exchanged energy stored in the capacitor |
| Wac | the energy flowing into the AC side |
| Wdc | the exchanged energy from the DC side |
| As | the system matrix |
| Bs | input matrix |
| Es | disturbance input matrix |
| xs | state variable |
| us | input vector |
| ds | disturbance input vector |
| Kvp | the proportional coefficients of the outer-loop PI control |
| Kvi | the integral coefficients of the outer-loop PI control |
| KiP | the proportional coefficients of the inner-loop PI control |
| KiI | the integral coefficients of the inner-loop PI control |
| fs | the switching frequency of the grid-connected converter modulation |
| Tv | the integral time constant of the outer loop |
| Tev | the equivalent time constant of the current inner loop |
| mdc | the error integral state variable |
| udc2* | the specified value of the square of the capacitor voltage |
| usd,q | the reference input in d, q-axis |
| yd,q | the reference output in d, q-axis |
| Ad,q | the system matrix in d, q-axis |
| Bd,q | the input matrix in d, q-axis |
| xd,q | the state variable in d, q-axis |
| Bd,q* | the reference input matrix in d, q-axis |
| Cd,q | the output matrix in d, q-axis |
| imax | current limit |
| id,qmax | the current limit in d, q-axis |
| iN | the rated current of the converter design |
| ts* | the desired settling time |
| Mp* | the desired percent overshoot |
| Mr* | the desired |
| ωbu,d* | the desired lower, upper bandwidth limit |
| ts | the settling time |
| Mp | percent overshoot |
| ΔPdc | the variation in DC-side power |
| ΔUdc | the variation in DC-side voltage |
| Udce | the DC bus voltage at steady state |
References
- Muhtadi, A.; Pandit, D.; Nguyen, N.; Mitra, J. Distributed Energy Resources Based Microgrid: Review of Architecture, Control, and Reliability. IEEE Trans. Ind. Applicat. 2021, 57, 2223–2235. [Google Scholar] [CrossRef]
- Blaabjerg, F.; Teodorescu, R.; Liserre, M.; Timbus, A.V. Overview of Control and Grid Synchronization for Distributed Power Generation Systems. IEEE Trans. Ind. Electron. 2006, 53, 1398–1409. [Google Scholar] [CrossRef]
- Liang, X.; Andalib -Bin- Karim, C. Harmonics and Mitigation Techniques Through Advanced Control in Grid-Connected Renewable Energy Sources: A Review. IEEE Trans. Ind. Applicat. 2018, 54, 3100–3111. [Google Scholar] [CrossRef]
- Nejabatkhah, F. Overview of Power Management Strategies of Hybrid AC/DC Microgrid. IEEE Trans. Power Electron. 2015, 30, 7072–7089. [Google Scholar] [CrossRef]
- Dragicevic, T.; Lu, X.; Vasquez, J.; Guerrero, J. DC Microgrids–Part I: A Review of Control Strategies and Stabilization Techniques. IEEE Trans. Power Electron. 2015, 31, 4876–4891. [Google Scholar] [CrossRef]
- Dragicevic, T.; Lu, X.; Vasquez, J.C.; Guerrero, J.M. DC Microgrids—Part II: A Review of Power Architectures, Applications, and Standardization Issues. IEEE Trans. Power Electron. 2016, 31, 3528–3549. [Google Scholar] [CrossRef]
- Xuan, Z.; Gao, X.; Li, K.; Wang, F.; Ge, X.; Hou, Y. PV-Load Decoupling Based Demand Response Baseline Load Estimation Approach for Residential Customer With Distributed PV System. IEEE Trans. Ind. Applicat. 2020, 56, 6128–6137. [Google Scholar] [CrossRef]
- Faraji, R.; Ding, L.; Mazloum, N. Soft-Switched Single Inductor Single Stage Multiport Bidirectional Power Converter for Hybrid Energy Systems. IEEE Trans. Power Electron. 2021, 36, 11298–11315. [Google Scholar] [CrossRef]
- Tu, H.; Yu, H.; Lukic, S. Impact of Virtual Inertia on DC Grid Stability With Constant Power Loads. IEEE Trans. Power Electron. 2023, 38, 5693–5699. [Google Scholar] [CrossRef]
- Meng, J.; Wu, X.; Ye, T.; Yu, J.; Gu, L.; Zhang, Z.; Li, Y. Output Voltage Response Improvement and Ripple Reduction Control for Input-Parallel Output-Parallel High-Power DC Supply. IEEE Trans. Power Electron. 2023, 38, 11102–11112. [Google Scholar] [CrossRef]
- Gong, S.; Li, X.; Han, J.; Sun, Y.; Xu, G.; Jiang, Y.; Huang, S. Sliding Mode Control-Based Decoupling Scheme for Quad-Active Bridge DC–DC Converter. IEEE J. Emerg. Sel. Top. Power Electron. 2022, 10, 1153–1164. [Google Scholar] [CrossRef]
- Chen, J.-Y.; Yang, S.-C. Integration of Measurement Vector Insertion With Discontinuous PWM to Improve Saliency-Based Sensorless Drive Position Estimation. IEEE Trans. Power Electron. 2022, 37, 15283–15296. [Google Scholar] [CrossRef]
- Yang, D.; Zhou, F.; Xiong, J. Research on Improved Three-Phase PWM Rectifier Based on Sliding Mode Control. In Proceedings of the 2022 4th International Conference on Electrical Engineering and Control Technologies (CEECT), Shanghai, China, 16–18 December 2022; IEEE: Shanghai, China, December, 2022; pp. 1178–1182. [Google Scholar]
- Moeini, A.; Zhao, H.; Wang, S. A Current-Reference-Based Selective Harmonic Current Mitigation PWM Technique to Improve the Performance of Cascaded H-Bridge Multilevel Active Rectifiers. IEEE Trans. Ind. Electron. 2018, 65, 727–737. [Google Scholar] [CrossRef]
- Zhou, L.; She, J.; Zhang, X.-M.; Zhang, Z. Additive-State-Decomposition-Based Repetitive Control for a Class of Nonlinear Systems with Multiple Mismatched Disturbances. IEEE Trans. Ind. Electron. 2021, 68, 12565–12574. [Google Scholar] [CrossRef]
- Guo, Q.; Carrizosa, M.J.; Iovine, A.; Arzandé, A. Dynamic Feedback Linearization and Singular Perturbation for a Stabilizing Controller for DC/DC Boost Converters: Theory and Experimental Validation. IEEE Trans. Ind. Electron. 2024, 71, 9559–9568. [Google Scholar] [CrossRef]
- Quan, X.; Huang, A.Q. A Novel Dominant Dynamic Elimination Control for Voltage-Controlled Inverter. IEEE Trans. Ind. Electron. 2018, 65, 6800–6812. [Google Scholar] [CrossRef]
- Zhang, K.; Kang, Y.; Xiong, J.; Chen, J. Direct Repetitive Control of SPWM Inverter for UPS Purpose. IEEE Trans. Power Electron. 2003, 18, 784–792. [Google Scholar] [CrossRef]
- Jouybary, H.S.; Mpanda Mabwe, A.; Arab Khaburi, D.; El Hajjaji, A. An LMI-Based Linear Quadratic Regulator (LQR) Control for Modular Multilevel Converters (MMCs) Considering Parameters Uncertainty. IEEE Access 2024, 12, 111888–111898. [Google Scholar] [CrossRef]
- Zhang, H.; Ruan, X.; Lin, Z.; Guo, Y. Capacitor Voltage Full Feedback Scheme for LCL-Type Grid-Connected Inverter to Suppress Current Distortion Due to Grid Voltage Harmonics. IEEE Trans. Power Electron. 2021, 36, 2996–3006. [Google Scholar] [CrossRef]
- He, Y.; Pan, D.; Xu, X.; Liu, F. Capacitor-Current Proportional-Integral Positive Feedback Active Damping for LCL-Type Grid-Connected Inverter to Achieve High Robustness Against Grid Impedance Variation. IEEE Trans. Power Electron. 2019, 34, 12423–12436. [Google Scholar] [CrossRef]
- Li, S.; Lin, H. A Capacitor-Current-Feedback Positive Active Damping Control Strategy for LCL-Type Grid-Connected Inverter to Achieve High Robustness. IEEE Trans. Power Electron. 2022, 37, 6462–6474. [Google Scholar] [CrossRef]
- Xue, M.; Zhang, Y.; Kang, Y.; Yi, Y.; Li, S.; Liu, F. Full Feedforward of Grid Voltage for Discrete State Feedback Controlled Grid-Connected Inverter With LCL Filter. IEEE Trans. Power Electron. 2012, 27, 4234–4247. [Google Scholar] [CrossRef]
- Zhang, Y. Grid-Voltage Sensorless Model Predictive Control of Three-Phase PWM Rectifier Under Unbalanced and Distorted Grid Voltages. IEEE Trans. Power Electron. 2020, 35, 8663–8672. [Google Scholar] [CrossRef]
- Sato, A.; Noguchi, T. Voltage-Source PWM Rectifier–Inverter Based on Direct Power Control and Its Operation Characteristics. IEEE Trans. Power Electron. 2011, 26, 1559–1567. [Google Scholar] [CrossRef]
- Zhang, Y. Direct Power Control of PWM Rectifier With Feedforward Compensation of DC-Bus Voltage Ripple Under Unbalanced Grid Conditions. IEEE Trans. Ind. Appl. 2019, 55, 2890–2901. [Google Scholar] [CrossRef]
- Liu, N.; Wang, H.; Sun, L.; Zhou, W.; Song, J.; Zhou, D.; Wang, W.; Chen, Z. Modular Impedance Modeling and Stability Analysis of Hybrid AC/DC Power Systems With Grid-Forming and Grid-Following Converters. IEEE Access 2024, 12, 4063–4077. [Google Scholar] [CrossRef]
- Tian, Y.; Sun, X.; Hu, Y. Active Power and DC Voltage Coordinative Control for Cascaded DC–AC Converter With Bidirectional Power Application. IEEE Trans. Power Electron. 2015, 30, 5911–5925. [Google Scholar] [CrossRef]
- Lu, J.; Savaghebi, M.; Ghias, A.M.Y.M.; Hou, X.; Guerrero, J.M. A Reduced-Order Generalized Proportional Integral Observer-Based Resonant Super-Twisting Sliding Mode Control for Grid-Connected Power Converters. IEEE Trans. Ind. Electron. 2021, 68, 5897–5908. [Google Scholar] [CrossRef]





























| Control Loop | Proportional Coefficient K | Integral Coefficient I |
|---|---|---|
| Current Loop | 10 | 300 |
| Voltage Loop | 0.4 | 3 |
| Parameters | Values | Parameters | Values |
|---|---|---|---|
| Design Power P/kVA | 3 | Bus Voltage | 400 |
| AC Phase Voltage | 110 | DC-Side Capacitance | 400 |
| Connecting Inductance | 7.7 | Inductor Equivalent Resistance | 0.15 |
| Resistive Load | 100 | Switching Frequency | 10 |
| Proportional Coefficient of Voltage Outer Loop | 0.3 | Integral Coefficient of Voltage Outer Loop | 20 |
| Proportional Coefficient of Current Inner Loop | 10 | Integral Coefficient of Current Inner Loop | 400 |
| Single-Loop State Feedback Control d-Axis Poles | −503, −502, −501 | Single-Loop State Feedback Control q-Axis Poles | −503, −502 |
Disclaimer/Publisher’s Note: The statements, opinions and data contained in all publications are solely those of the individual author(s) and contributor(s) and not of MDPI and/or the editor(s). MDPI and/or the editor(s) disclaim responsibility for any injury to people or property resulting from any ideas, methods, instructions or products referred to in the content. |
© 2024 by the authors. Licensee MDPI, Basel, Switzerland. This article is an open access article distributed under the terms and conditions of the Creative Commons Attribution (CC BY) license (https://creativecommons.org/licenses/by/4.0/).
Share and Cite
Lu, Y.; Bu, W.; Chen, Q.; Qiu, P.; Tian, Y. Model Order Reduction and Stability Enhancement Control for AC/DC Converters Through State Feedback Method. Electronics 2024, 13, 4760. https://doi.org/10.3390/electronics13234760
Lu Y, Bu W, Chen Q, Qiu P, Tian Y. Model Order Reduction and Stability Enhancement Control for AC/DC Converters Through State Feedback Method. Electronics. 2024; 13(23):4760. https://doi.org/10.3390/electronics13234760
Chicago/Turabian StyleLu, Yi, Wenqiang Bu, Qian Chen, Peng Qiu, and Yanjun Tian. 2024. "Model Order Reduction and Stability Enhancement Control for AC/DC Converters Through State Feedback Method" Electronics 13, no. 23: 4760. https://doi.org/10.3390/electronics13234760
APA StyleLu, Y., Bu, W., Chen, Q., Qiu, P., & Tian, Y. (2024). Model Order Reduction and Stability Enhancement Control for AC/DC Converters Through State Feedback Method. Electronics, 13(23), 4760. https://doi.org/10.3390/electronics13234760

