Busbar Design for High-Power SiC Converters †
Abstract
1. Introduction
2. Laminated Busbars—The State of the Art
2.1. Parasitic and EMI
2.2. Current Capacity and Distribution
2.3. Insulation
2.4. Sensors and Integration
3. PCB Busbars—New Options for WBG Converters
3.1. The Basic Structure of PCBs
3.2. PCB Busbars for High-Power Converters
3.3. Limitations and Breakthroughs
4. PCB Busbar Optimization
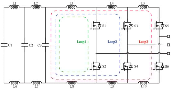
4.1. Loop Minimization for SiC Power Module-Based Design
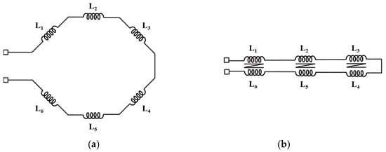
4.2. Loop Minimization for Discrete SiC Device-Based Design
4.3. Design Example for Discrete Device-Based 75 kW Inverter
4.4. Experimental Validation
5. Conclusions
Author Contributions
Funding
Data Availability Statement
Conflicts of Interest
References
- Millán, J.; Godignon, P.; Perpiñà, X.; Pérez-Tomás, A.; Rebollo, J. A Survey of Wide Bandgap Power Semiconductor Devices. IEEE Trans. Power Electron. 2014, 29, 2155–2163. [Google Scholar] [CrossRef]
- Biela, J.; Schweizer, M.; Waffler, S.; Kolar, J.W. SiC versus Si—Evaluation of Potentials for Performance Improvement of Inverter and DC–DC Converter Systems by SiC Power Semiconductors. IEEE Trans. Ind. Electron. 2011, 58, 2872–2882. [Google Scholar] [CrossRef]
- Chen, Z.; Huang, A.Q. Extreme high efficiency enabled by silicon carbide (SiC) power devices. Mater. Sci. Semicond. Process. 2024, 172, 108052. [Google Scholar] [CrossRef]
- Huang, X.; Feng, J.; Du, W.; Lee, F.C.; Li, Q. Design consideration of MHz active clamp flyback converter with GaN devices for low power adapter application. In Proceedings of the 2016 IEEE Applied Power Electronics Conference and Exposition (APEC), Long Beach, CA, USA, 20–24 March 2016; pp. 2334–2341. [Google Scholar]
- Lee, F.C.; Li, Q.; Liu, Z.; Yang, Y.; Fei, C.; Mu, M. Application of GaN devices for 1 kW server power supply with integrated magnetics. CPSS Trans. Power Electron. Appl. 2016, 1, 3–12. [Google Scholar] [CrossRef]
- Xue, L.; Zhang, J. Highly Efficient Secondary-Resonant Active Clamp Flyback Converter. IEEE Trans. Ind. Electron. 2018, 65, 1235–1243. [Google Scholar] [CrossRef]
- Sun, R.; Lai, J.; Chen, W.; Zhang, B. GaN Power Integration for High Frequency and High Efficiency Power Applications: A Review. IEEE Access 2020, 8, 15529–15542. [Google Scholar] [CrossRef]
- Xu, W.; Guo, Z.; Vetrivelan, A.; Yu, R.; Huang, A.Q. Hardware Design of a 13.8-kV/3-MVA PV Plus Storage Solid-State Transformer (PVS-SST). IEEE J. Emerg. Sel. Top. Power Electron. 2022, 10, 3571–3586. [Google Scholar] [CrossRef]
- Chen, Z.; Rizi, H.S.; Xu, W.; Yu, R.; Huang, A.Q. Hardware Design of a 150kW/1500V All-SiC Grid-forming Photovoltaic Synchronous Generator (PVSG). In Proceedings of the 2022 IEEE Applied Power Electronics Conference and Exposition (APEC), Houston, TX, USA, 20–24 March 2022; pp. 1977–1984. [Google Scholar]
- Zhang, Z.; Tu, H.; She, X.; Sadilek, T.; Ramabhadran, R.; Hu, H.; Earls, W. High-Efficiency Silicon Carbide-Based Buck-Boost Converter in an Energy Storage System: Minimizing Complexity and Maximizing Efficiency. IEEE Ind. Appl. Mag. 2021, 27, 51–62. [Google Scholar] [CrossRef]
- Chen, Z.; Chen, C.; Rizi, H.S.; Huang, A.Q. A High Power Density 75kVA Air-Cooled SiC Intelligent Power Stage (IPS) as a Universal Building Block for Grid Applications. In Proceedings of the 2023 IEEE Applied Power Electronics Conference and Exposition (APEC), Orlando, FL, USA, 19–23 March 2023. [Google Scholar]
- Zhang, C.; Srdic, S.; Lukic, S.; Sun, K.; Wang, J.; Burgos, R. A SiC-Based Liquid-Cooled Electric Vehicle Traction Inverter Operating at High Ambient Temperature. CPSS Trans. Power Electron. Appl. 2022, 7, 160–175. [Google Scholar] [CrossRef]
- Chen, Z.; Huang, A.Q. High Power Converter Busbar in the New Era of Wide-Band-Gap Power Semiconductor. In Proceedings of the 2023 IEEE Energy Conversion Congress and Exposition (ECCE), Nashville, TN, USA, 29 October–2 November 2023. [Google Scholar]
- Beukes, H.J.; Enslin, J.H.R.; Spee, R. Busbar design considerations for high power IGBT converters. In Proceedings of the PESC97. Record 28th Annual IEEE Power Electronics Specialists Conference. Formerly Power Conditioning Specialists Conference 1970-71. Power Processing and Electronic Specialists Conference 1972, St. Louis, MO, USA, 22–27 June 1997; Volume 2, pp. 847–853. [Google Scholar]
- Schanen, J.L.; Clavel, E.; Roudet, J. Modeling of low inductive busbar connections. IEEE Ind. Appl. Mag. 1996, 2, 39–43. [Google Scholar] [CrossRef]
- Cronje, W.A.; Van Wyk, J.D.; Van Wyk, J.D. A systematic approach to modelling of layout parasitics in converters-initial formulation. In Proceedings of the PESC 98 Record 29th Annual IEEE Power Electronics Specialists Conference (Cat. No.98CH36196), Fukuoka, Japan, 22–22 May 1998; Volume 2, pp. 1944–1950. [Google Scholar]
- Youssef, M.; Antonini, G.; Clavel, E.; Roudet, J.; Cristina, S.; Orlandi, A. Conducted and radiated EMI characterization of power electronics converter. In Proceedings of the ISIE’97 Proceeding of the IEEE International Symposium on Industrial Electronics, Guimaraes, Portugal, 7–11 July 1997; Volume 1, pp. SS207–SS211. [Google Scholar]
- Skibinski, G.L.; Divan, D.M. Design methodology and modeling of low inductance planar bus structures. In Proceedings of the 1993 Fifth European Conference on Power Electronics and Applications, Brighton, UK, 13–16 September 1993; Volume 3, pp. 98–105. [Google Scholar]
- Guichon, J.M.; Aimé, J.; Schanen, J.L.; Martin, C.; Roudet, J.; Clavel, E.; Arpilliere, M.; Pasterczyk, R.; Le Floch, Y. Busbar Design: How to Spare Nanohenries ? In Proceedings of the Conference Record of the 2006 IEEE Industry Applications Conference Forty-First IAS Annual Meeting, Tampa, FL, USA, 8–12 October 2006; pp. 1865–1869. [Google Scholar]
- Caponet, M.C.; Profumo, F.; De Doncker, R.W.; Tenconi, A. Low stray inductance bus bar design and construction for good EMC performance in power electronic circuits. IEEE Trans. Power Electron. 2002, 17, 225–231. [Google Scholar] [CrossRef]
- Chen, C.; Pei, X.; Chen, Y.; Kang, Y. Investigation, Evaluation, and Optimization of Stray Inductance in Laminated Busbar. IEEE Trans. Power Electron. 2014, 29, 3679–3693. [Google Scholar] [CrossRef]
- Wang, J.; Yu, S.; Zhang, X.; Wei, Z.; Jiang, N.; Chen, W.; Du, E. Accurate Modeling of the Effective Parasitic Parameters for the Laminated Busbar Connected With Paralleled SiC MOSFETs. IEEE Trans. Circuits Syst. I Regul. Pap. 2021, 68, 2107–2120. [Google Scholar] [CrossRef]
- Callegaro, A.D.; Guo, J.; Eull, M.; Danen, B.; Gibson, J.; Preindl, M.; Bilgin, B.; Emadi, A. Bus Bar Design for High-Power Inverters. IEEE Trans. Power Electron. 2018, 33, 2354–2367. [Google Scholar] [CrossRef]
- Buschendorf, M.; Köbe, M.; Alvarez, R.; Bernet, S. Comprehensive design of DC busbars for medium voltage applications. In Proceedings of the 2013 IEEE Energy Conversion Congress and Exposition, Denver, CO, USA, 15–19 September 2013; pp. 1880–1885. [Google Scholar]
- Wang, Z.; Wu, Y.; Mahmud, M.H.; Yuan, Z.; Zhao, Y.; Mantooth, H.A. Busbar Design and Optimization for Voltage Overshoot Mitigation of a Silicon Carbide High-Power Three-Phase T-Type Inverter. IEEE Trans. Power Electron. 2021, 36, 204–214. [Google Scholar] [CrossRef]
- Moorthy, R.S.; Aberg, B.; Olimmah, M.; Yang, L.; Rahman, D.; Lemmon, A.N.; Yu, W.; Husain, I. Estimation, Minimization, and Validation of Commutation Loop Inductance for a 135-kW SiC EV Traction Inverter. IEEE J. Emerg. Sel. Top. Power Electron. 2020, 8, 286–297. [Google Scholar] [CrossRef]
- Wen, L.; Yang, L.; Yu, W.; Husain, I. PCB Busbar Optimization for High Power SiC Module. In Proceedings of the 2019 IEEE 7th Workshop on Wide Bandgap Power Devices and Applications (WiPDA), Raleigh, NC, USA, 29–31 October 2019; pp. 225–230. [Google Scholar]
- Chen, Z.; Chen, C.; Huang, Q.; Huang, A.Q. Design of High Power Converter with Single Low Ron Discrete SiC Device. In Proceedings of the 2022 IEEE 9th Workshop on Wide Bandgap Power Devices & Applications (WiPDA), Redondo Beach, CA, USA, 7–9 November 2022; pp. 209–214. [Google Scholar]
- Bertelshofer, T.; Denk, M.; Bakran, M. Design Study and Prototype of 150 kW Inverter with Discrete SiC MOSFETs. In Proceedings of the PCIM Europe 2019, International Exhibition and Conference for Power Electronics, Intelligent Motion, Renewable Energy and Energy Management, Nuremberg, Germany, 7–9 May 2019. [Google Scholar]
- Li, H.; Munk-Nielsen, S.; Wang, X.; Maheshwari, R.; Bęczkowski, S.; Uhrenfeldt, C.; Franke, W.T. Influences of Device and Circuit Mismatches on Paralleling Silicon Carbide MOSFETs. IEEE Trans. Power Electron. 2016, 31, 621–634. [Google Scholar] [CrossRef]
- Liu, P. Modeling and Design of Paralleled SiC MOSFET for Multi-Chip Power Module. Ph.D. Dissertation, Department of Electrical and Computer Engineering, the University of Texas at Austin, Austin, TX, USA, 2021. [Google Scholar]
- Zhao, C.; Wang, L.; Zhang, F. Effect of Asymmetric Layout and Unequal Junction Temperature on Current Sharing of Paralleled SiC MOSFETs With Kelvin-Source Connection. IEEE Trans. Power Electron. 2020, 35, 7392–7404. [Google Scholar] [CrossRef]
- Yuan, Z. Design and Evaluation of High Power, High Efficiency and High Power Density Motor Drives for More Electric Aircrafts. Ph.D. Dissertation, College of Engineering Electrical Engineering, University of Arkansas, Fayetteville, AR, USA, 2020. [Google Scholar]
- Xu, W.; Guo, Z.; Tayebi, S.M.; Rajendran, S.; Sun, A.; Yu, R.; Huang, A.Q. Hardware Design and Demonstration of a 100kW, 99% Efficiency Dual Active Half Bridge Converter Based on 1700V SiC Power MOSFET. In Proceedings of the 2020 IEEE Applied Power Electronics Conference and Exposition (APEC), New Orleans, LA, USA, 15–19 March 2020; pp. 1367–1373. [Google Scholar]
- Hazra, S.; Madhusoodhanan, S.; Moghaddam, G.K.; Hatua, K.; Bhattacharya, S. Design Considerations and Performance Evaluation of 1200-V 100-A SiC MOSFET-Based Two-Level Voltage Source Converter. IEEE Trans. Ind. Appl. 2016, 52, 4257–4268. [Google Scholar] [CrossRef]
- Liang, Z.; Hu, S.; Wang, M.; He, X. DC-Link Busbar Network Design and Evaluation Method for the Large-Capacity Power Electronic Converter. IEEE J. Emerg. Sel. Top. Power Electron. 2021, 9, 4137–4145. [Google Scholar] [CrossRef]
- Li, Y.; Zhang, Y.; Yuan, X.; Zhang, L.; Song, Z.; Wu, M.; Ye, F.; Li, Z.; Xu, Y.; Wang, Z. 500 kW Forced Air-Cooled Silicon Carbide (SiC) Three-Phase DC/AC Converter With a Power Density of 1.246 MW/m3 and Efficiency > 98.5%. IEEE Trans. Ind. Appl. 2021, 57, 5013–5027. [Google Scholar] [CrossRef]
- SEMIKRON. AN 7006 Application Note IGBT Peak Voltage Measurement and Snubber. IGBT Peak Voltage Measurement and Snubber Capacitor Specification (AN-7006/2008-03-17—Rev-00). 2008. Available online: https://www.semikron.com/#smkq/AN7006 (accessed on 24 November 2024).
- Effective Use of Power Devices—Silicon Carbide Power Devices Understanding & Application Examples Utilizing the Merits. Available online: https://pages.rohm.com/Tech_download08_En.html (accessed on 24 November 2024).
- Mitsui, K.; Wada, K. Design of a Laminated Bus Bar Optimizing the Surge Voltage, Damped Oscillation, and Switching Loss. IEEE Trans. Ind. Appl. 2021, 5F7, 2737–2745. [Google Scholar] [CrossRef]
- Zou, G.; Zhao, Z.; Yuan, L. Study on DC busbar structure considering stray inductance for the back-to-back IGBT-based converter. In Proceedings of the 2013 Twenty-Eighth Annual IEEE Applied Power Electronics Conference and Exposition (APEC), Long Beach, CA, USA, 17–21 March 2013; pp. 1213–1218. [Google Scholar]
- Ma, Z.; Diao, F.; Guo, F.; Cao, H.; Wang, Z.; Lin, N.; Wu, Y.; Mahmud, M.H.; Zhao, Y. Design and Demonstration of a Medium-Voltage High-Power All Silicon Carbide ANPC Converter With Optimized Busbar Architecture. IEEE J. Emerg. Sel. Top. Power Electron. 2024, 12, 3161–3172. [Google Scholar]
- Chen, Z.; Guo, Z.; Chen, C.; Huang, A.Q. Hardware Testing Methodologies for Wide Bandgap High-Power Converters. Electronics 2024, 13, 3918. [Google Scholar] [CrossRef]
- Mehrabadi, N.R.; Cvetkovic, I.; Wang, J.; Burgos, R.; Boroyevich, D. Busbar design for SiC-based H-bridge PEBB using 1.7 kV, 400 a SiC MOSFETs operating at 100 kHz. In Proceedings of the 2016 IEEE Energy Conversion Congress and Exposition (ECCE), Milwaukee, WI, USA, 18–22 September 2016; pp. 1–7. [Google Scholar]
- Pasterczyk, R.J.; Martin, C.; Guichon, J.-M.; Schanen, J.-L. Planar busbar optimization regarding current sharing and stray inductance minimization. In Proceedings of the 2005 European Conference on Power Electronics and Applications, Dresden, Germany, 11–14 September 2005; p. 9. [Google Scholar]
- Yu, S.; Wang, J.; Zhang, X.; Liu, Y.; Wei, Z. The Method for Decoupling the Parasitic Inductance of the Laminated Busbar with SiC MOSFETs in Parallel. In Proceedings of the 2021 IEEE Workshop on Wide Bandgap Power Devices and Applications in Asia (WiPDA Asia), Wuhan, China, 25–27 August 2021; pp. 270–275. [Google Scholar]
- Negri, S.; Wu, X.; Liu, X.; Grassi, F.; Spadacini, G.; Pignari, S.A. Mode Conversion in DC-DC Converters with Unbalanced Busbars. In Proceedings of the 2019 Joint International Symposium on Electromagnetic Compatibility, Sapporo and Asia-Pacific International Symposium on Electromagnetic Compatibility (EMC Sapporo/APEMC), Sapporo, Japan, 3–7 June 2019; pp. 112–115. [Google Scholar]
- Lin, M.; Chen, R.; Li, D.; Tolbert, L.M.; Wang, F.; Bai, H. Design and Testing of a 6.5 kV Submodule Based on a 10 kV SiC Power Module. In Proceedings of the 2023 IEEE Energy Conversion Congress and Exposition (ECCE), Nashville, TN, USA, 29 October–2 November 2023; pp. 5794–5800. [Google Scholar]
- Gui, H.; Chen, R.; Niu, J.; Zhang, Z.; Wang, F.; Tolbert, L.M.; Costinett, D.J.; Blalock, B.J.; Choi, B.B. Design of Low Inductance Busbar for 500 kVA Three-Level ANPC Converter. In Proceedings of the 2019 IEEE Energy Conversion Congress and Exposition (ECCE), Baltimore, MD, USA, 29 September–3 October 2019; pp. 7130–7137. [Google Scholar]
- Gui, H.; Chen, R.; Zhang, Z.; Niu, J.; Tolbert, L.M.; Wang, F.; Costinett, D.; Blalock, B.J.; Choi, B.B. Methodology of Low Inductance Busbar Design for Three-Level Converters. IEEE J. Emerg. Sel. Top. Power Electron. 2021, 9, 3468–3478. [Google Scholar]
- Beye, M.L.; Bimmel, L.; Bier, A.; Martin, J. Multilayer busbars for medium voltage ANPC converter dedicated to battery energy storage systems. In Proceedings of the 2022 24th European Conference on Power Electronics and Applications (EPE’22 ECCE Europe), Hanover, Germany, 5–9 September 2022; pp. 1–8. [Google Scholar]
- Deshpande, A.; Luo, F. Multilayer busbar design for a Si IGBT and SiC MOSFET hybrid switch based 100 kW three-level T-type PEBB. In Proceedings of the 2017 IEEE 5th Workshop on Wide Bandgap Power Devices and Applications (WiPDA), Albuquerque, NM, USA, 30 October–1 November 2017; pp. 20–24. [Google Scholar]
- Deshpande, A.; Chen, Y.; Narayanasamy, B.; Yuan, Z.; Chen, C.; Luo, F. Design of a High-Efficiency, High Specific-Power Three-Level T-Type Power Electronics Building Block for Aircraft Electric-Propulsion Drives. IEEE J. Emerg. Sel. Top. Power Electron. 2020, 8, 407–416. [Google Scholar]
- Popova, L.; Musikka, T.; Juntunen, R.; Lohtander, M.; Silventoinen, P.; Pyrhönen, O.; Pyrhönen, J. Modelling of low inductive busbars for medium voltage three-level NPC inverter. In Proceedings of the 2012 IEEE Power Electronics and Machines in Wind Applications, Denver, CO, USA, 16–18 July 2012; pp. 1–7. [Google Scholar]
- Khan, M.; Magne, P.; Bilgin, B.; Wirasingha, S.; Emadi, A. Laminated busbar design criteria in power converters for electrified powertrain applications. In Proceedings of the 2014 IEEE Transportation Electrification Conference and Expo (ITEC), Dearborn, MI, USA, 15–18 June 2014; pp. 1–6. [Google Scholar]
- Kumar, S.; Akin, B.; Gohil, G. EMI Performance of Active Neutral Point Clamped Phase Leg for Dual Active Bridge DC–DC Converter. IEEE Trans. Ind. Appl. 2021, 57, 6093–6104. [Google Scholar] [CrossRef]
- Allocco, J.M. Laminated bus bars for power system interconnects. In Proceedings of the APEC 97—Applied Power Electronics Conference, Atlanta, GA, USA, 27–27 February 1997; Volume 2, pp. 585–589. [Google Scholar]
- Zare, F.; Ledwich, G.F. Reduced layer planar busbar for voltage source inverters. IEEE Trans. Power Electron. 2002, 17, 508–516. [Google Scholar]
- Bryant, A.T.; Vadlapati, K.K.; Starkey, J.P.; Goldney, A.P.; Kandilidis, S.Y.; Hinchley, D.A. Current distribution in high power laminated busbars. In Proceedings of the 2011 14th European Conference on Power Electronics and Applications, Birmingham, UK, 30 August–1 September 2011; pp. 1–10. [Google Scholar]
- Smirnova, L.; Juntunen, R.; Murashko, K.; Musikka, T.; Pyrhönen, J. Thermal Analysis of the Laminated Busbar System of a Multilevel Converter. IEEE Trans. Power Electron. 2016, 31, 1479–1488. [Google Scholar] [CrossRef]
- Puigdellivol, O.; Méresse, D.; Menach, Y.L.; Harmand, S.; Wecxsteen, J.-F. Thermal Topology Optimization of a Three-Layer Laminated Busbar for Power Converters. IEEE Trans. Power Electron. 2017, 32, 4691–4699. [Google Scholar] [CrossRef]
- Tiwari, S.; Midtgård, O.-M.; Undeland, T.M. Design of low inductive busbar for fast switching SiC modules verified by 3D FEM calculations and laboratory measurements. In Proceedings of the 2016 IEEE 17th Workshop on Control and Modeling for Power Electronics (COMPEL), Trondheim, Norway, 27–30 June 2016; pp. 1–8. [Google Scholar]
- Yazdani-Asrami, M.; Seyyedbarzegar, S.M.; Zhang, M.; Yuan, W. Insulation Materials and Systems for Superconducting Powertrain Devices in Future Cryo-Electrified Aircraft: Part I—Material Challenges and Specifications, and Device-Level Application. IEEE Electr. Insul. Mag. 2022, 38, 23–36. [Google Scholar] [CrossRef]
- Mocevic, S.; Yu, J.; Fan, B.; Sun, K.; Xu, Y.; Stewart, J.; Rong, Y.; Song, H.; Mitrovic, V.; Yan, N.; et al. Design of a 10 kV SiC MOSFET-based high-density, high-efficiency, modular medium-voltage power converter. iEnergy 2022, 1, 100–113. [Google Scholar] [CrossRef]
- Xu, Y.; Feng, X.; Wang, J.; Gao, C.; Burgos, R.; Boroyevich, D.; Hebner, R.E. Medium-Voltage SiC-Based Converter Laminated Bus Insulation Design and Assessment. IEEE J. Emerg. Sel. Top. Power Electron. 2019, 7, 1715–1726. [Google Scholar] [CrossRef]
- Xin, L.; Guo, M.; Zhang, C.; Xiang, J.; Wang, S.; Zhang, X.; Li, J. The Effect of DC Electrothermal Aging on Breakdown Strength of Poly (ethylene terephthalate) Used in Laminated Busbar. In Proceedings of the 2020 IEEE International Conference on High Voltage Engineering and Application (ICHVE), Beijing, China, 6–10 September 2020; pp. 1–4. [Google Scholar]
- Fischer, K.; Pelka, K.; Puls, S.; Poech, M.-H.; Mertens, A.; Bartschat, A.; Tegtmeier, B.; Broer, C.; Wenske, J. Exploring the Causes of Power-Converter Failure in Wind Turbines based on Comprehensive Field-Data and Damage Analysis. Energies 2019, 12, 593. [Google Scholar] [CrossRef]
- Yuan, Z.; Wang, Y.; Wang, Z.; Emon, A.I.; Peng, H.; Hassan, M.; Narayanasamy, B.; Luo, F. Design of Partial-discharge-free Busbar for More-electric Aircraft Application with Low Pressure Condition. In Proceedings of the 2021 IEEE Applied Power Electronics Conference and Exposition (APEC), Phoenix, AZ, USA, 21–25 March 2021; pp. 1178–1182. [Google Scholar]
- Yuan, Z.; Wang, Y.; Wang, Z.; Emon, A.I.; Luo, F.; Huitink, D. Insulation and Switching Performance Optimization for Partial-Discharge-Free Laminated Busbar in More-Electric Aircraft Applications. IEEE Trans. Power Electron. 2022, 37, 6831–6843. [Google Scholar] [CrossRef]
- Wada, K.; Yamashita, A. Wide bandwidth and low propagation time delay current sensor applied to a laminated bus bar. In Proceedings of the 2014 IEEE Energy Conversion Congress and Exposition (ECCE), Pittsburgh, PA, USA, 14–18 September 2014; pp. 3083–3088. [Google Scholar]
- Zhao, X.; Phukan, R.; Chang, C.W.; Dong, D.; Burgos, R.; Arnaud, P.L.; Mustapha, D. Design of Rogowski Coil Current Sensor Integrated with Busbar and Gate Driver for 211 kW SiC-Based Three-Level T-Type Inverter. In Proceedings of the 2022 IEEE Energy Conversion Congress and Exposition (ECCE), Detroit, MI, USA, 9–13 October 2022; pp. 1–7. [Google Scholar]
- Kuwabara, Y.; Wada, K.; Guichon, J.-M.; Schanen, J.-L.; Roudet, J. Implementation and Performance of a Current Sensor for a Laminated Bus Bar. IEEE Trans. Ind. Appl. 2018, 54, 2579–2587. [Google Scholar] [CrossRef]
- Ripka, P.; Přibil, M.; Petrucha, V.; Grim, V.; Draxler, K. A Fluxgate Current Sensor With an Amphitheater Busbar. IEEE Trans. Magn. 2016, 52. [Google Scholar] [CrossRef]
- Ripka, P.; Grim, V.; Petrucha, V. A Busbar Current Sensor with Frequency Compensation. IEEE Trans. Magn. 2017, 53, 1–5. [Google Scholar] [CrossRef]
- Xu, X.P.; Wang, S.; Liu, T.Z.; Zhu, M.; Wang, J.G. TMR Busbar Current Sensor With Good Frequency Characteristics. IEEE Trans. Instrum. Meas. 2021, 70. [Google Scholar] [CrossRef]
- Xu, X.P.; Liu, T.Z.; Zhu, M.; Wang, J.G. New Small-Volume High-Precision TMR Busbar DC Current Sensor. IEEE Trans. Magn. 2020, 56. [Google Scholar] [CrossRef]
- Aberg, B.; Moorthy, R.S.K.; Yang, L.; Yu, W.; Husain, I. Estimation and minimization of power loop inductance in 135 kW SiC traction inverter. In Proceedings of the 2018 IEEE Applied Power Electronics Conference and Exposition (APEC), San Antonio, TX, USA, 4–8 March 2018; pp. 1772–1777. [Google Scholar]
- Zhao, X.; Phukan, R.; Chang, C.W.; Burgos, R.; Asfaux, P.; Uicich, S.; Dong, D. Design of Ultra-Compact Gate Driver Integrated with Current Sensor and Commutation Path for a 211-kW Three-Level SiC Aircraft Propulsion Inverter. IEEE J. Emerg. Sel. Top. Power Electron. 2023, 11, 4077–4094. [Google Scholar] [CrossRef]
- Deshpande, A.; Chen, Y.; Narayanasamy, B.; Sathyanarayanan, A.S.; Luo, F. A three-level, T-type, power electronics building block using Si-SiC hybrid switch for high-speed drives. In Proceedings of the 2018 IEEE Applied Power Electronics Conference and Exposition (APEC), San Antonio, TX, USA, 4–8 March 2018; pp. 2609–2616. [Google Scholar]
- Letellier, A.; Dubois, M.R.; Trovão, J.P.F.; Maher, H. Calculation of Printed Circuit Board Power-Loop Stray Inductance in GaN or High di/dt Applications. IEEE Trans. Power Electron. 2019, 34, 612–623. [Google Scholar] [CrossRef]
- Sylvain, M.; Jean-Michel, G.; Schanen, J.L.; Perregaux, A. Reduction of conducted EMC using busbar stray elements. In Proceedings of the 2009 Twenty-Fourth Annual IEEE Applied Power Electronics Conference and Exposition, Washington, DC, USA, 15–19 February 2009; pp. 2028–2033. [Google Scholar]
- You, H.; Wei, Z.; Hu, B.; Zhao, Z.; Na, R.; Wang, J. Partial Discharge Behaviors in Power Modules Under Square Pulses With Ultrafast dv/dt. IEEE Trans. Power Electron. 2021, 36, 2611–2620. [Google Scholar] [CrossRef]
- Guo, Z.; Huang, A.Q.; Hebner, R.E.; Montanari, G.C.; Feng, X. Characterization of Partial Discharges in High-Frequency Transformer Under PWM Pulses. IEEE Trans. Power Electron. 2022, 37, 11199–11208. [Google Scholar] [CrossRef]
- Wang, H.; Xiao, G.; Wang, L.; Yan, F.; Ma, Z.; Yang, Q. Characteristics and Mechanism of Partial Discharge Behavior of Power Module Under Unipolar Square Voltage. IEEE Trans. Ind. Electron. 2024, 71, 9789–9799. [Google Scholar] [CrossRef]
- Li, Z.; Han, Y.; Xie, Z.; Ren, H.; Li, Q.; Wan, Z. High-Frequency Partial Discharge Characteristics of Solid-State Transformer Interturn Multilayer Insulation Under Repetitive Electrical Stress. IEEE Trans. Ind. Electron. 2024, 71, 13331–13340. [Google Scholar] [CrossRef]
- Buyukdegirmenci, V.T.; Kozarva, O.F.; Milletsever, O.C.; Hava, A.M. Design Trade-offs and Considerations for Improving the PCB Current Carrying Capacity in High Power Density Power Electronics Applications. In Proceedings of the 2022 IEEE Applied Power Electronics Conference and Exposition (APEC), Houston, TX, USA, 20–24 March 2022; pp. 1678–1685. [Google Scholar]
- Zhang, C.; Srdic, S.; Lukic, S.; Kang, Y.; Choi, E.; Tafti, E. A SiC-Based 100 kW High-Power-Density (34 kW/L) Electric Vehicle Traction Inverter. In Proceedings of the 2018 IEEE Energy Conversion Congress and Exposition (ECCE), Portland, OR, USA, 23–27 September 2018; pp. 3880–3885. [Google Scholar]
- Srdic, S.; Zhang, C.; Lukic, S. A low-inductance Sectional Busbar for Snuberless Operation of SiC-based EV Traction Inverters. In Proceedings of the 2019 IEEE Energy Conversion Congress and Exposition (ECCE), Baltimore, MD, USA, 29 September–3 October 2019; pp. 6805–6809. [Google Scholar]
- Kim, I.J.; Matsumoto, S.; Sakai, T.; Yachi, T. New power device figure of merit for high-frequency applications. In Proceedings of the International Symposium on Power Semiconductor Devices and IC’s: ISPSD’95, Yokohama, Japan, 23–25 May 1995; pp. 309–314. [Google Scholar]
- Huang, A.Q. New unipolar switching power device figures of merit. IEEE Electron Device Lett. 2004, 25, 298–301. [Google Scholar] [CrossRef]
- Chen, Z.; Huang, A.Q. High Performance SiC Power Module Based on Repackaging of Discrete SiC Devices. IEEE Trans. Power Electron. 2023, 38, 9306–9310. [Google Scholar] [CrossRef]
- Chen, Z.; Huang, A.Q. A 1200V/400A/2.2mΩ SiC Power Module with Insulated Metal Substrate (IMS) and Improved Electromagnetic Interference (EMI). In Proceedings of the 2024 IEEE Energy Conversion Congress and Exposition (ECCE), Phoenix, AZ, USA, 20–24 October 2024. [Google Scholar]
- Chen, S.; Yu, W.; Meyer, D. Design and Implementation of Forced Air-cooled, 140 kHz, 20 kW SiC MOSFET based Vienna PFC. In Proceedings of the 2019 IEEE Applied Power Electronics Conference and Exposition (APEC), Anaheim, CA, USA, 17–21 March 2019; pp. 1196–1203. [Google Scholar]




























| Insulation Material | Breakdown Voltage (kV/mil) | Dielectric Constant | Max T (°C) | Moisture Absorption | Cost |
|---|---|---|---|---|---|
| Kapton | 5 | 3.7 | 400 | 1% | High |
| Mylar | 7.5 | 3.3 | 105 | 0.5–0.8% | Low |
| Nomex | 0.43–0.84 | 1.6 | 220 | 5–10% | Medium |
| Epoxy glass (FR4) | 0.5–1.25 | 4.3 | 140 | 0.1–0.3% | Low |
| Epoxy powder coating | 0.8 | 4 | 130 | 0.1–0.3% | Low |
| Part Number | Manufacturer | Package | Ron 25 °C | Ron 150 °C | Stray L (nH) | Rthjc (°C/kW) | Coss (nF) | Weight (g) | Ron × Coss | L/Ron | Rthjc/Ron |
|---|---|---|---|---|---|---|---|---|---|---|---|
| CAB760M12HM3 | Wolfspeed | HP 62 | 1.33 | 2.06 | 4.9 | 68 | 2.9 | 179 | 6.0 | 2.4 | 33.0 |
| WAS530M12BM3 | Wolfspeed | Std. 62 × 105 | 2.67 | 4.3 | 11.1 | 75 | 2.6 | 300 | 11.2 | 2.6 | 17.4 |
| FF1MR12KM1H | Infineon | Std. 62 × 105 | 1.47 | 2.75 | 20 | 83 | 2.4 | 340 | 6.6 | 7.3 | 30.2 |
| SKM500MB120SC | Semikron | Std. 62 × 105 | 3.8 | 6.3 | 15 | 80 | 1.64 | 325 | 10.3 | 2.4 | 12.7 |
| FMF400DY-24B | Mitsubishi | Std. 62 × 105 | 3.6 | 5.1 | 21 | 110 | 2.2 | 400 | 11.2 | 4.1 | 21.6 |
| BSM600D12P4G103 | Rohm | Std. 62 × 152 | 2.67 | 4.5 | 14.1 | 84 | 2 | 394 | 9.0 | 3.1 | 18.7 |
| FMF600DXE-24BN | Mitsubishi | Std. 62 × 152 | 1.83 | 2.68 | 9 | 60 | 2.5 | 415 | 6.7 | 3.4 | 22.4 |
| FF2MR12W3M1H | Infineon | Easy 3B | 1.44 | 2.68 | 5 | 128 | 2.4 | 78 | 6.4 | 1.9 | 47.8 |
| CAB006M12GM3 | Wolfspeed | PF63 × 57 | 5.3 | 8.5 | 7.1 | 234 | 0.79 | 39 | 6.7 | 0.8 | 27.5 |
| FF4MR12W2M1H | Infineon | PF63 × 57 | 4 | 7.5 | 8 | 328 | 0.74 | 39 | 5.6 | 1.1 | 43.7 |
| SK250MB120CR03TE2 | Semikron | PF63 × 57 | 5.3 | 8.3 | 6 | 210 | 0.78 | 35 | 6.5 | 0.7 | 25.3 |
| CAB011M12FM3 | Wolfspeed | PF63 × 34 | 10.5 | 16.3 | 11.4 | 428 | 0.39 | 21 | 6.4 | 0.7 | 26.3 |
| FF8MR12W1M1H | Infineon | PF63 × 34 | 8.1 | 15.1 | 9 | 553 | 0.42 | 24 | 6.3 | 0.6 | 36.6 |
| SK80MB120CR03TE1 | Semikron | PF63 × 34 | 16 | 25 | 9 | 510 | 0.26 | 25 | 6.5 | 0.4 | 20.4 |
| Layout-1 | Layout-2 | Layout-3 | Layout-4 | Layout-5 | Layout-6 | Layout-7 | Layout-8 | |
|---|---|---|---|---|---|---|---|---|
| Placement | Vertical | Vertical | Horizontal | Horizontal | Horizontal | Hybrid | Horizontal | Horizontal |
| Inductance | 26.3 nH | 21.5 nH | 32.4 nH | 28.8 nH | 19.7 nH | 21.9 nH | 18 nH | 16.7 nH |
| Parallelability | Low | High | Low | Low | High | High | High | High |
| Busbar | CP_N (pF) | CP_SW (pF) | CN_SW (pF) | Cu Per Layer |
|---|---|---|---|---|
| 4L-NPNP | 1720.7 | 0.6 | 122.2 | 1 oz |
| 4L-NPPP | 931.8 | 1 | 7.4 | 1 oz |
| 2L-NP | 64.9 | 0.6 | 6.7 | 2 oz |
Disclaimer/Publisher’s Note: The statements, opinions and data contained in all publications are solely those of the individual author(s) and contributor(s) and not of MDPI and/or the editor(s). MDPI and/or the editor(s) disclaim responsibility for any injury to people or property resulting from any ideas, methods, instructions or products referred to in the content. |
© 2024 by the authors. Licensee MDPI, Basel, Switzerland. This article is an open access article distributed under the terms and conditions of the Creative Commons Attribution (CC BY) license (https://creativecommons.org/licenses/by/4.0/).
Share and Cite
Chen, Z.; Huang, A.Q. Busbar Design for High-Power SiC Converters. Electronics 2024, 13, 4758. https://doi.org/10.3390/electronics13234758
Chen Z, Huang AQ. Busbar Design for High-Power SiC Converters. Electronics. 2024; 13(23):4758. https://doi.org/10.3390/electronics13234758
Chicago/Turabian StyleChen, Zibo, and Alex Q. Huang. 2024. "Busbar Design for High-Power SiC Converters" Electronics 13, no. 23: 4758. https://doi.org/10.3390/electronics13234758
APA StyleChen, Z., & Huang, A. Q. (2024). Busbar Design for High-Power SiC Converters. Electronics, 13(23), 4758. https://doi.org/10.3390/electronics13234758

