Standard Cell Sizing for Worst-Case Performance Optimization Considering Process Variation in Subthreshold Region
Abstract
1. Introduction
- The optimal β targeting at worst-case performance was derived analytically by minimizing the 3σ percentile of propagation delay distribution, which has been validated under various process technologies to demonstrate good agreement with MC SPICE simulation results.
- The analytical expression of the optimal β reveals the relation between the optimal worst-case cell delay and the process parameters with physical insight. To be precise, the ratio of mobility, as well as the ratios of mean and variance of threshold voltage for nMOS and pMOS transistors, determine the optimal β for minimal worst-case cell delay, which provides distinct guidance for standard cell design for specific processes without time-consuming MC SPICE simulations.
- The standard logic cells designed by the proposed optimization method were validated under the process of TSMC 28 nm technology, which outperforms the competitive approaches with significant worst-case performance improvement and worst-case energy-delay product (EDP) reduction at both the cell level and the circuit level.
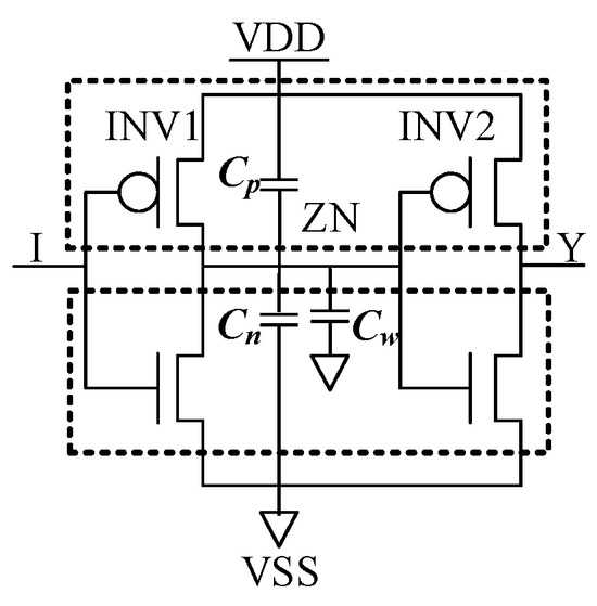
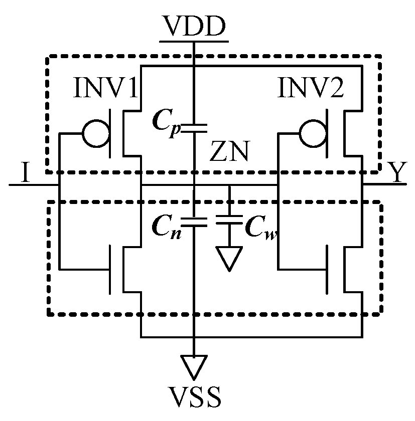
2. Subthreshold Worst-Case Propagation Delay Model
3. Optimization Method for Subthreshold Worst-Case Propagation Delay
3.1. Optimal β Derivation for Minimal μ of Delay Distribution
3.2. Optimal β Derivation for Minimal σ of Delay Distribution
3.3. Proof of Estimation of Optimal β for Worst-Case Delay with Optimal β for μ and σ of Delay Distribution
4. Validation Results and Discussion
4.1. Validation of the Proposed Method at Gate Level
4.2. Validation of the Proposed Method at Circuit Level
5. Conclusions
Author Contributions
Funding
Data Availability Statement
Conflicts of Interest
References
- Paul, S.; Honkote, V.; Kim, R.; Majumder, T.; Aseron, P.; Grossnickle, V.; Sankman, R.; Mallik, D.; Jain, S.; Vangal, S.; et al. An energy harvesting wireless sensor node for IoT systems featuring a near-threshold voltage IA-32 microcontroller in 14 nm tri-gate CMOS. In Proceedings of the 2016 IEEE Symposium on VLSI Circuits (VLSI-Circuits), Honolulu, HI, USA, 15–17 June 2016; pp. 1–2. [Google Scholar]
- Shi, W.; Pan, A.; Yu, S.; Choy, C.-S. A Subthreshold Baseband Processor Core Design With Custom Modules and Cells for Passive RFID Tags. IEEE Trans. Comput.-Aided Des. Integr. Circuits Syst. 2018, 37, 159–167. [Google Scholar] [CrossRef]
- Dreslinski, R.G.; Wieckowski, M.; Blaauw, D.; Sylvester, D.; Mudge, T. Near-threshold computing: Reclaiming moore’s law through energy efficient integrated circuits. Proc. IEEE 2010, 98, 253–266. [Google Scholar] [CrossRef]
- Rabaey, J.M.; Chandrakasan, A.; Nikolic, B. Digital Integrated Circuits: A Design Perspective; Prentice-Hall: Upper Saddle River, NJ, USA, 2003. [Google Scholar]
- Singh, K.; De Gyvez, J.P. Twenty years of near/sub-threshold design trends and enablement. IEEE Trans. Circuits Syst. II: Express Briefs 2020, 68, 5–11. [Google Scholar] [CrossRef]
- Muker, M.; Shams, M. Designing digital subthreshold CMOS circuits using parallel transistor stacks. Electron. Lett. 2011, 47, 372. [Google Scholar] [CrossRef]
- Zhou, J.; Jayapal, S.; Busze, B.; Huang, L.; Stuyt, J. A 40 nm Dual-Width Standard Cell Library for Near/Sub-Threshold Operation. IEEE Trans. Circuits Syst. I Regul. Pap. 2012, 59, 2569–2577. [Google Scholar] [CrossRef]
- Liu, B.; Ashouei, M.; Gemmeke, T.; de Gyvez, J.P. Sub-threshold custom standard cell library validation. In Proceedings of the Fifteenth International Symposium on Quality Electronic Design, Santa Clara, CA, USA, 3–5 March 2014; pp. 257–262. [Google Scholar]
- Keane, J.; Eom, H.; Kim, T.-H.; Sapatnekar, S.; Kim, C. Subthreshold logical effort: A systematic framework for optimal subthreshold device sizing. In Proceedings of the 43rd Annual Conference on Design Automation, San Francisco, CA, USA, 24–28 July 2006; p. 425. [Google Scholar]
- Lin, X.; Wang, Y.; Pedram, M. Joint sizing and adaptive independent gate control for FinFET circuits operating in multiple voltage regimes using the logical effort method. In Proceedings of the 2013 IEEE/ACM International Conference on Computer-Aided Design (ICCAD), San Jose, CA, USA, 8–21 November 2013; pp. 444–449. [Google Scholar]
- Nabavi, M.; Ramezankhani, F.; Shams, M. Optimum PMOS-to-NMOS Width Ratio for Efficient Subthreshold CMOS Circuits. IEEE Trans. Electron Devices 2016, 63, 916–924. [Google Scholar] [CrossRef]
- Liu, B.; Ashouei, M.; Huisken, J.; De Gyvez, J.P. Standard cell sizing for subthreshold operation. In Proceedings of the 49th Annual Design Automation Conference, San Francisco, CA, USA, 3–7 June 2012; p. 962. [Google Scholar]
- Kim, T.-H.; Keane, J.; Eom, H.; Kim, C.H. Utilizing Reverse Short-Channel Effect for Optimal Subthreshold Circuit Design. IEEE Trans. VLSI Syst. 2007, 15, 821–829. [Google Scholar]
- Jun, J.; Song, J.; Kim, C. A Near-Threshold Voltage Oriented Digital Cell Library for High-Energy Efficiency and Optimized Performance in 65nm CMOS Process. IEEE Trans. Circuits Syst. I Regul. Pap. 2018, 65, 1567–1580. [Google Scholar] [CrossRef]
- Zhang, H.; He, W.; Sun, Y.; Seok, M.M. An energy-efficient logic cell library design methodology with fine granularity of driving strength for near-and sub-threshold digital circuits. In Proceedings of the IEEE International Symposium on Circuits and Systems (ISCAS), Daegu, Republic of Korea, 22–28 May 2021; pp. 1–5. [Google Scholar]
- Sasipriya, P. Design and Characterization of Standard Cell Libraries for Optimal Subthreshold Circuits. In Proceedings of the Innovations in Power and Advanced Computing Technologies (i-PACT), Kuala Lumpur, Malaysia, 8–10 December 2023; pp. 1–5. [Google Scholar]
- Chen, Y.; Nie, Y.; Jiao, H. An ultralow-power 65-nm standard cell library for near/subthreshold digital circuits. IEEE Trans. Very Large Scale Integr. (VLSI) Syst. 2022, 30, 676–680. [Google Scholar] [CrossRef]
- Lim, Y.W.; Kamsani, N.A.; Sidek, R.M.; Hashim, S.J.; Rokhani, F.Z. Energy-Performance Optimization via P/N Ratio Sizing With Full Diffusion Layout Structure and Standard Cell Height Tuning in Near-Threshold Voltage Operation. IEEE Access 2022, 11, 12536–12546. [Google Scholar] [CrossRef]
- Zhai, B.; Hanson, S.; Blaauw, D.; Sylvester, D. Analysis and mitigation of variability in subthreshold design. In Proceedings of the ISLPED ’05. Proceedings of the 2005 International Symposium on Low Power Electronics and Design, 2005, San Diego, CA, USA, 8–10 August 2005; pp. 20–25. [Google Scholar]
- Drego, N.; Chandrakasan, A.; Boning, D. Lack of Spatial Correlation in MOSFET Threshold Voltage Variation and Implications for Voltage Scaling. IEEE Trans. Semicond. Manufact. 2009, 22, 245–255. [Google Scholar] [CrossRef]
- Pelgrom, M.J.M.; Duinmaijer, A.C.J.; Welbers, A.P.G. Matching properties of MOS transistors. IEEE J. Solid-State Circuits 1989, 24, 1433–1439. [Google Scholar] [CrossRef]



| β | TSMC 28 nm | TSMC 40 nm | SMIC 40 nm | TSMC 65 nm |
|---|---|---|---|---|
| MC SPICE Sim. | 2.6 (−2%) | 1.7 (−5%) | 2.7 (−2%) | 2.2 (3%) |
| [4] | 1.25 (−53%) | 1.51 (−16%) | 2.06 (−27%) | 1.58 (−26%) |
| [11] | 1.81 (−31%) | 2.38 (33%) | 1.98 (−30%) | 1.72 (−19%) |
| 3.47 (31%) | 1.20 (−33%) | 3.66 (30%) | 2.54 (19%) | |
| [18] | 1.51 (−43%) | 1.40 (−22%) | 1.72 (−39%) | 1.35 (−37%) |
| This work | 2.64 | 1.79 | 2.82 | 2.13 |
| Cell | Worst-Case Propagation Delay (ps) | Worst-Case Energy Consumption (fJ) | Worst-Case Energy-Delay Product (fJ × ps) | ||||||||||||
|---|---|---|---|---|---|---|---|---|---|---|---|---|---|---|---|
| [4] | [11] | [12] | [18] | Ours | [4] | [11] | [12] | [18] | Ours | [4] | [11] | [12] | [18] | Ours | |
| INV | 76.4 | 71.0 | 71.3 | 68.3 | 64.0 | 0.211 | 0.185 | 0.186 | 0.213 | 0.189 | 15.7 | 12.7 | 13.1 | 14.9 | 11.6 |
| NAND2 | 98.6 | 93.7 | 102.2 | 96.4 | 90.6 | 0.206 | 0.179 | 0.177 | 0.222 | 0.182 | 20.0 | 16.4 | 18.0 | 21.9 | 16.0 |
| NOR2 | 198.1 | 177.8 | 167.0 | 162.4 | 155.0 | 0.223 | 0.192 | 0.181 | 0.231 | 0.193 | 42.3 | 31.6 | 31.6 | 38.4 | 28.0 |
| AOI21D | 215.6 | 198.0 | 202.2 | 195.9 | 183.6 | 0.341 | 0.297 | 0.291 | 0.349 | 0.302 | 71.9 | 56.7 | 62.5 | 69.7 | 53.4 |
| OAI21D | 93.7 | 85.1 | 99.6 | 81.1 | 77.0 | 0.087 | 0.078 | 0.081 | 0.102 | 0.082 | 7.7 | 6.1 | 6.3 | 8.5 | 5.6 |
| Ave. Incr. (%) | 15.7 | 8.6 | 12.1 | 5.6 | 0.0 | 10.5 | −2.2 | −3.2 | 15.8 | 0.0 | 26.6 | 7.4 | 11.9 | 26.7 | 0.0 |
| Cell | 0.35 V, −40 °C | 0.35 V, 125 °C | ||||||||
| [4] | [11] | [12] | [18] | Ours | [4] | [11] | [12] | [18] | Ours | |
| INV | 287 | 268 | 265 | 247 | 228 | 33 | 34 | 34 | 35 | 32 |
| NAND2 | 346 | 320 | 333 | 304 | 282 | 39 | 39 | 39 | 38 | 36 |
| NOR2 | 972 | 892 | 853 | 724 | 756 | 191 | 171 | 177 | 169 | 154 |
| AOI21D | 1010 | 903 | 959 | 806 | 767 | 217 | 196 | 205 | 194 | 174 |
| OAI21D | 456 | 405 | 426 | 377 | 343 | 97 | 89 | 99 | 86 | 80 |
| Ave. Incr. (%) | 22.0 | 14.5 | 16.1 | 4.9 | 0.0 | 13.5 | 8.8 | 12.7 | 8.2 | 0.0 |
| Cell | 0.25 V, −40 °C | 0.25 V, 125 °C | ||||||||
| [4] | [11] | [12] | [18] | Ours | [4] | [11] | [12] | [18] | Ours | |
| INV | 4914 | 4844 | 4954 | 4928 | 4791 | 154 | 153 | 156 | 158 | 152 |
| NAND2 | 8898 | 8307 | 8897 | 6926 | 6877 | 129 | 118 | 126 | 121 | 112 |
| NOR2 | 22,939 | 21,278 | 20,797 | 18,194 | 17,212 | 2023 | 1855 | 1919 | 1505 | 1589 |
| AOI21D | 19,177 | 17,248 | 18,517 | 14,716 | 14,310 | 1682 | 1542 | 1584 | 1400 | 1340 |
| OAI21D | 8106 | 7350 | 7669 | 6267 | 6119 | 716 | 644 | 760 | 609 | 554 |
| Ave. Incr. (%) | 20.0 | 14.2 | 17.2 | 2.8 | 0.0 | 15.8 | 9.4 | 14.7 | 3.8 | 0.0 |
| Ring Oscillator | [4] | [11] | [12] | [18] | Ours |
|---|---|---|---|---|---|
| Worst-case period (ns) | 4.64(21.6%) | 4.31(15.5%) | 4.91(25.8%) | 3.84(5.2%) | 3.64 |
| Worst-case energy consumption (fJ) | 1.12(4.5%) | 1.06(−0.9%) | 1.08(1.1%) | 1.21(11.6%) | 1.07 |
| Worst-case Energy-delay product (ns × fJ) | 5.08(25.2%) | 4.47(15.0%) | 4.93(22.9%) | 4.53(16.3%) | 3.80 |
| Ckt | # Cells | Frequency (MHz) | Power (uW) | Area (um2) | ||||||||||||
|---|---|---|---|---|---|---|---|---|---|---|---|---|---|---|---|---|
| [4] | [11] | [12] | [18] | Ours | [4] | [11] | [12] | [18] | Ours | [4] | [11] | [12] | [18] | Ours | ||
| s27 | 19 | 117 | 129 | 120 | 115 | 142 | 0.38 | 0.37 | 0.37 | 0.37 | 0.36 | 9.99 | 9.61 | 9.8 | 9.4 | 9.21 |
| s382 | 179 | 109 | 114 | 112 | 110 | 122 | 4.95 | 4.53 | 4.73 | 4.33 | 4.01 | 206.6 | 174.4 | 178.9 | 167.4 | 151.3 |
| s5378 | 1294 | 96 | 101 | 97 | 100 | 106 | 35.7 | 33.2 | 35.10 | 32.90 | 30.4 | 1381.7 | 1317.2 | 1342 | 1298 | 1140.2 |
| s13207 | 1219 | 84 | 89 | 85 | 87 | 99 | 102.2 | 100.1 | 100.90 | 98.10 | 95.2 | 3575.9 | 3363.2 | 3427 | 3286 | 3138.1 |
| s38417 | 8278 | 81 | 83 | 81 | 78 | 87 | 365.6 | 324.0 | 332.40 | 311.39 | 277.8 | 13,542 | 11,479 | 11,501 | 10,685 | 9605 |
| s38584 | 8324 | 80 | 82 | 80 | 80 | 86 | 373.7 | 345.7 | 367.90 | 321.34 | 297.2 | 13,685 | 11,945 | 12,501 | 11,204 | 10,138 |
| aes_ip | 20,795 | 93 | 109 | 97 | 98 | 111 | 220.3 | 210.50 | 215.80 | 186.84 | 171.90 | 16,924 | 14,409 | 15,809 | 14,417 | 12,286 |
| tv80 | 7161 | 103 | 105 | 103 | 104 | 114 | 109.5 | 106.30 | 105.40 | 85.26 | 81.00 | 9698 | 8330 | 8893 | 7878 | 7000 |
| vga lcd | 124,031 | 119 | 121 | 120 | 122 | 128 | 2786.2 | 2675.1 | 2690.1 | 2638.35 | 2375.2 | 140,459 | 120,708 | 128,375 | 115,247 | 103,291 |
| Ave. Impr. (%) | - | 12.7 | 6.6 | 11.1 | 11.2 | 0.0 | 17.0 | 12.1 | 14.2 | 6.9 | 0.0 | 19.9 | 12.7 | 15.9 | 9.4 | 0.0 |
Disclaimer/Publisher’s Note: The statements, opinions and data contained in all publications are solely those of the individual author(s) and contributor(s) and not of MDPI and/or the editor(s). MDPI and/or the editor(s) disclaim responsibility for any injury to people or property resulting from any ideas, methods, instructions or products referred to in the content. |
© 2024 by the authors. Licensee MDPI, Basel, Switzerland. This article is an open access article distributed under the terms and conditions of the Creative Commons Attribution (CC BY) license (https://creativecommons.org/licenses/by/4.0/).
Share and Cite
Cao, P.; Guo, J. Standard Cell Sizing for Worst-Case Performance Optimization Considering Process Variation in Subthreshold Region. Electronics 2024, 13, 4477. https://doi.org/10.3390/electronics13224477
Cao P, Guo J. Standard Cell Sizing for Worst-Case Performance Optimization Considering Process Variation in Subthreshold Region. Electronics. 2024; 13(22):4477. https://doi.org/10.3390/electronics13224477
Chicago/Turabian StyleCao, Peng, and Jingjing Guo. 2024. "Standard Cell Sizing for Worst-Case Performance Optimization Considering Process Variation in Subthreshold Region" Electronics 13, no. 22: 4477. https://doi.org/10.3390/electronics13224477
APA StyleCao, P., & Guo, J. (2024). Standard Cell Sizing for Worst-Case Performance Optimization Considering Process Variation in Subthreshold Region. Electronics, 13(22), 4477. https://doi.org/10.3390/electronics13224477

