Novel Topology for Modified Boost Series and Parallel Switching Capacitor DC-DC Converter
Abstract
1. Introduction
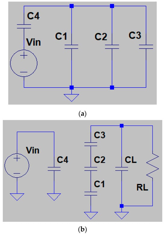
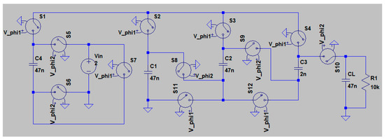
2. The Boost Converter Design
3. Simulation and Experimental Results
3.1. Converter Simulation Results
3.2. Converter Lab Results
4. Novel Topology of Boost Converter with Ferroelectric Capacitor
5. Conclusions
Author Contributions
Funding
Data Availability Statement
Acknowledgments
Conflicts of Interest
References
- Dickson, J.F. On-chip high-voltage generation in MNOS integrated circuits using an improved voltage multiplier technique. IEEE J. Solid-State Circuits 1976, 11, 374–378. [Google Scholar] [CrossRef]
- Umeno, T.; Takahashi, K.; Ueno, F.; Inoue, T.; Oota, I. A new approach to low ripple-noise switching converters on the basis of switched-capacitor converters. In Proceedings of the IEEE International Sympoisum on Circuits and Systems, Singapore, 11–14 June 1991; Volume 2, pp. 1077–1080. [Google Scholar]
- Lin, H.; Cai, C.; Chen, J.; Gao, Y.; Vazquez, S.; Li, Y. Modulation and Control Independent Dead-Zone Compensation for H-Bridge Converters: A Simplified Digital Logic Scheme. IEEE Trans. Ind. Electron. 2024, 71, 15239–15244. [Google Scholar] [CrossRef]
- Makowski, M.S.; Maksimovic, D. Performance limits of switched-capacitor DC-DC converters. In Proceedings of the Power Electronics Specialists Conference, 1995. PESC ′95—Power Electronics Specialist Conference, Atlanta, GA, USA, 18–22 June 1995; Volume 2, pp. 1215–1221. [Google Scholar]
- Seeman, M.; Sanders, S. Analysis and Optimization of Switching-Capacitor DC-to-DC Converters. IEEE Trans. Power Electron. 2008, 23, 841–851. [Google Scholar] [CrossRef]
- Alateeq, A.J.; Kalkur, T.S. Boost switching capacitor DC-to-DC converter using ferroelectric capacitor. In Proceedings of the 2017 Joint IEEE International Symposium on the Applications of Ferroelectric (ISAF)/International Workshop on Acoustic Transduction Materials and Devices (IWATMD)/Piezoresponse Force Microscopy (PFM), Calgary, AB, Canada, 7–11 May 2017; pp. 5–8. [Google Scholar] [CrossRef]
- Cheong, S.V.; Chung, H.; Ioinovici, A. Inductorless DC-to-DC converter with high power density. IEEE Trans. Ind. Electron. 1994, 41, 208–215. [Google Scholar] [CrossRef]
- Sun, S.; Kalkur, T.S. Modeling of Charge Switching in Ferroelectric Capacitors. IEEE Trans. Ultrason. Ferroelectr. Freq. Control 2004, 51, 786–793. [Google Scholar]
- Walters; Douglas, D.; Kalkur, T.S. Polarization Switching DC-to-DC Converters. Integr. Ferroelectr. 2014, 157, 122–131. [Google Scholar] [CrossRef][Green Version]
- Kok, C.-L.; Li, X.; Siek, L.; Zhu, D.; Kong, J.J. A switched capacitor deadtime controller for DC-DC buck converter. In Proceedings of the 2015 IEEE International Symposium on Circuits and Systems (ISCAS), Lisbon, Portugal, 24–27 May 2015; pp. 217–220. [Google Scholar] [CrossRef]
- Mak, O.-C.; Wong, Y.; Ioinovici, A. Boost DC power supply based on a switched-capacitor circuit. IEEE Trans. Ind. Electron. 1995, 42, 90–97. [Google Scholar] [CrossRef]
- Maksimovic, D.; Dhar, S. Switched-capacitor DC-DC converters for low-power on-chip applications. In Proceedings of the 30th Annual IEEE Power Electronics Specialists Conference. Record. (Cat. No.99CH36321), Charleston, South Carolina, 1 July 1999; pp. 54–59. [Google Scholar]
- Ueno, F.; Inoue, T.; Oota, I.; Lian, H.B. Design and realization of a switched-capacitor AC-DC converter with a low output-voltage ripple. In Proceedings of the 33rd Midwest Symposium on Circuits and Systems, Calgary, AB, Canada, 12–14 August 1990; Volume 2, pp. 1087–1090. [Google Scholar]
- Chung, H.S.; Ioinovici, A. Development of a Generalized Switched-Capacitor DC/DC Converter with Bi-Directional Power Flow. In Proceedings of the International Symposium on Circuits and Systems, Geneva, Switzerland, 28–31 May 2000; pp. 499–502. [Google Scholar]
- Zhang, Y.; Kalkur, T.S. Analysis of distortion in tunable ferroelectric capacitors. IEEE Trans. Ultrason. Ferroelectr. Freq. Control 2010, 57, 1263–1266. [Google Scholar] [CrossRef]
- Umeno, T.; Takahashi, K.; Oota, I.; Ueno, F.; Inoue, T. New Switched-Capacitor DC-DC Converter with Low Input Current Ripple and Its Hybridization. In Proceedings of the 33rd IEEE Midwest Symposium on Circuits and Systems, Calgary, AB, Canada, 12–14 August 1990; pp. 1091–1094. [Google Scholar]
- Chung, H.S.H.; Hui, S.Y.R.; Tang, S.C. Development of a Multistage Current-Controlled Switched-Capacitor Step-Down DC-DC Converter with Continuous Input Current. IEEE Trans. Circuits Syst. 2000, 47, 1017–1026. [Google Scholar] [CrossRef]
- Zhu, G.; Ioinovici, A. Switched-Capacitor Power Supplies: DC Voltage Ratio, Efficiency, Ripple, Regulation. In Proceedings of the 1996 IEEE International Symposium on Circuits and Systems (ISCAS), Piscataway, NJ, USA, 12 May 1996; pp. 553–556. [Google Scholar]
- Ueno, F.; Inoue, T.; Oota, I. Realization of a Switched-Capacitor AC-DC Converter Using a New Phase Controller. In Proceedings of the IEEE International Symposium on Circuits and Systems, Singapore, 11–14 June 1991; pp. 1057–1060. [Google Scholar]
- Ngo, K.D.T.; Webster, R. Steady-State Analysis and Design of a Switched Capacitor DC-to-DC Converter. IEEE Trans. Aerosp. Electron. Syst. 1994, 30, 92–101. [Google Scholar] [CrossRef]
- Cheong, S.V.; Chung, H.; Ioinovici, A. Development of Power Electronics Based on Switched-Capacitor Circuits. In Proceedings of the IEEE International Symposium on Circuits and Systems, Geneva, Switzerland, 28–31 May 1992; pp. 1907–1911. [Google Scholar]
- Tezuka, Y.; Kumamoto, H.; Saito, Y.; Ueno, F.; Inoue, T. A Low Power DC to DC Converter using a Switched-Capacitor Transformer. In Proceedings of the Telecommunications Energy Conference, 1983. INTELEC ′83. Fifth International, Tokyo, Japan, 18–21 October 1983; pp. 261–268. [Google Scholar]
- Cheong, S.V.; Chung, S.H.; Ioinovici, A. Duty-Cycle Control Boosts DC-DC Converters. IEEE Circuits Devices Mag. 1993, 9, 36–37. [Google Scholar] [CrossRef]
- Pauls, G.; Kalkur, T.S. PLL Jitter Reduction by Utilizing a Ferroelectric Capacitor as a VCO Timing Element. IEEE Trans. Ultrason. Ferroelectr. Freq. Control 2007, 54, 1096–1102. [Google Scholar] [CrossRef] [PubMed]
- Puals, G.; Kalkur, T.S. VerilogA Modeling of Polarizing Ferroelectric Capacitors; Microelectronics Research Laboratories, Department of Electrical and Computer Engineering, Univ of Colorado: Colorado Springs, CO, USA, 2004; pp. 163–170. [Google Scholar]
- Jamil, A.; Kalkur, T.S.; Cramer, N. Tunable Ferroelectric Capacitor-Based Voltage-Controlled Oscillator. IEEE Trans. Ultrason. Ferroelectr. Freq. Control 2007, 54, 222–226. [Google Scholar] [CrossRef] [PubMed]
- Chung, H.S.H.; Chow, W.C. Development of Switched-Capacitor-Based DC/DC Converter with Bi-Directional Power Flow. In Proceedings of the IEEE International Symposium on Circuits and Systems, Orlando, FL, USA, 30 May–2 June 1999; pp. 202–205. [Google Scholar]
- Sun; Kalkur, T.S. Polarization-Switching D/A Converter. IEEE Trans. Ultrason. Ferroelectr. Freq. Control 2005, 52, 837–843. [Google Scholar] [CrossRef] [PubMed]
- Chung, H. Design and Analysis of a Switched-Capacitor-Based Boost DC/DC Converter with Continuous Input Current. IEEE Trans. Circuits Syst. 1999, 46, 722–731. [Google Scholar] [CrossRef]
- Jamil, A.; Kalkur, T.S.; Cramer, N. Verilog-A Modeling of Ferroelectric High K Capacitors for Tunable Circuit Applications. Integr. Ferroelectr. 2004, 66, 163170. [Google Scholar] [CrossRef]
- Alateeq, A.S.; Almalaq, Y.A.; Matin, M.A. A switched-inductor model for a non-isolated multilevel boost converter. In Proceedings of the 2017 North American Power Symposium (NAPS), Morgantown, WV, USA, 17–19 September 2017; p. 15. [Google Scholar]
- Alateeq, A.; Almalaq, Y.; Matin, M. Using SiC MOSFET in switched-capacitor converter for high voltage applications. In Proceedings of the 2016 North American Power Symposium (NAPS), Denver, CO, USA, 18–20 September 2016; pp. 1–5. [Google Scholar]
- Tang, J.; Guo, T.; Kim, J.S.; Roh, J. A Current-Mode Four-Phase Synchronous Buck Converter With Dynamic Dead-Time Control. IEEE Access 2021, 9, 81078–81088. [Google Scholar] [CrossRef]
- Middlebrook, R.D. Transformerless DC-to-DC converters with large conversion ratios. IEEE Trans. Power Electron. 1988, 3, 484–488. [Google Scholar] [CrossRef]
- Pan, Z.; Zhang, F.; Peng, F. Power losses and efficiency analysis of multilevel dc-dc converters. In Proceedings of the Twentieth Annual IEEE Applied Power Electronics Conference and Exposition, APEC 2005, Austin, TX, USA, 6–10 March 2005; pp. 1393–1398. [Google Scholar] [CrossRef]
- Harris, W.S.; Ngo, K.D.T. Power switched-capacitor DC-DC converter: Analysis and design. IEEE Trans. Aerosp. Electron. Syst. 1997, 33, 386–395. [Google Scholar] [CrossRef]
- Marusarz, R. A switched capacitor, inductorless DC to AC voltage step-up power converter. In Proceedings of the 20th Annual IEEE Power Electronics Specialists Conference, Milwaukee, WI, USA, 26–29 June 1989; Volume 1, pp. 99–103. [Google Scholar] [CrossRef]
- Ngo, K.D.T.; Webster, R. Steady-state analysis and design of a switched-capacitor DC-DC converter. In Proceedings of the PESC '92 Record. 23rd Annual IEEE Power Electronics Specialists Conference, Toledo, Spain, 29 June–3 July 1992; Volume 1, pp. 378–385. [Google Scholar] [CrossRef]
- Qin, Y.; Yang, Y.; Li, S.; Huang, Y.; Tan, S.-C.; Hui, S.Y. A High-Efficiency DC/DC Converter for High-Voltage-Gain, High-Current Applications. IEEE J. Emerg. Sel. Top. Power Electron. 2020, 8, 2812–2823. [Google Scholar] [CrossRef]
- Yang, Y.; Mok, K.-T.; Tan, S.-C.; Hui, S.Y. Nonlinear dynamic power tracking of low-power wind energy conversion system. IEEE Trans. Power Electron. 2015, 30, 5223–5236. [Google Scholar] [CrossRef]
- Stauth, J.T.; Seeman, M.D.; Kesarwani, K. A Resonant Switched-Capacitor IC and Embedded System for Sub-Module Photovoltaic Power Management. IEEE J. Solid-State Circuits 2012, 47, 3043–3054. [Google Scholar] [CrossRef]
- Shenoy, P.S.; Amaro, M.; Morroni, J.; Freeman, D. Comparison of a Buck Converter and a Series Capacitor Buck Converter for High-Frequency, High-Conversion-Ratio Voltage Regulators. IEEE Trans. Power Electron. 2016, 31, 7006–7015. [Google Scholar] [CrossRef]
- Li, K.; Hu, Y.; Ioinovici, A. Generation of the Large DC Gain Step-Up Nonisolated Converters in Conjunction With Renewable Energy Sources Starting From a Proposed Geometric Structure. IEEE Trans. Power Electron. 2017, 32, 5323–5340. [Google Scholar] [CrossRef]
- Hwu, K.I.; Yau, Y.T. High Step-Up Converter Based on Charge Pump and Boost Converter. IEEE Trans. Power Electron. 2012, 27, 2484–2494. [Google Scholar] [CrossRef]
- Forouzesh, M.; Siwakoti, Y.P.; Gorji, S.A.; Blaabjerg, F.; Lehman, B. Step-Up DC–DC Converters: A Comprehensive Review of Voltage-Boosting Techniques, Topologies, and Applications. IEEE Trans. Power Electron. 2017, 32, 9143–9178. [Google Scholar] [CrossRef]
- Williams, B.W. DC-to-DC Converters With Continuous Input and Output Power. IEEE Trans. Power Electron. 2013, 28, 2307–2316. [Google Scholar] [CrossRef]
- Myrzik, J.M.A. Novel inverter topologies for single-phase stand-alone or grid-connected photovoltaic systems. In Proceedings of the 4th IEEE International Conference on Power Electronics and Drive Systems. IEEE PEDS 2001-Indonesia. Proceedings (Cat. No.01TH8594), Denpasar, Indonesia, 25 October 2001; Volume 1, pp. 103–108. [Google Scholar] [CrossRef]
- Tymerski, R.; Vorperian, V. Generation, Classification and Analysis of Switched-Mode DC-to-DC Converters by the Use of Converter Cells. In Proceedings of the INTELEC '86—International Telecommunications Energy Conference, Toronto, ON, Canada, 19–22 October 1986; pp. 181–195. [Google Scholar] [CrossRef]












| Clock Frequency (KHz) | 10 | 30 | 50 | 70 | 90 | 110 | 130 | 150 |
|---|---|---|---|---|---|---|---|---|
| Calculation | 1.45 | 3.51 | 4.88 | 5.88 | 6.64 | 7.23 | 7.70 | 8.06 |
| Simulation | 1.42 | 3.44 | 4.86 | 5.80 | 6.50 | 7.20 | 7.65 | 8.00 |
| Clock Frequency (KHz) | 10 | 30 | 50 | 70 | 90 | 110 | 130 | 150 |
|---|---|---|---|---|---|---|---|---|
| Makowski’s topology | 1.23 | 2.8 | 3.74 | 4.35 | 4.8 | 5.22 | 5.4 | 5.6 |
| Novel topology | 1.35 | 3.28 | 4.25 | 4.82 | 5.18 | 5.5 | 5.7 | 5.8 |
| Percentage % | 8.9 | 14.6 | 12 | 9.75 | 7.33 | 5.1 | 5.26 | 3.44 |
| Clock Frequency (KHz) | 10 | 30 | 50 | 70 | 90 | 110 | 130 | 150 |
|---|---|---|---|---|---|---|---|---|
| Makowski’s topology | 1.29 | 2.89 | 3.8 | 4.38 | 4.78 | 5.05 | 5.23 | 5.34 |
| Novel topology | 1.48 | 3.35 | 4.35 | 4.88 | 5.13 | 5.26 | 5.33 | 5.37 |
| Percentage % | 12.8 | 13.7 | 12.6 | 10.2 | 6.8 | 4 | 1.87 | 0.55 |
Disclaimer/Publisher’s Note: The statements, opinions and data contained in all publications are solely those of the individual author(s) and contributor(s) and not of MDPI and/or the editor(s). MDPI and/or the editor(s) disclaim responsibility for any injury to people or property resulting from any ideas, methods, instructions or products referred to in the content. |
© 2024 by the authors. Licensee MDPI, Basel, Switzerland. This article is an open access article distributed under the terms and conditions of the Creative Commons Attribution (CC BY) license (https://creativecommons.org/licenses/by/4.0/).
Share and Cite
Alateeq, A.; Almalaq, Y.; Alateeq, A. Novel Topology for Modified Boost Series and Parallel Switching Capacitor DC-DC Converter. Electronics 2024, 13, 4439. https://doi.org/10.3390/electronics13224439
Alateeq A, Almalaq Y, Alateeq A. Novel Topology for Modified Boost Series and Parallel Switching Capacitor DC-DC Converter. Electronics. 2024; 13(22):4439. https://doi.org/10.3390/electronics13224439
Chicago/Turabian StyleAlateeq, Abdulaziz, Yasser Almalaq, and Ayoob Alateeq. 2024. "Novel Topology for Modified Boost Series and Parallel Switching Capacitor DC-DC Converter" Electronics 13, no. 22: 4439. https://doi.org/10.3390/electronics13224439
APA StyleAlateeq, A., Almalaq, Y., & Alateeq, A. (2024). Novel Topology for Modified Boost Series and Parallel Switching Capacitor DC-DC Converter. Electronics, 13(22), 4439. https://doi.org/10.3390/electronics13224439

