Abstract
Large-scale photovoltaic (PV) systems are being widely deployed to meet global environmental goals and renewable energy targets. Advances in PV technology have driven investment in the electric sector. However, as the size of PV arrays grows, more obstacles and challenges emerge. The primary obstacles are the occurrence of direct current (DC) faults and shading in a large array of PV panels, where any malfunction in a single panel can have a detrimental impact on the overall output power of the entire series-connected PV string and therefore the PV array. Due to the abrupt and frequent fluctuations in power, beside the low-PV systems’ moment of inertia, various technical problems may arise at the point of common coupling (PCC) of grid-connected PV generations, such as frequency and voltage stability, power efficiency, voltage sag, harmonic distortion, and other power quality factors. The majority of the suggested solutions were deficient in several crucial transient operating features and cost feasibility; therefore, this paper introduces a novel power electronic DC–DC converter that seeks to mitigate these effects by compensating for the decrease in current on the DC side of the system. The suggested solution was derived from the dual-source voltage-fed quasi-Z-source inverter (VF-qZSI), where the PV generation power can be supported by an energy storage element. This paper also presents the system architecture and the corresponding power switching control. The feasibility of the proposed method is investigated with real field data and the PSCAD simulation platform during all possible weather conditions and array faults. The results demonstrate the feasibility and capability of the proposed scheme, which contributes in suppressing the peak of the transient power-to-time variation (dP/dt) by 72% and reducing its normalized root-mean-square error by about 38%, with an AC current total harmonic distortion (THD) of only 1.04%.
1. Introduction
Energy is crucial for a nation’s progress since it propels economic growth. Therefore, to foster overall economic expansion, energy providers should prioritize increasing energy generation and improving energy trading. Renewable energy sources (RESs) provide a practical alternative to conventional energy resources to facilitate the untapped natural energy resources, therefore achieving both targets of environmental and increased demand requirements [1,2]. Solar photovoltaic (PV) energy is a very significant source of electricity because of its affordability, abundance, and eco-friendliness. It does not contribute to carbon dioxide emissions or global warming. PV power plants on a utility scale have gained widespread popularity globally for electricity supply. The sustainable energy worldwide status report [3] documented a remarkable achievement for 2024, with PV deployments reaching around 1.2 TW. The global increase in PV deployment is primarily driven by the need for green energy resources and their economic and environmental advantages.
Despite the fact that PV power plants provide several benefits, their vulnerability to diverse issues is heightened due to the undeniable weather conditions and PV array shortage. The shortcomings include many environmental challenges such as partial shade, snow cover, and hotspot faults [4]. Moreover, electrical issues, such as disturbances and faults at the point of common coupling (PCC), of the grid-connected PV systems, could occur [5,6]. These difficulties include failures, or undesirable interactions, with the connected electrical grid, interfaced inverters, equipped DC–DC converters, and attached energy storage systems (ESSs). Additionally, faults can arise with PV arrays, including several electrical faults, such as line-to-ground (L–G), line-to-line (L–L), open-circuit, PV module, and main PV system bus faults [7,8]. The most significant challenges at the PV system side are the DC faults and shading within an extensive array of PV panels, where the PV array output power considerably decreases with these effects. Since a large number of the PV panels are connected in series for higher terminal voltage purposes, any failure in one panel, including DC faults and partial shading, could negatively affect the output power of the entire series-connected PV string and therefore the PV array output power [9]. With the sudden and frequent changes in power, along with the low moment of inertia of the PV generation units, several technical issues can be shown at the PCC of the grid-connected PV systems. These issues include frequency and voltage stability, power efficiency, voltage sag, harmonic distortion, and other power quality considerations [9,10].
Due to the difficulties in fault detection and diagnosis, besides the desire of maintaining authorized linking of grid-connected PV systems, several studies in the literature attempted to compensate for the lost PV output power at the PV side or at the AC sides of the system. For example, the studies in [11,12] have proposed novel approaches and methods at the DC side in order to address the aforementioned issues by integrating a BESS and supercapacitors at the PV side. However, integrating BESSs into the grid-connected PV systems requires a bulky DC capacitor and a DC–DC buck/boost bidirectional power converter, which raises the total system initial and maintenance costs. Moreover, the low lifespan of the commercial BESS makes this solution unsuitable for most of the grid-connected PV applications. In the same context, the study conducted in [13] attempted to integrate a current compensation device that involves a BESS and a dual active bridge (DAB) converter with a rectifying circuit and a DC–DC buck converter. This solution shows a noticeable PV power enhancement; however, the system power density and cost profile could limit its utilization.
One common approach utilizes battery energy storage systems (BESSs) and a shunt-connected converter at the PCC bus to perform several tasks, aiming to enhance the stability and quality of the PCC power. These approaches involve power conditioning of the attached BESS to smooth out the injected PV power [14], enhance the PCC frequency stability [15], regulate the PCC voltage profile [16,17], maintain the standard power factor, and reduce the injected current total harmonic distortion (THD) [6,18].
In addition, since the inverter technology plays a crucial role in ensuring the reliable and secure integration of PV systems, several studies proposed new inverter topologies and control algorithms to achieve the designed aims: specifically, modifying the commonly used power inverters for delivering high-quality power to the AC utility network while maintaining cost-effectiveness [19,20]. By utilizing semiconductor devices and pulse-width modulation (PWM) techniques for high-frequency switching, these inverters provide high-efficiency energy conversion, a high-power factor, and minimal harmonic distortion [21,22]. Additionally, optimal control strategies can be applied to suppress the impact of PV array failures, as discussed in [23]. High-frequency power transformers are also utilized for this purpose. For instance, the studies conducted in [24,25] explored the concept of a high-frequency isolated power transformer functioning as a power interlink device. This approach has the potential to eliminate the need for a separate DC/DC converter for the BESS while also decreasing the number of power conversions between the PV, AC, and BES systems, thereby enhancing overall system efficiency.
However, most of the proposed solutions lacked some important transient operating characteristics, such as fast response, voltage-to-current decoupling, and facilitating injection of the compensating power. The high count of passive and active elements and the high cost of system implementation and maintenance are also other hurdles of the suggested solutions.
It has been concluded from previous research work [10] that the reduction in PV output power, due to PV array failures, occurs as a result of the current reduction at the faulted string. Since all PV strings are parallelly connected, the PV array terminal voltage is always maintained at a certain level. Hence, this study proposes a unique power electronic-based DC–DC converter that aims to overcome these impacts by compensating the current reduction at the system DC side. The proposed solution was inspired by regular dual-source voltage-fed quasi-Z-source inverters, as shown in Figure 1.
Figure 1.
The regular power electronic topology of the unidirectional voltage-fed quasi-Z-source inverter with a (left) single-voltage source; (right) dual-voltage source.
The proposed approach mainly focuses on minimizing the impact of PV power transients by integrating supercapacitors into a modified dual-source voltage-fed quasi-Z-source inverter (VF-qZSI). The modification to the nominated power inverter is necessary to provide the ability for power flow control. Subsequently, the power control for the innovated inverter is discussed in this study. Initially, this study highlights the common types of PV array faults and addresses and quantifies their impacts, as discussed in Section 2. Section 3 illustrates the proposed approach to mitigate the fault influences, which involves the development of a modified dual-source VF-qZSI and its corresponding model and power flow, while Section 4 demonstrates the control scheme of the proposed inverter. Section 5 evaluates the dynamic performance and capability of the proposed approach during PV array faults and demonstrates the validation process using actual data and simulation analysis. The major conclusions and recommendations are drawn in Section 6.
2. Analysis of the Common Fault Types of Multiple String PV Arrays
2.1. Demonstration of the Considered PV Array Faults
Figure 2 shows a sample of a PV array with Mxy array size, where M is the module notation, and x and y are the number of series modules and parallel strings, respectively.
Figure 2.
A 4 × 7 PV array experiencing different types of faults within each individual string.
For example, M35 represents the module at the third row and fifth column of the PV array. Ideally, each string produces the same voltage (VS) and current (IS), and, therefore, the same output power. Based on the array construction, the array terminal voltage (VA) is the same as each string voltage, while its output current (IA) is equal to the summation of all individual strings’ currents.
On the other hand, when the PV array experiences an L–G fault, module fault, partial shading event, open-string fault, or an L–L fault, as shown in Figure 2, the PV array output power (or current) reduces accordingly, making an undesirable disturbance to the PV output power. The level and behavior of this disturbance depend on the type, location, and size of the occurred fault. In order to comprehend the behavior of crucial components like PV array current and voltage during these faults, the following sections describe and evaluate the symptoms and array behavior under the most prevalent PV array shortcomings.
2.2. Impact of the DC Faults on the PV Array Characteristics
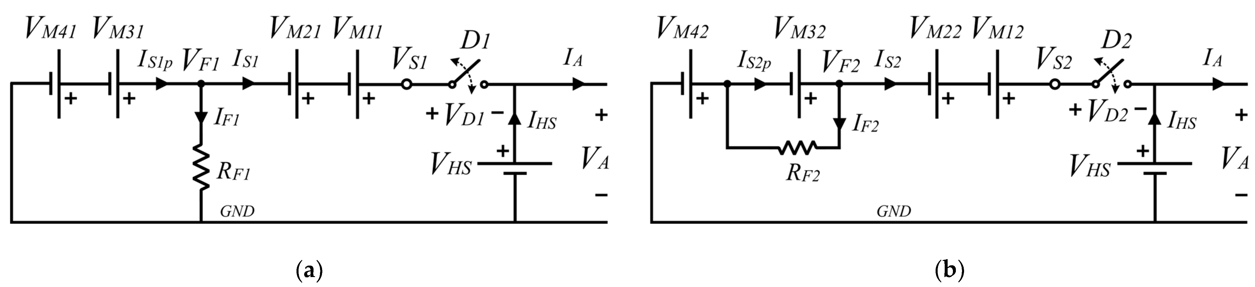
The open-circuit voltage, short-circuit current, maximum output power, current-to-voltage (I–V) curve characteristic, and the power-to-voltage (P–V) curve characteristic are the most commonly used indicators to determine the specification and capability of a PV module and therefore for a PV array [9]. Hence, these characteristics were obtained for the considered PV array under healthy and faulted PV strings with the help of the electrical equivalent circuits of the faulted PV array, as shown in Figure 3. The variable VHS is used in Figure 3 to represent the healthy strings’ terminal voltage.

Figure 3.
Equivalent circuit of the PV array during the conditions of (a) an L–G fault; (b) a module fault; (c) partial shading; (d) an L–L fault.
Line-to-ground failures in PV arrays, as seen in Figure 2, resemble short circuits that occur between the ground and one or more active conductors. This fault event can be modeled by the equivalent circuit shown in Figure 3a. As long as the voltage at the array terminal is lower than VS1, the current in the faulty string will continue to flow because the diode D1 is conducting. The diode D1 becomes reverse biased when the voltage (VA) of the array reaches or exceeds the level of the troublesome string. The behavior of the faulty string during L–G faults is directly affected by the fault resistance (RF1). As the voltage drop across RF1 increases, a higher terminal voltage of the array is required to reverse bias diode D1. Therefore, the extent to which the output power is diminished is determined by the number of faulty strings. Since the array terminal voltage remains unaffected by the fault event, as the healthy strings maintain its voltage levels the reduction in power occurs in the form of a current decrease, caused by the absence of the faulty string’s current. Therefore, the PV array current (IA) is only influenced when the series diode is not conducting, which happens when the voltage across the diode is lower than its forward voltage. As a result, under an L–G fault condition, the array current can be modeled as a function of the voltage across the series blocking diode of the affected string (VD1) and the panel open-circuit voltage (VOC) as follows:
where ISC is the short-circuit current of each PV panel. IHS is the current of a healthy string. NS and NFS are the number of array’s strings and number of faulty strings, while NMS and NFM are the number of modules within a string and number of faulty modules, respectively. The voltage VOC is used to represent the PV panel’s maximum terminal voltage. Figure 4 shows the behavior of a 4 × 4 PV array during an L–G fault when applied at the middle of one string. The power was dropped to its three-fourths rating when the array voltage reached its half level. In addition, as the fault path resistance increases, a higher terminal voltage is required for the faulty string disconnection.
Figure 4.
I–V characteristic of a 4 × 4 PV array under an L–G fault condition with (left) RF = 0 Ω; (right) RF > 0 Ω.
The module failure in PV arrays, as seen in Figure 2, exhibits characteristics similar to short circuits occurring across individual or series-connected modules within a given string. The failure occurrence can be represented by the comparable circuit seen in Figure 3b. If the voltage at the array terminal remains below VS2, the defective string will function as a health string. The diode D2 undergoes reverse biasing when the voltage (VA) of the array hits or is beyond the level of the problematic string. In this case, the array’s current has the same model with an L–G fault, as stated in Equation (1); hence, the degree to which the output power is reduced is contingent upon the quantity of defective strings. Figure 5 illustrates the performance of a 4 × 4 PV array when one string has a module malfunction, with RF2 = 0. The power was reduced to 75% of its original rating when the array voltage approximately reached to three-fourths of its maximum value.
Figure 5.
I–V characteristic of a 4 × 4 PV array under a (left) module fault condition; (right) 50% partial shading case scenario.
The partial shading has a notable effect on the I–V characteristic of a PV module, leading to a decrease in current and extracted power. The string voltage stays close to the original values, showing that the string series blocking diode is in a forward biased state during the partial shading event, while the defective string continues to contribute to the array total current. The response of a string to partial shade (for a 4 × 4 PV array) can be represented by the comparable circuit seen in Figure 3c and may be divided into three distinct regions: region I (when VA lies between 0 and 0.675 VOC), region II (when VA lies between 0.675 VOC and 0.75 VOC), and region III (when VA lies between 0.75 VOC and VOC). In region I, the bypass diode, shunt with the shaded module, is biased in the forward direction to allow the flow of current differential between the healthy and defective modules. Within region II, the voltage across the functional modules approaches their maximum voltage, which is 90% of three-fourths of the array’s maximum voltage, resulting in a decrease in the string current until the series current of the functional modules aligns with the current of the defective module. Within region III, the bypass diode exhibits reverse bias, causing the whole string to conform to the I–V characteristic of the defective module. Thus, based on the previously discussed behavior of a shaded string, the current IA can be expressed in this scenario in terms of the voltage across the series blocking diode of the affected string (VD3) and VOC as follows:
where NPSM and ISC,PS are the number and short-circuit current of the partially shaded modules, respectively. The malfunctioning module is able to tolerate the rise in the voltage across the array terminal, while the power of the array is decreased by less than 25% of its original rating, as shown in Figure 5 (right).
The open-circuit failure, seen in Figure 2, demonstrates an abrupt disconnection in the problematic string, leading to a significant decrease in the power output of the array. During a fault, there is a complete absence of current flowing across all solar modules within a string as a result of a physical breakdown. Figure 6 (left) demonstrates the effect of this failure on a 4 × 4 PV array. Regardless of the array’s voltage value, the disturbance caused the power to drop to 75% of its initial rating.
Figure 6.
I–V characteristic of a 4 × 4 PV array under an (left) open-string fault condition; (right) L–L fault condition.
The array’s performance during an L–L failure is affected by two faulty strings, as shown in Figure 2. The incidence of failure can be depicted by the analogous circuit displayed in Figure 3d. If the voltage at the array terminal remains below VS5, the malfunctioning string will operate as if it were a normal string. Diode D5 experiences reverse biasing when the voltage (VA) of the array reaches or exceeds the level of the troublesome string. Therefore, the number of faulty strings determines the extent of the output power decrease. As the array terminal voltage remains unaffected by the fault event, the current IA is only influenced when the series diode is not conducting, which happens when the voltage across the diode is lower than its forward voltage. As a result, under an L–L fault condition, the array current can be modeled as a function of the voltage across the series blocking diode of the affected string (VD5) and VOC as follows:
where NMF1 and NMF2 are the numbers of the first and second faulty modules, respectively. Figure 6 (right) depicts the efficiency of a 4 × 4 photovoltaic (PV) array when one string experiences a fault in its module, with RF5 = 0. The power was decreased to 75% of its initial rating when the array voltage reached about three-fourths of its maximum value. The string located on the right side of the fault route, which has a smaller number of modules affected by the fault, continues to contribute to the current, despite a modest decrease in its original value.
2.3. Impact of the DC Faults on the PV Array Performance at MPPT Level
This section highlights and addresses the dynamic impacts of DC faults on a 4 × 4 PV array’s performance with a conventional power conversion system, as shown in Figure 7, which consists of a DC–DC boost converter, DC-link, DC–AC voltage source inverter, and a PV-to-grid line inductance (Lg). This performance evaluation is essential to determine and quantify the impact range in order to optimally design and control the proposed converter. For the sake of making this study more realistic, these impacts were evaluated during the maximum power point tracking (MPPT) operational control strategy, where most of the ongoing PV projects are utilizing this type of controlling principle.
Figure 7.
The traditional power conversion system for grid-connected PV applications.
Figure 8 shows how the voltage, current, and output power of the PV array change when there is an L–G fault. It also shows the power of the DC–AC inverter, the phase current, and the input DC voltage. The fault definition and characteristics are determined based on the case situation depicted in Figure 4.
Figure 8.
Behaviors of the PV and inverter powers, AC current, PV current, and PV and DC bus voltages in response to an L–G fault disturbance at the MPPT level for a 4 × 4 PV array.
In addition, the indicated characteristics were assessed under the conditions of module malfunction and partial shading event, as seen in Figure 9. Moreover, the same considered variables were investigated during the case of open-string and L–L array faults, as shown in Figure 10, where the fault definition and characteristics are determined based on the case situation depicted in Figure 5 and Figure 6.
Figure 9.
Behavior of the PV and inverter powers, AC current, PV current, and PV and DC bus voltages in response to a module and partial shading faults at the MPPT level for a 4 × 4 PV array.
Figure 10.
Behavior of the PV and inverter powers, AC current, PV current, and PV and DC bus voltages in response to open-string and L–L fault disturbances at the MPPT level for a 4 × 4 PV array.
The results show that the PV output power and current experience abrupt and significant decreases to around 75% of their previous levels. This observation is valid for all studied faults except for the partial shading event, where the power, current, and voltage were slightly and smoothly fluctuated. On the other hand, the DC voltages obtained stay steady, although with notable voltage spikes during the emergence and resolution of faults. The reason behind voltage consistency is the fact that the entire PV array’s strings are connected in parallel; therefore, the array’s terminal voltage will always match the terminal voltage of healthy strings. The evaluated behaviors, as a result, demonstrate the need for power, or current, compensation in order to prevent the observed major effects and enhance the reliability, security, efficiency, and quality of the grid-connected large PV systems.
Due to the fact that the faulted string’s current reduction causes a decrease in PV array output power, this study suggests a novel power electronic-based DC–DC converter and a control strategy that aims to mitigate these effects by solely compensating the current reduction at the system DC side. A dual-source voltage-fed quasi-Z-source inverter, as seen in Figure 1, was used as a base topology to develop the proposed converter, or, as otherwise called, the modified dual-source VF-qZSI. The circuit analysis and the corresponding power switching control of the proposed system are illustrated in the next section.
3. Configuration and Modeling of the Proposed Z-Source Inverter
3.1. Review on the Voltage-Fed Impedance-Source Inverters
Power electronic converters are essential for converting renewable energy and for many industrial applications, where most of the renewable energy resources need voltage formulating, frequency adjusting, or power conditioning to be compatible with the interfaced power networks and/or the connected loads. Traditional inverters, such as voltage and current source inverters, have inherent limitations, which necessitates the exploration of innovative converters [19].
Impedance source inverters, or, as otherwise called, the Z-source inverters (ZSIs), are a cost-effective form of converter that provide a high efficiency, reliability, and power density. Their function is to convert a direct DC input voltage into a balanced AC output voltage with a single-stage power train, which arises for renewable energy applications. In addition, they may be powered by either a single or dual-voltage or current power sources [26,27]. Therefore, ZSIs are increasingly being used as an alternative to conventional two-stage inverters in distributed generation systems, specifically for PV power generations [28,29]. Several improvements have been performed to optimize the performance and efficiency of these types of energy conversion systems. Table 1 compares different voltage-fed Z-source inverters (VF-ZSIs) along with the conventional voltage source inverter (VSI).
Table 1.
Comparison between different voltage-fed Z-source inverters and conventional VSIs.
The VF-qZSI possesses characteristics such as energy conversion and the capacity to handle different input voltages, maintain a continuous input current, and minimize voltage stress on passive components. These attributes make it an appropriate choice for renewable energy applications. VF-qSZI possesses the necessary voltage and current specifications to be considered suitable for PV system applications. Thus, this study employs the VF-qZSI to achieve the intended aims. Furthermore, due to the requirement of an additional power source to deliver the compensating current to the PV array, an extra supercapacitor was employed to store and distribute the regulated energy. The supercapacitor is employed to augment the power and voltage capabilities of the energy storage component [11].
Due to the necessity for two voltage sources, in order to attain the specified objectives a dual-source qZSI, as depicted in Figure 1, is selected. Furthermore, an additional power switch is required to regulate the power flow that is either deposited into or extracted from the capacitive storage component. The next sections provide a comprehensive explanation of the topology, analysis, and control of the proposed modified VF-qZSI.
3.2. Configuration and Power Flow of the Proposed Dual-Source Quasi-Z-Source Inverter
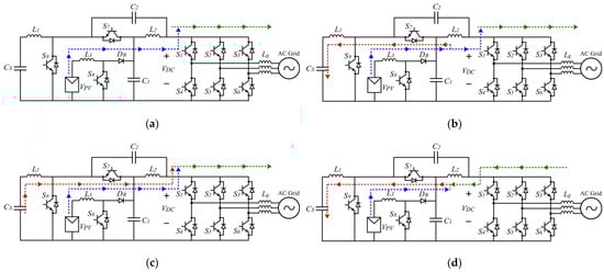
The dual-source VF-qZSI, depicted in Figure 1 (right), is deemed to successfully accomplish the specified goals of this study. However, the converter’s design restricts control to only one power source, which is the PV array system in this case. To effectively regulate the energy of Vdc1, an extra active power electronic switch can be connected in a shunt, as depicted in Figure 11. This additional active switch was strategically positioned after an extensive operational analysis, as demonstrated in the next section, considering the intended study’s objectives. In order to supply the required compensating current in critical PV array situations, the capacitor CS must be charged or discharged depending on the various operational states of the PV array.
Figure 11.
The configuration of the proposed modified dual-source voltage-fed quasi-Z-source inverter for grid-connected residential PV applications.
As observable in Figure 11, the converter is composed of three capacitors (C1, C2, CS) and two inductors (L1, L2). The PV array was interfaced with a DC–DC boost converter, with the power switch S8, diode DB, and inductor L3, due to the need for boosting up the PV voltage for MPPT control and to meet the AC grid voltage magnitude. This converter is chosen to be a unidirectional power converter where the PV current cannot flow in the opposite direction. Moreover, the PV boost converter is deliberately positioned across capacitor C1 to ensure a rapid control response of the DC-link voltage, where the average value of VDC is equal to VC1. The capacitor CS is integrated into the VF-qZSI network to serve as auxiliary energy storage, which is designed to supply or store the transient energy based on the transient behavior of the PV power. Switch S7 is employed to facilitate bidirectional power flow, whereas switch S9 is positioned to direct the energy stored in CS toward capacitor C1 during power regeneration scenarios.
In order to show the converter power flow possibilities, Table 2 provides a comprehensive overview of the power flow interactions between the PV system, the capacitor CS, and the connected AC grid, encompassing all potential operating scenarios.
Table 2.
Different power flow modes considering the PV system, the capacitor CS, and the AC grid.
The nomenclature of each operational mode was determined according to the regulation of power flow control, as outlined below: Normal operation refers to the functioning of a PV array in good health, where all the generated power is sent to the AC grid. The PV array surplus refers to the situation where a portion of the PV output power is utilized to charge the CS capacitor. This is carried out to mitigate the transient behavior in the PV array current and to enable the usage of this stored energy in the event of a PV array shortage. Heavy charging occurs when both the PV system and the AC grid simultaneously charge the capacitor CS. This scenario can only occur when the complete PV power is not being transmitted to the AC grid. PV-to-CS charging refers to the situation when the full PV power is directed to the capacitor CS while isolating the AC grid. On the other hand, grid-to-CS charging refers to the scenario where the capacitor CS is solely charged via the interfaced AC system.
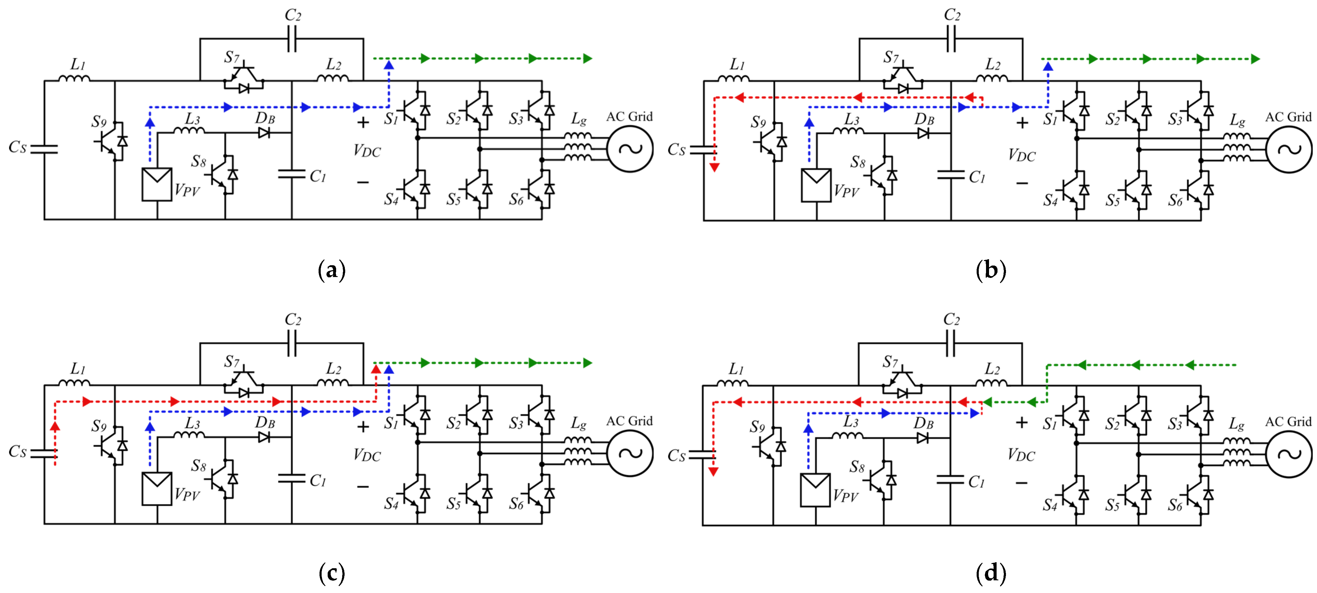
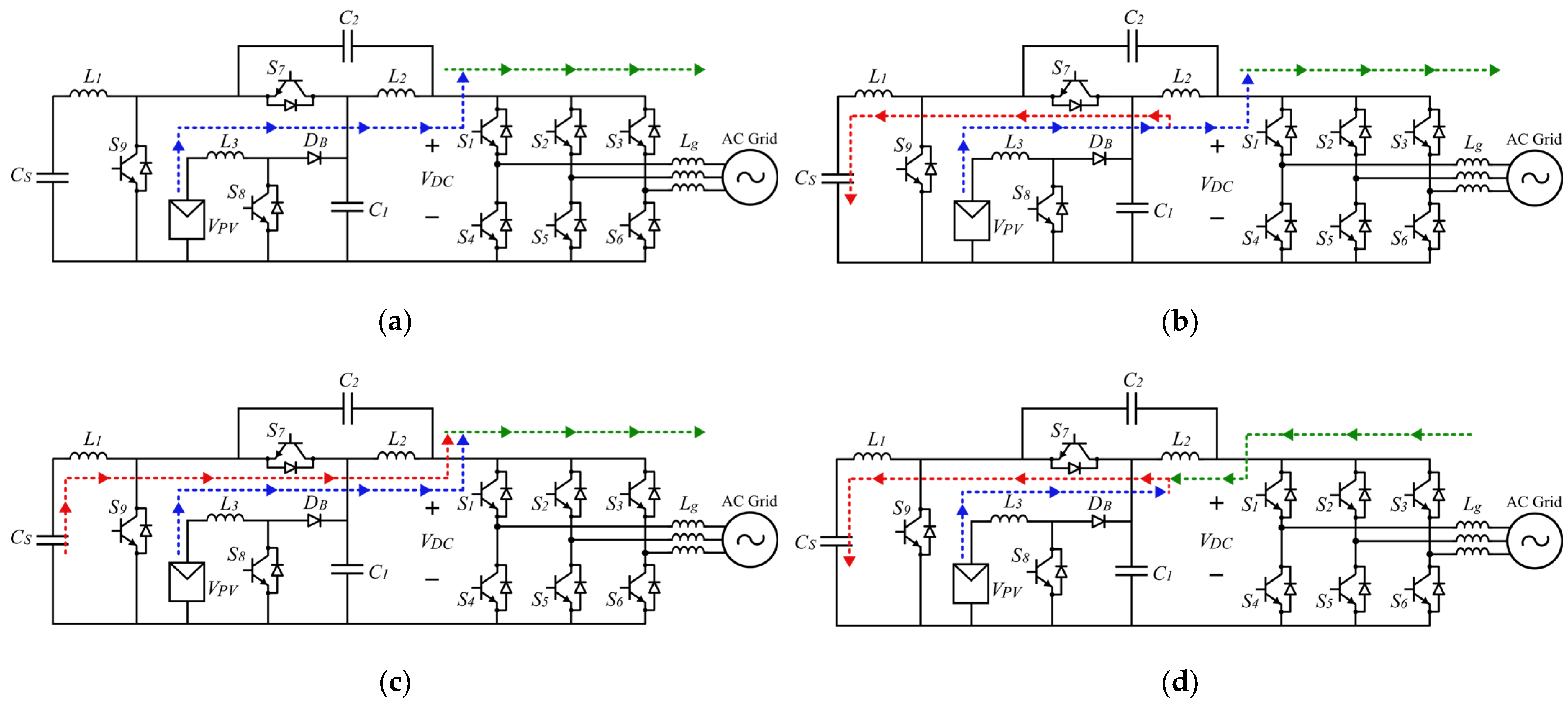
Each operational mode is engaged depending only on the behavior of the PV array. The goal is to preserve the reliability, high quality, and desirable security of the PV-injected power. Figure 12 illustrates the active power flow between the PV system (blue arrow), the capacitor CS (red arrow), and the connected AC grid (green arrow), encompassing all modes with the existence of the PV and AC grid power (mode 1, mode 2, mode 3, and mode 4).
Figure 12.
System’s power flow during (a) mode 1; (b) mode 2; (c) mode 3; (d) mode 4.
3.3. Equivalent Circuit of the Proposed Dual-Source Quasi-Z-Source Inverter
In order to clearly describe the operational principle and behavior of the proposed inverter, the equivalent circuit, switching states, current flow, and average power for the modified dual-source qZSI during CS‘s charging and discharging modes are illustrated. Figure 13 displays the inverter’s equivalent circuitry during mode 2. In this mode, the PV array power has a sudden rise in transient, and the job of the capacitor CS is to smooth this out. During this period, the capacitor CS stores the surplus energy by activating switch S7, whereas switch S9 is open-circuited. The MPPT control strategy regulates the switch S8 to maintain the voltage across the capacitor C1. The current flowing through the capacitor C2 changes to a negative value (blue arrow) during the open-state of the DC/AC inverter bridge (SBg). The steady state’s zero average voltage across the inductor L2 results in a zero average voltage for the capacitor C2 during this operational state. This implies that the voltage across the capacitor CS is equal to the voltage on the capacitor C1.
Figure 13.
Equivalent circuit of the modified dual-source VF-qZSI during mode 2 and the (left) charging period of the PV boost inductor (L3); (right) discharging period of the PV boost inductor (L3).
Figure 14 shows the equivalent circuit of the inverter during mode 3, where the PV array power has a dramatic decreasing transient and the capacitor CS has to take the responsibility of releasing this disturbance. In this phase, CS releases its stored energy to the circuit, contributing to the overall power flow within the converter through regulating the switch S9 and disactivating the switch S7. The existence of switch S9 is necessary in order to enforce the discharging of CS’s stored energy. The blue arrow represents the direction of the C2 current when the DC/AC inverter bridge is in an open-circuit state.
Figure 14.
Equivalent circuit of the modified dual-source VF-qZSI during mode 3 and the (left) charging period of the inductor (L1); (right) discharging period of the inductor (L1).
Figure 15 shows the equivalent circuit of the inverter during mode 4, where the capacitor CS is being charged by the PV array and the AC grid. In this case, CS stores the energy through activating the switch S7, while the switch S9 is open-circuited. The blue arrow represents the direction of the C2 current when the DC/AC inverter bridge is in an open-circuit state.
Figure 15.
Equivalent circuit of the modified dual-source VF-qZSI during mode 4 and the (left) charging period of the PV boost inductor (L3); (right) discharging period of the PV boost inductor (L3).
Based on the converter’s equivalent circuit, the relationship between the voltage across capacitors C1, C2, and CS under steady-state conditions can be expressed as [29]:
where Di is the duty cycle of the DC–AC inverter’s active-state switching mode. By substituting Equation (4) into the well-known Kirchhoff’s voltage law, the instantaneous DC voltage (), average DC voltage (), and peak DC voltage () can be expressed as
where Db is the boost converter duty ratio. The above equation shows that the boosting factor of the VF-qZSI is (1/1 − 2Di), which satisfies the voltage requirements for most of the low-voltage PV systems. The AC-side RMS phase voltage (Vac,rms) and current (Iac,rms) can be formulated in Di and the DC–AC inverter modulation index (mi) as [27]:
where Vgrid and fg are the AC grid line voltage and nominal frequency, while Lg is the inductance of the AC side current filter. The stored energy in the capacitor CS (ECS) can be determined by measuring the capacitor voltage and current as follows:
where T0 and T are the initial time and time interval, respectively. By substituting Equation (5) into Equation (7), the average stored energy () can be expressed in terms of different voltage variables among the converter voltage nodes, as follows:
Equation (8) plays a critical role in monitoring the stored energy within the supercapacitor CS, utilizing a reduced number of voltage and current sensors. Additionally, it facilitates the control of power flow sent to or extracted from CS as the main supercapacitor energy storage element. The following section presents the control algorithm governing the operation of all converter power switches.
4. Control Algorithm of the Proposed Inverter
According to Figure 11, the control system has to operate the six-switches DC–AC inverter bridge to extract the MPPT power out of the DC link by regulating the DC bus voltage at a certain level. The controller of the DC–AC power converter is constructed using the d–q axis current controller [32], which consists of the outer power loop and inner current loop controllers, as shown in Figure 16.
Figure 16.
Control scheme of the six-switches inverter bridge.
The reference value for the outer loop d-axis component, which is directly related to the inverter real power, is the desired DC bus voltage level. This reference value must be carefully selected to ensure the DC bus voltage stability. Typically, this reference value is chosen based on the voltage level of the interfaced power network, as discussed in [32]. Regularly, the reference value of the q-axis component, which is directly related to the inverter reactive power, is set to zero in order to convert the entire PV power to real power at the AC side. The primary objective of the inner control loop is to manage the inverter’s output currents by adjusting the d-axis and q-axis components of the terminal voltage, ensuring that the output currents follow the reference values set by the power references. To achieve this, the three-phase currents (ia, ib, and ic) from the grid-connected inverter are converted into the d–q reference frame using the Park Transformation, allowing them to be compared with the controller’s reference currents.
Additionally, the control system should manipulate the power electronic switches to ensure that the PV array generates the highest permissible amount of actual power, also known as the MPPT operational mode. To carry this out, the PV-interfaced DC–DC converter, controlled by switch S8, is required to regulate the voltage of capacitor C1 to the maximum power point tracking voltage (VMPPT). This means that the DC bus voltage is considered the main building block for both the MPPT control for the PV-interfaced DC–DC converter and the DC–AC power converter.
Due to the unidirectional nature of the PV system, only one bidirectional switch (S8) is used. The Perturb and Observe (P&O) MPPT control, shown in Figure 17, is employed for the purpose of achieving simplicity, accuracy, and rapid response [33].
Figure 17.
Control scheme of the PV-interfaced DC–DC power converter.
The fundamental concept of the P&O algorithm involves optimizing the operating voltage of the DC bus voltage to pinpoint the precise point at which the PV output power reaches its peak, taking into account the power extracted by the DC–AC power converter. The flow chart in Figure 18 (left) illustrates the operational process of the P&O algorithm. The scalability and performance robustness of this control type render it an efficient and appropriate option for MPPT control in many PV systems. The operational principle and in-depth analysis of the P&O algorithm are well discussed in [34].
Figure 18.
Flow chart of the operational process of (left) the P&O control algorithm; (right) the control algorithm for S7 and S9 power switches.
The control algorithm for the remaining power switches (S7 and S9) was designed to fulfill the primary purpose of this study, which is to store energy or supply compensatory current using the CS capacitor during aberrant PV power conditions. The control aspect of this approach primarily relies on the principle of adjusted ramp-rate. The necessary quantity of stored or generated energy from the capacitor CS can be determined by analyzing the PV output power and comparing it to the previous power calculations. The flow chart, depicted in Figure 18 (right), illustrates the control algorithm for S7 and S9 power switches, where e is the power difference tolerance and Fs is the switching frequency for S7 and S9 power switches.
Figure 19 illustrates the control schematic for the S7 and S9 power switches, which incorporates key elements such as ramp-rate power control, a PI controller, comparators, and gate signals. This control scheme was developed to execute the control process depicted in Figure 18 (right). The variable e* denotes the threshold value for the fluctuation in PV power. This threshold must be determined relative to the capacity of the PV array and the desired output power specifications. As this threshold value decreases, the system’s ability to suppress a wider range of power fluctuations improves, leading to enhanced power quality from the PV system; however, this also comes at an increased cost.
Figure 19.
Control scheme of S7 and S9 power switches.
In a similar manner, the variable vcs* represents the threshold value for the minimum energy stored in the capacitor CS. This threshold must be selected based on both the PV array’s capacity and the value of e*. Given that the energy supplied by the CS capacitor is constrained by its size and voltage, it is essential to include the threshold vcs* in the control circuit. This ensures that the system avoids extracting power from a source with very low energy, which could lead to instability within the control circuit and compromise system reliability. In this study, the e* and vcs* thresholds are selected to be 1% of the PV array capacity and 10% of the capacitor CS‘s nominal voltage, respectively.
5. Analysis and Validation of the Proposed System
5.1. Actual PV Data Acquisition and Illustration
A comprehensive performance analysis and dynamic impact evaluation were performed utilizing real-world measurements from a 10 kW laboratory PV system, as shown in Figure 20, to validate the proposed system practically. Table 3 presents the parameters and specifications under standard test conditions (STC). Also, it lists the orientation and location of the investigated PV array. The PV power data were collected using the attached 10.2 kW GROWATT On-grid DC–AC inverter, while the solar radiation data were collected from the Sustainable Energy Technologies Center (SET) [35], which is located in the same building of the utilized laboratory PV station. The validation procedure encompassed multiple essential stages: Initially, authentic power data were gathered from the utilized laboratory-scale PV system to guarantee a precise depiction of actual operating conditions. The system’s performance was subsequently assessed under standard conditions to create a baseline for comparison study. The transient behavior and dynamic impact of the proposed converter were subsequently simulated during various fault occurrences to analyze its reaction under disturbance conditions. The PV output power on a shaded day was evaluated with and without the suggested controller, illustrating the controller’s efficacy in alleviating the effects of shading. The procedures provide a thorough validation of the proposed system’s performance and its capacity to improve operational stability under real-world conditions.
Figure 20.
A laboratory-scale PV array used for investigation analysis.
Table 3.
Specifications of the utilized laboratory-scale 6 × 4 JA solar-Monocrystalline PV array and the proposed dual-source VF-qZSI.
5.2. Evaluation of the Proposed Inverter Performance Under Normal Conditions
To validate the performance of the proposed modified VF-qZSI, its dynamic behavior under normal operating conditions, when connected to the distribution power network, was thoroughly tested. This assessment is crucial for demonstrating the device’s ability to independently control active and reactive power. Figure 21 presents the system’s performance when the active power reference is configured to maintain a constant DC voltage across capacitor C1, while the PV DC–DC interface boost converter is regulated to track the MPPT power of the PV system. In this configuration, the reactive power reference of the DC–AC inverter is set to zero, and the power switches S7 and S9 are disabled to focus on the core performance characteristics. For clarity and general applicability, all results were presented in per-unit (PU) values.
Figure 21.
System performance evaluation with the proposed inverter and normal conditions during 27 February.
The results indicate that the proposed VF-qZSI effectively regulates its output active and reactive powers independently and successfully tracks the maximum power of the PV system under varying solar conditions throughout the day. Additionally, the inverter demonstrates excellent performance in terms of output quality, with an AC current THD of only 1.04%, ensuring minimal power losses and high efficiency. The continuity of the PV output current was maintained, while the PV array terminal voltage and DC bus voltage were consistently regulated at 1 PU. These findings confirm that the modified VF-qZSI provides reliable performance and robust power regulation during normal PV array conditions. The next section discusses the performance of the proposed device during abnormal conditions, specifically the PV output power in the presence of the identified array fault events.
5.3. Evaluation of the Proposed Inverter Performance Under Abnormal Conditions
This section examines the performance of the proposed device under abnormal conditions, with a particular focus on evaluating the PV output power during fault events affecting the solar array. This analysis is critical to understanding the device’s resilience and operational stability when subjected to unexpected disturbances, such as partial shading, short circuits, or other considered PV array faults. By assessing the system’s response during these conditions, the effectiveness of the proposed device in maintaining stable power output and ensuring continuous operation under challenging scenarios, which is the core objective of this study, is thoroughly evaluated.
Figure 22 illustrates the transient performance of the proposed converter during the events of L–G faults with low RF, L–G faults with high RF, and module faults with zero fault path impedance. The L–G fault was executed across the M31 and M41 modules, whereas the module fault was implemented across the M31 module for the array, as depicted in Figure 2. This analysis examines the dynamics of PV output power, DC voltages, and the voltage and current of the capacitor CS. The faults were executed for 0.4 s and interspersed by 0.4 s to maintain consistent conditions during the test.
Figure 22.
System transient performance with the proposed converter and L–G and module array faults during 27 February.
The results indicate that the PV power decreased to 0.75 PU for the L–G and module failures with zero fault impedance, which is anticipated given that one out of four array strings was open-circuited. A mere 0.15 PU reduction in PV power has transpired due to the L–G fault with elevated RF, since a portion of the faulty string’s power was dissipated through the fault path resistance. The results indicate that the converter can mitigate transient and abrupt disturbances in the PV array output power prior to its injection into the connected power grid. The capacitor CS demonstrates the capacity to provide compensatory current during fault events. According to the size of the capacitor CS, the maximum stored and delivered power attained 0.2 PU. This value can be modified by configuring the capacitance CS and the corresponding controller objective function. Although the injected current from CS induces undesirable DC voltage transients, these transients are essential for facilitating the power compensation reaction with a fast-transient response. Additional design processes must be implemented to mitigate these transients, which falls outside the scope of this study and is planned for future work.
Similarly, the transient performance of the proposed converter was evaluated during partial shading, open-string faults, and L–L faults with zero fault path impedance, as illustrated in Figure 23. In the partial shading scenario, shading was applied to module M31, while the open-string fault occurred between modules M31 and M41. The L–L fault was introduced between string 1 and string 2. The results reveal that during the partial shading event, the PV power output decreased to 0.8 PU due to a reduction in the string current. In the case of open-string and L–L faults, the power output dropped to 75% of its maximum rating, which is expected since one of the four array strings was open-circuited during these faults.
Figure 23.
System transient performance with the proposed converter and partial shading, open-string and L–L array faults during 27 February.
The findings highlight the converter’s capability to mitigate transient and abrupt disturbances in the PV array output power before its injection into the connected power grid. The capacitor CS plays a significant role in this process by providing a compensatory current during fault events, demonstrating its effectiveness in stabilizing power delivery. It has been noticed that the compensatory current injected from CS leads to undesirable DC voltage transients, although such transients are necessary for achieving a fast response during power disturbances. The mitigation of these transients involves complex design processes that are beyond the scope of this study. This evaluation underscores the converter’s robust response to faults and its potential for enhancing the resilience of PV systems integrated into power networks.
In order to illustrate the control signals for the newly added switches (S7 and S9), Figure 24 provides a detailed depiction of their switching behavior during the fault events previously discussed. The figure reveals that switch S7, which is associated with the CS capacitor charging operation mode, remained active under normal operating conditions. This indicates that S7 was conducting as expected when the system was in its standard state. Conversely, switch S9, which is tasked with regulating the discharged power from the capacitor CS during the compensation current phase, exhibited its conducting behavior in response to the changing compensation needs. This behavior highlights the role of S9 in adjusting the power discharge from CS to effectively manage the compensation current. The data presented in Figure 24 confirm that both switches functioned according to their designed roles, demonstrating their critical contributions to the system’s performance during fault conditions.
Figure 24.
Switching behavior of S7 and S9 power switches during PV array faults.
5.4. Evaluation of the Proposed Inverter Performance Under Fluctuated Solar Radiation
To validate the effectiveness of the proposed VF-qZSI under partly cloudy weather conditions, its dynamic performance when connected to a distribution power network was rigorously tested using variable solar irradiance. Initially, solar irradiance data corresponding to different cloud levels during partly cloudy weather conditions were collected, as depicted in Figure 25. These irradiance profiles were then integrated into the simulation model to assess the system’s response to fluctuating solar energy input. Comprehensive simulations were conducted to evaluate the suitability and robustness of the proposed inverter under varying cloud coverage.
Figure 25.
Solar irradiance data corresponding to different cloud levels during partly cloudy weather conditions during 11 March and 22 May.
Figure 26 illustrates the system’s performance with the proposed inverter under a 6% partly cloudy condition, while Figure 27 presents the analysis under a 27% cloud level. The evaluation considered key parameters including the received solar energy, PV output power, DC bus voltage, and the output power of the DC–AC inverter, as well as the voltage and current dynamics of the compensatory capacitor CS. Also, the transient power-to-time variation (dP/dt) was evaluated for both cases in order to demonstrate the power rate of change (ROC). The results indicate that the proposed VF-qZSI effectively regulates and smooths the output power of the DC–AC inverter before its injection into the PCC bus.
Figure 26.
System performance evaluation with the proposed inverter under 6% partly cloudy weather condition for the entire PV array during 11 March.
Figure 27.
System performance evaluation with the proposed inverter under a 27% partly cloudy weather condition for the entire PV array during 22 May.
Notably, the peak of the transient power-to-time variation (dP/dt) was significantly suppressed, reducing by 72%, which also reflects the reduction in the PCC output current, given the direct relationship between active power and current at a maintained terminal voltage. The normalized root-mean-square error (RMSEN) is also obtained for the dP/dt transient to investigate the ability of the utilized inverter for suppressing the impacts of PV array failures to the AC side power. The RMSEN test, as defined in [10], can be expressed with respect to zero value as:
where w is the total number of processed samples. It was observed that the RMSEN was reduced by 31.8% and 38.5% for case 1 and case 2, respectively. The actual RMSEN for every dP/dt transient is shown in Figure 26 and Figure 27.
Additionally, the DC bus voltage was consistently regulated at 1.0 PU, demonstrating the system’s ability to maintain voltage stability. Furthermore, the capacitor CS actively charged and discharged in response to the varying cloud influences, fulfilling its role in achieving the designed compensatory objectives.
Recognizing that financial considerations are fundamental to determining the viability of any technical solution, it is essential to provide a detailed comparison between the traditional VSI and the proposed topology of both the upfront investment and ongoing operational costs. Compared to the traditional conversion system, as shown in Figure 7, the number of active power switches and passive elements in the proposed solution is increased by 25% and 80%, respectively. The overall component count of the proposed topology increased by about 47%. This implies that the total system cost could reach 1.5-times when compared to the traditional converter. Given the pivotal role that financial analysis plays in bridging the gap between technical feasibility and economic viability, it is imperative to thoroughly assess the economic implications of the proposed solution to ensure its practical feasibility.
A comprehensive evaluation of the financial impact is essential for determining whether the solution is not only cost-effective but also sustainable over the long term. Such an assessment provides critical insights into the economic performance of the project, allowing stakeholders to make informed decisions. By examining both initial costs and ongoing operational expenses, this analysis serves as a foundation for optimizing resource allocation, reducing potential risks, and ultimately ensuring the successful implementation and long-term viability of the project. Therefore, it is recommended to extensively analyze the economic feasibility of the proposed solution.
In addition, smoothing the injected PV power is critical for mitigating voltage fluctuations, frequency deviations, and current harmonics on the AC side of the system. While this study highlights the inverter’s capacity to enhance power quality under PV array faults and partly cloudy conditions, a detailed analysis of the proposed solution’s impact on PCC voltage profile, frequency stability, and current harmonics is planned for future work since it is a very significant and intensive research direction.
6. Conclusions
This paper proposed an approach to address the challenges associated with grid-connected PV systems, focusing on mitigating the effects of DC faults and shading on PV arrays. This study introduced a modified dual-source voltage-fed quasi-Z-source inverter (VF-qZSI) and its corresponding control strategy to compensate for current reductions on the DC side, thereby enhancing the overall performance of the PV system. The comprehensive evaluation using real-world data and simulation analysis demonstrated that the proposed converter effectively regulates the PV array’s output, ensuring smooth power injection into the grid even under fault conditions.
This study highlights the VF-qZSI’s potential to significantly enhance the resilience and stability of PV systems, particularly during abnormal operating conditions such as shading, line-to-ground (L–G), module, open-string, and line-to-line (L–L) fault events. By providing robust current compensation, the proposed approach minimizes power disruptions and ensures consistent energy delivery, contributing to improved power quality, reliability, and security of PV integration into the grid.
The findings indicate that the PV output power experiences abrupt reductions, particularly during L–G, open-string, and module failures. The proposed VF-qZSI compensates for these fluctuations by injecting a compensatory current through a supercapacitor, enhancing the system’s reliability and efficiency. The performance analysis showed that the VF-qZSI maintains continuous and regulated output currents, minimizes voltage fluctuations, and ensures a high-quality power injection with a total harmonic distortion (THD) of only 1.04%, while the peak of the transient power-to-time variation (dP/dt) was significantly suppressed by 72%, which also reflects the reduction in the PCC output current. Additionally, the system successfully manages voltage spikes and maintains voltage stability during fault events, validating its suitability for grid-connected PV applications.
Future research should focus on optimizing the design to further reduce undesirable transients and explore advanced control strategies to maximize system performance. Since financial analysis plays a crucial role in linking technical feasibility with economic viability, it is essential to assess the economic implications of the proposed solution to ensure its overall feasibility. A thorough evaluation of the financial impact will help determine whether the solution is cost-effective and sustainable in the long term, enabling better decision making and promoting the successful implementation of the project. Overall, the proposed converter presents a viable and cost-effective solution for enhancing the integration of PV systems into modern power networks.
Author Contributions
Conceptualization, A.A.A.-S. and F.E.A.; Methodology, A.A.A.-S. and F.E.A.; Software, A.A.A.-S.; Validation, A.A.A.-S.; Formal analysis, A.A.A.-S. and F.E.A.; Investigation, A.A.A.-S. and F.E.A.; Resources, F.E.A.; Data curation, A.A.A.-S.; Writing—original draft, A.A.A.-S.; Writing—review and editing, F.E.A.; Project administration, F.E.A.; Funding acquisition, F.E.A.; visualization, A.A.A.-S. All authors have read and agreed to the published version of the manuscript.
Funding
This work was supported by the Researchers Supporting Project number (RSPD2024R578), King Saud University, Riyadh, Saudi Arabia.
Data Availability Statement
The data presented in this study are available on request from the corresponding author.
Acknowledgments
The authors would like to express their profound gratitude to King Abdullah City for Atomic and Renewable Energy (K.A.CARE) for their financial support in accomplishing this work.
Conflicts of Interest
The authors declare no conflicts of interest.
Abbreviations
The following abbreviations are used in this manuscript:
| PCC: | Point of common coupling |
| VF-qZSI: | Voltage-fed quasi-Z-source inverter |
| RESs: | Renewable energy sources |
| ESSs: | Energy storage systems |
| L–G: | Line-to-ground |
| L–L: | Line-to-line |
| DAB: | Dual active bridge |
| BESSs: | Battery energy storage systems |
| THD: | Total harmonic distortion |
| PWM: | Pulse-width modulation |
| MPPT: | Maximum power point tracking |
| ZSIs: | Z-source inverters |
| VF-ZSIs | Voltage-fed Z-source inverters |
| VSI | Voltage source inverter |
| EMI | Electromagnetic interference |
| P&O | The Perturb and Observe control |
| STC | Standard test conditions |
| SET | Sustainable Energy Technologies Center |
| PU | Per-unit value |
| ROC | Rate of change |
References
- Allegretti, G.; Montoya, M.A.; Talamini, E. Renewable Energy for a Sustainable Future. In The Renewable Energy-Water-Environment Nexus: Fundamentals, Technology, and Policy, 3rd ed.; Jafarinejad, S., Beckingham, B.S., Eds.; Elsevier: Amsterdam, The Netherlands, 2024; pp. 1–36. [Google Scholar]
- Wehbi, H. Powering the Future: An Integrated Framework for Clean Renewable Energy Transition. Sustainability 2024, 16, 5594. [Google Scholar] [CrossRef]
- Renewable Energy Policy Network for the 21st Century (REN21). REN21’s Renewables Global Status Report (GSR); Renewable Energy Policy Network for the 21st Century (REN21): Paris, France, 2023. [Google Scholar]
- Bošnjaković, M.; Stojkov, M.; Katinić, M.; Lacković, I. Effects of Extreme Weather Conditions on PV Systems. Sustainability 2023, 15, 16044. [Google Scholar] [CrossRef]
- Abeje, S.E.; Aberie, K.H.; Gebru, W.Y. Power Quality and Performance Analysis of Grid-Connected Solar PV System Based on Recent Grid Integration Requirements. Int. J. Photoenergy 2021, 1, 4281768. [Google Scholar] [CrossRef]
- Alfaris, F.E.; Al-Ammar, E.A.; Ghazi, G.A.; Al-Katheri, A.A. Design Enhancement of Grid-Connected Residential PV Systems to Meet the Saudi Electricity Regulations. Sustainability 2024, 16, 5235. [Google Scholar] [CrossRef]
- Venkatakrishnan, G.R.; Rengaraj, R.; Tamilselvi, S.; Harshini, J.; Sahoo, A.; Saleel, C.A.; Abbas, M.; Cuce, E.; Jazlyn, C.; Shaik, S.; et al. Detection, Location, and Diagnosis of Different Faults in Large Solar PV System—A Review. Int. J. Low-Carbon Technol. 2023, 18, 659–674. [Google Scholar] [CrossRef]
- Suliman, F.; Anayi, F.; Packianather, M. Electrical Faults Analysis and Detection in Photovoltaic Arrays Based on Machine Learning Classifiers. Sustainability 2024, 16, 1102. [Google Scholar] [CrossRef]
- Baradieh, K.I.; Zainuri, M.A.A.M.; Mohamed Kamari, N.A.; Abdullah, H.; Yusof, Y.; Zulkifley, M.A.; Koondhar, M.A. A Study on the Impact of Different PV Model Parameters and Various DC Faults on the Characteristics and Performance of the Photovoltaic Arrays. Inventions 2024, 9, 93. [Google Scholar] [CrossRef]
- Alfaris, F.E.; Al-Ammar, E.A.; Ghazi, G.A.; AL-Katheri, A.A. A Cost-Effective Fault Diagnosis and Localization Approach for Utility-Scale PV Systems Using Limited Number of Sensors. Sustainability 2024, 16, 6454. [Google Scholar] [CrossRef]
- Zhang, W.; Wang, Y.; Xu, P.; Li, D.; Liu, B. A Potential Induced Degradation Suppression Method for Photovoltaic Systems. Energy Rep. 2023, 10, 3955–3969. [Google Scholar] [CrossRef]
- González, L.G.; Chacon, R.; Delgado, B.; Benavides, D.; Espinoza, J. Study of Energy Compensation Techniques in Photovoltaic Solar Systems with the Use of Supercapacitors in Low-Voltage Networks. Energies 2020, 13, 3755. [Google Scholar] [CrossRef]
- Vadivel, S.; Boopthi, C.S.; Ramasamy, S.; Ahsan, M.; Haider, J.; Rodrigues, E.M.G. Performance Enhancement of a Partially Shaded Photovoltaic Array by Optimal Reconfiguration and Current Injection Schemes. Energies 2021, 14, 6332. [Google Scholar] [CrossRef]
- Amorim, W.C.S.; Cupertino, A.F.; Pereira, H.A.; Mendes, V.F. On Sizing of Battery Energy Storage Systems for PV Plants Power Smoothing. Electr. Power Syst. Res. 2024, 229, 110114. [Google Scholar] [CrossRef]
- Yadav, S.K.; Yadav, K.B.; Priyadarshi, A. Performance Analysis of Three-Phase Solar PV, BESS, and Wind Integrated UPQC for Power Quality Improvement. Comput. Electr. Eng. 2024, 116, 109230. [Google Scholar] [CrossRef]
- Alfaris, F.E.; Almutairi, F. Performance Assessment User Interface to Enhance the Utilization of Grid-Connected Residential PV Systems. Sustainability 2024, 16, 1825. [Google Scholar] [CrossRef]
- Alrashidi, M. Community Battery Storage Systems Planning for Voltage Regulation in Low Voltage Distribution Systems. Appl. Sci. 2022, 12, 9083. [Google Scholar] [CrossRef]
- Yin, K.; Xiao, Y.; Shen, X.; Zhu, Y.; Yang, Y. Review of Photovoltaic–Battery Energy Storage Systems for Grid-Forming Operation. Batteries 2024, 10, 288. [Google Scholar] [CrossRef]
- Boscaino, V.; Ditta, V.; Marsala, G.; Panzavecchia, N.; Tinè, G.; Cosentino, V.; Cataliotti, A.; Cara, D.D. Grid-connected photovoltaic inverters: Grid codes, topologies and control techniques. Renew. Sustain. Energy Rev. 2024, 189, 113903. [Google Scholar] [CrossRef]
- Hasan, M.A.; Vemula, N.K.; Devarapalli, R.; Knypiński, Ł. Investigation into PV Inverter Topologies from the Standards Compliance Viewpoint. Energies 2024, 17, 3879. [Google Scholar] [CrossRef]
- Gada, S.; Fekik, A.; Mahdal, M.; Vaidyanathan, S.; Maidi, A.; Bouhedda, A. Improving Power Quality in Grid-Connected Photovoltaic Systems: A Comparative Analysis of Model Predictive Control in Three-Level and Two-Level Inverters. Sensors 2023, 23, 7901. [Google Scholar] [CrossRef]
- Ahmed, S.; Saqib, M.A.; Kashif, S.A.R.; Hashmi, K.; Aymen, F.; AboRas, K.M.; Jasińska, L.; Leonowicz, Z. A Modified Multi-Level Inverter System for Grid-Tied DES Applications. Sustainability 2022, 14, 16545. [Google Scholar] [CrossRef]
- Zhang, Y.; Xia, Y.; Lv, Z.; Yu, M.; Wei, W. Impact of grounding fault in PV modules on AC side and the suppression strategy based on 0-axis control. IET Renew. Power Gener. 2019, 13, 2094–2104. [Google Scholar] [CrossRef]
- Yao, W.; Lu, J.; Taghizadeh, F.; Bai, F.; Seagar, A. Integration of SiC Devices and High-Frequency Transformer for High-Power Renewable Energy Applications. Energies 2023, 16, 1538. [Google Scholar] [CrossRef]
- Himanshu; Singh, H.; Kumar, P.S.; Ali, M.U.; Lee, H.Y.; Khan, M.A.; Park, G.S.; Kim, H.-J. High Frequency Transformer’s Parasitic Capacitance Minimization for Photovoltaic (PV) High-Frequency Link-Based Medium Voltage (MV) Inverter. Electronics 2018, 7, 142. [Google Scholar] [CrossRef]
- Mande, D.; Trovão, J.P.; Ta, M.C. Comprehensive Review on Main Topologies of Impedance Source Inverter Used in Electric Vehicle Applications. World Electr. Veh. J. 2020, 11, 37. [Google Scholar] [CrossRef]
- Mande, D.; Trovão, J.P.F.; Ta, M.C.; Do, T.V. Dual-Source Bidirectional Quasi-Z-Source Inverter Development for Off-Road Electric Vehicles. World Electr. Veh. J. 2022, 13, 174. [Google Scholar] [CrossRef]
- Abid, A.; Bakeer, A.; Zellouma, L.; Bouzidi, M.; Lashab, A.; Rabhi, B. Low Computational Burden Predictive Direct Power Control of Quasi Z-Source Inverter for Grid-Tied PV Applications. Sustainability 2023, 15, 4153. [Google Scholar] [CrossRef]
- Monjo, L.; Sainz, L.; Mesas, J.J.; Pedra, J. Quasi-Z-Source Inverter-Based Photovoltaic Power System Modeling for Grid Stability Studies. Energies 2021, 14, 508. [Google Scholar] [CrossRef]
- Dabour, S.M.; El-hendawy, N.; Aboushady, A.A.; Farrag, M.E.; Rashad, E.M. A Comprehensive Review on Common-Mode Voltage of Three-Phase Quasi-Z Source Inverters for Photovoltaic Applications. Energies 2023, 16, 269. [Google Scholar] [CrossRef]
- Jamal, I.; Elmorshedy, M.F.; Dabour, S.M.; Rashad, E.M.; Xu, W.; Almakhles, G.J. A Comprehensive Review of Grid-Connected PV Systems Based on Impedance Source Inverter. IEEE Access 2022, 10, 89101–89123. [Google Scholar] [CrossRef]
- Blaabjerg, F. Control of Single-Phase and Three-Phase DC/AC Converters. In Control of Power Electronic Converters and Systems, 1st ed.; Elsevier: London, UK, 2018; pp. 153–175. [Google Scholar]
- Katche, M.L.; Makokha, A.B.; Zachary, S.O.; Adaramola, M.S. A Comprehensive Review of Maximum Power Point Tracking (MPPT) Techniques Used in Solar PV Systems. Energies 2023, 16, 2206. [Google Scholar] [CrossRef]
- Barambonesm, M.F.O.; Sbita, L. A Real-Time Implementation of MPPT-Based on P&O Method. In Proceedings of the 5th International Conference on Electronic Devices, Systems and Applications (ICEDSA), Ras Al Khaimah, United Arab Emirates, 6–8 December 2016. [Google Scholar] [CrossRef]
- Sustainable Energy Technologies Center (SET). 2022. Available online: https://set.ksu.edu.sa/en (accessed on 11 August 2024).
- Distribution Planning Standards, Saudi Electricity Company. Available online: https://mm4design.wordpress.com/wp-content/uploads/2014/09/dps-sec.pdf (accessed on 11 May 2024).
Disclaimer/Publisher’s Note: The statements, opinions and data contained in all publications are solely those of the individual author(s) and contributor(s) and not of MDPI and/or the editor(s). MDPI and/or the editor(s) disclaim responsibility for any injury to people or property resulting from any ideas, methods, instructions or products referred to in the content. |
© 2024 by the authors. Licensee MDPI, Basel, Switzerland. This article is an open access article distributed under the terms and conditions of the Creative Commons Attribution (CC BY) license (https://creativecommons.org/licenses/by/4.0/).



























