Abstract
The high-thrust linear motor used for the electromagnetic launch is switched by switches composed of anti-shunt thyristors. During the switching process, different current path states will appear, which will lead to changes in motor parameters and current fluctuation. Focusing on the air-core synchronous linear motor with parallel and series power supply, this paper analyzes the change in current path caused by the change in the trigger signal of anti-parallel thyristors in the process of sectionalized stator switching. The motor circuit model of the switching process is derived. A new sectionalized stators switching method is proposed to realize the smooth switching of the sectionalized stators linear motor. Finally, the correctness of the analysis and modeling is verified by simulation, and the effectiveness of the sectionalized stators switching method is tested by using the test prototype.
1. Introduction
A linear motor is a device that can directly convert electrical energy into linear mechanical energy. Compared with a rotary motor device with a transmission mechanism used to achieve linear traction, a linear motor device used to achieve linear traction has no transmission mechanism, and its secondary does not need the auxiliary power supply, which has the advantages of a simple structure, large traction force, and high reliability [1]. Therefore, the long stator linear motor has been widely used in scenarios with long-distance traction requirements, such as linear elevators, logistics transmission, magnetic train traction, and car crash tests, and it can also be used in electromagnetic sleds, electromagnetic rail gun, electromagnetic range extenders, electromagnetic catapults, and other special cases [2].
In order to reduce circuit loss during operation, reduce the output voltage level of the inverter, and improve system efficiency, the long stator is often sectioned. When the mover moves to the adjacent sectionalized stator, the stator is supplied with power, and other sectionalized stators are not energized. The switching methods of the traction system of the high-speed maglev train are the jump-step method, two-step method, three-step method, and others. The disadvantages of the jump-step method include a loss of thrust during switching [3]; the two-step method requires the inverter current to drop to zero and then increase when switching [4], and the time it takes to switch is long; and the three-step method requires three inverters, and one inverter will be idle in the non-step-changing during switching, which increases the cost [5,6]. The length of sectionalized stators of the traction system of the maglev train is dozens of times the length of the mover [7]. In the field of high-thrust high-speed traction, in order to achieve a large traction current while maintaining a small power supply voltage, the length of the sectionalized stators is generally short, and the length of the sub-segment is 0.3 to 10 times according to application scenarios [8]. Therefore, the switching method of a high-speed maglev traction system is not applicable.
The sectionalized switch is the key part of the sectionalized linear motor. The stator segment is electrified according to the mover position by switching different sectionalized switches to realize the continuous traction of the mover. In [9], Huang uses a solid-state relay as a section switch and uses a single power supply of 380 V/50 Hz to achieve continuous operation of the linear motor. In [10], the linear motor uses IGBT as a section switch, with a maximum working current of 25.3 A and a rated voltage of 220 V. In the application of high-power linear traction represented by electromagnetic ejection, the stator current can reach 18 kA, and the voltage can reach 4 kV [11]. Moreover, the coupling time between the rotor and each stator is very short, which requires the controllable, reliable, and fast turning on and off of the section switch. Because the thyristor has the characteristics of high switching frequency, strong pressure bearing, and circulation ability, an anti-parallel thyristor is often used as the sectional switch of a long stator linear motor [12,13,14].
The number of sectionalized stators supplied by the linear motor at the same time is determined by the relationship between sectionalized stator length and mover length. When the mover length is shorter than the length of the sectionalized stators, two adjacent sectionalized stators are supplied at the same time. When the actuator length is between times length of the sectionalized stator and m times length of the sectionalized stator, the adjacent stator is generally supplied at the same time () [8]. For example, the mover is shorter than the section switch. Figure 1 shows its structure diagram. At this moment, the position sensor detects that the mover is located in the sectionalized stator , and the switch controller sends commands that only section switch and section switch turn on. When the mover completely enters the sectionalized stator , the switch controller sends commands that only section switch and section switch turn on, and so on [2]. There are two traditional switching methods: (1) after the mover enters the stator section , turn off section switch and then turn on section switch [13]; (2) after the mover enters the stator section , turn on section switch first and then turn off section switch [15]. Both methods have problems with the current control degree of freedom change, current fluctuation, and current shock during switching, so additional current control methods are needed to improve the current tracking speed. Reference [16] reduces the current shock during switching by 50% by optimizing the switching angle and switching sequence. In [17], active disturbance rejection control and load power feedforward are used to improve the current response speed and reduce the bus voltage fluctuation. When the motor is running at a high current, the switching of the switch will lead to the vibration of the winding cable. To mitigate vibration issues arising from segment switch operations, incorporating elastic vibration isolation elements proves to be an effective strategy for attenuating these vibrational effects [18].
Figure 1.
Schematic diagram of linear motor in which mover is shorter than stator sections.
Current zero-crossing switching is an important method to reduce current fluctuation during the switching of a segmented linear motor. Patent [19] proposes using a fixed threshold to determine current zero-crossing and using it for switching stator sections. In [1], according to the position of the mover and the current zero-crossing to switch section switches, the maximum fluctuation of the motor torque current component is only 9%. In [20], the “mathematical–physical“ model of the thyristor switch is established and used to analyze the influence of the stator sections’ switching transient process. The model is verified on a linear motor with a single power supply in a series that adopts current zero-crossing switching. Reference [8] proposes that when switching, each phase switch of stator section is turned off at the current zero-crossing point and the corresponding phase switches of stator section are turned on at the same time, which can reduce the current fluctuation without changing the degree of freedom of current control. All the above studies mentioned current zero-crossing switching but did not analyze the necessity of current zero-crossing.
This paper analyzes the circuit changes in the linear motor stator sections’ switching process with a single power supply, deduces the motor circuit model during switching, analyzes the causes of current fluctuation and shock, and obtains the necessity of switching when current zero-crossing occurs. Focusing on solving the problem of imprecision and misjudgment of the current zero-crossing point caused by the fixed threshold method when the linear motor is running at a high speed and the traction current is irregular, a zero-crossing point detection method based on control period and current frequency is proposed and used for stator segment switching so that the timing of the switch action is closest to the real current zero-crossing point, which can ensure the smooth transition of the current during switching. The correctness of the analysis is verified by simulation. The effectiveness of the method is verified by simulation and a large-thrust linear motor testing machine.
2. Analysis of Sectionalized Stator Switching Process
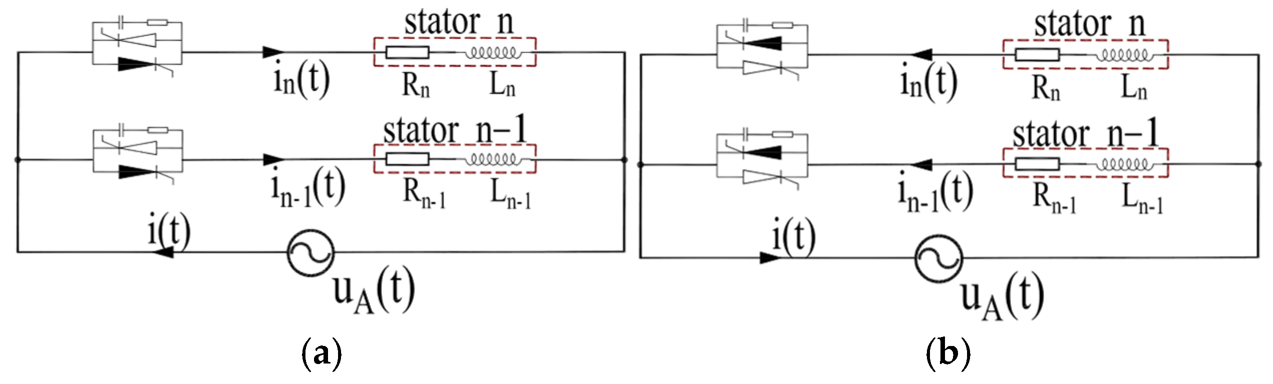
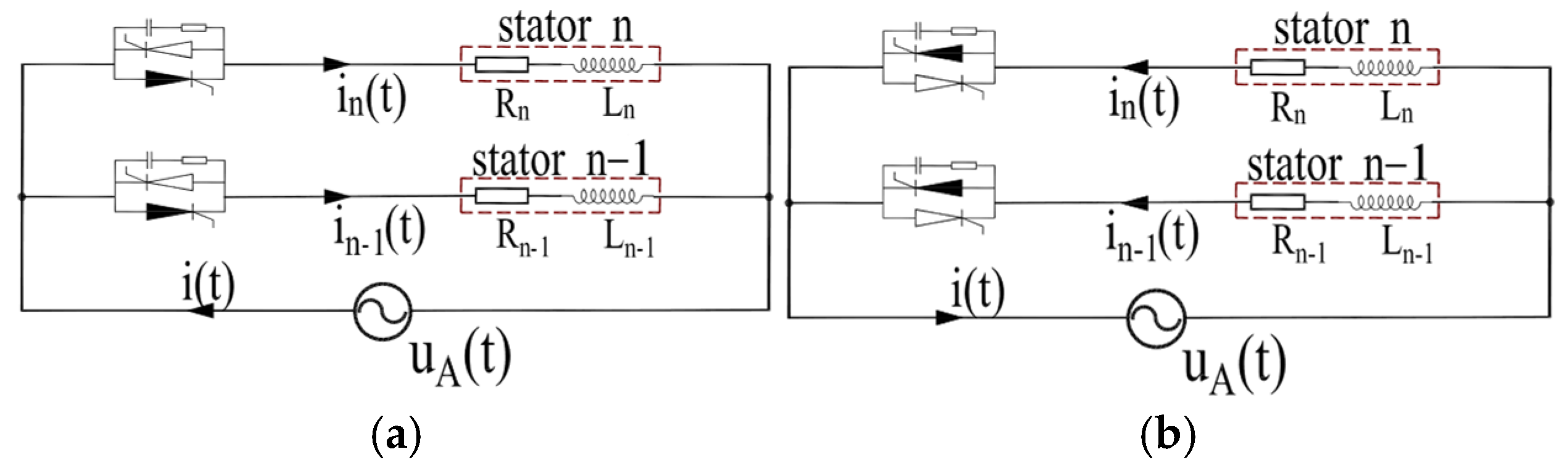
The circuit topology of the single-supply sectionalized linear motor with the stator longer than the mover is shown in Figure 2. The three-phase current of the motor is controlled independently, and each phase current differs by 120 degrees.
Figure 2.
Sectionalized linear motor single power supply circuit topology: (a) sectional stator parallel power supply topology; (b) sectional stator series power supply topology.
The configuration of the section switch is illustrated in Figure 3. Each section switch consists of three pairs of anti-parallel thyristors; each pair of anti-parallel thyristors is responsible for a phase circuit of a single stator section, and the on–off of each pair of anti-parallel thyristors is determined by the same gate trigger signal which is generated by the segment controller. As a semi-controlled power electronic device, the thyristor is turned on under the condition that the trigger signal is applied to the gate and the anode bears the direct voltage. The thyristor can be turned off when the gate trigger signal is removed, and the current is zero. When the linear motor is running, the continuous high-frequency trigger signal is applied only to the anti-parallel thyristor of the section switches that needs to be turned on.
Figure 3.
Diagram of section switch.
Because the motor circuit is an inductive load, the phase voltage of the stator is ahead of the phase current, and there are two situations when the switching of section switches occurs: (1) the bus voltage and current are in the same direction; (2) the bus voltage and current are reversed. Taking the phase A circuit as an example, this paper analyzes the circuit change process and current flow during switching, and the same applies to phase B and C switching.
2.1. Switching Process of Sectionalized Stator Paralleled Power Supply
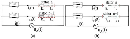
When a linear motor is powered by a single power supply in parallel, taking the mover running in the stator segment as an example, at this time, continuous high-frequency trigger signals are applied to section switches and to keep them conductive. The equivalent circuit of the single phase of the motor is shown in Figure 4. The conducting thyristor is represented by blackening, and the black arrow indicates the direction of the current, which is the same in the following figures.
Figure 4.
Single-phase equivalent circuit of motor under normal operation of parallel power supply: (a) current positive half wave circuit diagram; (b) current negative half wave circuit diagram.
2.1.1. Parallel Connection Switching When Voltage and Current Are in Same Direction
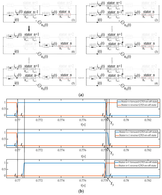
After the mover completely enters stator section from stator section , the switching process begins. The trigger signal of section switch is immediately turned off, and the trigger signal of section switch is applied at the same time. If the current is at a positive half wave when the trigger signal changes and the bus voltage is in the same direction as the current, the change process of the phase A circuit of the motor and the change in the current flow direction are shown in Figure 5a, where “+” indicates that the output voltage of the power supply is greater than 0, and “−” indicates that the output voltage of the power supply is less than 0. Figure 5b shows the switching state of the thyristor in , , and stator section, where 0 means off and 1 means on. We conducted an analogical analysis of the current in negative half-wave.
Figure 5.
Parallel power supply mode switching process when current and voltage are in the same direction: (a) changes in circuit and current direction; (b) conduction of each thyristor.
The stator sections’ switching process is as follows:
(1) Before switching, stator sections and are connected in parallel with the forward thyristor of section switch and section switch ;
(2) At time , the trigger signal of section switch is removed and the trigger signal is applied to section switch , stator section is electrified through forward thyristor, and stator sections ,, and are connected in parallel by forward thyristors;
(3) The bus voltage is opposite to the current at a certain time in the period;
(4) At , the winding current in stator section crosses zero, and the reverse thyristor in section switch is turned on; stator sections ,, and are connected in parallel;
(5) At a certain time in the period, the bus current crosses zero, and the current direction remains unchanged in stator sections , , and ;
(6) At , the winding current of stator sections and returns to zero, section is no longer energized, and stator sections and are connected in parallel; the switching process is complete.
2.1.2. Parallel Connection Switching When Voltage and Current Are in Reversed Direction
If the bus voltage is opposite to the current direction before switching, the change process of the phase A circuit of the motor and the change in the current flow direction are shown in Figure 6a, whereas Figure 6b shows the switching state of the thyristor in , , and stator sections.
Figure 6.
Parallel power supply mode switching process when current and voltage are in the reversed direction: (a) changes in circuit and current direction; (b) conduction of each thyristor.
The stator sections’ switching process is as follows:
(1) Before switching, stator sections and are connected in parallel with the forward thyristor of section switch and section switch , but the bus current and voltage are in the reversed direction;
(2) At , the trigger signal of section switch is removed and the trigger signal is applied to section switch , stator section is electrified through reversed thyristor, and stator sections ,, and are connected in parallel;
(3) The bus current crosses the zero point at a certain time in the period;
(4) At , the winding current of stator sections and returns to zero, section is no longer energized, and stator sections n and are connected in parallel; the switching process is complete.
2.2. Switching Process of Sectionalized Stator Connected in Series
When a linear motor is powered by a single power supply in series, also taking the mover running in stator segment as an example, continuous high-frequency trigger signals are applied to section switches and to keep them conductive. The equivalent circuit of the single phase of the motor is shown in Figure 7.
Figure 7.
Single-phase equivalent circuit of motor under normal operation of series power supply: (a) current positive half wave circuit diagram; (b) current negative half wave circuit diagram.
2.2.1. Series Connection Switching When Voltage and Current Are in Same Direction
The switching method of the series power supply is the same as the parallel power supply. Taking the positive half-wave current as an example, analogical analysis of current in negative half-wave, when the trigger signal changes, the bus voltage and current are in the same direction. The change process of the phase A circuit of the motor and the change in the current flow direction are shown in Figure 8a, whereas Figure 8b shows the switching state of the thyristor in , , and stator sections.
Figure 8.
Series power supply mode switching process when current and voltage are in the same direction: (a) changes in circuit and current direction; (b) conduction of each thyristor.
The stator sections’ switching process is as follows:
(1) Before switching, stator sections and are connected in series with the forward thyristor of section switch and section switch ;
(2) At time , the trigger signal of section switch is removed and the trigger signal is applied to section switch , stator section is electrified through forward thyristor, and stator sections and are connected in parallel first and then in parallel with ;
(3) The bus voltage is opposite to the current at a certain time in the period, whereas the voltages of section are opposite;
(4) At , the winding current in stator section crosses zero, and the reverse thyristor in section switch is turned on;
(5) At , section switch is turned on, and the current direction of stator section turns negative;
(6) At , the winding current of stator section returns to zero, section is no longer energized, and stator sections and are connected in series; the switching process is complete.
2.2.2. Series Connection Switching When Voltage and Current Are in Reversed Direction
If the bus voltage is opposite to the current direction before switching, the change process of the phase A circuit of the motor and the change in the current flow direction are shown in Figure 9a, whereas Figure 9b shows the switching state of the thyristor in , , and stator sections.
Figure 9.
Series power supply mode switching process when current and voltage are in the reversed direction: (a) changes in circuit and current direction; (b) conduction of each thyristor.
The stator sections’ switching process is as follows:
(1) Before switching, stator sections and are connected in series with the forward thyristor of section switch and section switch , but the bus current and voltage are in the reversed direction;
(2) At , the trigger signal of section switch is removed and the trigger signal is applied to section switch , and stator section is electrified through the reversed thyristor;
(3) At , the bus current crosses zero, and the reverse thyristor in section switch is turned on;
(4) At , the winding current of stator section returns to zero, section is no longer energized, and stator sections and are connected in series; the switching process is complete.
3. Model of Sectionalized Stator Switching Process
Based on the analysis of the phase A stator section winding switching process and the changes in the phase A circuit of the motor in Section 2, a model of the complete stator section switching process of the motor can be established.
When the stator of the air-core synchronous linear motor is not sectionalized, the voltage equation can be expressed as follows:
Here, is the three-phase voltage and is the three-phase current of the stator; is the three-phase flux linkage of the stator; is the self-inductance of the three-phase windings; when the mover consists of superconducting coils, is the current in the coils and is the mutual inductance between the coil and the three-phase windings; when the mover consists of a permanent magnet, is the equivalent current in the permanent magnet and is the mutual inductance between the three-phase windings and the equivalent coil of the permanent magnet; and is the mutual inductance between phase A and B and is the mutual inductance between phase C and A; other mutual inductance parameters are defined in the same way.
Due to the absence of an iron core’s influence, the self-inductance and mutual inductance of the stator winding are constant regardless of the mover’s position. When the three-phase winding is symmetrical, it can be considered that
Equation (1) can be expressed as Equation (4), where is the inductance of each phase winding, .
When the stator is segmented, Equation (4) can represent the voltage–current relationship of the stator section winding coupled with the mover; the voltage–current relationship of the stator sections winding not coupled with the mover is as follows
where ,, is the three-phase voltage and, ,, is the three-phase current of the uncoupled winding.
3.1. Switching Process Model of Sectionalized Stator Paralleled Power Supply
While modeling the process of switching, stator sections and powered switch to stator sections and powered. The switch of the stator winding is in the order of phase A, phase B, and phase C. Before switching, the voltage–current relationship can be expressed as follows:
where , , are the inverter outputs of the three-phase voltage; , , are the inverter outputs of the three-phase current; is the phase A current of stator section ; and is the phase B current of stator section ; other currents are defined in the same way.
After the trigger signal of the phase A switches act and the phase A winding of the stator section access circuit, the voltage–current relationship can be expressed as follows:
When phase A switching is completed, the trigger signal of the phase B switches acts, and the phase B winding of stator section is powered, the voltage–current relationship can be expressed as follows:
When phase B switching is completed, the trigger signal of the phase C switches acts, and the phase C winding of stator section is powered, the voltage–current relationship can be expressed as follows:
After phase C switching and the switching process are completed, the voltage equation can be expressed as Equation (10) until the next switching process.
From Equations (7)–(9), the segmented linear motor powered by the parallel connection has a sudden change in the motor circuit parameters during switching, which is related to both winding self-inductance and mutual inductance. If that influence of mutual inductance is ignored, represents the winding impedance of each phase winding of each stator section before switching. In normal operation, the circuit impedance is , but after the trigger signal of the phase switches act, next winding access circuit the circuit impedance turns to and the impedance suddenly decreases by 33.3%, which causes the current to fluctuate greatly.
If the winding current of the section is about to zero when the switch acts, after the switch acts, is equal to 0, stator section winding is no longer powered, and stator section winding can be turned on immediately; the sudden change in the circuit parameters is only related to the mutual inductance of the windings, and the current fluctuation will be small while the stator section is switching.
3.2. Switching Process Model of Sectionalized Stator Series Power Supply
When the stator sections adopt series power supply mode, the switching method is consistent with the parallel power supply mode; the motor circuit model of the switching process is as follows. Before switching, the voltage–current relationship can be expressed as follows:
After the trigger signal of the phase A switches acts, the phase A winding of the stator section n + 1 access circuit and the partial voltage of the phase A stator section winding and n winding suddenly change, meaning that the current relation is not satisfied , ; the voltage–current relationship can be expressed as follows:
While phase A switching is completed, the trigger signal of the phase B switches acts, and the phase B winding of stator section is powered, the voltage–current relationship can be expressed as follows:
While phase B switching is completed, the trigger signal of the phase C switches acts, and the phase C winding of stator section is powered, the voltage–current relationship can be expressed as follows:
After phase C switching and the switching process are completed, the voltage equation can be expressed as Equation (15) until the next switching process.
From Equations (12)–(14), the segmented linear motor powered by the series connection also has a sudden change in the motor circuit parameters during switching. If that influence of mutual inductance is ignored, represents the winding impedance of each phase winding of each stator section before switching. In normal operation, the circuit impedance is ; after the trigger signal of the phase switches acts to the next winding access circuit, the circuit impedance turns to and the impedance suddenly decreases by 25%, which causes the current to fluctuate greatly.
This is the same as with the parallel power supply: if the stator sections’ switching is at the current zero-crossing point, the current fluctuation will be small.
4. Current Zero-Crossing Switching Method
From the analysis in Section 2 and the modeling in Section 3, whether the segmented linear motor adopts a series power supply or parallel power supply, stator sections’ switching at the current zero-crossing point minimizes the current fluctuation. But when controlling the motor, the sampling of the current is discrete. The actual current zero-crossing point may not be collected, and the judged zero-crossing point can only be as close as possible to the actual current zero-crossing.
4.1. Current Zero-Crossing Switching Method by Fixed Threshold
At present, the mainstream method is using the fixed threshold method to determine the current zero-crossing point and changing the switch trigger signal at the point. This method sets a fixed threshold and takes the first current sampling point entering the threshold as the current zero-crossing point. When Equation (16) is satisfied, can be judged as the current zero-crossing point, where is the k-th sampling time, is the k-th sampling current, and is the (k − 1)-th sampling current.
Let be the current sampling frequency. is the current frequency of the windings and is the current amplitude of the windings. In order to ensure that at least one sampling point can be within the threshold range every half current period, the threshold should meet the conditions that . When the linear motor is running, the threshold is determined by the maximum current frequency. For linear motors with large thrust and acceleration, the current frequency changes rapidly and the frequency changes widely. When the current frequency is low, the current zero-crossing point determined by the fixed threshold method is not at the optimal point. As shown in Figure 10, the frequency of the phase A current increases from 0 Hz to 325 Hz in 2.7 s; the threshold is set to 710. At 2.5 s, the current frequency is about 300 Hz, and the current zero-crossing point can be judged accurately, but at 0.5 s, the current frequency is about 50 Hz, and the judged zero-crossing point is not the closest point to the actual zero-crossing point.
Figure 10.
Effect of using fixed threshold method to determine zero-crossing point when current frequency changes rapidly.
When the mover needs suspension traction, the motor needs both traction current and steering current so that the bus current may be irregular, which is shown in Figure 11. When the current repeatedly crosses the threshold, it may lead to the misjudgment of the zero-crossing point. Switching at the misjudged point will lead to the half-cycle time of the winding parallel connection, which leads to large current fluctuations in the inverter output.
Figure 11.
Effect of using fixed threshold method to determine zero-crossing point when current waveform is irregular.
4.2. Improved Current Zero-Crossing Switching Method
Aiming at improving two shortcomings of the fixed threshold switching method, this paper proposes a new zero-crossing switching method. First, set as the reference zero-crossing point, which satisfies Equations (17) and (18) when the current is in the negative half-cycle and the positive half-cycle, respectively. The reference zero-crossing point is reset every time the current crosses the zero point, which is used to judge the current zero-crossing point next time.
Starting from the reference zero-crossing point, when the motor is accelerated, set
When point satisfies conditional Formula (20), if , is the zero-crossing point of the negative half-cycle; if , is the zero-crossing point of the positive half-cycle. The i-th sampling after the reference zero-crossing expressed as , represents the sampling frequency of this point, and represents the current value at this point. The current frequency of the air-core synchronous linear motor can be obtained from formula , where represents the velocity of the mover and represents the stator polar distance.
When the motor decelerates or runs at a uniform speed, it is set
When point satisfies conditional Formula (22), if , is the zero-crossing point of the negative half-cycle; if , is the zero-crossing point of the positive half-cycle.
When the current waveform is regular, the effect of the improved zero-crossing switching method is shown in Figure 12.
Figure 12.
Effect of new method to judge the zero-crossing point of rapidly changing current: (a) judgment effect of zero-crossing point when current frequency increases rapidly; (b) judgment effect of zero-crossing when current frequency decreases rapidly.
When the current waveform is seriously irregular, this method can also determine the current zero-crossing point without misjudgment, which is shown in Figure 12.
As can be seen from Figure 12 and Figure 13, the method proposed in this paper can effectively judge the zero-crossing point of the current, and its application scope is larger than the fixed threshold method.
Figure 13.
Effect of new method to judge the zero-crossing point of serious irregular current.
5. Simulation and Experimental Verification
5.1. Simulation Verification
To validate the analyses of the stator sections’ switching process in this paper, numerical simulations are carried out as follows: the propulsion system is an air-core synchronous linear motor. First, a constant frequency voltage is applied to the motor circuit to verify whether the circuit changes in the stator sections’ switching are the same as the analysis in the first chapter. Then, a control is added to simulate the switching of the motor during the acceleration from 0 to 170 m/s to verify the effectiveness of the motor modeling and the proposed zero-crossing switching method. The nominal parameters are shown in Table 1.
Table 1.
Nominal parameters of the stator segmented linear motor.
5.1.1. Verification of Stator Section Switching Process
Parallel connection and series connection are adopted, and the current of the stator sections’ switching at a certain switching time is obtained by simulation. When the stator section windings are connected in parallel, the amplitude of the sine voltage output by the inverter is 1000 V and the frequency is 60 Hz. Because the three-phase switching process is the same, only the situation of phase A positive half-wave switching is presented. The voltage–current relationship during switching is shown in Figure 14.

Figure 14.
Current and voltage waveform during stator sections’ switching parallel power supply: (a) switching current waveforms when the voltage and current directions are the same; (b) switching current waveform when voltage and current directions are reversed.
When the windings are connected in series, the amplitude of the sinusoidal voltage output by the inverter is 2000 V and the frequency is 60 Hz. Only the situation of phase A positive half-wave switching is presented. The voltage–current relationship during switching is shown in Figure 15.

Figure 15.
Current and voltage waveform during stator sections’ switching series power supply: (a) switching current waveforms when the voltage and current directions are the same; (b) switching current waveform when voltage and current directions are reversed.
As can be seen from Figure 14 and Figure 15, the change in the winding circuit in the process of the stator sections is consistent with the analysis outlined in Section 1. When the series power supply is adopted, after the switch trigger signal is activated, the winding of stator sections and is connected in parallel and then connected in series with stator section . At this time, the winding voltage of stator section suddenly decreases by about one-third. After the section winding is disconnected, the winding voltage of the section suddenly increases by about a half, which is consistent with the analysis.
5.1.2. High-Thrust Motor Stator Section Switching Simulation
The simulation parameters of the segmented linear motor are the same as those in Table 1. The inverter employs a cascaded H-bridge topology, with the chopping frequency established at 1 kHz and both the control and sampling frequencies set to 10 kHz. The current loop is regulated using PID control. The mover object uses superconducting parameters, and the acceleration of the mover is 8 g. The motor moves 15.408 m for each pulse signal generated, and a stator section switch is performed after receiving each pulse signal. The highest running speed of the motor is 170 m/s, and the highest current frequency is 158 Hz.
When the fixed threshold method is used for stator section switching, the current waveform is shown in Figure 16.
Figure 16.
Current waveform when stator section switching uses a fixed threshold method.
The current waveform using the current zero-crossing switching method proposed in this paper is shown in Figure 17.
Figure 17.
Current waveform when stator section switching uses the current zero-crossing switching method proposed in this paper.
From Figure 16, it can be seen that when the fixed threshold method is used to switch, the current fluctuations during switching become obvious as the current frequency increases. For example, when the section switch switches at 1.9 s, the output frequency is measured at 143 Hz, and the initial peak value of the three-phase current is approximately 1290 A. Following the actuation of the section switches, the peak current in phase A increases by 16.2%, reaching 1486 A; in phase B, it rises by 14.5% to 1476 A; and in phase C, it experiences a growth of 10.1%, resulting in a peak value of 1421 A.
When switching is performed using the method proposed in this paper, the current fluctuations during switching are smaller, which are shown in Figure 17. Similarly, when the section switch is actuated at 1.99 s, the peak current of phase A is 1320 A, with an increase of 2.3%. The peak current of phase B is 1326 A, with an increase of 2.7%. The peak current of phase C is 1312 A, with an increase of 1.7%. By using the section switching method proposed in this paper, the fluctuations of the three-phase current after the switch operation are significantly reduced. The amplitude of the line current diminishes as the frequency of the current is increased due to the constraints imposed by the inverter’s output capacity.
5.2. Experimental Verification
The proposed stator section switching algorithm is verified by using a 32 m long thrust linear motor built in the laboratory. The main components of the motor are shown in Figure 18; the motor parameters are the same as those listed in Table 1. The motor stator is divided into three sections and is connected with that output bus of the inverter in a series mode. The motor is connected to the first and second stator sections in series before 16 m, and the second and third stator sections are connected in series after 16 m.
Figure 18.
The main components of the large-thrust segmented linear motor testing machine.
Using the superconductor mover, the motor runs in constant thrust mode with currents of 2000 A and 3300 A. The fixed threshold switching method and the switching method proposed in this paper are used for stator section switching under two working conditions, respectively. The test current is shown in Figure 19 and Figure 20.
Figure 19.
Current waveform of motor during 2000 A constant thrust operation: (a) fixed threshold zero-crossing switching effect; (b) switching effect of the method proposed in this paper.
Figure 20.
Current waveform of motor during 3300 A constant thrust operation: (a) fixed threshold zero-crossing switching effect; (b) switching effect of the method proposed in this paper.
As shown in Figure 19, section switching was performed when the motor was running for 0.296 s; at this moment, the rotor speed was 23.68 m/s and the current frequency was 21.93 Hz. After the fixed threshold method was used for switching, the peak value of the phase C current was 2113 A. After the switching method proposed in this paper was used, the peak value of the phase C current was 2009 A.
As shown in Figure 20, the section switching was performed when the motor was running for 0.242 s; at this moment, the rotor speed was 31.46 m/s and the current frequency was 29.13 Hz. After the fixed threshold method was used for switching, the peak value of the phase C current was 3552 A. After the switching method proposed in this paper was used, the peak value of the phase C current was 3314 A. From the results of the two experiments, it can be seen that by using the switching method proposed in this paper, the current fluctuations of the linear motor during high-speed operation are significantly reduced when it is switched in stages. The proposed method is effective.
6. Conclusions
This paper addresses the issue of current fluctuations during the stator sections’ switching process of a segmented linear motor powered by a single power supply. It analyzes the changes in the circuit of the energized winding during the stator sections’ switching process for both parallel and series power supply modes. Then, it establishes switching models for the two power supply modes and finally proposes a current zero-crossing switching method suitable for fast-changing current frequencies. The simulation and experimental results verify the correctness and effectiveness of the content proposed in this paper. The conclusions are as follows:
(1) The stator section switching process simulation validates the motor circuit change process analyzed in Section 2 during the stator section switching process.
(2) With the simulation of the stator section linear motor with high acceleration operation using a fixed threshold method and the proposed method for switching, the proposed method reduces the peak current change during switching by 86%.
(3) By using different switching methods for stator section switching in a 32-m-long test linear motor during high-speed operation, the peak current change during switching proposed in this paper is reduced by about 92%, which is close to the simulation results.
(4) The analysis and modeling of the stator sections’ switching process for linear motors powered by a single supply are relevant to the major linear motor applications. The proposed current zero-crossing method for stator sections’ switching is also broadly applicable to segmented linear motors, particularly in scenarios characterized by significant and rapid fluctuations in current frequency, as well as irregular current waveforms during operation.
In the future, a more extensive high-thrust segmented motor test platform will be established that can be used to validate the findings presented in this paper.
Author Contributions
Conceptualization, X.L. and L.W.; methodology, X.L. and J.L.; software, X.L. and M.Q.; validation, X.L. and M.Q.; formal analysis, X.L.; investigation, X.L. and D.Z.; resources, X.L and Q.C.; data curation, X.L.; writing—original draft preparation, X.L.; writing—review and editing, M.Q. and L.W.; visualization, X.L.; supervision, D.Z. and J.L.; project administration, J.L. and L.W. All authors have read and agreed to the published version of the manuscript.
Funding
This research was funded by Project for Postgraduate Innovation Ability Training Subsidy of Hunan Province Education Department (XJJC2024017) and Postgraduate Technology Innovation Program of Hunan Province under Grant (No.CX20240124) and the Key Basic Research Projects of the Basic Strengthening Plan under Grant 2019-JCJQ-ZD-127-00.
Data Availability Statement
Data are contained within the article.
Conflicts of Interest
The authors declare no conflicts of interest.
References
- Zhang, M.; Ma, W.M.; Xu, X.H.; Zhang, Y.; Wang, Y. A Block Feeding Strategy for Linear Motor Considering Switching at Current-crossing Point. J. Nav. Univ. Eng. 2019, 31, 11–16. [Google Scholar]
- Zhang, M.; Ma, W.; He, N. Application of Block Feeding Methods in Long Primary Linear Motors. Proc. CSEE 2013, 33, 96–104. [Google Scholar]
- Zhang, Q.; Lin, F.; You, X.; Zheng, T.Q. A Novel Stator Section Crossing Method of Long Stator Linear Synchronous Motor for Maglev Vehicles. In Proceedings of the 2006 CES/IEEE 5th International Power Electronics and Motion Control Conference, Shanghai, China, 14–16 August 2006; IEEE: Piscataway, NJ, USA, 2006; Volume 3, pp. 1–5. [Google Scholar]
- Sun, X.; Shi, L.M.; Zhang, Z.H.; Li, Y.H. Analysis on the Commutation Method of Segmented Supply for Double-Sided Induction Linear Motor. In Proceedings of the 2015 National Academic Annual Conference on Linear Motors, Jinan, China, 27–28 August 2015; pp. 56–60. [Google Scholar]
- Zou, Z.; Zheng, M.; Lu, Q. Modeling and Simulation of Traction Power Supply System for High-speed Maglev Train. World Electr. Veh. J. 2022, 13, 82. [Google Scholar] [CrossRef]
- Dong, H.J. Design and Implementation of the Traction Power Supply System for Wolong Maglev Test Line. Master’s Thesis, Zhejiang University, Hangzhou, China, 2017. [Google Scholar]
- Peng, K.S.; Ge, Q.X.; Wang, X.W. Traction Control Strategy of High-speed Maglev Train Based on Hardware-in-the-loop Real-time Simulation Platform. Trans. China Electrotech. Soc. 2020, 35, 3426–3435. [Google Scholar]
- Liu, J.H.; Shi, L.M.; Guo, K.Y. A Switch Method to Suppress the Current Fluctuation for Segmented Powered Linear Motor. Proc. CSEE 2024, 44, 1576–1586. [Google Scholar] [CrossRef]
- Huang, Y.G. Design and Implementation of the Power Supply System for High-Temperature Superconducting Maglev Launch Device. Master’s Thesis, Southwest Jiaotong University, Chengdu, China, 2007. [Google Scholar]
- Li, H.; Li, T.; Wang, F.Z.; Jiao, L.C. A Control Device for Use with an Elevating System of Permanent Magnet Linear Synchronous Motors Based on IGBT. Ind. Instrum. Autom. Devices 2006, 1, 21–24. [Google Scholar]
- Meeker, D.C.; Newman, M.J. Indirect Vector Control of A Redundant Linear Induction Motor for Aircraft Launch. Proc. IEEE 2009, 97, 1768–1776. [Google Scholar] [CrossRef]
- Wei, J.-f.; Liu, X.-r.; Li, Z.-x.; Li, B.-m. Study on Differential Mode Conducted Interference of Trigger Circuit of High-power Thyristors in Pulsed Power Supply. In Journal of Physics: Conference Series; IOP Publishing: Bristol, UK, 2020; Volume 1507, p. 072007. [Google Scholar]
- El-Bolok, H.M. A Microprocessor-based Novel Scheme for Constant Angle Triggering of Thyristors under A Variable Frequency Anode Supply. IEEE Trans. Ind. Electron. 1987, 4, 471–474. [Google Scholar] [CrossRef]
- Bo, L.H. Research on the Application of Thyristors in Pulsed Power Sources. Ph.D. Thesis, Huazhong University of Science and Technology, Wuhan, China, 2009; p. 69. [Google Scholar]
- Zhu, H. Research on Key Technologies of Drive Control System for Winding-Segmented Permanent Magnet Linear Synchronous Motor. Ph.D. Thesis, Huazhong University of Science and Technology, Wuhan, China, 2015; p. 69. [Google Scholar]
- Deng, C.; Xu, F.; Zhao, C.; Li, Z.; Shi, L.; Li, Y. Switching Current Impact Reduction Method for Segmented Power Supply Linear Motor. In Proceedings of the IECON 2022–48th Annual Conference of the IEEE Industrial Electronics Society, Brussels, Belgium, 17–20 October 2022; IEEE: Piscataway, NJ, USA, 2022; pp. 1–6. [Google Scholar]
- Zhu, J.Q.; Ge, Q.X.; Wang, X.W. Control Strategy for PWM Rectifier ofHigh-speed Maglev Based on Active Disturbance Rejection Control and Load Power Feed-forward. Trans. China Electrotech. Soc. 2021, 36, 320–329. [Google Scholar]
- Qu, M.; Yang, Q.; Wu, S.; Ding, W.; Li, J.; Li, G. Analysis of Super-harmonic Resonance and Periodic Motion Transition of Fractional Nonlinear Vibration Isolation System. J. Low Freq. Noise Vib. Act. Control. 2023, 42, 771–788. [Google Scholar] [CrossRef]
- Sepe, R.B., Jr. Block Switching Tansient Minimization for Linear Motors and Inductive Loads. U.S. Patent 7,969,103, 28 June 2011. [Google Scholar]
- Ma, M.Z.; Ma, W.M.; Fan, H.L. Switch Transient Process of Section Powered Long-primary Linear Induction Motor. Electr. Mach. Control 2015, 19, 1–7. [Google Scholar]
Disclaimer/Publisher’s Note: The statements, opinions and data contained in all publications are solely those of the individual author(s) and contributor(s) and not of MDPI and/or the editor(s). MDPI and/or the editor(s) disclaim responsibility for any injury to people or property resulting from any ideas, methods, instructions or products referred to in the content. |
© 2024 by the authors. Licensee MDPI, Basel, Switzerland. This article is an open access article distributed under the terms and conditions of the Creative Commons Attribution (CC BY) license (https://creativecommons.org/licenses/by/4.0/).