Detection of Faulty Energizations in High Voltage Direct Current Power Cables by Analyzing Leakage Currents
Abstract
1. Introduction
2. Technical Background
2.1. Protection of Multi-Terminal HVDC Systems
2.2. Overcurrent and Undervoltage Protections
2.3. Current and Voltage Derivative-Based Protections
2.4. Reactor Voltage-Based Protections
2.5. Sheath Voltage-Based Protections
2.6. Other Methods
2.7. Problem Statement
3. Principles of the Proposed Method
3.1. Theoretical Principles of the Proposed Method
- Converter station capacitance including filter banks and smoothing capacitors;
- Inductive elements including transformers and reactors;
- Converter impedance;
- Switching time and circuit breaker characteristics;
- AC system impedance.
3.2. Operational Principles of the Proposed Method
3.3. Selectivity and Sensitivity of the Proposed Method
- Electromagnetic interference (EMI): Inductive coupling, capacitive coupling, or improper grounding with multiple earth references can induce low-frequency transient currents in the cable shield, potentially mimicking fault conditions and leading to false trips if the protection system is not properly set.
- High-frequency oscillations: Converter operations, high-frequency external noise, or transient conditions in the network can trigger false fault detections if the protection system settings are inadequate. High-frequency random noise also falls under this category.
- Measurement noise: External interference or sensor inaccuracies can introduce high-frequency noise spikes that exceed the threshold and cause a false trip. Particularly, the signal-to-noise characteristics of the current sensors used in any implementation of the method should be subjected to study.
4. Computer Simulations
4.1. Simulation Model
4.2. Healthy Energization Simulations
4.3. Faulty Energization Simulations
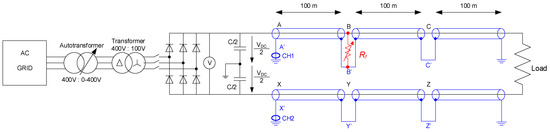
5. Experimental Tests
5.1. Experimental Setup
5.2. Healthy Energization Tests
5.3. Faulty Energization Tests
5.4. Discussion on the Selectivity and Sensitivity of the Proposed Method
5.4.1. Analysis of False Tripping Factors and Fine-Tuning
5.4.2. Selectivity Assessment
5.4.3. Sensitivity Assessment
5.5. General Discussion
6. Conclusions
Author Contributions
Funding
Data Availability Statement
Conflicts of Interest
References
- Wang, M.; Li, W.; Wang, S.; Xu, Q.; Zhang, X. Review and Outlook of HVDC Grids as Backbone of Transmission System. CSEE J. Power Energy Syst. 2021, 7, 797–810. [Google Scholar] [CrossRef]
- MacLeod, N.; Jusan Cattan, F. High Voltage DC Transmission Systems; Planning Studies for an HVDC Project; Springer: Cham, Switzerland, 2024; pp. 1–38. ISBN 978-3-030-71619-6. [Google Scholar]
- Fang, Y.; Liu, Y.; Fu, A.; Shi, S.; Zhang, Z. A Data-Driven Control for Modular Multilevel Converters Based on Model-Free Adaptive Control with an Event-Triggered Scheme. Electronics 2024, 13, 2899. [Google Scholar] [CrossRef]
- Zhao, Q.; García-González, J.; García-Cerrada, A.; Renedo, J.; Rouco, L. Transmission Expansion Planning: The Network Challenges of the Energy Transition; HVDC in the Future Power Systems; Springer: Cham, Switzerland, 2021; pp. 117–151. ISBN 978-3-030-49428-5. [Google Scholar]
- Dambone Sessa, S.; Chiarelli, A.; Benato, R. Availability Analysis of HVDC-VSC Systems: A Review. Energies 2019, 12, 2703. [Google Scholar] [CrossRef]
- Kalair, A.; Abas, N.; Khan, N. Comparative Study of HVAC and HVDC Transmission Systems. Renew. Sustain. Energy Rev. 2016, 59, 1653–1675. [Google Scholar] [CrossRef]
- Luo, Y.; Liu, C.; He, Z.; Jiang, Y.; Chen, Q. Power Flow Calculation for AC/DC Power Systems with Line-Commutated Converter–Modular Multilevel Converter (LCC-MMC) Hybrid High-Voltage Direct Current (HVDC) Based on the Holomorphic Embedding Method. Electronics 2024, 13, 1877. [Google Scholar] [CrossRef]
- Chen, L.; Zhang, W.; Liu, B.; Wang, L.; Li, Y. Performance Evaluation Approach of Superconducting Fault Current Limiter in MMC-HVDC Transmission System. IEEE Trans. Appl. Supercond. 2021, 31, 5602507. [Google Scholar] [CrossRef]
- Van Hertem, D.; Gollan, S.; Jovcic, D.; Callavik, M.; Eriksson, M. Substations for Future HVdc Grids: Equipment and Configurations for Connection of HVdc Network Elements. IEEE Power Energy Mag. 2019, 17, 56–66. [Google Scholar] [CrossRef]
- Singh, N.K.; Carlsson, J.X. Energization Study of Five-Terminal Multi-Level HVDC Converter Station. In Proceedings of the 2013 IEEE Power & Energy Society General Meeting, Vancouver, BC, Canada, 21–25 July 2013; pp. 1–5. [Google Scholar] [CrossRef]
- Li, Y.; Shi, X.; Liu, B.; Lei, W.; Wang, F.; Tolbert, L.M. Development, Demonstration, and Control of a Testbed for Multiterminal HVDC System. IEEE Trans. Power Electron. 2017, 32, 6069–6078. [Google Scholar] [CrossRef]
- Wang, P.; Zhang, X.-P.; Coventry, P.F.; Zhang, R. Start-Up Control of an Offshore Integrated MMC Multi-Terminal HVDC System with Reduced DC Voltage. IEEE Trans. Power Syst. 2016, 31, 2740–2751. [Google Scholar] [CrossRef]
- Radwan, M.; Azad, S.P. Protection of Multi-Terminal HVDC Grids: A Comprehensive Review. Energies 2022, 15, 9552. [Google Scholar] [CrossRef]
- Bucher, M.K.; Franck, C.M. Contribution of Fault Current Sources in Multiterminal HVDC Cable Networks. IEEE Trans. Power Deliv. 2013, 28, 1796–1803. [Google Scholar] [CrossRef]
- Bucher, M.K. Transient Fault Currents in HVDC VSC Networks During Pole-to-Ground Faults. Ph.D. Thesis, ETH Zurich, Zurich, Switzerland, 2014. Available online: https://www.research-collection.ethz.ch/handle/20.500.11850/98128 (accessed on 13 September 2024).
- Bucher, M.K.; Franck, C.M. Analytic Approximation of Fault Current Contributions from Capacitive Components in HVDC Cable Networks. IEEE Trans. Power Deliv. 2015, 30, 74–81. [Google Scholar] [CrossRef]
- Bucher, M.K.; Franck, C.M. Analytic Approximation of Fault Current Contributions from AC Networks to MTDC Networks During Pole-to-Ground Faults. IEEE Trans. Power Deliv. 2016, 31, 20–27. [Google Scholar] [CrossRef]
- Granizo, R.; Platero, C.A.; Guerrero, J.M. HVDC Ground Fault Detection Method Based on the Shield Leakage Current Measurement for Long Cable Energization. In Proceedings of the 2020 IEEE International Conference on Environment and Electrical Engineering and 2020 IEEE Industrial and Commercial Power Systems Europe (EEEIC/I&CPS Europe), Madrid, Spain, 9–12 June 2020; pp. 1–5. [Google Scholar] [CrossRef]
- Zhang, L.; Tai, N.; Huang, W.; Liu, J.; Li, Y. A Review on Protection of DC Microgrids. J. Mod. Power Syst. Clean Energy 2018, 6, 1113–1127. [Google Scholar] [CrossRef]
- Dave, J.; Ergun, H.; Van Hertem, D. Incorporating DC Grid Protection, Frequency Stability, and Reliability into Offshore DC Grid Planning. IEEE Trans. Power Deliv. 2020, 35, 2772–2781. [Google Scholar] [CrossRef]
- Wang, Z.; Shi, X.; Tolbert, L.M.; Wang, F.; Blalock, B.J. A di/dt Feedback-Based Active Gate Driver for Smart Switching and Fast Overcurrent Protection of IGBT Modules. IEEE Trans. Power Electron. 2014, 29, 3720–3732. [Google Scholar] [CrossRef]
- Huang, X.; Qi, L.; Pan, J. A New Protection Scheme for MMC-Based MVDC Distribution Systems with Complete Converter Fault Current Handling Capability. IEEE Trans. Ind. Appl. 2019, 55, 4515–4523. [Google Scholar] [CrossRef]
- Shao, W.; Lin, J.; Zhang, J.; Sun, H.; Wu, X. A Power Module for Grid Inverter with In-Built Short-Circuit Fault Current Capability. IEEE Trans. Power Electron. 2020, 35, 10567–10579. [Google Scholar] [CrossRef]
- Benadja, M.; Rezkallah, M.; Benhalima, S.; Hamadi, A.; Chandra, A. Hardware Testing of Sliding Mode Controller for Improved Performance of VSC-HVDC Based Offshore Wind Farm Under DC Fault. IEEE Trans. Ind. Appl. 2019, 55, 2053–2063. [Google Scholar] [CrossRef]
- Nguyen, T.H.; Lee, D.-C. A Novel Submodule Topology of MMC for Blocking DC-Fault Currents in HVDC Transmission Systems. In Proceedings of the 2015 9th International Conference on Power Electronics and ECCE Asia (ICPE-ECCE Asia), Seoul, Republic of Korea, 1–5 June 2015; pp. 2057–2063. [Google Scholar] [CrossRef]
- Wang, L.; Lin, C.; Wu, H.; Prokhorov, A.V. Stability Analysis of a Microgrid System with a Hybrid Offshore Wind and Ocean Energy Farm Fed to a Power Grid Through an HVDC Link. IEEE Trans. Ind. Appl. 2018, 54, 2012–2022. [Google Scholar] [CrossRef]
- Chang, B.; Cwikowski, O.; Barnes, M.; Shuttleworth, R.; Beddard, A.; Coventry, P. Review of Different Fault Detection Methods and Their Impact on Pre-Emptive VSC-HVDC DC Protection Performance. High Voltage 2017, 2, 211–219. [Google Scholar] [CrossRef]
- Haileselassie, T. Control, Dynamics and Operation of Multi-Terminal VSC-HVDC Transmission Systems. Ph.D. Thesis, NTNU, Trondheim, Norway, 2012. Available online: https://ntnuopen.ntnu.no/ntnu-xmlui/handle/11250/257409 (accessed on 13 September 2024).
- Pragati, A.; Mishra, M.; Rout, P.K.; Gadanayak, D.A.; Hasan, S.; Prusty, B.R. A Comprehensive Survey of HVDC Protection System: Fault Analysis, Methodology, Issues, Challenges, and Future Perspective. Energies 2023, 16, 4413. [Google Scholar] [CrossRef]
- Muniappan, M. A Comprehensive Review of DC Fault Protection Methods in HVDC Transmission Systems. Prot. Control Mod. Power Syst. 2021, 6, 1. [Google Scholar] [CrossRef]
- Sahebkar Farkhani, J.; Çelik, Ö.; Ma, K.; Bak, C.L.; Chen, Z. A Comprehensive Review of Potential Protection Methods for VSC Multi-Terminal HVDC Systems. Renew. Sustain. Energy Rev. 2024, 192, 114280. [Google Scholar] [CrossRef]
- Pérez-Molina, M.J.; Larruskain, D.M.; Eguía López, P.; Buigues, G.; Valverde, V. Review of Protection Systems for Multi-Terminal High Voltage Direct Current Grids. Renew. Sustain. Energy Rev. 2021, 144, 111037. [Google Scholar] [CrossRef]
- Song, G.; Cai, X.; Li, D.; Gao, S.; Suonan, J. A Novel Pilot Protection Principle for VSC-HVDC Cable Lines Based on Fault Component Current. In Proceedings of the 2012 Power Engineering and Automation Conference, Wuhan, China, 18–20 September 2012; pp. 1–4. [Google Scholar] [CrossRef]
- Lenz, M.; Oprea, L.; Popescu, V.; Hibberts-Casw, R. Analysis of Fault Location Methods for HVDC Transmission Systems Using Overhead Lines and Cables. In Proceedings of the VDE High Voltage Technology 2020, ETG-Symposium, Online, 9–11 November 2020; pp. 1–6. [Google Scholar]
- Haleem, N.M.; Rajapakse, A.D. Fault-Type Discrimination in HVDC Transmission Lines Using Rate of Change of Local Currents. IEEE Trans. Power Deliv. 2020, 35, 117–129. [Google Scholar] [CrossRef]
- Sneath, J.; Rajapakse, A.D. Fault Detection and Interruption in an Earthed HVDC Grid Using ROCOV and Hybrid DC Breakers. IEEE Trans. Power Deliv. 2016, 31, 973–981. [Google Scholar] [CrossRef]
- Fletcher, S.; Norman, P.; Galloway, S.; Burt, G. Fault Detection and Location in DC Systems from Initial di/dt Measurement. In Proceedings of the Euro Tech Con Conference, Manchester, UK, 1 September 2003; pp. 1–15. [Google Scholar]
- Haleem, N.M.; Rajapakse, A.D. Local Measurement Based Ultra-Fast Directional ROCOV Scheme for Protecting Bi-Pole HVDC Grids with a Metallic Return Conductor. Int. J. Electr. Power Energy Syst. 2018, 98, 323–330. [Google Scholar] [CrossRef]
- Yousaf, M.Z.; Liu, H.; Raza, A.; Baig, M.B. Primary and Backup Fault Detection Techniques for Multi-Terminal HVDC Systems: A Review. IET Gener. Transm. Distrib. 2020, 14, 5261–5276. [Google Scholar] [CrossRef]
- Ashrafi Niaki, S.H.; Hosseini, S.M.; Abdoos, A.A. Fault Detection of HVDC Cable in Multi-Terminal Offshore Wind Farms Using Transient Sheath Voltage. IET Renew. Power Gener. 2017, 11, 1707–1713. [Google Scholar] [CrossRef]
- Ashrafi Niaki, S.H.; Karegar, H.; Ghalei, M. A Novel Fault Detection Method for VSC-HVDC Transmission System of Offshore Wind Farm. Int. J. Electr. Power Energy Syst. 2015, 73, 475–483. [Google Scholar] [CrossRef]
- Granizo Arrabé, R.; Platero, C.A.; Álvarez Gómez, F.; Rebollo López, E. New Differential Protection Method for Multiterminal HVDC Cable Networks. Energies 2018, 11, 3387. [Google Scholar] [CrossRef]
- Granizo, R.; Guerrero, J.M.; Álvarez, F.; Platero, C.A. Ground Fault Directional Protection Method for HVDC Multiterminal Networks. IEEE Trans. Ind. Appl. 2022, 58, 1573–1580. [Google Scholar] [CrossRef]
- Ametani, A.; Nagaoka, N.; Baba, Y.; Ohno, T.; Yamabuki, K. Power System Transients: Theory and Applications, 2nd ed.; CRC Press: Boca Raton, FL, USA, 2016; ISBN 978-149-878-237-1. [Google Scholar]
- IEC TR 60919-2:2008; Performance of High-Voltage Direct Current (HVDC) Systems with Line-Commutated Converters—Part 2: Faults and Switching. International Electrotechnical Commission (IEC): Geneva, Switzerland, 2008.
- Høidalen, H.K. ATPDraw: The Graphical Preprocessor to ATP Electromagnetic Transients Program. Available online: https://www.atpdraw.net (accessed on 13 September 2024).
- Gustavsen, B.; Semlyen, A. Rational Approximation of Frequency Domain Responses by Vector Fitting. IEEE Trans. Power Deliv. 1999, 14, 1052–1061. [Google Scholar] [CrossRef]






















| Symbol | Magnitude | Value | Unit |
|---|---|---|---|
| Aluminum resistivity | 2.82 × 10−8 | Ω·m | |
| Copper resistivity | 1.71 × 10−8 | Ω·m | |
| Conductor-to-shield relative permeability | 2.5 | ||
| Shield-to-ground relative permeability | 2.3 | ||
| l | Cable section length | 100 | km |
| Rated continuous DC voltage | ±320 | kV | |
| Switching impulse withstand level (SIWL) | 698 | kV | |
| Subtractive SIWL | 378 | kV | |
| Rated continuous DC current | 1638 | A | |
| Maximum conductor temperature | 70 | °C | |
| R20°C | DC resistance at 20 °C | 0.0072 | Ω/km |
| R70°C | DC resistance at | 0.0087 | Ω/km |
| P(In,DC) | Losses at the rated current | 23.3 | W/m |
| C | Capacitance | 0.28 | μF/km |
| L | Conductor-to-shield inductance | 0.127 | mH/km |
| Z0 | Surge impedance | 21.4 | Ω |
| Isc,c | Max. short-circuit current during 0.2 s | 32 | kA |
| Isc,s | Max. short-circuit shield current during 0.2 s | 16 | kA |
| Rf [Ω] | Ishield [kA] at Δtc | (16) Verified | dIshield/dt [kA/s] at Δtd | (19) Verified |
|---|---|---|---|---|
| 0.01 | 5.38 | Yes | 18.1 | Yes |
| 1 | 4.92 | 16.3 | ||
| 10 | 4.88 | 12.2 | ||
| 100 | 1.82 | 6.4 |
| Condition | Fault Location | Sensor CH1 | Sensor CH2 | ||
|---|---|---|---|---|---|
| Ipeak [A] | IDC [A] | Ipeak [A] | IDC [A] | ||
| Healthy | n/a | 0.472 | −0.011 | −0.440 | 0.020 |
| Faulty positive pole | A-A’ | 4.440 | 0.867 | −0.720 | 0.025 |
| B-B’ | 2.160 | 0.449 | −0.400 | 0.029 | |
| C-C’ | 1.360 | 0.211 | −0.416 | 0.009 | |
| Faulty negative pole | X-X’ | 0.720 | −0.007 | −4.080 | −0.826 |
| Y-Y’ | 0.512 | −0.005 | −1.600 | −0.456 | |
| Z-Z’ | 0.480 | −0.006 | −2.040 | −0.176 | |
| Rf [Ω] | Ishield [mA] at Δtc | (16) Verified | dIshield/dt [kA/s] at Δtd | (19) Verified |
|---|---|---|---|---|
| 0 | 510 | Yes | −12.5 | Yes |
| 1 | 497 | −9.1 | ||
| 10 | 406 | −8.2 | ||
| 100 | 180 | −3.4 |
Disclaimer/Publisher’s Note: The statements, opinions and data contained in all publications are solely those of the individual author(s) and contributor(s) and not of MDPI and/or the editor(s). MDPI and/or the editor(s) disclaim responsibility for any injury to people or property resulting from any ideas, methods, instructions or products referred to in the content. |
© 2024 by the authors. Licensee MDPI, Basel, Switzerland. This article is an open access article distributed under the terms and conditions of the Creative Commons Attribution (CC BY) license (https://creativecommons.org/licenses/by/4.0/).
Share and Cite
Mahtani, K.; Granizo, R.; Guerrero, J.M.; Platero, C.A. Detection of Faulty Energizations in High Voltage Direct Current Power Cables by Analyzing Leakage Currents. Electronics 2024, 13, 4120. https://doi.org/10.3390/electronics13204120
Mahtani K, Granizo R, Guerrero JM, Platero CA. Detection of Faulty Energizations in High Voltage Direct Current Power Cables by Analyzing Leakage Currents. Electronics. 2024; 13(20):4120. https://doi.org/10.3390/electronics13204120
Chicago/Turabian StyleMahtani, Kumar, Ricardo Granizo, José M. Guerrero, and Carlos A. Platero. 2024. "Detection of Faulty Energizations in High Voltage Direct Current Power Cables by Analyzing Leakage Currents" Electronics 13, no. 20: 4120. https://doi.org/10.3390/electronics13204120
APA StyleMahtani, K., Granizo, R., Guerrero, J. M., & Platero, C. A. (2024). Detection of Faulty Energizations in High Voltage Direct Current Power Cables by Analyzing Leakage Currents. Electronics, 13(20), 4120. https://doi.org/10.3390/electronics13204120

