Abstract
Electrical arc fault detector development requires many tests to develop and validate detection algorithms. The use of artificial intelligence or mathematical transformation requires the use of consequential datasets of current signatures corresponding to as many different situations as possible. In addition, one of the main drawbacks is that these experiments take a great deal of time and are often laborious in the laboratory. To overcome these limitations, a virtual test bench based on the modeling of a modular 230 VAC electrical circuit has been developed. The simulated network is composed of different home appliances (resistor, vacuum cleaner, dimmer, etc.) and its configurations are those of single and combined loads. The fault modeled is an electric arc, modeled by active diode switching, which can be inserted at any point of the circuit. This arc model takes into account the random variations in the restrike and arc voltage. All the appliance models are validated by comparing the frequential (harmonic distortion) and temporal (agreement index) signatures of the measured currents in real situations to those obtained by modeling. The results obtained using the model and experiment network show that the current signatures are comparable in both cases. Further, two detection algorithms are tested on those current signatures obtained by the modeling and experimentation. The results are comparable and provide identical detection thresholds.
1. Introduction
The detection of arc phenomena in domestic electrical installations is essential for home safety [1]. Many reports show that a significant number of fires are related to electrical problems (overcurrent, short circuit, insulation worst fault gold contacts, etc.) [2]. However, the new European Legislation (IEC62606) will make the use of fault detectors obligatory to prevent such faults [3,4].
Protective devices (arc fault circuit interruptor, AFCI) are placed upstream the power line, and the detection is often undertaken from the analysis of voltage and mainly the line current [1,3,4].
The development of arc fault detection algorithms also occurs from the analysis of the current signature (measured at the power supply level) by extracting the main features linked to the arc fault. It is therefore necessary to have as large a database as possible, covering as many fault situations as possible.
The experimental construction of such a dataset is time-consuming and complex. It is difficult, if not impossible, to cover all the arc situations (arc position, cable length, type of fault, etc.).
To overcome these difficulties, one solution is to fully model a domestic power network in which an arc fault is inserted at any point along the line. The experimental conditions can be changed very easily. It will then be possible to build up a very large dataset current signature and, above all, complete database of arc-current signals for the development of a detection algorithm.
Some authors have developed and presented many models of loads for load classification and power consumption [5,6,7]. In contrast, others have developed arc fault models to study the behavior of the arc and the electrodes [8,9,10]. However, the electrical behavior of the arc and the load in a domestic electrical network have not been thoroughly developed.
This article also presents a highly adaptable simulator platform (reproducing a domestic electrical network) composed of various household load models that can be assembled indifferently (single load and load combinations). Moreover, an arc fault can be inserted at any point of the circuit. This platform allows us to develop and evaluate algorithms for fault detection, thus enabling reduced development time.
Figure 1 shows a schematic diagram of an electrical installation where the line current and voltage are extracted to build a dataset rapidly. A wide variety of appliances can be connected with different circuit configurations (single or masking load) defined by the main standards (in normal operation or with an arc fault).
Figure 1.
Architecture of proposed simulation environment.
The loads can be in different operating modes (transient state, steady state, variable power, etc.). The line lengths can easily be modified. The series arc defect can be inserted at different positions. The simulation environment enables perfectly developing or evaluating the detection algorithm performances.
The modeling of the electrical circuit includes the supply sources, different domestic loads, and an arcing fault. The Matlab Simulink package was chosen as a software platform. The Matlab Simulink tool box provides a graphical interface for designing the models based on their physical and mechanical or electrical behavior. SimPowerSystems provides analysis tools and libraries of components for the modeling and simulation of power systems.
The article is organized as follows. In Section 2, the experimental test bench is described as well as different load connection configurations. In Section 3 of the article, a series arc fault model is proposed.
Each model is validated from experiments with real loads. To achieve a perfect coincidence of the measured and simulated current signatures as well as in the time and frequency domains, a comparison is realized by analyzing the THD (total harmonic distortion) and the index of agreement (d) [11].
Then, the domestic load models based on a universal motor (vacuum cleaner and drill) and arc fault are presented.
In the last section, the detection performance of two algorithms is evaluated by comparing the detection results from the experimental current signatures and the signatures obtained from modeling. The first detection algorithm is based on the correlation and the second on the evolution of the crest factor. The circuit considered is that of combined loads in the presence of an electric arc in series in the line, a configuration for which the detection is more difficult to achieve [1,12,13,14,15,16,17,18,19,20].
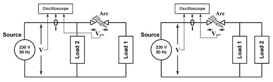
2. Experimental Measurements
Laboratory test platform (Figure 2) is composed of arc fault generator, a carbonized wire support, oscilloscope, current and voltage probes, power source control, and power outlets to connect different loads. A series arc fault is generated using carbonized path (Figure 3) between two domestic copper wires (IEC 62606 standard) [4] and a domestic power supply (230 V–50 Hz). Carbonized path method is based on a cable insulation damaged by a 12 kV transformer, which provides 30 mA current source [21].
Figure 2.
Laboratory test platform.
Figure 3.
Sample of carbonized wires to test arc fault based on IEC 62606 standard.
Data acquisition (current and voltage) is carried out by a Lecroy oscilloscope WavePro 950, Nancy, France with a sampling frequency of 20 kHz. The arc voltage is also measured in order to confirm and measure the arc presence. Table 1 shows the probe characteristics.
Table 1.
Probe characteristics.
American (UL 1699) [3] or European (IEC 62606) [4] standards define the requirements and all standard tests to be performed, the circuit configurations, as well as the procedure to follow for the testing of the protection devices. Table 2 summarizes the main characteristics of domestic appliances tested in this work.
Table 2.
Home appliance characteristics.
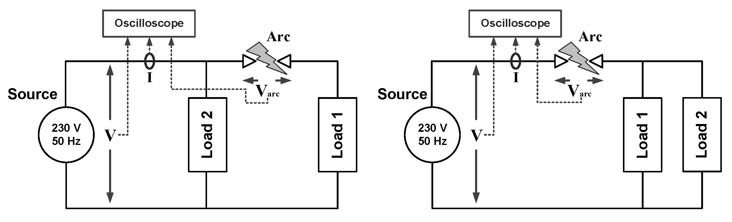
To test the effectiveness of our model, this article focuses on the configuration of combined loads (see Figure 4). An arc can appear between two domestic loads or upstream. These configurations are those for which the detection of the presence of an arc is the most difficult to achieve (masking load).
Figure 4.
Masking load circuit configuration.
3. Fault Modeling
3.1. Arc Fault Model
Several authors have presented in the literature arc fault models based on physical and electrical behavior [22,23,24,25]. However, an electrical arc is a non-linear and time-varying phenomenon. This article proposes an arc model that takes into account the evolution over time of positive and negative restrike voltages.
Current and voltage measured signatures are represented in Figure 5 when an arc is in series with a resistive load, where, after zero-crossing, the voltage increase will cause the ionization of the isolator. An arc is produced when voltage reaches the restrike value. This value may vary greatly from one cycle to the other and depends on the gap width, the surface condition of the electrodes, the temperature, and the presence of ionized air [1,22,24].
Figure 5.
Line voltage and current measured signatures (resistive load).
Figure 6 shows the measurement of arc and restrike voltage for 4 home appliances (Load 1, resistive; Load 2, vacuum cleaner; Load 3, dimmer; and Load 4, masking load) in Table 2. In the case of Figure 6, Load 1 shows the measured restrike voltage behavior and the arc voltage evolution when an arc is produced in series with a resistive load from an experimental test. In this figure, arc voltage does not have the same value over time (variation between 25 and 30 volts), restrike voltages for positive and negative half cycles are not identical for the same period, and there is a random variation in the values of restrike voltages over time.
Figure 6.
Re–strike voltage (red) and arc voltage (blue) measured for 4 different loads.
The experimental results show a random variation in the restrike voltage for all appliances in Table 3. The lowest values are obtained for a resistive load (+/−8.6 volts). The highest values are therefore obtained for the dimmer. For this appliance only, the restrike voltage increases throughout the experiment. The evolution of the standard deviation of the restrike voltage appears to be related to its mean value and increases as the mean value of the restrike voltage increases.
Table 3.
Statistical parameters for some loads.
In the case of universal motor loads (vacuum cleaner), the voltage values obtained are higher; the average value is approximately equal to 48 V.
All these remarks have led us to take into account in the proposed arc model only the random variation in the restrike voltage. Furthermore, two different values for the arc voltage are considered: and for the positive and negative alternance.
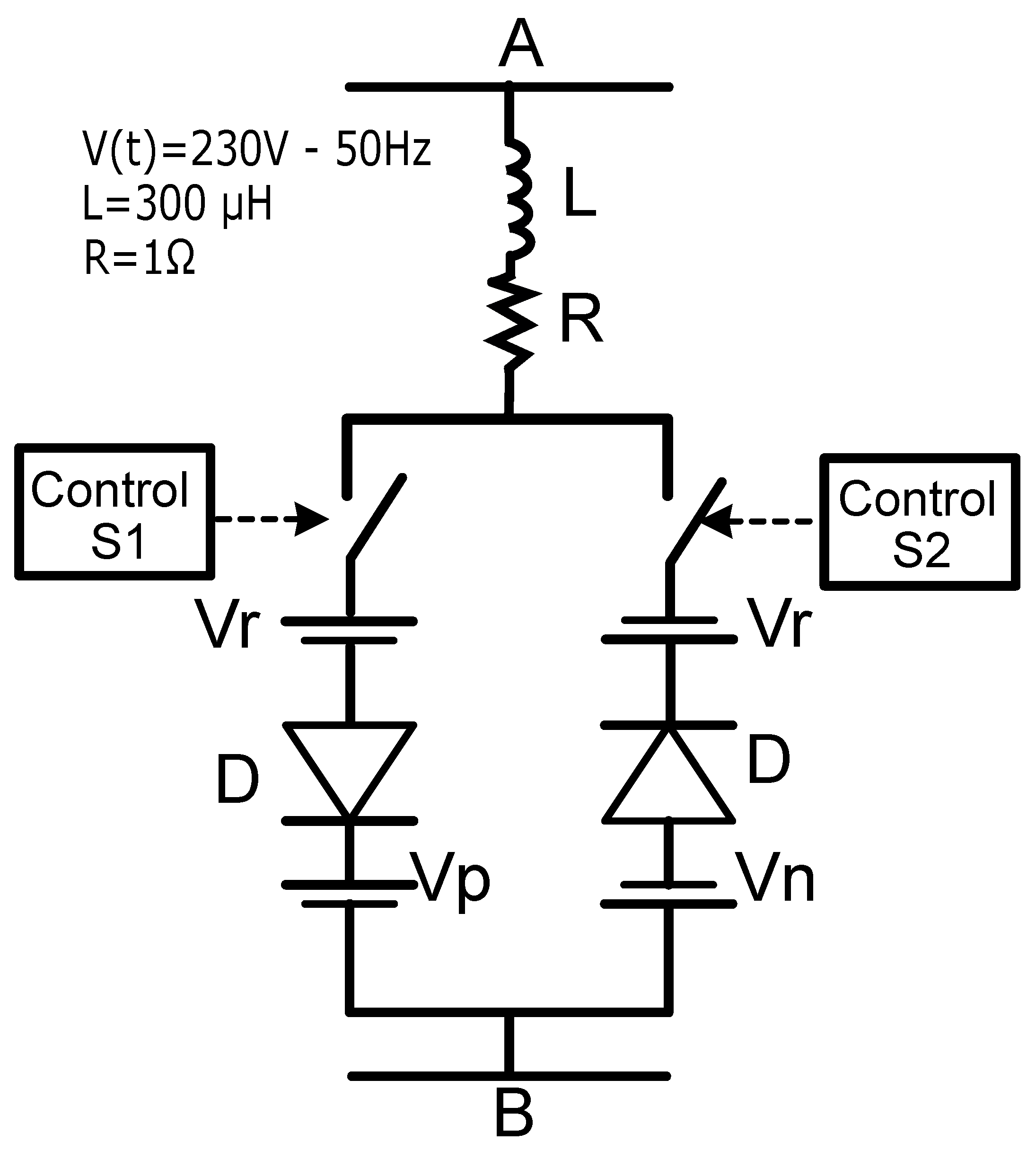
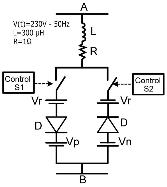
The model proposed in this work is based on two DC sources connected opposite in series with a diode [24] and a voltage source ( or ) representing the arc voltage. Figure 7 shows the model proposed to generate an arc fault in electric line. For the restrike voltage, a control circuit is designed by using (1). When the line voltage reaches the restrike voltage (), the switch ( for the positive alternance or for the negative one) is closed so the current flows across the arc circuit. Restrike voltage can be set differently depending on the positive or negative half cycle. The inductance L introduces a phase shift, related to the impedance of the arc.
where is the restrike voltage, is the average value, and is the standard deviation value of restrike voltage; X is the random variation between −1 and 1.
Figure 7.
Electric–model of the arc fault.
Due to the random behavior of arc fault, the restrike voltage as well as the arc voltage values are measured and their evolution in time is estimated. Therefore, the value to be considered in the model is estimated from the variations in the average measured value and the standard deviation obtained in the measurements of restrike and arc voltage; this value is represented in Equation (1).
Table 4.
Characteristics of the tested loads.
Figure 8 shows the high similarity over 1 s between the signatures of the arc fault current obtained by simulation and measurements.
Figure 8.
Measured and simulated arc fault currents on a resistive load.
3.2. Model Validation
Electrical signatures can be defined primarily in terms of shape and frequency. The waveform is the main difference between different loads. Moreover, these differences can be expressed in terms of periodic functions as a combination of integer frequencies. The verification of the agreement between measured and simulated signals is performed in the frequency domain (total harmonic distortion, THD) and time domain (index of agreement, “d”) [11]. The THD is defined as the ratio of RMS values for the total harmonics and the RMS value of the fundamental component (), according to (2).
Detection methods for electric arcs often rely on low- and high-frequency analysis, utilizing wavelet and Fourier transforms [26,27,28,29]. These techniques enable the examination and extraction of frequency ranges concerning the behavior of the arc, such as re-ignition of the discharges, formation of the arc spot in the electrode, or energy produced in the hot surface. As the objective is to recreate the waveform accurately, the electric arc model proposed provides low-frequency behavior.
To validate the frequency domain, it is essential to thoroughly analyze all signals within the low-frequency domain, where, considering that the signals have been acquired at a frequency of 10 kHz, the analysis of the proposed THD value performed up to 1 kHz, corresponding to the 20th harmonic.
where is the first harmonic value and is the second to twentieth harmonic value.
The index of agreement (d) [11] is calculated by using (3), which permits evaluating the similarity between the simulated value “P” and the measured value “O”.
where is simulated value, is the measured value, and is the median value of measured signal.
A value for “d” higher than 0.9 will provide good agreement between the measured and simulated signatures.
The estimation of d is completed from the signals represented in Figure 9; each point corresponds to the calculation on a half-period of the current signal. The time concordance is correct, as shown by the high value of d (greater than 0.98).
Figure 9.
Index of agreement (d) of arc fault current on a resistive load (Load 1).
The frequency agreement is good, as shown by the results in Figure 10. A small variation in the THD is nevertheless observed for the measured signals, unlike the simulated signals. There is also an underestimation of the THD for the modeled signals.
Figure 10.
THD of arc fault current on a resistive load (Load 1).
4. Load Modeling
4.1. Vacuum Cleaner Based on Universal Motor Model
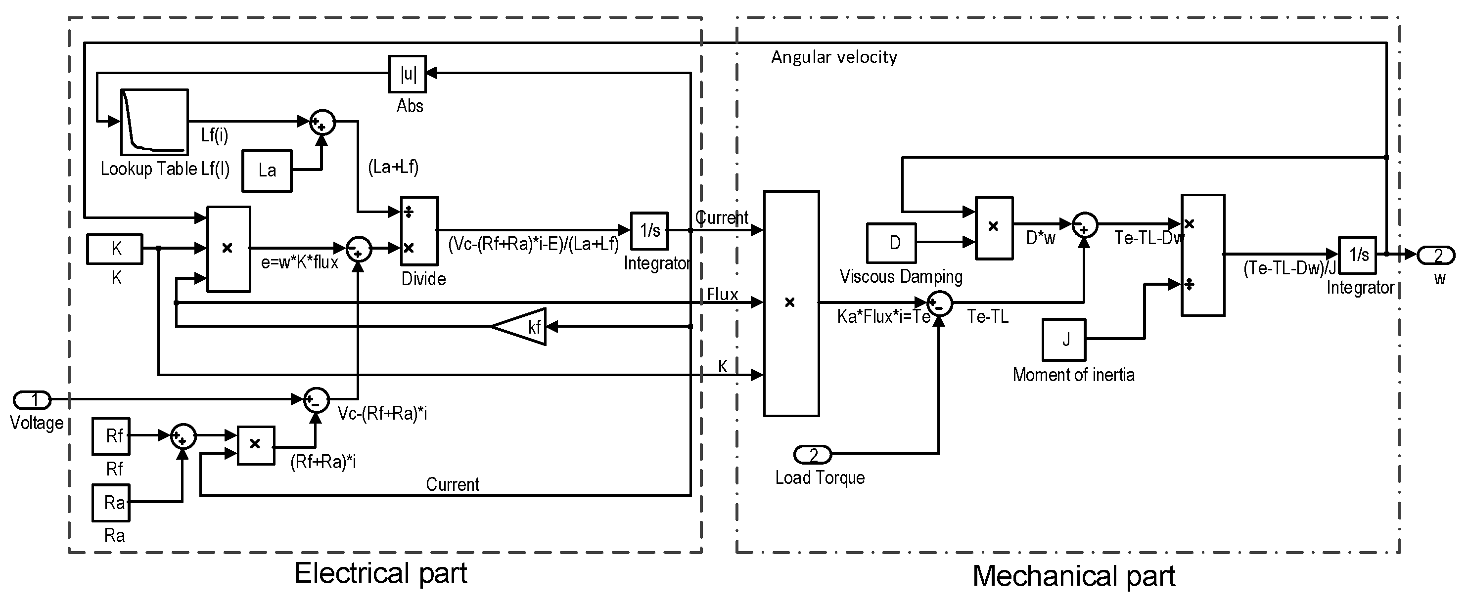
The domestic installation to be modeled consists of a main power supply (220 V–50 Hz) and domestic load model [30,31,32,33,34]. Unlike some conventional models from the literature that are interested in studying the evolution of the mechanical properties (torque evolution…) [35,36,37], the model presented accurately reproduces the waveform of current and voltage input.
Domestic appliances such as vacuum cleaner or drill machines are composed of a universal motor whose models are based on the equations of an electrical and mechanical equivalent circuit [37,38,39]. To improve the performance of these models, two blocks are added to take into account the torque and power variations, represented in Figure 11.
Figure 11.
Universal motor representation.
Equations (4) and (5) represent the different equations for modeling electrical and mechanical parts:
- The electrical part:
- The mechanical part:where and are rotor and stator winding resistance, and are rotor and stator winding inductance, is the current, J is the inertial moment, and is the angular velocity.
For a vacuum cleaner, the load torque varies directly with the square of the angular velocity according to (6) [35,40].
where is the load torque, is the torque constant, and is the angular velocity.
Figure 12 represents the electrical modeling of the motor in Matlab inserted on the line.
Figure 12.
Universal–motor model.
For a drill that is piercing, the load torque increases and the velocity decreases according to (7).
where is the load torque, is the torque constant, and is the angular velocity.
4.2. Simulation Result for a Vacuum Cleaner Model
The experiments are conducted using a Philips FC9302 230 V—50 Hz vacuum cleaner, Nancy, France whose parameters are described in Table 5.
Table 5.
Vacuum cleaner model parameters.
The appliance is modeled using Matlab Simulink and the electrical network by SimPowerSystem. Figure 13 shows the appliance model in Matlab Simulink.
Figure 13.
Appliance model in Matlab Simulink.
Current signatures of the measured (Figure 14) and modeled (Figure 15) signals for a vacuum cleaner are presented. The similarities among the waveforms between the two signatures are presented in Figure 16 with the calculus of the index of agreement. The current–voltage curves are also similar. These results show a very good agreement with a value of d higher than 0.97.
Figure 14.
Vacuum–cleaner measurement current signature.
Figure 15.
Vacuum–cleaner modeled current signature.
Figure 16.
Indexof agreement of the measured and modeled currents.
Frequency analysis provides a THD equal to 65% for the modeled current and a value of 72% for measured current (see Figure 17), which show a good concordance between the measured and simulated current. This difference can be due to harmonics produced by the power electronics switching.
Figure 17.
THD of the measured and modeled currents.
5. Combined Loads
The next step is to verify that the signatures of the measured and simulated line currents are identical for a circuit with combined loads. The UL 1699 [3] and IEC 62606 [4] specify the combined load configurations when using a vacuum cleaner and a resistive load for testing. Load is shown in Table 2.
5.1. First Configuration (Arc Upstream)
The first combined load configuration involves an arc in series with the vacuum cleaner and a resistive load (Figure 18).
Figure 18.
First configuration of masking load.
The high value for “d” equal to 0.9 shows a very good performance between modeled and measured current signatures. The variation in d comes from the random nature of the arc, by definition difficult to reproduce identical to the real arcing current signature (Figure 19).
Figure 19.
Evolution of the index of agreement (blue) results for first masking load configuration of Figure 18.
In this configuration, the THD obtained from the modeled signal (around 12%) is reduced compared to the measured signals (around 17%) (Figure 20). But, the results remain the same order of magnitude. These differences in frequency and time domains are mainly due to the impedance variations phenomenon produced in the impedance of the carbonized path. The deterioration in the insulation causes variations in the electric arc impedance and even in some particular conditions the appearance of glowing contacts.
Figure 20.
Evolution of THD results for first masking load configuration of Figure 18.
5.2. Second Configuration (Arc Between Two Home Appliances)
The second configuration involves the vacuum cleaner load connected with an arc in series with the resistive load (Figure 21). Current signatures of second configuration are observed in Figure 22 for measured signal and Figure 23 for modeled signal.
Figure 21.
Second configuration of masking load.
Figure 22.
Measurement current signature for second masking load configuration of Figure 21.
Figure 23.
Modeled current signature for second masking load configuration of Figure 21.
In the presence of an arc, the index of agreement gradually decreases in time from 0.97 to 0.9, as shown by the results in Figure 24. Nevertheless, these results () show that the modeling provides good performance. For frequency analysis, the results are more reduced in the presence of an arc fault. The THD calculated from modeled signals remains sensibly constant over time and does not exceed 8%. For experimental measurements, THD values vary and stabilize around 15% but remain higher than those obtained by simulation (Figure 25).
Figure 24.
Evolution of the index of agreement results (blue) for second masking load configuration of Figure 21.
Figure 25.
Evolution of THD results for second masking load configuration of Figure 21.
Fluctuations observed in the measured signal correspond to a transition phase (from the initiation to the stabilization of the arc), during which the arc characteristics change over time. Our model meanwhile does not take into account this phenomenon.
6. Detection Test
To test the robustness of the house appliances and the arc fault models, two detection algorithms are tested by comparing results obtained by simulation (Matlab Simulink) and experimentation.
Different arcing fault detection approaches have been proposed in the literature with algorithms based on frequency, time or time/frequency analysis, or on machine learning such as discrete wavelet analysis (DWA) [12,13,14,15,16,17,41,42,43,44] and artificial neural network (ANN) [18,19,20,45,46,47,48]. In this article, arc detection with a correlation method and the crest factor is tested.
6.1. Correlation Method
This method is based on the random behavior of an arc-current signature. The calculus of the correlation coefficients, according to (8)), occurs between two following periods regarding current signature [20,49].
where and are the two following periods of signal test, and are the median values of x and y, respectively, and N is the number of samples for one period.
The first configuration involves an arc in series with a vacuum cleaner and a resistive load. Figure 26 represents the average correlation coefficient value and standard deviation versus the number of tests. Each test comprises 10 current periods.
Figure 26.
Average correlation coefficient value for first masking load configuration of Figure 18.
The variability in the results is represented by the standard deviation. In our case, the results show a very close approximation between the measured and modeled signals. To distinguish an arc fault, the threshold value can be placed at 0.65. During the normal operation, the measured and modeled currents have the same signature; the correlation coefficient value is very close to the value “1”.
On the contrary, when an arc occurs, the current signature tends to vary between two successive periods. This is proved by the low value of the correlation coefficient around 0.2 in Figure 26.
Finally, Figure 26 shows very good agreement between the detection results obtained from the measurements and from those models.
The second masking configuration (Figure 21) involves the vacuum cleaner load connected with an arc in series with the resistive load. Figure 27 shows the results for the correlation coefficient algorithm.
Figure 27.
Average correlation coefficient value for second masking load configuration of Figure 21.
In this case, the results show a small difference regarding the algorithm responses between the measured and modeled signals. The difference is mainly due to random behavior of the arc fault current signatures. Also, to distinguish an arc fault, the same threshold value 0.65 can be retained.
6.2. Crest Factor Method
The second tested algorithm is based on the calculation of the revised crest factor (RCF) by using (9), which evaluates the wave distortion [50].
where CF is the crest factor, FF is the form factor, and , , and are the maximum, root mean square, and average value.
According to (9), for a perfect sinusoidal signal, the value of revised crest factor equals to and in presence of an arc fault this value increases.
The results of Figure 28 and Figure 29 represent the RCF value of voltage versus the RCF value of current.
Figure 28.
Crest factor algorithm results for first masking load configuration of Figure 18.
Figure 29.
Crest factor algorithm results for second masking load configuration of Figure 21.
As no variation occurs regarding the voltage when an arc is produced, the RCF voltage is approximately 1.57. On the contrary, the RCF current value varies according to wave distortion of current.
The first masking configuration (Figure 18) involves an arc in series with the vacuum cleaner and resistive load. Figure 28 shows the RCF results for the measured and simulated signals; a very good similarity between the two results can be observed.
The two distinct zones shown in Figure 28 correspond to the results obtained without the presence of an arc (NO: normal operation) and in the presence of an arc fault (AF: arc fault).
The results obtained for measurements and without the arc model are very close (zone 1). As expected, in the presence of an arc, the current factor of RCF values increased and is between 1.7 and 1.8 in the case of modeling. In the case of the measured signals, the RCF value range is wider (1.7 to 2), although a majority of points have values between 1.7 and 1.85.
A detection threshold set at 1.65 on the RCF current must allow in this case a detection of the occurrence of an arc.
The second masking configuration (Figure 21) involves the vacuum cleaner load connected with an arc in series with the resistive load.
Figure 29 shows the crest factor algorithm results for the second configuration.
In this configuration, the results in the absence of the arc are very close. In the presence of an arc, the results show that the values obtained for the RCF factor are between 1.65 and 1.7 for modeling, and for measured signals the values are between 1.7 and 1.95.
These differences are due to the random behavior of arc fault signature and the acquisition noise in the measurement. However an optimum choice of the detection threshold is capable of determining the presence of an arc on the power line.
7. Conclusions
We propose in this work to free ourselves of long experiments in order to develop and test the effectiveness of algorithms for detecting the presence of the electrical arcs in a circuit. We have developed different models of home appliances (vacuum cleaner, drill, and power system) that can be assembled according to different configurations. To compare the theoretical and experimental results, this article chooses to compare the harmonic distortion (frequency domain) and index of agreement (time domain).
The arc model takes into account of the random value over time of the voltage level of restrike. The signing of the measured current coincides with that of the model. For combined loads (vacuum cleaner and resistive load), the arc is inserted between the two loads and in series with the resistive load. In the two cases, a good concordance in the calculation of the total harmonic distortion and a value of the index of agreement above 0.9 show also that the simulated curves are in good concordance with the experimental curves. Two additional tests on the comparison detection performance are presented.
The detection results performed on the experimental and simulated signals are very close. The choice of an optimum level (0.8 for the method based on the correlative analysis and 1.65 for the method based on the calculation of the crest factor) enables the detection of an arc in the electrical circuit. The main advantage of this system is the possibility to build many different configurations of the electric network by varying the number and type of loads. Furthermore, an arcing fault may be inserted anywhere in the electric line. Using modeling is a useful tool for development and testing regarding a reliable arc fault method of detection based on the supervision of the current and voltage at the main supply source.
Author Contributions
Conceptualization, J.L., P.S., E.T. and S.W.; methodology, J.L. and P.S.; software, J.L., P.S., E.T. and S.W.; validation, J.L., P.S. and E.T.; formal analysis, P.S., E.T. and S.W.; investigation, J.L., P.S. and S.W.; writing—original draft preparation, J.L. and P.S.; writing—review and editing, E.T., P.S. and S.W. All authors have read and agreed to the published version of the manuscript.
Funding
This research was funded by Hager Group.
Data Availability Statement
Data can be available by contact to mail jlezama@untels.edu.pe.
Acknowledgments
The authors are grateful to Hager Group for their support regarding this work.
Conflicts of Interest
The authors declare no conflicts of interest.
References
- Martel, J.M.; Anheuser, M.; Berger, F. A study of arcing fault in the low-voltage electrical installation. In Proceedings of the 2010 Proceedings of the 56th IEEE Holm Conference on Electrical Contacts, Charleston, SC, USA, 4–7 October 2010; IEEE: Piscataway, NJ, USA, 2010; pp. 1–11. [Google Scholar]
- Shea, J.J. Identifying causes for certain types of electrically initiated fires in residential circuits. Fire Mater. 2011, 35, 19–42. [Google Scholar] [CrossRef]
- UL1699; UL Standard for Arc-Fault Circuit-Interrupters. 2nd ed. Underwriters Laboratories Inc.: Northbrook, IL, USA, 2011.
- IEC62606; General Requirements for Arc Fault Detection Devices. International Electrotechnical Commission: London, UK, 2013.
- Villanueva, D.; Villanueva, D.; San-Facundo, D.; San-Facundo, D.; Miguez-García, E.; Miguez-García, E.; Fernández-Otero, A.; Fernández-Otero, A. Modeling and Simulation of Household Appliances Power Consumption. Appl. Sci. 2022, 12, 3689. [Google Scholar] [CrossRef]
- Pau, D.; Randriatsimiovalaza, M.D. Electric Current Classification With Deeply Quantized Neural Network for Home Appliances. In Proceedings of the 2022 International Conference on Information Technology Research and Innovation (ICITRI), Jakarta, Indonesia, 10 November 2022. [Google Scholar] [CrossRef]
- Su, M.C.; Su, M.C.; Su, M.C.; Chen, J.H.; Chen, J.H.; Chen, J.H.; Chen, J.H.; Arifai, A.M.; Arifai, A.M.; yang Tsai, S.; et al. Smart Living: An Interactive Control System for Household Appliances. IEEE Access 2021, 9, 14897–14904. [Google Scholar] [CrossRef]
- Wang, D.; Liang, R.; Zhu, G. Modeling Analysis of Arc Fault Volt-Current Characteristics of Electrical Power Supply Lines. In Proceedings of the 2023 3rd International Conference on Computer Science, Electronic Information Engineering and Intelligent Control Technology (CEI), Wuhan, China, 15–17 December 2023. [Google Scholar] [CrossRef]
- Karunarathna, M.W.Y.C.; Karunarathna, Y.; Wijayakulasooriya, J.V.; Wijayakulasooriya, J.; Ekanayake, J.; Ekanayake, J.; Perera, P.; Perera, P. Modelling and validation of arc-fault currents under resistive and inductive loads. In Proceedings of the International Conference on Soft Computing and Software Engineering, Colombo, Sri Lanka, 16 September 2021. [Google Scholar] [CrossRef]
- Jiang, R.; Wang, Y.; Gao, X.; Bao, G.; Hong, Q.; Booth, C. AC Series Arc Fault Detection Based on RLC Arc Model and Convolutional Neural Network. IEEE Sens. J. 2023, 23, 14618–14627. [Google Scholar] [CrossRef]
- Willmott, C.J. On the validation of models. Phys. Geogr. 1981, 2, 184–194. [Google Scholar] [CrossRef]
- Lezama, J.; Schweitzer, P.; Tisserand, E.; Humbert, J.B.; Weber, S.; Joyeux, P. An embedded system for AC series arc detection by inter-period correlations of current. Electr. Power Syst. Res. 2015, 129, 227–234. [Google Scholar] [CrossRef]
- Jovanovic, S.; Chahid, A.; Lezama, J.; Schweitzer, P. Shunt active power filter-based approach for arc fault detection. Electr. Power Syst. Res. 2016, 141, 11–21. [Google Scholar] [CrossRef]
- Tisserand, E.; Lezama, J.; Schweitzer, P.; Berviller, Y. Series arcing detection by algebraic derivative of the current. Electr. Power Syst. Res. 2015, 119, 91–99. [Google Scholar] [CrossRef]
- Yi, Z.; Etemadi, A.H. Fault Detection for Photovoltaic Systems Based on Multi-Resolution Signal Decomposition and Fuzzy Inference Systems. IEEE Trans. Smart Grid 2017, 8, 1274–1283. [Google Scholar] [CrossRef]
- Grichting, B.; Goette, J.; Jacomet, M. Cascaded fuzzy logic based arc fault detection in photovoltaic applications. In Proceedings of the 2015 International Conference on Clean Electrical Power (ICCEP), Taormina, Italy, 16–18 June 2015; pp. 178–183. [Google Scholar]
- Chu, R.; Schweitzer, P.; Zhang, R. Series AC Arc Fault Detection Method Based on High-Frequency Coupling Sensor and Convolution Neural Network. Sensors 2020, 20, 4910. [Google Scholar] [CrossRef]
- Artale, G.; Cataliotti, A.; Cosentino, V.; Cara, D.D.; Nuccio, S.; Tinè, G. Arc Fault Detection Method Based on CZT Low-Frequency Harmonic Current Analysis. IEEE Trans. Instrum. Meas. 2017, 66, 888–896. [Google Scholar] [CrossRef]
- Guan, H.; Wang, B.; Zhao, Z.; Bimenyimana, S.; Wang, Q. Arc Fault Current Signal’s Power Spectrum Characteristics and Diagnosis Based on Welch Algorithm. Int. J. Eng. Sci. 2016, 6, 2852–2857. [Google Scholar]
- Liu, Y.; Guo, F.; Ren, Z.; Wang, P.; Nguyen, T.N.; Zheng, J.R.; Zhang, X. Feature analysis in time-domain and fault diagnosis of series arc fault. In Proceedings of the 2017 IEEE Holm Conference on Electrical Contacts, Denver, CO, USA, 10–13 September 2017; pp. 306–311. [Google Scholar]
- Jia, C.; Li, Z.; Zhang, Y.; Cao, J.; Chen, H.; Zhao, X.; Du, Y.; Cheng, Q.S.; Ma, N.; Qiu, F. Serial arc-fault restriction survey with standard-listed products in the Chinese market. IEEE Trans. Ind. Appl. 2023, 59, 7453–7461. [Google Scholar] [CrossRef]
- Shiller, S. High impedance fault arcing on sandy soil in 15kV distribution feeders: Contributions to the evaluation of the low frequency spectrum. IEEE Trans. Power Deliv. 1990, 5, 676–686. [Google Scholar]
- Sedighi, A.; Haghifam, M. Simulation of high impedance ground fault In electrical power distribution systems. In Proceedings of the 2010 International Conference on Power System Technology, Hangzhou, China, 24–28 October 2010; IEEE: Piscataway, NJ, USA, 2010; pp. 1–7. [Google Scholar]
- Andrea, J.; Schweitzer, P.; Martel, J.M. Arc fault model of conductance. Application to the UL1699 tests modeling. In Proceedings of the 2011 IEEE 57th Holm Conference on Electrical Contacts (Holm), Minneapolis, MN, USA, 11–14 September 2011; IEEE: Piscataway, NJ, USA, 2011; pp. 1–6. [Google Scholar]
- Etemadi, A.; Sanaye-Pasand, M. High-impedance fault detection using multi-resolution signal decomposition and adaptive neural fuzzy inference system. IET Gener. Transm. Distrib. 2008, 2, 110–118. [Google Scholar] [CrossRef]
- Liu, Y.; Chen, C.I.; Fu, W.C.; Lee, Y.; Chen, C.; Chen, Y.F. A Hybrid Approach for Low-Voltage AC Series Arc Fault Detection. Energies 2023, 16, 1256. [Google Scholar] [CrossRef]
- Miao, W.; Miao, W.; Miao, W.; Qi, X.; Xu, Q.; Lam, K.T.; Lam, K.H.; Pong, P.W.T.; Pong, P.W.T.; Poor, H.V.; et al. DC Arc-Fault Detection Based on Empirical Mode Decomposition of Arc Signatures and Support Vector Machine. IEEE Sens. J. 2020, 21, 7024–7033. [Google Scholar] [CrossRef]
- Ke, Y.; Yi, K.; Zhang, W.; Zhang, W.; Suo, C.; Suo, C.; Wang, Y.; Wang, Y.; Ren, Y.; Ren, Y. Research on Low-Voltage AC Series Arc-Fault Detection Method Based on Electromagnetic Radiation Characteristics. Energies 2022, 15, 1829. [Google Scholar] [CrossRef]
- Shen, Y.L.; Shen, Y.L.; Wai, R.; Wai, R.J. Fast-Fourier-Transform Enhanced Progressive Singular-Value-Decomposition Algorithm in Double Diagnostic Window Frame for Weak Arc Fault Detection. IEEE Access 2022, 10, 39752–39768. [Google Scholar] [CrossRef]
- Ye, G.; Nijhuis, M.; Cuk, V.; Cobben, J.F. Appliance-based residential harmonic load modelling. In Proceedings of the 2017 IEEE Manchester PowerTech, Manchester, UK, 18–22 June 2017; IEEE: Piscataway, NJ, USA, 2017; pp. 1–6. [Google Scholar]
- Alışkan, İ.; Keskin, R. Fluorescent Lamp Modelling and Electronic Ballast Design by the Support of Root Placement. Int. J. Eng. Technol. 2016, 2, 118–123. [Google Scholar]
- Liu, Y.J.; Chen, S.I.; Chang, Y.R.; Lee, Y.D. Development of a modelling and simulation method for residential electricity consumption analysis in a community microgrid system. Appl. Sci. 2017, 7, 733. [Google Scholar] [CrossRef]
- Tokić, A.; Jukan, A.; Uglešić, I.; Mustafić, D. Nonlinear model of fluorescent lamp in harmonic studies. In Proceedings of the 2018 IEEE PES Innovative Smart Grid Technologies Conference Europe (ISGT-Europe), Sarajevo, Bosnia and Herzegovina, 21–25 October 2018; IEEE: Piscataway, NJ, USA, 2018; pp. 1–6. [Google Scholar]
- Yamaguchi, Y.; Yilmaz, S.; Prakash, N.; Firth, S.K.; Shimoda, Y. A cross analysis of existing methods for modelling household appliance use. J. Build. Perform. Simul. 2019, 12, 160–179. [Google Scholar] [CrossRef]
- Williams, I.C. Mathematical Modeling of a Robot Vacuum Cleaner Suction with Matlab Simulink. Int. J. Res. Innov. Appl. Sci. IJRIAS 2019, 4, 2454–6194. [Google Scholar]
- Tuncay, R.; Yilmaz, M.; Onculoglu, C. The design methodology to develop new-generation universal-motors for vacuum cleaners. In Proceedings of the IEMDC 2001, IEEE International Electric Machines and Drives Conference (Cat. No. 01EX485), Cambridge, MA, USA, 17–20 June 2001; IEEE: Piscataway, NJ, USA, 2001; pp. 926–930. [Google Scholar]
- Pérez-Aguilar, S.I.; Granda-Gutiérrez, E.E.; Díaz-Guillén, J.C.; Candelas-Ramírez, J. Control of a non-linear vacuum system through a PID controller. Procedia Technol. 2013, 7, 189–197. [Google Scholar] [CrossRef][Green Version]
- Lezama, J.; Schweitzer, P.; Weber, S.; Tisserand, E.; Joyeux, P. Modeling of a domestic electrical installation to arc fault detection. In Proceedings of the 2012 IEEE 58th Holm Conference on Electrical Contacts (Holm), Portland, OR, USA, 23–26 September 2012; IEEE: Piscataway, NJ, USA, 2012; pp. 1–7. [Google Scholar]
- Patidar, R.; Singh, S. Harmonics estimation and modeling of residential and commercial loads. In Proceedings of the 2009 International Conference on Power Systems, Kharagpur, India, 27–29 December 2009; IEEE: Piscataway, NJ, USA, 2009; pp. 1–6. [Google Scholar]
- Di Gerlando, A.; Perini, R. Modelling and test validation of high speed universal motors fed via a triac. In Proceedings of the IEEE International Conference on Electric Machines and Drives, San Antonio, TX, USA, 15 May 2005; IEEE: Piscataway, NJ, USA, 2005; p. 6. [Google Scholar]
- Dhar, S.; Dash, P.K. Differential current-based fault protection with adaptive threshold for multiple PV-based DC microgrid. IET Renew. Power Gener. 2017, 11, 778–790. [Google Scholar] [CrossRef]
- Spataru, S.; Sera, D.; Kerekes, T.; Teodorescu, R. Diagnostic method for photovoltaic systems based on light IV measurements. Sol. Energy 2015, 119, 29–44. [Google Scholar] [CrossRef]
- Karlöf, L.; Ølgård, T.; Godtliebsen, F.; Kaczmarska, M.; Fischer, H. Statistical techniques to select detection thresholds for peak signals in ice-core data. J. Glaciol. 2005, 51, 655–662. [Google Scholar] [CrossRef]
- Yang, K.; Zhang, R.; Chen, S.; Zhang, F.; Yang, J.; Zhang, X. Series Arc Fault Detection Algorithm Based on Autoregressive Bispectrum Analysis. Algorithms 2015, 8, 929–950. [Google Scholar] [CrossRef]
- Liu, Y.; Pan, S. Fault Arc Detection Model Based on LSTM-Transformer. In Proceedings of the 2024 IEEE 7th International Electrical and Energy Conference (CIEEC), Harbin, China, 10–12 May 2024. [Google Scholar] [CrossRef]
- Saeed, E.; Saeed, E.; Abdulhassan, K.M.; Abdul-Hassan, K.M.; Al-Atbee, O.; Al-Atbee, O. Series and Parallel Arc Fault Detection in Electrical Buildings Based on Discrete Wavelet Theory. J. Electr. Electron. Eng. 2021, 17, 94–101. [Google Scholar] [CrossRef]
- Wu, C.J.; Liu, Y.W.; Hung, C.S. Intelligent detection of serial arc fault on low voltage power lines. J. Mar. Sci. Technol. 2017, 25, 43–53. [Google Scholar]
- Wang, Y.; Zhang, F.; Zhang, S. A New Methodology for Identifying Arc Fault by Sparse Representation and Neural Network. IEEE Trans. Instrum. Meas. 2018, 67, 2526–2537. [Google Scholar] [CrossRef]
- Ahmadi, M.; Samet, H.; Ghanbari, T. Series Arc Fault Detection in Photovoltaic Systems Based on Signal-to-Noise Ratio Characteristics Using Cross-Correlation Function. IEEE Trans. Ind. Inform. 2019, 16, 3198–3209. [Google Scholar] [CrossRef]
- Kim, C.; Russell, B. Analysis of distribution disturbances and arcing faults using the crest factor. Electr. Power Syst. Res. 1995, 35, 141–148. [Google Scholar] [CrossRef]
Disclaimer/Publisher’s Note: The statements, opinions and data contained in all publications are solely those of the individual author(s) and contributor(s) and not of MDPI and/or the editor(s). MDPI and/or the editor(s) disclaim responsibility for any injury to people or property resulting from any ideas, methods, instructions or products referred to in the content. |
© 2024 by the authors. Licensee MDPI, Basel, Switzerland. This article is an open access article distributed under the terms and conditions of the Creative Commons Attribution (CC BY) license (https://creativecommons.org/licenses/by/4.0/).




























