Next Article in Journal
Capacity Allocation Method of Pumped-Storage Power Station for Multi-Level Market in New Power System
Previous Article in Journal
A Sememe Prediction Method Based on the Central Word of a Semantic Field
 
 
Font Type:
Arial Georgia Verdana
Font Size:
Aa Aa Aa
Line Spacing:
Column Width:
Background:
Article

A 12-Bit SAR ADC with Binary Search Calibration Algorithm for a Split Capacitor

Department of Electronic Engineering, Inha University, Incheon 22212, Republic of Korea
*
Author to whom correspondence should be addressed.
Electronics 2024, 13(2), 414; https://doi.org/10.3390/electronics13020414
Submission received: 24 November 2023 / Revised: 11 January 2024 / Accepted: 12 January 2024 / Published: 19 January 2024
(This article belongs to the Section Circuit and Signal Processing)

Abstract

This paper proposes a 12-bit SAR ADC capable of calibrating a split capacitor using a binary search technique for bio-signal processing applications. The proposed SAR ADC employs a calibration logic circuit to calibrate a split capacitor vulnerable to process variations and mismatches. The proposed foreground calibration process involves four iterations through the binary search algorithm. In this manner, the calibration speed can be increased by up to 3.75 times compared with that of the linear search calibration. The proposed SAR ADC was implemented with a CMOS 28 nm 1-poly 8-metal process. The effective layout, excluding bonding pads, occupied 939 × 450 μ m. Measurement results illustrated a power consumption of 30.7 μ W (analog power: 16.1 μ W and digital power: 14.6 μ W), INL/DNL of −1.8/1.7 LSB, and −0.7/0.7 LSB, respectively, ENoB of 10.3-bit, and a FoM of 53.7 fJ/step.

1. Introduction

Wearable devices are receiving significant attention. Research on low-power, high-resolution ADCs (Analog Digital Converters) is currently underway for bio-signal processing.
Bio-signals consist of EEG (electroencephalography), ECG (electrocardiography), and EMG (electromyography) signals. EEG, ECG, and EMG signals have a bandwidth of 0.1–100 Hz, 0.05–500 Hz, and 10 Hz–5 kHz, respectively. In addition, the voltage range of the bio-signals is small ( μ V 100 mV) [1]. Due to the frequency and voltage range of EEG, EMG and ECG signals, the ADC should maintain a minimum 8-bit resolution and a 10 kHz sampling rate specification to be able to handle bio-signal processing. And this ADC should consume minimal power for portability and for embedded application in other electronic systems, which inherently results in the adaption of the SAR (Successive Approximation Register) ADC.
Recent research has been focused on developing low-power ADCs [2,3,4,5,6,7,8,9,10,11,12,13,14,15,16,17,18,19,20,21,22,23,24]. In addition, when designing a low-power ADC, foreground and background calibration are performed to improve performance [7,8,12]. Foreground calibration is performed after bit conversion. Foreground calibration consumes less power with a slow sampling rate due to the calibration phase. On the other hand, background calibration conducts calibration and bit conversion at the same time. Background calibration offers a faster sampling rate than foreground calibration, but its calibration logic circuit is complex and consumes a lot of power. TS SS (Two-Step Single-Slope) ADCs are also being studied because of thier low power and high resolution [8]. A TS SS ADC uses a linear search algorithm based on a digital counter in bit conversion, which results in a slow sampling rate with low power consumption. Since it employs a digital counter and a ramp generator, this ADC is suitable for bio-signal processing requiring minimal power consumption and high resolution. The ramp output of a TS SS ADC is applied to the R-DAC (Resistor Digital to Analog Converter), and the output of the R-DAC is divided into two parts: coarse and fine conversions. Employment of an R-DAC causes process variation and high power consumption. Coarse conversion of the TS SS ADC operates at the time of bit conversion, and the fine conversion follows the coarse conversion. The coarse conversion has a higher weight factor of R-DAC than that of the fine conversion.
The authors of [7] performed background calibration on a split capacitor by adjusting a 7-bit assist DAC in the LSB (Least Significant Bit) part of the C-DAC (Capacitor Digital to Analog Converter). A 7-bit assist DAC in [7] is connected to the output of the main C-DAC. The error detection register inside the ADC detects an error in the voltage generated by the mismatch. After that, the value stored in the error detection register is reflected by the 7-bit assist DAC. The error value is reflected through a feedback loop in the output of the C-DAC, canceling the error in the C-DAC. This allows the output of the C-DAC to be corrected. However, the ADC in [7] suffers from high INL (Integral Non-Linearity) and low ENoB (Effective Number of Bit). Likewise, 1.5-bit redundancy in [8] is designed so that the weight of the bits is duplicated. A calibration signal is generated from the duplicated bits and is applied to the digital calibration logic, which allows the DAC to offset the error. The ADC employing 1.5-bit redundancy exhibits low power, but poor INL and ENoB. Through calibration, the output waveform of the lamp is adjusted so that the output of the DAC approaches the ideal slope. However, paper [8] suffered from poor INL and papers [7,8] had slow sampling rates. Especially, ref. [8] consumed 62 μ W and had an ENoB of 9.8-bit.
The main idea of [9] is to present a practical low-power solution through a low-power sensor interface design in RFID (Radio-Frequency Identification) applications, thereby improving sensor data collection and performance of RFID systems. However, this research suffered from a low sampling speed of 6.25 kS/s and a low ENoB of 9.7-bit. Further, the main idea of [10] is to provide a hybrid design tool for automating and optimizing the design of SAR ADC in IoT applications. The ADC in [11] encloses a charge pump circuit and a phase frequency detector to eliminate the offset of the comparator. A phase difference occurs in the two differential outputs of the comparator due to the offset error of the comparator. This phase difference is detected by the phase frequency detector and the output of the phase frequency detector is applied to the charge pump. The output value of the charge pump is fed back to the comparator, eliminating the offset of the comparator. This calibration technique is valid for a high sampling rate, but suffers from high INL and low ENoB. Overall, refs. [9,10,11] without a calibration circuit showed low ENoB and poor INL. In [12,25], the calibration circuit employed a linear search technique where the size of the split capacitor is sequentially increased. However, the linear search technique requires a considerable amount of calibration time to find the proper split capacitor that matches the operating conditions. Additionally, if an incorrect split capacitor is calibrated due to comparator offset and external noise, the performance of the SAR ADC is further deteriorated. In [12], an ENoB of 11.5-bit, DNL (Differential Non-Linearity)/INL of ±1 LSB and −2.6/2.1 LSB, and FoM (Figure of Merit) of 155 fJ/step was achieved, indicating poor linearity and FoM performance.
Overall, the ADC presented in [7,8,9,10,11] showed high INL, slow sampling rates, and low ENoB. ADCs employed by bio-signal processors and wearable devices should be capable of providing low INL, a reasonably fast sampling rate (>10 kHz), and high ENoB. There is a need for different design techniques to provide low INL, a fast sampling rate, and high ENoB to ADCs processing EEG, ECG, and EMG bio-signals.
This paper presents a 12-bit SAR ADC that employs a binary search algorithm-based split capacitor calibration technique. The proposed SAR ADC uses the binary search technique four times to calibrate the split capacitor, enabling faster and more accurate calibration compared with the conventional linear search method. The architecture and the proposed design methodology is discussed in Section 2, measurement results are presented in Section 3, and conclusions are drawn in Section 4.

2. Materials and Methods

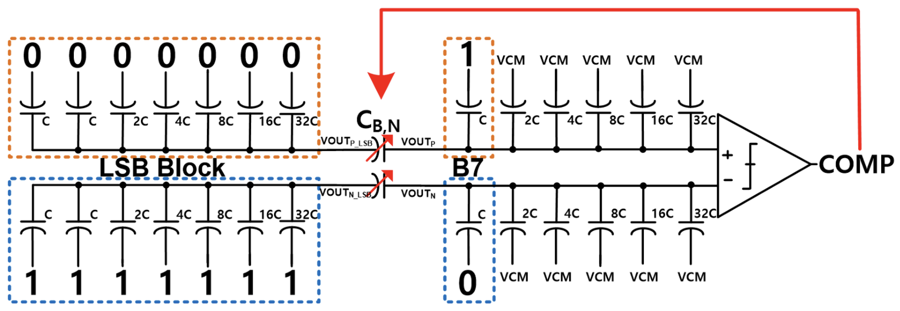
A block diagram of the proposed 12-bit SAR ADC with split capacitor foreground calibration based on a binary search algorithm is shown in Figure 1. The proposed ADC is composed of a C-DAC in differential mode, calibration switch control logic, a comparator connected to a pre-amplifier, 12-bit SAR logic, a reset generator, and an output register with the calibration split capacitor array. The calibration switch control logic contains the calibration logic and 2-CLK (Clock Signal) divider. The P and N nodes represent the upper and lower C-DAC, respectively.
Employment of a C-DAC is necessary for low-power application of the proposed 12-bit SAR ADC because it takes advantage of low-power consumption due to no dc current flow and low speed because of the charging and discharging capacitor array. In order to further reduce power consumption of the proposed ADC, total capacitance of the C-DAC should be minimized because power consumption is proportional to total capacitance of the C-DAC. Instead of utilizing the conventional binary weighted capacitor array in the C-DAC, a 6-bit MSB C-DAC and 6-bit LSB C-DAC with a split capacitor for foreground calibration, as shown in Figure 1, is employed to minimize total capacitance of the C-DAC in the proposed ADC. There are two types of calibration algorithm applicable to a split capacitor array, namely linear search algorithm and binary search algorithm. The plot shown in Figure 2 compares a number of capacitors from the binary search technique and that of the linear search technique as a function of the calibration cycle, where each cycle requires two CLKs. Calibration employing the linear search technique is capable of adding a split capacitor of 2 C min for a 4-cycle. On the other hand, employing the proposed binary search technique, a split capacitor of up to 15/2 C min may be added for a 4-cycle. A total of 15 calibration cycles are required to add a split capacitor of 15/2 C min with the linear search technique, so that it takes about 3.75 times longer than the binary search method. Therefore, the binary search method reduces the time required for foreground calibration, thereby increasing the sampling rate. As a result, the proposed ADC employs the binary search calibration algorithm.
The split capacitor array C B , N consists of a split capacitor of 4 C min , 2 C min , 1 C min , and 1 2 C min , where 1 2 C min is the minimum unit capacitor (2fF) of the split capacitor array, as in Figure 1. The split capacitor array with calibration signal, CAL[4:1], is placed between the MSB and LSB blocks of the C-DAC.
A flowchart of the calibration algorithm is shown in Figure 3. The total LSB capacitance, C Total , LSB , connected in parallel within the C-DAC is given as,
C Total , LSB = C u · i = 0 6 2 i
where C u is the unit capacitor of theC-DAC. Moreover, the split capacitor before calibration is initialized to become C B , initial . As the split capacitor becomes N-times calibrated, it becomes C B , N as,
C B , N = C B , initial + C min · j = 1 N C A L ( 5 j ) · 2 j + 3
Since the total capacitance on the LSB node and split capacitor array of C-DAC can be obtained by a serial summation of C Total , LSB and C B , N as ‘ α C u ’, it can be expressed as,
α C u = C Total , LSB + C B , N
where α is a constant. The final goal of the calibration is to make ‘ α ’ to be equal to unity [25].
A timing diagram for the proposed binary search-based split capacitor calibration is shown in Figure 4. When the reset signal, RST, becomes high at the first clock, the internal signal of the calibration switch control logic, CAL_DURING, becomes high, and calibration proceeds.
The first-phase calibration ( N = 1 ) presented in Figure 5 is performed through two clocks. As the 1st CLK is on the rising edge, the common-mode control signal, VCM CONTROL, becomes high, so that VOUT P and VOUT N are connected to VCM, where VCM is the common mode voltage. As CAL4 is set to ‘1’ (CAL4 = 1), as shown in red box of Figure 6, the switch of the split capacitor array associated with 4 C min turns on. In addition, CAL [3:1] becomes low, P M and N L signals become low, and P L and N M signals become high. Hence, P L and N L signal the control capacitor of the LSB block, while P M and N M signal the control capacitor of each B 7 .
The charges in the C -DAC at the P and N nodes, Q P and Q N , are determined by,
Q P = α C u ( VCM VDD ) + C u ( VCM VSS )
Q N = α C u ( VCM VSS ) + C u ( VCM VDD )
As the 2nd CLK is on the rising edge, VCM_CONTROL signal becomes low, as illustrated in Figure 7. Therefore VOUT P and VOUT N are floated, and P L , P M , N L , and N M signal become toggled.
In the 2nd CLK falling edge, VOUT P and VOUT N signals are compared to determine the output signal of the comparator, COMP, so that the mismatch in split capacitors can be detected. In the timing diagram given, VOUT P is less than VOUT N , and the COMP signal becomes low. Reflecting the COMP signal, CAL4 becomes low at the 3rd CLK.
According to charge conservation, Q P and Q N are described as,
Q P = α C u VOUT P VSS + C u ( VOUT P VDD ) + 62 C u VOUT P VCM
Q N = α C u VOUT N VDD + C u ( VOUT N VSS ) + 62 C u VOUT N VCM
Since (4) should be equal to (6) and (5) should be equivalent to (7),
VOUT P = α + 65 α + 63 VCM
VoUT N = 3 α + 61 α + 63 VCM
As VCM_CONTROL signal becomes high, it is set back to VCM during the 3rd CLK. CAL4 and CAL3 become low and high, respectively, to reflect the value of COMP during the previous 2nd CLK in the timing diagram. Split capacitor 2 C min that is half the weight of the split capacitor 4 C min in the previous step is added.
If VOUT P becomes larger than VOUT N during the 2nd CLK , then COMP = 1 , and CAL4 and CAL3 stay high, as presented in Figure 8. Otherwise, CAL4 stays low and CAL3 becomes high.
This calibration process is repeated four times ( N = 4 and 8-CLK). VOUT V P and VOUT N become closer to the VCM, so that C Total , LSB + C B , N becomes closer to C u . As the calibration is finished, CAL_DURING signal goes low, CAL_DONE signal becomes high, P M and N L signals become low, and P L and N M signals become high. Further, the foreground calibration is followed by the 12-bit data conversion.
Table 1 illustrates one example of operation of the binary search calibration algorithm in terms of CAL[4:1] and C B , N during the calibration times (t1∼t4), where C B , N is the calibration capacitor C B , N . As CAL[4:1] becomes ‘1000’ with the COMP signal as ‘0’ during t1, C B , N becomes 4 C min . Since the COMP signal becomes low, CAL4 becomes ‘0’ to reflect the previous COMP signal, CAL3 becomes ‘1’, and C B , N changes from 4 C min to 2 C min during t2. Since the COMP signal stays high during t2, CAL3 remains ‘1’ and CAL2 sets to ‘1’, resulting in C B , N of 3 C min during t3. Since the COMP signal moves from low to high during t3 to t4, CAL2 changes from ‘1’ to ‘0’ and CAL1 sets to ‘1’, so that C B , N becomes 5 2 C min . Final CAL[4:1] and C B , N become ‘0101’ and 5 2 C min , respectively.
The block diagram of the calibration switch control logic circuit presented in Figure 9 contains the calibration logic and a 2-CLK divider. The circuit diagram of the calibration logic consists of an 8-bit shift register and a 4-bit LFSR (Linear Feedback Shift Register), as illustrated in Figure 10.
The CAL_DONE signal is generated by the AND gate output of C0_BEFORE and C 0 from the calibration logic. As the CAL_DONE signal stays low and the CAL_DURING signal becomes high at the same time, the calibration process takes place. During the foreground calibration process, CAL[4:1] signals are determined to reflect the output of the comparator. These 4-bit calibration signals are used to control the split capacitor array.
The 2-CLK divider, as presented in Figure 11a, is implemented utilizing one JK flip-flop. It divides the CLK signal to generate P L , P M , N L , N M signals. The CAL_DURING signal from the calibration Logic becomes K input of the JK flip-flop within the 2-CLK divider.
The multiplexer to control the switch with VCM_CONTROL signal is shown in Figure 11b. The CAL_DONE signal and the P L , N M signals become the input signals of the multiplexer to generate the VCM_CONTROL signal with the CAL_DURING signal.
The proposed binary search calibration is influenced by process variation, as given by (10), where σ is the standard deviation of the process variation. C B , initial is designed to be 2 σ smaller than the ideal split capacitor. According to the binary search algorithm, C B , N can be increased up to C B , max , as given by (11).
C B , initial = 64 63 C u 2 σ
C B , max = C B , initial + 15 2 C min
The Monte Carlo simulation of the theoretical split capacitor C B , N in the process is illustrated in Figure 12. As the initial and maximum values of the variable split capacitor given by (10) and (11) are projected onto the graph, the process compensation range can be obtained approximately by 2 σ to σ .
The plots of the ENoB distribution from Monte Carlo simulation for the before and after calibration conditions are compared in Figure 13. The mean value of ENoB before calibration becomes 10.6-bit and the mean value of ENoB after calibration becomes 11.3-bit. The distributions of the ENoB before and after the calibration are relatively left-leaning and right-leaning, respectively. It is confirmed that the performance of ENoB is improved through the proposed binary search calibration algorithm.

3. Results

The proposed SAR ADC is implemented by a 28 nm 1-poly 8-metal CMOS (Complementary Metal Oxide Semiconductor) process. The chip photograph of the proposed SAR ADC with an area of 1110 × 600 μ m is shown in Figure 14. The effective layout excluding bonding pads occupies 939 × 450 μ m . The 12-bit C-DAC, split capacitor array, and analog blocks of the comparator are located in the lower part of the layout. The digital blocks, including the C-DAC switches, calibration switch control logic, reset generator, SAR logic, and output register, are placed in the upper part. The design of the chip ensures physical and electrical separation between the analog and digital blocks of the chip.
A photograph of the PCB (Print Circuit Board) with the proposed ADC is presented in Figure 15. The PCB includes three SMA connectors for the differential input signals (VINP and VINN) and the clock signal (CLK), and five connectors (analog power nodes (AVDD (Analog Power Supply Voltage) and AVSS (Analog Ground)), digital power nodes (DVDD (Digital Power Supply Voltage) and DVSS (Digital Ground)), and VCM (common-mode node)). Three test pins to monitor three signals, namely RST, CAL_DONE, and P L P M , are placed adjacent to the proposed ADC chip for signal integrity purposes. The 12-bit digital output pins are placed on the upper portion of the PCB.
The measured waveforms of the CLK, RST, CAL_DONE, and P L , P M signals are illustrated in Figure 16. As the RST signal becomes high, the binary search calibration algorithm performs for 8 CLKs , the CAL_DONE signal becomes high at the end of the 8th CLK , and the 12-bit data conversion operation is performed for 14 CLKs. During the calibration process, the frequency of the P L , P M signal is reduced to half with respect to that of the clock signal during calibration time and becomes high during the conversion time. Figure 17 presents the measured waveform of the RST and COMP signals. As the COMP signal stays high during the calibration time ( 8 CLKs ), the CAL[4:1] signal becomes ‘1111’ and C B , N becomes 15 2 C min . These measurement results prove the proper functionality of the binary search calibration algorithm described in Table 1.
The INL and DNL before calibration shown in Figure 18 are measured to be 2.7 / 2.5 LSB and 1.4 / 1.5 LSB , respectively. On the other hand, the INL and DNL after calibration shown in Figure 19 are measured to be −1.8/1.7 LSB and 0.7 / 0.7 LSB, respectively. Hence, the binary search calibration algorithm enhances the performance of the linearity of the proposed ADC by approximately 1 bit. The measured SNDR (Signal-to-Noise Distortion Ratio) and ENoB before calibration from FFT (Fast Fourier Transform) shown in Figure 20 are 59.24 dB and 9.5-bit, respectively. After calibration, SNDR and ENoB are measured to be 64.05 dB and 10.3-bit, respectively, as presented in Figure 21. The analog and digital power consumption are measured to be 16.1 and 14.6 μ W , respectively, resulting in a total power dissipation of 30.7 μ W .
As the clock frequency varies from 100 kHz to 20 MHz with the input frequency fixed to 1 kHz , as shown in Figure 22, the measured ENoB remains at 10.3-bit up to 2 MHz and degrades to 8.8-bit afterwards. Figure 23 illustrates that the measured ENoB remains at 10.3-bit up to 20 kHz of the input frequency and decreases to 8.2-bit with the clock frequency fixed to 454 kHz .
A comparison of the static/dynamic performance parameters of the ADC between the proposed work and the conventional ones is made in Table 2. The authors of [8,12] employed the linear search algorithm and showed a comparable enhancement of INL/DNL and ENoB compared with the proposed work with the binary search algorithm. However, the proposed ADC with faster sampling rate performed with a lower power consumption and FoM. The works of [7,9,10,11] with the resolution of 12-bit and a SAR architecture the same as the proposed one exhibited comparative static/dynamic performances to the proposed one, except for calibration circuitry.

4. Conclusions

This paper proposes a 12-bit SAR ADC with foreground calibration using the binary search algorithm for biomedical signal processing. By incorporating calibration switch control logic into the conventional SAR ADC, the capacitance of the calibration split capacitor is determined within 8 clock signals by the binary search algorithm. The proposed binary search calibration algorithm with 4-bit resolution (CAL[4:1]) and a C B , N of 1 2 C min ( 2 fF ) is approximately 3.75 times faster than the conventional linear search calibration one. The proposed binary search calibration algorithm aims to ensure that the calibrated split capacitance closely matches the desired value, thus achieving optimal performance in the SAR ADC. Since a differential mode is employed in the C-DAC circuit, the linearity and ENoB performance of the proposed ADC are superior to those of the conventional single-ended mode. The proposed SAR ADC is implemented by a CMOS 28 nm 1-poly 8-metal process with a supply voltage of 1 V . The effective layout area excluding bonding pads is 939 × 450 μ m . Measurement results of the proposed ADC after calibration show a power consumption of 30.7 μ W (analog and digital power of 16.1 and 14.6 μ W , respectively), INL of 1.8 / 1.7 LSB , DNL of −0.7/0.7 LSB, ENoB of 10.3-bit, and FoM of 53.7 fJ / step. The proposed 12-bit ADC with the binary search algorithm is applicable to low-power bio-signal processing and IoT platforms.

Author Contributions

Conceptualization, J.-I.Y. and K.S.Y.; methodology, J.-I.Y. and K.S.Y.; software, J.-I.Y.; validation, J.-I.Y. and K.S.Y.; formal analysis, J.-I.Y.; investigation, J.-I.Y.; resources, J.-I.Y.; data curation, J.-I.Y.; writing—original draft preparation, J.-I.Y.; writing—review and editing, H.L.; visualization, J.-I.Y.; supervision, K.S.Y. and H.L; project administration, K.S.Y.; funding acquisition, K.S.Y. and H.L. All authors have read and agreed to the published version of the manuscript.

Funding

This work was supported in part by a National Research Foundation of Korea (NRF) grant funded by the Korean government (MSIT) (2022R1F1A1069055), in part by the MSIT (Ministry of Science and ICT), Korea, under the Innovative Human Resource Development for Local Intellectualization support program (IITP-2023-RS-2023-00259678) supervised by the IITP (Institute for Information and Communications Technology Planning and Evaluation), in part by an Institute of Information and Communications Technology Planning and Evaluation (IITP) grant funded by the Korean government (MSIT) (No.RS-2022-00155915, Artificial Intelligence Convergence Innovation Human Resources Development (Inha University)), and in part by an Inha University Research Grant. MPW and Cadence design tools were supported by IDEC.

Institutional Review Board Statement

Not applicable.

Informed Consent Statement

Not applicable.

Data Availability Statement

The data present in this study are available on request from the corresponding author.

Conflicts of Interest

The authors declare no conflicts of interest. The funders had no role in the design of the study; in the collection, analyses, or interpretation of data; in the writing of the manuscript; or in the decision to publish the results.

Abbreviations

The following abbreviations are used in this manuscript:
SARSuccessive Approximation Register
ADCAnalog to Digital Converter
CMOSComplementary Metal Oxide Semiconductor
INLIntegral Non-Linearity
DNLDifferential Non-Linearity
LSBLeast Significant Bit
ENoBEffective Number of Bits
FFTFast Fourier Transform
FoMFigure of Merit
EEGElectroencephalography
ECGElectrocardiography
EMGElectromyography
TS SSTwo-Step Single-Slope
R-DACResistor Digital to Analog Converter
C-DACCapacitor Digital to Analog Converter
RFIDRadio-Frequency Identification
CLKClock Signal
RSTReset Signal
CALCalibration Signal
COMPComparator Signal
PCBPrinted Circuit Board
AVDDAnalog Power Supply Voltage
AVSSAnalog Ground
DVDDDigital Power Supply Voltage
DVSSDigital Ground
VCMCommon-Mode Voltage
SNDRSignal-to-Noise Distortion Ratio

References

  1. Somappa, L.; Baghini, M.S. Continuous-Time Hybrid ΔΣ Modulators for Sub-μW Power Multichannel Biomedical Applications. IEEE Trans. Large Scale Integr. (VLSI) Syst. 2022, 30, 406–417. [Google Scholar] [CrossRef]
  2. Zhou, X.; Gui, X.; Gusev, M.; Ackovska, N.; Zhang, Y.; Geng, L. A 12-Bit 20-kS/s 640-nW SAR ADC with a VCDL-based Open-loop Time-Domain Comparator. IEEE Trans. Circuits Syst. II Express Briefs 2021, 69, 359–363. [Google Scholar] [CrossRef]
  3. Vafaei, M.; Hosseini, M.; Abiri, E.; Salehi, M. A 0.2-V 1.2 nW 1-KS/s SAR ADC with a Novel comparator structure for biomedical applications. Integration 2023, 88, 362–370. [Google Scholar] [CrossRef]
  4. Mao, W.; Li, Y.; Heng, C.H.; Lian, Y. A Low Power 12-Bit 1-kS/s SAR ADC for Biomedical Signal Processing. IEEE Trans. Circuits Syst. I Regul. Pap. 2018, 66, 477–488. [Google Scholar] [CrossRef]
  5. Zhang, Z.; Yu, Q.; Li, J.; Wang, X.Z.; Ning, N. A 12-Bit Dynamic Tracking Algorithm-Based SAR ADC with Real-Time QRS Detection. IEEE Trans. Circuits Syst. I Regul. Pap. 2020, 67, 2923–2933. [Google Scholar] [CrossRef]
  6. Lee, W.E.; Lin, T.H. A 0.6-V 12-Bit Set-and-Down SAR ADC with a DAC-Based Bypass Window Switching Method. IEEE Trans. Circuits Syst. II Express Briefs 2023, 70, 3223–3227. [Google Scholar] [CrossRef]
  7. Song, Z.; Ma, Z.H.; Yao, Y.; Zou, R.f.; Hu, J.G. A ENOB 10.3 bit, 103 μW ON-CHIP CALIBRATION SAR ADC. J. Phys. Conf. Ser. 2023, 2524, 012019. [Google Scholar] [CrossRef]
  8. Zhang, Q.; Ning, N.; Zhang, Z.; Li, J.; Wu, K.; Yu, Q. A 12-Bit Two-Step Single-Slope ADC with a Constant Input-Common-Mode Level Resistor Ramp Generator. IEEE Trans. Large Scale Integr. (VLSI) Syst. 2022, 30, 644–655. [Google Scholar] [CrossRef]
  9. De Venuto, D.; Castro, D.T.; Ponomarev, Y.; Stikvoort, E. 0.8 μW 12-bit SAR ADC Sensors Interface for RFID Applications. Microelectron. J. 2010, 41, 746–751. [Google Scholar] [CrossRef]
  10. Ding, M.; Harpe, P.; Chen, G.; Busze, B.; Liu, Y.H.; Bachmann, C.; Philips, K.; van Roermund, A. A Hybrid Design Automation Tool for SAR ADCs in IoT. IEEE Trans. Large Scale Integr. (VLSI) Syst. 2018, 26, 2853–2862. [Google Scholar] [CrossRef]
  11. Yang, S.; Zhang, H.; Fu, W.; Yi, T.; Hong, Z. A Low Power 12-bit 200-kS/s SAR ADC with a Differential Time Domain Comparator. J. Semicond. 2011, 32, 035002. [Google Scholar] [CrossRef]
  12. Brenna, S.; Bonfanti, A.; Lacaita, A.L. A 70.7-dB SNDR 100-kS/s 14-b SAR ADC with Attenuation Capacitance Calibration in 0.35-μm CMOS. Analog Integr. Circuits Signal Process. 2016, 89, 357–371. [Google Scholar] [CrossRef]
  13. Chung, Y.H.; Zeng, Q.F.; Lin, Y.S. A 12-bit SAR ADC with a DAC-Configurable Window Switching Scheme. IEEE Trans. Circuits Syst. I Regul. Pap. 2020, 67, 358–368. [Google Scholar] [CrossRef]
  14. Zhang, D.; Alvandpour, A. A 12.5-ENOB 10-kS/s Redundant SAR ADC in 65-nm CMOS. IEEE Trans. Circuits Syst. II Express Briefs 2016, 63, 244–248. [Google Scholar] [CrossRef]
  15. Zhang, H.; Tan, Z.; Chu, C.; Chen, B.; Li, H.; Coln, M.; Nguyen, K. A 1-V 560-nW SAR ADC with 90-dB SNDR for IoT Sensing Applications. IEEE Trans. Circuits Syst. II Express Briefs 2019, 66, 1967–1971. [Google Scholar] [CrossRef]
  16. Joshi, A.; Shrimali, H.; Sharma, S.K. Digitally Assisted Secondary Switch-and-Compare Technique for a SAR ADC. IEEE Trans. Circuits Syst. II Express Briefs 2021, 68, 2317–2321. [Google Scholar] [CrossRef]
  17. Hsieh, S.E.; Kao, C.C.; Hsieh, C.C. A 0.5-V 12-bit SAR ADC Using Adaptive Time-Domain Comparator with Noise Optimization. IEEE J. Solid-State Circuits 2018, 53, 2763–2771. [Google Scholar] [CrossRef]
  18. Harpe, P.; Cantatore, E.; van Roermund, A. A 10b/12b 40 kS/s SAR ADC with Data-Driven Noise Reduction Achieving up to 10.1b ENOB at 2.2 fJ/Conversion-Step. IEEE J. Solid-State Circuits 2013, 48, 3011–3018. [Google Scholar] [CrossRef]
  19. Jo, Y.J.; Kim, J.E.; Baek, K.H.; Kim, T.T.H. A 0.007 mm2 0.6 V 6 MS/s Low-Power Double Rail-to-Rail SAR ADC in 65-nm CMOS. IEEE Trans. Circuits Syst. II Express Briefs 2021, 68, 3088–3092. [Google Scholar] [CrossRef]
  20. Hou, Y.; Qu, J.; Tian, Z.; Atef, M.; Yousef, K.; Lian, Y.; Wang, G. A 61-nW Level-Crossing ADC with Adaptive Sampling for Biomedical Applications. IEEE Trans. Circuits Syst. II Express Briefs 2019, 66, 56–60. [Google Scholar] [CrossRef]
  21. Wang, J.; Zhu, Z. A 0.6-V 9-bit 1-MS/s Charging Sharing SAR ADC with Judging-Window Switching Logic and Independent Reset Comparator for Power-Effective Applications. IEEE Trans. Circuits Syst. II Express Briefs 2020, 67, 1750–1754. [Google Scholar] [CrossRef]
  22. Jung, D.K.; Seong, K.; Han, J.S.; Shim, Y.; Baek, K.H. A 0.5 V 10 b 3 MS/s 2-Then-1b/Cycle SAR ADC with Digital-Based Time-Domain Reference and Dual-Mode Comparator. IEEE Trans. Circuits Syst. II Express Briefs 2022, 69, 909–913. [Google Scholar] [CrossRef]
  23. Song, J.; Jun, J.; Kim, C. A 0.5 V 10-bit 3 MS/s SAR ADC with Adaptive-Reset Switching Scheme and Near-Threshold Voltage-Optimized Design Technique. IEEE Trans. Circuits Syst. II Express Briefs 2020, 67, 1184–1188. [Google Scholar] [CrossRef]
  24. Yoshioka, K. VCO-Based Comparator: A Fully Adaptive Noise Scaling Comparator for High-Precision and Low-Power SAR ADCs. IEEE Trans. Large Scale Integr. (VLSI) Syst. 2021, 29, 2143–2152. [Google Scholar] [CrossRef]
  25. Chen, Y.; Zhu, X.; Tamura, H.; Kibune, M.; Tomita, Y.; Hamada, T.; Yoshioka, M.; Ishikawa, K.; Takayama, T.; Ogawa, J.; et al. Split Capacitor DAC Mismatch Calibration in Successive Approximation ADC. IEICE Trans. Electron. 2010, 93, 295–302. [Google Scholar] [CrossRef]
Figure 1. Block diagram of the proposed 12-bit SAR ADC with split capacitor calibration based on a binary search algorithm.
Figure 1. Block diagram of the proposed 12-bit SAR ADC with split capacitor calibration based on a binary search algorithm.
Electronics 13 00414 g001
Figure 2. Comparison of total calibration capacitors of binary and linear search techniques.
Figure 2. Comparison of total calibration capacitors of binary and linear search techniques.
Electronics 13 00414 g002
Figure 3. Flowchart of the calibration algorithm based on the binary search technique. * VOUT P = α + 65 α + 63 VCM and * * VOUT N = 3 α + 61 α + 63 VCM .
Figure 3. Flowchart of the calibration algorithm based on the binary search technique. * VOUT P = α + 65 α + 63 VCM and * * VOUT N = 3 α + 61 α + 63 VCM .
Electronics 13 00414 g003
Figure 4. Timing diagram of calibration logic.
Figure 4. Timing diagram of calibration logic.
Electronics 13 00414 g004
Figure 5. C-DAC circuit during the 1st CLK of the first-phase calibration.
Figure 5. C-DAC circuit during the 1st CLK of the first-phase calibration.
Electronics 13 00414 g005
Figure 6. C-DAC circuit during the 2nd CLK of the first-phase calibration.
Figure 6. C-DAC circuit during the 2nd CLK of the first-phase calibration.
Electronics 13 00414 g006
Figure 7. Split capacitor array in the first-phase calibration with CAL4 = 1.
Figure 7. Split capacitor array in the first-phase calibration with CAL4 = 1.
Electronics 13 00414 g007
Figure 8. Two possible statuses of split capacitor array C B , N , depending on VOUT P and VOUT N .
Figure 8. Two possible statuses of split capacitor array C B , N , depending on VOUT P and VOUT N .
Electronics 13 00414 g008
Figure 9. Block diagram of calibration switch control logic.
Figure 9. Block diagram of calibration switch control logic.
Electronics 13 00414 g009
Figure 10. Circuit diagram of the calibration logic.
Figure 10. Circuit diagram of the calibration logic.
Electronics 13 00414 g010
Figure 11. Circuit diagram of (a) 2-CLK divider and (b) multiplexer to control the switch with VOUT P and VOUT N signals.
Figure 11. Circuit diagram of (a) 2-CLK divider and (b) multiplexer to control the switch with VOUT P and VOUT N signals.
Electronics 13 00414 g011
Figure 12. Plot of process variation calibration range of the split capacitor C B , N .
Figure 12. Plot of process variation calibration range of the split capacitor C B , N .
Electronics 13 00414 g012
Figure 13. Plot of ENoB distribution curve for before and after calibration in the Monte Carlo simulation.
Figure 13. Plot of ENoB distribution curve for before and after calibration in the Monte Carlo simulation.
Electronics 13 00414 g013
Figure 14. Chip photograph of the proposed SAR ADC.
Figure 14. Chip photograph of the proposed SAR ADC.
Electronics 13 00414 g014
Figure 15. Photograph of the proposed ADC Chip on PCB.
Figure 15. Photograph of the proposed ADC Chip on PCB.
Electronics 13 00414 g015
Figure 16. Measured waveforms of the CLK, RST, CAL_DONE, and P L , P M signals.
Figure 16. Measured waveforms of the CLK, RST, CAL_DONE, and P L , P M signals.
Electronics 13 00414 g016
Figure 17. Measured waveforms of the RST and COMP signals.
Figure 17. Measured waveforms of the RST and COMP signals.
Electronics 13 00414 g017
Figure 18. Plot of linearity before calibration of (a) DNL and (b) INL.
Figure 18. Plot of linearity before calibration of (a) DNL and (b) INL.
Electronics 13 00414 g018
Figure 19. Plot of linearity after calibration of (a) DNL and (b) INL.
Figure 19. Plot of linearity after calibration of (a) DNL and (b) INL.
Electronics 13 00414 g019
Figure 20. FFT measurement result before calibration.
Figure 20. FFT measurement result before calibration.
Electronics 13 00414 g020
Figure 21. FFT measurement result after calibration.
Figure 21. FFT measurement result after calibration.
Electronics 13 00414 g021
Figure 22. Plot of ENoB as a function of clock frequency f in = 1 kHz .
Figure 22. Plot of ENoB as a function of clock frequency f in = 1 kHz .
Electronics 13 00414 g022
Figure 23. Plot of ENoB as a function of input frequency f sample = 454 kS / s .
Figure 23. Plot of ENoB as a function of input frequency f sample = 454 kS / s .
Electronics 13 00414 g023
Table 1. The operational table of the binary search calibration algorithm in terms of CAL[4:1], COMP, C B , N , and calibration times (t1∼t4).
Table 1. The operational table of the binary search calibration algorithm in terms of CAL[4:1], COMP, C B , N , and calibration times (t1∼t4).
t 1 t 2 t 3 t 4
CAL 4 1000
CAL 3 0111
CAL 2 0010
CAL 1 0001
COMP 0101
C B , N 4 C min 2 C min 3 C min 5 2 C min
Table 2. Performance comparison of the proposed ADC.
Table 2. Performance comparison of the proposed ADC.
[7][8][9][10][11][12]This Work
Process 180 nm 130 nm 140 nm 40 nm 180 nm 350 nm 28 nm
ArchitectureSARTS SSSARSARSARSARSAR
Resolution [bit]12121212121412
Supply voltage [V]1.2 3.3 / 1.2 1.21.01.81.81.0
Sampling rate 1 M 100 k 6.25 k 1 M 200 k 100 k 454 k
Calibrationafterbeforeafter X X X beforeafterbeforeafter
ENoB [bit]10.36.29.89.79.99.59.011.59.510.3
DNL [bit]N/A 1 / 1.4 1 / 0.8 1 / 1.4 1 / 1.6 1 / 1.3 1 / 9 1 / 1 1.4 / 1.5 0.7 / 0.7
INL [bit]N/A 51 / 42.3 3.3 / 4.8 3 / 3 2.6 / 4.3 3.45 / 3.6 18 / 18 2.6 / 2.1 2.7 / 2.5 1.8 / 1.7
Power [W] 103 u 62 u 0.8 u 16.7 u 72 u 43.4 u 30.7 u
FoM * [ fJ / step ] 81.76966618.147715553.7
* FoM = [Power] / ( 2 [ ENoB ] × [Sampling rate]).
Disclaimer/Publisher’s Note: The statements, opinions and data contained in all publications are solely those of the individual author(s) and contributor(s) and not of MDPI and/or the editor(s). MDPI and/or the editor(s) disclaim responsibility for any injury to people or property resulting from any ideas, methods, instructions or products referred to in the content.

Share and Cite

MDPI and ACS Style

Yang, J.-I.; Yoon, K.S.; Lim, H. A 12-Bit SAR ADC with Binary Search Calibration Algorithm for a Split Capacitor. Electronics 2024, 13, 414. https://doi.org/10.3390/electronics13020414

AMA Style

Yang J-I, Yoon KS, Lim H. A 12-Bit SAR ADC with Binary Search Calibration Algorithm for a Split Capacitor. Electronics. 2024; 13(2):414. https://doi.org/10.3390/electronics13020414

Chicago/Turabian Style

Yang, Je-I, Kwang Sub Yoon, and Hongki Lim. 2024. "A 12-Bit SAR ADC with Binary Search Calibration Algorithm for a Split Capacitor" Electronics 13, no. 2: 414. https://doi.org/10.3390/electronics13020414

APA Style

Yang, J.-I., Yoon, K. S., & Lim, H. (2024). A 12-Bit SAR ADC with Binary Search Calibration Algorithm for a Split Capacitor. Electronics, 13(2), 414. https://doi.org/10.3390/electronics13020414

Note that from the first issue of 2016, this journal uses article numbers instead of page numbers. See further details here.

Article Metrics

Back to TopTop