Operation and Coordinated Energy Management in Multi-Microgrids for Improved and Resilient Distributed Energy Resource Integration in Power Systems
Abstract
1. Introduction
- The networked microgrid was studied and tested under different scenarios in both simulation and experiment.
- The development and experimental testing of an energy management system to maintain a networked microgrid’s continuous operation under various renewable energy and load conditions, depending on which energy devices are available and how much power the load needs.
- The proposed system architecture provides high performance against pulse loads and variable loads.
2. System Architecture and Modeling
2.1. Proposed Multi-Microgrid System Structure
2.2. Microgrid System
2.2.1. PV System Model
2.2.2. Battery System Model
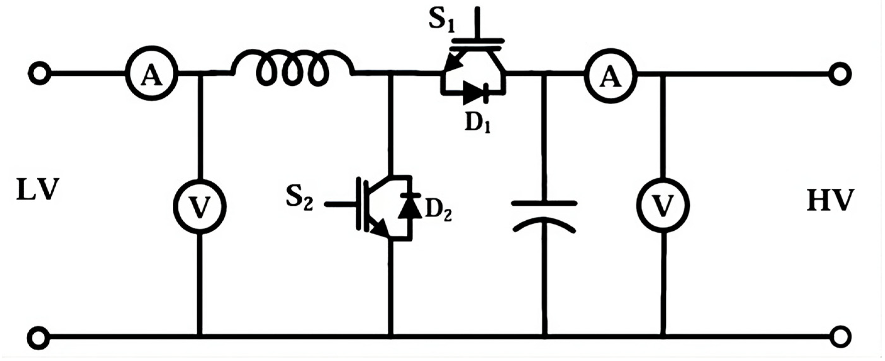
2.2.3. Bidirectional DC-DC Converter
2.2.4. Microgrid Energy Management System
| Algorithm 1: Microgrid EMS |
| Initialize Pres (Power Gen), Pload (Load Demand) |
| Calculate NetExtra = Pres − Pload |
| If NetExtra > 0: |
| Calculate Charge = min(NetExtra, ESS Capacity) |
| Charge ESS with Calculated energy |
| If NetExtra < 0 |
| Calculate Discharge = min(-NetExtra, ESS Capacity) |
| Discharge ESS to meet load demand |
| Calculate Pavai considering ESS charge or discharge |
| End |
2.3. Multi-Microgrid Operation
- Mode 1: When the generated power from the microgrids’ PV systems surpasses the local load demand of the two microgrids, resulting in a positive net generation, the system initiates Mode 1. Within this mode, it delves into each microgrid’s internal generation and load profiles. A positive balance within a microgrid ensures that each load receives the required power, and any remaining surplus is sent into the energy storage system (ESS). If there is still an excess of power after ESS charging, the PV systems transition into a Proportional-Integral (PI) control mode instead of Maximum Power Point Tracking (MPPT).
- Mode 2: When the generated power from the microgrids’ PV systems falls short of meeting the local load demand of the two microgrids, resulting in a negative net generation, Mode 2 is activated. Within this mode, the system carefully evaluates Microgrid 1 and Microgrid 2. If one microgrid experiences a positive balance of generation and load, it shares power resources with the other microgrid, helping it meet its demand. However, if both microgrids are in deficit, the system initiates the disconnection of a secondary load in Microgrid 2 to restore power balance and ensure system stability.
- Mode 3: In this mode, when the generated power from the microgrids’ PV systems exceeds the local load demand plus the external load of the two microgrids, the system optimally allocates power resources. It first evaluates the power generation and local load within each microgrid, ensuring that excess power, if any, is appropriately distributed to meet local load requirements. Any surplus energy beyond local needs is then directed to supply the external load. The power source in this mode is a combination of PV and energy storage systems (ESSs), allowing for efficient energy sharing and utilization.
- Mode 4: When the generated power from the microgrids’ PV systems falls short of meeting the local load and external load demands for the two microgrids, the system employs a strategy to balance the power deficit. It assesses each microgrid’s generation and load profiles, identifying which has a surplus and which faces a deficit. If one microgrid generates excess power, it shares it with the other microgrid to support its load demands, including the external load. In cases where both microgrids experience power deficits, the system initiates the disconnection of a secondary load in Microgrid 2 to ensure that the power supply remains stable.
3. Simulation and Operation Results
Simulation Results
- ➢
- External Pulse load connected:
- ➢
- External variable load connected
- ➢
- Generation deficit
4. Hardware and Experimental Test Results
4.1. Experimental Setup
4.2. Scenario 1: External Pulse Load
4.3. Scenario 2: External Variable Load
4.4. Scenario 3: Generation Deficit
5. Conclusions
Author Contributions
Funding
Data Availability Statement
Conflicts of Interest
References
- Mo, X.; Zhu, J.; Chen, J.; Guo, Y.; Xia, Y.; Liu, M. A Stochastic Spatiotemporal Decomposition Decision-Making Approach for Real-Time Dynamic Energy Management of Multi-Microgrids. IEEE Trans. Sustain. Energy 2020, 12, 821–833. [Google Scholar] [CrossRef]
- Liu, Y.; Gooi, H.B.; Li, Y.; Xin, H.; Ye, J. A secure distributed transactive energy management scheme for multiple interconnected microgrids considering misbehaviors. IEEE Trans. Smart Grid 2019, 10, 5975–5986. [Google Scholar] [CrossRef]
- Peddakapu, K.; Srinivasarao, P.; Mohamed, M.R.; Arya, Y.; Kishore, D.J.K. Stabilization of frequency in Multi-Microgrid system using barnacle mating Optimizer-based cascade controllers. Sustain. Energy Technol. Assess. 2022, 54, 102823. [Google Scholar] [CrossRef]
- Karimi, H.; Jadid, S.; Makui, A. Stochastic energy scheduling of multi-microgrid systems considering independence performance index and energy storage systems. J. Energy Storage 2021, 33, 102083. [Google Scholar] [CrossRef]
- Chi, Y.; Xu, Y.; Hu, C.; Feng, S. A State-of-the-Art Literature Survey of Power Distribution System Resilience Assessment. In Proceedings of the 2018 IEEE Power & Energy Society General Meeting (PESGM), Portland, OR, USA, 5–10 August 2018. [Google Scholar]
- Saeed, M.H.; Fangzong, W.; Kalwar, B.A.; Iqbal, S. A Review on Microgrids’ Challenges Perspectives. IEEE Access 2021, 9, 166502–166517. [Google Scholar] [CrossRef]
- Vafamand, N.; Mardani, M.M.; Khooban, M.H.; Blaabjerg, F.; Boudjadar, J. Pulsed power load effect mitigation in DC shipboard microgrids: A constrained modelpredictive approach. IET Power Electron. 2019, 12, 2155–2160. [Google Scholar] [CrossRef]
- Aghmadi, A.; Hussein, H.; Polara, K.H.; Mohammed, O. A Comprehensive Review of Architecture, Communication, and Cybersecurity in Networked Microgrid Systems. Inventions 2023, 8, 84. [Google Scholar] [CrossRef]
- Horowitz, K.A.; Peterson, Z.; Coddington, M.; Ding, F.; Sigrin, B.; Saleem, D.; Baldwin, S.; Lydic, B.; Stanfield, S.; Enbar, N.; et al. An Overview of Distributed Energy Resource (DER) Interconnection: Current Practices and Emerging Solutions. 2019. Available online: www.nrel.gov/publications (accessed on 2 October 2023).
- Bullich-Massagué, E.; Díaz-González, F.; Aragüés-Peñalba, M.; Girbau-Llistuella, F.; Olivella-Rosell, P.; Sumper, A. Microgrid clustering architectures. Appl. Energy 2018, 212, 340–361. [Google Scholar] [CrossRef]
- Kou, P.; Liang, D.; Gao, L. Distributed EMPC of multiple microgrids for coordinated stochastic energy management. Appl. Energy 2017, 185, 939–952. [Google Scholar] [CrossRef]
- Moghateli, F.; Taher, S.A.; Karimi, A.; Shahidehpour, M. Multi-objective design method for construction of multi-microgrid systems in active distribution networks. IET Smart Grid 2020, 3, 331–341. [Google Scholar] [CrossRef]
- Babaiahgari, B.; Jeong, Y.; Park, J.-D. Stability Analysis for Interconnected DC Microgrids with Constant Power Loads. In Proceedings of the 2019 IEEE Energy Conversion Congress and Exposition (ECCE), Baltimore, MD, USA, 29 September–3 October 2019. [Google Scholar]
- Zhang, B.; Li, Q.; Wang, L.; Feng, W. Robust optimization for energy transactions in multi-microgrids under uncertainty. Appl. Energy 2018, 217, 346–360. [Google Scholar] [CrossRef]
- Arefifar, S.A.; Ordonez, M.; Mohamed, Y.A.R.I. Energy Management in Multi-Microgrid Systems—Development and Assessment. IEEE Trans. Power Syst. 2016, 32, 910–922. [Google Scholar] [CrossRef]
- Gao, H.; Liu, J.; Wang, L.; Wei, Z. Decentralized Energy Management for Networked Microgrids in Future Distribution Systems. IEEE Trans. Power Syst. 2018, 33, 3599–3610. [Google Scholar] [CrossRef]
- Arefifar, S.A.; Mohamed, Y.A.R.I.; El-Fouly, T. Optimized multiple microgrid-based clustering of active distribution systems considering communication and control requirements. IEEE Trans. Ind. Electron. 2015, 62, 711–723. [Google Scholar] [CrossRef]
- Jiang, W.; Yang, K.; Yang, J.; Mao, R.; Xue, N.; Zhuo, Z. A Multiagent-Based Hierarchical Energy Management Strategy for Maximization of Renewable Energy Consumption in Interconnected Multi-Microgrids. IEEE Access 2019, 7, 169931–169945. [Google Scholar] [CrossRef]
- Wang, Z.; Chen, B.; Wang, J.; Kim, J. Decentralized Energy Management System for Networked Microgrids in Grid-Connected and Islanded Modes. IEEE Trans. Smart Grid 2015, 7, 1097–1105. [Google Scholar] [CrossRef]
- Zhao, B.; Wang, X.; Lin, D.; Calvin, M.M.; Morgan, J.C.; Qin, R.; Wang, C. Energy management of multiple microgrids based on a system of systems architecture. IEEE Trans. Power Syst. 2018, 33, 6410–6421. [Google Scholar] [CrossRef]
- Toutounchi, A.N.; Seyedshenava, S.; Contreras, J.; Akbarimajd, A. A Stochastic Bilevel Model to Manage Active Distribution Networks with Multi-Microgrids. IEEE Syst. J. 2019, 13, 4190–4199. [Google Scholar] [CrossRef]
- Ahsan, M.B.F.; Mekhilef, S.; Soon, T.K.; Mubin, M.B.; Shrivastava, P.; Seyedmahmoudian, M. Lithium-ion battery and supercapacitor-based hybrid energy storage system for electric vehicle applications: A review. Int. J. Energy Res. 2022, 46, 19826–19854. [Google Scholar] [CrossRef]
- Farhadi, M.; Mohammed, O.A. Performance Enhancement of Actively Controlled Hybrid DC Microgrid Incorporating Pulsed Load. IEEE Trans. Ind. Appl. 2015, 51, 3570–3578. [Google Scholar] [CrossRef]
- Crider, J.M.; Sudhoff, S.D. Reducing impact of pulsed power loads on microgrid power systems. IEEE Trans. Smart Grid 2010, 1, 270–277. [Google Scholar] [CrossRef]
- Mohamed, A.; Salehi, V.; Mohammed, O. Real-time energy management algorithm for mitigation of pulse loads in hybrid microgrids. IEEE Trans. Smart Grid 2012, 3, 1911–1922. [Google Scholar] [CrossRef]
- Farhadi, M.; Mazloomzadeh, A.; Mohammed, O. Comparative Analysis of Energy Control Techniques for DC Microgrid and Pulsed Power Load Applications. In Proceedings of the IECON 2014—40th Annual Conference of the IEEE Industrial Electronics Society, Dallas, TX, USA, 29 October–1 November 2014. [Google Scholar]
- Farhadi, M.; Mohammed, O. Adaptive energy management in redundant hybrid DC microgrid for pulse load mitigation. IEEE Trans. Smart Grid 2015, 6, 54–62. [Google Scholar] [CrossRef]
- Sun, L.; Huang, W.; Li, R.; Gao, F.; Tai, N.; Yu, M. Capacity and Volume Balance of Buffering Converters for the Marine Pulsed Power System. IEEE Trans. Ind. Electron. 2022, 70, 322–333. [Google Scholar] [CrossRef]
- Gao, P.; Li, Y.; Huang, M.; Yao, W.; Zheng, X.; Zhang, C. An Energy Storage Equipment Sizing Process Based on Static and Dynamic Characteristics for Pulsed Power Load in Airborne Electrical Power System. IEEE Trans. Transp. Electrif. 2023; Early Access. [Google Scholar] [CrossRef]
- Jones, A.D.; Underwood, C.P. A Thermal Model For Photovoltaic Systems. 2001. Available online: www.elsevier.com/locate/solener (accessed on 5 October 2023).
- Sachs, J.; Sawodny, O. A Two-Stage Model Predictive Control Strategy for Economic Diesel-PV-Battery Island Microgrid Operation in Rural Areas. IEEE Trans. Sustain. Energy 2016, 7, 903–913. [Google Scholar] [CrossRef]
- Tremblay, O.; Dessaint, L.-A.; Dekkiche, A.-I. A Generic Battery Model for the Dynamic Simulation of Hybrid Electric Vehicles. In Proceedings of the 2007 IEEE Vehicle Power and Propulsion Conference, Arlington, TX, USA, 9–12 September 2007. [Google Scholar]













| Aspect | Conventional Power Grid | Single Microgrid | Multi-Microgrid |
|---|---|---|---|
| Power Distribution | Centralized to a large region | Localized to a specific area | Efficient across linked microgrids |
| Resilience | Robust but vulnerable to outages | Susceptible to single failures | Resilient to local disturbances |
| Flexibility | Centralized control and limited adaptability | Limited flexibility | Balances loads across microgrids |
| Control and Monitoring | Centralized control with extensive infrastructure | Essential for stability | Requires comprehensive monitoring |
| Handling Pulse Loads | May experiences stability issues with high-intensity pulse loads | May face challenges due to sudden load changes | Adapts well to dynamic changes |
| Environmental Impact | May have higher environmental impact, especially with non-renewable sources | Impact depends on local resources | Potentially lower impact due to efficient use of local renewables |
Disclaimer/Publisher’s Note: The statements, opinions and data contained in all publications are solely those of the individual author(s) and contributor(s) and not of MDPI and/or the editor(s). MDPI and/or the editor(s) disclaim responsibility for any injury to people or property resulting from any ideas, methods, instructions or products referred to in the content. |
© 2024 by the authors. Licensee MDPI, Basel, Switzerland. This article is an open access article distributed under the terms and conditions of the Creative Commons Attribution (CC BY) license (https://creativecommons.org/licenses/by/4.0/).
Share and Cite
Aghmadi, A.; Mohammed, O.A. Operation and Coordinated Energy Management in Multi-Microgrids for Improved and Resilient Distributed Energy Resource Integration in Power Systems. Electronics 2024, 13, 358. https://doi.org/10.3390/electronics13020358
Aghmadi A, Mohammed OA. Operation and Coordinated Energy Management in Multi-Microgrids for Improved and Resilient Distributed Energy Resource Integration in Power Systems. Electronics. 2024; 13(2):358. https://doi.org/10.3390/electronics13020358
Chicago/Turabian StyleAghmadi, Ahmed, and Osama A. Mohammed. 2024. "Operation and Coordinated Energy Management in Multi-Microgrids for Improved and Resilient Distributed Energy Resource Integration in Power Systems" Electronics 13, no. 2: 358. https://doi.org/10.3390/electronics13020358
APA StyleAghmadi, A., & Mohammed, O. A. (2024). Operation and Coordinated Energy Management in Multi-Microgrids for Improved and Resilient Distributed Energy Resource Integration in Power Systems. Electronics, 13(2), 358. https://doi.org/10.3390/electronics13020358
