Innovative Method for Reliability Assessment of Power Systems: From Components Modeling to Key Indicators Evaluation
Abstract
1. Introduction
1.1. State of the Art
1.2. Aim of the Work
- The development of a unique RPM customizable for different systems typologies;
- The inclusion of specific operative environment and stressing agents (salt, solar radiation, etc.) in the proposed RPM;
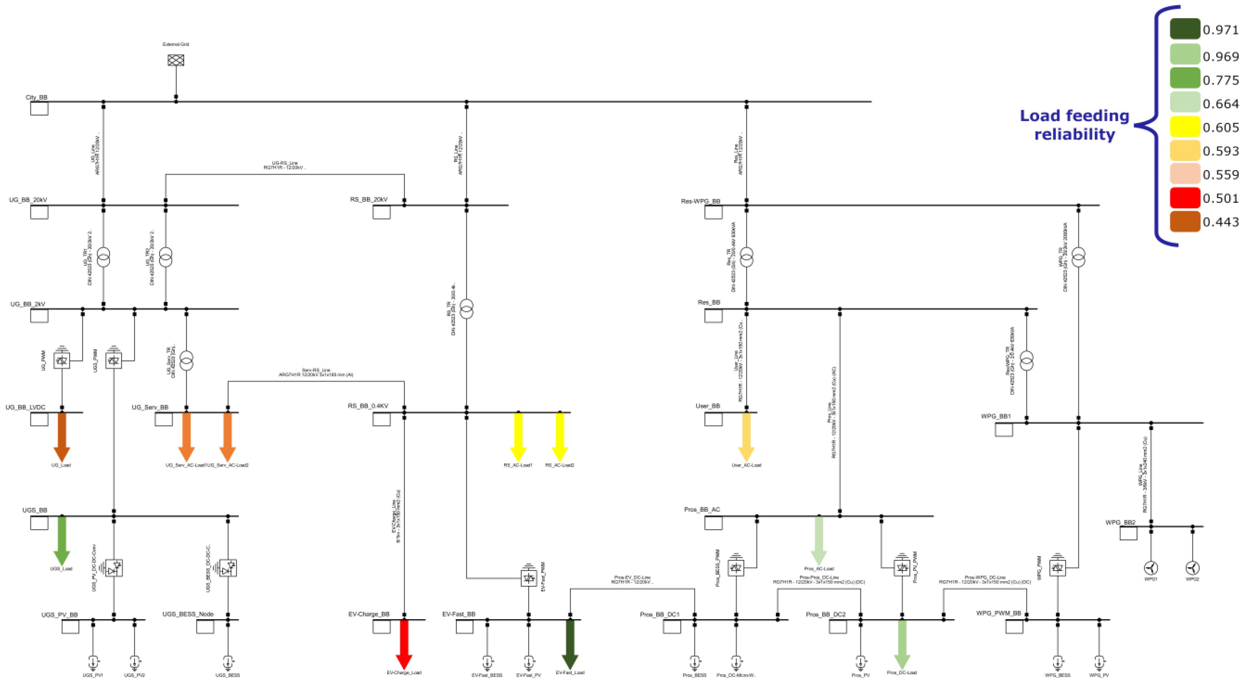
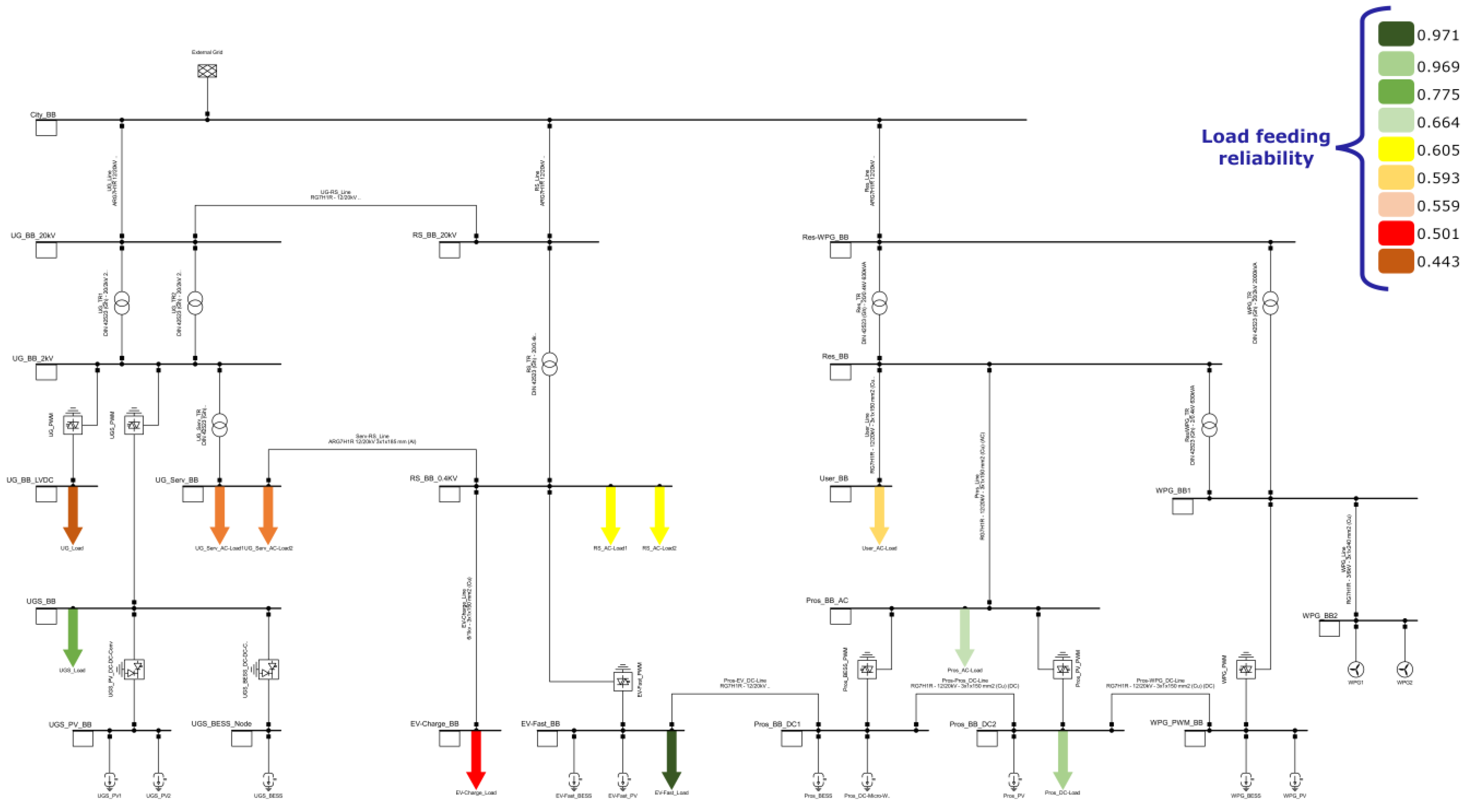
- The proposal and calculation of the “load feeding reliability” index for each consuming unit of the power system under investigation.
2. Reliability Models of Power Systems Components
2.1. Reliability Model
2.1.1. Thermal Stress πS
- T is the thermal constant;
- t is the mission time;
- Δθss is the steady state temperature rise.
- is the heat flow rate due to the solar radiation on the specific device/system;
- is the heat generation rate in the system/line due to power losses;
- is the dissipated heat flow rate;
- is the heat accumulation rate in the device/system, responsible for the temperature increasing.
- Nannual_cycl is the number of thermal cycles in an annual time interval;
- tannual is the annual number of hours;
- mB is the fatigue coefficient [5];
- ΔTcycl is the maximum thermal cycle amplitude (°K);
- Tmax_cycl is the maximum temperature in thermal cycles (°K);
- T0 is the reference temperature value (°K);
- ΔT0 is the reference thermal range (°K).
2.1.2. Environmental Stress πE
2.1.3. Quality Stress πQ
2.1.4. Aging Phenomena λwear_out
- β is the shape factor;
- α is the scale factor defined as the time at which 63.2% of components have failed.
2.1.5. Failure Rate λ and Mean Time between Failure
2.2. Overhead Distribution Line Reliability Model
2.3. Power Transformer Reliability Model
- ISn is the nominal secondary current;
- VSn is the nominal secondary voltage.
- BT is a constant [20];
- T1 is the temperature value at t1;
- T2 is the temperature value at t2.
2.4. Circuit Breaker Reliability Model
- λw_cond is the wear-out failure rate for CB conductors;
- λw_ins is the wear-out failure rate for CB insulators;
- λw_cool is the wear-out failure rate for the CB cooling medium;
- λw_cont is the wear-out failure rate for the CB moving contact.
2.5. DC/AC and DC/DC Converters Reliability Model
2.6. Renewables Plants Reliability Model
- PV generators can be onboard-equipped with Distributed Maximum Power Point Tracking (DMPPT) converters;
- The operating temperature of DMPPT converters depends on the weather and climatic conditions of the installation site, on the location on the back of the PV module and on their functioning conditions.

3. Benchmark Synthetic Grid and Reliability Indices
- A residential area;
- An underground transportation area;
- Electric vehicle charging (EVC) stations and a public lighting (road service) area;
- A wind generation area.
4. Reliability Assessment Results
- Failure rates, MTBFs for each grid device/system;
- Load feeding reliability evaluation for each grid consumption unit;
- Grid systemic reliability indices (SAIDI; SAIFI; etc).
5. Conclusions
- (i)
- The developed RPM can be applied to power transformers, overhead lines, interfacing power converters (DC/AC and AC/DC ones) and renewable plants;
- (ii)
- Introduced operative environment and stressing agents (salt, solar radiation, etc.) permit us to accurately take into account actual factors impacting on each component/system.
- (iii)
- The “load feeding reliability” index, calculated for each consuming unit of the power system under investigation, provides meaningful information in terms of unreliable supply paths. The identification of this issue can support TSO, DSO and prosumers to improve generation path reliability (for instance, adopting redundant solutions to avoid supply interruption).
Author Contributions
Funding
Data Availability Statement
Conflicts of Interest
References
- Porsinger, T.; Janik, P.; Leonowicz, Z.; Gono, R. Modelling and Optimization in Microgrids. Energies 2017, 10, 523. [Google Scholar] [CrossRef]
- Yang, Z.; Han, J.; Wang, C.; Li, L.; Li, M.; Yang, F.; Lei, Y.; Hu, W.; Min, H.; Liu, Y. Emergency Power Supply Restoration Strategy for Distribution Network Considering Support of Microgrids with High-Dimensional Dynamic Correlations. Electronics 2023, 12, 3246. [Google Scholar] [CrossRef]
- USA Department of Defense. MIL-HDBK-217F—Military Handbook—Reliability Prediction of Electronic Equipment; USA Department of Defense: Washington, DC, USA, 1990; ISBN 9150200801.
- Reliability Analysis Center. PRISM & Failure Mode/Mechanical Distribution Document; Reliability Analysis Center: Rome, NY, USA, 1997. [Google Scholar]
- FIDES Group. FIDES Guide 2022—Reliability Methodology for Electronic Systems; FIDES Group: Accra, Ghana, 2022. [Google Scholar]
- Pougnet, P.; Bayle, F.; Maanane, H.; Dahoo, P.R. Reliability Prediction of Embedded Electronic Systems: The FIDES Guide. In Embedded Mechatronic Systems; Elsevier: Amsterdam, The Netherlands, 2019; pp. 189–216. [Google Scholar]
- Charruau, S.; Guerin, F.; Dominguez, J.H.; Berthon, J. Reliability Estimation of Aeronautic Component by Accelerated Tests. Microelectron. Reliab. 2006, 46, 1451–1457. [Google Scholar] [CrossRef]
- Real, D.; Calvo, D.; Musico, P.; Jansweijer, P.; Colonges, S.; van Beveren, V.; Carriò, F.; Pellegrini, G.; Díaz, A.F. Reliability Studies for the White Rabbit Switch in KM3NeT: FIDES and Highly Accelerated Life Tests. J. Instrum. 2020, 15, C02042. [Google Scholar] [CrossRef]
- Yakymets, N.; Adedjouma, M. Model-Based Quantitative Fault Tree Analysis Based on FIDES Reliability Prediction. In Proceedings of the 2020 IEEE International Symposium on Software Reliability Engineering Workshops (ISSREW), Coimbra, Portugal, 12–15 October 2020; IEEE: New York, NY, USA, 2020; pp. 161–162. [Google Scholar]
- Bourbouse, S.; Giraudeau, M.; Briard, H. Adapting FIDES for Reliability Predictions Aimed at Space Applications. In Proceedings of the 2019 Annual Reliability and Maintainability Symposium (RAMS), Orlando, FL, USA, 28–31 January 2019; IEEE: New York, NY, USA, 2019; pp. 1–6. [Google Scholar]
- Prodanov, P.I.; Dankov, D.D.; Madzharov, N.D. Research of Reliability of Power Thyristors Using Methods MIL-HDBK-217F and FIDES. In Proceedings of the 2020 21st International Symposium on Electrical Apparatus & Technologies (SIELA), Bourgas, Bulgaria, 3–6 June 2020; IEEE: New York, NY, USA, 2020; pp. 1–4. [Google Scholar]
- Held, M.; Fritz, K. Comparison and Evaluation of Newest Failure Rate Prediction Models: FIDES and RIAC 217Plus. Microelectron. Reliab. 2009, 49, 967–971. [Google Scholar] [CrossRef]
- Pandian, G.P.; Das, D.; Li, C.; Zio, E.; Pecht, M. A Critique of Reliability Prediction Techniques for Avionics Applications. Chin. J. Aeronaut. 2018, 31, 10–20. [Google Scholar] [CrossRef]
- Vasquez, W.A.; Jayaweera, D.; Jativa-Ibarra, J. Advanced Aging Failure Model for Overhead Conductors. In Proceedings of the 2017 IEEE PES Innovative Smart Grid Technologies Conference Europe (ISGT-Europe), Torino, Italy, 26–29 September 2017; IEEE: New York, NY, USA, 2017; pp. 1–6. [Google Scholar]
- Singh, J.; Sood, Y.R.; Verma, P. The Influence of Service Aging on Transformer Insulating Oil Parameters. IEEE Trans. Dielectr. Electr. Insul. 2012, 19, 421–426. [Google Scholar] [CrossRef]
- Peyghami, S.; Wang, Z.; Blaabjerg, F. A Guideline for Reliability Prediction in Power Electronic Converters. IEEE Trans. Power Electron. 2020, 35, 10958–10968. [Google Scholar] [CrossRef]
- Awadallah, S.K.E.; Milanovic, J.V.; Jarman, P.N. The Influence of Modeling Transformer Age Related Failures on System Reliability. IEEE Trans. Power Syst. 2015, 30, 970–979. [Google Scholar] [CrossRef]
- Adinolfi, G.; Ciavarella, R.; Graditi, G.; Ricca, A.; Valenti, M. A Planning Tool for Reliability Assessment of Overhead Distribution Lines in Hybrid AC/DC Grids. Sustainability 2021, 13, 6099. [Google Scholar] [CrossRef]
- Petrarca, C. II Trasformatore. In Appunti del Corso di Elettrotecnica; Università Federico II: Naples, Italy, 2021. [Google Scholar]
- Mirzai, M.; Gholami, A.; Aminifar, F. Failures Analysis and Reliability Calculation for Power Transformers. J. Electr. Syst. 2006, 2, 1–12. [Google Scholar]
- Pei, X.; Cwikowski, O.; Vilchis-Rodriguez, D.S.; Barnes, M.; Smith, A.C.; Shuttleworth, R. A Review of Technologies for MVDC Circuit Breakers. In Proceedings of the IECON 2016—42nd Annual Conference of the IEEE Industrial Electronics Society, Florence, Italy, 24–27 October 2016; IEEE: New York, NY, USA, 2016; pp. 3799–3805. [Google Scholar]
- Meyer, C.; Schroder, S.; DeDoncker, R.W. Solid-State Circuit Breakers and Current Limiters for Medium-Voltage Systems Having Distributed Power Systems. IEEE Trans. Power Electron. 2004, 19, 1333–1340. [Google Scholar] [CrossRef]
- Erickson, R.W.; Maksimovic, D. Fundamentals of Power Electronics; Springer: New York, NY, USA, 2001; ISBN 9780792372707. [Google Scholar]
- Cardoso, A.J.M.; Bento, F. Diagnostics and Fault Tolerance in DC–DC Converters and Related Industrial Electronics Technologies. Electronics 2023, 12, 2341. [Google Scholar] [CrossRef]
- Li, Z.; Wang, Y.; Shi, L.; Huang, J.; Cui, Y.; Lei, W. Generalized Averaging Modeling and Control Strategy for Three-Phase Dual-Active-Bridge DC-DC Converters with Three Control Variables. In Proceedings of the 2017 IEEE Applied Power Electronics Conference and Exposition (APEC), Tampa, FL, USA, 26–30 March 2017; IEEE: New York, NY, USA, 2017; pp. 1078–1084. [Google Scholar]
- Merenda, M.; Iero, D.; Pangallo, G.; Falduto, P.; Adinolfi, G.; Merola, A.; Graditi, G.; Della Corte, F. Open-Source Hardware Platforms for Smart Converters with Cloud Connectivity. Electronics 2019, 8, 367. [Google Scholar] [CrossRef]
- Graditi, G.; Adinolfi, G. Temperature Influence on Photovoltaic Power Optimizer Components Reliability. In Proceedings of the International Symposium on Power Electronics Power Electronics, Electrical Drives, Automation and Motion, Sorrento, Italy, 20–22 June 2012; IEEE: New York, NY, USA, 2012; pp. 1113–1118. [Google Scholar]
- Sayed, A.; El-Shimy, M.; El-Metwally, M.; Elshahed, M. Reliability, Availability and Maintainability Analysis for Grid-Connected Solar Photovoltaic Systems. Energies 2019, 12, 1213. [Google Scholar] [CrossRef]
- Parol, M.; Wasilewski, J.; Wojtowicz, T.; Arendarski, B.; Komarnicki, P. Reliability Analysis of MV Electric Distribution Networks Including Distributed Generation and ICT Infrastructure. Energies 2022, 15, 5311. [Google Scholar] [CrossRef]













| Environment | Description |
|---|---|
| Ground, G | non-mobile environment, characterized by uncontrolled temperature and humidity |
| Ground, Benign GB | non-mobile environment, easily accessible for maintenance, characterized by controlled temperature and humidity |
| Ground, Fixed GF | moderately controlled environment with an adequate cooling system and possible installation in unheated buildings |
| Ground, Solar GS | uncontrolled environment exposed to solar radiation and atmospheric agents |
| Ground, Saline GA | uncontrolled environment characterized by dust and salt and exposed to solar radiation and atmospheric agents |
| Ground, Unsheltered GU | environment in which equipment is unprotected, exposed to weather conditions and equipment immersed in salt water |
| Underwater U | underwater environment |
| Grid Sector | Element Name | Element Type | Rating Data |
|---|---|---|---|
| Underground Area | UG_Load | DC Load | 800 kW |
| UGS_Load | DC Load | 800 kW | |
| UG_Serv_AC-Load1 | AC Load | 222 kVA (200 kW) | |
| UG_Serv_AC-Load2 | AC Load | 222 kVA (200 kW) | |
| UGS_PV1 | PV | 50 kW | |
| UGS_PV2 | PV | 50 kW | |
| UGS_BESS | Storage | 300 kW–600 kWh | |
| Road Service Area | RS_AC-Load1 | AC Load | 111 kVA (100 kW) |
| RS_AC-Load2 | AC Load | 111 kVA (100 kW) | |
| EV-Charge_Load | AC Load | 44 kVA (40 kW) | |
| EV-Fast_Load | DC Load | 300 kW | |
| EV-Fast_PV | PV | 50 kW | |
| EV-Fast_BESS | Storage | 200 kW–400 kWh | |
| Residential Area | User_AC-Load | AC Load | 278 kVA (250 kW) |
| Pros_AC-Load | AC Load | 244 kVA (220 kW) | |
| Pros_DC-Load | DC Load | 50 kW | |
| Pros_PV | PV | 100 kW | |
| Pros DC-Micro-Wind | DC Wind Power Generator | 20 kW | |
| Pros_BESS | Storage | 200 kW–400 kWh | |
| Wind Area | WPG1 | AC Wind Power Generator | 200 kVA |
| WPG2 | AC Wind Power Generator | 200 kVA | |
| WPG_PV | PV | 100 11 kW | |
| WPG_BESS | Storage | 400 kW–600 kWh |
| Component | t [h] | αline [h] | βline | λwear_out [h−1] | πS_line | πE_line | πQ-line | λline [h−1] |
|---|---|---|---|---|---|---|---|---|
| Overhead Line | 50,000 | 438,000 | 2 | 5.21 × 10−7 | 0.25 | 5 | 2.5 | 4.04 × 10−6 |
| Component | Failure Rate [h−1] | MTBF [h] | MTBF [yr] |
|---|---|---|---|
| Overhead Lines | (4–6) × 10−6 | 250,000–166,666 | 28.53–19 |
| Power Transformer UG_SERV_TR | 6.41 × 10−6 | 155,946 | 17.80 |
| DC/DC Converter UGS_BESS_DC-DC-Conv | 7.08 × 10−6 | 141,249 | 16.12 |
| DC/DC Converter UGS_PV_DC-DC-Conv | 9.30 × 10−6 | 107,505 | 12.27 |
| DC/AC Converter UGS_PWM | 17.5 × 10−6 | 57,289 | 6.54 |
| DC/AC Converter UG_PWM | 7.03 × 10−6 | 142,245 | 16.24 |
| PV Plant UGS_PV1 | 12.1 × 10−6 | 82,783 | 9.45 |
| PV Plant UGS_PV2 | 12.1 × 10−6 | 82,783 | 9.45 |
| Index | Value |
|---|---|
| ASAI [–] | 0.99998 |
| CAIDI [h] | 10 |
| CAIFI [1/c yr] | 0.03533 |
| ENS [kWh/yr] | 0.07671 |
| SAIDI [h/c yr] | 0.17666 |
| SAIFI [1/c yr] | 0.01767 |
Disclaimer/Publisher’s Note: The statements, opinions and data contained in all publications are solely those of the individual author(s) and contributor(s) and not of MDPI and/or the editor(s). MDPI and/or the editor(s) disclaim responsibility for any injury to people or property resulting from any ideas, methods, instructions or products referred to in the content. |
© 2024 by the authors. Licensee MDPI, Basel, Switzerland. This article is an open access article distributed under the terms and conditions of the Creative Commons Attribution (CC BY) license (https://creativecommons.org/licenses/by/4.0/).
Share and Cite
Adinolfi, G.; Ciavarella, R.; Graditi, G.; Ricca, A.; Valenti, M. Innovative Method for Reliability Assessment of Power Systems: From Components Modeling to Key Indicators Evaluation. Electronics 2024, 13, 275. https://doi.org/10.3390/electronics13020275
Adinolfi G, Ciavarella R, Graditi G, Ricca A, Valenti M. Innovative Method for Reliability Assessment of Power Systems: From Components Modeling to Key Indicators Evaluation. Electronics. 2024; 13(2):275. https://doi.org/10.3390/electronics13020275
Chicago/Turabian StyleAdinolfi, Giovanna, Roberto Ciavarella, Giorgio Graditi, Antonio Ricca, and Maria Valenti. 2024. "Innovative Method for Reliability Assessment of Power Systems: From Components Modeling to Key Indicators Evaluation" Electronics 13, no. 2: 275. https://doi.org/10.3390/electronics13020275
APA StyleAdinolfi, G., Ciavarella, R., Graditi, G., Ricca, A., & Valenti, M. (2024). Innovative Method for Reliability Assessment of Power Systems: From Components Modeling to Key Indicators Evaluation. Electronics, 13(2), 275. https://doi.org/10.3390/electronics13020275

