Abstract
Despite the indispensable role of traditional electronic computers in modern society, their limitations in parallel processing capabilities, bit-width constraints, and processor bit-width are becoming increasingly apparent, especially when handling large-scale datasets and complex computational tasks. Although hardware technology and algorithm optimization continue to advance, the arithmetic units of traditional computers—adders—remain constrained by carry delay and bit-width limitations. This bottleneck is particularly pronounced in multiplication operations, mainly when adders are used for partial product accumulation. However, since 2018, the emergence of a new type of Reconfigurable Four-Valued Logic Electronic Processor (RFLEP) has provided a potential solution to these traditional limitations. With its large processor bit-width, flexible bit grouping capabilities, and dynamic hardware function reconfiguration features, this processor has brought revolutionary changes to the field of computing. In this context, this paper proposes and implements a Reconfigurable Four-Valued Logic Multiplication Routine (RFLMR) tailored explicitly for the RFLEP. The RFLMR utilizes the Modified Signed-Digit (MSD) representation method in multi-valued logic combined with the M transformation in four-valued logic to generate partial products. These partial products are then efficiently summed in parallel using the JW-MSD parallel adder, achieving the rapid execution of multiplication operations. Experimental results demonstrate that the multiplication routine based on the RFLEP performs multiplication operations accurately and meets theoretical expectations regarding implementation efficiency and performance. This research not only provides new ideas for developing next-generation high-performance computing systems but also paves the way for exploring more efficient and powerful computing models, heralding a profound transformation in future computing technology.
1. Introduction
In the early stages of electronic computing, hardware design primarily revolved around adders, with subtraction achieved by applying the complement to the subtrahend and performing the operation in the adder. Software initially handled multiplication and division, converting them into a series of addition or subtraction operations. It was not until integrated circuit technology advanced to accommodate millions of transistors that it became feasible to implement multipliers in hardware, significantly accelerating computer computation speeds. Despite hardware multipliers being core components for performing multiplication operations in electronic computers and greatly enhancing computational performance, they come with certain limitations. These include high manufacturing costs, large chip area occupation, high power consumption, and limited flexibility during operation. Designing and producing complex multiplier hardware requires substantial resources and technical investment, directly increasing their cost. Additionally, multiplier circuits often occupy considerable chip space, potentially increasing the complexity of chip design. Furthermore, the design of hardware multipliers is typically fixed, making it difficult to alter the method or precision of multiplication operations during runtime, limiting the computer’s adaptability to different application scenarios.
To overcome these challenges, reconfigurable multi-valued logic electronic processors have emerged, drawing on the research theories of ternary optical computers [1,2,3,4,5,6,7,8], particularly the structure and characteristics of the SD16 ternary optical processor [9,10,11,12]. A patent filed by Professor Jin Yi and others in January 2019, titled “A Multi-Valued Logic Electronic Processor with Numerous Bits, Grouping Capability, and Reconfigurability, and Method”, laid the foundation for the development of such processors [13]. In 2021, Wang et al. implemented a reconfigurable four-valued logic processor on an FPGA and tested it with various four-valued logic operations [14,15,16,17], verifying the effectiveness and reconfigurability of the processor architecture and circuits. Based on the theory of reduced-value design [18,19], the reconfigurable multi-valued logic electronic processor can dynamically determine the current computational function of the processor by inputting different reconfiguration instructions, meaning that the computational function of each processor bit can be reconfigured independently. By combining these bits, a multi-valued logic processor structure with numerous bits and its reconfigurable circuits can be constructed. This paper utilizes multiple computational bits of the reconfigurable four-valued logic processor to build a JW-MSD adder. The characteristic of this adder is that there is no carry relationship between data bits, allowing all data bit addition operations to be completed synchronously without considering carry dependencies between bits. On this basis, we designed and implemented a reconfigurable quaternary logic multiplication routine, as shown in Figure 1. During the reconfigurable quaternary logic multiplication process, input and output memory serve as crucial channels for data interaction between the user and the system. Input data are stored in the input memory and converted into MSD numbers (the specific definition of MSD will be detailed in Section 2) through a bit allocation strategy. Then, auxiliary data are generated from the input MSD numbers via Bit Cache A and Bit Cache B, which is followed by an M Transform to obtain partial products. Finally, the electronic signal trigger activates the JW-MSD adder to perform accumulation operations, thus completing the multiplication routine calculation. The proposed reconfigurable quaternary logic multiplication routine provides a novel approach for ternary logic operations, laying a solid foundation for designing more complex ternary logic computing systems in the future.
Figure 1.
RFLMR structure diagram.
2. MSD Digital System
The Modified Signed-Digit (MSD) numeral system represents a pivotal innovation in digital computation [20,21,22,23] primarily due to its ability to perform non-carry addition, significantly enhancing computational efficiency. The concept of MSD can be traced back to the 1960s when computer scientists actively sought new methods to improve computational speed and performance. Traditional binary numeral systems faced substantial challenges with carry mechanisms when processing large volumes of data. To address this core issue, the concept of MSD was introduced and gradually evolved into an effective solution.The introduction and development of MSD have profoundly impacted modern computer science. Firstly, it cleverly circumvents the carry problem inherent in traditional binary systems, leading to a leap in computational speed. Secondly, the application of MSD in optical computing has driven innovation and progress in optical computing technology. More importantly, the non-carry characteristic of MSD demonstrates significant advantages in large-scale parallel computing scenarios, providing robust support for high-performance computing.Therefore, MSD not only enriches the theoretical methods of numerical representation but also promotes optimizing and upgrading computer hardware and software systems in practical applications, laying a solid foundation for efficient computing in the era of big data.
2.1. MSD Number
Traditional electronic computers use a binary system (0 and 1) for computation, where any decimal number has a unique representation. However, the ternary optical computer (TOC) adopts the MSD number system, which represents a signed ternary binary number. The same decimal number can have multiple representations, providing a theoretical basis for carry-free addition. This system was first proposed by Avizienis et al. in 1961 [24] and introduced into the field of optical computing by Drake et al. in 1986 [22]. The symbol set for this system is , where represents the value −1. Any decimal number D can be represented using the MSD number system with its expression shown in the following Formula (1):
In the above formula, the value of is {}, where i is a natural number, and indicates that the number is still a binary number.
2.2. MSD Number Characteristics
Due to redundant notation, MSD numbers have the following characteristics compared to regular binary number representations.
- (1)
- In addition to the data 0 value, any value has an infinite number of MSD number expressions, such as ;
- (2)
- The MSD number of a value is inverted bit by bit (0 is unchanged, and 1 and u are converted to each other) to obtain the MSD number of the opposite of the value:
2.3. MSD Addition
MSD addition differs from conventional binary addition in that it is accomplished through four transformations: T,W, T′, and W′ (as shown in Table 1). These four transformations are ternary logic operations. Due to the redundancy of MSD, the corresponding addition can be completed in just three clock cycles regardless of the number of bits in the addends [25]. Suppose there are MSD numbers and MSD number .
Table 1.
T, W, T′ and W′, transformations.
The symbol sets for and are both , where n and m are positive integers, and i and j are natural numbers, (0 . The MSD addition process is as follows:
- (1).
- Perform T and W operations bitwise on the inputs A and B. (The result of the T operation is padded with 0 on the lower bit, and the result of the W operation is padded with 0 on the higher bit.)
- (2).
- Perform T′ and W′ operations bitwise on the results of the first step. (The result of the T′ operation is padded with 0 on the lower bit, and the W′ operation is padded with 0 on the higher bit.)
- (3).
- Perform operations bitwise on the results of the second step to obtain the sum of A and B finally.
The MSD number system’s unique redundancy property enables the feasibility of parallel addition operations. This characteristic stems from the inherent attribute of the MSD number representation, where the computation of each digit does not need to wait for a carry signal, breaking the limitation of sequential digit computation in traditional serial adders. Specifically, during the MSD addition process, the result of each digit can be generated independently, and it is unaffected by the operations of other digits. This provides the theoretical foundation for achieving fully parallel logic transformations within a single cycle. Therefore, the parallel addition mechanism under the MSD architecture not only enhances computation speed but also optimizes the utilization efficiency of hardware resources, demonstrating potential advantages in the field of high-performance computing.
3. Implementation Mechanism of the RFLMR
3.1. Working Principle of the RFLEP
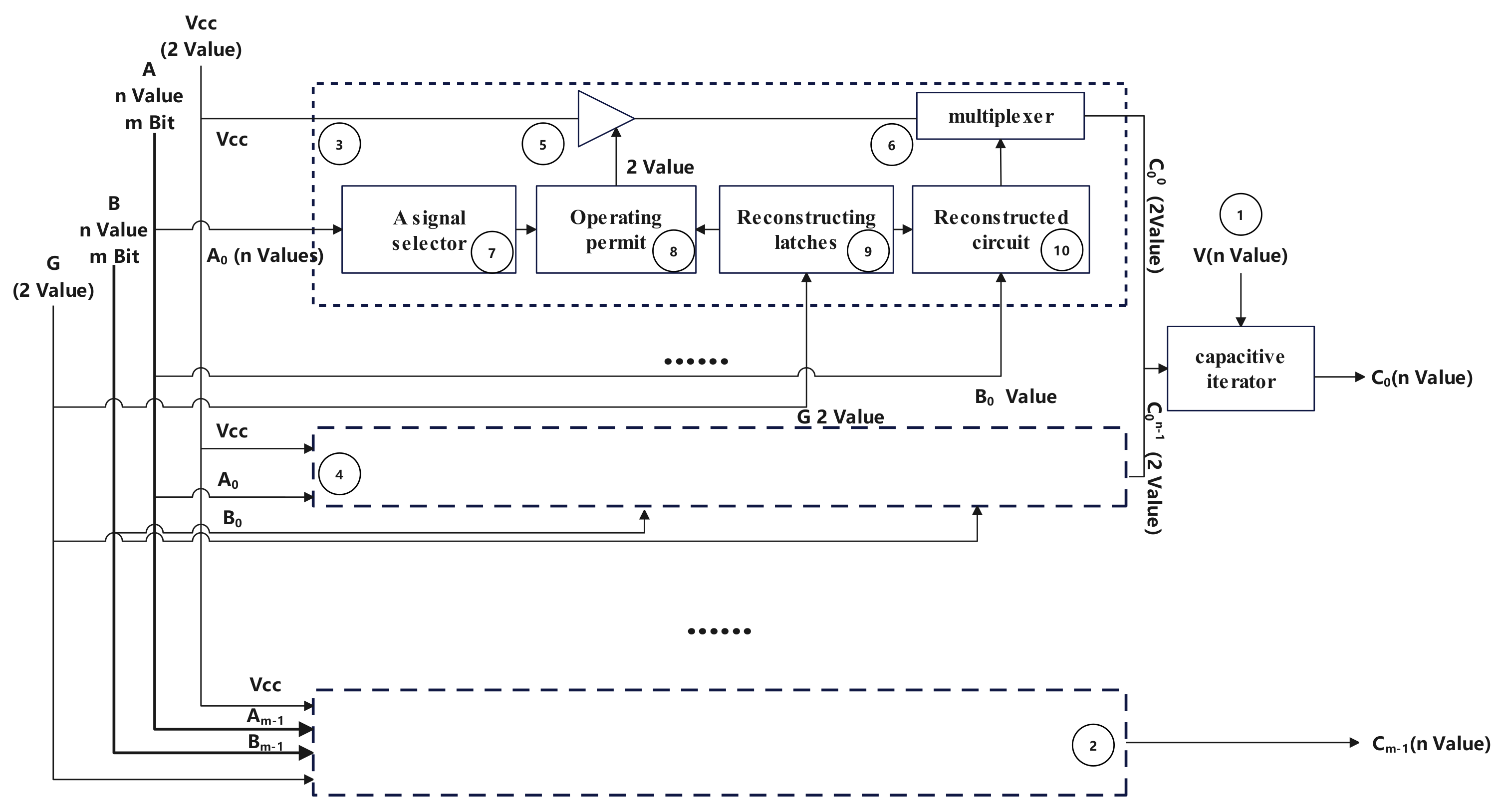
The circuit structure of the RFLEP is shown in Figure 2. This processor contains multiple processor bits (m bits). In the figure, label ① represents the 0th bit of the processor, with the output signal being C0(n value); label ② represents the (m − 1)th bit of the processor, with the output signal being Cm−1(n value). The structure of each processor bit is identical. As shown in ①, each processor bit includes n column operators (such as ③ and ④) and a potential combiner, as illustrated in Figure 2. Among them, ③ is the 0th column operator of the 0th operator bit with the output being Co0(n value); ④ is the (n − 1)th column operator of the 0th operator bit with the output being Con−l(n value). The structure of the column operators in each processor bit is the same. As shown in ③, each column operator includes a high-impedance gate ⑤, a level multiplexer ⑥, a signal selector ⑦, a work enabler ⑧, a reconfiguration latch ⑨, and a reconfiguration circuit ⑩.
Figure 2.
Schematic diagram of RFLEP architecture.
In Figure 2, the RFLEP writes reconfiguration instructions into the reconfiguration latch via the G signal line. These reconfiguration instructions determine the operational function of each column operator, enabling one of the types of logical operations. The reconfiguration circuit has p branches, and since each n-value signal requires p binary signals to represent it, p is equal to the square root of n rounded up. Each branch of the reconfiguration circuit selects and simply transforms the i-th bit of the data B input to the branch based on the signal state of the branch control end and sends the selection and transformation result to the input end of the output generator through the output end of the branch. The input end of the output generator also has p input lines. The potential combiner of the i-th bit of the constructed operator combines the output signals of all column operators of that operator bit to form the physical output signal of that operator bit. Since any value of the i-th bit of data A meets the selection requirements of the A signal selector of a column operator, the operator bit can perform logical operations on any value of the i-th bit of data A and the i-th bit of data B. Therefore, by sending different reconfiguration instructions to the reconfiguration circuit of the general structure of the RFLEP, the current logical operation function of the processor can be dynamically configured, forming specific logical operators and achieving reconfigurable logical operation functions for each processor.
3.2. Reconfigurable Four-Valued Logic JW-MSD Adder Principle
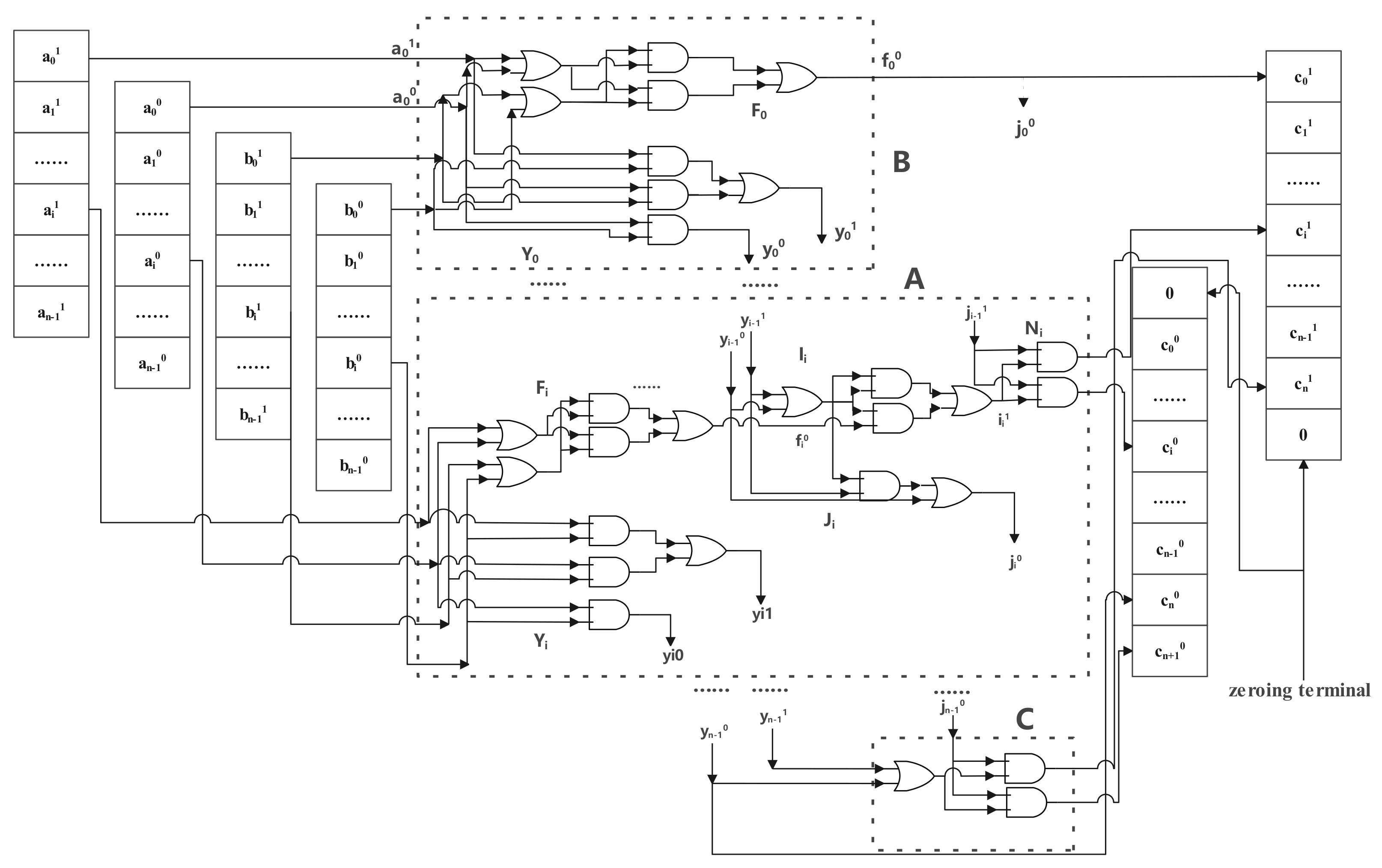
Based on in-depth research on MSD addition theory, our research team has designed and implemented an innovative parallel adder circuit architecture—the JW-MSD adder. The uniqueness of this adder lies in its specially customized ternary logic operation unit, which closely aligns with the logical requirements of the MSD addition algorithm. Streamlining the number of logic gates significantly enhances the efficiency and speed of dedicated addition operations. The ternary logic operator plays a crucial role in the core design of the JW-MSD parallel adder. Compared to traditional binary adders, which often require complex circuit layouts to handle carry propagation, the MSD adder leverages its ternary logic () characteristics to avoid the complexity of carry operations, significantly accelerating computation speed and enhancing operational efficiency. Building on this, the JW-MSD adder further optimizes the design of the ternary logic operator, greatly simplifying the overall circuit structure and effectively reducing the number of logic gates used, achieving a dual optimization of performance and cost-effectiveness. Figure 3 shows the circuit schematic of our developed specialized JW-MSD parallel adder, providing readers with a clear visual reference to facilitate a deeper understanding of the working mechanism of the JW-MSD adder.
Figure 3.
JW-MSD adder structure schematic diagram.
The n-bit specialized JW-MSD parallel adder consists of five ternary logic operators, namely the Y operator, F operator, J operator, I operator, and N operator, as shown in Table 2. They use three two-bit binary symbols “00”, “01”, and “10” to represent the MSD numbers “0”, “u”, and “1”. This n-bit specialized JW-MSD parallel adder is composed of three operation modules as well as input and output registers. The three operation modules are theA operation module, B operation module, and C operation module. For this n-bit specialized JW-MSD parallel adder, the input operands of the adder are represented by and , and the output is represented by . Each bit is represented by two binary bits, so represents the low bit input of the i-th bit, represents the high bit input of the i-th bit; represents the low bit input of the i-th bit, 1 represents the high bit input of the i-th bit; represents the low bit output of the i-th bit, and represents the high bit output of the i-th bit. The operation cycle of this adder can be divided into three steps:
Table 2.
Five ternary logic operators of JW-MSD parallel adder.
- (1).
- First, the n-bit input operands a and b are written into the high and low bit registers of input register a and the high and low bit registers of input register b, respectively, while the low bit signal of the 0th bit and the high bit signal of the th bit of the output register is cleared to 0.
- (2).
- Second, after the calculations of each operation module, the final output result is obtained. This step involves a delay of six layers of binary logic gates, and the calculation result is finally stored in the output register.
- (3).
- Third, data are read from the output register to construct the n-bit specialized JW-MSD parallel adder, which requires two-input OR gates, two-input AND gates, and single-input NOT gates. Therefore, the n-bit specialized JW-MSD parallel adder will use fewer logic gate devices.
3.3. RFLMR Implementation
3.3.1. Partial Product Generation and Summation Key Techniques
For implementing the MSD multiplication routine, the main core points include the generation of partial products and the summation of partial products. This paper delves into the implementation strategies for these two aspects. Suppose the multiplicand A has n bits, represented as , with its MSD expression being , where i ranges from 0 to . Similarly, the multiplier B has m bits, represented as , with its MSD expression being , where j ranges from 0 to m − 1. The symbols and are both from the set , where n and m are positive integers, and i and j are natural numbers, satisfying . Thus, the MSD multiplication routine can be expressed by Formula (2).
Based on the above Formula (2), the MSD multiplication process is as follows:
- (1).
- In , A is the multiplicand, and B is the multiplier. B is generated as . Each bit of B generates auxiliary data with p bits of values. and A undergo M transformation bitwise to obtain j partial products , and the M transformation table is shown in Table 3.
Table 3. M transformation. - (2).
- Each partial product is shifted left by j − 1 bits, and j − 1 zeros are appended to each , resulting in j sum terms .
- (3).
- The j sum terms are summed using an MSD adder, and the accumulated result is the product C.
3.3.2. RFLMR Design
The RFLMR is implemented through programming on the Alinx7020, as shown in Figure 4. It consists of six operators and 199 processor bits. Since electronic transistors can only represent binary bits, we use two binary bits to represent MSD numbers. Specifically, the three MSD states (such as ) can be represented by binary 00, 01, and 10, respectively. In this representation method, each bit combination is realized through the on-and-off states of electronic transistors. This design not only maintains the characteristics of ternary logic but is also compatible with the binary representation of electronic transistors, making it possible to implement the RFLMR on the Alinx7020 through the Processor System (PS) and Programmable Logic (PL) parts. The design of the multiplication routine is mainly divided into four parts:
Figure 4.
RFLMR processor bit allocation chart.
- (1).
- MSD Number Conversion: First, the input binary number must be converted into an MSD number representation. This step is crucial as it lays the foundation for subsequent partial product generation and addition operations. Our design implements MSD number conversion through the MSD_transform function on the PS side. The core objective of the MSD_transform function is to convert a given decimal number (D) into its corresponding MSD representation. Assuming we have a decimal number (D), we first convert its absolute value (|D|) into a binary representation. If (0 < D), the resulting binary number is inverted; otherwise, it remains unchanged. Then, the obtained binary number is converted into the corresponding MSD number, where 00, 01, 10, etc., represent different digits.
- (2).
- Partial Product Generation: During partial product generation, the multiplier (B) first generates auxiliary data for each bit, which are stored in registers through the generate_auxiliary_data function. Then, the auxiliary data corresponding to each bit () in the register are sent to the arithmetic unit (S) along with each bit of the multiplicand (A) for computation. Specifically, for each bit (), an M-logic operation with the multiplicand (A) is performed to generate the partial product (). To improve computational efficiency, M-transformation uses parallel computing technology. By implementing parallel operations in hardware, multiple partial products can be computed simultaneously, reducing computation time. The computed partial products () are stored in registers for subsequent shifting and summation operations.
- (3).
- Partial Product Shifting: After generating the partial products, each partial product needs to be shifted for subsequent summation calculations. Each partial product () needs to be left-shifted by (j − 1) positions with (j − 1) zeros appended to the end of each () through the shift_operation function, resulting in partial products (). This operation is implemented using hardware shift registers to ensure the efficiency of the shifting operation.
- (4).
- Partial Product Summation: Partial product summation is the crucial step in generating the final product (C), achieved through the JW-MSD adder, which uses ternary logic to sum different partial products quickly. On the PL side, partial products are sent to the JW-MSD adder for computation through the MSD_33_mWriteReg function. Given the abundant hardware logic units in the Alinx7020, multiple JW-MSD adders can be configured on the PL side. Due to the redundancy characteristics of MSD numbers (see Section 2.2 MSD Number Characteristics), the summation of partial products () adopts parallel computing methods. Rapid accumulation is achieved by cascading and pipelining multiple levels of MSD adders, resulting in the final MSD product. This result is then transmitted to the platform for display and further processing. The entire process is highly parallel and flexible, enabling efficient digital computation.
3.3.3. Pipelined Design of RFLMR
In this study, we delve into the multiplication operation (), where (A) and (B) have (m) and (n) MSD digits, respectively, satisfying (0 < m < 33) and (0 < n < 33). For the multiplication routine processor architecture, we propose a novel and efficient computational method that combines M transformation with JW-MSD addition technology where (B) acts as the multiplier and (A) acts as the multiplicand. This process involves (n) M transformations and their associated partial cumulative addition operations. We fully utilize the inherent redundancy of MSD numbers to optimize multiplication efficiency. Therefore, we introduce a multiplication routine based on reconfigurable four-valued logic and implement a pipeline design strategy to facilitate smooth and fast data processing. The core idea of the pipeline design is to break down complex operations into several independent stages, allowing each stage to process different data segments in parallel or sequentially. This architecture is particularly suitable for the Alinx7020 platform, where the precise management of clock cycles and operation segmentation ensures the efficiency and accuracy of the data processing flow.
As shown in Figure 5, our pipeline design comprehensively covers the entire processing flow from input to output, illustrating the correspondence between the time sequence (measured in clock cycles) and each processing stage. Each periodic operation module—whether it is M transformation, T/W transformation, T′/W′ transformation, or T2 transformation—represents a specific processing step or operational unit in the pipeline. The parallel execution of these modules significantly enhances the overall processing speed.
Figure 5.
RFLMR pipeline diagrams.
4. Efficient Experiments with RFLMR
4.1. Experimental Preparation
4.1.1. Experimental Equipment
In this experiment, we selected the Zynq7000 series chips from Xilinx as the core components, explicitly using the Alinx7020 core development board equipped with the ARM Cortex-A9 chip. This chip is recognized for its excellent pin compatibility and the 400-pin FBGA packaging technology, which provides design flexibility and efficiency. A notable feature of the Zynq7000 chip is its integration of the Processor System (PS) and Programmable Logic (PL) cores; PS and PL cores are interconnected using the AXI bus, enabling an effective combination of hardware and software. The PS section on the Alinx7020 core board offers a variety of external interfaces and devices, significantly facilitating user operations and function verification processes. Additionally, each IO interface on the PL side is designed and routed to 2.54 mm connectors at the board edge, providing broad expansion possibilities for users from prototype design to product development. The core board is also equipped with a 7 × 2 JTAG connector, allowing users to easily download and debug programs on the core board using Xilinx’s dedicated USB Cable downloader, simplifying the development process. Figure 6 illustrates the overall architecture of the Alinx7020 system. With this hardware layout and flexible interface configuration, the Alinx7020 offers stable and reliable hardware support, making it suitable for exploring advanced computing technologies and implementing complex algorithms.
Figure 6.
ALinx7020 development board.
4.1.2. Processor Bit Allocation Strategy for RFLMR
On the Alinx 7020 development board, we have implemented parallel computation of the S operator on the PS side using the ARM Cortex-A9 processor within the Zynq 7000 architecture. In contrast, the JW-MSD adder, composed of the Y, F, J, I, and N operators, is realized on the PL side. Specifically, processor bits 0 to 32 are allocated for the execution of the M transformation, while bits 33 to 198 are dedicated to the construction of the JW-MSD adder. RFLMR handles communication via the AXI (Advanced eXtensible Interface) bus. The AXI bus, part of the AMBA 3.0 protocol developed by ARM, supports parallel operations and separate read/write channels, ensuring pipeline execution of the entire RFLMR. The bit layout for the 199-bit RFLMR processor is illustrated in Figure 4.
Specifically, for a 199-bit RFLMR processor, the allocation of processor bits is shown in Table 4.
Table 4.
RFLMR processor bit allocation table.
The rich hardware resources of the Alinx7020 development board provide a solid foundation for this multi-module parallel design. By executing each module in parallel without interference, we significantly improve the efficiency of the four-valued logic multiplication routine processor in handling complex computational tasks and greatly enhance its flexibility and reconfigurability. This design strategy allows for the dynamic adjustment and optimization of the system based on different computational needs, demonstrating adaptability and high performance.
4.2. Experimental Process of RFLMR
4.2.1. Test Cases
To rigorously evaluate the accuracy of the RFLMR in handling arbitrary decimal values and ensure the correctness of outputs at each computational stage, this experiment designed a series of verification steps using registers as an essential aspect. We defined three core registers:
- Register k is used to store values converted from decimals to MSD.
- Register m is responsible for recording partial products obtained after M transformation.
- Register s is specifically used to retain the complete MSD calculation results.
Through this data management strategy, we can strictly monitor and ensure each computation’s accuracy and the data’s integrity.
Given that the processor bit width of the reconfigurable four-valued logic routine is set to 33 bits, its numerical expression range spans from () to (), naturally constraining the bit width of the multiplicand and multiplier. To comprehensively examine the performance of this multiplication routine processor across a broad numerical domain, we conducted large-scale experiments, testing over 10,000 data samples. Although space limitations prevent a detailed discussion of each test, the selected cases are highly representative, and all test results consistently confirm the algorithm’s effectiveness and accuracy. The experimental data (refer to Table 5) robustly demonstrate the computational capability and precision of the RFLMR processor across different numerical ranges.
Table 5.
RFLMR test cases.
4.2.2. RFLMR Experimental Steps
In constructing the RFLMR, we retained the input data interface on the PS side, connecting to the Alinx7020 core board via the Putty serial debugging tool to facilitate the input of test cases and the verification of results. The specific experimental implementation steps are as follows:
- (1).
- Hardware Connection and Configuration:
- ①
- Use Xilinx’s USB Cable to Download Files: As shown in Figure 7, connect one end of the USB cable to the Alinx7020 board and the other to the host computer. Then, download the designed hardware configuration file to the Alinx7020 core board to ensure the core board correctly loads and runs our design.
Figure 7. Putty configuration diagram. - ②
- Connect the JTAG Connector for Debugging: Download the required files to the Alinx7020 via the USB cable and then prepare the debugging program through the JTAG connection.
- (2).
- Software Environment Preparation:
- ①
- Set Serial Port Parameters: Open the Putty software (version 0.67) and set the serial port parameters to a baud rate of 115,200 and port number COM8 (ensure the correct COM port is selected based on your system configuration). The detailed parameters and Putty graphical interface are shown in Figure 7 to match the communication requirements of the Alinx7020 core board.
- ②
- Confirm Connection: In the Putty software, confirm that the serial port of the Alinx7020 core board is correctly recognized and connected, ensuring a smooth data transmission channel.
- (3).
- RFLMR Design:
- ①
- Processor design (ARM Cortex-A9 part): Building on the MSD three-value definition and the MSD multiplication truth table, we utilized Xilinx’s Software Development Kit (SDK) and C language to implement critical functionalities. During the design process, we developed the MSD_transform function to convert decimal numbers into their MSD representation. Additionally, we designed the generate_auxiliary_data function to generate partial product data. The compiled files are directly executable on the ARM Cortex-A9 processor. Finally, these data are shifted through hardware registers and transmitted via the AXI bus to the PL side, where the PL continues with the subsequent computation tasks.
- ②
- Hardware design (FPGA part): According to the definition of MSD ternary operations, each bit in an MSD operation can represent the three values . Since only binary devices are currently available for experimentation, we use 00, 01, and 10 to represent and 1, respectively. These encoding choices are made because they are adjacent in the ternary system, ensuring that only one binary bit changes between consecutive states. Once these representations are determined, we can derive the logical expressions for each operation based on the truth table provided in the paper (Table 1) and implement them using Verilog. The combinational logic circuit diagram derived from the truth table is shown in Figure 8. By combining these circuits, we designed an RFLMR combinational logic circuit with the top-level file illustrated in Figure 9.
Figure 8. (a–d) T, W, T’, W’ combination logic circuit diagrams.
Figure 9. RFLMR top-level document structure diagram.
- (4).
- Input Test Cases:
- ①
- Initialize Registers: Before inputting each test case, initialize registers k, m, and s to 0 to ensure that the results of the previous operation do not affect the current calculation.
- ②
- Input Test Cases: Sequentially input test cases 1 to 17 to the Alinx7020 core board through the Putty serial tool according to the designed order. Each test case includes two operands, and the multiplication routine processor will calculate and output the results based on the input.
- ③
- Read Results: Read the output results of the multiplication routine processor for each test case. The results are shown in Table 6.
Table 6. RFLMR calculation results.
- (5).
- Display Experimental Results: After inputting the test cases, observe the output of the Putty serial debugging tool and record the calculation results of each case. Compare the output results with the expected correct results. The calculation results are shown in Figure 8, verifying the performance and accuracy of the reconfigurable four-valued logic multiplier across different numerical ranges.
4.2.3. Experimental Results and Analysis
In this study, we constructed an RFLMR. The core innovation lies in the generation and merging mechanism of partial products, which starkly contrasts the binary multiplication based on shifting and accumulation used in traditional computers. Traditional algorithms are limited by the propagation delay of low-order carry, which is a bottleneck directly stemming from the inherent properties of the binary logic system. However, thanks to the redundancy characteristics of the MSD number system and the rich hardware logic resources of the ALinx 7020 platform, our design achieves bit-level parallel processing, completely overcoming this limitation.
Due to the varying computational complexity of different combinational logic modules, the computation time also varies. To eliminate potential issues caused by the differences in combinational logic delays in this design, we adopted a sequential circuit design. The 33-bit MSD multiplier is mainly divided into two parts: preprocessing and accumulation. The multiplication preprocessing stage involves specific bit shifts and negative number inversion to generate 33 66-bit ternary numbers. The accumulation part consists of six layers of at least 66-bit MSD addition. Due to the bit-append characteristics of MSD addition, starting from the second layer, 68-bit MSD addition is used to avoid bit-width insufficiency. According to the top-level file analysis by Vivado, the circuit is divided into seven layers. The first layer includes shift and inversion operations. Thus, two clock cycles are allocated. The remaining six layers of logic circuits each occupy one clock cycle, so the overall calculation of RFLMR requires eight clock cycles. Although we have calculated the number of clock cycles required for RFLMR to ensure result stability, the clock cycle duration needs to be determined based on the maximum combinational logic delay in the circuit. According to the analysis by Vivado software (version 2017.4) (as shown in Figure 10), the maximum combinational logic delay between two clock cycles in the entire design is between 3 and 4 nanoseconds. Therefore, to ensure stable computation, we set the clock cycle uniformly to 4 nanoseconds, resulting in a maximum time of 32 nanoseconds for one RFLMR calculation.
Figure 10.
Module delay diagram.
The implementation of RFLMR on the ALinx 7020 FPGA platform involves several key transformation steps, including T, W, T’, W’, and T transformations. Each transformation processes a 2-bit binary number; thus, each addition operation involves multiple transformations. According to the Vivado compilation results, the resource consumption of RFLMR includes a total of 4534 LUTs, 1575 FFs, 203 IOs, and 1 BUFGs. Detailed resource consumption is shown in Table 7.
Table 7.
RMLPR resource utilization.
In the design process of the RFLMR, we employed a modular strategy and extensively optimized the transformations of M, T, W, T′, and W′. Each module is responsible for specific encoding conversion tasks, including but not limited to the M transformation module (S operator), T transformation module (Y operator), W transformation module (F operator), T′ transformation module (J operator), W′ transformation module (I operator), and an additional transformation module (N operator). The ALinx 7020 platform’s extensive library of electronic logic units (up to thousands) is more than capable of supporting the parallel deployment of dozens of these critical processors. Consequently, by utilizing this modular design approach for parallel computation in our RFLMR design, we have significantly enhanced our computation speed.In this study, the bit-width of the RFLMR processor is set to 33 bits with each ternary state (i.e., 00, 01, and 10) stored in the register, occupying 2 bits. Therefore, the total capacity of the register must accommodate 66 bits. To simplify representation, we converted the ternary states in the register into a more compact MSD numerical representation (as shown in Table 6). The experimental results (as shown in Figure 11) indicate that the actual values of the combinational circuit are consistent with the expected results, validating the effectiveness of this method.
Figure 11.
Putty output results of RFLMR.
To further confirm the accuracy and delay of the partial accumulation results, we used the ModelSim simulation tool, which supports Verilog and mixed simulations, helping to identify errors and optimize performance quickly. Table 6 lists the theoretical MSD expected values for all examples. The experimental results (as shown in Figure 12a,b) indicate that the experimental values are completely consistent with the theoretical expectations. Figure 12a presents the first five RFLMR test data from Table 5, while Figure 12b shows the remaining four data points. Each figure divides the data into three groups, each containing three data points, resulting in nine. Within each group, the first two data points represent the multiplicand and the multiplier, respectively, and the last data point is their product. For example, in Figure 12a, the first MSD data 010101010101010101010101010101010101010101010101010101010101011010 corresponds to a product of 2; the second MSD data 010101010101010101010101010101010101010101010101010101010101011001 corresponds to a product of 3; and the third MSD data 010101010101010101010101010101010101010101010101010101010110010001 corresponds to a product of 6. To ensure the accuracy of the computation results at each layer, we incorporated timing control into the combinational logic circuit. Therefore, each layer of RFLMR computation will only update to the next layer upon the arrival of the clock signal. According to the delay theoretical results in Section 4.2.3, the maximum time for each RFLMR computation is 32 ns. The experimental results graph shows ns , which is completely consistent with our theoretical expectations.
Figure 12.
RFLMR ModelSim simulation diagram.
5. Conclusions
This paper presents a multiplication routine for a four-valued electronic logic processor implemented on the Alinx7020 platform. The routine combines FPGA hardware and ARM Cortex-A9 processor programming, and the experimental results meet expectations. Leveraging the reconfigurable characteristics of the Alinx7020, the RFLMR processor can dynamically adjust its functions during computation, improving efficiency in complex operations. This ability to adjust the computational process in real time is particularly important in diverse application scenarios.
In the experiments, we rigorously verified each step of the RFLMR processor’s computation through register analysis and serial port debugging tools, ensuring the accuracy of data storage and processing. Notably, when handling large numerical operations, the RFLMR still performed efficiently, producing results consistent with theoretical expectations. However, in complex operations, the resource consumption of four-valued logic may be relatively high, which could impact FPGA resource utilization. Future research could focus on optimizing resource utilization to improve overall efficiency further.
In summary, this multiplication routine lays a solid foundation for transitioning the four-valued logic electronic processor from experimental research to applied research, offering new methods and approaches for handling large-number multiplications. The experimental results further demonstrate the potential of the RFLMR processor in high-performance computing, which is capable of meeting the needs of various complex applications and providing strong support for the development of future efficient computing technologies.
Author Contributions
Proposing Reconfigurable Four-Valued Logic Multiplication Routine, S.L. (Shanchuan Liao); Determining Computational Data and Validating Experimental Results, X.G. and L.L.; Designing and Constructing Multiplication Routine, S.L. (Shuang Li) and X.L.; Writing—Preliminary Draft Preparation, S.L. (Shanchuan Liao) and X.L.; Writing—Reviewing and Editing, S.L. (Shanchuan Liao) and S.L. (Shuang Li); Supervision, S.Z. All authors have read and agreed to the published version of the manuscript.
Funding
This work was supported by the National Science Foundation of China (62302307, 62105207, 61866006), the Open Research Fund of Guangxi Key Lab of Human–Machine Interaction and Intelligent Decision (GXHIID2209), the University-Level general research project of Shanghai Normal University (SK202121), the Hainan Provincial Natural Science Foundation of China under Grant (622MS084), the Education Department of Hainan Province of China (Hnjg2022-90), and the General Scientific Research Project of Zhejiang Education Department (Y202352358).
Data Availability Statement
The data used to support the findings of this study are available from the corresponding author upon request.
Acknowledgments
I want to express my gratitude to Luqun Li, Li and all the members of the Reconfigurable Four-Valued Logic Operator Team at Donghua University for their valuable comments and suggestions on this paper.
Conflicts of Interest
The authors declare that we have no competing interests.
References
- Zhang, S.; Chen, J.; Liu, Z.; Wang, X.; Zhang, C.; Yang, J. Key theories and technologies and implementation mechanism of parallel computing for ternary optical computer. PLoS ONE 2023, 18, e0284700. [Google Scholar] [CrossRef] [PubMed]
- Wang, S.; Jiang, J.; Wang, Z. Research of Tri-State Optical Signal Detectors for Ternary Optical Computers. Appl. Sci. 2023, 13, 98. [Google Scholar] [CrossRef]
- Wang, Z.; Shen, Y. Design and implementation of bitwise parallel MSD square rooting in ternary optical computer. Opt. Eng. 2021, 60, 085107. [Google Scholar] [CrossRef]
- Shen, Y.; Wang, Z. Design and implementation of R4-MSD square root algorithm in ternary optical computer. Soft Comput. 2024, 28, 6787–6800. [Google Scholar]
- Li, S.; Jiang, J.; Wang, Z.; Zhang, H. Basic theory and key technology of programming platform of ternary optical computer. Optik 2019, 178, 327–336. [Google Scholar] [CrossRef]
- Jin, Y. Management strategy of data bits in ternary optical computer. J. Shanghai Univ. (Nat. Sci. Ed.) 2007, 13, 519–523. [Google Scholar]
- Zhang, S.; Peng, J.; Shen, Y.; Wang, X. Programming model and implementation mechanism for ternary optical computer. Opt. Commun. 2018, 428, 26–34. [Google Scholar] [CrossRef]
- Wang, H.; Ouyang, S.; Shen, Y.; Chen, X. Ternary optical computer: An overview and recent developments. In Proceedings of the 2021 12th International Symposium on Parallel Architectures, Algorithms and Programming (PAAP), Xi’an, China, 10–12 December 2021; pp. 82–87. [Google Scholar]
- Jin, Y.; Zhang, H.; Chen, X.; Wang, S.; Ouyang, S.; Shen, Y.; Jiang, J. Theory and Structure of the Ternary Logic Optical Processor SD16. J. Electron. 2023, 51, 1154–1162. [Google Scholar] [CrossRef]
- Jiang, J.; Zhang, X.; Shen, Y.; Ouyang, S.; Zhou, S.; Peng, J.; Liu, Y.; Jin, Y. Design and Implementation of the SJ-MSD Adder in Ternary Optical Computers. J. Electron. 2021, 49, 275. [Google Scholar]
- Jin, Y.; Wang, Z.; Liu, Y.; Ouyang, S.; Shen, Y.; Peng, J. Ternary Optical Computers. J. Nat. 2019, 41, 319–327. [Google Scholar]
- Wang, Z.; Shen, Y.; Li, S.; Zhang, H.; Jiang, J.; Wang, C. Design and Implementation of the Ternary Optical Computer Simulator. Appl. Res. Comput. 2023, 40, 1223–1230. [Google Scholar]
- Jin, Y.; Ouyang, S.; Pan, Z.; Wang, Y.; Shen, Y.; Peng, J.; Zhou, S.; Liu, Y.; Chen, X. A Multi-Digit, Groupable, and Reconfigurable Multi-Valued Electronic Calculator and Method. CN Patent CN201811567284.7, 26 July 2022. [Google Scholar]
- Lu, Y.; Wang, H.; Huang, J.; Zhou, X.; Wu, Y. Demonstration system of reconfigurable multi-valued logic electronic processor. In Proceedings of the Second International Conference on Electronic Information Technology (EIT 2023), Wuhan, China, 17–19 March 2023; Volume 12719, pp. 190–196. [Google Scholar]
- Sasao, T.; Nakahara, H. Implementations of reconfigurable logic arrays on FPGAs. In Proceedings of the 2007 International Conference on Field-Programmable Technology, Kitakyushu, Japan, 12–14 December 2007; pp. 217–223. [Google Scholar]
- Wang, H.; Wu, Y.; Ouyang, S.; Chen, X.; Shen, Y.; Jin, Y. The design and implementation of reconfigurable quaternary logic processor. In Proceedings of the International Conference on Parallel and Distributed Computing: Applications and Technologies, Guangzhou, China, 17–19 December 2021; pp. 142–149. [Google Scholar]
- Choi, B.; Shukla, K. Multi-valued logic circuit design and implementation. Int. J. Electron. Electr. Eng. 2015, 3, 256–262. [Google Scholar] [CrossRef]
- Yan, J. Design Theory for Devaluation. Ph.D. Thesis, Shanghai University, Shanghai, China, 2010. [Google Scholar]
- Yan, J.; Jin, Y.; Zuo, K. Design Theory for Devaluation of No-Carry (Borrow) Calculator and Its Application in Ternary Optical Computers. Sci. China Ser. Technol. Sci. 2008, 38, 11. [Google Scholar]
- Bocker, R.P.; Drake, B.L.; Lasher, M.E.; Henderson, T.B. Modified signed-digit addition and subtraction using optical symbolic substitution. Appl. Opt. 1986, 25, 2456–2457. [Google Scholar] [CrossRef] [PubMed]
- Peng, J.; Shen, R.; Jin, Y.; Shen, Y.; Luo, S. Design and implementation of modified signed-digit adder. IEEE Trans. Comput. 2012, 63, 1134–1143. [Google Scholar] [CrossRef]
- Drake, B.L.; Bocker, R.P.; Lasher, M.E.; Patterson, R.H.; Miceli, W.J. Photonic computing using the modified signed-digit number representation. Opt. Eng. 1986, 25, 38–43. [Google Scholar] [CrossRef]
- Qi, B.; Sun, S.; Tong, Y.; Zhang, J.; Wang, Z.; Wang, X. Algorithm-based Study on Transformation Combination for Carry-free Modified Signed Digit (MSD) Addition. In Proceedings of the 2023 IEEE 10th International Conference on Cyber Security and Cloud Computing (CSCloud)/2023 IEEE 9th International Conference on Edge Computing and Scalable Cloud (EdgeCom), Xiangtan, China, 1–3 July 2023; pp. 298–304. [Google Scholar]
- Avizienis, A. Signed-digit number representations for fast parallel arithmetic. IRE Trans. Electron. Comput. 1961, 3, 389–400. [Google Scholar] [CrossRef]
- Jin, Y.; Shen, Y.; Peng, J.; Xu, S.; Ding, G.; Yue, D.; You, H. Theory and Structure of the MSD Adder in Ternary Optical Computers. Sci. China Inf. Sci. 2011, 41, 541–551. [Google Scholar]
Disclaimer/Publisher’s Note: The statements, opinions and data contained in all publications are solely those of the individual author(s) and contributor(s) and not of MDPI and/or the editor(s). MDPI and/or the editor(s) disclaim responsibility for any injury to people or property resulting from any ideas, methods, instructions or products referred to in the content. |
© 2024 by the authors. Licensee MDPI, Basel, Switzerland. This article is an open access article distributed under the terms and conditions of the Creative Commons Attribution (CC BY) license (https://creativecommons.org/licenses/by/4.0/).











