A Novel 10-Watt-Level High-Power Microwave Rectifier with an Inverse Class-F Harmonic Network for Microwave Power Transmission
Abstract
1. Introduction
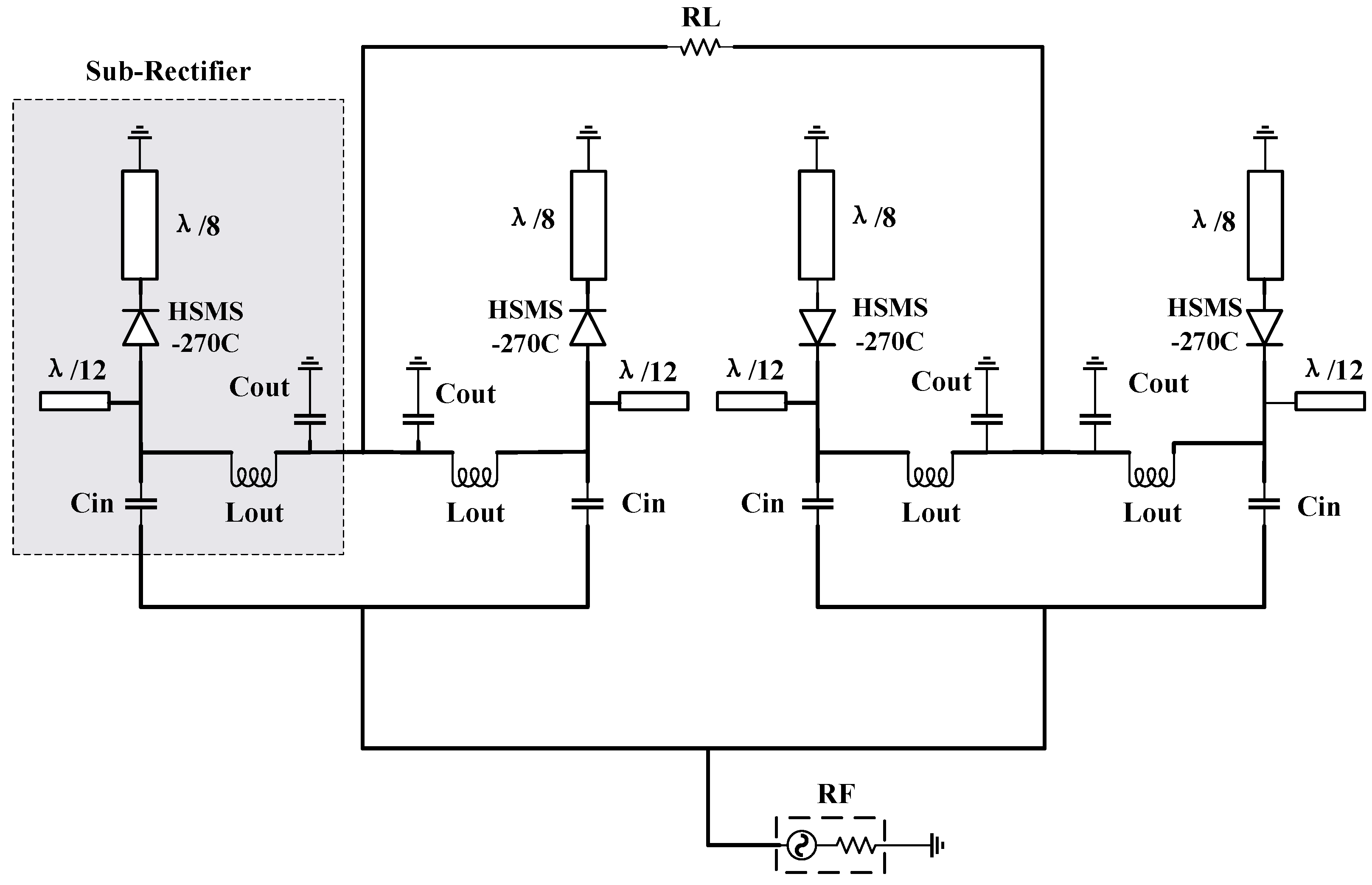
2. Design of a High-Power Rectifier
2.1. Design of a Sub-Rectifier
2.2. Design of a Power Divider
2.3. Design of Dc Synthesis
3. Simulation and Measurement of a High-Power Rectifier
- expresses the conversion efficiency of the rectifier.
- denotes the dc output power of the rectifier.
- signifies the microwave input power of the rectifier.
- represents the dc voltage across the resistor load.
- is the resistor load.
4. Conclusions
Author Contributions
Funding
Data Availability Statement
Conflicts of Interest
References
- Shoki, H. Issues and initiatives for practical use of wireless power transmission technologies in Japan. In Proceedings of the 2011 IEEE MTT-S International Microwave Workshop Series on Innovative Wireless Power Transmission: Technologies, Systems, and Applications, Kyoto, Japan, 12–13 May 2011; pp. 87–90. [Google Scholar] [CrossRef]
- Andrei, M.; Claudiu, B.; Vadan, I. Wireless Power Transmission—State of the Art and Applications. In Proceedings of the 2019 8th International Conference on Modern Power Systems (MPS), Cluj, Romania, 21–23 May 2019; pp. 1–6. [Google Scholar] [CrossRef]
- Li, J.L.W. Wireless power transmission: State-of-the-arts in technologies and potential applications (invited paper). In Proceedings of the Asia-Pacific Microwave Conference 2011, Melbourne, Australia, 5–8 December 2011; pp. 86–89. [Google Scholar]
- Dong, Y.; Dong, S.W.; Gao, S.; Wang, Y.; Li, X.; Wei, G. Design of Microwave Power Transmission System for Space Solar Power Station Demonstration. In Proceedings of the 2020 IEEE Wireless Power Transfer Conference (WPTC), Seoul, Republic of Korea, 15–19 November 2020; pp. 13–15. [Google Scholar] [CrossRef]
- Tanaka, K.; Kenichiro, M.; Takahashi, M.; Ishii, T.; Sasaki, S. Development of bread board model for microwave power transmission experiment from space to ground using small scientific satellite. In Proceedings of the 2012 IEEE MTT-S International Microwave Workshop Series on Innovative Wireless Power Transmission: Technologies, Systems, and Applications, Kyoto, Japan, 10–11 May 2012; pp. 191–194. [Google Scholar] [CrossRef]
- Shinohara, N. History and Innovation of Wireless Power Transfer via Microwaves. IEEE J. Microw. 2021, 1, 218–228. [Google Scholar] [CrossRef]
- Fuse, Y.; Saito, T.; Mihara, S.; Ijichi, K.; Namura, K.; Honma, Y.; Sasaki, T.; Ozawa, Y.; Fujiwara, E.; Fujiwara, T. Outline and progress of the Japanese microwave energy transmission program for SSPS. In Proceedings of the 2011 IEEE MTT-S International Microwave Workshop Series on Innovative Wireless Power Transmission: Technologies, Systems, and Applications, Kyoto, Japan, 12–13 May 2011; pp. 47–50. [Google Scholar] [CrossRef]
- Li, B.; Hu, B.-J.; Li, X.; Deng, M.; Wei, Z.-H. Efficiency enhancement of long-distance wireless power transmission using time reversal technique. In Proceedings of the 2016 IEEE International Conference on Computational Electromagnetics (ICCEM), Guangzhou, China, 23–25 February 2016; pp. 49–51. [Google Scholar] [CrossRef]
- Jiang, H.; Dou, W. Methods for Improving the Distance of Microwave Wireless Power Transmission with a Given Beam Collection Efficiency. IEEE Antennas Wirel. Propag. Lett. 2020, 19, 2112–2116. [Google Scholar] [CrossRef]
- Kawasaki, S.; Kobayashi, Y.; Yoshida, S. High-power, high-efficiency microwave circuits and modules for wireless power transfer based on green-Eco technology. In Proceedings of the 2013 IEEE Radio and Wireless Symposium, Austin, TX, USA, 20–23 January 2013; pp. 28–30. [Google Scholar] [CrossRef]
- Hu, L.; Ma, X.; Yang, G.; Zhang, Q.; Zhao, D.; Cao, W.; Wang, B.-Z. Auto-Tracking Time Reversal Wireless Power Transfer System with a Low-Profile Planar RF-Channel Cascaded Transmitter. IEEE Trans. Ind. Electron. 2023, 70, 4245–4255. [Google Scholar] [CrossRef]
- Chaari, M.Z.; Al-maadeed, S. Wireless Power Transmission for the Internet of Things (IoT). In Proceedings of the 2020 IEEE International Conference on Informatics, IoT, and Enabling Technologies (ICIoT), Doha, Qatar, 2–5 February 2020; pp. 549–554. [Google Scholar] [CrossRef]
- Halimi, M.A.; Khan, T.; Palandoken, M.; Kishk, A.A.; Antar, Y.M.M. Rectifier Design Challenges for Wireless Energy Harvesting/Wireless Power Transfer Systems: Broadening Bandwidth and Extended Input Power Range. IEEE Microw. Mag. 2023, 24, 54–67. [Google Scholar] [CrossRef]
- Yu, X.; Lin, Y.-X.; Mitrovic, I.Z.; Hall, S.; Chao, D.-S.; Liang, J.-H.; Huang, Y.; Yen, T.-J.; Zhou, J. 900 MHz RF Power Rectifier Based on Ultra-low Turn-on Voltage Quasi-vertical GaN Schottky Diode. In Proceedings of the 2024 IEEE Wireless Power Technology Conference and Expo (WPTCE), Kyoto, Japan, 8–11 May 2024; pp. 441–444. [Google Scholar] [CrossRef]
- Xiao, H.; Zhang, H.; Song, W.; Wang, J.; Chen, W.; Lu, M. A High-Input Power Rectifier Circuit for 2.45-GHz Microwave Wireless Power Transmission. IEEE Trans. Ind. Electron. 2022, 69, 2896–2903. [Google Scholar] [CrossRef]
- Lai, S.; Zhang, Z.; Liu, Z.; Wang, G.; Zhou, Y.; Zhu, H.; Yang, Y. A Novel Self-Adaptive Rectifier with High Efficiency and Wide Input Power Range. Electronics 2023, 12, 712. [Google Scholar] [CrossRef]
- Nguyen, D.-A.; Woo, K.; Bui, G.T.; Nam, H.; Seo, C. Wide Dynamic-Range and High-Efficiency Shunt-Diode Rectifier Based on Class-R Harmonic Control and Resistance Compression Network. IEEE Trans. Circuits Syst. II Express Briefs 2024, 71, 2359–2363. [Google Scholar] [CrossRef]
- Chen, Y.-S.; Chiu, C.-W. Maximum Achievable Power Conversion Efficiency Obtained Through an Optimized Rectenna Structure for RF Energy Harvesting. IEEE Trans. Antennas Propag. 2017, 65, 2305–2317. [Google Scholar] [CrossRef]
- Zeng, B.H.; Zheng, S.Y.; Leung, K.W.; Xia, M.H. An Ultrawideband High-Efficiency Rectifier Based on Harmonic Feedback Topology. IEEE Trans. Ind. Electron. 2022, 69, 7974–7983. [Google Scholar] [CrossRef]
- Zhang, X.Y.; Du, Z.-X.; Xue, Q. High-Efficiency Broadband Rectifier with Wide Ranges of Input Power and Output Load Based on Branch-Line Coupler. IEEE Trans. Circuits Syst. I Regul. Pap. 2017, 64, 731–739. [Google Scholar] [CrossRef]
- Yue, Z.; Xu, X.; Li, S.; Lin, X.Q.; Zhong, L.J.; Shi, M.D. Design of Efficient and Compact Ultrawideband Rectifier for Sub-6 GHz WPT/EH. IEEE Microw. Wirel. Technol. Lett. 2023, 33, 1490–1493. [Google Scholar] [CrossRef]
- Huang, F.; Chu, C.; Zhang, Y.; Tian, K.; Jia, X.; Peng, H.; Zhang, Z.-H. GaN-based quasi-vertical Schottky barrier diodes with the sidewall field plate termination for obtaining low leakage current and high breakdown voltage. In Proceedings of the 2021 IEEE 1st International Power Electronics and Application Symposium (PEAS), Shanghai, China, 13–15 November 2021; pp. 1–4. [Google Scholar] [CrossRef]
- Li, S.; Xu, X.; Kang, X.; Lan, J.; Yue, Z.; Zhao, R.; Wu, H.; Liu, X.; Lin, X. High-Efficiency and High-Power Rectifiers Using Cost-Effective AlGaN/GaN Schottky Diode with Accurate Large-Signal Parameter Extraction. IEEE Microw. Wirel. Technol. Lett. 2024, 34, 560–563. [Google Scholar] [CrossRef]
- Dang, K.; Zhang, J.; Zhou, H.; Huang, S.; Zhang, T.; Bian, Z.; Zhang, Y.; Wang, X.; Zhao, S.; Wei, K.; et al. A 5.8-GHz High-Power and High-Efficiency Rectifier Circuit with Lateral GaN Schottky Diode for Wireless Power Transfer. IEEE Trans. Power Electron. 2020, 35, 2247–2252. [Google Scholar] [CrossRef]
- Zhang, H.; Li, D.; Wang, Z.; Yang, L.; Shinohara, N.; Liu, Y. A Compact High-Efficiency Wideband Watt-Level RF Rectifier for Microwave Power Transfer. In Proceedings of the 2024 IEEE Wireless Power Technology Conference and Expo (WPTCE), Kyoto, Japan, 8–11 May 2024; pp. 445–448. [Google Scholar] [CrossRef]
- Zhang, B.; Zhao, X.; Yu, C.; Huang, K.; Liu, C. A Power Enhanced High Efficiency 2.45 GHz Rectifier Based on Diode Array. J. Electromagn. Waves Appl. 2012, 25, 765–774. [Google Scholar] [CrossRef]
- Young Yun, W.; Youngoo, Y.; Bumman, K. Analysis and experiments for high-efficiency class-F and inverse class-F power amplifiers. IEEE Trans. Microw. Theory Tech. 2006, 54, 1969–1974. [Google Scholar] [CrossRef]
- Bui, G.T.; Nguyen, D.-A.; Seo, C. A Novel Design of Dual-Band Inverse Class-F Shunt-Diode Rectifier for Energy Harvesting. IEEE Trans. Circuits Syst. II Express Briefs 2023, 70, 2345–2349. [Google Scholar] [CrossRef]
- Guo, J.; Zhang, H.; Zhu, X. Theoretical Analysis of RF-dc Conversion Efficiency for Class-F Rectifiers. IEEE Trans. Microw. Theory Tech. 2014, 62, 977–985. [Google Scholar] [CrossRef]
- Xiao, H.; Song, W.; Chen, J.; Su, D.; Lu, W.; Zhang, H. An Impedance-Matching Voltage Regulator for High-Power Rectifier in Microwave Wireless Power Transmission. IEEE J. Emerg. Sel. Top. Power Electron. 2024, 12, 1173–1184. [Google Scholar] [CrossRef]
- Liou, C.-Y.; Lee, M.-L.; Huang, S.-S.; Mao, S.-G. High-Power and High-Efficiency RF Rectifiers Using Series and Parallel Power-Dividing Networks and Their Applications to Wirelessly Powered Devices. IEEE Trans. Microw. Theory Tech. 2013, 61, 616–624. [Google Scholar] [CrossRef]








| Ref. | Freq. (GHz) | Pin (dBm) | Eff. (%) | Vout (V) | RL (Ω) | Size (mm2) | Model | BV (V) |
|---|---|---|---|---|---|---|---|---|
| [24] | 5.8 | 34 | 71 | 23.1 | 300 | \ | GaN | 164 |
| [25] | 0.433 | 30 | 79 | \ | \ | 30 × 30 | HSMS-282P | 15 |
| [26] | 2.45 | 33 | 66.8 | 23 | 400 | 60 × 50 | HSMS-282P | 15 |
| [15] | 2.45 | 30 | 74.4 | 11.8 | 190 | 80 × 20 | HSMS-2820 | 15 |
| [30] | 2.45 | 38 | 79 | 31.5 | 200 | 30 × 36 | HSMS-270P | 25 |
| [31] | 0.92 | 41 | 62 | 8.76 | 10 | \ | HSMS-2702 | 25 |
| This work | 2.45 | 40 | 61.1 | 23.9 | 94 | 64.7 × 48.5 | HSMS-270C | 25 |
Disclaimer/Publisher’s Note: The statements, opinions and data contained in all publications are solely those of the individual author(s) and contributor(s) and not of MDPI and/or the editor(s). MDPI and/or the editor(s) disclaim responsibility for any injury to people or property resulting from any ideas, methods, instructions or products referred to in the content. |
© 2024 by the authors. Licensee MDPI, Basel, Switzerland. This article is an open access article distributed under the terms and conditions of the Creative Commons Attribution (CC BY) license (https://creativecommons.org/licenses/by/4.0/).
Share and Cite
Peng, J.; Wang, S.; Li, X.; Wang, K. A Novel 10-Watt-Level High-Power Microwave Rectifier with an Inverse Class-F Harmonic Network for Microwave Power Transmission. Electronics 2024, 13, 3705. https://doi.org/10.3390/electronics13183705
Peng J, Wang S, Li X, Wang K. A Novel 10-Watt-Level High-Power Microwave Rectifier with an Inverse Class-F Harmonic Network for Microwave Power Transmission. Electronics. 2024; 13(18):3705. https://doi.org/10.3390/electronics13183705
Chicago/Turabian StylePeng, Jing, Shouhao Wang, Xiaoning Li, and Ke Wang. 2024. "A Novel 10-Watt-Level High-Power Microwave Rectifier with an Inverse Class-F Harmonic Network for Microwave Power Transmission" Electronics 13, no. 18: 3705. https://doi.org/10.3390/electronics13183705
APA StylePeng, J., Wang, S., Li, X., & Wang, K. (2024). A Novel 10-Watt-Level High-Power Microwave Rectifier with an Inverse Class-F Harmonic Network for Microwave Power Transmission. Electronics, 13(18), 3705. https://doi.org/10.3390/electronics13183705
