Abstract
The overtaking process for autonomous vehicles must prioritize both efficiency and safety, with safe distance being a crucial parameter. To address this, we propose an automatic overtaking path planning method based on minimal safe distance, ensuring both maneuvering efficiency and safety. This method combines the steady movement and comfort of the constant velocity offset model with the smoothness of the sine function model, creating a mixed-function model that is effective for planning lateral motion. For precise longitudinal motion planning, the overtaking process is divided into five stages, with each stage’s velocity and travel time calculated. To enhance the control system, the model predictive control (MPC) algorithm is applied, establishing a robust trajectory tracking control system for overtaking. Numerical simulation results demonstrate that the proposed overtaking path planning method can generate smooth and continuous paths. Under the MPC framework, the autonomous vehicle efficiently and safely performs automatic overtaking maneuvers, showcasing the method’s potential to improve the performance and reliability of autonomous driving systems.
1. Introduction
With the increase in the number of vehicles, traffic accidents have surged dramatically. Many of these accidents are due to drivers’ judgment errors or mishandling, causing significant loss of life and property and severely impacting the efficiency and safety of the transportation system. To address these issues, intelligent vehicle technology has emerged. The primary reasons for the development of intelligent vehicles include improving road traffic safety, enhancing traffic efficiency, and reducing congestion [1,2,3]. Automatic overtaking control is an important symbol of intelligent vehicle technology above Level 3 [4]. With precise sensors and advanced algorithms, intelligent vehicles can perform safe and efficient overtaking maneuvers, thereby reducing accidents caused by human factors. Research and application of automatic overtaking control technology are essential for enhancing the overall safety and reliability of future transportation systems [5,6].
In autonomous vehicle overtaking processes, lane changing time emerges as a crucial factor influencing safety, comfort, and traffic efficiency [7]. According to Dixit et al. [8], the overtaking process of autonomous vehicles can be divided into two scenarios: straight driving and lane changing driving. Lane changing driving, a challenging aspect of overtaking path planning, is a focal point of path planning research. Effective path planning for lane changes involves both lateral and longitudinal motion planning [9,10]. Models like the constant velocity offset model [11,12], the sine function model [13,14], the trapezoidal lateral acceleration model [15,16], and the sigmoid function model [17,18] are often used for lateral motion planning, which is important for making sure that movements are smooth and stable. The constant velocity offset model, characterized by zero lateral acceleration, provides high comfort but suffers from discontinuous path curvature at lane centerline intersections, which affects vehicle handling stability. The sine function model, known for its stability, achieves smooth and continuous lane change paths, but excessive lateral acceleration in critical safety distance scenarios can compromise safety and comfort. The trapezoidal lateral acceleration model offers predefined lateral acceleration, but it is computationally complex and difficult to adjust, making it unsuitable for variable overtaking conditions. The sigmoid function model changes the lane changing time dynamically, which makes transitions smooth and allows for flexibility in different traffic conditions. However, it can be hard to implement in real time and may cause higher computational loads, which could make it less responsive in traffic situations that change quickly.
Longitudinal motion planning plays a vital role in ensuring the safety and efficiency of lane changes in autonomous vehicles [19,20]. Recent studies have introduced various methods for determining longitudinal motion based on time-based models, each with distinct advantages and limitations. Constant velocity models [21], where vehicles maintain a uniform speed during lane changes, are straightforward and computationally efficient but lack flexibility in adapting to dynamic traffic conditions, making them less effective in complex environments. Variable velocity models [22,23], which adjust speed in real time based on traffic conditions, offer greater adaptability and improved safety margins. However, these models require sophisticated algorithms and significant computational resources to process real-time data. Time-based approaches [24], which plan velocity based on a predefined timeline, ensure that lane changes occur within a specific period, enhancing predictability and coordination with surrounding traffic. Despite these benefits, time-based models may struggle with sudden changes in traffic conditions, potentially compromising safety [25].
Distance-based models adjust the vehicle’s speed based on the distance to other vehicles, aiming to maintain safe following distances throughout the lane change process [26,27]. These models provide a satisfactory balance between safety and efficiency but can be challenging to implement accurately in high-density traffic scenarios due to the need for precise distance measurements and quick adjustments. Acceleration-based models [28,29], which plan lane changes by controlling the vehicle’s acceleration to achieve desired speed profiles, offer smooth transitions and can handle varying traffic conditions effectively. However, they require detailed modeling of vehicle dynamics and may lead to higher computational demands. Hybrid models [30] that combine aspects of the above methods have also been proposed to leverage the strengths of each approach while mitigating their weaknesses. For example, integrating variable velocity with distance-based adjustments can improve both adaptability and safety, but it may also increase the system’s complexity and computational load. Overall, while each method for longitudinal speed determination during lane changes has distinct benefits, the choice of approach often depends on specific traffic conditions, computational capabilities, and the desired balance between safety and efficiency. Recent advancements continue to enhance these models, aiming to optimize the performance of autonomous vehicles in increasingly complex driving environments.
Trajectory tracking control is fundamental for autonomous vehicles to accurately follow planned paths while maintaining stability and safety. Over the past decade, several methods have been proposed and refined for this purpose. Non-intelligent control methods include model predictive control (MPC), proportional–integral–derivative (PID) control, and sliding mode control (SMC). MPC has emerged as a leading approach due to its ability to handle multi-variable control problems and optimize control actions over a future time horizon while considering vehicle dynamics and constraints. MPC’s robustness and adaptability make it highly effective in dynamic environments, although it demands significant computational resources, which can be a limitation in real-time applications [31,32]. PID control is valued for its simplicity and ease of implementation, providing adequate performance in steady-state conditions. However, PID struggles with the complexity of real-time trajectory tracking in dynamic scenarios due to its inability to manage multi-variable interactions and constraints effectively [33]. SMC offers robustness against system uncertainties and external disturbances, making it suitable for harsh environments, but can cause chattering effects that affect passenger comfort and require additional smoothing techniques [34].
Intelligent control methods, leveraging advanced computational techniques, have also gained prominence in trajectory tracking. Fuzzy logic control (FLC) uses fuzzy sets to handle uncertainty and imprecision in system modeling, providing smooth control actions that mimic human decision making. Despite these advantages, FLC requires extensive tuning and might not generalize well across different driving conditions [35]. Neural network (NN)-based control methods have gained traction due to their ability to learn and adapt to complex, non-linear relationships from data. NN controllers can improve over time and adapt to various scenarios, but they require large datasets for training and are computationally intensive, which limits their real-time application [36]. Reinforcement learning (RL) is another innovative approach, where control policies are learned through interactions with the environment to maximize long-term rewards. RL methods can achieve high performance but often require substantial training time and computational resources, and their effectiveness can be sensitive to the design of the reward function and exploration strategies [37]. While intelligent control methods offer advanced capabilities and adaptability, they often come with higher computational demands and the need for extensive data and tuning. In conclusion, despite the benefits and advancements offered by intelligent control methods, MPC remains highly advantageous for trajectory tracking in autonomous vehicles due to its robustness and optimization capabilities in handling dynamic, multi-variable environments.
To improve traffic efficiency and vehicle driving safety, this study proposes a novel method for autonomous vehicle overtaking path planning and trajectory tracking. The method ensures both maneuvering efficiency and safety by integrating a constant velocity offset model and a sine function model to form a mixed-function model for lane changing, addressing the limitations of individual lane changing models in reconciling path smoothness, computational load, and adjustability. It meticulously segments the overtaking process into five stages, enabling precise longitudinal motion planning. The phased, independent longitudinal motion control more accurately ensures the critical safe distance, significantly enhancing overtaking efficiency and vehicle safety. This overtaking path planning is then employed in an MPC framework to establish a robust trajectory tracking control system. This overtaking path planning is then employed in an MPC framework to establish a robust trajectory tracking control system. The main contributions of this research can be summarized as follows:
- (1)
- Mixed-function model for lane changing. The study introduces a mixed-function model that combines the handling stability of the constant velocity offset model with the smoothness of the sine function model. This innovative approach mitigates the drawbacks of each individual model, providing a balanced solution that ensures smoother transitions and improved vehicle handling stability during lane changes.
- (2)
- Comprehensive longitudinal motion planning. The study meticulously segments the overtaking process into five stages, allowing for precise longitudinal motion planning. This detailed segmentation ensures that the vehicle always maintains a safe distance from surrounding vehicles, enhancing the safety, reliability, and traffic efficiency of autonomous overtaking maneuvers.
- (3)
- Enhanced trajectory tracking using MPC. The application of the MPC algorithm in trajectory tracking for the proposed overtaking path planning method is another significant innovation. The MPC framework optimizes the control actions over a future time horizon, considering vehicle dynamics and constraints, thus ensuring accurate and stable trajectory tracking in real-time traffic conditions.
2. Description of Overtaking Process Based on Critical Safety Distance
The overtaking process of autonomous vehicles involves two lane changes and can be broken down into the preparation phase before overtaking, the overtaking phase, and the adjustment phase after overtaking, as illustrated in Figure 1. The status of surrounding vehicles is recognized through advanced environmental sensing technologies, such as ultrasonic sensors, light detection and ranging (LiDAR), and roadside perception devices that are part of the intelligent transportation system. Additionally, vehicle-to-everything (V2X) communication devices enable the sharing of real-time vehicle status information between vehicles, including connected and automated vehicles (CAVs) [38,39].
Figure 1.
Description of overtaking process based on critical safety distance.
During the overtaking process, vehicle M must maintain a certain safe distance from vehicles F, R, N, and E. Therefore, this paper details the lane change process in five stages. At time t0, vehicle M detects that its speed is greater than that of the preceding vehicle F and intends to overtake.
Longitudinal following stage: vehicle M adjusts its speed until it is separated from vehicle F by the minimal safe distance H1.
First lane change preparation stage: Before the first lane change, vehicle M adjusts its longitudinal distance from the rear vehicle R in the adjacent lane to ensure that the distance between them is the minimal safe distance H2 after the lane change.
First lane change stage: vehicle M performs the first lane change and maintains the minimal safe distance H2 from the leading vehicle N in the adjacent lane after the lane change.
Second lane change preparation stage: vehicle M adjusts its longitudinal distance from vehicle F to ensure a separation of H1 after the lane change.
Second lane change stage: vehicle M performs the second lane change and, upon completion, maintains a safe distance H1 from the leading vehicle E in the adjacent lane.
It should be noted that the safe distances H1 and H2 are determined by the driving speeds of the slow lane and rapid lane, respectively.
From the perspective of maneuvering during the overtaking process, it can be divided into two operational conditions: straight driving and lane changing driving. This study conducts both lateral and longitudinal speed planning for these two conditions to ensure that the autonomous vehicle M remains within a safe range relative to other vehicles, enabling critical safety distance. During its journey, the autonomous vehicle M continuously scans the distances between the vehicles behind it in the rapid lane. Automatic overtaking control is only initiated when the distance between vehicles R and N is greater than or equal to 2H2. Similarly, when the autonomous vehicle M changes from the rapid lane to the slow lane, the second lane change only begins when the distance between vehicles F and E is greater than or equal to 2H1.
The critical safe distance is the minimum distance that should be maintained between two vehicles traveling in the same lane. This distance ensures that when the trailing vehicle applies maximum acceleration to brake to a complete stop, no collision occurs between the two vehicles, as well as an additional safety margin. In practical applications, the critical safe distance is essential for determining the initial spacing between vehicles, ensuring that all lane changing maneuvers begin from a safe distance. This distance is used to establish the initial relative positions of vehicles, thereby maintaining safety throughout the overtaking process. The critical safe distance is given as follows [9]:
where H is the minimal safe distance; Vg is the vehicle’s driving speed; tm is the system reaction time; d0 is the safety margin; and ax,max is the vehicle’s maximum acceleration, defined as ax,max = μg, where μ is the road friction coefficient and g is the gravitational acceleration.
Considering the maximum longitudinal acceleration in the safe distance calculation is grounded in vehicle dynamics, as it directly impacts the vehicle’s ability to stop safely in unexpected situations. This ensures that the planned path and speed are dynamically executable, taking into account the physical limitations of the vehicle. The inclusion of ax,max in the safe distance calculation allows the path planning algorithm to generate trajectories that are not only collision-free but also maintain vehicle stability and safety, even under maximum deceleration conditions.
3. Later Motion Planning Based on Lane Changing Model
Lane changing models are critical for planning the lateral motion of a vehicle during overtaking maneuvers, impacting the smoothness, stability, and safety of the motion. Effective lane changing models ensure that the vehicle can perform overtaking maneuvers safely and comfortably while maintaining a desired trajectory. The constant velocity offset model and the sine function model are two commonly used lane changing models. The lateral displacement and velocity derived from these models are used to define the lane changing path, ensuring smooth and stable transitions that meet safety and performance requirements. However, when used independently, these models exhibit issues such as discontinuous road curvature, difficulty in trajectory tracking, and limited flexibility in lane change planning. This study aims to combine the advantages of both models and propose a new mixed-function model.
3.1. Constant Velocity Offset Model
The lane change trajectory of the constant velocity offset model is a straight line from the starting point to the ending point of the lane change. In this model, the lateral speed is constant, and the lateral acceleration is zero. The expression is as follows:
where Lstr is the lateral displacement, wd is the lane width, T is the lane changing time, and t is the time.
3.2. Sine Function Model
The lateral acceleration in this model is a sine function of time. By differentiating the lateral displacement with respect to time twice, the lateral speed and lateral acceleration of the vehicle during the lane change process can be obtained. They are expressed as follows:
where Lsin is the lateral displacement of the sinusoidal lateral acceleration model. Vy,sin is the lateral speed, and ay,sin is the lateral acceleration.
3.3. Mixed-Function Model
When a vehicle changes lanes using the constant velocity offset model, the lateral acceleration is zero, which provides the best ride comfort. However, the intersection point of the lane change path and the lane centerline is a turning point where the path curvature changes abruptly. This abrupt change in lateral acceleration, especially at the initial lane change point, causes a large steering wheel angle, significantly reducing vehicle handling stability. In contrast, the sinusoidal lateral acceleration model offers excellent path continuity and a smaller steering wheel angle. However, the desired lateral acceleration in this model can only be adjusted by changing the lane change time; the longer the lane change time, the smaller the lateral acceleration. In the context of automatic overtaking control based on minimal safe distance, lane change time is limited, making it challenging to adjust the sinusoidal lateral acceleration. Both lane change models require a specified lane change time and cannot adapt to the traffic environment. Additionally, lane change time reflects the vehicle’s lateral motion speed and acceleration during the lane change, directly impacting the driving experience and ride comfort. A fixed lane change time cannot alter driving styles. Drawing on the handling stability and comfort of the latter stage of the constant velocity offset model, as well as the smoothness of the lane change process in the sinusoidal lateral acceleration model, this study combines the two-lane change models and proposes a mixed-function model for lane changing.
To avoid the sudden change in steering wheel angle at the initial moment of the lane change in the constant velocity offset model, which can lead to lateral instability, and to achieve flexible adjustment of lateral acceleration in the sinusoidal lateral acceleration model, further enhancing vehicle handling stability and ride comfort during overtaking at minimal safe distances, this study proposes a mixed-function model. This model is formulated by a weighted summation of the constant velocity offset model and the sinusoidal lateral acceleration model, and is expressed as follows:
where Lmix is the lateral displacement of the mixed-function model and p is the weight coefficient, which ranges from 0 to 1.
The weight coefficients in the mixed-function model have a significant impact on the handling stability and ride comfort of the automatic overtaking control based on critical safety distance. During the overtaking process, the vehicle’s lateral acceleration and front wheel steering angle are key states that characterize vehicle handling stability and ride comfort. Therefore, this study designs the following objective performance indicators based on these two states:
where δmax and ay,max are the maximum steering wheel angle and maximum lateral acceleration during the lane change process, respectively.
Under different longitudinal speeds and weight coefficients, the vehicle follows the mixed-function lane change model. At each sampling time, the maximum steering wheel angle and lateral acceleration of the vehicle are extracted, and the objective performance indicators are calculated. The average value of Jp over a single lane change process is computed to obtain Jmean, which characterizes the performance of the vehicle following the mixed-function model during this lane change. The relationship between Jmean, Vx, and p is shown in Figure 2.
Figure 2.
Relationship curve between Jmean, Vx, and p.
As shown in Figure 2, when the longitudinal speed Vx is given, the optimal mixed-function model can be quickly identified by finding the p value corresponding to the minimum Jmean. In the process of automatic vehicle overtaking based on minimal safe distance, real-time performance is highly required. This offline lookup method, which does not require online real-time calculation, can significantly improve the real-time performance of the control system.
4. Longitudinal Motion Planning with Determining Longitudinal Velocity
To ensure that a vehicle safely and reliably completes automatic overtaking at a critical safety distance, it is essential to maintain an appropriate safe distance from surrounding vehicles during the overtaking process. For example, before changing lanes, the vehicle must keep a safe distance from the vehicles in front and behind in its current lane. After changing lanes, it must maintain a safe distance from the vehicles in front and behind in the target lane. For ease of calculating safe distances, the overtaking process is divided into two types of driving behaviors: straight driving and lane changing driving. During straight driving, the real-time distance and speed of surrounding vehicles are monitored to determine if the overtaking conditions are met. If the conditions are satisfied, the vehicle proceeds to the lane changing stage; otherwise, the speed is adjusted to meet the overtaking conditions, or the overtaking is abandoned. During lane changing driving, the vehicle’s longitudinal acceleration is controlled to ensure that, after the lane change, it maintains an appropriate safe distance from the vehicles in the target lane.
This study uses the overtaking scenario illustrated in Figure 1 as an example. The moment when vehicle M detects a vehicle ahead, its own speed exceeds that of the preceding vehicle, and it decides to initiate automatic overtaking is defined as time t0. The entire overtaking process is divided into five stages. Next, the longitudinal path planning for each stage will be discussed individually. It is important to note that, for ease of calculation, these five stages are not introduced in sequential order in this section.
(1) First lane change stage
The first lane change stage occurs from time t2 to time t3. Since vehicle M only needs to adjust its longitudinal speed during the lane change stage to ensure a safe distance of H2 from the vehicle ahead, and is not influenced by other vehicles during the lane change, this study first plans the longitudinal speed for this stage. During this stage, vehicle M changes from the slow lane to the rapid lane and, upon completing the lane change, maintains a safe distance of H2 from the leading vehicle N in the adjacent lane. Figure 3 illustrates the lane change process at this stage.
Figure 3.
First lane change stage of automatic overtaking.
Given that the speed of vehicle M at time t2 is VM2, and the lane change time for the first lane change stage is t3 − t2, the relative position relationship between vehicle M and vehicle N at time t3 can be expressed as follows:
where XM23 and XN23 are the longitudinal displacements of vehicles M and N from time t2 to time t3, respectively, during the first lane change stage. dMN2 is the longitudinal distance between the two vehicles at time t2.
Assuming that the longitudinal acceleration of vehicle M during the first lane change stage, from time t2 to time t3, is aM23, Equation (6) can be rewritten as:
Solving Equation (7), the longitudinal acceleration of vehicle M during the first lane change stage can be obtained as:
This longitudinal acceleration is used to ensure that the vehicle maintains a safe distance from both leading and following vehicles during the lane changing driving, directly influencing the timing and speed of the maneuver.
(2) Longitudinal following stage
The longitudinal following stage occurs from time t0 to time t1. During this stage, vehicle M detects a vehicle ahead and realizes that its own speed is greater than that of the vehicle in front, thereby initiating the intention to overtake. At this point, vehicle M needs to adjust its speed to achieve the minimal safe distance H1 from the preceding vehicle F. In this stage, vehicle M controls its longitudinal acceleration to gradually decrease the distance from the preceding vehicle until it reaches the safe distance H1. The longitudinal following process for this stage is illustrated in Figure 4.
Figure 4.
Longitudinal following stage of automatic overtaking.
In the longitudinal following stage, vehicle M needs to decelerate from its initial speed VM0 at time t0 to VM1 at time t1 (where VM1 = VF) to match the speed of the preceding vehicle F. During this process, the distance between vehicle M and the preceding vehicle F gradually decreases and reaches the minimal safe distance H1 at time t1. Specifically, at time t1, the relative position relationship between vehicles M and F can be expressed as follows:
where XM01 and XF01 are the longitudinal displacements of vehicles M and F from time t0 to time t1, respectively, during the longitudinal following stage. dMF0 is the initial distance between the two vehicles at time t0.
It can also be expressed as:
Solving Equation (10), the duration of the longitudinal following stage is expressed as:
In the longitudinal following stage, the distance dMF01(t) between vehicles M and F from time t0 to time t1 is expressed as:
When the distance dMF0(t) between the vehicles M and F at time t0 reaches the minimal safe distance H1, the relative speed between vehicle M and the leading vehicle F becomes zero, and the two vehicles maintain relative stillness. This indicates that vehicle M has successfully decelerated and matched the speed of the leading vehicle. At this point, if the conditions in the adjacent lane meet the requirements for a lane change, vehicle M will immediately initiate automatic overtaking control, changing lanes to the left into the rapid lane and starting the next stage of the overtaking process.
(3) First lane change preparation stage
The first lane change preparation stage occurs from time t1 to time t2. When vehicle M is preparing to change lanes to the rapid lane, it must consider not only the safe distance from the leading vehicle F in its current lane but also the safe relationship with the rear vehicle R in the adjacent lane. Specifically, after changing lanes to the rapid lane, vehicle M needs to ensure that it maintains a safe distance H2 from vehicle R. This means that before initiating the lane change maneuver, the safety of the adjacent lane must be verified to ensure that, after the lane change, the distance between vehicle M and the rear vehicle R meets the safety requirements, as shown in Figure 5.
Figure 5.
First lane change preparation stage of automatic overtaking.
The first lane change preparation stage involves adjusting the longitudinal distance between vehicles M and R. During this stage, vehicles M and R continue to travel at constant speeds Vm1 and VR respectively. At time t2, the relative position relationship between vehicles M and R can be expressed as:
where XM12 and XR12 are the longitudinal displacements of vehicles M and R from time t1 to time t2, respectively, during the lane change preparation stage. dMR1 and dMR2 are the distances between vehicles M and R at times t1 and t2, respectively.
Equation (13) can be rewritten as:
The duration of the first lane change preparation stage is expressed as:
Since dMR2 in Equation (15) is unknown, it needs to be predetermined. To ensure that vehicle M maintains a minimal safe distance H2 from vehicle R after the lane change, dMR2 can be calculated using the relative position relationship between vehicles M and R during the first lane change stage. At time t3, the relative position relationship between vehicles M and R can be expressed as:
where XR23 is the longitudinal displacement of vehicle R from time t2 to time t3 during the lane change preparation stage.
Equation (16) can be rewritten as:
By solving Equation (17), dMR2 can be expressed as:
By substituting dMR2 into Equation (15), the duration of the first lane change preparation stage can be obtained. Consequently, the expression for the distance dMR12(t) between vehicles M and R from time t1 to time t2 during this stage is given by:
When the distance dMN12(t) between vehicles M and N reaches dMR2, the condition for a left lane change is satisfied, and vehicle M will immediately change lanes to the left into the rapid lane. This ensures that safe distances H2 are maintained between vehicle M and both vehicles R and N.
(4) Second lane change stage
The second lane change stage occurs from time t4 to time t5. At time t4, vehicle M executes the second lane change, moving from the rapid lane to the slow lane. After completing the lane change, vehicle M is required to maintain the minimal safe distance H1 from the leading vehicle E in the adjacent lane, as shown in Figure 6.
Figure 6.
Second lane change stage of automatic overtaking.
Assuming that the longitudinal speed of vehicle M at time t4 is VM4, the second lane change time stage is t5 − t4. During this stage, vehicle M needs to change lanes from the rapid lane to the slow lane and, upon completing the lane change, maintain the minimal safe distance H1 from the leading vehicle E in the adjacent lane. At time t5, the relative position relationship between vehicles M and E can be expressed as follows:
XM45 and XE45 are the longitudinal displacements of vehicles M and E from time t4 to time t5, respectively, during the second lane change time stage. dME4 is the distance between vehicles M and E at time t5.
Assuming the longitudinal acceleration of vehicle M from time t4 to time t5 during the second lane change stage is aM45, Equation (20) can be rewritten as:
The longitudinal acceleration of vehicle M is expressed as:
Similar to aM23, vehicle M adjusts its speed and position based on aM45 to ensure that it maintains an appropriate safety distance during the lane change process, thereby avoiding collisions.
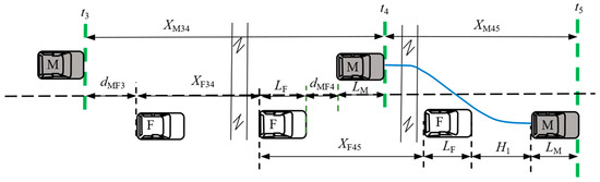
(5) Second lane change preparation stage
The second lane change preparation stage occurs time from t3 to t4. This stage is the phase where vehicles M and F adjust their longitudinal distance in preparation for the second lane change. When the longitudinal distance between the two vehicles reaches dMF4, vehicle M initiates the second automatic lane change. Upon completing the second lane change, vehicle M maintains the minimal safe distance H1 from vehicle F, as shown in Figure 7.
Figure 7.
Second lane change preparation stage of automatic overtaking.
The relative position relationship between vehicles M and F at time t4 can be expressed as:
where XM34 and XF34 are the longitudinal displacements of vehicles M and F from time t3 to time t4, respectively, during the second lane change preparation stage. dMF3 and dMF4 are the distances between the two vehicles at times t3 and t4, respectively. LM and LF are the lengths of vehicles M and F, respectively.
Assuming that the speed of vehicle M at time t3 is VM3, Equation (23) can be rewritten as:
The duration of the second lane change preparation stage is expressed as:
Since dMF3 and dMF4 in Equation (25) are unknown, they need to be predetermined. To ensure that after the lane change, vehicles M and F maintain the minimal safe distance H1, dMF4 is determined by the relative position relationship between vehicles M and F during the second lane change preparation stage. At time t5, the relative position relationship between vehicles M and F, as shown in the second lane change preparation stage of Figure 7, can be expressed as:
where XF45 is the longitudinal displacement of vehicle F from t4 to time t5 during the second lane change preparation stage.
Then dMF4 can be expressed as:
The value of dMF3 in Equation (24) can be calculated using the relative position between vehicles M and F at time t3 during the first lane change preparation stage (as shown in Figure 5):
where XF23 is the longitudinal displacement of vehicle F from time t2 to time t3 during the first lane change stage.
Further, dMF3 can be expressed as:
Finally, the distance dMF34(t) between vehicles M and F from t3 to t4 during the second lane change preparation stage can be expressed as:
When dMF34(t) reaches dMF4, the condition for vehicle M to change lanes to the slow lane is met. At this point, vehicle M will immediately change lanes to the right and enter the slow lane.
In summary, the five stages of the automatic overtaking process for vehicle M can be divided into two types of driving conditions: straight driving and lane changing driving. The straight driving process includes the longitudinal following stage, the first lane change preparation stage, and the second lane change preparation stage. During the first two stages, the control of the longitudinal distance between vehicle M and the leading vehicle F in the current lane and the rear vehicle R in the adjacent lane ensures that vehicle M does not collide with F before the first lane change and does not collide with R after the lane change. The second lane change preparation stage involves controlling the distance between M and F to ensure that M does not collide with F after the lane change. In the lane changing driving process, which includes the first lane change stage and the second lane change stage, the longitudinal acceleration and lane change time of vehicle M are controlled to ensure that M does not collide with the leading vehicles N and E in the adjacent lane after each lane change. By carefully planning the speeds for each of the five stages, the safety of vehicle M in the automatic overtaking process based on minimal safe distance is ensured.
5. Path Tracking Controller Design
MPC is widely used in trajectory control for autonomous vehicles due to its high control accuracy, robustness, and strong anti-interference capabilities. Therefore, this study employs MPC to track the planned overtaking path. Combining the linear two-degrees-of-freedom model and the lateral error model, the state space equation of the state prediction model can be expressed as:
where Vy is the lateral velocity, φ is the yaw angle, γ is the yaw rate, and e is the lateral deviation. Cf and Cr are the equivalent cornering stiffnesses of the front and rear tires, respectively. lf and lr are the distances from the center of mass to the front and rear axles, respectively. m is the total mass of the vehicle, Iz is the moment of inertia of the vehicle about the Z axis, and δ is the front wheel steering angle.
The vehicle dynamics model described by Equation (31) allows the MPC to predict the vehicle’s future states based on current conditions and control inputs, thereby optimizing steering actions to minimize tracking errors. The performance indicator for trajectory tracking control is defined as the lateral deviation, and the control output is expressed as:
The state space equations for Equations (31) and (32) can be written as:
where , u = [δ], , , .
Define the sampling time of the system as Ts. Discretizing Equation (33) yields:
where , , .
In the MPC algorithm, the prediction horizon is Np and the control horizon is Nc. At time k, the system prediction output vector Y and the control input vector ∆U within the prediction horizon Np are:
The system state variables within the prediction horizon Np can be expressed as:
Combining Equations (35) and (36), the expression for the output within the prediction horizon can be obtained as:
where , .
To ensure the accuracy of trajectory tracking during the automatic overtaking process, a quadratic objective function is defined as:
where eref and ereal are the desired lateral displacement and the actual lateral displacement of the vehicle, respectively. R and Q are the weight matrices for the control increment and the trajectory tracking accuracy, respectively.
When performing trajectory tracking control for an autonomous vehicle at high speeds, it is crucial to maintain both the accuracy of the trajectory tracking and the lateral stability of the vehicle. Excessive steering angles or abrupt control inputs can lead to vehicle instability, especially at high speeds. To prevent these issues, constraints must be imposed on performance indicators, control variables, and their increments to ensure that the vehicle operates within its safe physical limits. These constraints are essential for maintaining stability, preventing excessive lateral deviation, and ensuring smooth, controlled maneuvers. The constraints are defined as follows:
where emax is the maximum allowable lateral deviation, ΔUmax is the maximum allowable control increment, and Umax is the maximum allowable control input. These limits are set based on the vehicle’s physical capabilities, such as maximum steering angle, tire–road friction limits, and the responsiveness of the control system, ensuring that the vehicle maintains stability and safety even during high-speed maneuvers.
Combining Equations (35) and (38), the solution vector for the objective function within the control horizon can be obtained using quadratic programming as:
Taking the first element of ΔU* from Equation (39) as the control input, the optimal front wheel steering angle for the autonomous vehicle at time k is:
After the autonomous vehicle applies the front wheel steering angle as shown in Equation (41), the current state variables are obtained. These state variables are then fed back into the trajectory tracking controller to enter the next control cycle. In each control cycle, the trajectory tracking controller calculates a new optimal front wheel steering angle based on the latest state variables and applies it to the vehicle. This process is repeated continuously until the autonomous vehicle successfully completes the automatic overtaking maneuver. Throughout the entire process, the controller continuously adjusts the front wheel steering angle to ensure that the vehicle follows the planned overtaking trajectory while satisfying all safety constraints.
Instead of using dynamic programming (DP), the MPC optimizes control actions over a future time horizon, taking into account vehicle dynamics and system constraints. The algorithm’s solvability is ensured through quadratic programming (QP), enabling efficient real-time implementation. This approach guarantees convergence and stable trajectory tracking, even in dynamic traffic conditions.
6. Performance Analysis of Path Planning and Trajectory Tracking Control
To validate the effectiveness of the proposed overtaking path planning method and trajectory tracking control strategy based on the critical safety distance, a co-simulation platform using MATLAB/Simulink and CarSim was established to analyze control performance. Assuming the initial coordinate of point M in the geodetic coordinate system is set at the origin, the main parameters of the vehicle dynamics model and environment are as shown in Table 1.
Table 1.
Parameters for numerical simulation.
6.1. Overtaking Path Performance Analysis
The overtaking path consists of longitudinal and lateral displacements; thus, the overtaking path of an autonomous vehicle can be determined through a combination of longitudinal and lateral motion planning. The lateral motion planning model is proposed; that is, the lane changing model is integrated with the longitudinal motion planning model to design the overtaking path of autonomous vehicle M, considering both straight-line driving and lane changing scenarios during the overtaking process. To demonstrate the performance of the mixed-function model, we conduct a comparative analysis with three lateral motion planning methods: the constant velocity offset model, the sine function model, and the sigmoid function model. These three comparative methods are integrated with the proposed longitudinal motion planning based on the critical safety distance to jointly plan the overtaking path of the autonomous vehicle. The automatic overtaking scenario is defined as follows: vehicle M decides to overtake at a speed of 12 m/s, while vehicle F travels at 10 m/s, with a distance of 10 m between them. The rapid lane travels at 16 m/s.
The compared sigmoid function model can precisely control the smoothness during the lane change process and maintain a safe distance between vehicles [40]. This model is described as follows:
where ρ is the parameter controlling the steepness of the curve.
During the lane changing process, the lateral displacement of the vehicle is expressed as:
where y1 and y0 represent the lateral positions at the start and end of the lane change, respectively. When y1 − y0 equals the lane width, it indicates the completion of a lane change.
The overtaking paths generated by the four path planning methods are shown in Figure 8. The following can be seen from the figure:

Figure 8.
Comparison of overtaking paths planned by four lane changing models: (a) constant velocity offset model; (b) sine function model; (c) sigmoid function model; (d) mixed-function model.
(a) The path of the constant velocity offset model (Figure 8a) is a straight line, with lateral velocity remaining constant during the lane change. This model offers high computational efficiency and simplicity in path planning, but due to zero lateral acceleration, the curvature of the path at the start and end of the lane change exhibits abrupt changes, resulting in significant steering angle variations, which can impact vehicle handling stability and ride comfort.
(b) The sine function model (Figure 8b) shows better continuity in the path during the lane change, with smooth lateral acceleration and smaller steering angles, ensuring stable handling and ride comfort. However, since this model can only adjust the desired lateral acceleration by changing the lane changing time, it may be somewhat limited in practical applications.
(c) The sigmoid function model (Figure 8c) dynamically adjusts the lane changing time through a nonlinear function, ensuring smoothness and flexibility of the lane change path. This model excels in path continuity and handling stability, and can adapt to different traffic scenarios, providing higher safety and efficiency.
(d) The mixed-function model (Figure 8d) combines the handling stability of the constant velocity offset model with the smoothness of the sine function model, achieving the advantages of both through weighted summation. During the lane change, the mixed-function model generates a smooth and continuous path, ensuring vehicle handling stability and ride comfort while offering strong adaptability and flexibility.
In summary, the four lane changing models each have their own advantages and disadvantages in different application scenarios. The sigmoid function model and the mixed-function model demonstrate the best overall performance, providing a balance between vehicle handling stability, ride comfort, and enhanced safety and efficiency during the overtaking process.
As shown in Figure 9, the mixed-function model exhibits smooth changes in acceleration, enhancing passenger comfort and providing good vehicle stability during the lane change, though it has higher implementation complexity. The sine function model offers the advantage of a simple mathematical form and ease of implementation, but its acceleration curve experiences significant changes at the beginning and end, potentially leading to passenger discomfort and vehicle instability. The sigmoid function model also provides a smooth transition with continuous and gradual acceleration changes, but it has a longer response time and greater implementation complexity. Additionally, the maximum acceleration of this model is very high, which negatively impacts ride comfort. The constant velocity offset model, with its simplicity and high computational efficiency, is well suited to rapid and real-time applications but lacks smoothness, potentially causing discomfort for passengers and vehicle instability. Considering comfort, stability, and implementation complexity, the mixed-function model performs best in scenarios requiring high comfort and stability. In contrast, the sine function model and the constant velocity offset model are more suitable for scenarios requiring rapid implementation and high computational efficiency. The sigmoid function model, with its computational complexity and highest lateral acceleration, is detrimental to real-time planning and ride comfort.
Figure 9.
Comparison of lateral acceleration for overtaking paths planned by four lane changing models.
6.2. Trajectory Tracking Performance Analysis
Path planning determines the precise overtaking path for an automotive vehicle, while trajectory tracking control focuses on accurately following the planned path in real traffic environments. Effective trajectory tracking ensures that the vehicle follows the planned overtaking path with high precision, minimizing the occurrence of unsafe situations and improving ride comfort. By rigorously evaluating the trajectory tracking performance in overtaking scenarios, we can assess not only the effectiveness of the planned overtaking paths but also their impact on handling stability and ride comfort. As previously mentioned, the four lane changing models are combined with the longitudinal motion planning model proposed in this paper.
Figure 10 displays a comparison of how well the longitudinal velocity tracker tracked four different planned overtaking paths using the constant velocity offset model, the sine function model, the sigmoid function model, and the mixed-function model. These longitudinal velocity profiles demonstrate that the proposed control strategy ensures accurate tracking of the reference velocity, maintaining smooth and stable transitions during the overtaking process. The minimal deviations between the reference and tracked velocities across all scenarios indicate the effectiveness of the trajectory tracking control method employed in this study.
Figure 10.
Comparison of longitudinal velocity tracking accuracy: (a) constant velocity offset model; (b) sine function model; (c) sigmoid function model; (d) mixed-function model.
Figure 11 illustrates a comparison of trajectory tracking accuracy for four different path planning methods.
Figure 11.
Comparison of trajectory tracking accuracy: (a) constant velocity offset model; (b) sine function model; (c) sigmoid function model; (d) mixed-function model.
For the constant velocity offset model (Figure 11a), the tracked trajectory closely follows the reference trajectory for most of the path, but there is a noticeable deviation between 100 m and 150 m. The maximum lateral deviation for this model is 0.354 m, and the root mean square (RMS) lateral deviation is 0.092 m. For the sine function model (Figure 11b), the tracking trajectory exhibits a significant deviation at the peak lateral displacement. The maximum lateral deviation is 0.276 m, with an RMS lateral deviation of 0.127 m. Similarly, the sigmoid function model (Figure 11c) shows a significant deviation at the peak lateral displacement, with a maximum lateral deviation of 0.343 m and an RMS lateral deviation of 0.148 m. The mixed-function model (Figure 11d) closely matches the reference trajectory throughout the entire path, demonstrating the highest tracking accuracy among the four models. This indicates that the overtaking path planned by this model is easily tracked by the given trajectory tracking controller. The maximum lateral deviation of the mixed-function model is 0.215 m, with an RMS lateral deviation of 0.094 m.
In summary, compared to the sine function model and the sigmoid function model, the mixed-function model improves maximum lateral deviation by 22.2% and 37.4%, respectively. In terms of RMS lateral deviation, the improvements are 25.9% and 36.4%, respectively. Compared to the constant velocity offset model, the RMS lateral deviation has not improved, but the maximum lateral deviation has improved by 39.33%. Therefore, the mixed-function model has a distinct advantage for applications requiring precise trajectory tracking.
Figure 12 shows the lateral accelerations for four overtaking paths during trajectory tracking. The constant velocity offset model exhibits significant fluctuations, particularly around 2 s and 8 s, indicating a high risk of lateral instability. The sine function model shows a smoother curve but still presents noticeable fluctuations. The sigmoid function model also displays considerable fluctuations, especially between 4 s and 11 s, indicating a substantial risk of lateral instability. In contrast, the mixed-function model demonstrates the smoothest lateral acceleration curve with the fewest fluctuations, suggesting a low risk of lateral instability and high ride comfort. Quantitatively, the maximum lateral accelerations of the four lane changing models are 0.558 m/s2, 0.209 m/s2, 0.267 m/s2, and 0.203 m/s2, respectively. In terms of maximum lateral acceleration, the mixed-function model reduces the values by 63.6%, 2.9%, and 24.0% compared to the three preceding lane changing models, respectively. This indicates that the mixed-function model achieves the lowest lateral acceleration, thereby enhancing vehicle lateral stability and ride comfort. Consequently, it is the most reliable choice for applications requiring high precision and stability in trajectory tracking.
Figure 12.
Comparison of lateral acceleration.
Figure 13 shows the steering wheel angle’s frequency spectrum for tracking four different overtaking paths. The constant velocity offset model exhibits the highest peak amplitude, approximately 20 at 4 Hz, indicating frequent changes in steering input. This concentration of steering wheel angle changes at 4 Hz negatively impacts ride comfort and vehicle stability. The sine function model shows a similar magnitude at 4 Hz; however, its amplitude is significantly lower outside this peak frequency compared to the constant velocity offset model, suggesting a moderate level of steering activity when following the sine function model’s path. The sigmoid function model has a peak frequency at 4 Hz with a maximum amplitude of 13, which is lower than that of the constant velocity offset model. In contrast, the mixed-function model demonstrates significantly lower amplitudes across all frequencies, with a peak frequency of only 2 Hz. Quantitatively, the mixed-function model reduces the magnitude of steering wheel angle movements by 60.0% and 38.5%, and decreases the frequency of steering by 50.0%. This indicates a substantial reduction in both the magnitude and frequency of steering wheel angle inputs compared to the other three lane changing models, which enhances ride comfort and vehicle stability.
Figure 13.
Spectrum of steering wheel angles.
7. Conclusions
This study proposes an automatic overtaking path planning and trajectory tracking control method based on maintaining a critical safe distance, integrating the constant velocity offset model with the sine function model to form a mixed-function model. By segmenting the overtaking process into detailed stages for precise longitudinal motion planning, the method ensures both efficiency and safety. Numerical simulations verify that the mixed-function model generates smooth and continuous overtaking paths and, under the MPC framework, achieves efficient and stable trajectory tracking control. The simulation results indicate that the mixed-function model outperforms individual models in both path planning and trajectory tracking accuracy, showing excellent vehicle stability and ride comfort. Additionally, this method quickly adapts to varying traffic environments, offering high real-time performance. The contribution of this study lies in presenting an effective overtaking path planning and control strategy, providing new insights and methods for the development of future autonomous driving systems. Future work can further optimize this model to handle more complex road and traffic conditions, enhancing the safety and reliability of autonomous vehicles.
However, it is important to acknowledge that the current model has limitations, particularly in highly complex traffic scenarios where dense traffic or unpredictable vehicle behaviors are present. The model’s reliance on predefined parameters and assumptions may lead to suboptimal performance or increased computational demands in these environments. Additionally, the adaptability of the model to rapidly changing traffic conditions is constrained by the current prediction horizon and control update rate within the MPC framework. To fully evaluate and enhance the model’s performance, further experimental research is necessary, particularly in real-world driving environments.
Author Contributions
Conceptualization and funding acquisition, Z.Z. and J.H.; formal analysis and investigation, S.S. and L.Y.; writing—original draft preparation, J.H. and K.L. All authors have read and agreed to the published version of the manuscript.
Funding
This project was sponsored by the National Natural Science Foundation of China under Grant 52472399 and the Hunan Provincial Natural Science Foundation of China under Grants 2024JJ7228 and 2022JJ50020.
Data Availability Statement
Data are contained within the article.
Conflicts of Interest
The authors declare no conflicts of interest.
References
- Tomar, I.; Sreedevi, I.; Pandey, N. State-of-Art review of traffic light synchronization for intelligent vehicles: Current status, challenges, and emerging trends. Electronics 2022, 11, 465. [Google Scholar] [CrossRef]
- Huang, Y.; Du, J.; Yang, Z.; Zhou, Z.; Zhang, L.; Chen, H. A survey on trajectory-prediction methods for autonomous driving. IEEE Trans. Intell. Veh. 2022, 7, 652–674. [Google Scholar] [CrossRef]
- Wen, L.H.; Jo, K.H. Deep learning-based perception systems for autonomous driving: A comprehensive survey. Neurocomputing 2022, 489, 255–270. [Google Scholar] [CrossRef]
- Wiseman, Y. Autonomous vehicles. In Research Anthology on Cross-Disciplinary Designs and Applications of Automation; IGI Global: Hershey, PA, USA, 2022; pp. 878–889. [Google Scholar]
- Yamada, Y.; Bakibillah, A.S.M.; Hashikura, K.; Kamal, M.A.S.; Yamada, K. Autonomous vehicle overtaking: Modeling and an optimal trajectory generation scheme. Sustainability 2022, 14, 1807. [Google Scholar] [CrossRef]
- Xie, S.; Hu, J.; Bhowmick, P.; Ding, Z.; Arvin, F. Distributed motion planning for safe autonomous vehicle overtaking via artificial potential field. IEEE Trans. Intell. Transp. Syst. 2022, 23, 21531–21547. [Google Scholar] [CrossRef]
- Lodhi, S.S.; Kumar, N.; Pandey, P.K. Autonomous vehicular overtaking maneuver: A survey and taxonomy. Veh. Commun. 2023, 42, 100623. [Google Scholar] [CrossRef]
- Dixit, S.; Montanaro, U.; Dianati, M.; Oxtoby, D.; Mizutani, T.; Mouzakitis, A.; Fallah, S. Trajectory planning for autonomous high-speed overtaking in structured environments using robust MPC. IEEE Trans. Intell. Transp. Syst. 2019, 21, 2310–2323. [Google Scholar] [CrossRef]
- Ding, Y.; Zhuang, W.; Wang, L.; Liu, J.; Guvenc, L.; Li, Z. Safe and optimal lane-change path planning for automated driving. Proc. Inst. Mech. Eng. Part D J. Automob. Eng. 2021, 235, 1070–1083. [Google Scholar] [CrossRef]
- Hu, J.; Zhang, Y.; Rakheja, S. Adaptive lane change trajectory planning scheme for autonomous vehicles under various road frictions and vehicle speeds. IEEE Trans. Intell. Veh. 2022, 8, 1252–1265. [Google Scholar] [CrossRef]
- He, Y.; Feng, J.; Wei, K.; Cao, J.; Chen, S.; Wan, Y. Modeling and simulation of lane-changing and collision avoiding autonomous vehicles on superhighways. Phys. A Stat. Mech. Its Appl. 2023, 609, 128328. [Google Scholar] [CrossRef]
- Meng, R.; Guangqiang, W.; Xunjie, C.; Xuyang, L. Model Predictive Automatic Lane Change Control for Intelligent Vehicles; SAE Technical Paper 2020-01-5025; SAE International: Warrendale, PA, USA, 2020. [Google Scholar]
- Hou, K.; Zheng, F.; Liu, X.; Fan, Z. Cooperative vehicle platoon control considering longitudinal and lane-changing dynamics. Transp. A Transp. Sci. 2024, 20, 2182143. [Google Scholar] [CrossRef]
- Liu, Q.; Yang, L.; Gao, M.; Zhang, X. Objective evaluation index for the comprehensive performance of intelligent vehicle lane-changing trajectory. Proc. Inst. Mech. Eng. Part D J. Automob. Eng. 2024, 238, 1727–1738. [Google Scholar] [CrossRef]
- Wu, J.; Chen, X.; Bie, Y.; Zhang, J. A co-evolutionary lane-changing trajectory planning method for automated vehicles based on the instantaneous risk identification. Accid. Anal. Prev. 2023, 180, 106907. [Google Scholar] [CrossRef] [PubMed]
- Wang, Y.; Cao, X.; Hu, Y. A Trajectory Planning Method of Automatic Lane Change Based on Dynamic Safety Domain. Automot. Innov. 2023, 6, 466–480. [Google Scholar] [CrossRef]
- Peng, J.; Zhang, S.; Zhou, Y.; Liu, Y. An integrated model for autonomous speed and lane change decision-making based on deep reinforcement learning. IEEE Trans. Intell. Transp. Syst. 2022, 23, 21848–21860. [Google Scholar] [CrossRef]
- Fan, J.; Zhan, Y.; Liang, J. A hierarchical control strategy for reliable lane changes considering optimal path and lane-changing time point. IET Intell. Transp. Syst. 2024, 18, 657–671. [Google Scholar] [CrossRef]
- Vo, C.P.; Jeon, J. An integrated motion planning scheme for safe autonomous vehicles in highly dynamic environments. Electronics 2023, 12, 1566. [Google Scholar] [CrossRef]
- Yoon, Y.; Yi, K. Data-Driven Trajectory Planning of Lane Change Maneuver for Autonomous Driving; SAE Technical Paper 2023-01-0687; SAE International: Warrendale, PA, USA, 2023. [Google Scholar]
- Huang, K.; Jiang, C.; Qiu, M.; Zhao, H. Research on intelligent vehicle lane changing and obstacle avoidance control based on road adhesion coefficient. J. Vib. Control 2022, 28, 3269–3285. [Google Scholar] [CrossRef]
- Lee, S.H.; Chung, C.C. Autonomous-driving vehicle control with composite velocity profile planning. IEEE Trans. Control Syst. Technol. 2020, 29, 2079–2091. [Google Scholar] [CrossRef]
- Zeng, D.; Zheng, L.; Li, Y.; Zhang, H.; Wang, P. A Personalized Motion Planning Method with Driver Characteristics in Longitudinal and Lateral Directions. Electronics 2023, 12, 5021. [Google Scholar] [CrossRef]
- Zhang, L.; Xiao, W.; Zhang, Z.; Li, M. Surrounding vehicles motion prediction for risk assessment and motion planning of autonomous vehicle in highway scenarios. IEEE Access 2020, 8, 209356–209376. [Google Scholar] [CrossRef]
- Alghamdi, T.; Mostafi, S.; Abdelkader, G.; Khan, A. A comparative study on traffic modeling techniques for predicting and simulating traffic behavior. Future Internet 2022, 14, 294. [Google Scholar] [CrossRef]
- Zheng, Y.; Wang, Q.; Cao, D.; Zhu, Y. Distance-based formation control for multi-lane autonomous vehicle platoons. IET Control Theory Appl. 2021, 15, 1506–1517. [Google Scholar] [CrossRef]
- Sun, Q.; Guo, Y.; Fu, R.; Wang, Z. Human-Like Obstacle Avoidance Trajectory Planning and Tracking Model for Autonomous Vehicles That Considers the Driver’s Operation Characteristics. Sensors 2020, 20, 4821. [Google Scholar] [CrossRef]
- Kim, D.; Nguyen, H.D.; Han, K. State-constrained lane change trajectory planning for emergency steering on slippery roads. IEEE Trans. Veh. Technol. 2023, 72, 8553–8565. [Google Scholar] [CrossRef]
- Khondaker, B.; Kattan, L. Variable speed limit strategy with anticipatory lane changing decisions. J. Intell. Transp. Syst. 2021, 25, 547–559. [Google Scholar] [CrossRef]
- Lim, W.; Lee, S.; Sunwoo, M.; Seo, S. Hybrid trajectory planning for autonomous driving in on-road dynamic scenarios. IEEE Trans. Intell. Transp. Syst. 2019, 22, 341–355. [Google Scholar] [CrossRef]
- Zhai, L.; Wang, C.; Hou, Y.; Li, Y. MPC-based integrated control of trajectory tracking and handling stability for intelligent driving vehicle driven by four hub motor. IEEE Trans. Veh. Technol. 2022, 71, 2668–2680. [Google Scholar] [CrossRef]
- Hu, K.; Cheng, K. Trajectory planning for an articulated tracked vehicle and tracking the trajectory via an adaptive model predictive control. Electronics 2023, 12, 1988. [Google Scholar] [CrossRef]
- Chu, D.; Li, H.; Zhao, C.; Chen, F. Trajectory tracking of autonomous vehicle based on model predictive control with PID feedback. IEEE Trans. Intell. Transp. Syst. 2022, 24, 2239–2250. [Google Scholar] [CrossRef]
- Cruz-Ortiz, D.; Chairez, I.; Poznyak, A. Adaptive sliding-mode trajectory tracking control for state constraint master-slave manipulator systems. ISA Trans. 2022, 127, 273–282. [Google Scholar] [CrossRef] [PubMed]
- Liu, L.; Wang, X.; Wang, X.; Yang, Z. Path Planning and Tracking Control of Tracked Agricultural Machinery Based on Improved A* and Fuzzy Control. Electronics 2024, 13, 188. [Google Scholar] [CrossRef]
- Wang, N.; Gao, Y.; Liu, Y.; Zhang, J. Self-learning-based optimal tracking control of an unmanned surface vehicle with pose and velocity constraints. Int. J. Robust Nonlinear Control 2022, 32, 2950–2968. [Google Scholar] [CrossRef]
- Wang, N.; Gao, Y.; Yang, C.; Song, H. Reinforcement learning-based finite-time tracking control of an unknown unmanned surface vehicle with input constraints. Neurocomputing 2022, 484, 26–37. [Google Scholar] [CrossRef]
- Gong, X.; Wang, B.; Liang, S. Collision-free cooperative motion planning and decision-making for connected and automated vehicles at unsignalized intersections. IEEE Trans. Syst. Man Cybern. Syst. 2024, 54, 2744–2756. [Google Scholar] [CrossRef]
- Liu, X.; Masoud, N.; Zhu, Q.; Khojandi, A. A Markov decision process framework to incorporate network-level data in motion planning for connected and automated vehicles. Transp. Res. Part C Emerg. Technol. 2022, 136, 103550. [Google Scholar] [CrossRef]
- Ortega, J.; Ortega, M.; Ismael, K.; Ortega, J.; Moslem, S. Systematic review of overtaking maneuvers with autonomous vehicles. Transp. Eng. 2024, 17, 100264. [Google Scholar] [CrossRef]
Disclaimer/Publisher’s Note: The statements, opinions and data contained in all publications are solely those of the individual author(s) and contributor(s) and not of MDPI and/or the editor(s). MDPI and/or the editor(s) disclaim responsibility for any injury to people or property resulting from any ideas, methods, instructions or products referred to in the content. |
© 2024 by the authors. Licensee MDPI, Basel, Switzerland. This article is an open access article distributed under the terms and conditions of the Creative Commons Attribution (CC BY) license (https://creativecommons.org/licenses/by/4.0/).