Fault Localization in Multi-Terminal DC Distribution Networks Based on PSO Algorithm
Abstract
1. Introduction
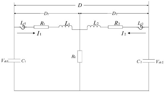
2. DC Distribution System
3. Fault Localization Model
3.1. Differential Variable Acquisition
3.2. Single-Pole Grounding Fault Model
3.3. Mathematical Model of Inter-Pole Short-Circuit Fault
4. Fault Localization Based on PSO Algorithm
4.1. PSO Algorithm
4.2. Fault Localization Method Based on Improved PSO Algorithm
4.2.1. Fault Location Principle
4.2.2. Evaluation Function Construction
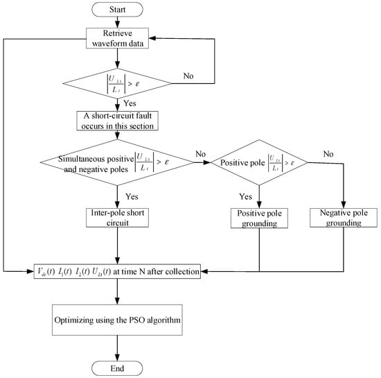
4.2.3. Fault Localization Process
4.2.4. Optimization Process Using the PSO Algorithm
- (1)
- Use the localization results obtained from the sampling information of N time points obtained from the early stage of the fault as the initial values for the improved particle swarm optimization algorithm. The initial value of each particle is used as its optimal value, and the fitness value of all particles with the smallest fitness value is the population optimal value.
- (2)
- The fitness value of the average initial population position information is calculated. If the average fitness value of the initial population position information is less than the initial particle optimal value and the population optimal value, update its optimal value position information.
- (3)
- Use Equations (18), (20)–(25) to iterate the population, update its speed and position information, record the population and particle optimal solutions for this iteration, and compare them with the previous iteration. If the fitness value is less than the value of the previous iteration, the population and particle optimal solutions will be updated. If it is greater than the value of the previous iteration, the population and particle optimal solutions will remain unchanged.
- (4)
- After each iteration, use Equations (26) and (27) to determine whether it is trapped in the local optimal solution. If so, use Equation (28) to jump out of the local optimal solution in the next iteration. If it is not trapped in the local optimal solution, update the position and velocity information in the next iteration according to Equations (18), (20)–(25).
- (5)
- If the optimal fitness value of its iterative population is less than the threshold, the iteration ends. If it is greater than the threshold, the iteration continues until the maximum number of iterations is reached.
5. Simulation Verification
5.1. System Parameter Settings
5.2. Fault Simulation
5.2.1. Single-Pole Ground Fault
5.2.2. Short-Circuit Faults between Poles
5.3. Performance Evaluation Method
5.4. Comparative Analysis
6. Conclusions
Author Contributions
Funding
Data Availability Statement
Conflicts of Interest
References
- Ding, C.; Wang, Z.; Ding, Q.; Yuan, Z. Convolutional neural network based on fast Fourier transform and gramian angle field for fault identification of HVDC transmission line. Sustain. Energy Grids Netw. 2022, 32, 100888. [Google Scholar] [CrossRef]
- Chen, Y.Y.; Qin, J.; Wang, X. Overview of Distribution Network Fault Location. Power Grid Technol. 2006, 30, 8993. [Google Scholar]
- Cui, H.; Wang, F.H.; Mu, K. Traveling wave fault location method for multiterminal transmission lines based on actual wave velocity. Adv. Technol. Electr. Eng. Energy 2017, 36, 7480. [Google Scholar]
- Zhang, X. Study on Fault Section Localisation in DG-Containing Distribution Network Based on Hybrid BAS-PSO Algorithm. In Proceedings of the 2024 IEEE 3rd International Conference on Electrical Engineering, Big Data and Algorithms (EEBDA), Changchun, China, 27–29 February 2024; pp. 583–588. [Google Scholar]
- Pang, Q.; Ye, L.; Gao, H.; Li, X.; Wang, Y.; Cao, T. Multi-Timescale-Based Fault Section Location in Distribution Networks. IEEE Access 2021, 9, 148698148709. [Google Scholar] [CrossRef]
- Huang, X.; Xie, Z.; Huang, X. Fault Location of Distribution Network Base on Improved Cuckoo Search Algorithm. IEEE Access 2020, 8, 22722283. [Google Scholar] [CrossRef]
- Srinivasan, S.M.; Truong-Huu, T.; Gurusamy, M. Machine Learning-Based Link Fault Identification and Localization in Complex Networks. IEEE Internet Things J. 2019, 6, 65566566. [Google Scholar] [CrossRef]
- Wang, S.P.; SuoNan, J.L.; Song, G.B. Fault Location Method for DC Transmission Line Based on Distributed Parameter Model. Chin. Soc. Electr. Eng. 2010, 30, 7580. [Google Scholar]
- Wang, G.Y.; Fan, C.J.; Huang, Y. Single-terminal fault location method in DC distribution network based on initial ratio of transient voltage and time-domain iteration. Electr. Power Autom. Equip. 2023, 43, 8288. [Google Scholar]
- Lan, Z.; Yuan, Y.S.; He, D. A Fault Location Method for DC Distribution Network Based on Differential Initial Value of Current. South. Power Syst. Technol. 2023, 43, 8288. [Google Scholar]
- He, J.H.; Zhang, M.; Luo, G.M. A Fault Location Method for Flexible DC Distribution Networks Using Fault Transient Processes. Power Grid Technol. 2017, 41, 985992. [Google Scholar]
- Ma, T.X.; Duan, X.; Xu, Y.; Wang, R.-L.; Li, X.Y. Research on Fault Location in DC Distribution Network Based on Adaptive Artificial Bee Colony Slime Mould Algorithm. IEEE Access 2023, 11, 6263062638. [Google Scholar] [CrossRef]
- Bai, Y.Y.; Xiao, S.; Liu, C.; Wang, B.Z. A Hybrid IWO/PSO Algorithm for Pattern Synthesis of Conformal Phased Arrays. IEEE Trans. Antennas Propag. 2012, 61, 2328–2332. [Google Scholar] [CrossRef]
- Arabas, J.; Biedrzycki, R. Improving Evolutionary Algorithms in a Continuous Domain by Monitoring the Population Midpoint. IEEE Trans. Evol. Comput. 2017, 21, 807812. [Google Scholar] [CrossRef]
- Pegoraro, P.A.; Brady, K.; Castello, P.; Muscas, C.; von Meier, A. Compensation of Systematic Measurement Errors in a PMU-Based Monitoring System for Electric Distribution Grids. IEEE Trans. Instrum. Meas. 2019, 68, 38713882. [Google Scholar] [CrossRef]
- Jiacheng, L.; Lei, L. A Hybrid Genetic Algorithm Based on Information Entropy and Game Theory. IEEE Access 2020, 8, 3660236611. [Google Scholar] [CrossRef]
- Li, X.; Hu, Z.; Shen, Y.; Hao, L.; Shang, W. Distributed Intelligent Traffic Data Processing and Analysis Based on Improved Longhorn Whisker Algorithm. IEEE Trans. Intell. Transp. Syst. 2023, 24, 1332113329. [Google Scholar] [CrossRef]
- Wu, C.; Fu, X.; Pei, J.; Dong, Z. A Novel Sparrow Search Algorithm for the Traveling Salesman Problem. IEEE Access 2021, 9, 153456153471. [Google Scholar] [CrossRef]






















| Parameters | Numeric |
|---|---|
| DC bus voltage or DC bus voltage level/V | 250 |
| DC-side capacitor of the inverter/mF | 20 |
| unit length line resistance/ | 0.03 |
| unit length line inductance/ | 0.2865 |
| line length/km | 10 |
| sampling spacing/ | 10 |
| length of each section of the line/km | 10 |
| limiting reactor inductance value/mH | 0.1 |
| Method | Transition Resistance/ | Actual Value/km | Localized Value/km | Error/% |
|---|---|---|---|---|
| Localization using PSO algorithm integrating multiple sampling points | 0 | 1 | 1.0161 | 1.61 |
| 5 | 5.0154 | 0.31 | ||
| 7 | 7.1298 | 1.85 | ||
| 35 | 1 | 1.0123 | 1.23 | |
| 5 | 5.0137 | 0.27 | ||
| 7 | 7.1179 | 1.68 | ||
| 70 | 1 | 1.0040 | 0.40 | |
| 5 | 5.0151 | 0.30 | ||
| 7 | 7.1196 | 1.71 | ||
| Conventional localization using four sets of voltage-current information | 0 | 1 | 1.4362 | 43.62 |
| 5 | 5.5537 | 11.07 | ||
| 7 | 7.9796 | 13.99 | ||
| 35 | 1 | 1.5118 | 51.18 | |
| 5 | 5.3404 | 6.81 | ||
| 7 | 7.9048 | 12.93 | ||
| 70 | 1 | 1.0456 | 4.56 | |
| 5 | 5.6497 | 12.99 | ||
| 7 | 9.0431 | 29.19 |
| Method | Actual Value/km | Localized Value/km | Error/% |
|---|---|---|---|
| Conventional localization using four sets of voltage-current information | 1 | 1.1131 | 11.31 |
| 5 | 7.1431 | 42.86 | |
| 7 | 9.5113 | 25.88 | |
| Localization using PSO algorithm integrating multiple sampling points | 1 | 1.0117 | 1.17 |
| 5 | 5.0313 | 0.63 | |
| 7 | 7.1135 | 1.62 |
| Method | Measurement Error | Localized Value/km | Error/% |
|---|---|---|---|
| Conventional localization using four sets of voltage-current information | 0 | 1.0142 | 1.42 |
| 0.5 | 1.1493 | 14.93 | |
| 1 | 1.5113 | 51.13 | |
| Localization using PSO algorithm integrating multiple sampling points | 0 | 1.0117 | 1.17 |
| 0.5 | 1.0351 | 3.51 | |
| 1 | 1.0347 | 3.47 |
| Algorithm | Localized Value/km | Error/% |
|---|---|---|
| genetic algorithm [16] | 4.2131 | 5.33 |
| Longhorn whisker algorithm [17] | 4.3462 | 8.66 |
| Sparrow search algorithm [18] | 4.3113 | 7.78 |
| This article’s algorithm | 4.1137 | 2.84 |
Disclaimer/Publisher’s Note: The statements, opinions and data contained in all publications are solely those of the individual author(s) and contributor(s) and not of MDPI and/or the editor(s). MDPI and/or the editor(s) disclaim responsibility for any injury to people or property resulting from any ideas, methods, instructions or products referred to in the content. |
© 2024 by the authors. Licensee MDPI, Basel, Switzerland. This article is an open access article distributed under the terms and conditions of the Creative Commons Attribution (CC BY) license (https://creativecommons.org/licenses/by/4.0/).
Share and Cite
Wang, M.; Xu, Y. Fault Localization in Multi-Terminal DC Distribution Networks Based on PSO Algorithm. Electronics 2024, 13, 3420. https://doi.org/10.3390/electronics13173420
Wang M, Xu Y. Fault Localization in Multi-Terminal DC Distribution Networks Based on PSO Algorithm. Electronics. 2024; 13(17):3420. https://doi.org/10.3390/electronics13173420
Chicago/Turabian StyleWang, Mingyuan, and Yan Xu. 2024. "Fault Localization in Multi-Terminal DC Distribution Networks Based on PSO Algorithm" Electronics 13, no. 17: 3420. https://doi.org/10.3390/electronics13173420
APA StyleWang, M., & Xu, Y. (2024). Fault Localization in Multi-Terminal DC Distribution Networks Based on PSO Algorithm. Electronics, 13(17), 3420. https://doi.org/10.3390/electronics13173420
