Neural Network-Based Aggregated Equivalent Modeling of Distributed Photovoltaic External Characteristics of Faults
Abstract
1. Introduction
2. Photovoltaic System Modeling Techniques
2.1. Modeling of Photovoltaic Modules
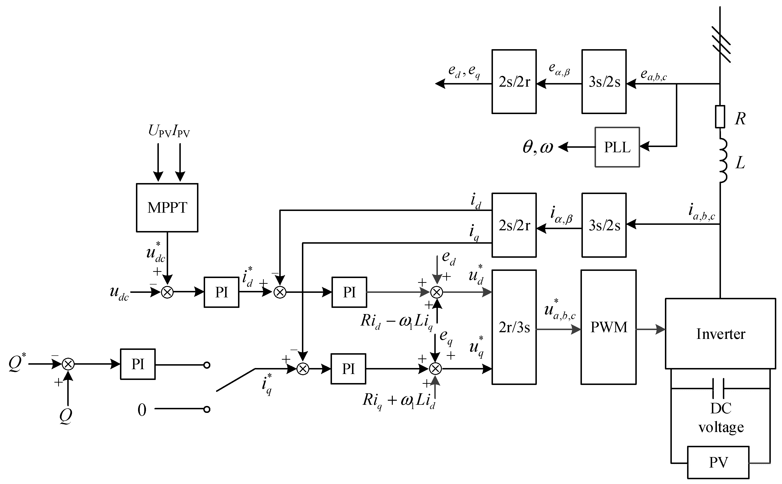
2.2. Mathematical Model of PV Inverter
2.3. PV Inverter Fault Ride-Through Control Strategy
3. Distributed Power Aggregation Equivalent Modeling
3.1. LSTM Networks
3.1.1. Forward Computation of LSTM
3.1.2. Backpropagation of LSTM
3.2. Aggregate Equivalent Modeling Process
4. Simulation Example
4.1. Physical Modeling
4.2. Neural Network Model Training and Testing
4.3. Comparison of Training Model and Testing Real Model
5. Conclusions
- (1)
- The proposed method does not rely on a specific physical mechanism but rather builds a model through a data-driven approach and utilizes neural networks to capture the nonlinear relationships of complex systems, which improves the efficiency, accuracy, and flexibility of the aggregated equivalence of fault characteristics.
- (2)
- The proposed method is applicable to the aggregated modeling of distributed power supply fault characteristics at all levels, such as lines, buses, regional grids, etc., and has a certain degree of universality.
- (3)
- The proposed method can realize the distributed power aggregation fault characteristic modeling of any output scenario and can adapt to the real-time modeling needs of new energy generation output fluctuations.
- (4)
- The proposed method provides an accurate and reliable reference for relay protection analysis and decision-making, helps optimize and improve relay protection strategy, facilitates the setting calculation of protection value, and improves the stability and reliability of the power grid.
- (1)
- The current proposed method can obtain the electrical steady-state quantities after a fault but it is not yet possible to equate the transient process, and in the future, we will try to predict the complete transient process after a fault using LSTM training.
- (2)
- The proposed method is currently applicable to aggregation modeling after steady state and three-phase faults and can be treated analogously for training modeling under asymmetric faults.
Author Contributions
Funding
Data Availability Statement
Conflicts of Interest
References
- Zhang, Z.; Kang, C. Challenges and prospects for constructing the new-type power system towards a carbon neutrality future. Proc. CSEE 2022, 42, 2806–2818. [Google Scholar]
- Sun, H.; Guo, Q.; Qi, J.; Ajjarapu, V.; Bravo, R.; Chow, J.; Li, Z.; Moghe, R.; Nasr-Azadani, E.; Tamrakar, U.; et al. Review of challenges and research opportunities for voltage control in smart grids. IEEE Trans. Power Syst. 2019, 34, 2790–2801. [Google Scholar] [CrossRef]
- Song, J.; Xu, Z.; Zhai, S.; Xu, Y.; Wang, D. Study on relay protection of distributed generation accessing distribution network. Shandong Electr. Power 2018, 45, 27–31. [Google Scholar]
- Chao, C.; Zheng, X.; Gao, P.; Tai, N.; Jin, S.; Tu, Q. Adaptive distance protection for transmission line of photovoltaic station during asymmetric short circuit. Proc. CSEE 2022, 42, 6681–6692. [Google Scholar]
- Zhen, Z.; Liu, Z.; Wang, L.; Li, W.; Song, Z.; Zhang, W. Design of distributed intelligent terminal system of electric distribution network based on blockchain technology. J. Phys. Conf. Ser. 2020, 1626, 12066–12070. [Google Scholar] [CrossRef]
- Gao, Y.; Wang, J.; Sun, Y.; Kang, W. A new relay protection method for active distribution networks considering distributed power sources and stochastic loads. Power Energy 2021, 42, 14–19. [Google Scholar]
- Huang, Q.; Li, K.; Ding, J.; Zhou, G.; Li, Y. A novel fault section location method of active distribution network with the integration of distributed photovoltaic. Shandong Electr. Power 2023, 50, 68–74. [Google Scholar]
- Xiao, F.; Xia, Y.J.; Zhang, K.J. Research on a principle of networked protection in distribution network with renewable energy sources. Trans. China Electrotech. Soc. 2019, 34, 709–719. [Google Scholar]
- Li, J.; Xu, H.; Zhao, H.; Peng, Y. Dynamic modeling and simulation of the grid-connected PV power station. Autom. Electr. Power Syst. 2008, 32, 83–87. [Google Scholar]
- Liu, D.; Chen, S.; Ma, M.; Wang, H.; Hou, J.; Ma, S.Y. A review on models for photovoltaic generation system. Power Syst. Technol. 2011, 35, 47–52. [Google Scholar]
- Qin, L.; Xie, S.; Yang, C.; Cao, J. Dynamic model and dynamic characteristics of solar cells. Proc. CSEE 2013, 33, 19–26. [Google Scholar]
- Tabone, M.D.; Callaway, D.S. Modeling variability and uncertainty of photovoltaic generation: A hidden state spatial statistical approach. IEEE Trans. Power Syst. 2014, 30, 2965–2973. [Google Scholar] [CrossRef]
- Yu, H.; Su, J.; Wang, Y.; Shi, Y. Analysis and comparison of reduced-order model and modeling method for grid-connected inverter. Autom. Electr. Power Syst. 2020, 44, 155–165. [Google Scholar]
- Kou, L.; Xu, Y.; Hou, X.; Fan, Z. Cluster partition method for large scale distributed photovoltaic in distribution network. Renew. Energy Resour. 2019, 37, 525–530. [Google Scholar]
- Lan, T.; Sun, H.; Wang, Q.; Zhao, B. Active synthesis load model considering distributed renewable energy source. Trans. China Electrotech. Soc. 2024, 1–15. [Google Scholar] [CrossRef]
- Wu, H.; Zhang, J.; Luo, C.; Xu, B. Equivalent modeling of photovoltaic power station based on canopy-FCM clustering algorithm. IEEE Access 2019, 7, 102911–102920. [Google Scholar] [CrossRef]
- Elman, J.L. Finding structure in time. Cogn. Sci. 1990, 14, 179–211. [Google Scholar] [CrossRef]
- Hochreiter, S.; Schmidhuber, J. Long short-term memory. Neural Comput. 1997, 9, 1735–1780. [Google Scholar] [CrossRef]
- Chung, J.; Gulcehre, C.; Cho, K.; Bengio, Y. Empirical evaluation of gated recurrent neural networks on sequence modeling. arXiv 2014, arXiv:1412.3555. [Google Scholar]
- Yu, Y.; Si, X.; Hu, C.; Zhang, J. A review of re-current neural networks: Lstm cells and network architectures. Neural Comput. 2019, 31, 1235–1270. [Google Scholar] [CrossRef]
- Sherstinsky, A. Fundamentals of recurrent neural network (RNN) and long short-term memory (LSTM) network. Phys. D Nonlinear Phenom. 2020, 404, 132306. [Google Scholar] [CrossRef]
- Dipietro, R.; Hager, G.D. Deep Learning: RNNs and LSTM//Handbook of Medical Image Computing and Computer Assisted Intervention; Elsevier: Amsterdam, The Netherlands, 2020; pp. 503–519. [Google Scholar]
- Li, D.; Yin, H.; Zheng, B.; Liu, L. Application of improved LSTM method in sensor fault detection of the chiller. Trans. China Electrotech. Soc. 2019, 34, 2324–2332. [Google Scholar]
- Wang, T.; Zhang, L.; Wang, X.F. Fault detection for motor drive control system of industrial robots using CNN-LSTM-based observers. CES Trans. Electr. Mach. Syst. 2023, 7, 144–152. [Google Scholar] [CrossRef]
- Su, N.; Li, Y.; Zhang, W.; Zhang, G.; Yu, D.; Liu, Y. Research on heating defect prediction of substation equipment based on LSTM. Shandong Electr. Power 2021, 48, 10–14. [Google Scholar]
- Lu, J.; Zhang, Q.; Yang, Z.; Tu, M.; Lu, J.; Peng, H. Short-term load forecasting method based on CNN-LSTM hybrid neural network model. Autom. Electr. Power Syst. 2019, 43, 131–137. [Google Scholar]
- Pan, C.; Wen, S.; Zhu, M.; Ye, H.; Ma, J.; Jiang, S. Hedge Backpropagation Based Online LSTM Ar-chitecture for Ultra-Short-Term Wind Power Fore-casting. IEEE Trans. Power Syst. 2024, 39, 4179–4192. [Google Scholar] [CrossRef]
- Rubasinghe, O.; Zhang, X.; Chau, T.K.; Chow, Y.H.; Fernando, T.; Iu, H.H.-C. A Novel Sequence to Sequence Data Modelling Based CNN-LSTM Algorithm for Three Years Ahead Monthly Peak Load Forecasting. IEEE Trans. Power Syst. 2024, 39, 1932–1947. [Google Scholar] [CrossRef]
- Zhang, T.; Zhang, X.; Liu, Y.; Chow, Y.H.; Iu, H.H.; Fernando, T. Long-Term Energy and Peak Power Demand Forecasting Based on Se-quential-XGBoost. IEEE Trans. Power Syst. 2024, 39, 3088–3104. [Google Scholar] [CrossRef]
- Garip, Z.; Ekinci, E.; Alan, A. Day-ahead solar photovoltaic energy forecasting based on weather data using LSTM networks: A comparative study for photovoltaic (PV) panels in Turkey. Electr. Eng. 2023, 105, 3329–3345. [Google Scholar] [CrossRef]
- Hu, W.; Dong, Z.; Huang, X.; Gao, Y.; Zhang, Z.; Hao, J. Photovoltaic inverter anomaly detection method based on LSTM serial depth autoencoder. In Proceedings of the 2nd International Conference on New Energy and Power Engineering (ICNEPE 2022), Qingdao, China, 18–20 November 2022. [Google Scholar] [CrossRef]
- Shaobo, Y.; Daowei, L.; Jun, A. Trend prediction method of power network dynamic trajectory based on long short-term memory neural networks. Proc. CSEE 2020, 40, 2854–2866. [Google Scholar]
- Havrlík, M.; Libra, M.; Poulek, V.; Kouřím, P. Analysis of Output Signal Distortion of Galvanic Isolation Circuits for Monitoring the Mains Voltage Waveform. Sensors 2022, 22, 7769. [Google Scholar] [CrossRef] [PubMed]
- Božiková, M.; Bilčík, M.; Madola, V.; Szabóová, T.; Kubík, Ľ.; Lendelová, J.; Cviklovič, V. The Effect of Azimuth and Tilt Angle Changes on the Energy Balance of Photovoltaic System Installed in the Southern Slovakia Region. Appl. Sci. 2021, 11, 8998. [Google Scholar] [CrossRef]















| Reference Value | ||
|---|---|---|
| Voltage: Ub = 380 V | Power: Sb = 150 kVA | Frequency: fb = 50 Hz |
| Circuit parameters (per-unit values) | ||
| Filter inductor: L = 0.08 | Filter capacitor: C = 0.05 | Resistance: R = 0.02 |
| Control parameters (per-unit values) | ||
| kpp = 0.5 | kqp = 0.5 | kip = 0.3 |
| kpi = 40 | kqi = 40 | kii = 10 |
| PV Contribution | Steady State Error/% | |||
|---|---|---|---|---|
| U = 1.0 | U = 0.8 | U = 0.5 | U = 0.1 | |
| [1.0, 0.8, 0.4, 0.9, 0.7] | 0.18 | 0.16 | 0.26 | 0.36 |
| [0.3, 0.2, 0.1, 0.6, 0.5] | −1.27 | 1.48 | −0.23 | −0.65 |
Disclaimer/Publisher’s Note: The statements, opinions and data contained in all publications are solely those of the individual author(s) and contributor(s) and not of MDPI and/or the editor(s). MDPI and/or the editor(s) disclaim responsibility for any injury to people or property resulting from any ideas, methods, instructions or products referred to in the content. |
© 2024 by the authors. Licensee MDPI, Basel, Switzerland. This article is an open access article distributed under the terms and conditions of the Creative Commons Attribution (CC BY) license (https://creativecommons.org/licenses/by/4.0/).
Share and Cite
Li, K.; Huang, Q.; Fan, R.; Gao, S.; Wang, A.; Huang, T.; Sun, R. Neural Network-Based Aggregated Equivalent Modeling of Distributed Photovoltaic External Characteristics of Faults. Electronics 2024, 13, 3232. https://doi.org/10.3390/electronics13163232
Li K, Huang Q, Fan R, Gao S, Wang A, Huang T, Sun R. Neural Network-Based Aggregated Equivalent Modeling of Distributed Photovoltaic External Characteristics of Faults. Electronics. 2024; 13(16):3232. https://doi.org/10.3390/electronics13163232
Chicago/Turabian StyleLi, Kuan, Qiang Huang, Rongqi Fan, Shuai Gao, Anning Wang, Tao Huang, and Ruichen Sun. 2024. "Neural Network-Based Aggregated Equivalent Modeling of Distributed Photovoltaic External Characteristics of Faults" Electronics 13, no. 16: 3232. https://doi.org/10.3390/electronics13163232
APA StyleLi, K., Huang, Q., Fan, R., Gao, S., Wang, A., Huang, T., & Sun, R. (2024). Neural Network-Based Aggregated Equivalent Modeling of Distributed Photovoltaic External Characteristics of Faults. Electronics, 13(16), 3232. https://doi.org/10.3390/electronics13163232
