A 14-Bit Digital to Analog Converter for a Topmetal-CEE Pixel Readout Chip
Abstract
1. Introduction
2. Design of Key Modules
2.1. Bandgap Reference Design
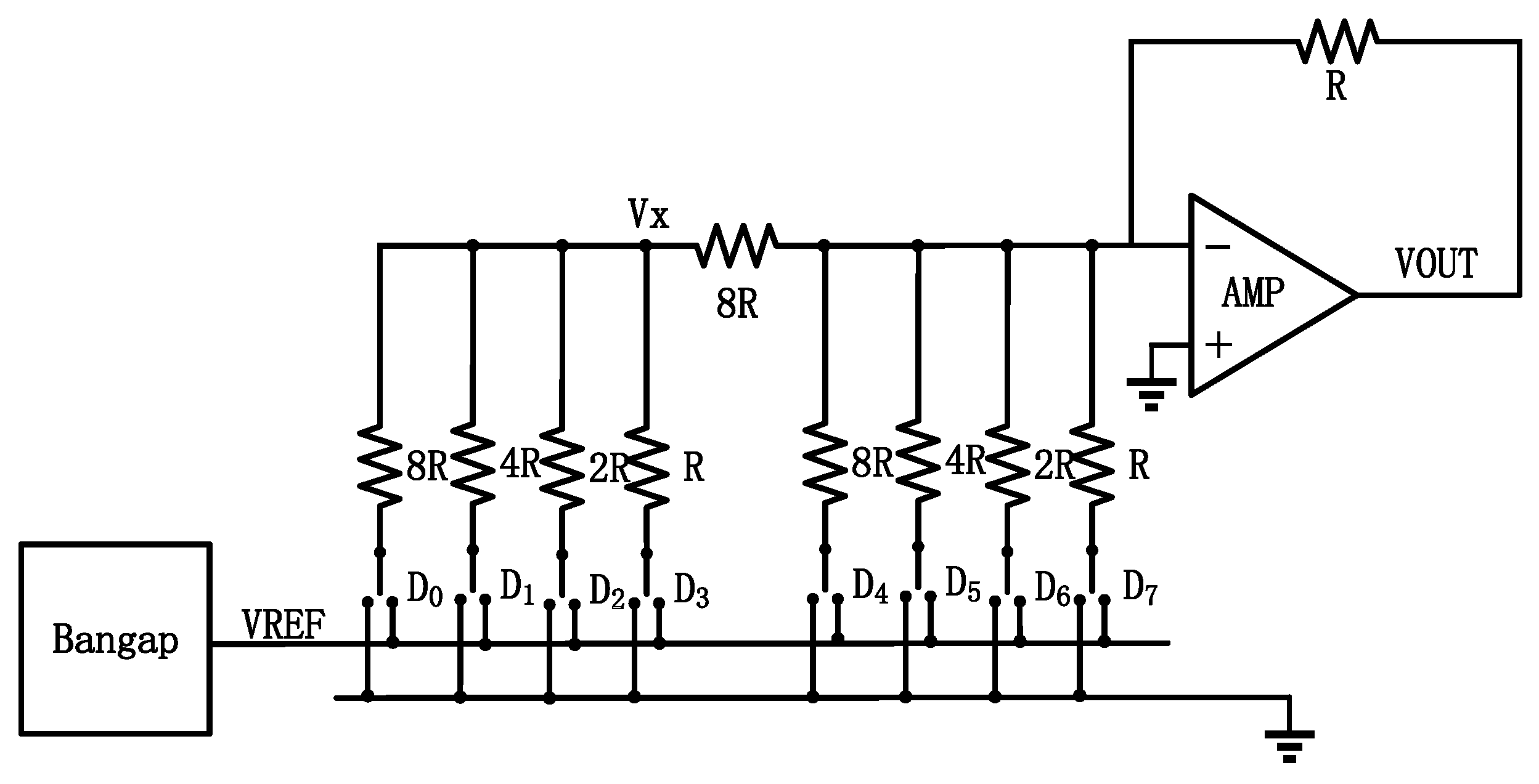
2.2. Circuit Design of the R-2R Resistor Network
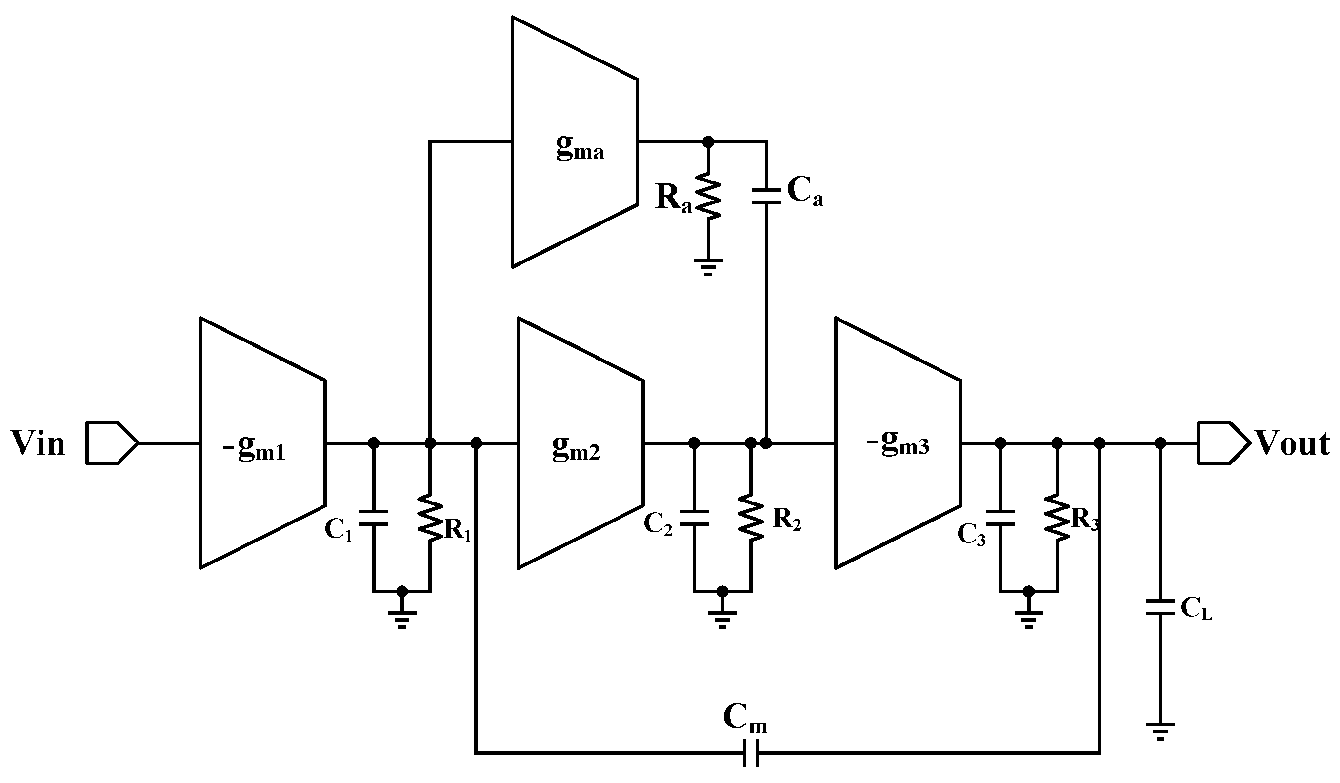
2.3. Design of the Differential Operational Amplifier
3. Simulation, Layout, and Testing
3.1. Simulation
3.1.1. Simulation of Bandgap Reference Circuit
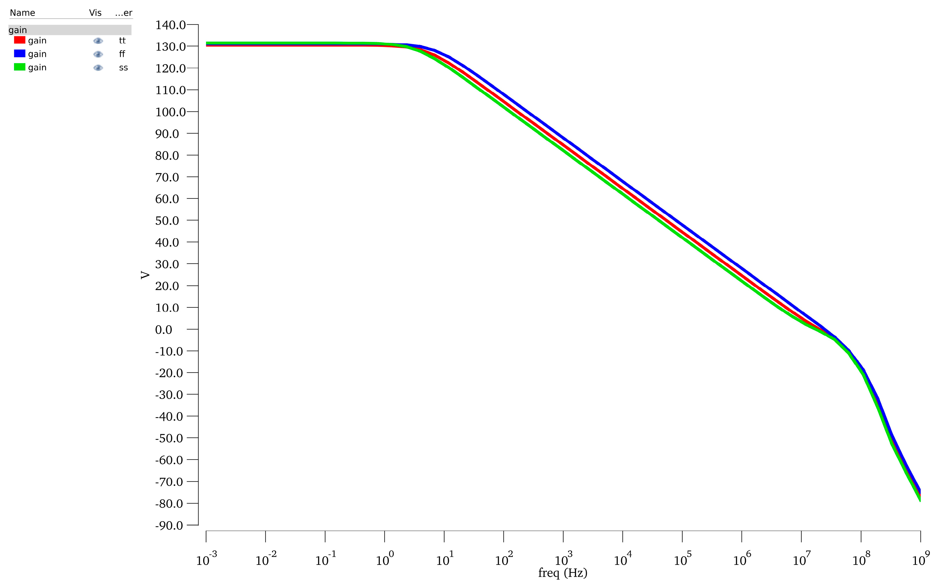
3.1.2. Simulation of the Differential Amplifier
3.2. Layout and Post-Simulation
3.3. Test Results
4. Conclusions
Author Contributions
Funding
Data Availability Statement
Conflicts of Interest
References
- Zhan, W.L.; Xia, J.W.; Zhao, H.W.; Xiao, G.Q.; Yuan, Y.J.; Xu, H.S.; Man, K.D.; Yuan, P.; Gao, D.Q.; Yang, X.T.; et al. HIRFL today. Nucl. Phys. A 2008, 805, 533c–540c. [Google Scholar] [CrossRef]
- Zhan, W.; Xu, H.; Sun, Z.; Xiao, G.; Xia, J.; Zhao, H.; Song, M.; Yuan, Y.; Hirfl-Csr Group. Present status of HIRFL in Lanzhou. Int. J. Mod. Phys. E 2006, 15, 1941–1956. [Google Scholar] [CrossRef]
- Xiao, Z.G.; Yong, G.C.; Chen, L.W.; Li, B.-A.; Zhang, M.; Xiao, G.-Q.; Xu, N. Probing nuclear symmetry energy at high densities using pion, kaon, eta and photon productions in heavy-ion collisions. Eur. Phys. J. A 2014, 50, 37. [Google Scholar] [CrossRef]
- Zhu, Y.; Shyam, K.; Hu, C.; Chen, Z.; Zhang, Y.; Zhao, F.; Wei, X.; Duan, L.; Xu, N.; Qiu, H. Cluster reconstruction for the CSR External-target Experiment (CEE) time projection chamber. Nucl. Phys. Rev. 2021, 38, 416–422. [Google Scholar]
- You, B.; Gao, C.; Yang, P.; Guo, D.; Tian, X.; Huang, G.; Liu, J.; Sun, X.; Wang, H.; Xiao, L. The Topmetal-CEE prototype, a direct charge sensor for the beam monitor of the CSR external-target experiment. J. Instrum. 2022, 17, C09030. [Google Scholar] [CrossRef]
- Wang, H.-L.; Wang, Z.; Gao, C.-S.; Liao, J.-W.; Sun, X.-M.; Yang, H.-B.; Zhao, C.-X.; Liu, J.; Ma, P.; Li, Z.-L.; et al. Design and tests of the prototype beam monitor of the CSR external target experiment. Nucl. Sci. Tech. 2022, 33, 36. [Google Scholar] [CrossRef]
- Liu, H.; Xu, L.; Tian, T. A monolithic 12-bit digitally calibrated D/A converter. IEICE Electron. Express 2021, 18, 20200371. [Google Scholar] [CrossRef]
- Prasad, S.R.; Sree, N.K.; Omkumar, K.; Srujana, K. An Efficient and Low Power 45nm CMOS Based R-2R DAC. In Proceedings of the 2023 4th International Conference for Emerging Technology (INCET), Belgaum, India, 26–28 May 2023; pp. 1–6. [Google Scholar] [CrossRef]
- Pavan, S.; Schreier, R.; Temes, G.C. Understanding Delta-Sigma Data Converters; John Wiley & Sons: Hoboken, NJ, USA, 2017. [Google Scholar]
- Maloberti, F. Data Converters Specifications; Springer: Boston, MA, USA, 2007. [Google Scholar]
- Smith, B.D. Coding by feedback methods. Proc. IRE 1953, 41, 1053–1058. [Google Scholar] [CrossRef]
- Li, Y.; Zeng, T.; Chen, D. A high resolution and high accuracy R-2R DAC based on ordered element matching. In Proceedings of the IEEE International Symposium on Circuits and Systems (ISCAS), Beijing, China, 19–23 May 2013; pp. 1974–1977. [Google Scholar]
- Kim, K.D.; Park, C.B.; Lee, S.W.; Park, G.-S.; Cho, G.-H.; Kim, J.; Kim, J.; Choi, Y.-K.; Kim, J.; Hwang, G.; et al. 35.3: A 10-Bit Linear R-string DAC Architecture for Mobile Full-HD AMOLED Driver ICs; SID Symposium Digest of Technical Papers; Blackwell Publishing Ltd.: Oxford, UK, 2013; Volume 44, pp. 469–472. [Google Scholar]
- Enuchenko, M.S.; Morozov, D.V.; Pilipko, M.M. An 8-bit parallel DAC with segmented architecture. J. Commun. Technol. Electron. 2017, 62, 89–100. [Google Scholar] [CrossRef]
- Jun, S. Optimization of Bandgap Reference with High PSRR on Deep Submicron. In Proceedings of the 2021 IEEE International Conference on Consumer Electronics and Computer Engineering (ICCECE), Guangzhou, China, 15–17 January 2021; pp. 148–153. [Google Scholar]
- Banba, H.; Shiga, H.; Umezawa, A.; Miyaba, T.; Tanzawa, T.; Atsumi, S.; Sakui, K. A CMOS bandgap reference circuit with sub-1-V operation. IEEE J. Solid-State Circuits 1999, 34, 670–674. [Google Scholar] [CrossRef]
- Yang, H.; Wu, C. An LDO Circuit Design Based on On-chip Compensation. J. Phys. Conf. Ser. IOP Publ. 2022, 2383, 012044. [Google Scholar] [CrossRef]
- Liu, N.; Geiger, R.; Chen, D. Bandgap voltage v go extraction with two-temperature trimming for designing sub-ppm/°C voltage references. In Proceedings of the 2019 IEEE International Symposium on Circuits and Systems (ISCAS), Sapporo, Japan, 26–29 May 2019; pp. 1–4. [Google Scholar]
- Ebenezer, P.S.; Naganadhan, V.; Chen, D.; Geiger, R. Three-Junction Bandgap Circuit with Sub 1 ppm/°C Temperature Coefficient. In Proceedings of the 2020 IEEE 63rd International Midwest Symposium on Circuits and Systems (MWSCAS), Springfield, MA, USA, 9–12 August 2020; pp. 305–308. [Google Scholar]
- Saponara, S.; Baldetti, T.; Fanucci, L.; Volpi, E.; D’Ascoli, F. High-level modeling of resistor string based digital-to-analog converters. Analog. Integr. Circuits Signal Process. 2011, 66, 407–416. [Google Scholar] [CrossRef]
- Kazeminia, S.; Hesamiafshar, Y.; Hadidi, K.; Khoei, A. On matching properties of R-2R ladders in high performance digital-to-analog converters. In Proceedings of the 2010 18th Iranian Conference on Electrical Engineering, Isfahan, Iran, 11–13 May 2010; pp. 432–436. [Google Scholar]
- Razavi, B. The R-2R and C-2C ladders [A circuit for all seasons]. IEEE Solid-State Circuits Mag. 2019, 11, 10–15. [Google Scholar] [CrossRef]
- Wu, T.Y.; Jih, C.T.; Chen, J.C.; Wu, C.Y. A low glitch 10-bit 75-MHz CMOS video D/A converter. IEEE J. Solid-State Circuits 1995, 30, 68–72. [Google Scholar] [CrossRef]
- Li, H.G.; Yin, X.Y.; Zhang, Z.Y. High-precision mixed modulation DAC for an 8-bit AMOLED driver IC. J. Disp. Technol. 2015, 11, 423–429. [Google Scholar] [CrossRef]
- Qin, C.; Zhang, L.; Zhou, C.; Zhang, L.; Wang, Y.; Yu, Z. Dual AC boosting compensation scheme for multistage amplifiers. IEEE Trans. Circuits Syst. II Express Briefs 2016, 64, 882–886. [Google Scholar] [CrossRef]
- Chaddad, A. Low-noise front-end receiver dedicated to biomedical devices: NIRS acquisition system. Circuits Syst. 2014, 2014, 191–200. [Google Scholar] [CrossRef][Green Version]
- Tiwari, R.K.; Mishra, G.R.; Misra, M. A new high performance CMOS differential amplifier. Int. J. Electron. Eng. Res. 2009, 1, 147–154. [Google Scholar]
- Sansen, W.M. Analog Design Essentials; Springer Science & Business Media: New York, NY, USA, 2007. [Google Scholar]
- Lee, H.; Park, S.; Kim, J.; Kim, C. A 6-bit 2.5-GS/s time-interleaved analog-to-digital converter using resistor-array sharing digital-to-analog converter. IEEE Trans. Very Large Scale Integr. (VLSI) Syst. 2014, 23, 2371–2383. [Google Scholar] [CrossRef]
- Kouda, S.; Kodama, C.; Fujiyoshi, K. Improved method of cell placement with symmetry constraints for analog IC layout design. In Proceedings of the 2006 International Symposium on Physical Design, San Jose, CA, USA, 9–12 April 2006; pp. 192–199. [Google Scholar]
- Lin, Y.; Geiger, R. Resistors layout for enhancing yield of R-2R DACs. In Proceedings of the 2002 IEEE International Symposium on Circuits and Systems (ISCAS), Phoenix-Scottsdale, AZ, USA, 26–29 May 2002; p. V. [Google Scholar] [CrossRef]
- Graupner, A.; Jancke, R.; Wittmann, R. Generator based approach for analog circuit and layout design and optimization. In Proceedings of the 2011 Design, Automation & Test in Europe, Grenoble, France, 14–18 March 2011; pp. 1–6. [Google Scholar]
- Arbet, D.; Nagy, G.; Stopjaková, V.; Gyepes, G. A self-calibrated binary weighted DAC in 90nm CMOS technology. In Proceedings of the 2014 29th International Conference on Microelectronics Proceedings-MIEL 2014, Belgrade, Serbia, 12–14 May 2014; pp. 383–386. [Google Scholar]
- Sekyere, M.; Darko, E.N.; Bruce, I.; Chen, D. Ultra-Small Area, Highly Linear Sub-Radix R-2R Digital-To-Analog Converters with Novel Calibration Algorithm. In Proceedings of the 2023 IEEE 66th International Midwest Symposium on Circuits and Systems (MWSCAS), Phoenix, AZ, USA, 6–9 August 2023; pp. 604–608. [Google Scholar]













| Corner | TT | SS | FF | 
|---|---|---|---|
| VBG max (V) | 1.8003 | 1.8052 | 1.7965 | 
| VBG min (V) | 1.7944 | 1.7978 | 1.7903 | 
| TCBG (ppm/℃) | 26.77 | 33.06 | 27.7 | 
| Corner | TT | SS | FF | 
|---|---|---|---|
| Gain (dB) | 130.483 | 131.105 | 131.457 | 
| GBW (MHz) | 20.43 | 18.4 | 26.35 | 
| Phase Margin (°) | 76.96 | 85.57 | 61.86 | 
| Disclaimer/Publisher’s Note: The statements, opinions and data contained in all publications are solely those of the individual author(s) and contributor(s) and not of MDPI and/or the editor(s). MDPI and/or the editor(s) disclaim responsibility for any injury to people or property resulting from any ideas, methods, instructions or products referred to in the content. | 
© 2024 by the authors. Licensee MDPI, Basel, Switzerland. This article is an open access article distributed under the terms and conditions of the Creative Commons Attribution (CC BY) license (https://creativecommons.org/licenses/by/4.0/).
Share and Cite
Deng, Y.; Yang, P.; Huang, G.; Liu, J.; Ren, Z.; Fan, Y.; Song, Z. A 14-Bit Digital to Analog Converter for a Topmetal-CEE Pixel Readout Chip. Electronics 2024, 13, 3074. https://doi.org/10.3390/electronics13153074
Deng Y, Yang P, Huang G, Liu J, Ren Z, Fan Y, Song Z. A 14-Bit Digital to Analog Converter for a Topmetal-CEE Pixel Readout Chip. Electronics. 2024; 13(15):3074. https://doi.org/10.3390/electronics13153074
Chicago/Turabian StyleDeng, Yunqi, Ping Yang, Guangming Huang, Jun Liu, Zhongguang Ren, Yan Fan, and Zixuan Song. 2024. "A 14-Bit Digital to Analog Converter for a Topmetal-CEE Pixel Readout Chip" Electronics 13, no. 15: 3074. https://doi.org/10.3390/electronics13153074
APA StyleDeng, Y., Yang, P., Huang, G., Liu, J., Ren, Z., Fan, Y., & Song, Z. (2024). A 14-Bit Digital to Analog Converter for a Topmetal-CEE Pixel Readout Chip. Electronics, 13(15), 3074. https://doi.org/10.3390/electronics13153074
 
         
                                                

 
       