Development of Multi-Motor Servo Control System Based on Heterogeneous Embedded Platforms
Abstract
1. Introduction
2. Background Research
2.1. Mathematical Model of Micro DC Motor
2.2. Control Strategy of Micro DC Motor
3. Implementation Process
3.1. Heterogeneous Embedded Platforms
3.2. MCU Software Design
3.3. Design of Micro-DC Motor Control IP Core in FPGA
3.3.1. Fsmc Interface Module Design
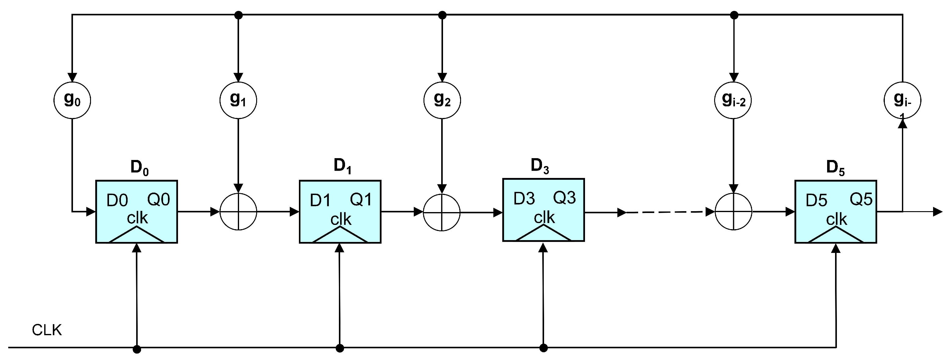
3.3.2. PID Module and Multiplicative Time Division Multiplexing Design
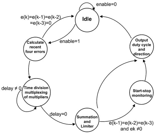
3.3.3. SSI Module Design and Cyclic Redundancy Check (CRC) Formula Method
3.3.4. PWM Module Design
4. Experiment and Analysis of Experimental Results
4.1. Construction of Experimental Platform
4.2. Resource Consumption
4.3. System Function Verification and Performance Analysis
4.3.1. Single Axis Servo Control Performance Experiment
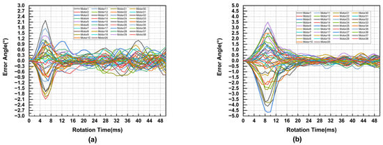
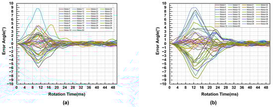
4.3.2. Multi-Axis Servo Control Performance Experiment
4.3.3. System Environment Adaptability Test
4.3.4. Command Response Time Test
5. Conclusions
Author Contributions
Funding
Data Availability Statement
Conflicts of Interest
Appendix A
| Parameter | Magnitude |
|---|---|
| Armature resistance | 12.5 |
| Armature inductance | 168 H |
| Back-EMF constant | 4.39 |
| Torque coefficient | 4.39 |
| Moment of inertia | 0.2605 |
| Viscous friction coefficient | 1.549 |
| Nominal voltage | 6 V |
References
- Fazdi, M.F.; Hsueh, P.W. Parameters identification of a permanent magnet dc motor: A review. Electronics 2023, 12, 2559. [Google Scholar] [CrossRef]
- Gao, Y.; Wu, Y.; Guo, J.; Chen, Q. Adaptive control of four motor servo systems based on characteristic model and gradient projection estimator. IEEE Access 2020, 8, 192239–192247. [Google Scholar] [CrossRef]
- Bae, S.Y.; Koh, J.S.; Jung, G.P. A miniature flapping mechanism using an origami-based spherical six-bar pattern. Appl. Sci. 2021, 11, 1515. [Google Scholar] [CrossRef]
- Gu, Q.; Tian, J.; Yang, B.; Liu, M.; Gu, B.; Yin, Z.; Yin, L.; Zheng, W. A novel architecture of a six degrees of freedom parallel platform. Electronics 2023, 12, 1774. [Google Scholar] [CrossRef]
- Yu, D.Y.; Ding, Z.; Tian, X.Q.; Huang, X.Y. Local corner smoothing algorithm for screw motor high-precision machining. Int. J. Adv. Manuf. Technol. 2023, 126, 2117–2127. [Google Scholar] [CrossRef]
- Chu, X.; Nian, X.; Sun, M.; Wang, H.; Xiong, H. Robust decentralized fault estimation for loss of actuator effectiveness of multi-motor web-winding system. Int. J. Control Autom. Syst. 2019, 17, 691–704. [Google Scholar] [CrossRef]
- Shu, X.; Guo, Y.; Yang, W.; Wei, K.; Zhu, Y.; Zou, H. A detailed reliability study of the motor system in pure electric vans by the approach of fault tree analysis. IEEE Access 2019, 8, 5295–5307. [Google Scholar] [CrossRef]
- Bosma, S.; Van Rooijen, N.; Alonso-Delpino, M.; Spirito, M.; Llombart, N. First demonstration of dynamic high-gain beam steering with a scanning lens phased array. IEEE J. Microwaves 2022, 2, 419–428. [Google Scholar] [CrossRef]
- Ortega-García, L.E.; Rodriguez-Sotelo, D.; Nuñez-Perez, J.C.; Sandoval-Ibarra, Y.; Perez-Pinal, F.J. DSP-HIL comparison between IM drive control strategies. Electronics 2021, 10, 921. [Google Scholar] [CrossRef]
- Mohammed, S.A.Q.; Alsofyani, I.M.; Lee, K.B. Improved adaptive CCS-MPCC for distorted model parameters mitigation of IPMSM drives. IEEE Trans. Ind. Electron. 2023, 71, 3483–3493. [Google Scholar] [CrossRef]
- Tran, D.M.; Kim, K.; Choi, J.Y. CLB-Based Development of BiSS-C Interface Master for Motor Encoders. Electronics 2023, 12, 886. [Google Scholar] [CrossRef]
- Feng, X.; Zhuo, Q.; Liu, X.; Qian, Y.; Li, Y. Development of multi-motor synchronous control system based on network-on-chip. Proc. Inst. Mech. Eng. Part J. Syst. Control Eng. 2020, 234, 1000–1010. [Google Scholar] [CrossRef]
- Horvat, R.; Jezernik, K.; Čurkovič, M. An event-driven approach to the current control of a BLDC motor using FPGA. IEEE Trans. Ind. Electron. 2013, 61, 3719–3726. [Google Scholar] [CrossRef]
- Salehifar, M.; Arashloo, R.S.; Eguilaz, M.M.; Sala, V. FPGA based robust open transistor fault diagnosis and fault tolerant sliding mode control of five-phase PM motor drives. J. Power Electron. 2015, 15, 131–145. [Google Scholar] [CrossRef]
- Schenke, M.; Haucke-Korber, B.; Wallscheid, O. Finite-set direct torque control via edge computing-assisted safe reinforcement learning for a permanent magnet synchronous motor. IEEE Trans. Power Electron. 2023, 38, 13741–13756. [Google Scholar] [CrossRef]
- Wang, B.; Jiao, J.; Xue, Z. Implementation of continuous control set model predictive control method for PMSM on FPGA. IEEE Access 2023, 11, 12414–12425. [Google Scholar] [CrossRef]
- Krim, S.; Gdaim, S.; Mtibaa, A.; Mimouni, M.F. Design and implementation of direct torque control based on an intelligent technique of induction motor on FPGA. J. Electr. Eng. Technol. 2015, 10, 1527–1539. [Google Scholar] [CrossRef]
- Zhang, Z.; Wang, G.; Wang, Z.; Liu, Q.; Wang, K. Neural network based Q-MRAS method for speed estimation of linear induction motor. Measurement 2022, 205, 112203. [Google Scholar] [CrossRef]
- Stanković, M.R.; Manojlović, S.M.; Simić, S.M.; Mitrović, S.T.; Naumović, M.B. FPGA system-level based design of multi-axis ADRC controller. Mechatronics 2016, 40, 146–155. [Google Scholar] [CrossRef]
- Villalba, J.; Hormigo, J. High-radix formats for enhancing floating-point fpga implementations. Circuits Syst. Signal Process. 2022, 41, 1683–1703. [Google Scholar] [CrossRef]
- Fang, C.; Mao, K.; Fang, S.; Zhao, Z.; Hua, B.; Liu, T.; Zhu, Q. Cordic-based general multiple fading generator for wireless channel digital twin. Sensors 2023, 23, 2712. [Google Scholar] [CrossRef] [PubMed]
- Kusaka, T.; Tanaka, T. Fast and accurate approximation methods for trigonometric and arctangent calculations for low-performance computers. Electronics 2022, 11, 2285. [Google Scholar] [CrossRef]
- Kung, Y.S.; Huang, C.C.; Tsai, M.H. FPGA realization of an adaptive fuzzy controller for PMLSM drive. IEEE Trans. Ind. Electron. 2009, 56, 2923–2932. [Google Scholar] [CrossRef]
- Xu, F.; Peng, R.; Zhang, K.; Xu, X. 6-DoF magnetically levitated rotary table with dynamic numerical force and torque regulator. IEEE/ASME Trans. Mechatron. 2021, 27, 1345–1356. [Google Scholar] [CrossRef]
- Gu, Q.; Li, Y.; Niu, P.; Sun, J. Optimized design of soc-based control system for multi-axis drive. Elektron. Elektrotechnika 2014, 20, 15–22. [Google Scholar] [CrossRef][Green Version]
- Sun, J.; Ren, J.; Le, Y.; Wang, H. Analysis of air-gap magnetic field and structure optimization design of hollow-cup motor. Aerospace 2022, 9, 549. [Google Scholar] [CrossRef]
- Guo, S.; Yang, Y.; Yin, Y.; Tang, Y.; Tian, Y.; Zhai, C. The Application of Permanent Magnet Synchronous Motor with Small Electrical Time Constant in Fiber Positioner. Res. Astron. Astrophys. 2024, 24, 015017. [Google Scholar] [CrossRef]
- Ni, Q.; Yang, M.; Odhano, S.A.; Tang, M.; Zanchetta, P.; Liu, X.; Xu, D. A new position and speed estimation scheme for position control of PMSM drives using low-resolution position sensors. IEEE Trans. Ind. Appl. 2019, 55, 3747–3758. [Google Scholar] [CrossRef]
- Sun, Y.; Yang, M.; Wang, B.; Chen, Y.; Xu, D. Precise position control based on resonant controller and second-order sliding mode observer for PMSM-driven feed servo system. IEEE Trans. Transp. Electrif. 2022, 9, 196–209. [Google Scholar] [CrossRef]
- Molitor, D.A.; Arne, V.; Spies, D.; Hoppe, F.; Groche, P. Task space control of ram poses of multipoint Servo Presses. J. Process. Control 2023, 129, 103057. [Google Scholar] [CrossRef]
- Pan, J.; Zou, Y.; Cao, G.; Cheung, N.C.; Zhang, B. High-precision dual-loop position control of an asymmetric bilateral linear hybrid switched reluctance motor. IEEE Trans. Magn. 2015, 51, 1–5. [Google Scholar] [CrossRef]
- Senthilnathan, A.; Palanivel, P. A new approach for commutation torque ripple reduction of FPGA based brushless DC motor with outgoing phase current control. Microprocess. Microsyst. 2020, 75, 103043. [Google Scholar] [CrossRef]
- Zheng, C.; Su, Y.; Mercorelli, P. A simple nonlinear PD control for faster and high-precision positioning of servomechanisms with actuator saturation. Mech. Syst. Signal Process. 2019, 121, 215–226. [Google Scholar] [CrossRef]
- Tran, D.; Aslam, S.; Gorius, N.; Nehmetallah, G. Parallel computation of CRC-code on an FPGA platform for high data throughput. Electronics 2021, 10, 866. [Google Scholar] [CrossRef]


























| Register Name | Offset | Bit Wide | Read/Write | Explanation |
|---|---|---|---|---|
| SSI_reg | 0x1 | 16 | read | Feedback from encoder |
| FPWM_reg | 0x2 | 16 | write | Number of fixed duty |
| P_reg | 0x3 | 16 | write | Register of P paramter |
| D_reg | 0x4 | 16 | write | Register of D paramter |
| Pos-set_reg | 0x5 | 16 | write | Reference of rotation angle |
| Control_reg | 0x6 | 16 | write | Bit0:reset Bit1:enable of closed loop mode Bit2:brake Bit3:enable of fixed-duty mode Bit4:direction of fixed-duty mode |
| Resource | Estimation | Total Available | Utilization (%) |
|---|---|---|---|
| LUT | 453 | 32,600 | 1.39 |
| LUTRAM | 16 | 9600 | 0.17 |
| FF | 632 | 65,200 | 0.97 |
| DSP | 1 | 120 | 0.83 |
| IO | 27 | 250 | 10.80 |
| BUFG | 1 | 32 | 3.13 |
| Resource | Estimation | Total Available | Utilization (%) |
|---|---|---|---|
| LUT | 15,562 | 32,600 | 47.74 |
| LUTRAM | 32 | 9600 | 0.33 |
| FF | 18,823 | 65,200 | 28.87 |
| DSP | 38 | 120 | 31.67 |
| IO | 212 | 250 | 84.80 |
| BUFG | 1 | 32 | 3.13 |
| Resource | Estimation | Total Available | Utilization (%) |
|---|---|---|---|
| LUT | 31,673 | 48,000 | 65.99 |
| LUTRAM | 32 | 17,600 | 0.18 |
| FF | 24,607 | 96,000 | 25.63 |
| DSP | 75 | 140 | 53.57 |
| IO | 397 | 400 | 99.25 |
| BUFG | 1 | 32 | 3.13 |
| Platform | MCU + FPGA (XC7S50) | SoC FPGA XC7Z020 [25] | MCU + FPGA (XC7S75) | SoC FPGA XC7Z100 |
|---|---|---|---|---|
| Package of FPGA | FGGA-484 | CLG-484 | FGGA-676 | FFG-1156 |
| Total available pins | 250 | 200 (PL side) | 400 | 400 (PL side) |
| Total available logic cells | 52,160 | 85,120 | 76,800 | 444,000 |
| Maximum number of controllable motors (use the IP core designed in this paper) | 45 | 40 | 75 | 80 |
| Commercial price (USD) * | 13 + 88 = 101 | 194 | 13 + 149 = 162 | 4044 |
| Rotation Angle (°) | Maximum Process Error (°) | Maximum Steady-State Error (°) |
|---|---|---|
| 45 | 2.2 | 1.1 |
| 90 | 4.67 | 1 |
| 135 | 8.75 | 1.21 |
| 180 | 9 | 1 |
Disclaimer/Publisher’s Note: The statements, opinions and data contained in all publications are solely those of the individual author(s) and contributor(s) and not of MDPI and/or the editor(s). MDPI and/or the editor(s) disclaim responsibility for any injury to people or property resulting from any ideas, methods, instructions or products referred to in the content. |
© 2024 by the authors. Licensee MDPI, Basel, Switzerland. This article is an open access article distributed under the terms and conditions of the Creative Commons Attribution (CC BY) license (https://creativecommons.org/licenses/by/4.0/).
Share and Cite
Gou, M.; Wang, B.; Zhang, X. Development of Multi-Motor Servo Control System Based on Heterogeneous Embedded Platforms. Electronics 2024, 13, 2957. https://doi.org/10.3390/electronics13152957
Gou M, Wang B, Zhang X. Development of Multi-Motor Servo Control System Based on Heterogeneous Embedded Platforms. Electronics. 2024; 13(15):2957. https://doi.org/10.3390/electronics13152957
Chicago/Turabian StyleGou, Mingrui, Bangji Wang, and Xilin Zhang. 2024. "Development of Multi-Motor Servo Control System Based on Heterogeneous Embedded Platforms" Electronics 13, no. 15: 2957. https://doi.org/10.3390/electronics13152957
APA StyleGou, M., Wang, B., & Zhang, X. (2024). Development of Multi-Motor Servo Control System Based on Heterogeneous Embedded Platforms. Electronics, 13(15), 2957. https://doi.org/10.3390/electronics13152957

