Optimal Passive Power Line Communication Filter for NB-PLC Applications
Abstract
1. Introduction
1.1. Spectrum Allocation and Introduction to NB-PLC
1.2. Contributions Beyond the State of the Art
- Lower cost and size of the filter.
- Reduce the quiescent current it would draw.
- Reduce power losses caused by voltage drop over the series connected inductors.
- The research presented in [19] focuses on designing a filter for the CENELEC-C frequency band (120–150 kHz) with a relatively low current, making it suitable for mounting on individual devices. The design method employs equations for inductors and capacitors, and the filter is intended for PLC home automation and indoor use.
- The research presented in [20] focuses on a notch filter that is part of the coupling circuit connecting to the PLC transceiver. It utilizes active components and is designed specifically for the low-current signal path of PLC communication. The frequency band covered extends up to 9 MHz and the design method uses classical electronic circuit equations.
- The research outlined in [21] delves into the theoretical design of line traps for PLC. Compared to our article it lacks scalability concerning the installation location and practical measurements to validate the design. The article prioritizes the frequency range of the designed circuits over creating a solution capable of filtering the entire frequency bandwidth.
1.3. Article Structure
2. Optimal Passive PLF for NB-PLC Applications Theoretical Considerations
2.1. PLF Installation in the Power Grid
- In filter case 1 between SM and LV power line to filter the conducted noise generated by the devices in the house, a filter is installed between the SM and the fuse box. The appropriate filter order and attenuation in this case can be determined by measuring the attenuation of segment denoted with “a” [22].
- In filter Case 2, a filter is positioned between two segments of the low-voltage power line. This setup SMs into two PLC areas while remaining connected to the same electrical grid branch. The division into two sections ensures that each SM utilizing NB-PLC connects to the corresponding PLC-DC. This type of PLF installation becomes essential when numerous SMs are attached to a branch and an extra DC is introduced to augment throughput [23]. The appropriate filter order and attenuation can be determined in this case by measuring the attenuation introduced by segments denoted “b” and “c”.
- Filter case 3 between two segments of MV power line so that the SMs will not communicate over the transformer. The appropriate filter order and attenuation can be determined in this case by measuring the attenuation introduced by segments denoted “d”, which also takes into consideration the attenuation introduced by the MV-LV transformers (Tr) [24,25].
2.2. PLF Design Method
- S11—reflection coefficient at port 1
- S12—transmission coefficient that defines reverse gain
- S21—transmission coefficient that defines the forward gain
- S22—reflection coefficient at port 2
- a1, b1 incident voltage wave at Port1 respectively Port2
- a1, b1 reflected voltage wave at Port1 respectively Port2
2.3. PLF Measurement Methods
- VNA transmission measurements ( and ) for NB-PLC frequency band up to 500 kHz. In this article, this evaluation method will be termed as “measurement setup 1” and will be elaborated upon in Section 2.3.1.
- PLC-G3 modem communication testing in both CENELEC-A and FCC frequency bands. In this article, this evaluation method will be referred to as “measurement setup 2” and will be elaborated upon in Section 2.3.2.
2.3.1. Measurement Setup 1
2.3.2. Measurement Setup 2
3. Optimal Passive PLF for NB-PLC Application Experimental Results
3.1. Proposed PLFs Simulation
- 13th order filter crosses −80 dB at 25 kHz
- 10th order filter crosses −80 dB at 26.7 kHz
- 7th order filter crosses −80 dB at 54 kHz
- 4th order filter crosses −80 dB at 192.9 kHz
- Both the 13th and 10th order filters excel at filtering out signal and noise within the CENELEC-A band. However, the 13th order filter is considered over-engineered since the additional attenuation it provides is unnecessary for NB-PLC applications.
- The 7th order filter demonstrates attenuation effectiveness within the FCC band, but at least one CENELEC-A sub-band remains unfiltered.
- The 4th order filter proves relatively ineffective; communication via PLC-G3 remains operational in both frequency bands.
3.2. Proposed PLFs Measurements
3.2.1. Measurements Performed on the 13th Order Filter
3.2.2. Measurements Performed on the 10th Order Filter
3.2.3. Measurements Performed on the 7th Order Filter
3.2.4. Measurements Performed on the 4th Order Filter
3.3. PLF Installation in the Power Grid Attenuation Simulation
- Power line cable core made out of solid copper or aluminum having cross sections of: 14 mm2, 40 mm2, 100 mm2, 200 mm2.
- Simulation stops when the PC signal level reaches 0 dBμV, although communication will stop at 40 dBμV as determined in Section 3.2.
- PLC signals with frequencies of 10 kHz, 100 kHz, 200 kHz, and 500 kHz are transmitted at a level of 120 dBμV at the beginning of the power line.
- There is no multipath propagation and the power line impedance is 2 Ω [37].
- Case 1 filters are connected through 14 mm2 to 40 mm2 cables with lengths of up to 100 m. The simulated power line impedance for Case 1 filters is provided in Figure 26.
- Case 2 and Case 3 filters are typically connected through wires having cross sections in the range of 100 mm2 to 200 mm2, while lengths are in excess of 1000 m. The simulated power line impedance for Case 2 and Case 3 filters is provided in Figure 27. Additional attenuation of up to −20 dB is introduced by MV-LV transformers for filters, which are installed as in Case 3 [24,25].
3.4. PLFs Use Case and Filter-Order Discussion
- A 13th-order filter can be used in all three filter use cases, but it is over-engineered.
- A 10th-order filter provides sufficient attenuation for all three filter use cases, regardless of the additional attenuation introduced by the power lines.
- A 7th-order filter is adequate for filtering the FCC frequency band, regardless of the additional attenuation introduced by the power line. However, it allows NB-PLC signals in the CENELEC-A band to pass at power line distances of less than 100 m. This filter provides enough attenuation for Case 2 and Case 3. It can potentially be used as a Case 1 filter in installations, which have other attenuation sources contributing to the overall attenuation.
- A 4th-order filter is suitable only for Case 3 installation, where the length of the line causes significant power line attenuation.
4. Conclusions
Author Contributions
Funding
Institutional Review Board Statement
Informed Consent Statement
Data Availability Statement
Conflicts of Interest
References
- Mattias Carlsson. Smart Metering in Europe, 18th ed.; Berg Insight: Gothenburg, Sweden, 2024. [Google Scholar]
- EN 50065-7; Signalling on Low-Voltage Electrical Installations in the Frequency Range 3 kHz to 148.5 kHz—Part 7: Equipment Impedance. CENELEC: Brussels, Belgium, 2002.
- Power Line Communication Equipment (10–450 kHz), ARIB STD-T84. Available online: https://www.arib.or.jp/english/std_tr/telecommunications/desc/std-t84.html (accessed on 2 May 2024).
- FCC Online Table of Frequency Allocations. Available online: https://www.fcc.gov/file/21474/download (accessed on 1 June 2024).
- Toonen, J.; Bhattacharyya, S.; Cobben, S. Impacts of Ripple Control Signals at Low Voltage Customer’s Installations. In Proceedings of the 22nd International Conference and Exhibition on Electricity Distribution (CIRED 2013), Stockholm, Sweden, 10–13 June 2013; Institution of Engineering and Technology: Stockholm, Sweden, 2013; p. 0256. [Google Scholar]
- Mak, S.T.; Moore, T.G. TWACSTM, A New Viable Two-Way Automatic Communication System for Distribution Networks. Part II: Inbound Communication. IEEE Trans. Power Appar. Syst. 1984, PAS-103, 2141–2147. [Google Scholar] [CrossRef]
- Nordell, D.E. Communication Systems for Distribution Automation. In Proceedings of the 2008 IEEE/PES Transmission and Distribution Conference and Exposition, Chicago, IL, USA, 21–24 April 2008; IEEE: Chicago, IL, USA, 2008; pp. 1–14. [Google Scholar]
- Kabalci, E.; Kabalci, Y. Chapter 4—Power Line Communication Technologies in Smart Grids. In From Smart Grid to Internet of Energy; Kabalci, E., Kabalci, Y., Eds.; Academic Press: Cambridge, MA, USA, 2019; pp. 119–171. ISBN 978-0-12-819710-3. [Google Scholar]
- Ikpehai, A.; Adebisi, B.; Rabie, K.M. Broadband PLC for Clustered Advanced Metering Infrastructure (AMI) Architecture. Energies 2016, 9, 569. [Google Scholar] [CrossRef]
- Mlynek; Misurec, J.; Silhavy, P.; Fujdiak, R.; Sláčik, J.; Hasirci Tuğcu, Z. Simulation of Achievable Data Rates of Broadband Power Line Communication for Smart Metering. Appl. Sci. 2019, 9, 1527. [Google Scholar] [CrossRef]
- Mlýnek, P.; Rusz, M.; Benešl, L.; Slácik, J.; Musil, P. Possibilities of Broadband Power Line Communications for Smart Home and Smart Building Applications. Sensors 2021, 21, 240. [Google Scholar] [CrossRef]
- Tonello, A.M.; Swart, T.G.; Lampe, L. Power Line Communications: Principles, Standards and Applications from Multimedia to Smart Grid, 2nd ed.; Wiley: Hoboken, NJ, USA, 2016; Available online: https://www.wiley.com/en-ca/Power+Line+Communications%3A+Principles%2C+Standards+and+Applications+from+Multimedia+to+Smart+Grid%2C+2nd+Edition-p-9781118676714 (accessed on 7 April 2024).
- Ogunlade, M.A.; Gbadamosi, S.L.; Owolabi, I.E.; Nwulu, N.I. Noise Measurement, Characterization, and Modeling for Broadband Indoor Power Communication System: A Comprehensive Survey. Energies 2023, 16, 1535. [Google Scholar] [CrossRef]
- Bernacki, K.; Wybrańczyk, D.; Zygmanowski, M.; Latko, A.; Michalak, J.; Rymarski, Z. Disturbance and Signal Filter for Power Line Communication. Electronics 2019, 8, 378. [Google Scholar] [CrossRef]
- Elfeki, I.; Jacques, S.; Aouichak, I.; Doligez, T.; Raingeaud, Y.; Le Bunetel, J.-C. Characterization of Narrowband Noise and Channel Capacity for Powerline Communication in France. Energies 2018, 11, 3022. [Google Scholar] [CrossRef]
- Avram, S.; Vasiu, R. Passive Power Line Communication Filter Design and Benchmarking Using Scattering Parameters. Appl. Sci. 2023, 13, 6821. [Google Scholar] [CrossRef]
- EN 55015:2013+A1:2015; Limits and Methods of Measurement of Radio Disturbance Characteristics of Electrical Lighting and Similar Equipment. Available online: https://standards.iteh.ai/catalog/standards/clc/b0ba1d97-9ee3-4e97-8106-d17d9a21ba7a/en-55015-2013-a1-2015 (accessed on 7 April 2024).
- EN 55016-1-2:2014+A1:2018; Specification for Radio Disturbance and Immunity Measuring Apparatus and Methods. Radio Disturbance and Immunity Measuring Apparatus. Coupling Devices for Conducted Disturbance Measurements. Available online: https://standards.iteh.ai/catalog/standards/clc/c4f9eca8-aed0-45df-8682-185bd2515fc7/en-55016-1-2-2014-a1-2018 (accessed on 7 April 2024).
- Szymczyk, C.; Nieß, C.; Bumiller, G. An On-Line Measurement Approach for EMI Filter Characterization. In Proceedings of the 2021 IEEE International Symposium on Power Line Communications and its Applications (ISPLC), Aachen, Germany, 26–27 October 2021; pp. 90–95. [Google Scholar]
- Da Silva Costa, L.G.; Cantarino, W.M.; Camponogara, Â.; Ferreira, A.A.; Ribeiro, M.V. A Notch Filter-Based Coupling Circuit for UNB and NB PLC Systems. Sensors 2022, 22, 9722. [Google Scholar] [CrossRef] [PubMed]
- Mahamudul, H.; Ozansoy, C.; Haque, E. Evaluation of Butterworth Coupling Arrangement and Line Trap Circuit for PLC Integrated Power System. In Proceedings of the 2017 IEEE International Conference on Telecommunications and Photonics (ICTP), Dhaka, Bangladesh, 26–28 December 2017; IEEE: Dhaka, Bangladesh, 2017; pp. 43–47. [Google Scholar]
- Blocking Filter—Grupo Premo. Available online: https://www.grupopremo.com/content/102-blocking-filter (accessed on 1 March 2024).
- Vukicevic, A.; Bittner, M.; Rubinstein, A.; Rubinstein, M.; Rachidi, F. A Concept to Enhance System Data Rate for PLC Access Networks. In Proceedings of the 2008 IEEE International Symposium on Power Line Communications and Its Applications, Jeju City, Republic of Korea, 2–4 April 2008; IEEE: Jeju City, Republic of Korea; pp. 105–110. [Google Scholar]
- Kikkert, C.J. Power Transformer Modelling and MV PLC Coupling Networks. In Proceedings of the 2011 IEEE PES Innovative Smart Grid Technologies, Perth, WA, Australia, 13–16 November 2011; pp. 1–6. [Google Scholar]
- Cataliotti, A.; Cosentino, V.; Guaiana, S.; Di Cara, D.; Panzavecchia, N.; Tinè, G. Experimental Investigation on PLC Signal Crossing of Power Transformers. In Proceedings of the 2014 IEEE International Instrumentation and Measurement Technology Conference (I2MTC) Proceedings, Montevideo, Uruguay, 12–15 May 2014; pp. 1235–1239. [Google Scholar]
- Steer, M. Microwave and rf Design II-Transmission Lines; LibreTexts: Davis, CA, USA, 2020. [Google Scholar]
- Touchstone Format—Touchstone Format—Keysight Knowledge Center. Available online: https://edadocs.software.keysight.com/display/genesys2010/Touchstone+Format (accessed on 30 April 2023).
- Caspers, F. RF Engineering Basic Concepts: S-Parameters. arXiv 2012, arXiv:1201.2346. [Google Scholar]
- NanoVNA-F V2 Portable Vector Network Analyzer. Available online: https://www.wimo.com/en/nanovna-v2 (accessed on 2 May 2024).
- Marqués-Fernández, J.L.; Salvador, M.; Martínez-García, J.C.; Fernández-Miaja, P.; García-Arribas, A.; Rivas, M. New Perspective on Planar Inductive Sensors: Radio-Frequency Refractometry for Highly Sensitive Quantification of Magnetic Nanoparticles. Sensors 2023, 23, 2372. [Google Scholar] [CrossRef] [PubMed]
- Tomov, M.; Kogias, P.; Malamatoudis, M.; Sadinov, S. Local Area Improvement of GSM Network Coverage. Eng. Proc. 2024, 60, 24. [Google Scholar] [CrossRef]
- Using the LonWorks PLT-22 Power Line Transceiver in European Utility Applications. Available online: http://downloads.echelon.com/support/documentation/manuals/transceivers/078-0180-01a.pdf (accessed on 2 May 2024).
- N9320B RF Spectrum Analyzer (BSA)|Keysight. Available online: https://www.keysight.com/us/en/product/N9320B/rf-spectrum-analyzer-bsa-9-khz-3-ghz.html (accessed on 20 April 2024).
- MAX79356CAEVK1 Evaluation Board|Analog Devices. Available online: https://www.analog.com/en/resources/evaluation-hardware-and-software/evaluation-boards-kits/max79356caevk1.html#eb-overview (accessed on 20 April 2024).
- EN 61000-4-5:2014+A1:2017; Electromagnetic Compatibility (EMC)—Part 4-5: Testing and Measurement Techniques. Surge Immunity Test. Available online: https://standards.iteh.ai/catalog/standards/clc/5c0c7d07-d4f4-4109-80ca-c27ccf98d6e7/en-61000-4-5-2014-a1-2017 (accessed on 4 May 2024).
- IEC 60502-1:2021|IEC Webstore. Available online: https://webstore.iec.ch/publication/64963 (accessed on 8 June 2024).
- Avram, S. Power Line Communication Channel Noise Source Detection Using Smart Meters. In Proceedings of the 2016 12th IEEE International Symposium on Electronics and Telecommunications (ISETC), Timisoara, Romania, 1 October 2016; p. 106. [Google Scholar]



























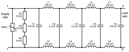
| Filter | Components Removed |
|---|---|
| 13th order | none |
| 10th order | L7, L8, C5 |
| 7th order | L7, L8, C5, L5, L6, C4 |
| 4th order | L7, L8, C5, L5, L6, C4, L3, L2, C3 |
| Parameter | Setting | Comments |
|---|---|---|
| Standard | CENELEC or FCC | Selectable depending on the frequency band |
| Tone Map | 3F for CENELEC-A/FFFFFF for FCC | Selectable depending on the frequency band |
| Modulation | ROBO | 4 times repeated binary or differential Phase Shift Keying |
| Type of modulation | Differential | |
| Packet size | 30 | Payload size in bytes |
| LD Gain | 6 | Line Driver gain |
| IAFE Gain | 3.5 dB | Integrated Analog Front End gain |
| Auto PDC | Disabled | Phase detection counter |
Disclaimer/Publisher’s Note: The statements, opinions and data contained in all publications are solely those of the individual author(s) and contributor(s) and not of MDPI and/or the editor(s). MDPI and/or the editor(s) disclaim responsibility for any injury to people or property resulting from any ideas, methods, instructions or products referred to in the content. |
© 2024 by the authors. Licensee MDPI, Basel, Switzerland. This article is an open access article distributed under the terms and conditions of the Creative Commons Attribution (CC BY) license (https://creativecommons.org/licenses/by/4.0/).
Share and Cite
Avram, S.; Vasiu, R. Optimal Passive Power Line Communication Filter for NB-PLC Applications. Electronics 2024, 13, 2920. https://doi.org/10.3390/electronics13152920
Avram S, Vasiu R. Optimal Passive Power Line Communication Filter for NB-PLC Applications. Electronics. 2024; 13(15):2920. https://doi.org/10.3390/electronics13152920
Chicago/Turabian StyleAvram, Sebastian, and Radu Vasiu. 2024. "Optimal Passive Power Line Communication Filter for NB-PLC Applications" Electronics 13, no. 15: 2920. https://doi.org/10.3390/electronics13152920
APA StyleAvram, S., & Vasiu, R. (2024). Optimal Passive Power Line Communication Filter for NB-PLC Applications. Electronics, 13(15), 2920. https://doi.org/10.3390/electronics13152920

