Next Article in Journal
Reversible Data Hiding in Crypto-Space Images with Polynomial Secret Sharing over Galois Field
Next Article in Special Issue
Proposal of an External Remote Sensing Circuitry for Switching-Mode Power Supplies
Previous Article in Journal
Data Stealing Attacks against Large Language Models via Backdooring
Previous Article in Special Issue
An Efficient Checkpoint Strategy for Federated Learning on Heterogeneous Fault-Prone Nodes
 
 
Font Type:
Arial Georgia Verdana
Font Size:
Aa Aa Aa
Line Spacing:
Column Width:
Background:
Article

Day/Night Power Generator Station: A New Power Generation Approach for Lunar and Martian Space Exploration

by
Thomas F. Arciuolo
1,
Miad Faezipour
2,* and
Xingguo Xiong
3
1
Ultimate Interfaces Corporation, Milford, CT 06460, USA
2
School of Engineering Technology, Electrical and Computer Engineering Technology, Purdue University, West Lafayette, IN 47907, USA
3
Department of Electrical Engineering, University of Bridgeport, Bridgeport, CT 06604, USA
*
Author to whom correspondence should be addressed.
Electronics 2024, 13(14), 2859; https://doi.org/10.3390/electronics13142859
Submission received: 16 June 2024 / Revised: 12 July 2024 / Accepted: 17 July 2024 / Published: 19 July 2024
(This article belongs to the Special Issue Feature Papers in Circuit and Signal Processing)

Abstract

In the not-too-distant future, humans will return to the Moon and step foot for the first time on Mars. Eventually, humanity will colonize these celestial bodies, where living and working will be commonplace. Energy is fundamental to all life. The energy that people use to sustain themselves on Earth, and in particular on these other worlds, is the integrated, safe production of electrical power, day and night. This paper proposes a radically new solution to this problem: Solar Tracking by day and a Solar Rechargeable Calcium Oxide Chemical Thermoelectric Reactor by night. Called the “Robotic End Effector for Lunar and Martian Geological Exploration of Space” (REEGES) Day/Night Power Generator Station, this form of thermoelectric power generation is mathematically modeled, simulation is performed, and a concept model design is demonstrated in this paper. The results of the presented simulation show the maximum total system output capability is 9.89 V, 6.66 A, and 65.9 W, with an operating time of up to 12 h, through a scalable design. This research provides instructions to the Space Research Community on a complete and novel development methodology for creating fully customized, configurable, safe, and reliable solar/thermoelectric day/night power generators, specifically meant for use on the Moon and Mars, using the Proportional-Integral-Derivative++ (PID++) Humanoid Motion Control Algorithm for its operation on a computationally lightweight microcontroller.

1. Introduction

In this section, the background and motivation behind the work, the prior related work, and the key contributions are presented.

1.1. Background and Motivation

The reader is asked to envision a not-too-distant future when it is commonplace for humans to live and work on the Moon and Mars. When this happens, many pressing needs will come to the forefront, one of which is the need for electrical energy. Electrical power will be needed for all aspects of life for the astronauts, including the exploration of the celestial body they are on. This power will need to be generated continuously, day and night, and is crucial for the health and welfare of the astronauts.
Currently, electrical power is usually generated in space in either of two different ways: solar and nuclear. Solar power generation suffers from the fact that electrical power can only be generated during daytime hours. Nuclear power generation suffers from the fact that it requires dangerous radioactive materials. These materials can be dangerous to the astronauts using these generators and are very controversial because, should the spacecraft carrying these generators into space be destroyed during launch, these materials could shower down on the inhabitants below and be life-threatening. Further, no one would choose to live anywhere near a nuclear power source with all of the deadly radioactive materials it would contain. As there is no free oxygen in these worlds, the burning of any sort of fossil fuel to make electrical power is not a possibility either, nor are any of the other conventional power-generating techniques that are used on Earth. Another alternative is needed to help make colonization and exploration of these worlds more feasible and safer. A solution is sought to generate electrical power continuously, day and night, from the surface of the Moon or Mars in a safe and effective way while not requiring any hazardous or radioactive materials to operate.
On the surface of the Moon and Mars, the most abundant and readily available energy source is the Sun. On Earth, over the eons of time, its rays have charged with energy, the Chemistry of Life through photosynthesis, which provides all that lives on Earth, the energy-rich food we eat, and even the existence in great abundance: Natural Gas, Oil, and Coal, used to energize our daily lives [1]. If the Sun could likewise be utilized to store in chemical compounds great quantities of this chemical energy and be able to do so over and over again, without loss or degradation, a means of solar rechargeability could be utilized to charge a compound’s chemistry by day and be utilized exothermically by night.
The concept of energy storage has a long history and takes many forms: Pumped hydroelectric, Compressed air, Flywheels, Batteries, Thermal energy storage, Flow batteries, Supercapacitors, and Superconducting magnetic energy storage [2]. These methods of energy storage have many variations that have been utilized on Earth [3]. While it is true that energy can be stored in many different ways, this research has very specific requirements:
(1)
The Sun is the only source of energy that can be utilized to recharge the system.
(2)
The method must be absolutely safe for humans with no toxic substances used.
(3)
There must be a means of controlling the amount of active electrical power produced.
(4)
The method must be simple, inexpensive, and repeatable indefinitely, with a long-proven track record of successful use.
As batteries are not an acceptable form of energy storage through the darkness of night for this human-life-depending space application, chemical thermoelectric is chosen as a practical solution. An option such as hydrogen energy storage through electrolysis is not viable as hydrogen is explosive. Salt storage of thermal energy is also not viable as there is limited control over the power output and it is not actively producing energy (only passively). A means is sought that meets all of these stated requirements.
Known for thousands of years, limestone can be converted to unslaked lime (Calcium Oxide: CaO) by heating the stone to high temperatures in a kiln. With roots dating back to 13th-century England, unslaked lime was used for cooking by mixing Calcium Oxide with water (H2O), producing a strong exothermic reaction that was hot enough and long-lasting enough to cook food [4].
Heat, like light, is a form of energy. The heat produced from the Calcium Oxide and water reaction could be utilized on the surface of the Moon or Mars to produce electrical power during nighttime operations. By doing so at night and with solar panels by day, at no time are people or machines dependent exclusively on battery power, with the worry that the batteries may be dead before sunrise is reached. Fortunately, the CaO + H2O chemical reaction producing Calcium Hydroxide (Ca(OH)2) and heat is completely reversible. It should also be noted that all of these compounds are relatively safe [5].
During the day, electrical power would be produced using solar panels that track the Sun. Additionally, during these hours, it is proposed that a reflective parabolic dish of adequate size would also track the Sun and solar recharge the Calcium Oxide Chemical Reactor Chamber with an adequately high temperature, converting all of the spent Calcium Hydroxide back into high-energy constituent Calcium Oxide and water vapor for collection and reuse. During the night, this fully recharged Calcium Oxide Chemical Reactor Chamber would be put into action for the requisite nighttime power generation activities. Placed in a vertical orientation and above the parabolic dish, this reactor chamber, of adequate size and with a cubic shape, will be used in the production of electrical power in place of the daytime solar panels.
When heat moves through a thermopile (from hot to cold), electrical power is produced. By encasing the Calcium Oxide Chemical Reaction Chamber with thermopiles, a means of converting heat energy into electrical energy is obtained. With heat sinking/thermal radiating out to the extremely cold, outside, nighttime temperatures of these thin-to-no atmosphere extraterrestrial bodies, a means of great heat flow and thus electrical power is possible.
In the reaction chamber, there would be an adequately sized reserve of Calcium Oxide and a correspondingly sized reserve of water. Under the control of a computationally lightweight computing device, the water reserve will be injected over time, in a controlled fashion, throughout the Calcium Oxide stored within the reaction chamber. A predetermined internal reaction chamber temperature would be reached and maintained for the duration. The time duration, internal temperature, voltage, current flow, and power dissipation are achieved by adequately designing, sizing, and scaling the components of the Solar Rechargeable Calcium Oxide Chemical Thermoelectric Reactor.

1.2. Related Work

Since the dawn of the Space Age in the late 1950s, space-based power systems have been a major consideration. Usually, our planetary neighbors, the Moon and Mars, being so close to the Sun have necessitated the use of only solar power for satellites and other robotics of exploration, although the Apollo missions to the Moon in the 1960s and 1970s did put a nuclear thermoelectric power generator on the surface. Nuclear power solutions have generally been reserved for only very distant Space exploration such as the outer planets of our Solar System, since the brightness of the Sun at these great distances is very faint, so solar power is not an option [6].
Radioisotope Thermoelectric Generators (RTGs), and more generically, Radioisotope Power Systems (RPSs), generate electrical power by converting heat released from the nuclear decay of radioactive isotopes into electricity. These systems have a long and storied history in both the US and Russian space programs and have provided electrical power on many different missions of varying types, ranging from the Moon and Mars to the outer planets of the Solar System and beyond. There are seven major technologies for the conversion of this sort of nuclear heat energy (or any other) into electrical energy, each with different Technology Readiness Levels (TRL) for space applications. The only technology of this group still in use, and at TRL 9 (ready for space deployment), is the “thermoelectric” technology as is deployed in this paper. All other technologies either lack the TRL or are not in acceptance anymore. Only on the Apollo Mission to the Moon did RTGs actually accompany astronauts on their voyage. All of the many other missions using RPSs, where the heat generated was derived from either radioactive decay or actual nuclear fission, using either Uranium or Plutonium, in a space-based nuclear reactor, have only been done to date on unmanned missions. While proposals for manned missions powered by either RTGs or other less developed high-energy conversion space technologies have been made, the actual use of dangerous, radioactive materials on any sort of manned mission must be carefully considered as it is less than desirable for a variety of health and safety reasons [7,8,9].
Although humans will not be returning to the Moon for some time or stepping foot on Mars for even longer, some work in the area of space-based power systems for long-term inhabitance and exploration has been done already [10,11,12,13,14], although none are chemically driven and meant specifically for space exploration of the Moon and Mars. Very few comparable papers are available on the subject of this paper, as relatively little research has been done in this area due to a lack of necessity, as manned space missions to these celestial bodies have yet to begin.
The work in [10] is related to the utilization of the naturally occurring large temperature changes that happen between day and night on the Moon and Mars. These large temperature changes are stored and utilized to generate power as the system oscillates between day and night. This is a passive means of power generation, utilizing current conditions as a means to generate power. The work presented in [11] focuses on a means of improving solar power generation through dust mitigation. As with all solar power solutions, it still suffers from the fact that power is not generated when there is no Sun. The work in both [12,13] focuses on nuclear power generation for Mars and other space exploration projects. Nuclear approaches are hazardous to human life by definition, and this will not change. The work introduced in [14] suggests using solar panels on satellites to collect solar energy and then beaming the energy down to the surface where needed. Theoretically, because the satellites could be anywhere in orbit, and with many satellites in orbit, there would be continuous energy harvesting and delivery to the surface where needed. While this solution does indeed solve the problem of having continuous energy generation for colonization and exploration of the Moon and Mars, the issue with it is that it is an extremely expensive solution considering what it would cost to put many satellites in orbit around these celestial bodies.
Thermoelectric generators convert thermal energy into electricity for power generation. These systems perform based on heat transfer fundamentals and have wide applications in cogeneration, electronics cooling, power production, waste heat harnessing, and air-conditioning [15,16]. Over the course of many years, thermoelectric generators have employed many different materials and methods of manufacturing. These generators have been proposed for use in the collection of solar energy for the hot side and thermal radiation to space for cold side requirements to affect the heat transfer needed for their operation. They are proposed for use in terrestrial applications as a means to alleviate the energy and climate crisis through their inherently emission-free operation by utilizing the Sun and Space in this way. Much work needs to be done to make this a real possibility [17,18,19].
Thermoelectric generators for Space applications have been used for many decades, although usually with nuclear materials as a heat source and thermal radiation to the extremely cold outer Space as the heat sink. Using these thermoelectric generators in Space without nuclear materials, if only for astronaut safety reasons, provides unique challenges with little to no atmosphere. Temperature changes are severe and abrupt, so depending on waste heat or other things, as can be assumed with terrestrial applications, is not possible. To meet these non-nuclear requirements of the proposed power system using TRL 9 thermoelectric generators, the proposed chemical scheme is necessary. The thermoelectric generators need to be strategically designed, spaced, and scaled. The proposed solution put forth in this paper is safe, relatively inexpensive, and small. Further, these thermoelectric power stations can be mass-produced and delivered, with astronauts going to these places as well. It is envisioned that many hundreds of these power generators would be used by a colony of explorers on the Moon and Mars, providing redundancy of operation and the sustainable power levels necessary for an entire Space colony.

1.3. Key Contributions

This paper presents to the space research community a practical, safe, and novel approach to powering spacecraft on a solar-rich alien planet, day and night. The solution doesn’t utilize any dangerous substances and is relatively simple to deploy and maintain by the inhabitant astronauts. Through this research, a new path forward is laid out for the Space industry to build upon, to bring safe, efficient, and cost-effective energy generation to the Moon and Mars, for a time when humanity finally does colonize these distant worlds. The embodiment of this design is proposed herein. Called the “Robotic End Effector for Lunar and Martian Geological Exploration of Space” (REEGES) Day/Night Power Generator Station, this form of thermoelectric power generation is mathematically modeled, simulation is performed, and a concept model design is demonstrated in this paper. The ideas presented in this paper were initially developed to upgrade the solar panel power supply of REEGES [20] for day and night operation.
Also, this research provides instructions to the Space Research Community on a complete and novel design and development methodology, not earlier presented in the literature, for creating fully customized, configurable, safe, and reliable solar/thermoelectric day/night power generators, specifically meant for use on the Moon and Mars, by providing a step-by-step reference for future Space engineers and academicians to follow.
Most importantly, the REEGES Power Station employs the newly developed Humanoid Motion Control Algorithm called PID++ (referring to advanced and adaptive Proportional-Integral-Derivative) [21,22], for its operation on a computationally lightweight microcontroller and is therefore presented as a PID++ application. Since the PID++ algorithm was first introduced and its applications specified to the broader Motion Control Research Community, this paper shows the first complete development demonstration of an application for any industry that plans to use the PID++ algorithm as its motion control centerpiece.

2. Material and Methods

In this section, we discuss the problem statement of this work.

Problem Statement

Space engineers of the future will be challenged to find a solution to generate energy on dark and lifeless worlds in a safe and effective manner when the Sun is gone. As day follows night and night follows day, the storage of the energy of the Sun, the only form of energy on these bodies that is readily and abundantly available, is the only option. Thus, effective ways to store solar energy need to be devised. Highly energized chemicals can be utilized to store, deplete, and restore, again and again, the energy of the Sun. Among the chemicals, the one that is stable, safe, and suitable for this challenge is Calcium Oxide (CaO).
Using nothing more than water (H2O) to exothermically release its chemical energies to form Calcium Hydroxide (Ca(OH)2), Calcium Hydroxide can be easily solar recharged without loss by simply “baking” it in the concentrated rays of the Sun, at a high enough temperature, causing this compound to revert back to the original Calcium Oxide and water from which it came. The use of a solar oven is proposed for Calcium Hydroxide to be “baked” on the Moon and Mars to affect this reversion. This oven is simply an adequately sized reflective parabolic dish that tracks the Sun during the daylight hours. At the focal point above the parabolic dish, the “baking” process takes place at 512 °C [23].
With the basic solar energy storage, release, and recharge method defined, the place where all of this will occur is in an adequately sized, cubic-shaped chemical reaction chamber made of an Aluminum/Silver alloy, chosen for its lightweight and excellent thermal conducting properties. This chamber, mounted with one side on a pedestal above the concavity of the parabolic dish at the dish’s optical focal point, will be responsible for the conversion of the heat generated in the core of the reaction chamber into usable electrical power. Mounted over the entire surface area of the four outermost sides of the reaction chamber will be square-shaped thermopiles that perform the actual conversion of the thermal energy emanating from the reactor core into usable electrical energy at a predefined power level.
The way a thermopile works is by converting the motion of heat from one side of the thermopile to the other into electrical power [24]. Heat moves when there is a temperature differential. By having one side of a thermopile exposed to the high internal reactor core temperatures and the other side of these thermopiles exposed to the extremely cold night or solar occluded temperatures on the surface of the Moon or Mars when this reactor will be in operation, the ability to have this “motion of heat” is greatly enhanced, thus creating optimal conditions for the production of electrical power through thermal radiation.
Key to this entire process is the attainment and maintenance of a constant temperature on the hot side of the thermocouples. A means and method of temperature control is necessary. This will be done by controlling the rate of water injected into the Calcium Oxide stored inside the reaction chamber. The water required for this reaction to take place will be stored in the fibers of a synthetic, high-temperature-resistant sponge. A sponge is used not only for its ability to hold and easily dispense water when it is “squeezed” but also for its ability to collect and store re-condensing water vapor, which will be an event happening periodically, right after the time of sunset, with the cold ambient external temperatures present on these celestial bodies. The water will then be released by compressing the sponge. The rate at which the sponge is compressed is directly related to the rate of water dispensing, which is therefore directly related to the internal reaction chamber temperature.
This sponge, being half cubical in shape, will be large enough to hold enough water to complete the reaction of all the stored CaO in the reaction chamber. By compressing this sponge at a slow enough rate to last the entire duration of the night, a constant internal reaction chamber temperature can be maintained for the duration, assuming the reaction chamber and all of its components are scaled and sized correctly. Compressing the flat face of a wet sponge is similar to compressing a nonlinear spring, indicating the fact that it takes ever greater force to compress a sponge. As a sponge is further compressed, the rate of increase in force is exponential.
The compression of the water-soaked sponge will be accomplished with a brushless DC motor, gears, and screw assembly mounted on the 6th side of the cubic reaction chamber (opposite the supporting pedestal) to affect a linear motion of a metal plate covering the backside of the sponge opposite the CaO reserve. This plate must press down and compress the sponge at a constant linear rate over time for the duration of the operation of the reaction chamber. Water will be injected through a static plate holding the tops of a 2-dimensional array of porous tubes inserted lengthwise, all the way down and throughout the CaO reserve, to prevent sintering and to ensure the desired rate of reaction.
Because the force required to compress the sponge changes exponentially over time, the requisite computationally lightweight microcontroller must be able to cope with this while compressing the sponge at a perfectly linear rate over time and be able to modify this rate as necessary to maintain a preset internal reaction chamber temperature for the duration of the operation of the reaction chamber. The motion control algorithm running on the microcontroller to control the sponge compression will be PID++ [21,22]. This algorithm is designed to give humanoid motion control capabilities to cope with these adverse requirements while executing on a computationally lightweight microcontroller.
We now introduce the overall design steps and procedures that will be detailed in the calculations and descriptions of Section 3 and Section 4 of this paper for other space researchers and academicians to follow to replicate this work:
(1)
Chemistry and CaO Reaction Chamber Design
(2)
Thermoelectric Design
(3)
Thermopile on a Chip (ToC): Design, Dimensions, and Materials
(4)
Voltage Regulation, Power Station Power to USB Output
(5)
Thermal Radiating Considerations
(6)
COMSOL Simulation
(7)
Overall Power Station Mounting Design
(8)
Sponge Controller Integration
Figure 1 also graphically depicts the flow diagram of the overall design steps for our proposed power generator station.

3. Thermoelectric Design and Development Instruction

In this section, we discuss the proposed solution calculations, thermopile design for miniaturization, design rules, temperature discussion, mathematical modeling of the ToC, physical ToC design, total ToC layout area, thermal abundance, voltage regulation, and heat flow and thermal sinking/radiating for the power station design of this paper.

3.1. Proposed Solution Calculations

This paper proposes to make a thermoelectric (TE) power generator, with USB voltage output compatibility, at the following minimum operating specifications (Equation (1)):
V = 5   V , I = 2   A , O p e r a t i n g   T i m e 12   h : For REEGES compatibility [20].
Ambient Temperature = 150 °K, Hot Side Temperature = 300 °K, Absolute Atmospheric Pressure = 0 Atm.
E n e r g y = V × I × T = 120   W h = 0.120   k W h = 432,000   J o u l e s = 432   K J
We assume an Energy Conversion Efficiency of 1.5%. So, the amount of chemical energy required to make this much electrical E n e r g y = 28,800   K J .
The chemical equation generating this Chemical Energy is:
C a O   s + H 2 O   l   C a ( O H ) 2   ( s ) + ( Δ H r = 350   K J / m o l )
The relation in Equation (2) is an exothermic reaction [25]. The required density and size (space) are computed hereafter.
Moles of CaO required will be 28,800   K J / 350   K J / m o l = 82.28571429   m o l   ( C a O ) .
There are 56.0774   g / m o l   C a O . So 82.28571429   m o l × 56.0774   g / m o l = 4614.369   g   C a O is required in the reaction chamber. To be conservative, we will use 5000 g CaO.
On the other hand, 5000   g   C a O / 56.0774   g / m o l = 89.162479   m o l   C a O , and there are 18.01528   g / m o l   H 2 O . Assuming a stoichiometrically equal quantity of H2O, we have 89.162479   m o l   H 2 O × 18.01528   g / m o l = 1606.287   g   H 2 O . To be conservative we will use 2000 g H2O.
Additionally, there are 3.34   g / c m 3   C a O . So 5000   g   C a O   /   3.34   g / c m 3 = 1497.006   c m 3   C a O =   91.353   i n 3   o f   C a O .
Further, there is 1.0   g / c m 3   H 2 O . So 2000   g   H 2 O = 2000   c m 3   H 2 O = 122.047   i n 3   o f   H 2 O .
Moreover, there are 74.093   g / m o l   C a ( O H ) 2 and there are 2.21   g / c m 3   C a ( O H ) 2 . This reaction producing 89.162479 moles of Ca(OH)2 will occupy a space presented in Equation (3):
( 89.162479   m o l × 74.093   g / m o l )   /   2.21   g / c m 3 = 2989.283   c m 3 = 182.417   i n 3   o f   C a ( O H ) 2
To account for the space occupied by the sponge and other parts, we assume a 216 in3 capacity reaction chamber, cubical in shape, which will have interior dimensions of 6.0″ × 6.0″ × 6.0″, and exterior dimensions of 6.25″ × 6.25″ × 6.25″. The aluminum/silver alloy reaction chamber wall thickness will be 0.125″.

3.1.1. Thermopile Design for Miniaturization

Thermopile on a Chip (ToC):
The design will be a semiconductor-based, high-density count, array/junction thermopile (Figure 2) to produce a large Seebeck effect with a low internal module resistance, to generate 5 V DC and 2 A of current using one 4 in2 (2″ × 2″) thermopile module on each of the outer 4 sides of the reaction chamber: As four ToC modules are needed, with 0.5 A per module (2 A/4 modules = 0.5 A/module), we will design for 0.5 A/ToC module.
Using a mathematical model for the proposed system (shown later), scaling up, with series connected, 169 junctions (13 × 13) array, approximately 5 V at/and 0.5 A current output capability is produced by utilizing 169 of these 169 junction Serial Arrays (in a 13 × 13 fractal pattern), connected in parallel. This quantity of parallel-connected Serial Arrays will be used to get a sufficiently low enough overall internal system resistance to do this. Additionally, having 169 thermopile arrays connected in parallel will have the added benefit of Built-in Reliability (BiR) by providing 169 redundant circuit pathways. Should one of these circuit pathways suddenly fail due to a manufacturing flaw or pathway burnout from metal migration due to extended use, 168 circuit pathways are still functional for reliable, though slightly degraded, power generation capability.
This Thermopile on a Chip (ToC) design, utilizing 28,561 junctions, will be miniaturized onto a Silicon substrate and then encapsulated between 2 thermally isolated ceramic wafers.
Thermopiles on Silicon are currently widely used for Infrared Detection Sensors. Typically, they consist of a few hundred junctions connected in series and generate on the order of µV/°C. Other research in this area involves bulk micromachining of the thermopile onto a Silicon substrate, which is limited by this technique to a maximum of 1000 junctions but is capable of producing up to 500 mV/°C. None of these thermopiles were ever designed for significant power generation [26].
The ToC design proposed here, on the other hand, is designed specifically for significant power generation. Utilizing Bismuth Telluride (Bi2Te3) with its high Thermodynamic Figure of Merit of up to 2.4 at room temperature [27], p-doped and n-doped raised structures of this compound will be made using possibly Halogens or Group IV or Group V atoms and either the Czochralski Method of Single Crystalline Growth, or Molecular Beam Epitaxy for Superlattice Crystalline Manufacturing. These are the leading methods and materials used for growing n-doped and p-doped Bismuth Telluride (Bi2Te3)-raised structures [28]. More research will be required to determine which high-volume manufacturing and fabrication processes can best be adapted to the production of these doped Bismuth Telluride (Bi2Te3)-raised structures grown on a Silicon substrate and how best that can be done.
The Seebeck Coefficient of the raised structures is purely a function of their chemical composition, not their geometry or dimensions. Bismuth Telluride (Bi2Te3) is the best, well-known thermoelectric compound for low-temperature applications [29]. The biggest issue in the circuit design is the role of series resistance in each one of the 169 junction (13 × 13) series-connected arrays. The length and width of the circuit pathways are determined by the geometry of the layout. The degree of miniaturization causes these pathways to be long and narrow. Maximizing the cross-sectional area of the circuit pathways through increased depth or thickness will combat this issue to maximize the current delivery capability of each of these arrays. Placing 169 of these arrays in parallel to each other should deliver a significant current, as the mathematical model for this system will show.
As the individual junction V/°C is a function of the electrical characteristics of the n-doped and p-doped Bismuth Telluride (Bi2Te3), obtaining the 5 V DC electrical output from each 169 junction (13 × 13) Series Connected Arrays, should not be an issue, as voltage is additive.
The critical dimensions of the ToC are as follows:
(1)
The overall size of the packaged power module.
(2)
The size of the chip contained within the packaged power module.
(3)
The area of each of the 169 junctions (13 × 13) Series Connected Arrays.
(4)
The area is occupied by each individual junction.
(5)
The cross-sectional area of each circuit pathway.

3.1.2. Design Rules

(1)
There must be 169 junctions per Series Connected Arrays.
(2)
There must be 169 Series Connected Arrays connected together in parallel.
(3)
Each Series Connected Array must be designed to handle 2.96 mA at a minimum.
(4)
There must be adequate spacing around each junction to ensure electrical isolation.
(5)
Adequate height must be given to the n-doped and p-doped raised structures to:
(a)
Help obtain thermal isolation between each side of the ToC.
(b)
Provide space for a thermally and electrically insulating chemical compound to reside between the raised structure junctions.
(c)
Properly sandwich the ToC between the 2 ceramic wafers using a thermally conducting and electrically insulating, industry-standard joining adhesive.
Obtaining thermal isolation at this scale is a sizable challenge, and will be addressed by the selection of an adequately thermally and electrically insulating chemical compound, mentioned in ‘Design Rule 5b’ above.

3.1.3. Temperature Discussion

Daytime on one side of the Moon lasts about 13.5 days, followed by 13.5 nights of darkness. The other side of the Moon is in perpetual darkness. When sunlight hits the moon’s surface, the temperature can reach 260 °F (127 °C, 400 °K). When the sun goes down, temperatures can dip to −280 °F (−173 °C, 100 °K).
A Mars day called a “Sol” lasts 24 h and 37 min, with seasonal changes that vary the length of the day and the night. A summer day on Mars at noon at the equator may get up to 68 °F (20 °C, 293 °K), but at night the temperature can drop to about −100 °F (−73 °C, 200 °K). At the poles, the temperature can drop to a low of about −243 °F (−153 °C, 120 °K).
CaO and H2O will produce a strong exothermic reaction (sometimes called the ‘slaking of lime’). The temperature can reach up to 572 °F (300 °C, 573 °K) starting from room temperature of 68 °F (20 °C, 293 °K).

3.1.4. Mathematical Modeling of the ToC

Bismuth Telluride Thermoelectric (TE) Module:
Bi2Te3 − N Doped and P Doped Material properties are presented through a set of equations shown in Equation (4) set:
F i g u r e   o f   M e r i t : Z c T = 0.8   t o   2.4   a t   298   ° K   ( 76.73   ° F ,   24.85   ° C ) S e e b e c k   C o e f f i c i e n t s : S n = S p = 220.0 × 10 6   V / ° K E l e c t r i c a l   R e s i s t i v i t y : ρ n = ρ p = 0.6 × 10 5 Ω m T h e r m a l   C o n d u c t i v i t y : κ n = κ p = 1.4   W / m ° K
The Figure of merit is used to determine the efficiency of thermocouples and thermoelectric generators. It is unitless, and is also used for the comparison of efficiency of different thermoelectric materials at a given working temperature.
Overall Objective:
The overall objective is presented through the voltage, current, resistance and power parameters shown in Equation (5) set.
V o = 5   V I = 0.5   A R L = V o I = 5   V 0.5   A = 10.0   Ω P o = V o × I = 5   V × 0.5   A = 2.5   W
Series Connected Thermocouple Design: (See Equation (6) set)
N s t o c = 13 × 13 = 169   T h e r m o c o u p l e s A L = 2.0   μ m T h = 300   ° K ( 80.33   ° F , 26.85   ° C ) T c = 150   ° K ( 189.67   ° F , 123.15   ° C ) D T = 150   ° K
Bi2Te3 Modeling: (Physical properties [30], shown in Equation (7) set)
s 1 = 22,224.0 s 2 = 930.6 s 3 = 0.9905 s 4 = 1.0 × 10 9           ρ 1 = 5112.0 ρ 2 = 163.4 ρ 3 = 0.6279 ρ 4 = 1.0 × 10 10           κ 1 = 62,605.0 κ 2 = 277.7 κ 3 = 0.4131 κ 4 = 1.0 × 10 4
General Polynomial: The general polynomial can be derived from Equation (8) set.
X t h , c = ( ( x 1 + ( x 2 × T ) + ( x 3 × ( T 2 ) ) ) × x 4 ) s , ρ , κ     { X = ( ( X t h + X t c )   /   2 )
Plug and Play: Equation (9) set presents the plug and play parameters involved for the design.
V / ° K s t h = 0.000212259 s t c = 0.000139528 s = 0.000175894           Ω m ρ t h = 1.10643 × 10 5 ρ t c = 4.374975 × 10 6 ρ = 7.7196375 × 10 6           W / m ° K κ t h = 1.6474 κ t c = 3.024475 κ = 2.3359375
Series Connected Thermocouple Modeling: Equations (10)–(13) show the calculations for the series connected ToC modeling.
S s t o c = s × 2 × N s t o c = 0.059452   V ° K S e r i e s   S e e b e c k   C o e f f i c i e n t
R s t o c = ρ × L A × 2 × N s t o c = 1304.618738   Ω S e r i e s   R e s i s t a n c e
K s t o c = κ × A L × 2 × N s t o c = 0.001579   W ° K   S e r i e s   T h e r m a l   C o n d u c t i o n
Maximum Power from each Series Connection of Thermocouples: (See Equation (13))
P s m a x = ( ( ( S s t o c × D T ) 2 )   /   ( 4 × R s t o c ) ) = 0.015239   W
Minimum Number of Parallel Connected, Series Connection of Thermocouples: (See Equation (14))
N p t o c m i n = ( P o / P s m a x ) = ( 2.5   W / 0.015239   W ) = 164.046 = 12.808 2
We select   N p t o c = 13 2 = 169 Parallel Connected, Series Connection of Thermocouples.
For maximum efficiency, we want Rgen = RL, thus, see Equation (15):
R g e n = R s t o c N p t o c = 1304.618738   Ω / 169 = 7.7196   Ω
Close to 10Ω ✓
Projected Overall ToC Current Delivery: (Equation (16) set)
I t o c   = ( ( S s t o c × D T ) / ( ( R s t o c / N p t o c ) + R L ) ) I t o c = ( ( 0.059452 × 150 ) / ( ( 1304.618738 / 169 ) + 10 ) ) I t o c = 0.503273   A  
Projected Overall ToC Voltage Output Capability: (Equation (17))
V o t o c = I t o c × R L = 0.503273   A × 10   Ω = 5.032736   V  
Projected Overall ToC Power Dissipation Capability: (Equation (18))
P o t o c = ( ( V o t o c 2 )   /   R L ) = ( 5.032736   V 2 ) / 10 ) = 2.532843   W  
Thermal Requirements Analysis:
Using the Seebeck, Thomson, and Peltier Effects, the general equation for thermal demand is seen (Equation (19) set):
Q h = ( ( S s t o c × T h × I t o c ) + ( K s t o c × D T )     ( 0.5 × I t o c 2 × R g e n ) ) Q h = ( ( 0.059452 × 300 × 0.503273 ) + ( 0.001579 × 150 )     ( 0.5 × 0.503273 2 × 7.719637 ) ) Q h = 8.235422   W
System Efficiency Calculation: (Equation (20))
E g = ( P o t o c / Q h ) × 100 % = ( 2.532843   W / 8.235422   W ) × 100 % = 30.755 %
Thermal Dissipation to Heat Sink/Thermal Radiator: (See Figure 3 and Equation (21))
Q c = Q h P o t o c = 8.235422   W 2.532843   W = 5.702578   W

3.1.5. Physical ToC Design

Equations (22)–(24) sets show the physical ToC design computations considering the thermal resistance property.
θ = T h e r m a l R e s i s t a n c e ,     h s = h e a t s i n k ,   t e = t h e r m o e l e c t r i c θ h s = ( 1 / K s t o c ) = ( 1 / 0.001579   W / ° K ) = 633.274523   ° K / W
θ t e = ( 1 / ( 2 × N s t o c × κ n , p × ( A / L ) ) ) ( A / L ) = ( 1 / ( 2 × N s t o c × κ n , p × θ t e ) )
For maximum efficiency, we want θte = θhs, therefore:
( A / L ) = ( 1 / ( 2 × N s t o c × κ n , p × θ h s ) ) ( A / L ) = ( 1 / ( 2 × 169 × 1.4   W / m ° K × 633.2745   ° K / W ) ) A / L = 3.337054   μ m
We select A / L = 3.337054   μ m for each leg of all thermocouple junctions.
Individual Thermocouple Design:
All dimensions are in Microns. See Figure 4a,b.
Blue = Metal, Red = Bi2Te3 Semiconductor, Yellow = Insulating Chemical Compound.
Each Thermocouple Entity is 130 μm × 130 μm
Each semiconductor leg: A   /   L = 5000   μ m 2 / 1500   μ m = 3.333   μ m
Other area and length values could have been selected as long as the area-to-length ratio is kept close to the calculated value. If larger values are selected and the ToC is made larger than 2″ × 2″, then the ToC will need to be thicker, but it must not be too thick in order for the design to work predictably. If, on the other hand, smaller values are selected and the ToC module is made thinner and smaller than 2″ × 2″, then it will be more difficult to drive the necessary heat flow through the ToC module, given its limited size and surface area. Determining what the optimal sizing should be is difficult and would require much additional empirical testing.
Size of Each 13 × 13 = 169 Series Connected Thermocouple Array:
13 × 130   μ m × 13 × 130   μ m = 1690   μ m × 1690   μ m
Putting 1105 μm around each Series Array for spacing:
1690   μ m + 1105   μ m × 2 × 1690   μ m + 1105   μ m × 2 = 3900   μ m × 3900   μ m
Each Series Array is placed on 3.9 mm centers.

3.1.6. Total ToC Layout Area

The following computations in Equations (25)–(27) sets, show the calculations for the total ToC layout area.
We have a 13 × 13 = 169 Series Arrays Connected in Parallel, thus:
3900   μ m × 13 × 3900   μ m × 13 = 50,700   μ m × 50,700   μ m
Size of Complete Enclosed ToC Module:
50,700   μ m × 50,700   μ m = 1.996063 × 1.996063 = 2 × 2
Reactor Chamber Side Face Surface Area Calculations:
S A t o t = 6.25   i n × 6.25   i n = 39.0625   i n 2 = 0.0252016   m 2
Black Body Radiation Calculations: (See the set of parameters and computations in Equation (28) set)
Emissivity of Black Anodized Aluminum/Silver Alloy: ε = 0.85
Stefan Boltzmann Constant: σ = 5.67 × 10 8   W / m 2 ° K 4
Stefan Boltzmann Equation: j * = σ × T 4
P n e t = P e m i t P a b s o r b P n e t = S A t o t × ε × σ × ( T h 4 T c 4 ) P n e t = 0.0252016   m 2 × 0.85 × 5.67 × 10 8   W / m 2 ° K 4 × ( 300   ° K 4 150   ° K 4 ) P n e t   = 9.223301   W

3.1.7. Thermal Abundance

According to [31,32], the thermal abundance can be computed as follows (Equation (29)):
T a = P n e t   Q h = 9.223301   W 8.235422   W = 0.987879   W   T h e r m a l   S u r p l u s  

3.1.8. Voltage Regulation

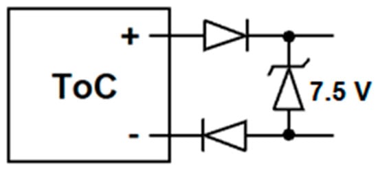
The three diode components (according to Figure 5) will be integrated into the ToC substrate. These components provide two protections: (1) The linear diodes prevent current flow should hot/cold be applied to the wrong sides of the ToC. (2) The Zener diode clamps the output voltage to 7.5 V to prevent an overvoltage output (beyond the maximum input voltage of the USB Power Adapter). By using a 7.5 V Zener diode instead of a 5.0 V Zener diode we prevent wasting energy in the extreme case of the ToC itself generating a voltage above its designed 5.0 V, and having that useful overvoltage energy dissipated.
All four ToC modules are connected in parallel to ultimately deliver 2 A of current at 5 V. The regulated ToC with 7.5 V maximum power output of the four ToC modules in parallel is sent to a Thermopile to USB Power Adapter (98% efficient) for output and use.

3.1.9. Heat Flow and Thermal Sinking/Radiating

Pure silver, with its thermal conductivity of 407 W/m°K at 68 °F, is the best possible metallic thermal conductor. As such, silver alloyed with aluminum is the material of choice for fabricating the reaction chamber cube. The reaction chamber will be black anodized to improve emissivity. The four 2″ × 2″ ToC modules will be affixed to the four outer perimeter walls of the reaction chamber with silver-filled Epoxy. Additionally, silver-filled Epoxy will be used to attach thermal radiators (Figure 6), also made from black anodized Silver/Aluminum alloy to the ToC modules. Finally, the exposed surface area not covered by the individual ToC modules will be covered with thick thermal insulation, all in an effort to maximize heat flow from the reaction chamber through the ToC modules out to the ambient. The only side of the reactor cube not to be covered with thermal insulation is the bottom, as this area needs direct exposure to solar energy from the parabolic dish during daylight hours for solar chemical recharge, and the top of the cube where the electric motor and sponge assembly are mounted.
Modeling of the ToC overall design shows:
(1)
5 V DC should be obtainable.
(2)
500 mA should be deliverable.
(3)
2.5 W of electrical power should be available for dissipation.
(4)
A balanced resistance between the Load and the ToC Module is obtainable.
(5)
A complete solution is obtainable with a DT = 150 °K using a CaO chemical reactor.
(6)
A good System Efficiency value is obtainable with this ToC Module configuration.
(7)
A compact, cubic, individual Thermocouple design, for ease of design layout, is shown.
(8)
A fully modular design philosophy has been demonstrated.
(9)
Layout of the Series Connected Array Design and the complete Parallel Connected Toc Module Assembly should be straightforward.
(10)
Strong mechanical properties of the complete ToC Module assembly are evident.
(11)
Good thermal isolation between the hot and cold sides of the module should be obtainable.
(12)
The complete four ToC CaO and water chemical reactor system is feasible.

4. Results and Discussion

In this section, we present COMSOL software information, simulation study, input data, materials, geometry of model and mesh, the REEGES Day/Night Power Generator Station concept design, and simulation results.

4.1. Software Information

COMSOL v5.3 (Build: 316) was used to do the modeling for this section of this paper as illustrated in Figure 7.

4.2. Simulation Study

This study computes the generated current when the temperature difference between the ceramic plates is at its maximum value. An optimization solver is used to find the generated current at this maximum temperature difference. The corresponding voltage is also returned. This model assumes the Ambient Temperature = 150 °K and the Absolute Atmospheric Pressure = 0 Atm.

4.3. Input Data

Table 1 and Table 2 are used as input data in the COMSOL software to define the geometry and operating conditions of the thermoelectric model for simulation.

4.4. Materials

For p-type semiconductor materials, a Seebeck coefficient with a negative sign is used. For n-type semiconductors, the Seebeck coefficient should be positive.
The material Bismuth Telluride—Bi2Te3, P-Type was used in the simulation as shown in Figure 8.
The material Bismuth Telluride—Bi2Te3, N-Type was used in the simulation as shown in Figure 9.
The material Tungsten was used in the simulation as shown in Figure 10.
Table 3 defines the material properties of the Tungsten Pads shown in Figure 10.
Table 4, Table 5 and Table 6 define the material properties of the Copper used, as shown in Figure 11.

4.5. Geometry of Model and Mesh

Table 7 and Table 8 define the geometry model units and present statistics of the Geometry Model shown in Figure 12. Table 9 and Table 10 present the Model Meshing statistics and size settings of the Geometry Model Mesh shown in Figure 13.

4.6. Simulation Results

Maximum temperature difference = 150 (°K).
Figure 14 illustrates the model’s external surface temperatures, and Figure 15 shows the internal isosurface temperature of the model.

4.6.1. GΩ Load (Open Circuit)

Figure 16 shows the spatial voltage distribution through the model with a 150 °K temperature difference across the model and a virtual open circuit load of 1 GΩ. Figure 17 shows the voltage generated across the temperature ΔT range of 0 to 150 °K with a virtual open circuit load of 1 GΩ. Figure 18 shows the current generated across the temperature ΔT range of 0 to 150 °K with a virtual open circuit load of 1 GΩ.
Maximum Generated Voltage across Load (V) (1 GΩ Load) = 9.8881 V.
Maximum Generated Current through Load (A) (1 GΩ Load) = −9.8881 × 10−9 A.

4.6.2. GΩ Load (Running Circuit))

Figure 19 shows the spatial voltage distribution through the model with a 150 °K temperature difference across the model and a running circuit load of 2.5 Ω. Figure 20 shows the voltage generated across the temperature ΔT range of 0 to 150 °K with a running circuit load of 2.5 Ω. Figure 21 shows the current generated across the temperature ΔT range of 0 to 150 °K with a running circuit load of 2.5 Ω.
Maximum Generated Voltage across Load (V) (2.5 Ω Load) = 0.024648 V.
Maximum Generated Current through Load (A) (2.5 Ω Load) = −0.0098593 A.
The COMSOL simulations show this model in fact well outperformed the original design calculations.

4.7. REEGES Day/Night Power Generator Station Concept Design

A conceptual illustration of the REEGES Power Station is shown in Figure 22. Referring to Figure 22, the Tri Pod (Light Blue) serves as the platform on which the entire power generation apparatus sits and is in contact with the ground. The Parabolic Dish (Dark Brown) is used to solar recharge the CaO Reaction Chamber (Light Green). The fixed-length Standoff (Yellow) keeps the CaO Reaction Chamber (Light Green) at the optical focal point of the Parabolic Dish (Dark Brown) for optimal solar recharge performance during daylight hours. The electric Motor (Pink) affixed to the CaO Reaction Chamber (Light Green) performs the sponge (internal to the reaction chamber) compression for internal water dispensing into the CaO reserve to elevate the reaction chamber temperature for electrical power generation during the nighttime hours. The CaO Reaction Chamber (Light Green) is where all of the thermoelectric power is generated at night in a vertical orientation above the Parabolic Dish (Dark Brown). During the daylight hours, the two Solar Panels (Light Brown) are used to generate electrical power while tracking the sun. This solar tracking during the daytime hours also concurrently moves the entire Parabolic Dish (Dark Brown) Assembly including the fixed-length Standoff (Yellow) as well as the CaO Reaction Chamber (Light Green) and Motor (Pink), to “bake” the CaO Reaction Chamber (Light Green), thus chemically re-energizing the CaO and reconstituting the water (H2O) sealed in the CaO Reaction Chamber (Light Green), recollected in the sponge (internal to the reaction chamber), repeating the energy harvesting cycle over and over again, day and night.
The assembly of the REEGES Power Station, particularly concerning the thermal transfer aspects of this design, is critical to the thermal energy conversion process for electrical power generation. As initially introduced in Section 3.1.9 of this paper, pure silver with its outstanding thermal conductivity characteristics will be used to maximize the efficiency of this thermal transfer process between the Silver/Aluminum alloy reaction chamber walls to the ToC modules, as well as the ToC modules to the Silver/Aluminum alloy thermal radiators. The way these joining will be done is by first micromachining and polishing the thermally interfacing surfaces of these parts to maximize surface-to-surface contact. This polishing step is crucial to meeting the energy conversion efficiency levels that are required for this system to work as designed. These parts will be thermally interfaced with silver-filled Epoxy, which will significantly improve the energy conversion efficiency of the ToC modules. Finally, for mechanical strength, this “sandwich” of parts and epoxy will be outwardly joined together through the use of Silver/Aluminum alloy machine screws meant to fasten together these parts related to this thermal energy conversion assembly.
Critical to the functioning of the REEGES Power Station is the correct rate of water injection into the CaO reserve to generate a stable, constant heat source for the thermal energy conversion to electrical power for the duration of the nighttime operation. Central to this function is the “squeezing out” of the water stored in the sponge. The gear motor assembly used to do this function will contain a brushless DC motor geared down and screw linked to the sponge squeeze assembly. Controlling this DC motor will be a motor controller capable of outputting a pulse width modulation (PWM) signal at a minimum of 50 KHz to properly commutate the motor. The motor controller electronics will be directly interfaced to a microcontroller, which will run the PID++ algorithm. The PID++ algorithm will provide all the control necessary to squeeze the sponge at a constant rate regardless of the nonlinear force characteristics for the spring compression of the sponge.
Our PID++ algorithm can provide a trapezoidal behavior for the rate of the sponge squeeze (based fundamentally on the general PID relationship), as shown in Equation (30):
S p o n g e   s q u e e z e   r a t e = K p × e r r o r + K i × i n t e g r a l + K d × d e r i v a t i v e
where Kp, Ki and Kd are the PID++ varying coefficients(parameters) that are adjusted dynamically on fly for the motion control [21].
For the Power Station design of this paper, the PID++ algorithm will take two real-time inputs: (1) the running encoder values of the current motor position, and (2) the sensed internal reaction chamber temperature. By providing a single operating speed value to the PID++ algorithm, using the encoder feedback, the algorithm has everything that it needs to begin running the REEGES Power Station for the duration of the nighttime operation. This initial operating speed value is determined simply by calculating the squeeze rate of the sponge in encoder counts per millisecond.
After a suitable amount of time, to allow the reaction chamber temperature to rise to the operational temperature, periodically, on the order of once every minute, an interrupt service routine executive in the PID++ software must monitor the internal temperature of the reaction chamber. If the reaction chamber temperature is on average too high/hot, then the operating speed value of the sponge squeeze assembly must be lowered (which will extend the operating period of the nighttime power generation process). On the other hand, if the reaction chamber temperature is on average too low/cool, then the operating speed value of the sponge squeeze assembly must be raised (which will shorten the operating period of the nighttime power generation process). Proper care must be given to sizing the sponge size and its maximum sponge water volume so that even with increased water demand for the reaction chamber, energy production will always continue through to morning and sunrise, with at least some excess water still remaining in the sponge. At sunrise, energy production from the reaction chamber will cease, and the “baking” regeneration process of the reaction chamber will begin, along with the recollection of water back into the sponge. At sunrise, the sponge squeeze assembly will reverse at full speed to allow the sponge to be fully available to do this water collection over the course of the day into sunset, at which time the free water vapor will condense and be recollected by the sponge once again.
The PID++ settings and internal operating profile for this REEGES Power Station application, to squeeze the sponge for the nighttime duration will be as follows:
The latest version of the PID++ algorithm has complete run motion control included and, therefore, can be implemented with a single command line entry and can be re-commanded at any time without interruption of power generation. The command (Cmd) that needs to be called is:
call PID++(0,120000,20.0,0.015,0.001,500,750,6000,true,true,false,0);
This command is all that is required to run motor 0 from the current location of the sponge spring assembly, as nighttime begins, to encoder position 120,000 (sponge fully compressed), at a speed (Vmax) of 20.0 counts/ms, a symmetrical trapezoidal acceleration/deceleration (Adesired) profile of 0.015 counts/ms2, a reaction of 0.001 (for quick response without delay), followed by target, error, and hold values, execute initialization, true: motor is operating, true: do not release the motor at the end of the run, and false: no diagnostics. A dtmin (minimum time interval for updating computations) of 5 ms, and a motion precision of 1% are by default.
Using a motor gearbox and nonlinear spring apparatus to approximate the operation of the actual REEGES Power Station, Figure 23 and Figure 24 were generated. These two figures, showing actual data from the test apparatus, generated data similar to what will be expected from the sponge compression in the REEGES Power Station. Figure 23 shows the Kp, Ki, and Kd PID++ parameters over time in seconds shown in the graphics to represent hours of operation. Figure 24 likewise depicts the distance, PWM output (0–255), and speed over time in seconds, shown in the graphics to represent hours of operation.
The actual values chosen to command the PID++ in the actual REEGES Power Station will depend heavily on the actual mechanical design of the system. Values presented here were for the test apparatus showing just similarity to the actual power station hardware.
This test apparatus and the results shown here demonstrate the dynamic/adaptive nature of the PID++ algorithm in real time and the algorithm’s ability to cope with these adverse nonlinear conditions without any outside intervention, except for the interrupt service routine executive making fine adjustments to the sponge compression speed, done by simply re-commanding the algorithm at any time, even while in full operation.
Based on the simulation, the maximum total system output capability is 9.89 V, 6.66 A, and 65.9 W for up to 12 h.
This level of power generation must continue uninterrupted, all day and all night long, cycle after cycle. These power generation units will need to be deployed in multi-redundant clusters with battery backup to guarantee this level of system performance for each power generation station on the Moon and Mars.
For these power generation stations to be better able to survive the extreme environmental conditions of space, brushless DC motors are used to help enable these stations to meet these critical mission performance requirements. These space-grade motors have a long track record of maintenance-free operation spanning up to 10 years. With proper design and material selection of the internals of the CaO Chemical Reaction Chamber, including the sponge, a total system service life of up to 10 years is expected, before replacement of the entire power generation station will be necessary. The life of the parts of the station that mechanically move are the time-limiting factor.

5. Conclusions, Limitations/Challenges, and Future Directions

In this section, we discuss the conclusions, limitations/challenges, and future directions.

5.1. Conclusions

Space exploration with humans living on the Moon and Mars will be extremely expensive. Cost-effective, safe, and efficient power solutions for the colonization and exploration of the Moon and Mars will be needed. The REEGES Day/Night Power Generator Station is one such solution. By storing the energy of the Sun in the form of energy-rich chemicals, of sufficient mass, using a method that is completely solar renewable, over and over again, electrical power can be delivered day and night in an otherwise cold and lifeless world. The REEGES Day/Night Power Generator Station exhibited in this paper has successfully demonstrated full functionality for conceptual power generation on the Moon and Mars. Based on the simulation, the maximum total system output capability is 9.89 V, 6.66 A, and 65.9 W for up to 12 h. This hardware is not Space-grade.
Also, this paper is instructive to future Space engineers and academicians, of the methodology required to successfully design and develop a solar/thermoelectric power generation station for use on the Moon and Mars. All of the steps are carefully laid out to follow. Nowhere in the literature is there any teaching materials or guidance for this process on this type of system. This paper brings together all of the many disparate sources currently available, into a single definitive source of knowledge on this subject. While this knowledge may be of little importance in the current world of the early 2020s, it will be critical in the decades ahead when the colonization of the Moon and Mars is firmly in humanity’s sights.
Most importantly, this paper shows the first complete development demonstration of an application, for any industry, that plans to use as its motion control centerpiece, the PID++ algorithm, showing the algorithm’s setup parameters, and internal functioning, in relation to the operation of the specific application developed here, the REEGES Power Station.

5.2. Limitations/Challenges

In order for this paper’s work to be turned into actual, fully functional, Space-grade hardware, a tremendous amount of money and engineering work will have to be spent. We presented the conceptual ideas, step-by-step design, and simulation procedures. Due to several challenges, full implementation and experimentation are not attempted at this point and are beyond the scope of this paper. There are many factors that have yet to be considered in this paper for the making of actual Space-grade hardware for implementation on the Moon and Mars. This includes using more detailed and realistic analyses. A few challenges and limitations are discussed here.
Equation (20) is used to calculate the System Efficiency; however, the effect of heat leap is not considered [33]. Equation (21) is used to calculate the Thermal Dissipation of Heat Sink/Thermal Radiator; however, the energy consumption of the thermal radiator has not been accounted for, and cannot be considered until a specific thermal radiator is designed for this project [34].
Dealing with the extreme temperature changes and solar radiation on the Moon and Mars while trying to produce continuous power on an ongoing basis that is reliable and dependable, night after night, is going to be an extraordinary challenge and will cost many hundreds of millions of US Dollars to develop such a system. Even after making such a costly investment, it may be discovered that the level of power output, while meeting every other system design requirement of reliability and dependability, is not as high as what is predicted in the COMSOL modeling when operated in these extreme environments. Only until such a system is built and tested in these extreme environments will the true breath of runtime problems be fully understood. Here, we have only mentioned just a few obvious challenges and the deep limitations that we have identified in developing the ideas presented in this paper. Addressing all limitations and challenges, and as such, providing full simulations or implementations is not possible at this time, and is beyond the scope of this paper. Nonetheless, we have provided extensive COMSOL simulations for the Thermoelectric Generator, and PID++ operation results and experimentation, which are the major components of this work.
There are other practical engineering issues that are beyond the scope of this paper as well. These limitations and challenges will however need to be addressed as part of the full-scale development effort of Space-grade hardware that we have proposed. A few of these practical challenges include the durability of materials, the addressing of maintenance issues, and the system’s long-term reliability as the system ages.

5.3. Future Directions

Envisioning the future of humanity’s colonization and exploration of the Moon and Mars is accompanied by the realization that electrical energy generation will be of utmost importance. In addition to power generation, there is the question of power delivery, standardized voltage levels, AC vs. DC, power frequency values, power connectors, wiring, and many other things that need to be considered and agreed upon as universal standards for use on these extraterrestrial colonies. The concept introduced here with the REEGES Day/Night Power Generator Station can contribute to this effort. Future directions of this project for actual use on the Moon and Mars include the following:
(1)
Scale up this project for a more useful voltage level, as well as current delivery and operating time, to suit the actual conditions on these celestial bodies.
(2)
The entire project assembly must be upgraded to space-grade hardware. This includes adding insulation and hardware protection from the extreme adverse conditions of outer space, including protection from the intense solar radiation present there.
(3)
Earth-bound testing needs to be done in a vacuum chamber and at extreme lunar day and night temperatures.
(4)
The precise temperature, under extreme lunar conditions, needs to be determined for the reversion of Calcium Hydroxide back to Calcium Oxide and water. The 512 °C temperature mentioned above is for use on Earth.
(5)
The fixed-position reaction chamber above the parabolic dish needs to be made adjustable by making the fixed length pedestal that it is mounted on extendable, so the reaction chamber can be moved outside of the optical focal point of the parabolic dish once the Calcium Hydroxide reversion process is completed to prevent excessive heating of the reactor chamber.
(6)
The specially designed thermopiles presented in this paper need to be manufactured for use with a space-grade version of this project.
In conclusion, we have proposed a novel and useful power generation approach for use by future colonists on the Moon and Mars. To make this proposed concept a reality, based on the extensive work provided in this paper, NASA and/or other space agencies around the world will have to make an extensive investment of time, money, and engineering resources to make this paper, with all of the issues that we have raised, a fully-functional reality that humans would be comfortable risking their lives to use on these harsh and forbidding worlds.

Author Contributions

Conceptualization, T.F.A.; methodology, T.F.A.; software, T.F.A.; validation, M.F. and X.X.; formal analysis, T.F.A., M.F. and X.X.; investigation, T.F.A. and M.F.; verification, M.F. and X.X; resources, T.F.A., M.F. and X.X.; data curation, T.F.A.; writing—original draft preparation, T.F.A.; writing—review and editing, T.F.A., M.F. and X.X.; visualization, M.F.; supervision, M.F. and X.X.; project administration, T.F.A., M.F. and X.X. All authors have read and agreed to the published version of the manuscript.

Funding

This research received no external funding.

Data Availability Statement

All data generated or analyzed during this study are included in this article.

Conflicts of Interest

Author Thomas F. Arciuolo is employed by the company Ultimate Interfaces Corporation. The remaining authors declare that the research was conducted in the absence of any commercial or financial relationships that could be construed as a potential conflict of interest.

Nomenclature

The following parameters are used throughout the manuscript.
ParameterDescription
Vvoltage (Volts)
Icurrent (Amperes)
Ttime (Hours)
Eenergy (Joules)
ZcTfigure of merit (unitless)
Snseebeck coefficient negative (V/°K)
Spseebeck coefficient positive (V/°K)
ρnelectrical resistivity negative (Ωm)
ρpelectrical resistivity positive (Ωm)
κnthermal conductivity negative (W/m°K)
κpthermal conductivity positive (W/m°K)
Vooperating voltage (V)
RLload resistance (Ω)
Pogenerator (output) power (W)
Nstocseries thermocouple count (unitless)
A/Larea to length ratio (μm)
Thhot side temperature (°K)
Tccold side temperature (°K)
DTtemperature differential (°K)
Sxseebeck coefficient polynomial coefficients (unitless)
ρxelectrical resistivity polynomial coefficients (unitless)
κxthermal conductivity polynomial coefficients (unitless)
Sthhot side thermocouple seebeck coefficient (V/°K)
Stccold side thermocouple seebeck coefficient (V/°K)
Sseebeck coefficient (V/°K)
ρthhot side thermocouple electrical resistivity (Ωm)
ρtccold side thermocouple electrical resistivity (Ωm)
ρelectrical resistivity (Ωm)
κthhot side thermocouple thermal conductivity (W/m°K)
κtccold side thermocouple thermal conductivity (W/m°K)
κthermal conductivity (W/m°K)
Sstocseries seebeck coefficient (V/°K)
Rstocseries resistance (Ω)
Kstocseries thermal conduction (W/°K)
Psmaxmaximum power from each series connection of thermocouples (W)
Nptocminminimum number of parallel connected, series connection of thermocouples (unitless)
Rgengenerator resistance (Ω)
Nptocnumber of parallel connected, series connection of thermocouples (unitless)
Itocprojected overall ToC current delivery (A)
Votocprojected overall ToC voltage output capability (V)
Potocprojected overall ToC power output dissipation capability
Qhthermal demand (W)
Egsystem efficiency (%)
Qcthermal dissipation to heat sink (W)
θhsheat sink thermal resistance (°K/W)
θtethermoelectric thermal resistance (°K/W)
SAtottotal reactor chamber side face surface area (m2)
εemissivity (unitless)
σStefan Boltzmann constant (W/m2°K4)
j*Stefan Boltzmann equation (W/m2)
Ttemperature (°K)
Pnetnet thermal power (W)
Pemitthermal emission (W)
Pabsorbthermal absorption (W)
Tathermal abundance (W)

References

  1. Solar Energy. Available online: https://education.nationalgeographic.org/resource/solar-energy/ (accessed on 13 May 2024).
  2. Energy and the Environment—Electricity and Storage. Available online: https://www.epa.gov/energy/electricity-storage (accessed on 11 July 2024).
  3. Elalfy, D.A.; Gouda, E.; Kotb, M.F.; Bureš, V.; Sedhom, B.E. Comprehensive review of energy storage systems technologies, objectives, challenges, and future trends. Energy Strategy Rev. 2024, 54, 101482. [Google Scholar] [CrossRef]
  4. Dhakal, N.; Ale, B.B.; Bhattarai, N. Performance Analysis of Non Burn Cooking Device Using Commercial Grade Quicklime as Heating Fuel. Kathford J. Eng. Manag. 2018, 1, 49–55. [Google Scholar] [CrossRef]
  5. Forster, A. Hot-lime mortars: A current perspective. J. Archit. Conserv. 2004, 10, 7–27. [Google Scholar] [CrossRef]
  6. Patel, M.R. Spacecraft Power Systems; CRC Press: Boca Raton, FL, USA, 2004. [Google Scholar]
  7. Schmidt, G.; Dudzinski, L.; Sutliff, T. Radioisotope power: A key technology for deep space exploration. In Proceedings of the 6th International Energy Conversion Engineering Conference (IECEC), Cleveland, OH, USA, 28–30 July 2008; p. 5640. [Google Scholar]
  8. Mazzetti, A.; Pret, M.G.; Pinarello, G.; Celotti, L.; Piskacev, M.; Cowley, A. Heat to electricity conversion systems for moon exploration scenarios: A review of space and ground technologies. Acta Astronaut. 2019, 156, 162–186. [Google Scholar] [CrossRef]
  9. Bennett, G.L.; Hemler, R.J.; Schock, A. Space nuclear power-an overview. J. Propuls. Power 1996, 12, 901–910. [Google Scholar] [CrossRef]
  10. Nejad, A.R.; Nejad, A.R.; Abedi, M.E.; Nejad, A.R. Production of electrical power in very extreme-temperature environmental conditions: A new implementation of thermoelectric generators. In Proceedings of the IEEE 6th International Conference on Renewable Energy Research and Applications (ICRERA), San Diego, CA, USA, 5–8 November 2017; pp. 468–472. [Google Scholar] [CrossRef]
  11. Sorloaica-Hickman, N.; McFall, J.; Nason, S.; Davis, K.; Arens, E. Optimization of the photovoltaic powered systems with dust mitigation technology for future lunar and martian missions. In Proceedings of the 38th IEEE Photovoltaic Specialists Conference, Austin, TX, USA, 3–8 June 2012; pp. 002815–002818. [Google Scholar] [CrossRef]
  12. Balint, T.S. Nuclear systems for Mars exploration. In Proceedings of the IEEE Aerospace Conference Proceedings (IEEE Cat. No. 04TH8720), Big Sky, MT, USA, 6–13 March 2004; Volume 5, pp. 2958–2977. [Google Scholar] [CrossRef]
  13. Mirmina, S.A.; Den Herder, D.J. Nuclear power sources and future space exploration. Chi. J. Int’l L. 2005, 6, 149. [Google Scholar]
  14. Bergsrud, C.; Noghanian, S.; Straub, J. Space Solar Power as an Enabler for a Human Mission to Mars. In Proceedings of the AIAA SPACE 2013 Conference and Exposition, AIAA 2013, San Diego, CA, USA, 10–12 September 2013; p. 5415. [Google Scholar]
  15. Chandel, R.; Chandel, S.S.; Prasad, D.; Dwivedi, R.P. Review on thermoelectric systems for enhancing photovoltaic power generation. Sustain. Energy Technol. Assess. 2022, 53, 102585. [Google Scholar] [CrossRef]
  16. Chandel, R.; Chandel, S.S.; Prasad, D.; Dwivedi, R.P. Prospects of sustainable photovoltaic powered thermoelectric cooling in zero energy buildings: A review. Int. J. Energy Res. 2022, 46, 19319–19340. [Google Scholar] [CrossRef]
  17. Wu, Z.; Zhang, S.; Liu, Z.; Mu, E.; Hu, Z. Thermoelectric converter: Strategies from materials to device application. Nano Energy 2022, 91, 106692. [Google Scholar] [CrossRef]
  18. Zhang, S.; Wu, Z.; Liu, Z.; Mu, E.; Liu, Y.; Lv, Y.; Thundat, T.; Hu, Z. Power generation on chips: Harvesting energy from the sun and cold space. Adv. Mater. Technol. 2022, 7, 2200478. [Google Scholar] [CrossRef]
  19. Zhang, S.; Wu, Z.; Liu, Z.; Hu, Z. An Emerging Energy Technology: Self-Uninterrupted Electricity Power Harvesting from the Sun and Cold Space. Adv. Energy Mater. 2023, 13, 2300260. [Google Scholar] [CrossRef]
  20. Arciuolo, T.F.; Faezipour, M.; Patel, S.; Xiong, X. Robotic End Effector for Lunar and Martian Geological Space Exploration: Design for Interchangeability. In Proceedings of the International Conference on Robotics and Automation Sciences (ICRAS’2021), Wuhan, China, 11–13 June 2021; IEEE: Piscataway, NJ, USA, 2021; pp. 9–14. [Google Scholar]
  21. Arciuolo, T.F.; Faezipour, M. PID++: A Computationally Lightweight Humanoid Motion Control Algorithm. Sensors 2021, 21, 456. [Google Scholar] [CrossRef] [PubMed]
  22. Arciuolo, T.F.; Faezipour, M. Dynamically Adjustable PID for Adaptive Motion Control: PID++ Algorithm Introduction and Applications”. In Proceedings of the IEEE International Conference on Computational Science and Computational Intelligence IEEE CSCI 2020, Las Vegas, NV, USA, 16–18 December 2020; pp. 1195–1196. [Google Scholar]
  23. Halstead, P.E.; Moore, A.E. The Thermal Dissociation of Calcium Hydroxide. J. Chem. Soc. 1957, 769, 3873. [Google Scholar] [CrossRef]
  24. Suslick, K.S. Encyclopedia of Physical Science and Technology, 3rd ed.; Elsevier Science Ltd.: Cambridge, MA, USA, 2001. [Google Scholar]
  25. Gupta, A.; Armatis, P.D.; Sabharwall, P.; Fronk, B.M.; Utgikar, V. Energy and exergy analysis of Ca(OH)2/CaO dehydration-hydration chemical heat pump system: Effect of reaction temperature. J. Energy Storage 2021, 39, 102633. [Google Scholar] [CrossRef]
  26. Bao, A.; Lei, C.; Mao, H.; Li, R.; Guan, Y. Study on a high performance mems infrared thermopile detector. Micromachines 2019, 10, 877. [Google Scholar] [CrossRef] [PubMed]
  27. Venkatasubramanian, R.; Siivola, E.; Colpitts, T.; O’quinn, B. Thin-film thermoelectric devices with high room-temperature figures of merit. Nature 2001, 413, 597–602. [Google Scholar] [CrossRef] [PubMed]
  28. Madavali, B.; Kim, H.S.; Lee, K.H.; Isoda, Y.; Gascoin, F.; Hong, S.J. Large scale production of high efficient and robust p-type Bi-Sb-Te based thermoelectric materials by powder metallurgy. Mater. Des. 2016, 112, 485–494. [Google Scholar] [CrossRef]
  29. Mamur, H.; Bhuiyan, M.R.A.; Korkmaz, F.; Nil, M. A review on bismuth telluride (Bi2Te3) nanostructure for thermoelectric applications. Renew. Sustain. Energy Rev. 2018, 82, 4159–4169. [Google Scholar] [CrossRef]
  30. Larid Thermal Systems. Thermoelectric Handbook. Available online: https://www.lairdthermal.com (accessed on 13 May 2024).
  31. Thermoelectric Technical Reference. Available online: https://thermal.ferrotec.com/technology/thermoelectric-reference-guide/thermalref13/ (accessed on 13 May 2024).
  32. Cheng, F. Calculation methods for thermoelectric generator performance. In Thermoelectrics for Power Generation—A Look at Trends in the Technology; InTech: Rijeka, Croatia, 2016; pp. 481–506. [Google Scholar]
  33. Song, K.; Wang, S.; Duan, Y.; Ling, X.; Schiavone, P. Effect of inevitable heat leap on the conversion efficiency of thermoelectric generators. Phys. Rev. Lett. 2023, 131, 207001. [Google Scholar] [CrossRef] [PubMed]
  34. Yi, L.; Xu, H.; Yang, H.; Huang, S.; Yang, H.; Li, Y.; Zhang, Q.; Guo, Z.; Hu, H.; Sun, P.; et al. Design of Bi2Te3-based thermoelectric generator in a widely applicable system. J. Power Sources 2023, 559, 232661. [Google Scholar] [CrossRef]
Figure 1. Flow diagram of the overall design steps for the proposed power generator station.
Figure 1. Flow diagram of the overall design steps for the proposed power generator station.
Electronics 13 02859 g001
Figure 2. Single thermoelectric couple where Th > Tc.
Figure 2. Single thermoelectric couple where Th > Tc.
Electronics 13 02859 g002
Figure 3. Area-to-length ratio of TE power generator device.
Figure 3. Area-to-length ratio of TE power generator device.
Electronics 13 02859 g003
Figure 4. (a) Top view and (b) Side view of Thermocouple.
Figure 4. (a) Top view and (b) Side view of Thermocouple.
Electronics 13 02859 g004
Figure 5. Voltage regulation on ToC.
Figure 5. Voltage regulation on ToC.
Electronics 13 02859 g005
Figure 6. Thermal Radiator for ToC.
Figure 6. Thermal Radiator for ToC.
Electronics 13 02859 g006
Figure 7. Power Station—Thermoelectric Generator—Series Portion (Only)—1 GΩ and 2.5 Ω Loads.
Figure 7. Power Station—Thermoelectric Generator—Series Portion (Only)—1 GΩ and 2.5 Ω Loads.
Electronics 13 02859 g007
Figure 8. P-Type Legs.
Figure 8. P-Type Legs.
Electronics 13 02859 g008
Figure 9. N-Type Legs.
Figure 9. N-Type Legs.
Electronics 13 02859 g009
Figure 10. Tungsten Pads.
Figure 10. Tungsten Pads.
Electronics 13 02859 g010
Figure 11. Copper connectors.
Figure 11. Copper connectors.
Electronics 13 02859 g011
Figure 12. Geometry model.
Figure 12. Geometry model.
Electronics 13 02859 g012
Figure 13. Geometry model mesh.
Figure 13. Geometry model mesh.
Electronics 13 02859 g013
Figure 14. Surface Temperature (°K).
Figure 14. Surface Temperature (°K).
Electronics 13 02859 g014
Figure 15. Isosurface Temperature (°K).
Figure 15. Isosurface Temperature (°K).
Electronics 13 02859 g015
Figure 16. Multislice electric potential (V) (1 GΩ Load).
Figure 16. Multislice electric potential (V) (1 GΩ Load).
Electronics 13 02859 g016
Figure 17. Terminal voltage (V) (1 GΩ Load).
Figure 17. Terminal voltage (V) (1 GΩ Load).
Electronics 13 02859 g017
Figure 18. Terminal current (A) (1 GΩ Load).
Figure 18. Terminal current (A) (1 GΩ Load).
Electronics 13 02859 g018
Figure 19. Multislice electric potential (V) (2.5 Ω Load).
Figure 19. Multislice electric potential (V) (2.5 Ω Load).
Electronics 13 02859 g019
Figure 20. Terminal voltage (V) (2.5 Ω Load).
Figure 20. Terminal voltage (V) (2.5 Ω Load).
Electronics 13 02859 g020
Figure 21. Terminal current (A) (2.5 Ω Load).
Figure 21. Terminal current (A) (2.5 Ω Load).
Electronics 13 02859 g021
Figure 22. Power station illustration.
Figure 22. Power station illustration.
Electronics 13 02859 g022
Figure 23. Kp, Ki, and Kd parameters for PID++ Sponge Compression—Vmax = 20 cnts/ms, Adesired = 0.015 cnts/ms2.
Figure 23. Kp, Ki, and Kd parameters for PID++ Sponge Compression—Vmax = 20 cnts/ms, Adesired = 0.015 cnts/ms2.
Electronics 13 02859 g023
Figure 24. Encoder position, output and speed plots for PID++ Sponge Compression—Vmax = 20 cnts/ms, Adesired = 0.015 cnts/ms2.
Figure 24. Encoder position, output and speed plots for PID++ Sponge Compression—Vmax = 20 cnts/ms, Adesired = 0.015 cnts/ms2.
Electronics 13 02859 g024
Table 1. Input geometry parameters.
Table 1. Input geometry parameters.
NameExpressionValueDescription
length1690 µm0.00169 mTotal length
width1690 µm0.00169 mTotal width
height2100 µm0.0021 mTotal height
d_conductor50 µm5 × 10−5 mConductor thickness
d_ceramics250 µm2.5 × 10−4 mCeramics thickness
leg_length100 µm1 × 10−4 mLeg cross section in length
leg_width50 µm5 × 10−5 mLeg cross section in width
leg_heightheight − 2×(d_conductor + d_ceramics)0.0015 mLeg height
pitch17.5 µm1.75 × 10−5 mPitch
n_lengthfloor((length − 2×pitch − leg_length)/(leg_length + pitch)) + 1 − mod(floor((length − 2×pitch − leg_length)/(leg_length + pitch)) + 1, 2)14Number of legs in length
n_widthfloor((width − 2×pitch − leg_width)/(leg_width + pitch)) + 124Number of legs in width
network_length(leg_length + pitch)×n_length − pitch0.0016275 mLength of legs network
network_width(leg_width + pitch) ×n_width − pitch0.0016025 mWidth of legs network
N(floor((length − 2×pitch − leg_length)/(leg_length + pitch)) + 1 − mod(floor((length − 2×pitch − leg_length)/(leg_length + pitch)) + 1, 2)) ×((floor((width − 2×pitch − leg_width)/(leg_width + pitch)) + 1))/2168Number of thermocouples
Table 2. Input operating parameters.
Table 2. Input operating parameters.
NameExpressionValueDescription
Tref300 °K300 °KHot side temperature
dT0150 °K150 °KPrescribed temperature difference
Table 3. Tungsten material properties.
Table 3. Tungsten material properties.
NameValueUnit
Density17,800kg/m3
Heat capacity at constant pressure132J/(kg·°K)
Thermal conductivity175W/(m·°K)
Table 4. Copper material parameters.
Table 4. Copper material parameters.
NameValueUnit
Electrical conductivity5.998 × 107 S/mS/m
Heat capacity at constant pressure385 J/(kg × °K)J/(kg·°K)
Relative permittivity11
Density8960 kg/m3kg/m3
Thermal conductivity400 W/(m × °K)W/(m·°K)
Table 5. Copper basic settings.
Table 5. Copper basic settings.
DescriptionValue
Relative permeability{{1, 0, 0}, {0, 1, 0}, {0, 0, 1}}
Electrical conductivity{{5.998 × 107 S/m, 0, 0}, {0, 5.998 × 107 S/m, 0}, {0, 0, 5.998 × 107 S/m}}
Coefficient of thermal expansion{{17 × 10−6 °K−1, 0, 0}, {0, 17 × 10−6 °K−1, 0}, {0, 0, 17 × 10−6 °K−1}}
Heat capacity at constant pressure385 J/(kg × °K)
Relative permittivity{{1, 0, 0}, {0, 1, 0}, {0, 0, 1}}
Density8960 kg/m3
Thermal conductivity{{400 W/(m × °K), 0, 0}, {0, 400 W/(m × °K), 0}, {0, 0, 400 W/(m × °K)}}
Table 6. Copper linearized resistivity settings.
Table 6. Copper linearized resistivity settings.
DescriptionValue
Reference resistivity1.72 × 10−8 Ω × m
Resistivity temperature coefficient0.0039 °K−1
Reference temperature298 °K−1
Table 7. Geometry model units.
Table 7. Geometry model units.
Length Unitµm
Angular unitdeg
Table 8. Geometry model statistics.
Table 8. Geometry model statistics.
DescriptionValue
Space dimension3
Number of domains675
Number of boundaries4048
Number of edges7422
Number of vertices4052
Table 9. Geometry model mesh statistics.
Table 9. Geometry model mesh statistics.
DescriptionValue
Minimum element quality0.2044
Average element quality0.6836
Tetrahedral elements346,640
Triangular elements172,966
Edge elements47,445
Vertex elements4052
Table 10. Geometry model mesh size settings.
Table 10. Geometry model mesh size settings.
DescriptionValue
Maximum element size116
Minimum element size8.4
Curvature factor0.4
Resolution of narrow regions0.7
Maximum element growth rate1.4
Predefined sizeFiner
Disclaimer/Publisher’s Note: The statements, opinions and data contained in all publications are solely those of the individual author(s) and contributor(s) and not of MDPI and/or the editor(s). MDPI and/or the editor(s) disclaim responsibility for any injury to people or property resulting from any ideas, methods, instructions or products referred to in the content.

Share and Cite

MDPI and ACS Style

Arciuolo, T.F.; Faezipour, M.; Xiong, X. Day/Night Power Generator Station: A New Power Generation Approach for Lunar and Martian Space Exploration. Electronics 2024, 13, 2859. https://doi.org/10.3390/electronics13142859

AMA Style

Arciuolo TF, Faezipour M, Xiong X. Day/Night Power Generator Station: A New Power Generation Approach for Lunar and Martian Space Exploration. Electronics. 2024; 13(14):2859. https://doi.org/10.3390/electronics13142859

Chicago/Turabian Style

Arciuolo, Thomas F., Miad Faezipour, and Xingguo Xiong. 2024. "Day/Night Power Generator Station: A New Power Generation Approach for Lunar and Martian Space Exploration" Electronics 13, no. 14: 2859. https://doi.org/10.3390/electronics13142859

APA Style

Arciuolo, T. F., Faezipour, M., & Xiong, X. (2024). Day/Night Power Generator Station: A New Power Generation Approach for Lunar and Martian Space Exploration. Electronics, 13(14), 2859. https://doi.org/10.3390/electronics13142859

Note that from the first issue of 2016, this journal uses article numbers instead of page numbers. See further details here.

Article Metrics

Back to TopTop