Abstract
This study addresses speed sensor aging and electrical parameter variations caused by prolonged operation and environmental factors in flywheel energy storage systems (FESSs). A model reference adaptive system (MRAS) flywheel speed observer with parameter identification capabilities is proposed to replace traditional speed sensors. The proposed method uses reference and adjustable models to identify the stator resistance and permanent magnet flux (PM Flux) to mitigate the adverse effects of electrical parameter changes on control performance. The Tent chaotic mapping-improved Sparrow Search Algorithm (SSA) optimizes the Proportional-Integral (PI) controller parameters for the dual closed-loop and MRAS speed adaptation laws of the flywheel motor. Moreover, a self-switching parameter identification (SSPI) scheme, which constructs a cost function based on the current, parameter identification, and speed errors, is proposed to prevent inaccuracies in parameter identification. The MRAS observer selects the appropriate PI adaptive mechanism based on the error values, thereby enhancing identification accuracy. Simulink simulations show significant improvements in the rapidity and accuracy of the Tent-SSA optimized MRAS flywheel speed observer, enhancing the stability and robustness of the flywheel rotor. Experimental validation on a constructed FESS platform confirms the feasibility of this method.
1. Introduction
In recent years, China has actively promoted the transformation of its energy structure and the development of new energy sources. As the largest energy consumer worldwide, policy documents such as the “14th Five-Year Plan” and the “Action Plan to Peak Carbon Before 2030” emphasize accelerating new energy development to achieve carbon peak and neutrality goals [1,2]. The “Action Plan to Peak Carbon Before 2030” aims to increase the proportion of non-fossil energy in primary energy consumption to approximately 20% by 2025 and over 25% by 2030 [3,4]. This underscores China’s commitment to establishing a renewable energy-dominated power system to address climate change and achieve sustainable development. Energy storage technology, particularly flywheel energy storage systems (FESSs), plays a crucial role in the transition from fossil fuel-based energy generation to renewable energy generation. FESS, known for their large capacity, high efficiency, and high instantaneous power, are widely used in grid frequency regulation, uninterruptible power supplies, and kinetic energy recovery [5]. Consequently, research on FESS has gained popularity.
The core of a FESS lies in the rotational speed of the flywheel rotor, because its performance directly affects the system’s energy storage capacity and operational efficiency of the system. Higher flywheel speeds result in greater stored energy, making motor speed control crucial for enhancing the storage capacity. Additionally, the flywheel speed determines the system’s charge–discharge efficiency and response rate of the system; high-speed flywheels can quickly absorb and release energy, effectively addressing the grid frequency regulation and short-term power balance demands. However, achieving high speeds poses challenges related to material strength, air resistance, and bearing technology, making motor-speed control the most direct method for improving FESS performance and efficiency. Permanent-magnet synchronous motors (PMSMs) are widely used in FESSs owing to their high power density, large torque-to-inertia ratio, and fast control response [6,7,8]. The quality of their control strategies directly affects the operating state and performance of the FESS.
Control methods for PMSMs are fundamentally based on two basic strategies: field-oriented control (FOC) and direct torque control (DTC). DTC has drawbacks such as poor speed stability and unreliable parameter variation [9,10,11]. By contrast, FOC is widely used to enhance the dynamic performance of PMSMs because of their high dynamic response, precise torque control, and efficient vector control [12]. Building on these two control methods, other advanced control strategies have been explored. Despite its simplicity and low computational complexity, traditional proportional-integral (PI) control exhibits poor accuracy and robustness owing to its heavy reliance on system models. Although adaptive control offers higher accuracy and robustness, it has a higher computational complexity than PI. Predictive control excels in accuracy and robustness, but has relatively high computational complexity owing to its reliance on optimization algorithms. Fuzzy-logic control, with its high robustness and moderate accuracy, depends heavily on the design of its rule base, which affects its computational complexity [13]. Sliding mode control (SMO) provides a swift response with high accuracy and robustness; however, its switching surface design adds to the computational complexity [14]. Neural network control, known for its high accuracy and robustness, requires significant computational resources for training and operation [15].
Accurate signals of the rotor angle and speed are essential for enhancing the performance of PMSM. However, the installation and application of encoders or any other type of mechanical sensors, owing to the large size of the FESS and its vacuum encapsulation, increases the system cost, maintenance expense, and system complexity, and also reduces the system’s dependability and robustness [16,17]. Consequently, sensorless methods to overcome the shortcomings of mechanical sensors have received considerable attention [18,19].
Based on the speed range in which the PMSM operates, a control strategy without a position sensor can be divided into two methods: model-based inverse electromotive force and saliency-based high-frequency signal injection. High-frequency control is appropriate for controlling sensorless PMSMs that operate at low speed, but it can lead to torque pulsations and additional losses that adversely affect quality of operation of the system [20]. In contrast, model-based inverse potential methods have been shown to be more suitable for working in medium- and high-speed environments because such methods do not involve the injection of extra signals [21]. Therefore, a FESS, which operates at high speeds, is suitable for selecting the inverse potential method. However, rotor speed estimation based on the inverse electromotive force relies on a specific mathematical model for a PMSM and is referenced to the steady-state current model of the PMSM. Consequently, the electrical parameters profoundly influence the control strategy’s effectiveness for PMSMs. In long-term operation, the electrical parameters are bound to change due to various factors such as adverse environmental conditions, leading to a mismatch of electrical parameters and affecting the control strategy’s stability. Additionally, changes in load state can compromise the system’s control stability. To address these adverse effects, scholars have proposed parameter estimation techniques, including the recursive least squares (RLS), extended Kalman filter (EKF), and model reference adaptive system (MRAS).
Classic EKFs struggle to satisfy high-performance requirements. Reference [22] describes a method for identifying the permanent magnet flux (PM Flux) that provides satisfactory results in terms of parameter evaluation but is difficult to implement because of its complex algorithmic structure and the difficulty of parameter adaptation. The RLS algorithms for electrical parameter estimation presented in References [23,24] exhibited a rapid rate of convergence. However, this method entails a large number of differential calculations, which leads to degradation of the microprocessor performance and a slow system response. Compared with other sensorless control strategies, MRAS offers advantages such as fast response, reduced computational load, and good stability. Most importantly, MRAS can identify the electrical parameters and serve as a sensorless control strategy for estimating the flywheel rotor position. Therefore, it is one of the most promising approaches to achieve sensorless control of PMSMs. The parameter identification method using the Grey Wolf Optimization algorithm proposed by Reference [25] achieves accurate identification results but lacks validation under parameter variations. Reference [26] introduced a method for identifying stator resistance parameters by switching PI controllers. Although their method effectively addresses the stator resistance parameter changes, it does not address the identification effects on other electrical parameters. The improved MRAS in this study enhances the control performance by estimating the stator resistance and PM Flux. It introduces a relevant error objective function to monitor real-time error values. Based on these error values, different parameter identification methods are employed to ensure identification accuracy. Subsequently, the identified parameters are used to update the PM Flux and stator resistance in the position estimation model in real time, ensuring model parameter accuracy and improving the precision of the rotor position identification.
Given the rapid advancement in intelligent algorithms, an increasing number of studies have been conducted on sensorless control to optimize its performance. The Sparrow Search Algorithm (SSA) stands out among the various intelligent algorithms owing to its inherent characteristics of good convergence ability, simplicity, and high solution accuracy [27,28,29]. However, a common problem with intelligent algorithms is their susceptibility to local optima. To mitigate this problem, this study introduces the Tent chaotic algorithm into the SSA, enhancing its randomness and thereby enabling avoidance of local optima to achieve a global optimum [30]. The Tent-SSA is utilized for parameter tuning, significantly enhancing the robustness and accuracy of the improved MRAS.
This study significantly advances sensorless control through enhancing the SSA with the Tent chaotic algorithm to circumvent local optima and achieve global optimization, thereby substantially improving sensorless control capabilities. By employing an improved Model Reference Adaptive System (IMRAS) with parameter identification, it enables real-time estimation of stator resistance and PM Flux, facilitating precise estimation of flywheel speed and position. The first section introduces the nonlinear mathematical model of PMSM and outlines the traditional MRAS control strategy, providing foundational concepts for improving sensorless control. The second section derives adaptive laws and elaborates on online identification models for stator resistance and PM Flux, establishing fundamental methods for real-time parameter identification within MRAS. In the third section, the SSA is introduced and optimized with the Tent chaotic algorithm, demonstrating techniques to enhance algorithm performance and achieve global optimization in sensorless control applications. The fourth section outlines the experimental design and validates theoretical findings through using MATLAB/Simulink, illustrating the practical applicability of the proposed improvements in sensorless control. In the fifth section, the feasibility of the approach is verified on a FESS platform, providing experimental validation of the improved MRAS capabilities in practical applications. Finally, the sixth section summarizes the study’s contributions and implications, emphasizing the advancements made in sensorless control using intelligent algorithms and their potential impact on future research and applications.
2. Mathematical Model for the Flywheel Energy Storage System
2.1. Mathematical Model for the Nonlinear Permanent Magnet Synchronous Motor
For three-phase PMSMs, the mathematical model is typically constructed using the relevant parameters and variables of the motor, we first make the following assumptions [5]:
- The motor current is a three-phase sine wave.
- Magnetic saturation of the motor core is ignored.
- Eddy current losses and hysteresis losses from the motor are ignored.
The mathematical model for a PMSM in the synchronous coordinate system is given below based on three assumptions and utilizing the voltage equation of the rotating synchronous coordinate system to analyze the magnetic field orientation control of the PMSM.
The electromagnetic torque equation is measured by
The equation of motion is measured by
2.2. Modeling for Sensorless Control
2.2.1. Modeling for the Traditional Model Reference Adaptive System
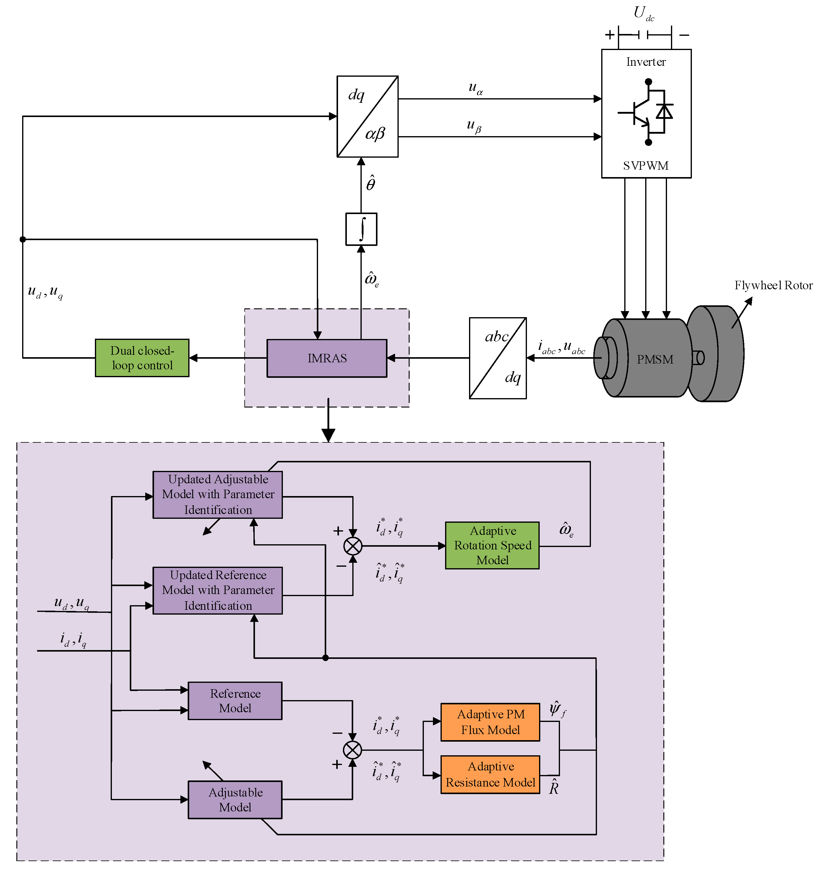
It is impossible to install a position sensor in a PMSM due to the unique design of the flywheel rotor in the FESS. Consequently, this study utilizes the MRAS to evaluate the speed and rotation angle of the flywheel rotor. Before modeling the motor with the MRAS, the following variables are defined:
By rewriting Equation (1) into matrix format, the following is obtained:
This can be obtained by associating Equation (4) with the above-mentioned variables:
where , .
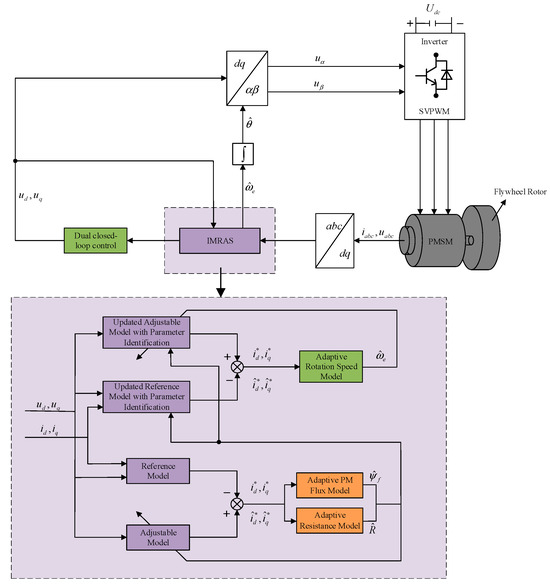
Because the rotor speed is included in Equation (5), the voltage equation described above is considered as the reference model. Figure 1 shows the control structure diagram of the MRAS.
Figure 1.
Control structure diagram for Model Reference Adaptive System (MRAS).
In Equation (5), the current is considered a variable and the adjustable model for the PMSM is described as follows:
where .
Consequently, the current error of the MRAS current estimator is:
where and denote the d-q axis current error, respectively.
Substituting Equations (5) and (6) into Equation (7) yields
Rewriting Equation (8) in the following form obtains
where .
2.2.2. Stability Analysis
According to Equation (9), a standard feedback system can be easily obtained, and the specific MRAS working principle diagram is shown in Figure 2. The following two requirements must be satisfied to ensure that the error system is stable, according to Popov’s superstability theory [5].
Figure 2.
MRAS working principle diagram.
First, the transfer matrix of the linear definite system is strictly positive definite, which means that it can be described as follows:
The transfer matrix is strictly positive and definite if the following condition is satisfied:
where , .
Based on the principle of positive qualitative determination, the transfer function of a system is a strictly positive definite matrix [25].
Secondly, the stability of the nonlinear time-varying part of the system is proven using Popov’s inequality, and the adaptive law for the electrical angular velocity is obtained, as shown in Equation (12). A detailed proof of the nonlinear stability and derivation of the flywheel rotor speed are provided in Appendix A.
3. Improved Model Reference Adaptive System with Parameter Identification
3.1. Improved Model Reference Adaptive System
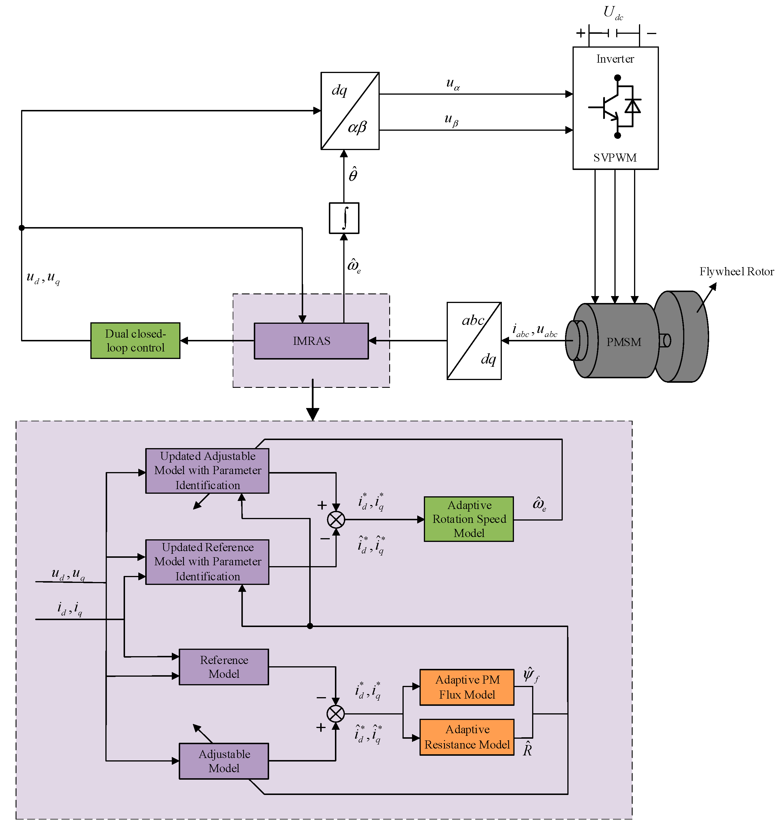
It is evident that the above traditional MRAS does not consider the effect of parameter variations, which will affect the control performance of the system. Thus, an MRAS algorithm based on multi-parameter identification is proposed to address the mismatch between the PM Flux and stator resistance. A diagram of the IMRAS control structure with multi-parameter identification is shown in Figure 3.
Figure 3.
Diagram of improved MRAS control structure with multi-parameter identification.
The stator resistance and PM Flux identification formulas based on MRAS are shown in Equations (13) and (14). Detailed proofs of the derivation of the stator resistance and PM Flux identification formulas are provided in Appendix A.
3.2. Working Principle of Self-Switching Parameter Identification
The analysis above indicates that the MRAS observer, equipped with a fixed-gain adaptive mechanism, demonstrates stable operation and high-accuracy within a limited speed range. Once any electrical parameter changes, the performance of the MRAS may become unstable, thereby affecting the normal operation of the entire FESS. To address this problem, a self-switching parameter identification (SSPI) method is proposed to enhance the estimation accuracy of parameter identification and ensure stable system operation. The flowchart of the SSPI method is depicted in Figure 4.
Figure 4.
Flowchart for the Self-switching Parameter Identification (SSPI) operation.
The current error variable E can be expressed in the following two forms based on the identified parameter:
where and represent the values of the stator resistance and the PM Flux values identified in the current iteration, respectively. and represent the values of the stator resistance and the PM Flux values identified in the previous iteration, respectively.
The implementation of the self-switching scheme comprises three steps:
- Obtain the value of the error variable E via simulation.
- Determine the threshold A based on E, and segment the variable E accordingly. If A/2 ≤ |E| ≤ A, set ki to 0 to prevent overshooting; otherwise, increase ki to expedite resistance tracking. The threshold value A for the stator resistance parameter identification is typically set to 30, whereas for the PM Flux parameter identification, it is generally set to 50.
- When A ≤ |E|, it indicates that the error is excessively large, necessitating the recalculation of the PI parameters of the MRAS parameter identification observer using the Tent-SSA.
4. Application of Tent-Sparrow Search Algorithm in Parameter Self-Tuning
4.1. Sparrow Search Algorithm Introduction and Mathematical Modeling
4.1.1. Introduction of the Sparrow Search Algorithm
The SSA is a population-based bionic algorithm that simulates the predation behavior of sparrows. SSA has the advantages of high optimization ability, simple structure, and rapid convergence; therefore, it is superior to other swarm intelligent optimization algorithms in function optimization.
The SSA primarily mimics the search behavior of a sparrow, known as the explorer–follower procedure, and incorporates an alarm detection mechanism. Explorers are highly adaptable, search extensively, recognize areas with better food resources, and guide populations to follow them. The remaining individuals act as followers, following the explorer to forage for better food. Subsequently, 10% and 20% of the individuals from the population will be randomly sampled for the survey and alert, respectively. When populations are in danger, they immediately abandon foraging behavior [27].
A detailed implementation of the SSA is shown in Figure 5. The SSA divides the entire foraging process into three stages: explorer foraging, follower migration, and population scouting for early warning. Ultimately, the entire population converges on the same optimal foraging area, representing the globally optimal solution.
Figure 5.
The Sparrow Search Algorithm (SSA) implementation process.
4.1.2. The Mathematical Model for the Sparrow Search Algorithm
In the SSA, an explorer with the highest fitness value is prioritized to gather food during the search process. Additionally, the explorer is responsible for gathering supplies and managing the overall population flow. Therefore, explorers can seek supplies from a broader range of locations than their followers. The position of the explorer is updated at each iteration according to the following equation:
where indicates the current number of iterations, . denotes the value of the dimension of the -th sparrow at iterations. indicates the maximum number of iterations. and denote the warning value and the safety value, respectively. is a random number that follows a normal distribution. represents a matrix, where each element is one.
As mentioned previously, some followers monitor explorers more frequently than others. As soon as they notice that an explorer has discovered good supplies, they abandon their present position and fight for good supplies. If the explorers win, they can immediately access supplies that belong to the explorer. Alternatively, they continue supervising other explorers. The formula for updating the position of the follower is as follows.
where denotes the optimal explorer position. represents a matrix whose elements are randomly assigned to be 1 or −1 and . When , the value of the follower position shows that -th follower suffers from a low level of health owing to food shortage and therefore requires traveling to other areas to obtain more food reserves of energy. When , it is indicated that the difference between the present follower position and the optimum follower position in the same dimension is small.
Reconnaissance and warning sparrows typically comprise 10–20% of the population, with locations updated as follows:
where indicates the present global optimal position and is a step control parameter obeying a normal distribution and . denotes the present individual fitness value, and and denote the global optimal fitness value and the worst fitness value, respectively. The value of is extremely small to prevent the denominator from being zero.
4.2. Tent Chaos
4.2.1. Tent Chaos Sequence
The SSA performs well in multi-objective optimization because of its excellent search accuracy and robustness. However, different parameter selections can influence the algorithm’s convergence rate towards the global objective function and may lead to local optimal solutions, especially in large search spaces, which can result in ambiguous outcomes. Incorporating the Tent Chaos algorithm can enhance the SSA’s convergence and optimization capabilities across diverse exploration areas.
Chaos has been utilized by many scholars in optimization exploration problems owing to the randomness, ergodicity, and regularity of its variables [30], which effectively maintains population diversity and aids the algorithm in escaping local optima, thereby enhancing global search capability. It has been demonstrated that the Tent mapping can serve as a chaotic sequence generator for optimization algorithm. Tent mapping is expressed as follows:
The analysis revealed that there were small cycles in the Tent chaotic sequence and unstable cycle points. To solve the above problems, Na et al. improved the original Tent mapping expression as follows [30]:
4.2.2. Tent Chaos Perturbation
In this study, the algorithm introduces chaotic perturbations to prevent local optimization traps and enhance overall exploration capability and optimization precision. The chaotic perturbation process is illustrated in the following steps [29].
- Step 1: Equation (21) should be used to generate the chaotic variable .
- Step 2: Transfer the chaotic variables into the solution space of the domain to be solved.
- Step 3: The individual is chaotically perturbed according to Equation (23)
4.3. Parameters for Self-Tuning with Tent-Sparrow Search Algorithm
The use of Tent-SSA to optimize the PI regulator coefficients of the MRAS first requires the design of an adaptive index. In this study, because parameter identification is added, the setting for the objective function should be divided into two parts. To keep the tracking error as small as possible during the parameter identification process, it is necessary to calculate the accumulated value of the error by utilizing an integrator and to expect a relatively small current error. The target function is formulated as follows:
where represents the sampling period (in s), represents the discrete sampling time index, represents the reference mechanical speed, and represents the d-axis reference current.
To determine the PI regulator coefficients in the adaptive law of speed estimation, it is only necessary to ensure that the error between the currents is small; therefore, its objective function is set as follows:
where represents the q-axis reference current and symbolizes the PM flux obtained by the MRAS parameter identification.
In summary, the Tent-SSA program to complete the parameterization of the controller has seven steps, as shown in the specific operation flowchart in Figure 6.
Figure 6.
Flowchart for the Tent-SSA operation.
Upon conducting experiments based on the algorithm described above, it was found that the target function value is anticipated to diminish with an increasing number of iterations for the algorithm, and the trend is a direct reflection of the convergence of the SSA. Furthermore, Equation (24) demonstrates that the performance of the controller improves as the speed and current errors diminish, resulting in a smaller objective function.
5. Simulation Result
To validate the system control performance of the improved MRAS flywheel speed observer and the advantages of the SSPI strategy, the following simulation experiments were conducted to verify the conclusions. The flywheel motor parameters used in the simulation experiments are listed in Table 1.
Table 1.
Flywheel motor parameters.
Experiment 1: In practical FESS, the stator resistance of the flywheel motor inevitably varies with increasing system operation time, owing to an increase in temperature. To exemplify this engineering reality and ascertain the robustness of the control system, the variation in the stator resistance is considered in the simulation experiments. In this experiment, the flywheel motor speed is set to 5000 rpm, and the stator resistance varies over time as follows: 1.05 Ω (initial value)→2.1 Ω (twice the initial value)→1.05 Ω→0.525 Ω (50% of the initial value)→1.05 Ω. The specific simulation results are as follows:
Based on the experimental results of stator resistance variation shown in Figure 7, Figure 7a compares the traditional MRAS speed observer without parameter identification to the reference speed, while Figure 7b contrasts the IMRAS speed observer with parameter identification to the reference speed. From Figure 7a, it is evident that the traditional MRAS without parameter identification exhibits an instantaneous speed error of 102 rpm when the resistance changes from 1.05 Ω to 2.1 Ω, accompanied by speed oscillations. In contrast, Figure 7b reveals that the IMRAS speed observer with parameter identification maintains no error between the observed and actual values at the moment of stator resistance variation, with a maximum error between observed and actual speeds throughout the process of only 2 rpm. It is evident that the IMRAS with parameter identification effectively mitigates inaccuracies in speed observations caused by stator resistance variation, thereby enhancing system stability. Considering the significance of motor output power and electromagnetic torque in a FESS, Figure 7c,d, respectively, illustrate the electromagnetic torque and output power of the flywheel motor. The blue signal represents the electromagnetic torque and output power of IMRAS with parameter identification, while the red signal represents those of the MRAS without parameter identification. It can be observed that both systems operate stably when the resistance remains unchanged. However, when the resistance value changes, the electromagnetic torque and output power of the MRAS without parameter identification exhibit significant oscillations, severely affecting the stable operation of the FESS. In contrast, IMRAS with parameter identification shows minimal oscillations, enabling the system to operate stably and enhancing its overall stability and robustness.
Figure 7.
(a) Flywheel speed observation results of traditional MRAS without parameter identification based on stator resistance variation; (b) Flywheel speed observation results of IMRAS with parameter identification based on stator resistance variation; (c) Comparison of electromagnetic torque results for flywheel system operation with and without parameter identification under stator resistance variation; (d) Comparison of flywheel system output power with and without parameter identification under stator resistance variation.
Experiment 2: Similar to the case of stator resistance, the PM Flux of the flywheel motor undergoes changes in practical FESS. Therefore, to reflect this engineering reality, the variations in PM Flux were considered in the simulation experiments. In this experiment, the flywheel motor speed was set to 5000 rpm, and the PM Flux was varied over time in the simulation. The specific PM Flux variation process is as follows: 0.1194 Wb (initial value)→0.1592 Wb (4/3 times the initial value)→0.1194 Wb→0.08955 Wb (75% of the initial value)→0.1194 Wb. The specific simulation results are as follows.
Based on the experimental results of stator resistance variation, as shown in Figure 8, Figure 8a,b present a comparison between the traditional MRAS speed observer without parameter identification and the IMRAS speed observer with parameter identification and the reference speed. Figure 8a shows that the traditional MRAS without parameter identification exhibits an instantaneous speed error of 707 rpm when the PM Flux changes from 0.1194 Wb to 0.1592 Wb, accompanied by speed oscillations that are more pronounced than those caused by the resistance variation. Conversely, Figure 8b reveals that the IMRAS speed observer with parameter identification maintains a maximum error of only 2 rpm between the observed and reference speeds throughout the entire PM Flux variation process. Evidently, the IMRAS with parameter identification significantly enhances system stability. Figure 8c,d illustrate the electromagnetic torque and output power of the flywheel motor, respectively, where the blue signal represents the electromagnetic torque and output power of the IMRAS with parameter identification, and the red signal represents those of the MRAS without parameter identification. Both systems operated stably when the PM Flux remained unchanged. However, when the PM Flux changed, the electromagnetic torque and output power of the MRAS without parameter identification exhibited severe oscillations, which adversely affected the operational stability of the FESS. In contrast, the IMRAS with parameter identification showed minimal oscillations, enabling the system to operate stably and effectively to prevent faults in the FESS.
Figure 8.
(a) Flywheel speed observation results of traditional MRAS without parameter identification based on PM Flux variation; (b) Flywheel speed observation results of IMRAS with parameter identification based on PM Flux variation; (c) Comparison of electromagnetic torque results for flywheel system operation with and without parameter identification under PM Flux variation; (d) Comparison of flywheel system output power with and without parameter identification under PM Flux variation.
From the above analysis, it is evident that changes in both stator resistance and PM Flux significantly impact the stable operation of FESSs. The inclusion of parameter identification in IMRAS greatly enhances the stability of the system. However, the accuracy of the parameter identification relies on the precise PI parameters of the MRAS observer. Therefore, this study proposes a method for switching the PI controller based on parameter error functions. The specific experimental simulation results are presented in Figure 9, where the red signal represents the variation in the reference values, the orange signal represents the parameter identification results without SSPI, and the blue signal represents the parameter identification results with SSPI. As shown in the figure, when the variation in the identified parameters exceeded a certain threshold, significant errors occurred in the identification results if the PI controller of the MRAS observer was not adjusted. If these erroneous parameter identification results were applied to speed estimation, the impact on the FESS would be immeasurable. Therefore, the SSPI method is required. The addition of the SSPI significantly improves the accuracy of parameter identification, thereby ensuring the stable operation of FESSs.
Figure 9.
(a) Comparison of parameter identification results for stator resistance with and without the self-switching parameter identification method; (b) Comparison of parameter identification results for PM Flux with and without the self-switching parameter identification method.
Experiment 3: The feasibility of parameter identification for speed estimation and its enhancement of FESSs stability were validated through the two aforementioned two experiments. In this experiment, the flywheel rotor speed was varied to simulate the charging and discharging processes of the FESS, thereby verifying whether the IMRAS speed observer could effectively track speed changes. The test speed N was set from 3000 rpm to 6000 rpm and then returned to 3000 rpm, with a load torque of 20 N·m.
Figure 10, Figure 11 and Figure 12 depict the simulation performances of the IMRAS and traditional MRAS during the charging and discharging processes of the FESS as the rotor speed varies. In Figure 10, the process from 0 to 3000 rpm simulates the energy storage phase of the FESS, followed by the phase from 3000 rpm to 6000 rpm, which also represents the energy storage process. The deceleration process from 6000 rpm to 3000 rpm simulates the discharging phase of the FESS. The effect of the Tent-SSA on the flywheel rotor was evident in both the acceleration and deceleration phases, with a speed error not exceeding 25 rpm. In contrast, the traditional PI controller results in a maximum speed error of approximately 500 rpm. Tent-SSA demonstrated superior performance in tuning the PI controllers for both the speed and current loops, significantly reducing the system overshoot. Furthermore, the IMRAS speed observer, incorporating parameter identification and Tent-SSA, exhibited a notably higher tracking accuracy for the flywheel rotor speed than the traditional MRAS speed observer.

Figure 10.
Experimental performance in the charging and discharging variations in the flywheel energy storage system: (a) Results of the traditional MRAS flywheel speed observer without parameter identification and the influence of Tent-SSA; (b) Results of the IMRAS flywheel speed observer with parameter identification and the influence of Tent-SSA; (c) Flywheel speed observation error results based on traditional MRAS; (d) Flywheel speed observation error results based on IMRAS; (e) Results of traditional MRAS flywheel rotor position observation; (f) Results of IMRAS flywheel rotor position observation; (g) Results of the traditional MRAS flywheel rotor position observation error; (h) Results of the IMRAS flywheel rotor position observation error.
Figure 11.
Experimental performance in the charging and discharging variations in the flywheel energy storage system: (a) Comparison results between the traditional MRAS flywheel and IMRAS in terms of the output electromagnetic torque; (b) Comparison results between the traditional MRAS flywheel and IMRAS in terms of output power.
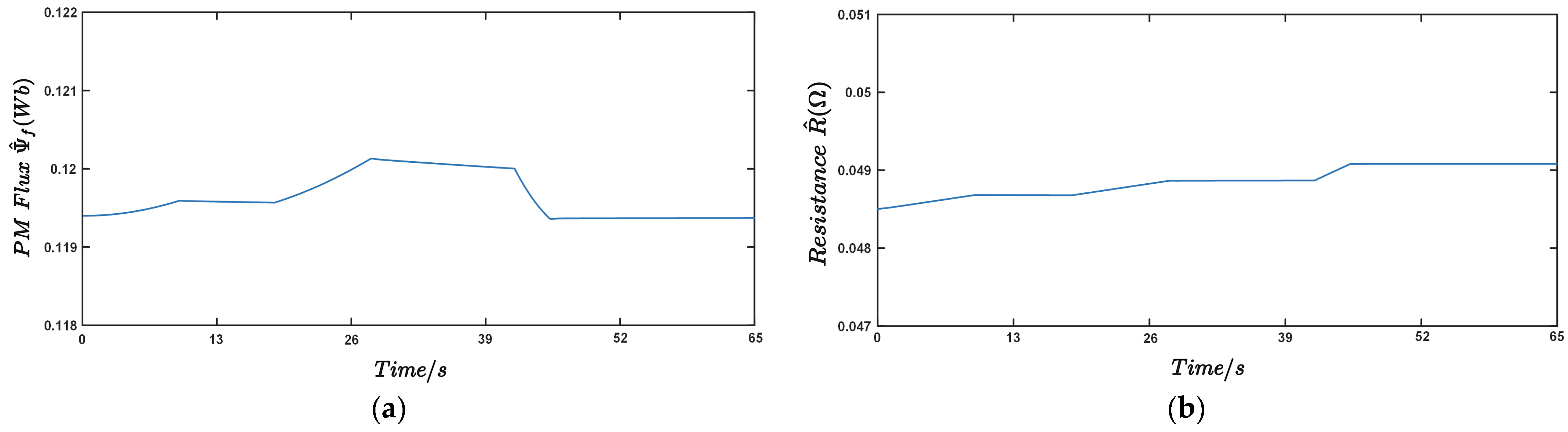
Figure 12.
Experimental performance in the charging and discharging cycles of the flywheel energy storage system: (a) Parameter identification results of IMRAS for the stator resistance; (b) Parameter identification results of IMRAS for the PM Flux.
An examination of Figure 10c,d,g,h indicates that the IMRAS speed observer produced a peak speed deviation of approximately 9.655 rpm and a maximum positional deviation of around 0.0132 rad throughout the tracking process. In contrast, the traditional MRAS speed observer produced a peak speed deviation of 26.931 rpm and a maximum positional deviation of approximately 0.652 rad. Consequently, the IMRAS speed observer, improved by parameter identification and Tent-SSA, reduces the speed deviation by 64.15% and the rotor deviation by 97.98% compared to the traditional MRAS speed observer. Thus, the improved MRAS speed observer exhibits significantly enhanced performance in terms of both the flywheel rotor speed and position tracking compared to the traditional MRAS speed observer. The figures clearly illustrate the effectiveness of the IMRAS speed observer in ensuring precise tracking of the flywheel rotor speed and position, highlighting its crucial role in enhancing the stability and performance of FESSs.
Figure 11 illustrates the electromagnetic torque and output power generated by the traditional MRAS speed observer and IMRAS speed observers when applied to a FESS. It is evident from Figure 10 that both electromagnetic torque and the power output are more stable with the IMRAS speed observer than with the traditional MRAS speed observer. Therefore, it can be concluded that employing an IMRAS speed observer in the FESS enhances the reliability and stability of the operational state of the system.
In addition, Figure 12 presents the estimated stator resistance and PM Flux under step changes in the rotor speed. The online estimation of the stator resistance and PM Flux results in smaller speed tracking errors and overshoots. Moreover, the fluctuation in the estimated values of the stator resistance and PM Flux was minimal during system parameter identification.
These findings underscore the effectiveness of the IMRAS speed observer in ensuring stable operation and precise tracking of the FESS.
6. Experimental Results
The simulation experiments discussed in Section 5 demonstrated that the performance of the IMRAS flywheel speed observer optimized using Tent-SSA-based techniques and incorporating parameter identification is generally superior to that of the traditional MRAS flywheel speed observer. This section further validates the feasibility of IMRAS in practical engineering applications using a PMSM and compares the performance with that of a traditional MRAS approach, which comprises a PMSM, torque sensor, and ventilator, as shown in Figure 13.
Figure 13.
Experimental setup.
The proposed control strategy was implemented using an Rcp-SP2000 simulation platform. The experimental data were exported from the Rcp-SP2000 simulation platform to MATLAB R2022b(The Math Works, Inc., Natick, MA, USA) for plotting. The IPMSM system parameters are listed in Table 2.
Table 2.
Experimental Flywheel Motor Parameters.
Due of the application of the final experiment in a FESS, in which the load is essentially the flywheel itself, the experiment involves a fixed torque load for the PMSM. Real PMSMs cannot adjust stator resistance and PM Flux as easily as in simulations. This study validates the feasibility of IMRAS by varying motor speed and performing real-time parameter identification to obtain the experimental results.
The experimental conditions for the sudden speed change were set as follows: the test speed N was varied from 3000 to 5000 rpm and then returned to 3000 rpm, with a load torque of 0.5 N·m. The experimental results are presented in Figure 14, Figure 15 and Figure 16.
Figure 14.
Experimental performance in the speed variation of the PMSM: (a) Results of traditional MRAS flywheel rotor speed observation; (b) Results of IMRAS flywheel rotor speed observation; (c) Flywheel speed observation error results based on traditional MRAS; (d) Flywheel speed observation error results based on IMRAS; (e) Results of traditional MRAS flywheel rotor position observation; (f) Results of IMRAS flywheel rotor position observation; (g) Results of the traditional MRAS flywheel rotor position observation error; (h) Results of the IMRAS flywheel rotor position observation error.
Figure 15.
(a) Experimental performance of the d-axis current response for the traditional MRAS; (b) Experimental performance of the d-axis current response for the IMRAS; (c) Experimental performance of the q-axis current response for the traditional MRAS; (d) Experimental performance of the q-axis current response for the IMRAS.
Figure 16.
Experimental performance for the parameter identification of the IMRAS under a speed variation: (a) Parameter identification for PM flux; (b) Parameter identification for stator resistance.
Figure 14 shows the experimental performance comparison between the traditional MRAS speed observer without parameter identification and the IMRAS speed observer with parameter identification, optimized using Tent-SSA, when simulating the charging and discharging processes of a FESS using a PMSM. A comparison between subfigures (a) and (b) reveals that the traditional MRAS speed observer exhibits errors in tracking the actual system speed, whereas the IMRAS demonstrates smaller tracking errors. This conclusion is further supported by the error plots in subfigures (c) and (d). Additionally, optimizing the PI parameters of the entire system using Tent-SSA notably reduces the overshoot of the motor system. Similar conclusions regarding rotor position estimation can be drawn from subfigures (e) and (f) as observed for speed estimation.
Figure 15 shows a comparison of the current responses of the traditional MRAS and IMRAS under the same conditions. The blue signals in the figure represent the d-axis currents fed back from the motor, and the orange signals represent the d-axis currents obtained after MRAS. it is evident from this figure that during the charging and discharging processes, the error between the actual current response and the reference value of the IMRAS is less than that of the traditional MRAS. Figure 16 shows the estimated PM flux and stator resistance during the charging and discharging processes. The IMRAS improved the performance in dynamic tracking during operation, owing to its online parameter identification capability and more refined objective function.
The experimental results reveal that the application of the Tent-SSA-optimized IMRAS speed observer with parameter identification on a real PMSM will have a better operational performance than the traditional MRAS. First, by comparing (a) and (b) in Figure 14, it can be seen that the Tent-SSA-optimized system has a shorter response time and a smaller overshoot than the unoptimized system. It can be seen from a comparison of Figure 14c–f that the Tent-SSA-optimized IMRAS achieves smaller errors than the traditional MRAS in both speed and rotor position tracking, which guarantees the reliable operation of the system. The current comparison presented in Figure 15 also shows that the current error of the IMRAS output containing the parameter identification optimized by Tent-SSA is much smaller than that of the conventional MRAS speed observer. Therefore, the simulation in Section 4 and the experimental results in Section 5 demonstrate that the IMRAS speed observer optimized by the Tent-SSA is significantly better than the traditional MRAS speed observer in terms of system stability, speed, and tracking of speed and rotor position.
7. Conclusions
This study presented an improved MRAS speed observer for a FESS, which incorporates parameter identification and optimization using Tent-SSA. A parameter identification module was integrated into the MRAS rotor speed observer to mitigate the adverse effects caused by variations in electrical parameters during operation. Additionally, a self-switching parameter identification method (SSPI), which enhances the precision of parameter estimation, was proposed to ensure accurate parameter identification. Tent-SSA was then employed to fine-tune the proportional and integral controller parameters to further improve the robustness of the sensorless control system. By setting different objective functions, this approach suppresses speed overshoot and significantly enhances dynamic performance. The proposed method was thoroughly validated through simulation verification and experimental platform testing.
At present, because of the lack of experimental conditions, the proposed SSPI method has not been experimentally verified, and the balance between the number of Tent-SSA iterations and the actual effect is also a crucial problem: if the number of iterations is increased, it is true that a better performance will be obtained, but the time cost will increase accordingly, and the time cost will be reduced by constraining the initial position or reducing the iteration number of iterations. But the actual effect of the system may not be satisfactory. We hope that this will be addressed in future studies. In future research, we will continue to improve the proposed control strategy, including experimental validation of the SSPI method of the motor itself in the flywheel operation mentioned earlier. In addition, Tent-SSA can be further improved to achieve the desired target results while reducing the algorithm iteration time. These follow-up studies will be presented in other articles.
Author Contributions
Conceptualization, G.S.; methodology, G.S.; software, G.S. and X.Z.; formal analysis, G.S. and Z.W.; resources, J.Z. and P.Y.; data curation, G.S. and X.Z.; writing—original draft preparation, G.S.; writing—review and editing, G.S.; supervision, Z.W., J.Z. and P.Y.; project administration, Z.W.; funding acquisition, Z.W. and Z.Z. All authors have read and agreed to the published version of the manuscript.
Funding
This study was sponsored by the Major Science and Technology Project in the Inner Mongolia Autonomous Region, China (Grant 2020ZD0017); solar heat pump heating unit and its intelligent control, China (Grant 2020GG0159); Research and Application of Key Technologies for Cooperative Optimal Operation of Distributed Energy Systems, China (Grant 2020GG0156); and the Higher Education Scientific Research Project Inner Mongolia Autonomous Region, China (Grant NJZY21379).
Data Availability Statement
The datasets generated and/or analyzed in the current study are available from the corresponding author upon reasonable request.
Conflicts of Interest
The authors declare no conflicts of interest.
Nomenclature
| FESS | Flywheel energy storage system |
| MRAS | Model reference adaptive system |
| PM flux | Permanent magnet flux |
| SSA | Sparrow search algorithm |
| PI | Proportional-Integral |
| SSPI | Self-switching parameter identification |
| IMRAS | Improved model reference adaptive system |
| PMSM | Permanent-magnet synchronous motor |
| DTC | Direct torque control |
| FOC | Field orientation control |
| SMO | Sliding mode control |
| EKF | Extended Kalman filter |
| RLS | Recursive least squares |
| d-axis voltage and q-axis voltage of PMSM | |
| d-axis voltage and q-axis voltage estimate value of PMSM | |
| d-axis current and q-axis current of PMSM | |
| d-axis current and q-axis current estimate value of PMSM | |
| d-axis inductance, q-axis inductance, stator resistance, permanent magnet flux and pole pairs of PMSMs | |
| Estimate value of stator resistance and permanent magnet flux | |
| Electrical angular speed and mechanical angular speed of FESS | |
| Estimate value of electrical angular speed for FESS | |
| Reference mechanical speed of PMSM | |
| Reference d-axis current of PMSM | |
| Reference q-axis current of PMSM | |
| Rotational inertia and coefficient of viscous friction | |
| Electromagnetic torque and mechanical torque | |
| d axis current error and q axis current error of PMSM | |
| Unit matrix | |
| Symmetric positive definite matrices | |
| Real matrices | |
| MRAS flywheel speed observer Proportional coefficient | |
| MRAS flywheel speed observer Integral coefficient | |
| MRAS stator resistance parameter identification Proportional coefficient | |
| MRAS stator resistance parameter identification Integral coefficient | |
| MRAS PM Flux parameter identification Proportional coefficient | |
| MRAS PM Flux parameter identification Integral coefficient | |
| Individual to be chaotically perturbed, amount of chaotic perturbation generated and individual after chaotic perturbation | |
| Discrete sampling time index | |
| Sampling period |
Appendix A
Appendix A.1. The Stability Analysis of MRAS Rotational Speed Observer
According to Popov’s theory of superstability, two requirements must be satisfied in order to stabilize the error system. First, the transfer matrix of the linear definite system is strictly positive definite. Second, the Popov inequality is satisfied by the nonlinear time-varying section for the system. In Section 2.2.2, the positive definiteness proof is provided. Here, only the proof concerning nonlinearity is supplemented.
The Popov inequality has been shown as Equation (A1)
where is any finite positive real constant.
Combining Equations (9) and (A1) yields
Simplifying Equation (A2) yields
The PI regulators form of MRAS speed estimation is as follows
It is obtained by bringing Equation (A4) into Equation (A3):
Simplifying Equation (A5):
Consequently, the following inequality can be used to achieve asymptotic stability:
The following integral inequality is to be introduced:
Combining Equations (A6) and (A8) yields
In parallel, take as
In summary, can be expressed as:
It is obvious that Equation (A7) can be satisfied.
Therefore, by combining Equations (A4), (A9), and (A11), the estimated rotational speed can be obtained as:
According to Equation (A12), the PI regulation coefficients are used to regulate the current errors and . The adaptive law for the electrical angular speed is:
Appendix A.2. The MRAS Mathematical Models for Parameter Identification and Their Adaptive Laws
The MRAS adjustable model with estimated stator resistance values is as follows:
Substituting Equations (5) and (A14) into Equation (7) yields
Simplifying Equation (A15) yields
where .
From the analysis of the stability of the traditional MRAS in the previous chapter, it can be observed that the following conditions need to be satisfied to guarantee the stability for the error system.
The rotor resistance parameter identification assumes a speed error of zero. Consequently, the above equation is rephrased as:
Simplifying Equation (A18) yields
Therefore, by inversely solving Popov’s inequality, the adaptive equation for R can be obtained as:
The estimate of the stator resistance can be obtained by the above process, which is then taken as a stationary value and the reality for the PM flux is replaced by the estimated value. The adjustable model is then depicted in the following way.
In the same way as solving the adaptive equation for the stator resistance , the adaptive equation for PM flux is given by:
References
- Stern, N.; Xie, C. China’s New Growth Story: Linking the 14th Five-Year Plan with the 2060 Carbon Neutrality Pledge. J. Chin. Econ. Bus. Stud. 2023, 21, 5–25. [Google Scholar] [CrossRef]
- Wang, Y.; Guo, C.; Du, C.; Chen, X.; Jia, L.; Guo, X.; Chen, R.; Zhang, M.; Chen, Z.; Wang, H.; et al. Carbon Peak and Carbon Neutrality in China: Goals, Implementation Path, and Prospects. China Geol. 2021, 4, 720–746. [Google Scholar] [CrossRef]
- Jiang, Y.; Qi, Z.; Ran, S.; Ma, Q. A Study on the Effect of Dynamic Photovoltaic Shading Devices on Energy Consumption and Daylighting of an Office Building. Buildings 2024, 14, 596. [Google Scholar] [CrossRef]
- Sun, Y.; Jia, J.; Ju, M.; Chen, C. Spatiotemporal Dynamics of Direct Carbon Emission and Policy Implication of Energy Transition for China’s Residential Consumption Sector by the Methods of Social Network Analysis and Geographically Weighted Regression. Land 2022, 11, 1039. [Google Scholar] [CrossRef]
- Jia, Y.; Wu, Z.; Zhang, J.; Yang, P.; Zhang, Z. Control Strategy of Flywheel Energy Storage System Based on Primary Frequency Modulation of Wind Power. Energies 2022, 15, 1850. [Google Scholar] [CrossRef]
- Sun, X.; Shi, Z.; Lei, G.; Guo, Y.; Zhu, J. Analysis and Design Optimization of a Permanent Magnet Synchronous Motor for a Campus Patrol Electric Vehicle. IEEE Trans. Veh. Technol. 2019, 68, 10535–10544. [Google Scholar] [CrossRef]
- Zheng, J.; Zhao, W.; Ji, J.; Zhu, J.; Lee, C.H.T. Sleeve Design of Permanent-Magnet Machine for Low Rotor Losses. Chin. J. Electr. Eng. 2020, 6, 86–96. [Google Scholar] [CrossRef]
- Li, M.; Zhao, J.; Hu, Y.; Wang, Z. Active Disturbance Rejection Position Servo Control of PMSLM Based on Reduced-Order Extended State Observer. Chin. J. Electr. Eng. 2020, 6, 30–41. [Google Scholar] [CrossRef]
- Petkar, S.G.; Thippiripati, V.K. A Novel Duty-Controlled DTC of a Surface PMSM Drive With Reduced Torque and Flux Ripples. IEEE Trans. Ind. Electron. 2023, 70, 3373–3383. [Google Scholar] [CrossRef]
- Mansour, M.; Bendoukha, S.; Barhoumi, N.; Mimouni, M.F. A Comparative Study of the Speed Control of an IM–Based Flywheel Energy Storage System Using PI–DTC and RFOC Strategies. Int. J. Emerg. Electr. Power Syst. 2021, 22, 73–83. [Google Scholar] [CrossRef]
- Lemma, B.D.; Pradabane, S. Control of PMSM Drive Using Lookup Table Based Compensated Duty Ratio Optimized Direct Torque Control (DTC). IEEE Access 2023, 11, 19863–19875. [Google Scholar] [CrossRef]
- Sun, X.; Wu, M.; Lei, G.; Guo, Y.; Zhu, J. An Improved Model Predictive Current Control for PMSM Drives Based on Current Track Circle. IEEE Trans. Ind. Electron. 2021, 68, 3782–3793. [Google Scholar] [CrossRef]
- Zhang, J.W.; Wang, Y.H.; Liu, G.C.; Tian, G.Z. A Review of Control Strategies for Flywheel Energy Storage System and a Case Study with Matrix Converter. Energy Rep. 2022, 8, 3948–3963. [Google Scholar] [CrossRef]
- Huang, S.; Xiong, L.; Zhou, Y.; Gao, F.; Jia, Q.; Li, X.; Li, X.; Wang, Z.; Khan, M.W. Distributed Predefined-Time Control for Power System with Time Delay and Input Saturation. In IEEE Transactions on Power Systems; IEEE: Piscataway, NJ, USA, 2024; pp. 1–14. [Google Scholar] [CrossRef]
- Kandari, R.; Neeraj, N.; Micallef, A. Review on Recent Strategies for Integrating Energy Storage Systems in Microgrids. Energies 2023, 16, 317. [Google Scholar] [CrossRef]
- Sun, L.; Li, X.; Chen, L. Motor Speed Control With Convex Optimization-Based Position Estimation in the Current Loop. IEEE Trans. Power Electron. 2021, 36, 10906–10919. [Google Scholar] [CrossRef]
- Sun, X.; Cao, J.; Lei, G.; Guo, Y.; Zhu, J. Speed Sensorless Control for Permanent Magnet Synchronous Motors Based on Finite Position Set. IEEE Trans. Ind. Electron. 2020, 67, 6089–6100. [Google Scholar] [CrossRef]
- Sun, X.; Li, T.; Zhu, Z.; Lei, G.; Guo, Y.; Zhu, J. Speed Sensorless Model Predictive Current Control Based on Finite Position Set for PMSHM Drives. IEEE Trans. Transp. Electrif. 2021, 7, 2743–2752. [Google Scholar] [CrossRef]
- Mansour, M.; Said, S.H.; Bendoukha, S.; Berrayana, W.; Mansouri, M.N.; Mimouni, M.F. High-Gain Observer-Based Sensorless Control of a Flywheel Energy Storage System for Integration with a Grid-Connected Variable-Speed Wind Generator. Soft Comput. 2020, 24, 10585–10596. [Google Scholar] [CrossRef]
- Luo, X.; Shen, A.; Tang, Q.; Liu, J.; Xu, J. Two-Step Continuous-Control Set Model Predictive Current Control Strategy for SPMSM Sensorless Drives. IEEE Trans. Energy Convers. 2021, 36, 1110–1120. [Google Scholar] [CrossRef]
- Wang, T.; Huang, J.; Ye, M.; Chen, J.; Kong, W.; Kang, M.; Yu, M. An EMF Observer for PMSM Sensorless Drives Adaptive to Stator Resistance and Rotor Flux Linkage. IEEE J. Emerg. Sel. Top. Power Electron. 2019, 7, 1899–1913. [Google Scholar] [CrossRef]
- Xu, W.; Jiang, Y.; Mu, C.; Blaabjerg, F. Improved Nonlinear Flux Observer-Based Second-Order SOIFO for PMSM Sensorless Control. IEEE Trans. Power Electron. 2019, 34, 565–579. [Google Scholar] [CrossRef]
- Yu, H.; Wang, J.; Xin, Z. Model Predictive Control for PMSM Based on Discrete Space Vector Modulation with RLS Parameter Identification. Energies 2022, 15, 4041. [Google Scholar] [CrossRef]
- Lian, C.; Xiao, F.; Liu, J.; Gao, S. Parameter and VSI Nonlinearity Hybrid Estimation for PMSM Drives Based on Recursive Least Square. IEEE Trans. Transp. Electrif. 2023, 9, 2195–2206. [Google Scholar] [CrossRef]
- Sun, X.; Zhang, Y.; Tian, X.; Cao, J.; Zhu, J. Speed Sensorless Control for IPMSMs Using a Modified MRAS With Gray Wolf Optimization Algorithm. IEEE Trans. Transp. Electrif. 2022, 8, 1326–1337. [Google Scholar] [CrossRef]
- Liu, Z.-H.; Nie, J.; Wei, H.-L.; Chen, L.; Li, X.-H.; Lv, M.-Y. Switched PI Control Based MRAS for Sensorless Control of PMSM Drives Using Fuzzy-Logic-Controller. IEEE Open J. Power Electron. 2022, 3, 368–381. [Google Scholar] [CrossRef]
- Xue, J.; Shen, B. A Novel Swarm Intelligence Optimization Approach: Sparrow Search Algorithm. Syst. Sci. Control Eng. Open Access J. 2020, 8, 22–34. [Google Scholar] [CrossRef]
- Zhang, Y.; Fei, L.; Jiang, F.; Li, J.; Zhao, S.; Li, J. Data Drive Model of Permanent Magnet Synchronous Motor Direct Drive Pump Based on Improved Sparrow Search Algorithm-BPNN. In Proceedings of the IECON 2023—49th Annual Conference of the IEEE Industrial Electronics Society, Singapore, 16–19 October 2023; pp. 1–6. [Google Scholar]
- Feng, Y.; Wei, L. Fuzzy Control of Drilling Rig Winch Motor Based on SAWS-SSA Algorithm. IEEE Access 2023, 11, 136496–136506. [Google Scholar] [CrossRef]
- Zhang, N.; Zhao, Z.; Bao, X.; Qian, J.; Wu, B. Gravitational Search Algorithm Based on Improved Tent Chaos. Control Decis. 2020, 35, 893–900. [Google Scholar]
Disclaimer/Publisher’s Note: The statements, opinions and data contained in all publications are solely those of the individual author(s) and contributor(s) and not of MDPI and/or the editor(s). MDPI and/or the editor(s) disclaim responsibility for any injury to people or property resulting from any ideas, methods, instructions or products referred to in the content. |
© 2024 by the authors. Licensee MDPI, Basel, Switzerland. This article is an open access article distributed under the terms and conditions of the Creative Commons Attribution (CC BY) license (https://creativecommons.org/licenses/by/4.0/).