A Hardware Trojan Diagnosis Method for Gate-Level Netlists Based on Graph Theory
Abstract
1. Introduction
- (1)
- In this paper, we propose a new method for an HT diagnosis based on graph theory.
- (2)
- The LDS algorithm is proposed, which takes into account the hierarchical relationship of HT load nodes in the netlist; the LGDS algorithm is proposed to solve the problem of out-of-order input nodes.
- (3)
- The proposed method reduces the number of non-implanted nodes and improves the diagnostic accuracy. Moreover, the amount of node sorting and comparing is reduced, which decreases the time complexity.
- (4)
- Experimental results show that the proposed method has lower time complexity. The average true positive rate (TPR) for diagnosis is higher than 93% and the true negative rate (TNR) is 100%. Compared with other existing diagnostic methods, the proposed method has a higher diagnostic accuracy and lower time complexity.
2. Related Work
3. Gate-Level HT Diagnosis Based on Graph Theory
3.1. Complete Experimental Process
- (1)
- The detection method of [17] was used to complete the detection of an HT and obtain the MSOSs containing an HT. If no HT is included, the diagnosis is terminated. The MSOS is obtained by the knowledge of graph theory. The MSOS is composed of a number of nodes and their corresponding units of strongly connected components. Then, the HT-related features in MSOSs are calculated and counted, and the hyperparameters in the machine learning algorithm are adjusted by the cross-validation method. We train a specific supervised learning model using the optimized hyperparameters. Finally, the MSOS containing HTs can be obtained through the trained model.
- (2)
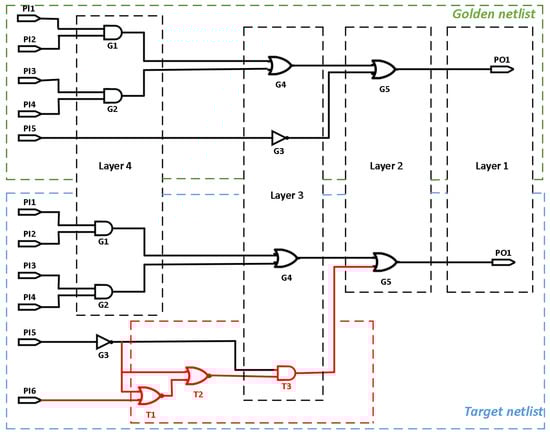
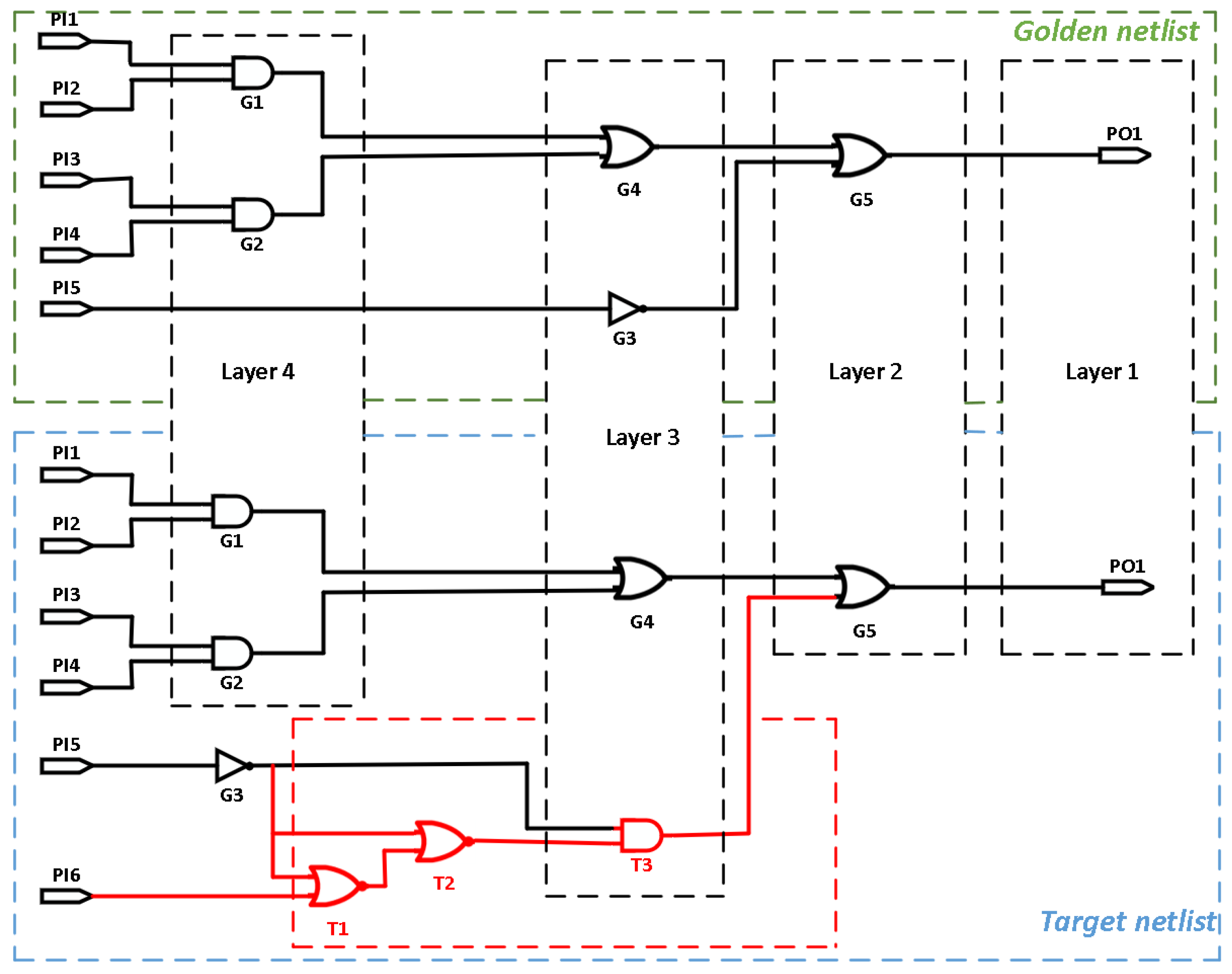
- Find the additional implanted nodes of the target netlist relative to the gold netlist using the LDS or LGDS algorithm. The additional implanted nodes are also called difference nodes. After removing these difference nodes and their corresponding cells, the target netlist should satisfy graph isomorphism with the gold netlist as much as possible.
- (3)
- The MSOSs obtained in step (1) and the implanted nodes obtained in step (2) are intersected.
- (4)
- The obtained node intersection is then the HT node set.
- (1)
- LDS or LGDS: by comparing the nodes in the target netlist and the gold netlist layer by layer, the difference nodes in each layer are found; that is, the load-tamper node pair.
- (2)
- Input-side breadth-first comparison: for each load-tamper node pair, the breadth-first comparison technique of [17] is used with the load node and tamper node as the root, respectively.
- (3)
- Implanted nodes search based on breadth-first comparison: taking the expansion set of payload nodes and the expansion set of tampered nodes as input, the implanted nodes search method based on a breadth-first comparison is executed to find the implanted nodes.
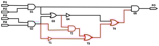
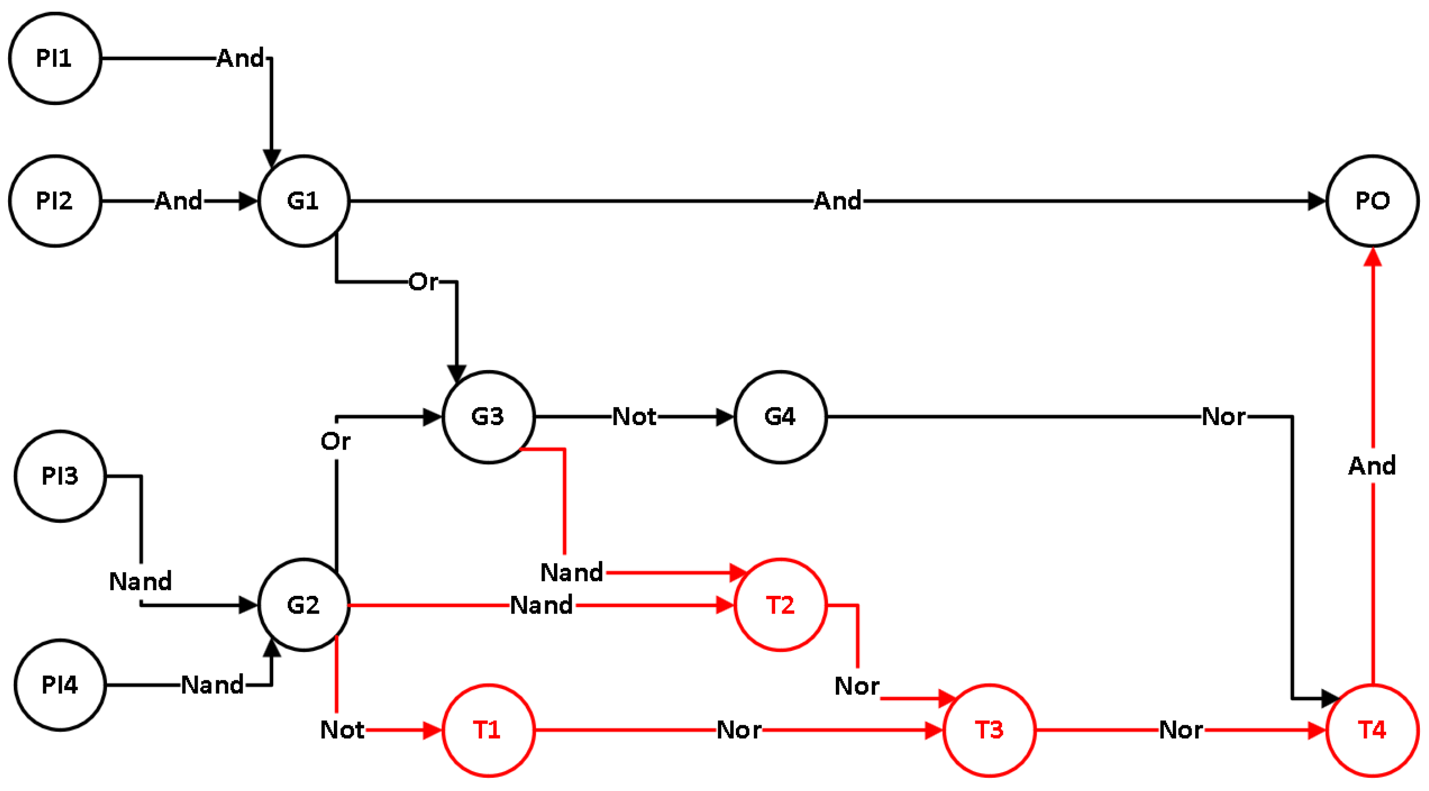
3.2. Graph Theory Analysis
3.3. Gate-Level HT Implantation Methods
3.4. Design of LDS and LGDS Algorithm
| Algorithm 1: LDS Algorithm |
![]() |
| Algorithm 2: LGDS Algorithm |
![]() |
4. Experiments and Results
4.1. Evaluation Measures
4.2. Experiment on Implanted Node Search
4.3. HT Diagnosis Experiment
5. Conclusions
Author Contributions
Funding
Data Availability Statement
Acknowledgments
Conflicts of Interest
References
- Huang, Z.; Wang, Q.; Chen, Y.; Jiang, X. A survey on machine learning against hardware trojan attacks: Recent advances and challenges. IEEE Access 2020, 8, 10796–10826. [Google Scholar] [CrossRef]
- Li, H.; Liu, Q.; Zhang, J. A survey of hardware Trojan threat and defense. Integration 2016, 55, 426–437. [Google Scholar] [CrossRef]
- Bhunia, S.; Hsiao, M.S.; Banga, M.; Narasimhan, S. Hardware Trojan attacks: Threat analysis and countermeasures. Proc. IEEE. 2014, 102, 1229–1247. [Google Scholar] [CrossRef]
- Huang, Z.; Wang, Q.; Yang, P. Hardware trojan: Research progress and new trends on key problems. J. Comput. 2019, 42, 993–1017. [Google Scholar]
- Qin, M.; Hu, W.; Mu, D.; Tai, Y. Property based formal security verification for hardware Trojan detection. In Proceedings of the 2018 IEEE 3rd International Verification and Security Workshop (IVSW), Costa Brava, Spain, 2–4 July 2018; pp. 62–67. [Google Scholar]
- Ponugoti, K.K. Formal Verification for Hardware Trojan Detection; North Dakota State University: Fargo, ND, USA, 2023. [Google Scholar]
- Mukherjee, R.; Rajendran, S.R.; Chakraborty, R.S. A comprehensive survey of physical and logic testing techniques for Hardware Trojan detection and prevention. J. Cryptogr. Eng. 2022, 12, 495–522. [Google Scholar] [CrossRef]
- Pan, Z.; Mishra, P. Automated test generation for hardware trojan detection using reinforcement learning. In Proceedings of the 26th Asia and South Pacific Design Automation Conference, Tokyo, Japan, 18–21 January 2021; pp. 408–413. [Google Scholar]
- Farahmandi, F.; Huang, Y.; Mishra, P.; Farahmandi, F.; Huang, Y.; Mishra, P. Hardware trojan detection schemes using path delay and side-channel analysis. In System-on-Chip Security: Validation and Verification; Springer: Cham, Switzerland, 2020; pp. 221–271. [Google Scholar]
- Amelian, A.; Borujeni, S.E. A side-channel analysis for hardware Trojan detection based on path delay measurement. J. Circuits Syst. Comput. 2018, 27, 1850138. [Google Scholar] [CrossRef]
- Yang, S.; Chakraborty, P.; Bhunia, S. Side-channel analysis for hardware Trojan detection using machine learning. In Proceedings of the 2021 IEEE International Test Conference India (ITC India), Bangalore, India, 18–20 July 2021; pp. 1–6. [Google Scholar]
- Courbon, F.; Loubet-Moundi, P.; Fournier, J.J.; Tria, A. A high efficiency hardware trojan detection technique based on fast SEM imaging. In Proceedings of the 2015 Design, Automation & Test in Europe Conference & Exhibition (DATE), Grenoble, France, 9–13 March 2015; pp. 788–793. [Google Scholar]
- Ludwig, M.; Bette, A.C.; Lippmann, B. Vital: Verifying trojan-free physical layouts through hardware reverse engineering. In Proceedings of the 2021 IEEE Physical Assurance and Inspection of Electronics (PAINE), Washington, DC, USA, 30 November–2 December 2021; pp. 1–8. [Google Scholar]
- Banga, M.; Hsiao, M.S. A region based approach for the identification of hardware Trojans. In Proceedings of the 2008 IEEE International Workshop on Hardware-Oriented Security and Trust, Anaheim, CA, USA, 9 June 2008; pp. 40–47. [Google Scholar]
- Rajendran, J.; Jyothi, V.; Sinanoglu, O.; Karri, R. Design and analysis of ring oscillator based design-for-trust technique. In Proceedings of the 29th VLSI Test Symposium, Dana Point, CA, USA, 1–5 May 2011; pp. 105–110. [Google Scholar]
- Forte, D.; Bao, C.; Srivastava, A. Temperature tracking: An innovative run-time approach for hardware Trojan detection. In Proceedings of the 2013 IEEE/ACM International Conference on Computer-Aided Design (ICCAD), San Jose, CA, USA, 18–21 November 2013; pp. 532–539. [Google Scholar]
- Wang, J.; Zhai, G.; Gao, H.; Xu, L.; Li, X.; Li, Z.; Huang, Z.; Xie, C. A Hardware Trojan Detection and Diagnosis Method for Gate-Level Netlists Based on Machine Learning and Graph Theory. Electronics 2023, 13, 59. [Google Scholar] [CrossRef]
- Du, M.; Huang, Z.; Chen, Y.; Li, L.; Wang, Q.; Liu, J. A HT detection and diagnosis method for gate-level netlists based on machine learning. In Proceedings of the 2021 IEEE 6th International Conference on Signal and Image Processing (ICSIP), Nanjing, China, 22–24 October 2021; pp. 1070–1074. [Google Scholar]
- Huang, Z.; Li, Z.; Xie, C.; Du, M.; Wang, Q. A hardware trojan detection and diagnosis method for gate-level netlists based on different machine learning algorithms. J. Circuits Syst. Comput. 2022, 31, 2250135. [Google Scholar] [CrossRef]
- Zhang, Y.; Li, S.; Chen, X.; Yao, J.; Mao, Z.; Yang, J.; Hua, Y. Hybrid multi-level hardware Trojan detection platform for gate-level netlists based on XGBoost. IET Comput. Digit. Tech. 2022, 16, 54–70. [Google Scholar] [CrossRef]
- He, J.; Zhao, Y.; Guo, X.; Jin, Y. Hardware trojan detection through chip-free electromagnetic side-channel statistical analysis. IEEE Trans. Very Large Scale Integr. (VLSI) Syst. 2017, 25, 2939–2948. [Google Scholar] [CrossRef]
- Kampel, L.; Kitsos, P.; Simos, D.E. Locating hardware trojans using combinatorial testing for cryptographic circuits. IEEE Access 2022, 10, 18787–18806. [Google Scholar] [CrossRef]
- Agrawal, D.; Baktir, S.; Karakoyunlu, D.; Rohatgi, P.; Sunar, B. Trojan detection using IC fingerprinting. In Proceedings of the 2007 IEEE Symposium on Security and Privacy (SP’07), Berkeley, CA, USA, 20–23 May 2007; pp. 296–310. [Google Scholar]
- Wolff, F.; Papachristou, C.; Bhunia, S.; Chakraborty, R.S. Towards Trojan-free trusted ICs: Problem analysis and detection scheme. In Proceedings of the Conference on Design, Automation and Test in Europe, Munich, Germany, 10–14 March 2008; pp. 1362–1365. [Google Scholar]
- Hasegawa, K.; Hidano, S.; Nozawa, K.; Kiyomoto, S.; Togawa, N. R-htdetector: Robust hardware-trojan detection based on adversarial training. IEEE Trans. Comput. 2022, 72, 333–345. [Google Scholar] [CrossRef]





| The Prediction Is Positive | The Prediction Is Negative | |
|---|---|---|
| Positive Example | True positive (TP) | False Negative (FN) |
| Negative Example | False Positive (FP) | True negative (TN) |
| Metric | Calculation Formula |
|---|---|
| TPR | |
| TNR | |
| Accuracy | |
| Precision | |
| F1 Score | |
| Balanced Accuracy |
| Method | Method in [17] | Method in [18] | LDS | LGDS |
|---|---|---|---|---|
| Node cell name | trig23_0U1 trig23_0U2 . . . tri23_0U9 troj7_0state_reg_0_ troj7_0state_reg_1_ tro_0Trojan_out0_reg troj7_0U3 troj7_0U4 . . . troj7_0U9 trojan7_0 troj7_1U1 troj7_1U2 troj7_1U3 trojan7_1 | trig23_0U1 trig23_0U2 . . . tri23_0U9 tro_0Trojan_out0_reg troj7_0U3 troj7_0U4 . . . troj7_0U9 trojan7_0 troj7_1U1 troj7_1U2 troj7_1U3 trojan7_1 | trig23_0U1 trig23_0U2 . . . tri23_0U9 troj7_0state_reg_0_ troj7_0state_reg_1_ tro_0Trojan_out0_reg troj7_0U3 troj7_0U4 . . . troj7_0U9 trojan7_0 troj7_1U1 troj7_1U2 troj7_1U3 trojan7_1 | trig23_0U1 trig23_0U2 . . . tri23_0U9 troj7_0state_reg_0_ troj7_0state_reg_1_ tro_0Trojan_out0_reg troj7_0U3 troj7_0U4 . . . troj7_0U9 trojan7_0 troj7_1U1 troj7_1U2 troj7_1U3 trojan7_1 U3783 U4537 |
| Proportion | 100% | 91.7% | 100% | 92.3% |
| Time consuming (ms) | 153 | 105 | 27 | 91 |
| Method | Method in [17] | Method in [18] | LDS | LGDS |
|---|---|---|---|---|
| Node cell name | troj9_0U1 troj9_0U2 . . . troj9_0U7 trojan9_0 troj9_1U1 . . . troj9_1U6 trojan9_1 | troj9_0U1 troj9_0U2 . . . troj9_0U6 trojan9_0 troj9_1U1 . . . troj9_1U6 trojan9_1 | troj9_0U1 troj9_0U2 . . . troj9_0U7 trojan9_0 troj9_1U1 . . . troj9_1U6 trojan9_1 | troj9_0U1 troj9_0U2 . . . troj9_0U7 trojan9_0 troj9_1U1 . . . troj9_1U6 trojan9_1 U2415 U2416 |
| Proportion | 100% | 93.3% | 100% | 88% |
| Time consuming (ms) | 97 | 64 | 18 | 60 |
| Method in [17] | Our Proposed LDS Method | Our Proposed LGDS Method | Method in [18] | Method in [25] | |
|---|---|---|---|---|---|
| Minimum proportion | 67.2% | 84.6% | 17.5% | - | - |
| Maximum proportion | 100% | 100% | 100% | - | - |
| Average proportion | 98.9% | 99.9% | 97.3% | - | - |
| Time consuming (ms) | 45363 | 12145 | 34574 | - | - |
| Circuit partitioning method | MSOS | MSOS | MSOS | Sector | Detecting nodes |
| Diagnosis or not | 1 | 1 | 1 | 1 | 1 |
| Principle of Search/Machine Learning Mode | KNN | RF | SVM | DT | Bayes | Adversarial Training | ||||||
|---|---|---|---|---|---|---|---|---|---|---|---|---|
| TPR | TNR | TPR | TNR | TPR | TNR | TPR | TNR | TPR | TNR | TPR | TNR | |
| Method in [17] | 97.3% | 100% | 97.7% | 100% | 93.4% | 100% | - | - | - | - | - | - |
| Method in [18] | 90.91% | 92.46% | - | - | - | - | 86.36% | 98.61% | 100% | 65.15% | - | - |
| Method in [25] | - | - | - | - | - | - | - | - | - | - | 94.9% | 85.3% |
| Our proposed LDS method | 98.0% | 100% | 98.4% | 100% | 93.9% | 100% | 91.3% | 100% | 93.7% | 100% | - | - |
| Our proposed LGDS method | 98.0% | 100% | 98.4% | 100% | 93.9% | 100% | 95.6% | 100% | 96.0% | 100% | - | - |
Disclaimer/Publisher’s Note: The statements, opinions and data contained in all publications are solely those of the individual author(s) and contributor(s) and not of MDPI and/or the editor(s). MDPI and/or the editor(s) disclaim responsibility for any injury to people or property resulting from any ideas, methods, instructions or products referred to in the content. |
© 2024 by the authors. Licensee MDPI, Basel, Switzerland. This article is an open access article distributed under the terms and conditions of the Creative Commons Attribution (CC BY) license (https://creativecommons.org/licenses/by/4.0/).
Share and Cite
Gao, H.; Zhai, G.; Li, Z.; Zhou, J.; Li, X.; Wang, Q. A Hardware Trojan Diagnosis Method for Gate-Level Netlists Based on Graph Theory. Electronics 2024, 13, 2400. https://doi.org/10.3390/electronics13122400
Gao H, Zhai G, Li Z, Zhou J, Li X, Wang Q. A Hardware Trojan Diagnosis Method for Gate-Level Netlists Based on Graph Theory. Electronics. 2024; 13(12):2400. https://doi.org/10.3390/electronics13122400
Chicago/Turabian StyleGao, Hongxu, Guangxi Zhai, Zeyu Li, Jia Zhou, Xiang Li, and Quan Wang. 2024. "A Hardware Trojan Diagnosis Method for Gate-Level Netlists Based on Graph Theory" Electronics 13, no. 12: 2400. https://doi.org/10.3390/electronics13122400
APA StyleGao, H., Zhai, G., Li, Z., Zhou, J., Li, X., & Wang, Q. (2024). A Hardware Trojan Diagnosis Method for Gate-Level Netlists Based on Graph Theory. Electronics, 13(12), 2400. https://doi.org/10.3390/electronics13122400



