Abstract
Interventional surgery robots are essential in cardiovascular surgery as remote medical devices. By performing remote surgery, surgeons can reduce surgical fatigue and after-effects from heavy surgical instruments and radiation, ensuring that cardiovascular surgery is performed in a safe and reliable manner. To enhance stability during interventional procedures and reduce the impact of surgical risk due to factors where the robotic guidewire section from the end is vulnerable to mechanical jitter or blockage by blood flow, lipids, and thrombus inside the vessel, a new control method is proposed. The active disturbance rejection controller (ADRC) combined with intelligence algorithms is used to improve the performance of the controller by introducing the fuzzy inference algorithm and RBF neural network algorithm to self-adjust the parameters of the controller so that it has a greater ability to compensate for the disturbance factors appearing in the system. In numerical simulation experiments, the advantages and disadvantages of the ADRC combined with intelligence algorithms and the control performance of the conventional control strategy are analyzed in terms of the following: disturbance suppression performance and flexibility performance, respectively. Finally, different types of working conditions have been designed in the experimental platform to simulate the operation flow of in vivo vascular surgery. Experimental results show that the controller proposed in this paper meets the high accuracy, fast response, and low deviation required by interventional vascular surgery robots in complex surgical environments and can provide a more reliable guarantee for the stability of interventional surgery robots.
1. Introduction
According to a report by the China Center for Cardiovascular Health and Disease in 2021, the prevalence of cardiovascular disease in China is in a continuous rise, and cardiovascular disease deaths account for the first cause of total deaths among urban and rural residents []. The impact of cardiovascular disease on the health of the residents is increasing as the incidence of cardiovascular disease continues to increase, and the economic burden on residents and society is increasing day by day, which has become a major public health problem nationwide and an increasingly challenging social environment for the development of cardiovascular surgery.
In conventional vascular interventional procedures, physicians use instruments such as puncture needles, guiding wires, and catheters under X-ray fluoroscopy to perform diagnosis and treatment via the vascular route. However, there are clear drawbacks to vascular procedures: (1) Doctors working in an X-ray environment for a long time have a significant risk of suffering from some injuries caused by radiation, such as skin damage, cataracts, spinal diseases, and the possibility of inducing malignant tumors and causing genetic mutations. (2) Due to the operation’s complexity and the procedure’s length, the lead suits worn by doctors to reduce radiation can also cause inconvenience in operation and joint injuries. In such an operational environment, this is a major impediment to the popularity of minimally invasive surgery [].
A vascular interventional surgery robot is a good solution to this problem, which introduces robotics-related theories into vascular surgery and develops new treatment plans for patients with cardiovascular diseases with the help of emerging technologies such as automation control technology, sensor technology, computer-aided technology, and electronic information technology. Physicians control the radial rotation and axial displacement of the surgical robot at the patient’s end through remote operation of the robot to achieve minimally invasive surgery with catheter guidewires in the patient’s vasculature []. Compared with conventional vascular surgery performed independently by physicians, vascular interventions can both improve the success rate of the procedure and avoid physical injury to physicians under high intensity radiation [].
However, operating an interventional robot in the patient’s vasculature can be affected by numerous factors, such as complex blood environment, blurred vision, and inadequate force feedback, making the catheter guidewire less stable and exposing the patient to injury [,]. In response, Tianjin University incorporated image-assisted design into the domestic, minimally invasive surgical robot “My Hands” system in 2014. Additionally, they increased the robot arm’s degrees of freedom to seven, resulting in a more precise and clear surgical procedure []. In 2015, Prof. Wang and their team from Yanshan University developed a new, user-friendly surgical robot operating system. The system includes a force feedback device equipped with a magnetic powder clutch and utilizes a fuzzy PID control strategy for improved operability []. Corindus upgraded the first-generation robotic assist system CorPath GRX (Massachusetts, MA, USA) in 2017 to improve the device control accuracy of the interventional surgical robot to the submillimeter level, but the high cost of the device and its limited application cannot be well promoted []. Guo et al. of Beijing University of Technology in 2019 proposed a convolutional neural network-based algorithm for navigating tracing in vivo by an operational vascular robot. However, the excessive dependence on images of the surgical state demands a high level of competence from the surgeon []. Each of these approaches has a different pertinence and has contributed to the developments of vascular surgery robots. However, they only enhance the ease of handling or the precision of the vascular robot, and do not guarantee the flexibility and stability of the vascular robot in dealing with unknown risks during surgical operations. Therefore, an active anti-disturbance control algorithm is selected in this paper to extract a suitable compensation signal by estimating the budget of unknown risk variables that the interventional surgery robot will be subjected to in the vasculature, so that the safety and reliability of the operation of the interventional surgery robot can be ensured when disturbing factors are encountered during the operation of complex and small vessels.
The ADRC technique is a new non-linear control measurement strategy, which is not dependent on the controlled object model proposed by Han researchers []. This controller compatible with the error feedback mechanism of PID control, constructing a new controller through a nonlinear state error feedback (NLSEF) control law, and introducing the idea of expansion state observer (ESO), the dynamic uncertainty within the system that is different from the standard type and the external unknown disturbance factor are defined as the total disturbance. ESO proactively extracts disturbance signals in real-time for observation and tracking, while NLSEF constructs a suitable control strategy to eliminate the disturbance factor before it affects the system. This ensures that the controlled system can maintain stable output operation under both internal and external disturbances. However, the traditional ADRC has many parameters and is difficult to adjust. Yu [] et al. introduced nonlinear state observers with dynamic parameter rectification and proposed the idea of dynamic rectification of the parameters of the active disturbance rejection observer, but it lacks rigorous theoretical guidance and belongs to the class of empirical methods. Li [] et al. proposed a method based on the time scale of the controlled system to determine the controller parameters through theoretical analysis, but the method is more limited and only applies to second-order systems, and the time scale rectification for higher-order systems has not been studied. Wu [] et al. proposed a self-learning algorithm for ADRC parameters based on continuous action reinforcement learning architecture, but the learning intervals for the initial parameters were not clearly defined, and the parameter rectification process was cumbersome. Therefore, more and more parameter optimization methods are proposed by many scholars. As a general tuning method, in the current situation where the development of ADRC technology is not universal, it is crucial to incorporate specific engineering practices to adjust the parameters and achieve the optimal control effect.
The demanding surgical environment requires higher stability and responsiveness of the catheter guidewire in the vasculature to meet the needs of the surgeon and the patient, avoiding surgical risks caused by mechanical jitter or blood flow, lipid, and thrombus blockage during the procedure [,]. Additionally, ADRC has superior performance to proactively eliminate the effects of disturbances, which is better adapted to the needs of surgical robots in practical applications. Therefore, this paper constructs an ADRC strategy combined with intelligent algorithms to improve the stability and reliability of the interventional surgery robot in vascular surgery operations. Firstly, the operational requirements during the actual procedure are considered, and the vascular interventional robotic surgery procedure is introduced. Secondly, based on the perturbation forces on the guidewire in the bloodstream, the expansion into new state variables of the system is added in the ESO, and the ADRC algorithm is adjusted. The ESO-based ADRC provides a smooth transition process for system operation and enables fast, overshoot-free response tracking. Nevertheless, the non-linear controller requires too many parameters to be rectified, so an intelligent algorithm approach to parameter self-optimization was introduced, using a fuzzy controller and a radial basis neural network to simplify the parameter rectification process in the gain control and disturbance observation segments respectively. A fuzzy inference system is used to adjust the error gain coefficients of the controller, while compensating for the state estimates that occur in the perturbed observation session through the fast approximation capability of the radial-based neural network. Finally, in the digital simulation, the operation of the interventional surgical robot under different operating conditions is simulated, and the performance of the constructed controller is compared and analyzed. In contrast, the operation is tested in an in vitro simulated vessel. The experimental results show that the average tracking error of the interventional robot controlled by the ADRC combined with the intelligent algorithm is reduced by 28.7% and 18.9% compared to the conventional PID controller and ADRC, respectively, which finally proves that the proposed controller is more reliable for vascular interventional operations.
2. Equipment
The vascular interventional surgery robot used in this paper is a controller and responder homogeneous robot []. There are two parts: the controller and the responder, with the operator and the device on the side of the doctor and the robot on the side of the patient. Using visual and force feedback information from the responder end into the vessel, the physician manipulates the controller-end robot to perform axial push and pull and radial rotation movements. Movement sensing devices on the controller side and communication protocols transmit the operation commands performed by the physician to the responder, which controls the robot to reproduce the commands of the controller side inside the patient’s blood vessels. In addition, the current status information is fed back to the controller display by image or force feedback [,] to achieve a safe and stable controller—responder synchronous closed-loop operation control of the whole operation in a non-radiated environment. Figure 1 shows a schematic diagram of the routine surgical procedure of the vascular interventional surgery robot.

Figure 1.
Surgical flow chart.
To facilitate the simulation of extracorporeal vascular interventional procedures, the controller and responder interventional robots used are shown in Figure 2 as follows. There are two units on the main side, including the execution unit and the capturing unit. Execution units control the push–pull knob action of the operating guide wire and catheter, respectively. Acquisition units are linear displacement sensors and optical encoders, which collect displacement information and rotation information of the main end operation, respectively. The responder surgical robot is at the patient’s end and therefore has a more complex mechanical structure. Through two clamping mechanisms to fix the position of the guidewire and catheter first, the base is connected to the linear slide to facilitate the adjustment of the position of the guidewire into the vessel and realize the axial movement of the guidewire in the vessel. Meanwhile, a high precision stepper motor is used to control the slide, and load sensors and torque sensors are used to obtain information on the resistance and rotational force during the surgical catheter pushing process.

Figure 2.
(a) Controller surgical robot; (b) Responder surgical robot.
3. Methodology
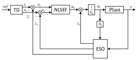
ADRC [,] consist of three main components. The first component is the tracking differentiator (TD), which arranges the transition process and extracts reliable differential signals. The second component is the ESO, which derives the state variables of the system and estimates the lumped perturbations. Finally, the NLSEF provides a control strategy for the compensation of perturbations. The block diagram of a conventional second order controller structure is shown in Figure 3.

Figure 3.
Basic structure diagram of second order ADRC.
In Figure 3, is the set input signal; is the system output; is the tracking signal and tracking differential signal of the input signal; is the observed signal and differential signal of the input signal of ; is the estimated total disturbance; is the control gain; and is the system input control.
3.1. Extended State Observer Design
Analyzing the composition of the forces of the interventional robot in the vasculature, it is known from the text [] that the model of the disturbance force can be expressed approximately as follows.
where is the total force; is the natural viscous force of blood; is the combined friction force; is the sliding friction force; and is the potential deformation energy of the guidewire in contact with the vessel.
The ESO-based ADRC differs from the traditional error feedback regulation controller in that it builds the control model by observing the system disturbance factors and estimating the compensation. Considering the system under the dual factors of external and internal disturbances in operation, a second order ADRC should be selected.
In general, a second-order system containing perturbations and inaccurate estimation of model information can be described by the differential equation . In which and are the output and the actual control of the system; is the external disturbance effect; and is the control quantity gain.
When the state variables are chosen as and and the total force on the interventional robot in the vessel as a known perturbation state quantity is defined, the equation of state of the system can be described as:
where is the sum of internal dynamic uncertainty and external unknown perturbations of the system that are different from the standard type. The manifest quantity of the external disturbance effects and disturbance forces during the operation are treated as a new unknown state variable to obtain a new linear system:
That is, a discrete form of nonlinear state observer can be built as follows:
Of which,
where are used to track the input signal of the system and is the valuation signal performed on the total combined disturbance of the system; , , and are the parameters in the nonlinear function and is the sampling period of the system. From the literature [], we know that when the linear interval of the function takes too large a value it will lose the advantage of nonlinear gain, too small leads to easy instability of the system, so take as suitable; the power satisfies the decreasing trend, and the parameter is less than 1, the function has the performance of large error with small gain and small error with large gain, so in this paper, after repeated simulation tests, the final value of . In the third–order ESO, the parameters are important indicators that affect the performance. The choice of values affects the oscillatory dispersion of the state variable estimates; is too large to make the control quantity oscillate and too small to reduce the ESO’s ability to track the disturbance estimates. In order to make the selection of parameters to reduce system oscillations and improve the overall control effect on the basis of ensuring accurate tracking of the object state, the RBF neural network algorithm is therefore introduced to use the fast approximation capability of the neural network for self-seeking optimal tuning of the parameter settings [], and the algorithm design is shown below.
The RBF neural network structure of n-m-p type is selected. n, m, and p represent the number of nodes in the input layer, hidden layer, and output layer, respectively, where n = 3, m = 6, p = 1. Then, we take as the input vector of the RBF neural network, as the controller output and the actual output of the system, respectively, and as the error between the observed signal of the ESO and the output signal of the system. The input layer to hidden layer of the RBF network realizes nonlinear mapping, and the activation function is chosen as Gaussian activation function, which can make the computation less complex and easy for analysis of the theory [,,]. Expressions for the output of the nodes in the hidden layer of the RBF network are as follows:
where is the center vector of the j-th node of the hidden layer, ; is the base width parameter of the j-th node, > 0, .
Network output layer output is a linear combination of the hidden layer output with neuron weights and the map ping relationship is as follows.
Let the ideal output be . The performance indicator function for the identifier is:
Each of the output weights, node center vectors, and node base width parameters are corrected by the gradient descent method, whose expressions are shown below, in which is the learning rate and is the momentum factor.
Based on the mapping relationship between the input and output of the RBF neural network, the Jacobian algorithm for the object is obtained as:
The smaller radial basis width in the formula, the more selective the basis function is. RBF neural network performance index function is selected as:
Performance metrics for this network are set so that the actual output of the system closely approximates the system’s input given value .
The parameters of the ESO in ADRC are corrected using the gradient descent algorithm, which combines the linear ADRC with the nonlinear ADRC for ESO parameter rectification [], where the parameter is selected for derivation by the bandwidth method and represents the bandwidth of the ESO [], expressed as follows.
Therefore, the regulation of parameter in the ESO by the selected neural network can be considered as the regulation of parameter to obtain the modified adjustment equation as:
In this regard, the specific process of self-tuning the ESO parameters for RBF neural networks can be described as follows:
- Step 1
- Determine the structure of the RBF neural network and initialize the relevant parameters.
- Step 2
- Sample the system input signal and output signal and analyze the error; if the deviation meets the neural network performance index, go to step 4; otherwise, go to step 3.
- Step 3
- Correct of each weight parameter of the RBF neural network (output weights, node center vectors, and basewidth parameters).
- Step 4
- Calculate Jacobian information.
- Step 5
- Adjust the ESO parameters using the gradient descent method to output the optimal controller parameters.
- Step 6
- Repeat steps 2–6 until the system has an optimal solution.
3.2. Nonlinear State Error Feedback Design
Considering the compensation link for the estimated value of the total ensemble disturbance of the system and the accuracy of the controller tracking output, relying on NLSEF can effectively and actively compensate for the disturbances and model uncertainties.
where is the error gain coefficient of the controller, similar to the parameter in PD controller, the effect of the controller can be improved by adjusting the parameter. The increase of will speed up the transition process, but it will easily cause the increase in overshoot; the increase of makes the response speed up, and at the same time, it will amplify the high frequency noise. In this way, the idea of fuzzy control [] can be used to program the corresponding logical relations into the fuzzy controller to achieve self-regulation of the parameters, and the controller design is shown below.
The MIMO fuzzy system with Mamdani model was selected to create a two-input, two-output fuzzy structure [,,] using the motion signal and its derivative from the end side of the interventional surgery robot as fuzzy logic inputs and the variation quantities and of and as outputs. According to the selection rules shown above, the fuzzy language of each input and output is defined as {NB, NS, Z0, PS, PB}, where NB means negative large, NS means negative small, Z0 means zero, PS means positive small, and PB means positive large. Fuzzy domain is set to [−5, 5]. For the purpose of satisfying the demand for the accuracy requirement of the error system, the affiliation function is chosen as a trigonometric function, and the rules for designing the fuzzy inference controller are shown in Table 1.

Table 1.
Fuzzy control rules table.
Its output fuzzy characteristic surface is depicted in Figure 4.

Figure 4.
(a) Fuzzy characteristic surface of output; (b) Fuzzy characteristic surface of output.
The nonlinear error feedback control law after fuzzy correction is as follows:
3.3. Tracking Differentiator Design
Since the input signal is influenced by the initial state of the system, the complete algorithm for the differential tracking and transition process is taken in order to reduce the initial error and make the output of the system track the input signal quickly and without overshoot as follows:
in which is the sampling period of the system; is a fast synthesis function proposed to adapt to numerical calculations; and is the speed factor and filtering factor, whose values are chosen to determine the speed of tracking the input signal and the size of the filtering capacity, where A is calculated as:
As can be seen from Figure 5, the smaller the is when the value of is selected fixed, the worse the filtering effect and the faster the system response output; the larger the is, the more obvious the filtering effect and the slower the system response. In case of a fixed value of , the smaller the speed factor is, the faster the system response is, but with bigger output spikes. At the same time, in view of the practical requirements of engineering, it is necessary to achieve static-free tracking of the target quantity (tip position of the guide wire) at one hundredth of a unit length. To ensure that the system filtering effect is most obvious under the premise of fast speed response, take .

Figure 5.
Effect of the value of on the systematic transition process.
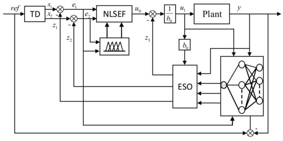
The control block diagram for the improved ADRC is shown in Figure 6 below.

Figure 6.
Structure diagram of ADRC, combined structure of ADRC combining with fuzzy algorithm and RBF neural network.
4. Results
In order to study the stability of controller–responder synchronous tracking of vascular robots under different controllers, this paper develops a simple mathematical model based on Newton’s second law for the axial motion of the responder-side robot arm of an interventional surgical robot under the action of stepper motors:
where is the driving force for the axial motion of the robot arm; is the displacement of the motion; is the velocity of the motion; and is the acceleration of the motion.
Considering the system as a second-order linear controlled object, let , then obtain:
in which,
Here, is the mass of the robotic arm at the responder end; is the damping coefficient when the robotic arm performs the push–pull action; is the elasticity coefficient when the push-pull action is performed.
From the above derivation, the transfer function for the axial motion of the interventional surgical robot can be derived as:
Here, is the mass of the robotic arm at the slave end; is the damping coefficient when the robotic arm performs the push–pull action; is the elasticity coefficient when the push–pull action is performed. The model parameters are chosen as [,].
In the numerical simulation, the motion of the guidewire in the vessel is simulated separately using different input signals to compare the signal responsiveness under different controllers. Where the PID parameters are selected using the traditional Ziegler-Nichols method, after several trials, the parameters were selected as . Similarly, under the premise that the critical coefficient and the critical oscillation period when the closed-loop system reaches the stability limit are certain, the initial parameters in NSLEF can be obtained as .
4.1. Performance Analysis of Guidewire Tracking from the End Surgical Robot
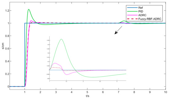
In which is the maximum position deviation percentage, T is the response time, and is the adjustment time (Table 2), the pulsed signal was used to simulate the push and pull movement of the guide wire during the experiment, comparing the responsiveness of the pulsed signal under different controllers (Figure 7). Both the conventional PID controller and the ADRC are subject to overshoot during the simulation, whereas the ADRC combined with the intelligent algorithm has no significant overshoot during operation and has the shortest regulation time to reach steady state. In practice the surgeon has to push and pull to adjust the position of the guidewire inside the vessel in order to reach the lesion safely. Therefore, a controller with a small overshoot and a fast adjustment time is helpful to improve the efficiency of the surgical operation.

Table 2.
Guide wire tracking performance index.

Figure 7.
Analysis of guidewire response performance of different controllers under pulsed signals.
4.2. Static Disturbance and Disturbance Immunity Analysis
The starting position of the interventional robot is recorded as 0 cm, so that the mechanical arm from the end controls the linear displacement of the guidewire in the vessel for 10 cm, and after waiting for stability, a disturbance signal is applied to simulate the situation of sudden perturbation in the vessel, and the simulation results are shown in Figure 8.

Figure 8.
Simulation of different controller responsiveness to intravascular perturbations of guide wires using step signals.
From the simulation results, the proposed Fuzzy-RBF-ADRC has no overshoot when the guidewire is disturbed in the static environment in the blood vessel, and it can be smoothed out faster than the conventional PID in the case of disturbance. It also reduces the amount of overshoot by 3.3% and 0.5% compared to conventional PID and ADRC, respectively (Table 3).

Table 3.
Performance indicators under static disturbance.
4.3. Dynamic Disturbance and Stability Analysis
Employing a white noise signal as an interference source to replace the constant small perturbations caused by the internal environment of the vessel during the procedure, the tracking response of the robotic arm at the responder end is observed given a displacement curve. Figure 9 and Figure 10 show the position tracking curve and steady–state after–response curve of the interventional surgical robot while performing positioning movement under the effect of noise perturbation in the simulation.

Figure 9.
Position tracking performance of different controllers under noise signal interference.

Figure 10.
The disturbance suppression curve after steady state is tracked.
It can be seen from Figure 9 that the tracking effect of the surgical robot under Fuzzy -RBF-ADRC controller is better than that of the robot tracking displacement under conventional PID control. In addition, in the process of rapid change in motion speed, the conventional PID controlled surgical robot is prone to produce overshoot of speed and prone to puncture accidents in complex vascular channels. Although the tracking speed of the ADRC regulated by fuzzy inference and RBF neural network is slightly worse than that of the PID controller, it does not produce overshoot phenomenon during the motion, and the accuracy of the motion is much more than the rapidity of the moving speed for the interventional surgery robot with high precision requirements. Therefore, the Fuzzy -RBF-ADRC proposed in this paper has better accuracy for surgical robots. Figure 10 shows that after the perturbation the robot controlled by conventional PID will show a large deviation of speed, leading to a short time acceleration. However, Fuzzy -RBF-ADRC can still maintain the uniform motion with a given speed within a small deviation when subjected to an applied disturbance.
In Table 4, APD is the percentage of absolute position deviation when simulating the variable speed motion of the interventional robot inside the vessel. In the operation of vascular interventional robots, the smaller the maximum position deviation is, the shorter the tracking time and the smaller the absolute position deviation, the better the stability performance of the system and the greater the applicability. As can be seen from Table 4, the data analysis obtained after applying different controllers to the experimental operation, the interventional surgical robot operated by the conventional PID controller has the best following performance with the shortest time, but it is prone to overshoot and is affected by ease to perturbation. While using Fuzzy -RBF-ADRC, the following time is only 0.15 s behind the PID controller, but overshoot phenomenon will not occur and the use of the process can be a stable operation, affected by fluctuations in the range of only 1.222% of the original range, compared with the traditional PID controller year-on-year decline of 0.116%. The overall analysis shows that Fuzzy-RBF-ADRC > ADRC > PID in terms of stability and anti-interference ability, which proves that the new controller proposed in this paper, has better followability and stability when applied to intervention robots.

Table 4.
Motion analysis of the interventional robot during in vivo perturbation.
4.4. Tests
To verify the reliability of the designed scheme, the experiments were performed on an in vitro simulated vascular platform, which was built as shown in Figure 11 below. It mainly consists of a controller manipulator, a responder manipulator, a visual feedback system, a signal tracking and acquisition device (NDI Polaris Spectra optical positioning tracking system), and an in vitro vascular model. In the simulated surgical procedure, two different situations are designed for experiments in which the controller end manipulator is manipulated to control the guidewire for pushing and pulling action, and the tracking performance of the guidewire of the responder end surgical robot in the blood vessel is observed by the information acquisition device and visual feedback system.

Figure 11.
Interventional surgery robot in vitro experimental platform.
In the experiment, the information was collected and fed back using the NDI Polaris Spectra optical positioning tracking system from a Canadian company. With high accuracy, real time tracking, and a large measurement range, this gauge can track navigation markers on surgical instruments using near infrared light wireless detection, providing excellent tracking accuracy and precision for use in a wide range of clinical medicine settings. It is a great help in the acquisition of information on the position of the tip of the guidewire of the interventional robot and enables a more accurate analysis of the movement of the guidewire under different controller operations.
Case 1, analyzing the motion state of the interventional robot guidewire, the responder interventional robot was manipulated to accelerate axially in the vessel at 0–4 s, to perform a uniform motion at 4–10 s, and to add a tremor force effect at 7 s. The perturbation position deviation map was obtained when the interventional robot made a variable speed motion in the body.
In Figure 12, it is evident that the motion state of the PID-controlled vascular robot is less flexible when changed. This inflexibility results in the catheter inside the blood vessel lurching forward or backward due to the initial motion, leading to a wide range of deviations in motion position. This poses a fatal risk in the complex and delicate vascular environment. And in this paper, the composite Fuzzy-RBF-ADRC controller is used to provide more excellent control effect compared with the conventional ADRC and PID controllers, which can reasonably control the deviation of perturbation in a smaller range, and the mean and median of the error is small, has higher sensitivity, and the initial motion state is not vulnerable to the influence, which enables the vascular surgery robot to follow a specific trajectory in the event of a combination of disturbing factors at variable speeds or under the influence of interference, resulting in a more stable trajectory. For cardiovascular surgeries it provides a higher level of technical support.

Figure 12.
(a) Motion position deviation map; (b) Error bar plot.
Case 2, a curved transparent tube of approximately 25 cm length, 1.35 cm inner diameter, and 2.1 cm outer diameter was used to simulate human blood vessels. In the experiment, the operator operates the controller surgical robot so that the guidewire of the responder surgical robot starts from point A, passes through a narrow bend at point B, and then passes through a substantial bend at point C under close range, and finally performs a straight–line motion to reach point D. The displacement amount and motion position deviation of the responder end are measured using an optical tracking system and a displacement sensor. The position state of the guidewire in the in vitro simulated vessel is shown in Figure 13.

Figure 13.
Schematic diagram of the motion of the robotic guidewire for vascular endovascular surgery.
In Figure 14, given the motion state of the controller-end surgical robot, the responder–end guide wire is controlled to make a straight line motion from point A to point B during the 1–6 s phase; from 6–9 s, it passes through a narrow bend point B, from 9–11 s it reaches point C from B, and from 11–13 s it reaches the end point D at 15 s after a substantial bend at point C. It can be observed that the responder surgical robot with Fuzzy-RBF-ADRC controller can control the guidewire with almost no abrupt changes in trajectory under straight or large bending movements, with less overall deviation than a given trajectory, smaller mean values of errors, and with a higher degree of flexible response. In contrast, conventional PID-controlled surgical robots have low sensitivity and large positional deviations and tend to puncture the vessel wall when moving through smaller vessels.

Figure 14.
(a) Motion position deviation map; (b) Error bar plot.
5. Discussion and Conclusions
As the prevalence of cardiovascular disease is increasing every year, and the development of surgical procedures is facing increasing challenges, the development and refinement of the emerging technology of vascular interventional robotics technology is crucial to protect the rights of both physicians and patients. In this paper, in order to improve the stability and flexibility of the interventional vascular surgery robot during the actual operation, and to guarantee the reliability of the interventional procedure, fuzzy control algorithms and radial basis neural network algorithms are introduced on the basis of conventional ADRC to improve the quality of the controller by simplifying the design of parameter tuning. Through simulation and experimental verification, the performance of the ADRC combined with intelligent algorithms has also been greatly improved, and the tracking and anti-interference properties are better than the conventional ADRC and PID control strategies, and the average position tracking error is reduced by 28.7% and 19.8% respectively, which effectively enhance the stability of the algorithm and have less influence on the deviation in the system operation after the model is given, so that the followability, flexibility, and stability of the vascular interventional surgery robot system in the operation process are greatly improved.
However, the control of the surgical robot is also highly dependent on the level of the operator, and a good operating process influences the smoothness of the experimental process. In addition, the main end of the operating mechanism unit should also be more in line with the surgeon’s surgical operating habits. Therefore, in the next research work we will plan to upgrade from the existing operational structure and introduce new reference quantities, such as real–time force feedback on the controller and responder side, to expand the scope of application of the subject.
Author Contributions
Conceptualization, X.M. and Q.W.; writing—original draft preparation, Q.W.; writing—review and editing, X.M. All authors have read and agreed to the published version of the manuscript.
Funding
This research was funded by Tianjin University of Technology 2022 Postgraduate Education Teaching Research and Reform Project (YBXM2205 Innovative exploration and research on the educational reform of “Software Development Technology and Application”).
Institutional Review Board Statement
Ethical review and approval were waived for this study due to the research in this article was conducted in a constructed in vitro model and no new technology or product was used to obtain experimental studies in humans. This type does not apply to moral and ethical approval.
Data Availability Statement
Data are unavailable due to privacy.
Conflicts of Interest
The authors declare no conflict of interest.
References
- Ma, L.; Wang, Z.; Fan, J.; Hu, S.S. Summary of the Chinese Cardiovascular Health and Disease Report 2021. Chin. J. Interv. Cardiol. 2022, 30, 481–496. [Google Scholar] [CrossRef]
- Linet, M.S.; Kim, K.P.; Miller, D.L.; Kleinerman, R.A.; Simon, S.L.; De Gonzalez, A.B. Historical review of occupational exposures and cancer risks in medical radiation workers. Radiat. Res. 2010, 174, 793–808. [Google Scholar] [CrossRef] [PubMed]
- Guo, J.; Guo, S.; Shao, L.; Wang, P.; Gao, Q. Design and performance evaluation of a novel robotic catheter system for vascular interventional surgery. Microsyst. Technol. 2016, 22, 2167–2176. [Google Scholar] [CrossRef]
- Zhao, H.; Xie, X.; Feng, Z.; Liu, S.; Zhou, X.H. Review of vascular interventional surgery robot system. China Med. Devices 2020, 35, 11–16. [Google Scholar] [CrossRef]
- Zhao, Y.; Mei, Z.; Luo, X.; Mao, J.; Zhao, Q.; Liu, G.; Wu, D. Remote vascular interventional surgery robotics: A literature review. Quant. Imaging Med. Surg. 2022, 12, 2552. [Google Scholar] [CrossRef]
- Rafii-Tari, H.; Payne, C.J.; Yang, G.Z. Current and Emerging Robot-Assisted Endovascular Catheterization Technologies: A Review. Ann. Biomed. Eng. 2014, 42, 697–715. [Google Scholar] [CrossRef]
- Li, A.; Li, J.; Li, J.; Zhang, T.; Yang, R.; Xing, Y.; Liu, Q.; Wang, S.X. Experimental study on remote operation of Chinese robot miaohan-s system. Abdom. Surg. 2016, 29, 473–477. [Google Scholar] [CrossRef]
- Zhang, W. Master Hand Design and Master-Slave Control of Vascular Interventional Surgical Robot. Master’s Thesis, Yanshan University, Qinhuangdao, China, 2015. [Google Scholar]
- Au, S.; Ko, K.; Tsang, J.; Chan, Y.C. Robotic endovascular surgery. Asian Cardiovasc. Thorac. Ann. 2014, 22, 110–114. [Google Scholar] [CrossRef]
- Zhao, Y.; Guo, S.; Wang, Y.; Cui, J.; Ma, Y.; Zeng, Y.; Liu, X.; Jiang, Y.; Li, Y.; Shi, L.; et al. A CNN-based prototype method of unstructured surgical state perception and navigation for an endovascular surgery robot. Med. Biol. Eng. Comput. 2019, 57, 1875–1887. [Google Scholar] [CrossRef]
- Han, J.Q. Active Disturbance Rejection Control Technology: Control Technology for Estimating Compensation Uncertainty Factors; National Defense Industry Press: Beijing, China, 2008. [Google Scholar]
- Yu, X.N.; Zhu, L.L. Dynamic parameter setting and application of active disturbance rejection controller. J. N. China Electr. Power Univ. 2005, 32, 9–13. [Google Scholar] [CrossRef]
- Li, S.; Zhang, S.; Liu, Y.; Zhou, S.W. Tuning Parameters of Active Disturbance Rejection Controller Based on System Time Scale. Control. Theory Appl. 2012, 29, 125–129. [Google Scholar]
- Wu, L.; Bao, H.; Du, J.; Wang, C.S. An Active Disturbance Rejection Controller Parameter Learning Algorithm. Acta Autom. Sin. 2014, 40, 556–560. [Google Scholar] [CrossRef]
- Bao, X.; Guo, S.; Xiao, N.; Li, Y.; Yang, C.; Shen, R.; Cui, J.; Jiang, Y.; Liu, X.; Liu, K. Operation evaluation in-human of a novel remote-controlled vascular interventional robot. Biomed. Microdevices 2018, 20, 34. [Google Scholar] [CrossRef] [PubMed]
- Srimathveeravalli, G.; Kesavadas, T.; Li, X. Design and fabrication of a robotic mechanism for remote steering and positioning of interventional devices. Int. J. Med. Robot. Comput. Assist. Surg. 2010, 6, 160–170. [Google Scholar] [CrossRef] [PubMed]
- Wang, Y.; Guo, S.; Xiao, N.; Li, Y.; Jiang, Y. Surgeons’ operation skill-based control strategy and preliminary evaluation for a vascular interventional surgical robot. J. Med. Biol. Eng. 2019, 39, 653–664. [Google Scholar] [CrossRef]
- Guo, J.; Guo, S.; Yu, Y. Design and characteristics evaluation of a novel teleoperated robotic catheterization system with force feedback for vascular interventional surgery. Biomed. Microdevices 2016, 18, 76. [Google Scholar] [CrossRef]
- Guo, S.; Wang, Y.; Xiao, N.; Li, Y.; Jiang, Y. Study on real-time force feedback for a master–slave interventional surgical robotic system. Biomed. Microdevices 2018, 20, 37. [Google Scholar] [CrossRef]
- Han, J.Q. Active disturbance rejection controller and its application. Control. Decis. 1998, 1, 19–23. [Google Scholar] [CrossRef]
- Gao, Z.Q. Research on Active Disturbance Rejection Control. Control. Theory Appl. 2013, 30, 1498–1510. [Google Scholar]
- Li, X.; Guo, S.; Shi, P.; Jin, X.; Kawanishi, M. An Endovascular Catheterization Robotic System Using Collaborative Operation with Magnetically Controlled Haptic Force Feedback. Micromachines 2022, 13, 505. [Google Scholar] [CrossRef]
- Li, J.; Qi, X.; Xia, Y.; Gao, Z.Q. Linear/Nonlinear Active Disturbance rejection Switching control. Acta Autom. Sin. 2016, 2, 202–212. [Google Scholar] [CrossRef]
- Liu, W.; Zhao, T. An active disturbance rejection control for hysteresis compensation based on neural networks adaptive control. ISA Trans. 2021, 109, 81–88. [Google Scholar] [CrossRef]
- Li, X.; Wang, J. Fuzzy active disturbance rejection control design for autonomous underwater vehicle manipulators system. Adv. Control. Appl. Eng. Ind. Syst. 2021, 3, e44. [Google Scholar] [CrossRef]
- Fan, X.Y. Active Disturbance Rejection Control of Unmanned Surface Craft Based on RBF Neural Network. Master’s Thesis, Dalian Maritime University, Dalian, China, 2019. [Google Scholar]
- Kong, B.; Pazilat, M.; Wang, J.J. Active Front Wheel Steering Active Disturbance Rejection Control Based on Radial Basis Function Neural Network. Sci. Technol. Eng. 2021, 21, 11813–11819. [Google Scholar] [CrossRef]
- Tang, C. Research on Load Disturbance Suppression of a Multiple Rocket Launcher Based on RBF Parameter Setting. Master’s Thesis, Nanjing University of Science and Technology, Nanjing, China, 2020. [Google Scholar]
- Gao, Z. Scaling and bandwidth-parameterization based controller tuning. In Proceedings of the 2003 American Control Conference, Denver, CO, USA, 4–6 June 2003; Volume 6, pp. 4989–4996. [Google Scholar]
- Sui, Y.; Li, X.; Li, X.; Liu, H.; Wang, Y.Q. Motion of precision linear Motor based on fuzzy active disturbance rejection. Electr. Mach. Control. Appl. 2020, 47, 6–11. [Google Scholar] [CrossRef]
- Premkumar, K.; Manikandan, B.V. Adaptive Neuro-Fuzzy Inference System based speed controller for brushless DC motor. Neurocomputing 2014, 138, 260–270. [Google Scholar] [CrossRef]
- He, J.; Xiao, J.; Ni, L.; Yu, W.; Yang, C.; Zheng, G.Y. Auto disturbance rejection control of high precision motor based on Fuzzy Neural Network. Missiles Guid. 2020, 40, 10–14. [Google Scholar] [CrossRef]
- Duan, H.D. Research on Cascaded Active Disturbance Rejection Control Strategy for a Class of Uncertain High-order Nonlinear Systems. Ph.D. Thesis, Jilin University, Jilin, China, 2012. [Google Scholar]
- Ma, X.; Guo, S.; Xiao, N.; Guo, J.; Yoshida, S.; Tamiya, T.; Kawanishi, M. Development of a Novel Robotic Catheter Manipulating System with Fuzzy PID Control. Int. J. Intell. Mechatronics Robot. 2012, 2, 58–77. [Google Scholar] [CrossRef]
- Ma, X.; Zhou, J.; Zhang, X.; Qi, Y.; Huang, X. Design of a New Catheter Operating System for the Surgical Robot. Appl. Bionics Biomech. 2021, 2021, 8898311. [Google Scholar] [CrossRef]
Disclaimer/Publisher’s Note: The statements, opinions and data contained in all publications are solely those of the individual author(s) and contributor(s) and not of MDPI and/or the editor(s). MDPI and/or the editor(s) disclaim responsibility for any injury to people or property resulting from any ideas, methods, instructions or products referred to in the content. |
© 2023 by the authors. Licensee MDPI, Basel, Switzerland. This article is an open access article distributed under the terms and conditions of the Creative Commons Attribution (CC BY) license (https://creativecommons.org/licenses/by/4.0/).