Comparison between a Cascaded H-Bridge and a Conventional H-Bridge for a 5-kW Grid-Tied Solar Inverter
Abstract
1. Introduction
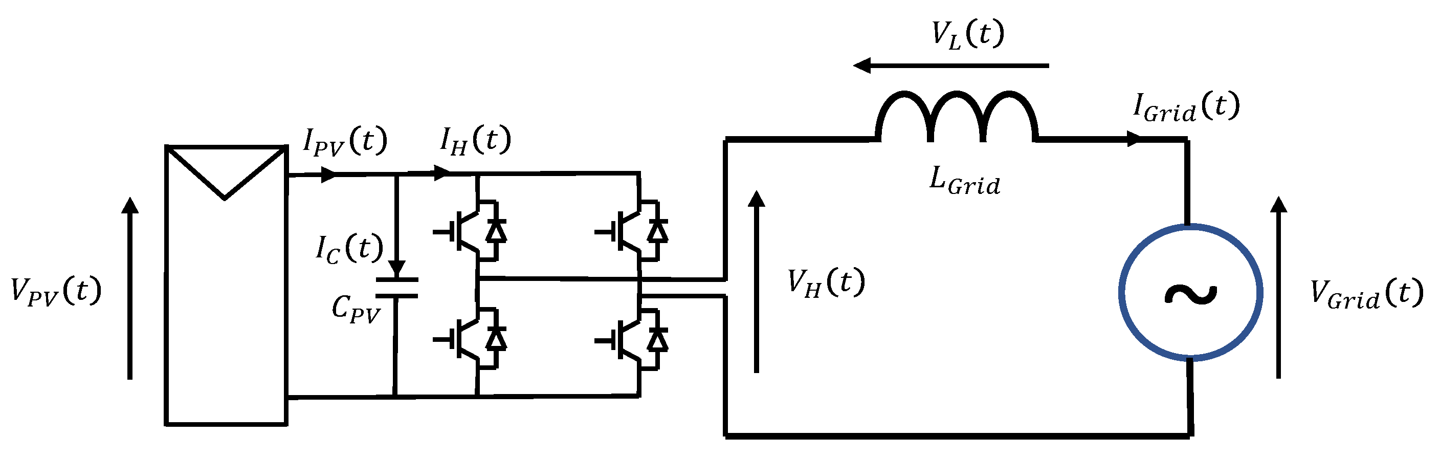
2. Design of the Conventional H-Bridge
2.1. Main Characteristics
2.2. Passive Elements
2.2.1. DC-Link Capacitor
2.2.2. Output Inductor
2.3. MOSFET
2.3.1. Conduction Losses
2.3.2. Switching Losses
2.3.3. MOSFET Choice
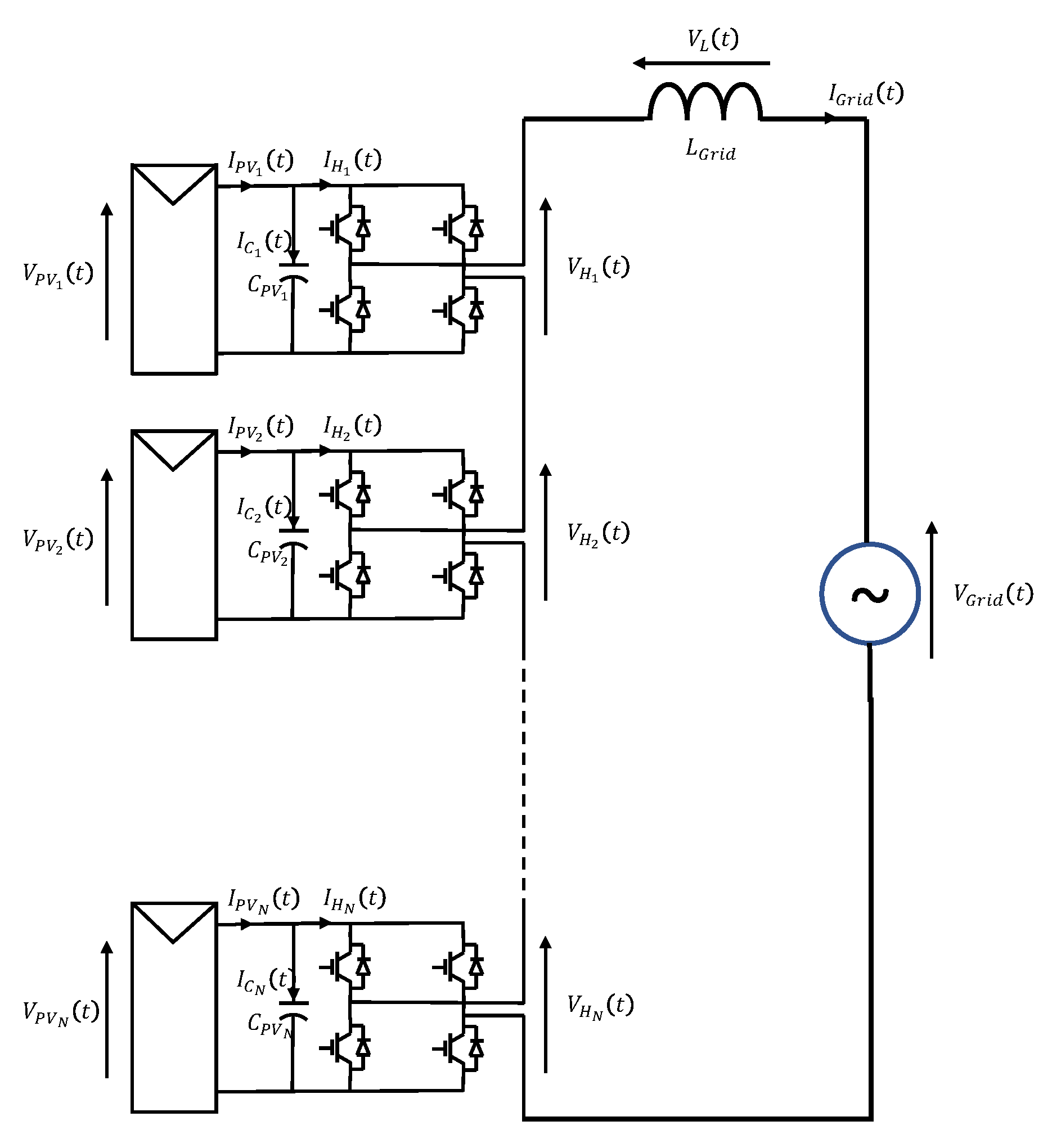
3. Design of the Cascaded H-Bridge Multilevel Inverter
3.1. Main Characteristics
3.2. Passive Elements
3.2.1. DC-Link Capacitor
3.2.2. Output Inductor
3.3. MOSFET
3.3.1. Conduction Losses
3.3.2. Switching Losses
3.3.3. MOSFET Choice
4. Discussion
4.1. Circuit Simulations
4.2. Passive Elements
4.3. Power Losses and Efficiency
4.4. MOSFETs
4.4.1. Temperature Rise
4.4.2. Gate Drivers
4.4.3. Overall Cost
4.5. Summary
5. Experimental Measurements for the CHBMLI
5.1. Experimental Setup
5.2. Temperature Rise of a Single Module (CHBMLI)
5.3. Waveforms of the CHBMLI
6. Conclusions
Author Contributions
Funding
Conflicts of Interest
References
- Ayadi, F.; Colak, I.; Garip, I.; Bulbul, H.I. Targets of Countries in Renewable Energy. In Proceedings of the 2020 9th International Conference on Renewable Energy Research and Application (ICRERA), Glasgow, UK, 27 September 2020; IEEE: Piscataway, NJ, USA, 2020; pp. 394–398. [Google Scholar]
- Kaizuka, I.; Yamaya, H.; Ohigashi, T.; Kurihara, R.; Ikki, O. Cost Analysis and Cost Reduction Opportunities of Residential PV System in the Japan. In Proceedings of the 2017 IEEE 44th Photovoltaic Specialist Conference (PVSC), Washington, DC, USA, 25–30 June 2017; IEEE: Piscataway, NJ, USA, 2017; pp. 2159–2162. [Google Scholar]
- Alluhaybi, K.; Batarseh, I.; Hu, H. Comprehensive Review and Comparison of Single-Phase Grid-Tied Photovoltaic Microinverters. IEEE J. Emerg. Sel. Top. Power Electron. 2020, 8, 1310–1329. [Google Scholar] [CrossRef]
- Bhattacharjee, A.K.; Kutkut, N.; Batarseh, I. Review of Multiport Converters for Solar and Energy Storage Integration. IEEE Trans. Power Electron. 2019, 34, 1431–1445. [Google Scholar] [CrossRef]
- Deshpande, S.; Bhasme, N.R. A Review of Topologies of Inverter for Grid Connected PV Systems. In Proceedings of the 2017 Innovations in Power and Advanced Computing Technologies (i-PACT), Vellore, India, 21–22 April 2017; IEEE: Piscataway, NJ, USA, 2017; pp. 1–6. [Google Scholar]
- Dreher, J.R.; Marangoni, F.; Schuch, L.; Martins, M.L.D.S.; Della Flora, L. Comparison of H-Bridge Single-Phase Transformerless PV String Inverters. In Proceedings of the 2012 10th IEEE/IAS International Conference on Industry Applications, Fortaleza, CE, Brazil, 5–7 November 2012; IEEE: Piscataway, NJ, USA, 2012; pp. 1–8. [Google Scholar]
- Filho, F.; Cao, Y.; Tolbert, L.M. 11-Level Cascaded H-Bridge Grid-Tied Inverter Interface with Solar Panels. In Proceedings of the 2010 Twenty-Fifth Annual IEEE Applied Power Electronics Conference and Exposition (APEC), Palm Springs, CA, USA, 21–25 February 2010; IEEE: Piscataway, NJ, USA, 2010; pp. 968–972. [Google Scholar]
- Cha, H.; Vu, T.-K.; Kim, J.-E. Design and Control of Proportional-Resonant Controller Based Photovoltaic Power Conditioning System. In Proceedings of the 2009 IEEE Energy Conversion Congress and Exposition, San Jose, CA, USA, 20–24 September 2009; IEEE: Piscataway, NJ, USA, 2009; pp. 2198–2205. [Google Scholar]
- Joshi, M.; Shoubaki, E.; Amarin, R.; Modick, B.; Enslin, J. A High-Efficiency Resonant Solar Micro-Inverter. In Proceedings of the 2011 14th European Conference on Power Electronics and Applications, Birmingham, UK, 30 August–1 September 2011; IEEE: Piscataway, NJ, USA, 2011; p. 10. [Google Scholar]
- Musavi, F. A High-Performance Cost-Effective Resonant Converter with a Wide Input Range in Solar Power Applications. In Proceedings of the 2018 IEEE Energy Conversion Congress and Exposition (ECCE), Portland, OR, USA, 23–27 September 2018; IEEE: Piscataway, NJ, USA, 2018; pp. 4756–4759. [Google Scholar]
- Xiao, B.; Filho, F.; Tolbert, L.M. Single-Phase Cascaded H-Bridge Multilevel Inverter with Nonactive Power Compensation for Grid-Connected Photovoltaic Generators. In Proceedings of the 2011 IEEE Energy Conversion Congress and Exposition, Phoenix, AZ, USA, 17–22 September 2011; IEEE: Piscataway, NJ, USA, 2011; pp. 2733–2737. [Google Scholar]
- Xiao, B.; Shen, K.; Mei, J.; Filho, F.; Tolbert, L.M. Control of Cascaded H-Bridge Multilevel Inverter with Individual MPPT for Grid-Connected Photovoltaic Generators. In Proceedings of the 2012 IEEE Energy Conversion Congress and Exposition (ECCE), Raleigh, NC, USA, 15–20 September 2012; IEEE: Piscataway, NJ, USA, 2012; pp. 3715–3721. [Google Scholar]
- Xiao, B.; Hang, L.; Mei, J.; Riley, C.; Tolbert, L.M.; Ozpineci, B. Modular Cascaded H-Bridge Multilevel PV Inverter With Distributed MPPT for Grid-Connected Applications. IEEE Trans. Ind. Applicat. 2015, 51, 1722–1731. [Google Scholar] [CrossRef]
- Biswas, M.M.; Podder, S.; Khan, M.Z.R. Modified H-Bridge Multilevel Inverter for Photovoltaic Micro-Grid Systems. In Proceedings of the 2016 9th International Conference on Electrical and Computer Engineering (ICECE), Dhaka, Bangladesh, 20–22 December 2016; IEEE: Piscataway, NJ, USA, 2016; pp. 377–380. [Google Scholar]
- Nirmal Mukundan, C.M.; Jayaprakash, P. Cascaded H-Bridge Multilevel Inverter Based Grid Integration of Solar Power with PQ Improvement. In Proceedings of the 2018 IEEE International Conference on Power Electronics, Drives and Energy Systems (PEDES), Chennai, India, 18–21 December 2018; IEEE: Piscataway, NJ, USA, 2018; pp. 1–6. [Google Scholar]
- Esram, T.; Chapman, P.L. Comparison of Photovoltaic Array Maximum Power Point Tracking Techniques. IEEE Trans. Energy Convers. 2007, 22, 439–449. [Google Scholar] [CrossRef]
- Subudhi, B.; Pradhan, R. A Comparative Study on Maximum Power Point Tracking Techniques for Photovoltaic Power Systems. IEEE Trans. Sustain. Energy 2013, 4, 89–98. [Google Scholar] [CrossRef]
- Femia, N.; Petrone, G.; Spagnuolo, G.; Vitelli, M. Optimization of Perturb and Observe Maximum Power Point Tracking Method. IEEE Trans. Power Electron. 2005, 20, 963–973. [Google Scholar] [CrossRef]
- Shahabadini, M.; Iman-Eini, H. Leakage Current Suppression in Multilevel Cascaded H-Bridge Based Photovoltaic Inverters. IEEE Trans. Power Electron. 2021, 36, 13754–13762. [Google Scholar] [CrossRef]
- Villanueva, E.; Correa, P.; Rodriguez, J.; Pacas, M. Control of a Single-Phase Cascaded H-Bridge Multilevel Inverter for Grid-Connected Photovoltaic Systems. IEEE Trans. Ind. Electron. 2009, 56, 4399–4406. [Google Scholar] [CrossRef]
- Khan, R.A.; Farooqui, S.A.; Sarwar, M.I.; Ahmad, S.; Tariq, M.; Sarwar, A.; Zaid, M.; Ahmad, S.; Shah Noor Mohamed, A. Archimedes Optimization Algorithm Based Selective Harmonic Elimination in a Cascaded H-Bridge Multilevel Inverter. Sustainability 2021, 14, 310. [Google Scholar] [CrossRef]
- Chavarria, J.; Biel, D.; Guinjoan, F.; Meza, C.; Negroni, J.J. Energy-Balance Control of PV Cascaded Multilevel Grid-Connected Inverters Under Level-Shifted and Phase-Shifted PWMs. IEEE Trans. Ind. Electron. 2013, 60, 98–111. [Google Scholar] [CrossRef]
- Bertin, T.; Despesse, G.; Thomas, R. Current Sensorless Individual MPPT Control on a Cascaded H-Bridge Multilevel Inverter. In Proceedings of the 2022 IEEE 20th International Power Electronics and Motion Control Conference (PEMC), Brasov, Romania, 25 September 2022; IEEE: Piscataway, NJ, USA, 2022; pp. 182–188. [Google Scholar]
- Pan, Y.; Zhang, C.; Yuan, S.; Chen, A.; He, J. A Decentralized Control Method for Series Connected PV Battery Hybrid Microgrid. In Proceedings of the 2017 IEEE Transportation Electrification Conference and Expo, Asia-Pacific (ITEC Asia-Pacific), Harbin, China, 7–10 August 2017; IEEE: Piscataway, NJ, USA, 2017; pp. 1–6. [Google Scholar]
- Zhang, X.; Hu, Y.; Mao, W.; Zhao, T.; Wang, M.; Liu, F.; Cao, R. A Grid-Supporting Strategy for Cascaded H-Bridge PV Converter Using VSG Algorithm With Modular Active Power Reserve. IEEE Trans. Ind. Electron. 2021, 68, 186–197. [Google Scholar] [CrossRef]
- Krein, P.T.; Balog, R.S.; Mirjafari, M. Minimum Energy and Capacitance Requirements for Single-Phase Inverters and Rectifiers Using a Ripple Port. IEEE Trans. Power Electron. 2012, 27, 4690–4698. [Google Scholar] [CrossRef]
- Aluminum Electrolytic Capacitors—General Technical Information. Available online: https://docs.rs-online.com/3570/0900766b815c4ec7.pdf (accessed on 16 April 2023).
- Cha, H.; Vu, T.-K. Comparative Analysis of Low-Pass Output Filter for Single-Phase Grid-Connected Photovoltaic Inverter. In Proceedings of the 2010 Twenty-Fifth Annual IEEE Applied Power Electronics Conference and Exposition (APEC), Palm Springs, CA, USA, 21–25 February 2010; pp. 1659–1665. [Google Scholar]
- Kim, H.; Kim, K.-H. Filter Design for Grid Connected PV Inverters. In Proceedings of the 2008 IEEE International Conference on Sustainable Energy Technologies, Singapore, 24–27 November 2008; IEEE: Piscataway, NJ, USA, 2008; pp. 1070–1075. [Google Scholar]
- Ferroxcube Data Handbook 2013. Available online: https://www.ferroxcube.com/en-global/download/download/11 (accessed on 16 April 2023).
- Ayachit, A.; Kazimierczuk, M.K. Thermal Effects on Inductor Winding Resistance at High Frequencies. IEEE Magn. Lett. 2013, 4, 0500304. [Google Scholar] [CrossRef]
- Kandeel, Y.M.; Orabi, M.; El-Nemr, M.K.; Youssef, M. Prediction of Inductor AC Power Loss in PSiP Buck Converter Based on Steinmetz Parameters. In Proceedings of the 2014 IEEE 36th International Telecommunications Energy Conference (INTELEC), Vancouver, BC, USA, 28 September–2 October 2014; IEEE: Piscataway, NJ, USA, 2014; pp. 1–8. [Google Scholar]
- Graovac, D.D.; Pürschel, M.; Kiep, A. MOSFET Power Losses Calculation Using the Data—Sheet Parameters. Infineon Appl. Note 2006, 1, 1–23. [Google Scholar]
- Guo, J.; Ge, H.; Ye, J.; Emadi, A. Improved Method for MOSFET Voltage Rise-Time and Fall-Time Estimation in Inverter Switching Loss Calculation. In Proceedings of the 2015 IEEE Transportation Electrification Conference and Expo (ITEC), Dearborn, MI, USA, 14–17 June 2015; IEEE: Piscataway, NJ, USA, 2015; pp. 1–6. [Google Scholar]
- Sahoo, S.K.; Bhattacharya, T. Phase-Shifted Carrier-Based Synchronized Sinusoidal PWM Techniques for a Cascaded H-Bridge Multilevel Inverter. IEEE Trans. Power Electron. 2018, 33, 513–524. [Google Scholar] [CrossRef]
- Bertin, T.; Despesse, G.; Thomas, R. Cascaded H-Bridge Multilevel Inverter with a Distributed Control System for Solar Applications. In Proceedings of the 2022 Smart Systems Integration (SSI), Grenoble, France, 26–28 April 2022; IEEE: Piscataway, NJ, USA, 2022; pp. 1–4. [Google Scholar]
- Kjaer, S.B.; Pedersen, J.K.; Blaabjerg, F. A Review of Single-Phase Grid-Connected Inverters for Photovoltaic Modules. IEEE Trans. Ind. Applicat. 2005, 41, 1292–1306. [Google Scholar] [CrossRef]
- Yao, K.; Cao, C.; Yang, S. Noninvasive Online Condition Monitoring of Output Capacitor’s ESR and C for a Flyback Converter. IEEE Trans. Instrum. Meas. 2017, 66, 3190–3199. [Google Scholar] [CrossRef]










| Design Constraints | Name | Value | Component |
|---|---|---|---|
| DC-link Voltage Ripple | 4% of | Capacitor | |
| Output Current Ripple | 10% of | Inductor | |
| Conduction Losses | 1% of | MOSFET + Driver | |
| Switching Losses | 1% of | MOSFET | |
| Junction temperature of the MOSFETs | <100 °C | Heatsink |
| Solar Module (LR460HPH365M) | Name | Value |
|---|---|---|
| Rated Power | ||
| Optimum voltage (1000 W/m2, 25 °C) | ||
| Optimum voltage (100 W/m2, 25 °C) | ||
| Optimum current (1000 W/m2, 25 °C) | ||
| Open-circuit voltage | ||
| Grid parameters | Name | Value |
| RMS Grid voltage | ||
| Grid voltage tolerance | ||
| Inverter parameters | Name | Value |
| Number of solar panels | ||
| Output power | 4706 W | |
| RMS Output current | 20.46 A |
| Case Dimensions (mm) | ESR | Number of Capacitors in Parallel | |
|---|---|---|---|
| 47 | 25 × 25 | 2.47 | 21 |
| 56 | 25 × 30 | 2.07 | 17 |
| 68 | 25 × 35 | 1.70 | 14 |
| 82 | 25 × 35 | 1.42 | 12 |
| 100 | 25 × 40 | 1.16 | 10 |
| 120 | 25 × 50 | 0.97 | 8 |
| 150 | 25 × 55 | 0.77 | 7 |
| 180 | 30 × 45 | 0.64 | 6 |
| 220 | 30 × 55 | 0.53 | 5 |
| 270 | 35 × 50 | 0.43 | 4 |
| Inverter Parameters | Name | Value | Reference | Series Resistance |
|---|---|---|---|---|
| L-Filter | / | E71/33/32 (×4) | ||
| DC-link capacitor | / | B43541 (×21) | (of a single capacitor) | |
| Switching frequency | 20 kHz |
| Parameters of the NTHL040N65S3F | |||
|---|---|---|---|
| Inverter Parameters | Name | Value | Reference | Series Resistance |
|---|---|---|---|---|
| L-Filter | / | E42/33/20 (×2) | ||
| DC-link capacitor | / | B41505 (4 in parallel per module, 52 in total) | (ESR of a single capacitor) | |
| Switching frequency | 20 kHz |
| Parameters of the DMTH6004SK3 | |||
|---|---|---|---|
| Topology | Capacitance per H-Bridge | Number of Capacitor | Capacitor Losses |
|---|---|---|---|
| Conventional H-Bridge | / | 21 | 4.5 W |
| CHBMLI | / | 52 | 8.8 W |
| Topology | Inductor | Magnetic Core | |
|---|---|---|---|
| Conventional H-Bridge | / | E71/33/32 (×4) | 21.6 W |
| CHBMLI | / | E42/33/20 (×2) | 1.67 W |
| Topology | Copper Cost (weight) | Magnetic Core Cost | Total cost |
| Conventional H-Bridge | $21.2 (2.28 kg) | $48 | $69.2 |
| CHBMLI | $2.5 (0.27 kg) | $3.4 | $6.0 |
| Conventional H-Bridge | CHBMLI | |||||
|---|---|---|---|---|---|---|
| Reference | Number | Cost | Reference | Number | Cost | |
| MOSFETs | NTHL040N65S3F | 4 | $44 | DMTH6004SK3 | 52 | $27 |
| Driver | UCC21520 | 2 | $6 | MIC4606 | 13 | $28 |
| Heatsink | 109AB1500B | 1 | $17 | |||
| Total | $67 | $45 | ||||
| Conventional H-Bridge | CHBMLI | |
|---|---|---|
| MOSFETs-Conduction Losses | 43 W | 43 W |
| MOSFETs-Switching Losses | 43 W | 5 W |
| Temperature rise per MOSFET | 75 °C | 36 °C |
| Cost of MOSFETs (+driver + heatsink) | $67 | $45 |
| Capacitor-Losses | 4.5 W | 8.5 W |
| Inductor-Losses | 21.6 W | 1.7 W |
| Inductor-Cost | $69.2 | $6.0 |
| Peak efficiency | 98.2% | 99.0% |
Disclaimer/Publisher’s Note: The statements, opinions and data contained in all publications are solely those of the individual author(s) and contributor(s) and not of MDPI and/or the editor(s). MDPI and/or the editor(s) disclaim responsibility for any injury to people or property resulting from any ideas, methods, instructions or products referred to in the content. |
© 2023 by the authors. Licensee MDPI, Basel, Switzerland. This article is an open access article distributed under the terms and conditions of the Creative Commons Attribution (CC BY) license (https://creativecommons.org/licenses/by/4.0/).
Share and Cite
Bertin, T.; Despesse, G.; Thomas, R. Comparison between a Cascaded H-Bridge and a Conventional H-Bridge for a 5-kW Grid-Tied Solar Inverter. Electronics 2023, 12, 1929. https://doi.org/10.3390/electronics12081929
Bertin T, Despesse G, Thomas R. Comparison between a Cascaded H-Bridge and a Conventional H-Bridge for a 5-kW Grid-Tied Solar Inverter. Electronics. 2023; 12(8):1929. https://doi.org/10.3390/electronics12081929
Chicago/Turabian StyleBertin, Thibault, Ghislain Despesse, and Remy Thomas. 2023. "Comparison between a Cascaded H-Bridge and a Conventional H-Bridge for a 5-kW Grid-Tied Solar Inverter" Electronics 12, no. 8: 1929. https://doi.org/10.3390/electronics12081929
APA StyleBertin, T., Despesse, G., & Thomas, R. (2023). Comparison between a Cascaded H-Bridge and a Conventional H-Bridge for a 5-kW Grid-Tied Solar Inverter. Electronics, 12(8), 1929. https://doi.org/10.3390/electronics12081929

