Fault Detection and Zonal Protection Strategy of Multi-Voltage Level DC Grid Based on Fault Traveling Wave Characteristic Extraction
Abstract
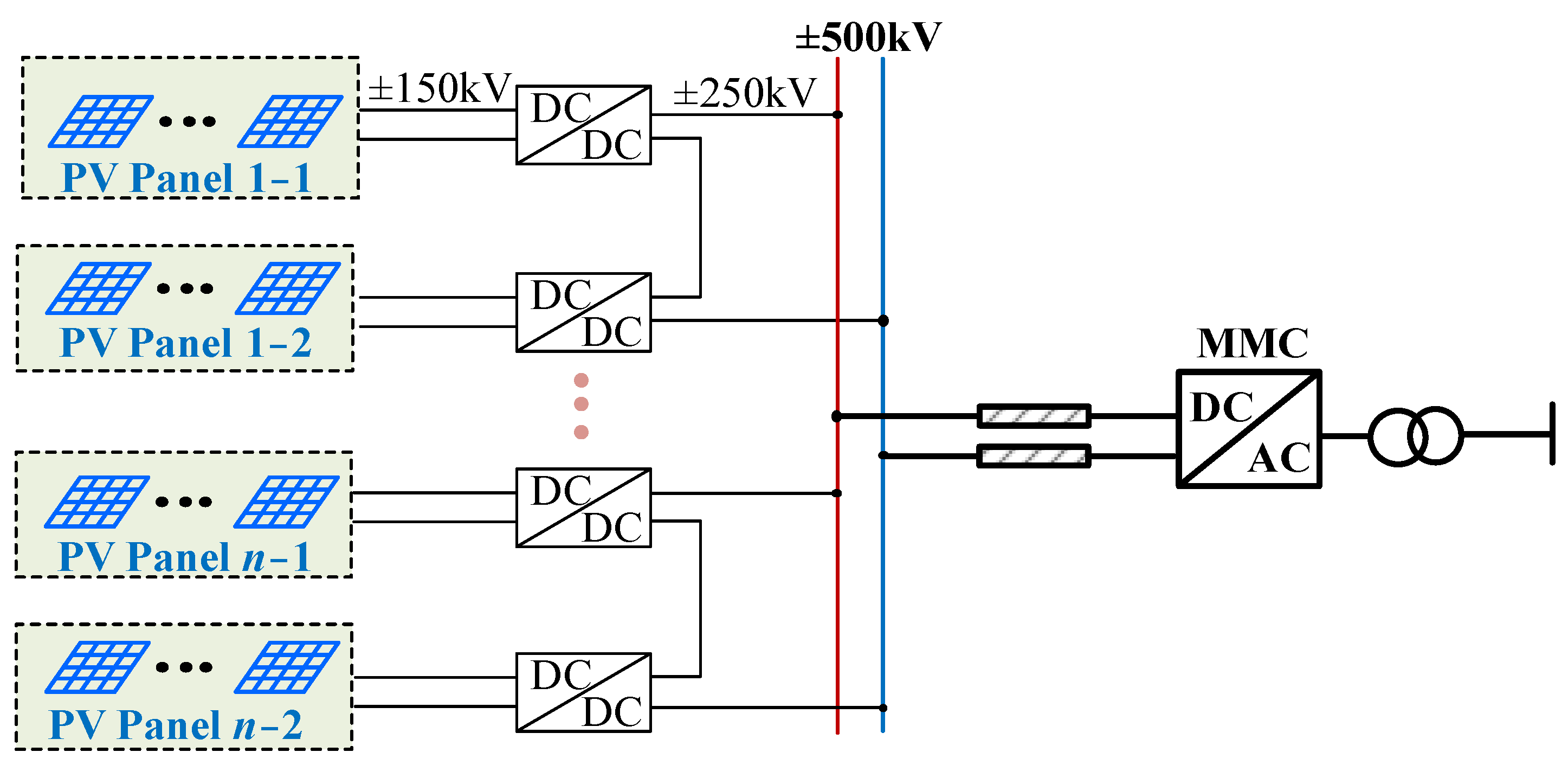
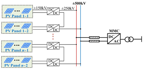
1. Introduction
- According to the analysis of traveling wave characteristics of a multi-voltage DC power network, a fault detection method based on a single-ended modulus reverse traveling wave is proposed.
- A fault-clearing scheme considering the incomplete configuration of DCCBs in multi-voltage DC networks is proposed. This scheme utilizes the fault-clearing capability of the converter, which greatly saves the cost of multi-voltage DC networks.
2. Fault Detection and Identification Method for HVDC Grid Based on Traveling Wave Protection
2.1. Fault Traveling Wave Characteristics of DC Grid
2.2. Method of Extraction of Fault Traveling Wave Characteristics
2.3. The Overall Process of Traveling Wave Protection
- (1)
- The bipolar voltage and current are collected at a sampling rate of 200 kHz.
- (2)
- Based on the starting algorithm, polar-mode transformation is performed on the sampled voltage signal.
- (3)
- The mutation amount is compared with the start threshold to determine whether or not to send a start signal. Protection starts when all three consecutive values, Δu1(k), Δu1(k + 1), and Δu1(k + 2), are greater than the start-up threshold, TH1; otherwise, step (1) is returned to. The protection activation criterion is shown in Equation (11).
- (4)
- When the protection starts, the zero-mode and polar-mode reverse-voltage traveling waves are calculated.
- (5)
- The wavelet transform is performed on the zero-mode and polar-mode inverse-voltage traveling waves and the mode maximum value is obtained. The discriminant formula is shown in Equation (12) to determine whether or not it is a fault in the zone based on the mode maximum value of the reverse-voltage of the polar mode. If it is a fault in the area, then step (6) is performed; otherwise, the process is ended.
- (6)
- If it is judged to be a fault in the area, then whether or not it is noise interference is determined. If it is not noise interference, fault line pole selection is carried out and the discriminant formula is shown in Equation (13); otherwise, the process is ended [22].
3. Zonal Protection Strategy for DC Grid
3.1. Introduction of Zonal Protection
3.2. Influence of DC Network Zonal Protection
3.2.1. Impact of DCZ Failure on ACZi
3.2.2. Impact of DCZ Failure on DCZj
3.3. DC Network Zonal Principles
4. Time Sequence Coordination Strategy for DC Grid Zonal Protection
- (1)
- t0: the time when a DC line fault occurs.
- (2)
- t0–t1: The protection system detects the fault, the fault DC area boundary protection element acts to complete fault DC area isolation. This time period is the DC area fault breaking time, tc.
- (3)
- t1–t2: the time period for DC line deionization.
- (4)
- t2–t3: The time period over which the faulted DC area restarts prejudgment which is used to determine whether or not the faulted DC area can be restarted directly.
- (5)
- t3–t4: the time period over which the converter with fault self-clearing capability blocks or AC circuit breaker trips when reclosing upon permanent fault.
- (6)
- t4–t5: when the system determines that the fault type is a permanent fault, and FDs on both sides of the faulty DC line act to complete the removal of the faulty line.
- (7)
- t5–t6: sequential unlocking and restarting time of the converter in the faulty DC area.
- (8)
- t6–t7: when the DC circuit breaker or DC/DC converter with self-clearing capability between the faulted DC area and the rest of the connected DC area is reclosed.
5. Simulation Verification
5.1. Internal Zone and External Zone DC Fault under Four-Terminal DC Grid
5.2. DC Fault Occurs in DCZ1 under Seven-Terminal DC Grid
5.3. DC Fault Occurs in DCZ3 under Seven-Terminal DC Grid
6. Conclusions
Author Contributions
Funding
Institutional Review Board Statement
Informed Consent Statement
Data Availability Statement
Conflicts of Interest
Abbreviations
| HVDC | high voltage DC |
| FD | fast disconnector |
| FCL | fault current limiter |
| DCCB | DC circuit breaker |
| WTMM | Wavelet transform modulus maximum |
| DCZ | DC zone |
| ACZ | AC zone |
References
- Jiang, Q.; Li, B.; Zhang, Y.; Wang, Z.; Liu, T.; Wang, T.; Zhang, M. Analysis of power flow transfer characteristics and stability improvement method of DC grid considering converter’s safety boundary. Energy Rep. 2023, 9, 1720–1730. [Google Scholar] [CrossRef]
- Xiao, F.; Cao, K.; Tang, J.; Liu, D.; Rao, Y.; Xiong, P. Study on coordinated multi-objective reactive control system of AC/DC power grid based on new-generation synchronous condenser. Energy Rep. 2023, 9, 2140–2148. [Google Scholar] [CrossRef]
- Yuan, S.; Yan, J.; Yu, Y.; Zhao, C.; Su, G.; Li, X. Calculation method of short-circuit fault current in flexible DC grid. Energy Rep. 2022, 8, 461–468. [Google Scholar] [CrossRef]
- Dantas, R.; Liang, J.; Ugalde-Loo, C.E.; Adamczyk, A.; Barker, C.; Whitehouse, R. Progressive Fault Isolation and Grid Restoration Strategy for MTDC Networks. IEEE Trans. Power Deliv. 2017, 33, 909–918. [Google Scholar] [CrossRef]
- Wang, S.; Ugalde-Loo, C.E.; Li, C.; Liang, J.; Adeuyi, O.D. Bridge-Type Integrated Hybrid DC Circuit Breakers. IEEE J. Emerg. Sel. Top. Power Electron. 2019, 8, 1134–1151. [Google Scholar] [CrossRef]
- Xu, J.; Song, B.; Lu, Y.; Zhao, C.; Li, G.; Liang, J. A Multi-Port Current-Limiting Hybrid DC Circuit Breaker. IEEE Trans. Power Deliv. 2020, 36, 1672–1682. [Google Scholar] [CrossRef]
- Kong, L.; Nian, H. Parameters Selection Method of Circuit Breaker and Fault Current Limiter in Mesh-Type DC Microgrid. IEEE Access 2021, 9, 35514–35523. [Google Scholar] [CrossRef]
- Keshavarzi, D.; Farjah, E.; Ghanbari, T. Hybrid DC Circuit Breaker and Fault Current Limiter with Optional Interruption Capability. IEEE Trans. Power Electron. 2017, 33, 2330–2338. [Google Scholar] [CrossRef]
- Diao, X.; Liu, F.; Song, Y.; Xu, M.; Zhuang, Y.; Zha, X. A Novel Fault Ride-Through Topology with High Efficiency and Fast Fault Clearing Capability for MVdc PV System. IEEE Trans. Ind. Electron. 2022, 70, 1501–1511. [Google Scholar] [CrossRef]
- Yan, S.; He, Z.; Yang, J.; Kong, M.; Hu, M. Optimized Protection Strategies for HVDC Grid with Fault-blocking Modular Multilevel Converters for Overhead Line Applications. J. Mod. Power Syst. Clean Energy 2020, 8, 1168–1177. [Google Scholar] [CrossRef]
- Kontos, E.; Schultz, T.; Mackay, L.; Ramirez-Elizondo, L.; Bauer, P. Multi-Line Breaker for HVdc Applications. IEEE Trans. Power Deliv. 2017, 33, 1469–1478. [Google Scholar] [CrossRef]
- Li, C.; Liang, J.; Wang, S. Interlink hybrid DC circuit breaker. IEEE Trans. Ind. Electron. 2018, 65, 8677–8686. [Google Scholar] [CrossRef]
- Rahman, M.H.; Xu, L.; Yao, L. DC Fault Protection Strategy Considering DC Network Partition. In Proceedings of the 2016 IEEE Power and Energy Society General Meeting (PESGM), Boston, MA, USA, 17–21 July 2016. [Google Scholar]
- Yang, Y.; Huang, C.; Zhou, D.; Li, Y. Fault detection and location in multi-terminal DC microgrid based on local measurement. Electr. Power Syst. Res. 2021, 194, 107047. [Google Scholar] [CrossRef]
- Dommel, B. EMTP Theory Book; Microtran Power System Analysis Corporation: Vancouver, BC, Canada, 1996. [Google Scholar]
- Zhang, Y.; Tai, N.; Xu, B. Fault Analysis and Traveling-Wave Protection Scheme for Bipolar HVDC Lines. IEEE Trans. Power Deliv. 2012, 27, 1583–1591. [Google Scholar] [CrossRef]
- Chen, L.; Pei, X.; Wei, X.; Li, P.; Tang, G. An effective ultra-high-speed identification scheme of lightning strokes suitable for VSC-based DC grids. CSEE J. Power Energy Syst. 2022, 1–13. [Google Scholar] [CrossRef]
- Lan, T.; Xiao, H.; Li, Y.; Chen, J. Enhanced Current Differential Protection for HVDC Grid Based on Bergeron Model: A Parameter Error Tolerable Solution. IEEE Trans. Power Deliv. 2020, 36, 1869–1881. [Google Scholar] [CrossRef]
- Dong, Z.; Xie, H.; Han, P.; Wang, N.-L.; Jia, Z.-Z. Denoising Realization Based on Wavelet Transform Modulus Maximum. In Proceedings of the 2005 International Conference on Machine Learning and Cybernetics, Guangzhou, China, 18–21 August 2005; Volume 3, pp. 1472–1476. [Google Scholar] [CrossRef]
- Ke, L.; Houjun, W. A Novel Wavelet Transform Modulus Maxima Based Method of Measuring Lipschitz Exponent. In Proceedings of the 2007 International Conference on Communications, Circuits and Systems, Kokura, Japan, 11–13 July 2007; pp. 628–632. [Google Scholar] [CrossRef]
- Ikhide, M.; Tennakoon, S.; Griffiths, A.; Ha, H. Aspects of Travelling Wave Based Protection Philosophy for Consideration in DC Grids of the Future. In Proceedings of the 2019 IEEE 15th Brazilian Power Electronics Conference and 5th IEEE Southern Power Electronics Conference (COBEP/SPEC), Santos, Brazil, 1–4 December 2019; pp. 1–6. [Google Scholar] [CrossRef]
- Zhang, D.; Wu, C.; He, J.; Ni, P. A novel protection scheme for MMC-MTDC transmission lines based on fault coefficient. CSEE J. Power Energy Syst. 2022, 1–8. [Google Scholar] [CrossRef]
- Assis, K.; Almeida, R.; Reed, M.; Santos, A.; Dinarte, H.; Chaves, D.; Li, H.; Yan, S.; Nejabati, R.; Simeonidou, D. Protection by diversity in elastic optical networks subject to single link failure. Opt. Fiber Technol. 2023, 75, 103208. [Google Scholar] [CrossRef]
- Jejurkar, P.D.; Awale, R. Effectiveness of hybrid differential-adaptive overcurrent protection scheme for microgrid. Mater. Today Proc. 2022, 69, 592–602. [Google Scholar] [CrossRef]
- Li, T.; Li, Y.; Zhu, Y.; Liu, N.; Chen, X. DC fault current approximation and fault clearing methods for hybrid LCC-VSC HVDC networks. Int. J. Electr. Power Energy Syst. 2022, 143, 108467. [Google Scholar] [CrossRef]
- Xue, S.; Liu, B.; Wang, S.; Chen, X.; Zhu, X.; Lu, J. A modular hybrid DC circuit breaker with fault current self-adaptive control and protection coordination. Int. J. Electr. Power Energy Syst. 2021, 134, 107434. [Google Scholar] [CrossRef]
- Xu, Y.; Zhang, Y.; Qin, L.; Liu, K.; Blaabjerg, F. Quantitative criteria of considering AC infeed in DC fault assessment of modular multilevel converters. Int. J. Electr. Power Energy Syst. 2022, 141, 107874. [Google Scholar] [CrossRef]
- Xi, J.; Pei, X.; Song, W.; Niu, L.; Liu, Y.; Zeng, X. Integration of superconducting fault current limiter with solid-state DC circuit breaker. Int. J. Electr. Power Energy Syst. 2023, 145, 108630. [Google Scholar] [CrossRef]
- Haseeb, M.; Thomas, M.J. Disconnector switching induced transient voltage and radiated fields in a 1100 kV gas insulated substation. Electr. Power Syst. Res. 2018, 161, 86–94. [Google Scholar] [CrossRef]
- Yu, Z.; Niu, S.; Huo, C.; Chen, N.; Song, K.; Wang, X.; Bai, Y. Multi-objective partition planning for multi-infeed HVDC system. Glob. Energy Interconnect. 2021, 4, 81–90. [Google Scholar] [CrossRef]
- Tang, S.; Chen, M.; Jia, G.; Zhang, C.; Jiang, F.; He, Z.; Yang, H.; Li, W. Centralized Locating Strategy of Fault Current Limiters in MMC-Based Multiterminal HVdc Grid. IEEE J. Emerg. Sel. Top. Power Electron. 2020, 9, 7032–7044. [Google Scholar] [CrossRef]
- Liang, H.; Li, H.; Wang, G. A Single-Phase-to-Ground Fault Detection Method Based on the Ratio Fluctuation Coefficient of the Zero-Sequence Current and Voltage Differential in a Distribution Network. IEEE Access 2023, 11, 7297–7308. [Google Scholar] [CrossRef]
























| Elements Type | Time |
|---|---|
| Converter with self-clearing capability or DC/DC converter | <5 ms |
| Hybrid DC circuit breaker | 3–6 ms |
| AC circuit breaker | 40–50 ms |
| FD | ≤10 ms |
| Voltage Level | Converter | Capacity/MVA | Parameters |
|---|---|---|---|
| ±400 kV | Cm-F1 | 1600 | P = 1000 MW, Q = 0 |
| Cm-F2 | 1600 | Vdc = 800 kV, Q = 0 | |
| Cm-F3 | 1600 | P = −600 MW, Q = 0 | |
| Cm-F4 | 1600 | P = 800 MW, Q = 0 | |
| DC/DC | Cd-E1 | 800 | HV:f = 50 Hz, Q = 0 LV:Vdc = 400 kV, Q = 0 |
| ±200 kV | Cb-H1 | 800 | P = −300 MW, Q = 0 |
| Cb-H2 | 800 | P = −500 MW, Q = 0 | |
| Cb-H3 | 800 | P = 700 MW, Q = 0 |
| DC Line | L1 | L2 | L3 | L4 | L5 | L6 | L7 |
|---|---|---|---|---|---|---|---|
| Length/km | 100 | 150 | 200 | 300 | 200 | 150 | 100 |
| Section | Simulation Structure | Fault Position | Fault Type | Purpose of Simulation |
|---|---|---|---|---|
| Section 5.1 | 4-terminal | Internal fault | DC line L1 | Verify the local detection method |
| External fault | DC line L2 | |||
| Section 5.2 | 7-terminal | DCZ1 | DC line L2 | Verify the zonal protection method |
| Section 5.3 | 7-terminal | DCZ3 | DC line L6 | Verify the zonal protection method |
Disclaimer/Publisher’s Note: The statements, opinions and data contained in all publications are solely those of the individual author(s) and contributor(s) and not of MDPI and/or the editor(s). MDPI and/or the editor(s) disclaim responsibility for any injury to people or property resulting from any ideas, methods, instructions or products referred to in the content. |
© 2023 by the authors. Licensee MDPI, Basel, Switzerland. This article is an open access article distributed under the terms and conditions of the Creative Commons Attribution (CC BY) license (https://creativecommons.org/licenses/by/4.0/).
Share and Cite
Han, Y.; Ma, R.; Li, T.; Zeng, W.; Liu, Y.; Wang, Y.; Guo, C.; Liao, J. Fault Detection and Zonal Protection Strategy of Multi-Voltage Level DC Grid Based on Fault Traveling Wave Characteristic Extraction. Electronics 2023, 12, 1764. https://doi.org/10.3390/electronics12081764
Han Y, Ma R, Li T, Zeng W, Liu Y, Wang Y, Guo C, Liao J. Fault Detection and Zonal Protection Strategy of Multi-Voltage Level DC Grid Based on Fault Traveling Wave Characteristic Extraction. Electronics. 2023; 12(8):1764. https://doi.org/10.3390/electronics12081764
Chicago/Turabian StyleHan, Yuqi, Ruiguang Ma, Ting Li, Wenhui Zeng, Yangtao Liu, Yuhong Wang, Chunsheng Guo, and Jianquan Liao. 2023. "Fault Detection and Zonal Protection Strategy of Multi-Voltage Level DC Grid Based on Fault Traveling Wave Characteristic Extraction" Electronics 12, no. 8: 1764. https://doi.org/10.3390/electronics12081764
APA StyleHan, Y., Ma, R., Li, T., Zeng, W., Liu, Y., Wang, Y., Guo, C., & Liao, J. (2023). Fault Detection and Zonal Protection Strategy of Multi-Voltage Level DC Grid Based on Fault Traveling Wave Characteristic Extraction. Electronics, 12(8), 1764. https://doi.org/10.3390/electronics12081764

