An Inductive Isolation-Based 10 kV Modular Solid Boost-Marx Pulse Generator
Abstract
1. Introduction
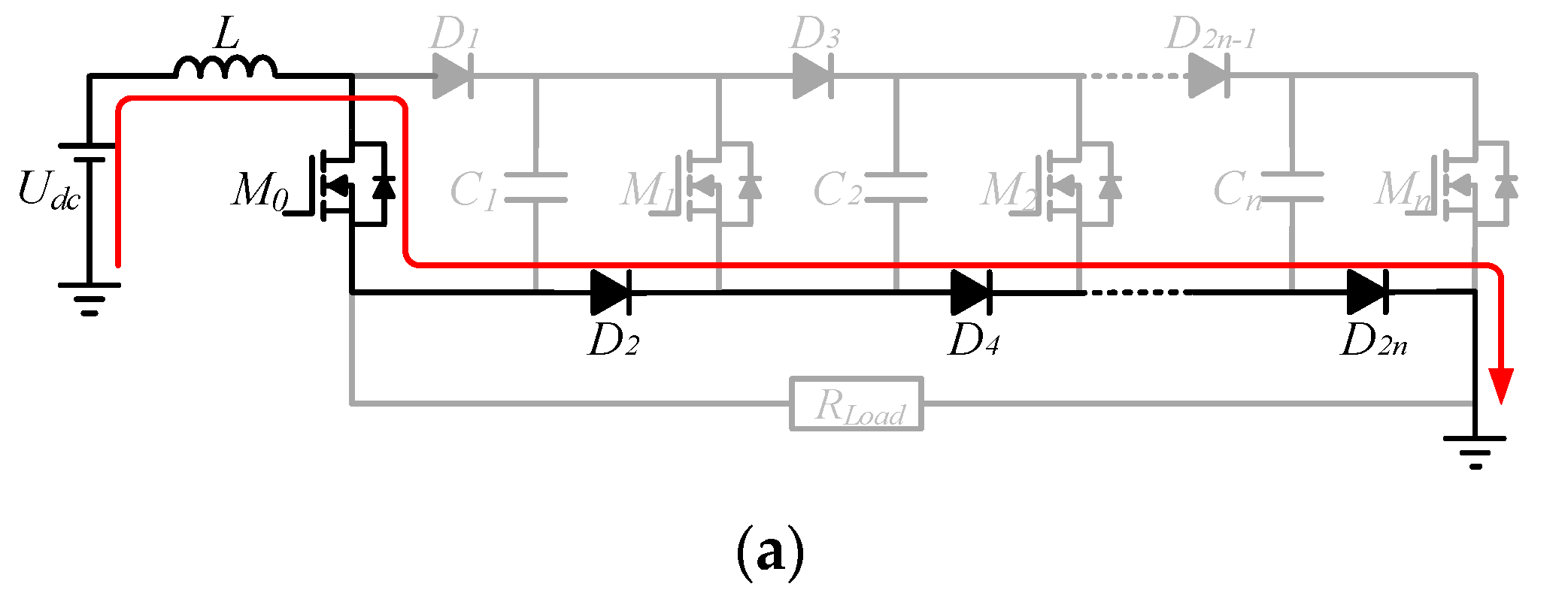
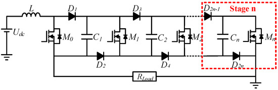
2. Topology and Operation Principle of Proposed Boost-Marx Pulse Generator
2.1. Mode 1 [0, t1]
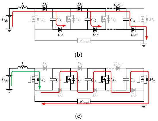
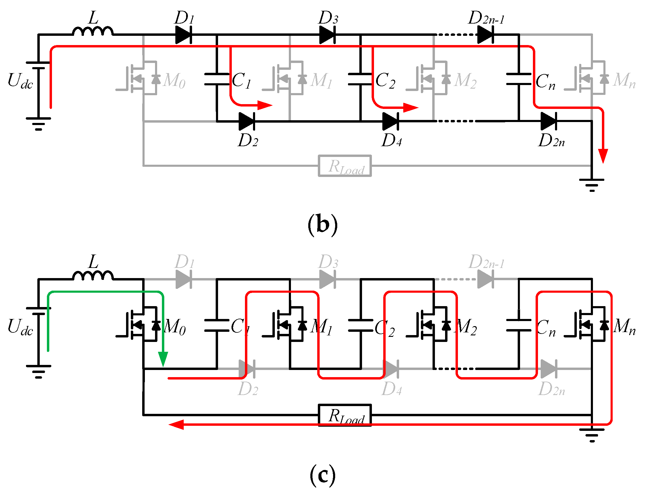
2.2. Mode 2 [t1, t2]
2.3. Mode 3 [t2, t3]
2.4. Mode 4 [t3, t4]
3. Parameter Selection and Comparative Analysis
3.1. Parameter Selection
3.2. Comparative Analysis
4. Simulation Results
5. Experimental Results
6. Conclusions
- (1)
- This article uses an inductive isolator on the basis of the traditional Marx circuit, and with the addition of only one solid-state switch to increase the gain of the output voltage pulse.
- (2)
- BMPG completes the isolation between the pulse generator and the DC power supply, reducing the voltage amplitude requirements of the DC power supply, and the entire system is modular and scalable.
- (3)
- The amplitude of the output pulse can be adjusted by varying the duty cycle D, and a new control method is proposed to make the adjustment more flexible. This provides a basis for the closed-loop control of the pulse power supply in the future.
Author Contributions
Funding
Data Availability Statement
Acknowledgments
Conflicts of Interest
References
- Lv, Y.; Yao, C.; Rubinsky, B. A 2-D Cell Layer Study on Synergistic Combinations of High-Voltage and Low-Voltage Irreversible Electroporation Pulses. IEEE Trans. Biomed. Eng. 2020, 67, 957–965. [Google Scholar] [CrossRef]
- Zeng, W.; Yu, L.; Dong, S.; Ma, J.; Wang, Y.; He, Y.; Wang, X.; Yao, C. A Novel High-Frequency Bipolar Pulsed Power Generator for Biological Applications. IEEE Trans. Power Electron. 2020, 35, 12861–12870. [Google Scholar] [CrossRef]
- Petr, R.; Reilly, D.; Freshman, J.; Orozco, N.; Pham, D.; Ngo, L.; Mangano, J. Solid-state pulsed power for driving a high-power dense plasma focus x-ray source. Rev. Sci. Instrum. 2000, 71, 1360–1362. [Google Scholar] [CrossRef]
- Yamamoto, A.; Kawano, Y.; Nakai, M.; Nakagawa, T.; Sakugawa, T.; Hosseini, H.; Akiyama, H. Investigation of gas flow dependence of plasma jet produced by pulsed power. IEEE Trans. Plasma Sci. 2015, 43, 3451–3455. [Google Scholar] [CrossRef]
- Elserougi, A.A.; Faiter, M.; Massoud, A.M.; Ahmed, S. A Transformerless Bipolar/Unipolar High-Voltage Pulse Generator With Low-Voltage Components for Water Treatment Applications. IEEE Trans. Ind. Appl. 2017, 53, 2307–2319. [Google Scholar] [CrossRef]
- Zhang, S.; Wang, W.C.; Jiang, P.C.; Yang, D.Z.; Jia, L.; Wang, S. Comparison of atmospheric air plasmas excited by high-voltage nanosecond pulsed discharge and sinusoidal alternating current discharge. J. Appl. Phys. 2013, 114, 163301. [Google Scholar] [CrossRef]
- Jiang, J.; Shao, S.; Zhang, C.; Li, W.; Yan, P.; Che, X.; Schamiloglu, E. Experimental study of Q-V Lissajous figures in nanosecond-pulse surface discharges. IEEE Trans. Dielectr. Electr. Insul. 2013, 20, 1101–1111. [Google Scholar] [CrossRef]
- Xie, Q.; Gan, W.; Zhang, C.; Che, X.; Yan, P.; Shao, T. Effect of rise time on nanosecond pulsed surface dielectric barrier discharge actuator. IEEE Trans. Dielectr. Electr. Insul. 2019, 26, 346–352. [Google Scholar] [CrossRef]
- Benard, N.; Zouzou, N.; Claverie, A.; Sotton, J.; Moreau, E. Optical visualization and electrical characterization of fast-rising pulsed dielectric barrier discharge for airflow control applications. J. Appl. Phys. 2012, 111, 033303. [Google Scholar] [CrossRef]
- Tao, Y.; Li, S.; Li, Q.; Tian, Y.; Wang, Z.; Cheng, F. Study on the influence of core material on the performance of nanosecond pulse power supply. In Proceedings of the 2017 1st International Conference on Electrical Materials and Power Equipment (ICEMPE), Xi’an, China, 14–17 May 2017; pp. 122–127. [Google Scholar]
- Li, S.; Gao, J.; Yang, H.; Zhu, D.; Qian, B.; Cui, Y.; Han-Wu, Y.; Zhang, J. Investigation on Adjustable Magnetic Pulse Compressor in Power Supply System. IEEE Trans. Power Electron. 2019, 34, 1540–1547. [Google Scholar] [CrossRef]
- Yu, L.; Jiu, Z.; Sugai, T.; Tokuchi, A.; Jiang, W. Pulsed Voltage Adder Topology Based on Inductive Blumlein Lines. IEEE Trans. Plasma Sci. 2018, 46, 1816–1820. [Google Scholar] [CrossRef]
- He, Y.; Ma, J.; Yu, L.; Dong, S.; Gao, L.; Zeng, W.; Yao, C. 10-MHz High-Power Pulse Generator on Boost Module. IEEE Trans. Ind. Electron. 2020, 68, 6286–6296. [Google Scholar] [CrossRef]
- Kazemi, M.R.; Sugai, T.; Tokuchi, A.; Jiang, W. Waveform Control of Pulsed-Power Generator Based on Solid-State LTD. IEEE Trans. Plasma Sci. 2016, 45, 247–251. [Google Scholar] [CrossRef]
- Redondo, L.; Silva, J.; Tavares, P.; Margato, E. High-voltage high-frequency Marx-bank type pulse generator using integrated power semiconductor half-bridges. In Proceedings of the 2005 European Conference on Power Electronics and Applications, Dresden, Germany, 11–14 September 2005; p. 8. [Google Scholar]
- Yao, C.; Zhang, X.; Guo, F.; Dong, S.; Mi, Y.; Sun, C. FPGA-Controlled All-Solid-State Nanosecond Pulse Generator for Biological Applications. IEEE Trans. Plasma Sci. 2012, 40, 2366–2372. [Google Scholar] [CrossRef]
- Zeng, W.; Yao, C.; Dong, S.; Wang, Y.; Ma, J.; He, Y.; Yu, L. Self-Triggering High-Frequency Nanosecond Pulse Generator. IEEE Trans. Power Electron. 2020, 35, 8002–8012. [Google Scholar] [CrossRef]
- Shi, H.; Lu, Y.; Gu, T.; Qiu, J.; Liu, K. High-voltage pulse waveform modulator based on solid-state Marx generator. IEEE Trans. Dielectr. Electr. Insul. 2015, 22, 1983–1990. [Google Scholar] [CrossRef]
- Zabihi, S.; Zare, F.; Ledwich, G.; Ghosh, A.; Akiyama, H. A new family of marx generators based on commutation circuits. IEEE Trans. Dielectr. Electr. Insul. 2011, 18, 1181–1188. [Google Scholar] [CrossRef]
- Zabihi, S.; Zabihi, Z.; Zare, F. A Solid-State Marx Generator With a Novel Configuration. IEEE Trans. Plasma Sci. 2011, 39, 1721–1728. [Google Scholar] [CrossRef]
- Darwish, A.; Elgenedy, M.A.A.; Finney, S.J.; Williams, B.W.; McDonald, J.R. A Step-Up Modular High-Voltage Pulse Generator Based on Isolated Input-Parallel/Output-Series Voltage-Boosting Modules and Modular Multilevel Submodules. IEEE Trans. Ind. Electron. 2017, 66, 2207–2216. [Google Scholar] [CrossRef]
- Banaei, R.; Khiz, A. New modular high-voltage pulse generator based on SEPIC converter for electroporation applications. IET Power Electron. 2020, 13, 3072–3080. [Google Scholar] [CrossRef]
- Zhou, X.; Zhang, Z.; Dong, S.; Yu, L.; Liu, J.; Qiao, X.; Yao, C. High Voltage Pulse Generator Based on a Novel Magnetic Isolated Drive Circuit. IEEE Trans. Power Electron. 2022, 37, 8157–8166. [Google Scholar] [CrossRef]
- Khosravi, R.; Rezanejad, M. A New Pulse Generator With High Voltage Gain and Reduced Components. IEEE Trans. Ind. Electron. 2019, 66, 2795–2802. [Google Scholar] [CrossRef]
- Talooki, M.F.; Rezanejad, M.; Khosravi, R.; Samadaei, E. A Novel High Step-Up Switched-Capacitor Multilevel Inverter With Self-Voltage Balancing. IEEE Trans. Power Electron. 2021, 36, 4352–4359. [Google Scholar] [CrossRef]
- Ram, S.K.; Devassy, S.; Lakshmanan, P.; Mishra, S. High-Voltage Bipolar Pulsed Power Supply for Mercury-free Far UV-C Excimer Radiation Source. In Proceedings of the 2022 IEEE 10th Power India International Conference (PIICON), New Delhi, India, 25–27 November 2022; pp. 1–5. [Google Scholar] [CrossRef]
- Taherian, M.; Allahbakhshi, M.; Farjah, E.; Givi, H. A Modular Topology of Marx Generator Using Buck–Boost Converter. IEEE Trans. Plasma Sci. 2019, 47, 549–558. [Google Scholar] [CrossRef]
- Malviya, D.; Veerachary, M. A Boost Converter-Based High-Voltage Pulsed-Power Supply. IEEE Trans. Ind. Appl. 2020, 56, 5222–5233. [Google Scholar] [CrossRef]
- Ren, X.; Sugai, T.; Tokuchi, A.; Jiang, W. Solid-State Marx Generator Circuit With Inductive Booster. IEEE Trans. Plasma Sci. 2020, 49, 378–382. [Google Scholar] [CrossRef]
- Abdel-Azim, W.E.; Elserougi, A.A.; Hossam-Eldin, A.A. A Voltage-Doubler/Marx-Generator-Based Multi-Module High-Voltage Pulse Generator with High-Frequency Charger for Electrostatic Precipitators. In Proceedings of the 2022 23rd International Mid-dle East Power Systems Conference (MEPCON), Cairo, Egypt, 13–15 December 2022; pp. 1–7. [Google Scholar] [CrossRef]













| Reference | [15] | [16] | [17] | [21] | [23] | [25] | [27] | Proposed |
|---|---|---|---|---|---|---|---|---|
| Number of switches | 2n | n | n | n + 3m | n | 2n + 1 | n + 2 | n + 1 |
| Number of diodes | n | 2n | 2n | n + m | n | n + 1 | 2n | 2n |
| Number of capacitors | n | n | n | 2n + 2m | n | n + 1 | n | n |
| Number of inductors | 1 | 1 | 0 | n | n | 0 | 1 | 1 |
| Number of transforms | 0 | 0 | 0 | n | 0 | 0 | 0 | 0 |
| Pulse voltage gain | n | n | n | Slight larger than n |
| Parameter | Value |
|---|---|
| Input DC voltage | Udc = 235 V |
| Number of module | N = 12 |
| Pulse period | T = 100 μs |
| Voltage drop coefficient | α = 5% |
| Duty cycle | D = 0.61 |
| Storage capacitor | C = 1 μf |
| Isolated inductor | L = 2.5 mH |
| Load resistor | R = 400 Ω |
| Parameter | Value |
|---|---|
| Input DC voltage | Udc = 235 V |
| Number of module | N = 12 |
| Pulse period | T = 100 μs |
| Voltage drop coefficient | α = 5% |
| Duty cycle | D = 0.61 |
| Storage capacitor | C = 1 μf |
| Isolated inductor | L = 2.5 mH |
| Load resistor | R = 400 Ω |
| MOSFET part no | C2M0025120D |
Disclaimer/Publisher’s Note: The statements, opinions and data contained in all publications are solely those of the individual author(s) and contributor(s) and not of MDPI and/or the editor(s). MDPI and/or the editor(s) disclaim responsibility for any injury to people or property resulting from any ideas, methods, instructions or products referred to in the content. |
© 2023 by the authors. Licensee MDPI, Basel, Switzerland. This article is an open access article distributed under the terms and conditions of the Creative Commons Attribution (CC BY) license (https://creativecommons.org/licenses/by/4.0/).
Share and Cite
Jin, Y.; Cheng, L. An Inductive Isolation-Based 10 kV Modular Solid Boost-Marx Pulse Generator. Electronics 2023, 12, 1586. https://doi.org/10.3390/electronics12071586
Jin Y, Cheng L. An Inductive Isolation-Based 10 kV Modular Solid Boost-Marx Pulse Generator. Electronics. 2023; 12(7):1586. https://doi.org/10.3390/electronics12071586
Chicago/Turabian StyleJin, Yaobin, and Li Cheng. 2023. "An Inductive Isolation-Based 10 kV Modular Solid Boost-Marx Pulse Generator" Electronics 12, no. 7: 1586. https://doi.org/10.3390/electronics12071586
APA StyleJin, Y., & Cheng, L. (2023). An Inductive Isolation-Based 10 kV Modular Solid Boost-Marx Pulse Generator. Electronics, 12(7), 1586. https://doi.org/10.3390/electronics12071586
