Theoretical and Experimental Comparative Analysis of Finite Control Set Model Predictive Control Strategies
Abstract
1. Introduction
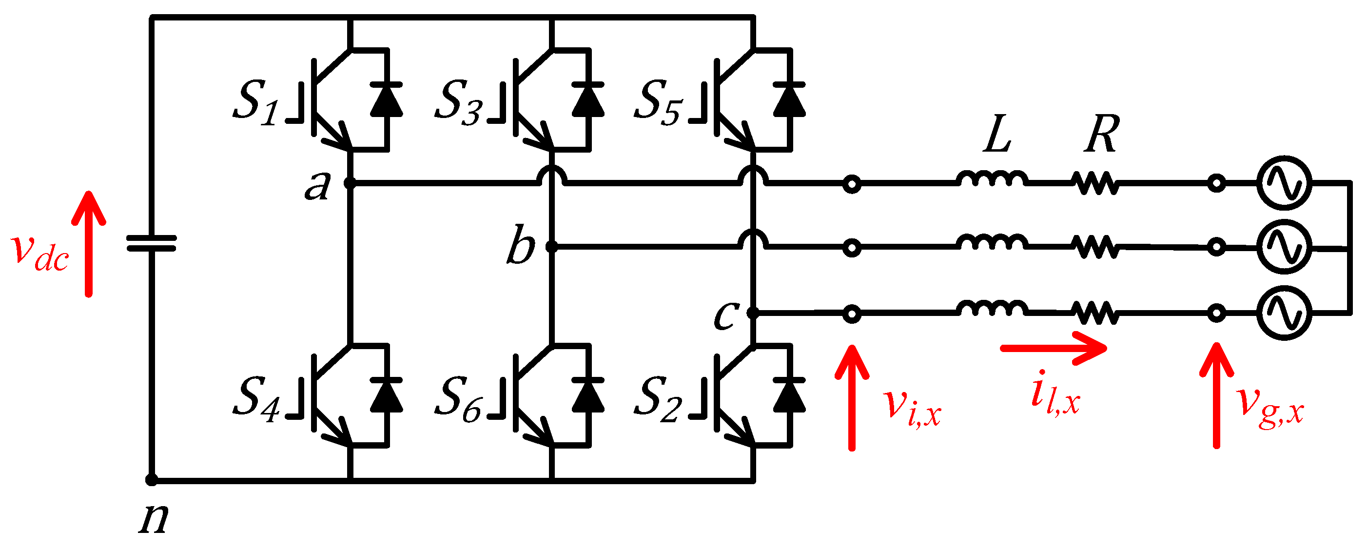
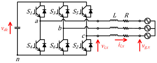
2. Two-Level Voltage Source Inverter
2.1. System Modeling
2.1.1. Inductor Current Gradient
2.1.2. Inductor Current Discretization
2.1.3. Current Reference
2.2. Space Vector Modulation Switching Pattern
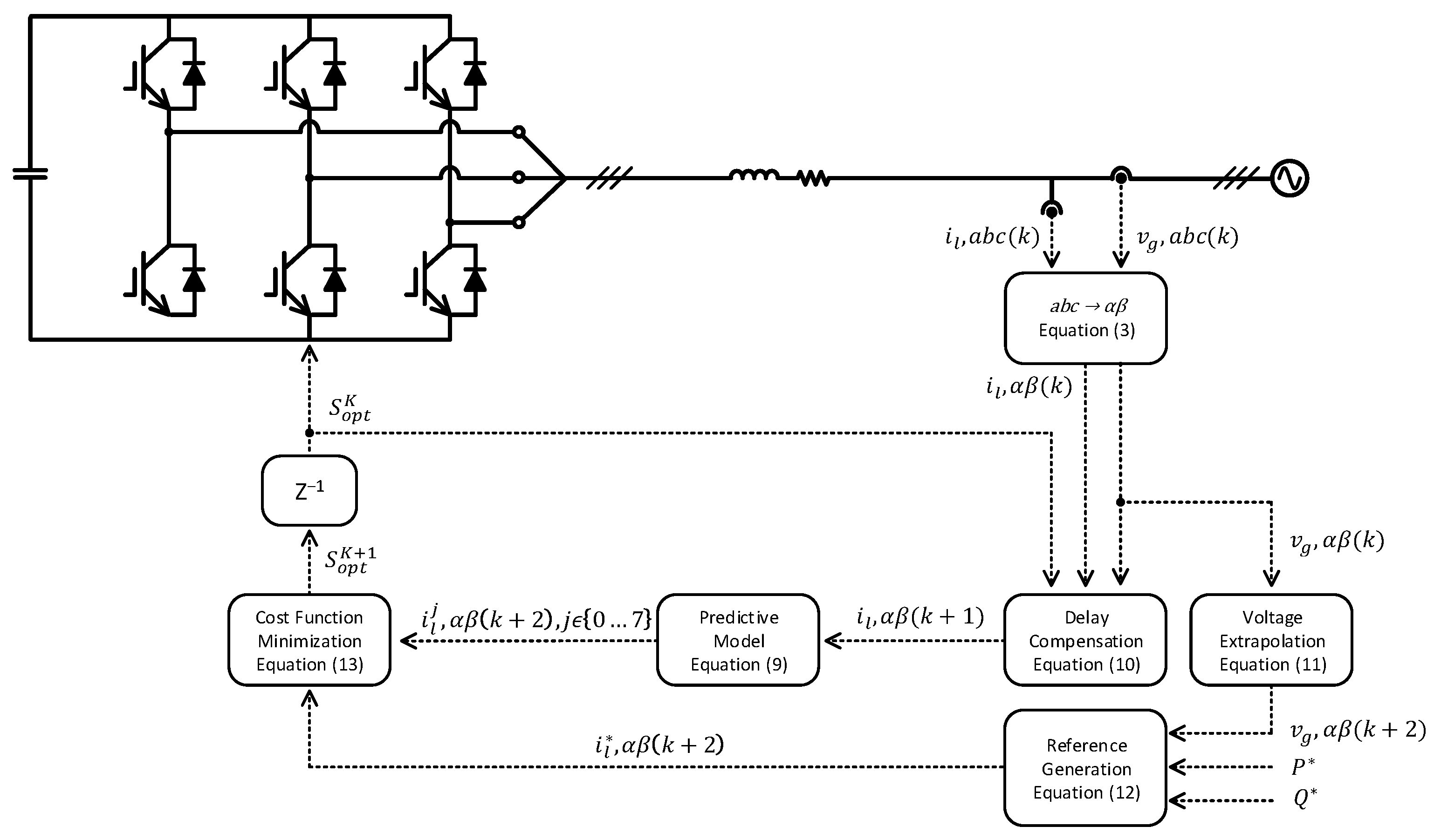
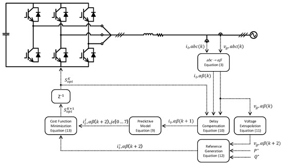
3. OSV-MPC
3.1. Predictive Model and Delay Compensation
3.2. Reference Generation
3.3. Cost Function Minimization
4. M2PC-MPC
4.1. Predictive Model and Delay Compensation
4.2. Reference Generation
4.3. Cost Function Minimization
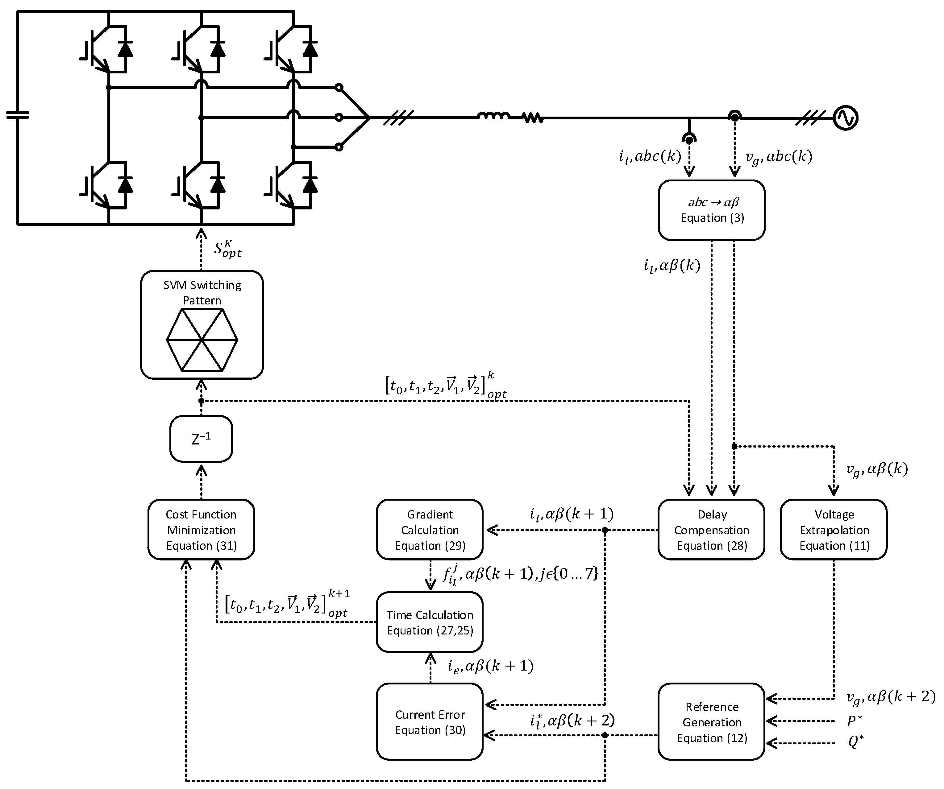
5. OSS-MPC
5.1. Predictive Model and Time Calculation
5.2. Delay Compensation
5.3. Reference Generation
5.4. Cost Function Minimization
6. Experimental Results
6.1. Steady State Results
6.1.1. Mean Absolut Error (MAE) and Maximum Absolute Error (Emax)
6.1.2. Current THD
6.1.3. VSI Line Voltage and Spectrum
6.1.4. Sector Selection and Duty Ratio
6.1.5. Gate Pulse Shape
6.1.6. Computational Burden
6.1.7. Steady State Results Summary
6.2. Transient Results
7. Conclusions
Author Contributions
Funding
Conflicts of Interest
Appendix A. Equation (26) Matlab Solution
References
- Rodriguez, J.; Cortes, P. Predictive Control of Power Converters and Electrical Drives; Wiley: Hoboken, NJ, USA, 2012. [Google Scholar]
- Kouro, S.; Perez, M.; Rodriguez, J.; Llor, A.; Young, H.A. Model Predictive Control: MPC’s Role in the Evolution of Power Electronics. IEEE Ind. Electron. Mag. 2015, 9, 8–21. [Google Scholar] [CrossRef]
- Rodriguez, J.; Kazmierkowski, M.P.; Espinoza, J.R.; Zanchetta, P.; Abu-Rub, H.; Young, H.A.; Rojas, C.A. State of the Art of Finite Control Set Model Predictive Control in Power Electronics. IEEE Trans. Ind. Inform. 2013, 9, 1003–1016. [Google Scholar] [CrossRef]
- Kouro, S.; Cortes, P.; Vargas, R.; Ammann, U.; Rodriguez, J. Model Predictive Control—A Simple and Powerful Method to Control Power Converters. IEEE Trans. Ind. Electron. 2009, 56, 1826–1838. [Google Scholar] [CrossRef]
- Cortes, P.; Kazmierkowski, M.; Kennel, R.; Quevedo, D.; Rodriguez, J. Predictive Control in Power Electronics and Drives. IEEE Trans. Ind. Electron. 2008, 55, 4312–4324. [Google Scholar] [CrossRef]
- Vazquez, S.; Rodriguez, J.; Rivera, M.; Franquelo, L.; Norambuena, M. Model Predictive Control for Power Converters and Drives: Advances and Trends. IEEE Trans. Ind. Electron. 2017, 64, 935–947. [Google Scholar] [CrossRef]
- Hosseinzadeh, M.A.; Sarbanzadeh, M.; Sarebanzadeh, E.; Rivera, M.; Muñoz, J. Predictive Control in Power Converter Applications: Challenge and Trends. In Proceedings of the IEEE International Conference on Automation/XXIII Congress of the Chilean Association of Automatic Control (ICA-ACCA), Greater Concepcion, Chile, 17 October 2018. [Google Scholar]
- Ammann, U.; Vargas, R.; Roth-Stielow, J. Investigation of the average switching frequency of Direct Model Predictive Control converters. In Proceedings of the 2010 IEEE International Conference on Industrial Technology, Via del Mar, Chile, 14–17 March 2010. [Google Scholar]
- Ramírez, R.O.; Espinoza, J.; Villarroel, F.; Maurelia, E.; Reyes, M.E. A Novel Hybrid Finite Control Set Model Predictive Control Scheme with Reduced Switching. IEEE Trans. Ind. Electron. 2014, 61, 5912–5920. [Google Scholar] [CrossRef]
- Vazquez, S.; Leon, J.I.; Franquelo, L.G.; Carrasco, J.M.; Martinez, O.; Rodríguez, J.; Cortes, P.; Kouro, S. Model Predictive Control with constant switching frequency using a Discrete Space Vector Modulation with virtual state vectors. In Proceedings of the IEEE International Conference on Industrial Technology, Churchill, Australia, 10–13 February 2009. [Google Scholar]
- Aguilera, R.P.; Lezana, P.; Konstantinou, G.; Acuna, P.; Wu, B.; Bernet, S.; Agelidis, V.G. Closed-loop SHE-PWM technique for power converters through Model Predictive Control. In Proceedings of the IECON 2015—41st Annual Conference of the IEEE Industrial Electronics Society, Yokohama, Japan, 9–12 November 2015. [Google Scholar]
- Aggrawal, H.; Leon, J.; Franquelo, L.; Kouro, S.; Garg, P.; Rodríguez, J. Model predictive control based selective harmonic mitigation technique for multilevel cascaded H-bridge converters. In Proceedings of the IECON 2011—37th Annual Conference of the IEEE Industrial Electronics Society, Melbourne, Australia, 7–10 November 2011. [Google Scholar]
- Cortes, P.; Rodriguez, J.; Quevedo, D.; Silva, C. Predictive Current Control Strategy with Imposed Load Current Spectrum. IEEE Trans. Power Electron. 2008, 23, 612–618. [Google Scholar] [CrossRef]
- Aguilera, R.P.; Acuna, P.; Lezana, P.; Konstantinou, G.; Wu, B.; Bernet, S.; Agelidis, V.G. Selective Harmonic Elimination Model Predictive Control for Multilevel Power Converters. IEEE Trans. Power Electron. 2017, 32, 2416–2426. [Google Scholar] [CrossRef]
- Kouro, S.; La Rocca, B.; Cortes, P.; Alepuz, S.; Wu, B.; Rodriguez, J. Predictive control based selective harmonic elimination with low switching frequency for multilevel converters. In Proceedings of the 2009 IEEE Energy Conversion Congress and Exposition, San Jose, CA, USA, 20–24 September 2009. [Google Scholar]
- Gannamraju, S.K.; Valluri, D.; Bhimasingu, R. Comparison of Fixed Switching Frequency Based Optimal Switching Vector MPC Algorithms Applied to Voltage Source Inverter for Stand-alone Applications. In Proceedings of the 2019 National Power Electronics Conference (NPEC), Tiruchirappalli, India, 13–15 December 2019. [Google Scholar]
- Comarella, B.V.; Encarnação, L.F. Comparison of Model Predictive Control Strategies for Voltage Source Inverter with Output LC Filter. In Proceedings of the 2021 IEEE Southern Power Electronics Conference (SPEC), Kigali, Rwanda, 6–9 December 2021. [Google Scholar]
- Hamouda, M.M.; Fnaiech, F. A review of PWM voltage source converters based industrial applications. In Proceedings of the 2015 International Conference on Electrical Systems for Aircraft, Railway, Ship Propulsion and Road Vehicles (ESARS), Aachen, Germany, 3–5 March 2015. [Google Scholar]
- Kumar, J. Implementation of Space Vector Modulation for Two Level Inverter and its Comparison with SPWM. Int. J. Adv. Res. Electr. Electron. Instrum. Eng. 2015, 4, 5012–5019. [Google Scholar]
- Akagi, H.; Watanabe, E.H.; Aredes, M. Instantaneous Power Theory and Applications to Power Conditioning, 2nd ed.; Wiley: Hoboken, NJ, USA, 2017. [Google Scholar]
- Vazquez, S.; Leon, J.; Franquelo, L.; Carrasco, J.; Dominguez, E.; Cortes, P.; Rodriguez, J. Comparison between FS-MPC control strategy for an UPS inverter application in α-β and abc frames. In Proceedings of the 2010 IEEE International Symposium on Industrial Electronics, Bari, Italy, 4–7 July 2010. [Google Scholar]
- Wu, B. High-Power Converters and AC Drives; Wiley: Hoboken, NJ, USA, 2006. [Google Scholar]
- Rodriguez, J.; Pontt, J.; Silva, C.A.; Correa, P.; Lezana, P.; Cortes, P.; Ammann, U. Predictive Current Control of a Voltage Source Inverter. IEEE Trans. Ind. Electron. 2007, 54, 495–503. [Google Scholar] [CrossRef]
- Cortes, P.; Rodriguez, J.; Silva, C.; Flores, A. Delay Compensation in Model Predictive Current Control of a Three-Phase Inverter. IEEE Trans. Ind. Electron. 2011, 59, 1323–1325. [Google Scholar] [CrossRef]
- Rivera, M.; Morales, F.; Baier, C.; Munoz, J.; Tarisciotti, L.; Zanchetta, P.; Wheeler, P. A modulated model predictive control scheme for a two-level voltage source inverter. In Proceedings of the 2015 IEEE International Conference on Industrial Technology (ICIT), Seville, Spain, 17–19 March 2015. [Google Scholar]
- Rivera, M.; Riveros, J.; Rodríguez, C.; Wheeler, P. Predictive Control Operating at Fixed Switching Frequency of an Induction Machine Fed by a Voltage Source Inverter. In Proceedings of the 2021 IEEE International Conference on Automation/XXIV Congress of the Chilean Association of Automatic Control (ICA-ACCA), Valparaíso, Chile, 22–26 March 2021. [Google Scholar]
- Zheng, C.; Dragičević, T.; Zhang, Z.; Rodriguez, J.; Blaabjerg, F. Model Predictive Control of LC-Filtered Voltage Source Inverters with Optimal Switching Sequence. IEEE Trans. Power Electron. 2021, 36, 3422–3436. [Google Scholar] [CrossRef]
- Vazquez, S.; Marquez, A.; Aguilera, R.; Quevedo, D.; Leon, J.; Franquelo, L.G. Predictive Optimal Switching Sequence Direct Power Control for Grid-Connected Power Converters. IEEE Trans. Ind. Electron. 2015, 62, 2010–2020. [Google Scholar] [CrossRef]
- Texas Instruments TMS320F28379D Product Details. Available online: https://www.ti.com/product/TMS320F28379D (accessed on 20 November 2022).





















| Applied Vector | Switching State [S1 S3 S5] | Space Vector |
|---|---|---|
| [0, 0, 0] | 0 | |
| [1, 0, 0] | ||
| [1, 1, 0] | ||
| [0, 1, 0] | ||
| [0, 1, 1] | ||
| [0, 0, 1] | ||
| [1, 0, 1] | ||
| [1, 1, 1] | 0 |
| Sector | Vector Sequence | Application Times Sequence |
|---|---|---|
| [, , , , , , , ] | [t0, t1, t2, t0, t0, t2, t1, t0] | |
| [, , , , , , , ] | [t0, t2, t1, t0, t0, t1, t2, t0] | |
| [, , , , , , , ] | [t0, t1, t2, t0, t0, t2, t1, t0] | |
| [, , , , , , , ] | [t0, t2, t1, t0, t0, t1, t2, t0] | |
| [, , , , , , , ] | [t0, t1, t2, t0, t0, t2, t1, t0] | |
| [, , , , , , , ] | [t0, t2, t1, t0, t0, t1, t2, t0] |
| Parameter | Value |
|---|---|
| DC bus voltage | = 600 Vdc |
| Grid voltage and frequency | = 127 Vrms, = 50 Hz |
| Filter inductance | = 5 mH |
| Filter resistance | = 1 mΩ |
| Active power reference | = Variable |
| Reactive power reference | = Variable |
| Sampling time | = 50 µs |
| Switching frequency | 20 kHz (variable for OSV-MPC) |
| ADC resolution | 12 bits |
| PWM counter (resolution) | 2500 |
| Strategy | Power Reference | Emax | MAE | THDi (%) | Computational Time (µs) | |||
|---|---|---|---|---|---|---|---|---|
| P (kW) | Q (kVAr) | P (W) | Q (var) | P (W) | Q (var) | |||
| OSV-MPC | 0 | 0 | 651.97 | 716.96 | 168.90 | 189.84 | - | 5.9 |
| 4 | 4 | 662.98 | 695.51 | 170.23 | 191.30 | 5.39 | ||
| −4 | 4 | 724.43 | 696.20 | 174.67 | 193.20 | 5.59 | ||
| 4 | −4 | 653.94 | 650.02 | 170.74 | 204.78 | 5.82 | ||
| −4 | −4 | 678.55 | 645.24 | 172.94 | 207.87 | 5.65 | ||
| M2PC | 0 | 0 | 217.91 | 227.53 | 42.43 | 58.33 | - | 8.2 |
| 4 | 4 | 229.50 | 247.11 | 43.80 | 58.37 | 1.46 | ||
| −4 | 4 | 210.21 | 237.29 | 45.92 | 56.82 | 1.47 | ||
| 4 | −4 | 241.97 | 253.80 | 57.62 | 59.76 | 1.51 | ||
| −4 | −4 | 251.22 | 240.79 | 59.76 | 58.26 | 1.49 | ||
| OSS-MPC | 0 | 0 | 156.65 | 154.33 | 36.61 | 28.42 | - | 27.9 |
| 4 | 4 | 181.45 | 174.65 | 42.94 | 35.72 | 1.03 | ||
| −4 | 4 | 223.56 | 170.32 | 45.01 | 33.97 | 1.02 | ||
| 4 | −4 | 170.11 | 154.67 | 43.60 | 28.48 | 0.97 | ||
| −4 | −4 | 209.92 | 147.80 | 45.55 | 26.49 | 0.96 | ||
| Strategy | Settling Time (ms) | |
|---|---|---|
| Active Power Step | Reactive Power Step | |
| OSV-MPC | 1.8 | 1.0 |
| M2PC | 4.4 | 2.9 |
| OSS-MPC | 1.6 | 1.5 |
| Parameter | OSV-MPC | M2PC | OSS-MPC |
|---|---|---|---|
| Cost function | Vector based | Sector based | Inter-sample sector based |
| Single vector (1) | Multiple vectors (8) | Multiple vectors (8) | |
| Switching frequency | Variable | Fixed | Fixed |
| Modulator | No | Yes | Yes |
| Steady state performance | Moderate | Good | Better |
| Transient performance | Good | Moderate | Good |
| Computational cost | Low | Low | High |
Disclaimer/Publisher’s Note: The statements, opinions and data contained in all publications are solely those of the individual author(s) and contributor(s) and not of MDPI and/or the editor(s). MDPI and/or the editor(s) disclaim responsibility for any injury to people or property resulting from any ideas, methods, instructions or products referred to in the content. |
© 2023 by the authors. Licensee MDPI, Basel, Switzerland. This article is an open access article distributed under the terms and conditions of the Creative Commons Attribution (CC BY) license (https://creativecommons.org/licenses/by/4.0/).
Share and Cite
Comarella, B.V.; Carletti, D.; Yahyaoui, I.; Encarnação, L.F. Theoretical and Experimental Comparative Analysis of Finite Control Set Model Predictive Control Strategies. Electronics 2023, 12, 1482. https://doi.org/10.3390/electronics12061482
Comarella BV, Carletti D, Yahyaoui I, Encarnação LF. Theoretical and Experimental Comparative Analysis of Finite Control Set Model Predictive Control Strategies. Electronics. 2023; 12(6):1482. https://doi.org/10.3390/electronics12061482
Chicago/Turabian StyleComarella, Breno Ventorim, Daniel Carletti, Imene Yahyaoui, and Lucas Frizera Encarnação. 2023. "Theoretical and Experimental Comparative Analysis of Finite Control Set Model Predictive Control Strategies" Electronics 12, no. 6: 1482. https://doi.org/10.3390/electronics12061482
APA StyleComarella, B. V., Carletti, D., Yahyaoui, I., & Encarnação, L. F. (2023). Theoretical and Experimental Comparative Analysis of Finite Control Set Model Predictive Control Strategies. Electronics, 12(6), 1482. https://doi.org/10.3390/electronics12061482

