Switching Capacitor Filter with Multiple Functions, Adjustable Bandwidth in the Range of 5 Hz–10 kHz
Abstract
:1. Introduction
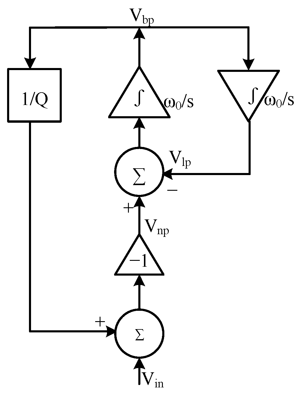
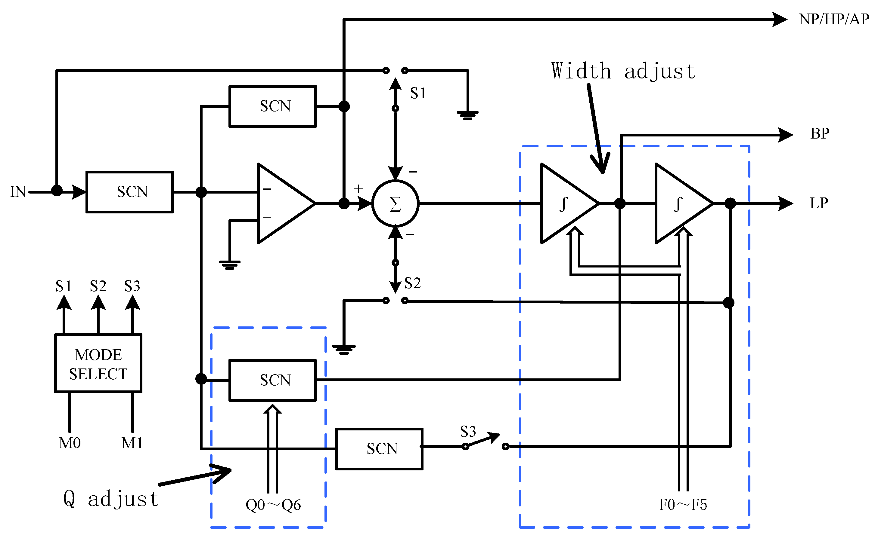
2. Circuit Structure
3. Circuit Design
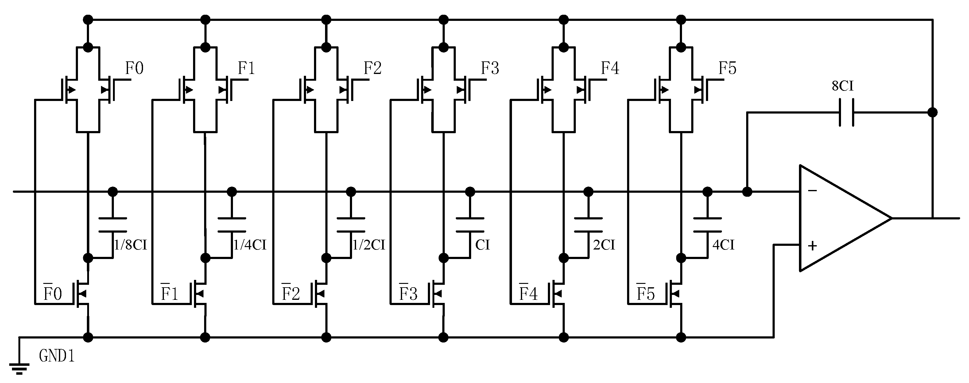
3.1. Switching Capacitance of Analog Resistors
3.2. Switch-Capacitor Integrator
- (1)
- Sampling phase. From the timing diagram, it can be seen that the arrival of clk1 causes the S2 switch to close first, causing a short circuit at both ends of the parasitic capacitor . The charge on it is cleared, and then S1 closes. The input signal charges the until clk1 flips to 0. S2 first opens, and point B is suspended. The charge stored at point B will not lose or change, and then switch S1 opens. The injection effect caused by switch S1 will not cause any change in the integral charge.
- (2)
- Integration stage. From the timing diagram, it can also be seen that the switch S3 controlled by clk2 is first closed. Due to the virtual short circuit of the ideal operational amplifier (i.e., the closed-loop feedback of the operational amplifier), the parasitic capacitance is shorted at both ends, and the charge only exists at the left end of . When S4 is closed, is shorted, the virtual short circuit of the operational amplifier causes the to be shorted as well. The charge at the A end is discharged to the ground, and the charge at the B end is fully forced to the integrating capacitor , thus this realizes integration operation. In the final stage, S3 is disconnected first, so that the injection effect caused by the disconnection of the previous stage S4 does not change the integration result [27].
3.3. Switch Circuit
3.3.1. Switch Error
3.3.2. Switch-Circuit Design
3.4. Operational Amplifier
3.4.1. The Impact of Limited DC Gain
3.4.2. The Impact of Limited Unit Gain Bandwidth
3.4.3. Operational Amplifier Circuit Design
3.5. Clock Circuit
3.6. Adjustable Bandwidth Design
3.7. Q-Adjustable Design
4. Fourth-Order Butterworth Low-Pass Filter
5. Test Results
6. Discussion
7. Conclusions
Author Contributions
Funding
Data Availability Statement
Conflicts of Interest
References
- Yang, C.L.; Zhang, Y.; Yang, X.Q.; Qi, C. Development of a General Module for Programmable Switched Capacitor Low Pass Filter. Electron Technol. Appl. 2022, 48, 136–139. [Google Scholar]
- Yan, X.H.; Mu, W.J. Design of a stacked miniaturized 5G FR2 frequency band filter. Commun. Technol. 2021, 54, 1768–1773. [Google Scholar]
- Gao, B.; Zhang, Z.Y.; Ye, X.Y. Programmable Active RC Filter with On Chip Autotuning. Semicond. Integr. Circuit 2017, 42, 184–189. [Google Scholar]
- Xie, M.; Ren, X.; Ma, C.; Zhang, R.; Lai, Z. A Low Power Channel Selection Filter for Multifrequency and Multimode Receiver. Microelectronics 2012, 42, 534–538. [Google Scholar]
- Allen, P.E.; Holberg, D.R. switched capacitor circuit. In CMOS Analog Integrated Circuit Design; Feng, J., Li, Z.Q., Eds.; Publishing House of Electronics Industry: Beijing, China, 2003; pp. 402–407. [Google Scholar]
- Huang, J.F.; Wen, J.Y.; Lin, Y.J. Chip design of a 10-MHz switched capacitor low-pass filter for wireless application. In Proceedings of the 2014 Sixth International Conference on Wireless Communications and Signal Processing (WCSP), Hefei, China, 23–25 October 2014; pp. 1–5. [Google Scholar]
- Lulec, S.Z.; Johns, D.A.; Liscidini, A. A 150-μW 3rd-order butterworth passive-switched-capacitor filter with 92 dB SFDR. In Proceedings of the IEEE Symposium on VLSI Circuits Digest of Technical, Kyoto, Japan, 5–8 June 2017; pp. 142–143. [Google Scholar]
- Singh, N.; Bansod, P.P. Switched-capacitor filter design for ECG application using 180 nm CMOS technology. In Proceedings of the 2017 International Conference on Recent Innovations in Signal Processing and Embedded Systems (RISE), Bhopal, India, 27–29 October 2017; pp. 439–443. [Google Scholar]
- Kaya, K.; Ozanoglu, K.; Kahya, Y.P.; Dundar, G. Programmable Switched-Capacitor Filter Design Tool for Biomedical Signal Acquisition. In Proceedings of the 2023 19th International Conference on Synthesis, Modeling, Analysis and Simulation Methods and Applications to Circuit Design (SMACD), Funchal, Portugal, 3–5 July 2023; pp. 1–4. [Google Scholar]
- Chang, J.; Liu, S.B. Design of Switched Capacitor Low Pass Filter. Design of Switched Capacitor Low Pass Filter. Electron. Des. Eng. 2012, 20, 171–173. [Google Scholar]
- Du, D.H.; Xiong, F.; Lin, Y.S. A 4-order Switched Capacitor Low Pass Filter with High Linearity and Low Power Consumption. Semicond. Technol. 2010, 35, 1222–1225. [Google Scholar]
- Fan, T.; Peng, J.; Zhang, Z. Design and Simulation Method of Bandpass Switched Capacitor Filter. Microelectron. Comput. 2009, 26, 90–92. [Google Scholar]
- Xiao, Y.P.; Hu, X. Design and Simulation of High Order Elliptic Filters. Electron. Meas. 2007, 30, 147–150. [Google Scholar]
- Hu, P.F.; Xie, L.; Jin, X.L. Design of Bandwidth Adjustable High Order Switched Capacitor Filter. Microelectronics 2015, 45, 357–361. [Google Scholar]
- Xiang, B.; Nin, X.W.; Mo, B.X.; Lv, Z.J. Design of a Bandwidth Adjustable Low Pass Switched Capacitor Filter. Microelectronics 2003, 6, 541–544. [Google Scholar]
- Sun, S.Q.; Lin, J.; Wang, Y.J. Design and Implementation of a Low Frequency Bandpass Filter with Adjustable Center Frequency. J. Electron. Meas. Instrum. 2006, 20, 59–63. [Google Scholar]
- Sansen, W.M.C. Analog Design Essentials; Springer: Berlin/Heidelberg, Germany, 2007; pp. 335–336. [Google Scholar]
- Yan, J.M. Bandwidth Adjustable 14th Order Switched Capacitor Bandpass Filter. Master’s Dissertation, Harbin Institute of Technology, Harbin, China, 2017. [Google Scholar]
- Wang, J. Optimization Design of a Configurable Switched Capacitor Filter. Master’s Dissertation, Harbin Institute of Technology, Harbin, China, 2022. [Google Scholar]
- Mirchandani, N.; Shrivastava, A. High Stability Gain Structure and Filter Realization with less than 50 ppm/℃ Temperature Variation with Ultra-low Power Consumption using Switched-capacitor and Sub-threshold Biasing. In Proceedings of the 2018 IEEE International Symposium on Circuits and Systems (ISCAS), Florence, Italy, 27–30 May 2018; pp. 1–5. [Google Scholar]
- Sheng, J.G.; Chen, Z.L.; Shi, B.X. 1 V CMOS switched-capacitor filter. J. Circuits Syst. 2005, 10, 28–30. [Google Scholar]
- Xing, Q.F. Design and Application Research of Switched Capacitor Filter. Comput. Knowl. Technol. 2011, 7, 1669–1679. [Google Scholar]
- Wu, A.D. Design of Switched Capacitor Elliptical Low Pass Filter. J. Zhejiang Univ. Foreign Lang. 2013, 4, 101–104. [Google Scholar]
- Xia, X.R. Research and Implementation of Programmable Switched Capacitor Filter System. Master Dissertation, Hunan University, Hunan, China, 2009. [Google Scholar]
- Marzuki, A. CMOS Analog and Mixed-Signal Circuit Design; Taylor & Francis Group: Leiden, The Netherlands, 2020. [Google Scholar]
- Wang, D. Design of Eighth Order Low Pass Elliptic Switched Capacitor Filter. Master’s Dissertation, Harbin Institute of Technology, Harbin, China, 2021. [Google Scholar]
- Razavi, B. Analog CMOS Integrated Circuit Design; Chen, G.C.; Cheng, J.; Zhang, R.Z., Translators; Xi’an Jiaotong University Press: Xi’an, China, 2018. [Google Scholar]
- Al-Badawy, K.A.; Soliman, E.A.; Mahmoud, S.A. Design of switched capacitor biquad filter with quality factor tunability. In Proceedings of the 2009 International Conference on Microelectronics—ICM, Marrakech, Morocco, 19–22 December 2009; pp. 30–33. [Google Scholar]
- Martin, K.; Sedra, A. Effects of the Op-Amp Finite Gain and Bandwidth on the Performance of Switched-Capacitor Filters. IEEE Trans. Circuits Syst. 1981, 28, 822–829. [Google Scholar] [CrossRef]
- Hasan, M.N.; Saeedi, S.; Gu, Q.J.; Sigmarsson, H.H.; Liu, X. Design Methodology of N-Path Filters With Adjustable Frequency Bandwidth and Filter Shape. IEEE Trans. Microw. Theory Tech. 2018, 66, 2775–2790. [Google Scholar] [CrossRef]



























| M1, M0 | S3, S2, S1 | Mode | Functions |
|---|---|---|---|
| 00 | 000 | mode 1 | low-pass, band-pass, band-stop (standard) |
| 01 | 100 | mode 2 | low-pass, band-pass, band-stop (high pass) |
| 10 | 110 | mode 3 | low-pass, band-pass, high-pass |
| 11 | 001 | mode 4 | low-pass, band-pass, all-pass |
| D0, D1 | A3, A2, A1, A0 | LOCATION |
|---|---|---|
| M0A, M1A | 0000 | 0 |
| F0A, F1A | 0001 | 1 |
| F2A, F3A | 0010 | 2 |
| F4A, F5A | 0011 | 3 |
| Q0A, Q1A | 0100 | 4 |
| Q2A, Q3A | 0101 | 5 |
| Q4, Q5A | 0110 | 6 |
| Q6A, X | 0111 | 7 |
| M0B, M1B | 1000 | 8 |
| F0B, F1B | 1001 | 9 |
| F2B, F3B | 1010 | 10 |
| F4B, F5B | 1011 | 11 |
| Q0B, Q1B | 1100 | 12 |
| Q2B, Q3B | 1101 | 13 |
| Q4B, Q5B | 1110 | 14 |
| Q6B, X | 1111 | 15 |
| Filter | Parameter | Value ( = 380.1 fF) |
|---|---|---|
| Filter A | C0 | 8 × |
| C1 | 32 × | |
| C2 | 59 × | |
| C3 | 64 × | |
| Filter B | C0 | 8 × |
| C1 | 32 × | |
| C2 | 24.5 × | |
| C3 | 64 × |
| Filter | Register | D1, D0 | A3, A2, A1, A0 |
|---|---|---|---|
| Filter A | M1, M0 | 00 | 0000 |
| F1, F0 | 00 | 0001 | |
| F3, F2 | 00 | 0010 | |
| F5, F4 | 00 | 0011 | |
| Q1, Q0 | 10 | 0100 | |
| Q3, Q2 | 10 | 0101 | |
| Q5, Q4 | 00 | 0110 | |
| X, Q6 | 00 | 0111 | |
| Filter B | M1, M0 | 00 | 1000 |
| F1, F0 | 00 | 1001 | |
| F3, F2 | 00 | 1010 | |
| F5, F4 | 00 | 1011 | |
| Q1, Q0 | 11 | 1100 | |
| Q3, Q2 | 11 | 1101 | |
| Q5, Q4 | 00 | 1110 | |
| X, Q6 | 01 | 1111 |
| Q | Mode | Fclk | f0 |
|---|---|---|---|
| 1 | 1 | 500 Hz–500 kHz | 5 Hz–5 kHz |
| 1.41 | 2 | 500 Hz–500 kHz | 5 Hz–6 kHz |
| 1 | 3 | 500 Hz–500 kHz | 5 Hz–5 kHz |
| 1 | 4 | 500 Hz–500 kHz | 5 Hz–5 kHz |
| 64 | 1 | 1 kHz–1000 kHz | 10 Hz–10 kHz |
| 90.5 | 2 | 5 kHz–500 kHz | 50 Hz–10 kHz |
| 64 | 3 | 500 Hz–500 kHz | 5 Hz–5 kHz |
| 64 | 4 | 500 Hz–1000 kHz | 5 Hz–10 kHz |
| Parameter | Reference [3] | Reference [4] | Reference [15] | This Paper |
|---|---|---|---|---|
| implementation method | active RC | active RC | switched capacitor | switched capacitor |
| function | low-pass | low-pass | low-pass | low-pass, high-pass, band-pass, band-stop, all-pass |
| cut-off frequency | 1 MHz∼32 MHz adjustable | 0.3 MHz∼10 MHz adjustable | 100 Hz∼500 Hz adjustable | 5 Hz∼10 kHz adjustable |
| filter order | 6 | 8 | 2 | 4 |
| technology | TSMC0.18 m | GSMC0.18 m | 2P2M 1.2 m N-well MOS process | BCD350GE high voltage 24 V process |
| supply voltage | 1.8 V | 1.8 V | - | ±5 V |
| consumption | 20 mW | 15.48 mW | - | 80 mW |
Disclaimer/Publisher’s Note: The statements, opinions and data contained in all publications are solely those of the individual author(s) and contributor(s) and not of MDPI and/or the editor(s). MDPI and/or the editor(s) disclaim responsibility for any injury to people or property resulting from any ideas, methods, instructions or products referred to in the content. |
© 2023 by the authors. Licensee MDPI, Basel, Switzerland. This article is an open access article distributed under the terms and conditions of the Creative Commons Attribution (CC BY) license (https://creativecommons.org/licenses/by/4.0/).
Share and Cite
He, F.; Yuan, Y.; Xiao, J.; Han, Z.; Fu, Y.; Huang, S. Switching Capacitor Filter with Multiple Functions, Adjustable Bandwidth in the Range of 5 Hz–10 kHz. Electronics 2023, 12, 4862. https://doi.org/10.3390/electronics12234862
He F, Yuan Y, Xiao J, Han Z, Fu Y, Huang S. Switching Capacitor Filter with Multiple Functions, Adjustable Bandwidth in the Range of 5 Hz–10 kHz. Electronics. 2023; 12(23):4862. https://doi.org/10.3390/electronics12234862
Chicago/Turabian StyleHe, Fan, Yubo Yuan, Jinjin Xiao, Zehao Han, Yingchun Fu, and Shuilong Huang. 2023. "Switching Capacitor Filter with Multiple Functions, Adjustable Bandwidth in the Range of 5 Hz–10 kHz" Electronics 12, no. 23: 4862. https://doi.org/10.3390/electronics12234862
APA StyleHe, F., Yuan, Y., Xiao, J., Han, Z., Fu, Y., & Huang, S. (2023). Switching Capacitor Filter with Multiple Functions, Adjustable Bandwidth in the Range of 5 Hz–10 kHz. Electronics, 12(23), 4862. https://doi.org/10.3390/electronics12234862
