A 55 nm CMOS RF Transmitter Front-End with an Active Mixer and a Class-E Power Amplifier for 433 MHz ISM Band Applications
Abstract
:1. Introduction
- 1.
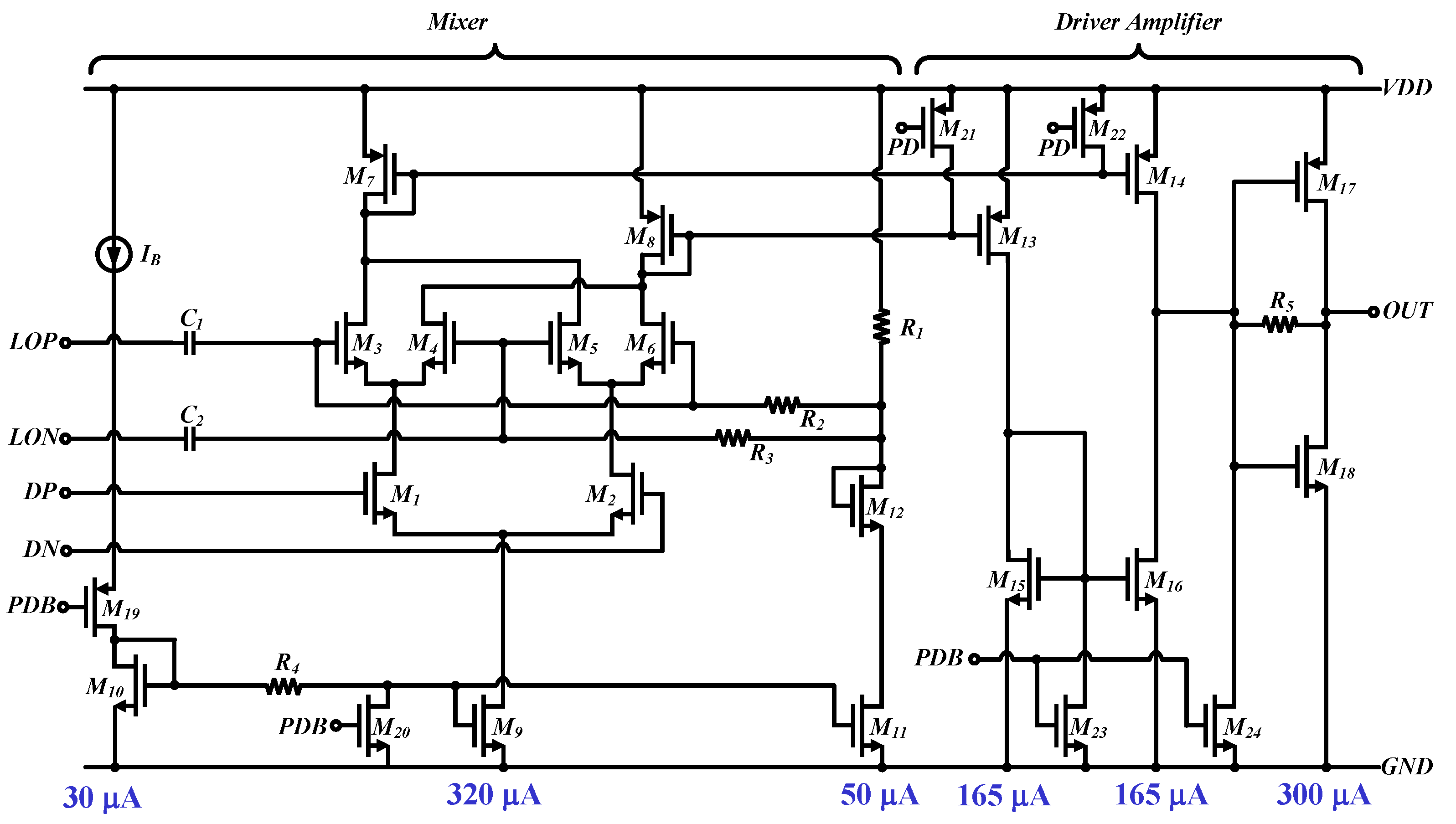
- A standard transmitter RF front-end is designed, and the block diagram is shown in Figure 1. The circuits consist of an active mixer, a driver and a class-E PA. A double-balanced Gilbert active mixer is designed to realize BPSK modulation. The driver is used to preamplifiy the RF signal, and the PA adopts a parallel four-branch cascode structure to control the output power level.
- 2.
- Since the transmitter RF front-end is mainly used in the transmission of digitized low-frequency signals such as voice signals, a 192 kbps data rate is selected for the transmitters. The experimental results show that the transmitter RF front-end can achieve a better error vector magnitude (EVM) when compared with similar works.

2. Analysis of Circuits
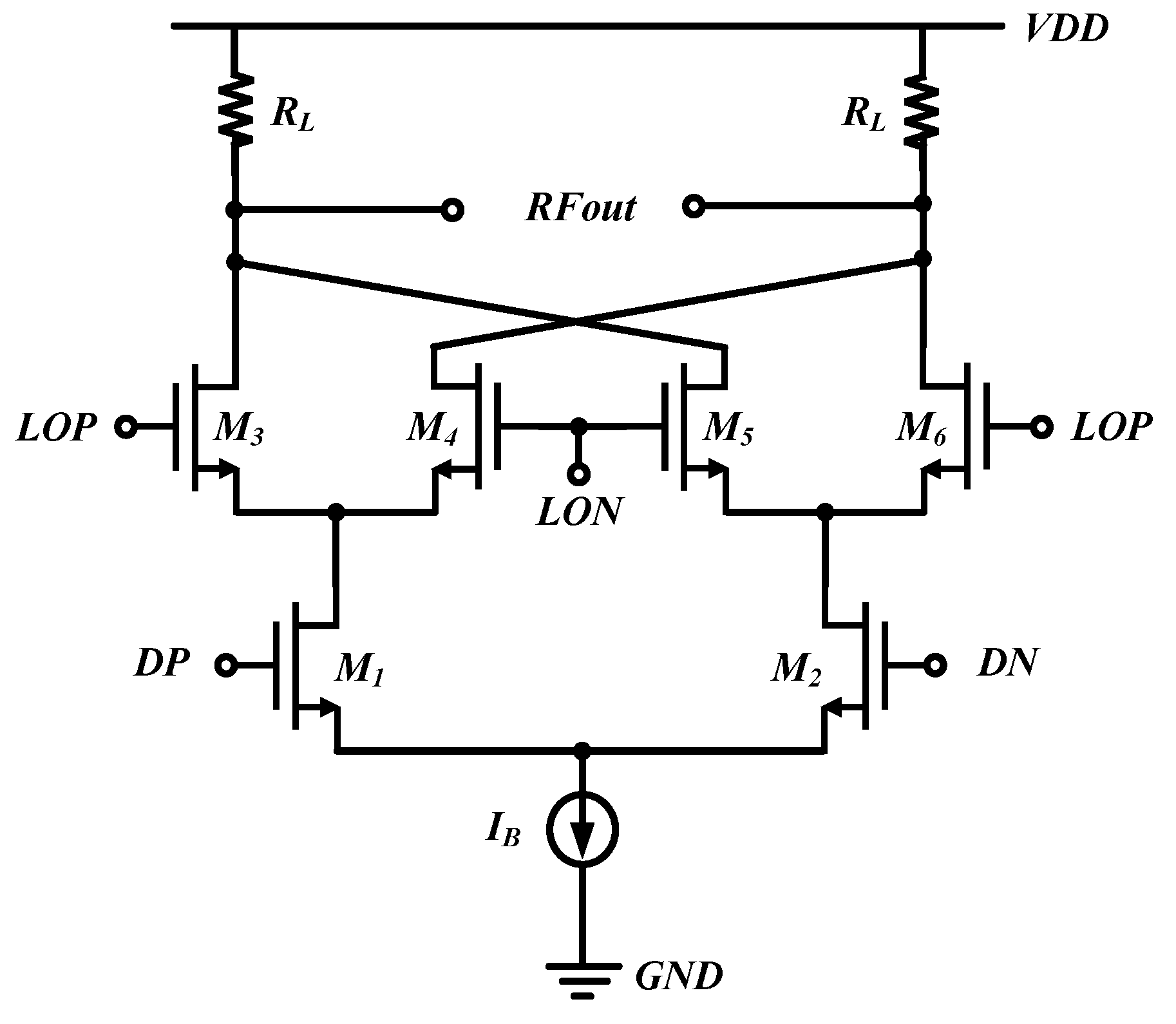
2.1. Analysis of the Gilbert Mixer
2.2. Analysis of the Class-E PA

3. Circuit Design
3.1. Mixer and Driver Stage Circuit Design
3.2. Class-E PA Circuit Design
4. Experimental Results
5. Discussion
6. Conclusions
Author Contributions
Funding
Institutional Review Board Statement
Data Availability Statement
Conflicts of Interest
References
- Liu, C.; Shi, C.J.R. Design of the class-E power amplifier considering the temperature effect of the transistor on-resistance for sensor applications. IEEE Trans. Circuits Syst. II Express Briefs 2021, 68, 1705–1709. [Google Scholar] [CrossRef]
- Wang, Y.; Zhou, R.; Liu, Z.; Yan, B. A low-power CMOS wireless acoustic sensing platform for remote surveillance applications. Sensors 2020, 20, 178. [Google Scholar] [CrossRef]
- Seneviratne, S.; Hu, Y.; Nguyen, T.; Lan, G.; Khalifa, S.; Thilakarathna, K.; Hassan, M.; Seneviratne, A. A survey of wearable devices and challenges. IEEE Commun. Surv. Tutorials 2017, 19, 2573–2620. [Google Scholar] [CrossRef]
- Verma, N.; Hu, Y.; Huang, L.; Rieutort-Louis, W.S.; Robinson, J.S.; Moy, T.; Glisic, B.; Wagner, S.; Sturm, J.C. Enabling scalable hybrid systems: Architectures for exploiting large-area electronics in applications. Proc. IEEE 2015, 103, 690–712. [Google Scholar] [CrossRef]
- Liu, B.; Yi, X.; Yang, K.; Liang, Z.; Feng, G.; Choi, P.; Boon, C.C.; Li, C. A carrier aggregation transmitter front end for 5-GHz WLAN 802.11ax application in 40-nm CMOS. IEEE Trans. Microw. Theory Tech. 2020, 68, 264–276. [Google Scholar] [CrossRef]
- Wang, X.; Jin, J.; Liu, X.; Zhou, J. An ISM band high-linear current-reuse up-conversion mixer with built-in-self-calibration for LOFT and I/Q imbalance. IEEE Trans. Circuits Syst.-Express Briefs 2020, 67, 2898–2920. [Google Scholar] [CrossRef]
- Handel, P.; Ronnow, D. Modeling mixer and power amplifier impairments. IEEE Microw. Wirel. Compon. Lett. 2019, 29, 441–443. [Google Scholar] [CrossRef]
- Voltti, M.; Koivisto, T.; Tiiliharju, E. Comparison of active and passive mixers. In Proceedings of the 2007 18th European Conference on Circuit Theory and Design, Seville, Spain, 27–30 August 2007; IEEE: New York, NY, USA, 2007; pp. 890–893. [Google Scholar]
- Li, J.; Gu, Q.J. Harmonic-based nonlinearity factorization of switching behavior in up-conversion mixers. IEEE Trans. Circuits Syst. I Regul. Pap. 2019, 66, 2468–2477. [Google Scholar] [CrossRef]
- Li, Z.; Torfs, G.; Bauwelinck, J.; Yin, X.; Vandewege, J.; Praet Van, C.; Spiessens, P.; Tubbax, H.; Stubbe, F. A 2.45-GHz +20-dBm fast switching class-E power amplifier with 43% PAE and a 18-dB-wide power range in 0.18-um CMOS. IEEE Trans. Circuits Syst. Express Briefs 2012, 59, 224–228. [Google Scholar] [CrossRef]
- Ponte, J.; Ghahremani, A.; Huiskamp, M.; Annema, A.J.; Nauta, B. Theory and implementation of a load-mismatch protective class-E PA system. IEEE Trans. Circuits Syst. I Regul. Pap. 2020, 67, 369–377. [Google Scholar] [CrossRef]
- Yang, C.; Jin, K.; Mao, D.; Zhu, X. Precise configuration of transmission line Class-E power amplifier operating at GHz Frequency. IEEE J. Emerg. Sel. Top. Power Electron. 2022, 10, 6396–6404. [Google Scholar] [CrossRef]
- Yang, Z.; Li, M.; Dai, Z.; Xu, C.; Jin, Y.; Li, T.; Tang, F. A generalized high-efficiency broadband class-E/F-3 power amplifier based on design space expanding of load network. IEEE Trans. Microw. Theory Tech. 2020, 68, 3732–3744. [Google Scholar] [CrossRef]
- Yi, K.S.; Murad, S.A.Z.; Mohyar, S. A study and analysis of high efficiency CMOS power amplifier for IoT applications. In Proceedings of the Journal of Physics: Conference Series, 5th International Conference on Electronic Design (ICED), Perlis, Malaysia, 19 August 2020; IOP Publishing: Bristol, UK, 2021; Volume 1755, p. 012020. [Google Scholar]
- Mindubaev, E.; Danilov, A. Effect of class E power amplifier loading network on output power and efficiency of inductive powering system for implantable medical devices. In Proceedings of the AIP Conference Proceedings, St. Petersburg, Russia, 3–6 July 2019; AIP Publishing LLC.: Melville, NY, USA, 2019; Volume 2140, p. 020046. [Google Scholar]
- Latha, Y.M.A.; Rawat, K. Extending the design space of class E mode to design a multi-octave power amplifier. IEEE Trans. Circuits Syst. II Express Briefs 2022, 69, 4829–4833. [Google Scholar]
- Du, J.C.; Wang, Z.G.; Xu, J.; Yang, Y.F. A Current-Injection Class-E Power Amplifier. IEEE Microw. Wirel. Components Lett. 2020, 30, 775–778. [Google Scholar] [CrossRef]
- Milosevic, D.; van der Tang, J.; Van Roermund, A. Explicit design equations for class-E power amplifiers with small DC-feed inductance. In Proceedings of the 2005 European Conference on Circuit Theory and Design, Cork, Ireland, 2 September 2005; IEEE: New York, NY, USA, 2005; Volume 3, pp. III/101–III/104. [Google Scholar]
- Acar, M.; Annema, A.J.; Annema, A.J. Analytical design equations for Class-E power amplifiers. IEEE Trans. Circuits Syst. I Regul. Pap. 2007, 54, 2706–2717. [Google Scholar] [CrossRef]
- Mazzanti, A.; Larcher, L.; Brama, R.; Svelto, F. Analysis of reliability and power efficiency in cascode class-E PAs. IEEE J. Solid-State Circuits 2006, 41, 1222–1229. [Google Scholar] [CrossRef]
- Kutty, K. Class-E Cascode Power Amplifier Analysis and Design for Long Term Reliability. 2010. Available online: http://purl.fcla.edu/fcla/etd/CFE0003360 (accessed on 25 June 2023).
- Rahola, J. Power waves and conjugate matching. IEEE Trans. Circuits Syst. II Express Briefs 2008, 55, 92–96. [Google Scholar] [CrossRef]
- Presas, S.M.; Weller, T.M.; Silverman, S.; Rakijas, M. High efficiency diode doubler with conjugate-matched antennas. In Proceedings of the 2007 European Microwave Conference, Munich, Germany, 9–12 October 2007; IEEE: New York, NY, USA, 2007; pp. 250–253. [Google Scholar]
- Liew, Y.H.; Joe, J. RF and IF ports matching circuit synthesis for a simultaneous conjugate-matched mixer using quasi-linear analysis. IEEE Trans. Microw. Theory Tech. 2002, 50, 2056–2062. [Google Scholar] [CrossRef]
- Sun, Y.; Fidler, J. Design method for impedance matching networks. IEE Proc. Circuits Devices Syst. 1996, 143, 186–194. [Google Scholar] [CrossRef]
- Rezvani, G.A.; Tao, J. Substrate isolation in 0.18 um CMOS technology. In Proceedings of the 2005 International Conference on Microelectronic Test Structures, 2005. ICMTS 2005, Leuven, Belgium, 4–7 April 2005; IEEE: New York, NY, USA, 2005; pp. 131–136. [Google Scholar]
- Wang, Z.; Cheng, G.; Kang, W.; Li, Z.; Chen, J. High isolation and high power of 0.13 um CMOS SPDT switch using deep-N-well transistors and floating-body technique in K-band. Microw. Opt. Technol. Lett. 2023, 65, 2126–2131. [Google Scholar] [CrossRef]
- Zong, P.; Zhou, Y.; Zhang, H.; Zhou, Y.; Wang, K. A 433 MHz transmitter based on injection-locking and frequency multiplication. In Proceedings of the 2019 IEEE 4th International Conference on Integrated Circuits and Microsystems (ICICM), Beijing, China, 25–27 October 2019; IEEE: New York, NY, USA, 2019; pp. 1–4. [Google Scholar]
- Vasilakopoulos, K.; Liscidini, A. A reconfigurable passive switched-capacitor TX RF front end with -57 dB ACLR2. IEEE Solid-State Circuits Lett. 2020, 3, 294–297. [Google Scholar] [CrossRef]
- Mohr, B.; Mueller, H.J.; Zhang, Y.; Thiel, B.; Negra, R.; Heinen, S. A digital centric CMOS RF transmitter for multistandard multiband applications. In Proceedings of the 2014 IEEE Radio Frequency Integrated Circuits Symposium, Tampa, FL, USA, 1–3 June 2014; IEEE: New York, NY, USA, 2014; pp. 221–224. [Google Scholar]
- Lopelli, E.; Spiridon, S.; Tang, v.d.J. A 40nm wideband direct-conversion transmitter with sub-sampling-based output power, LO feedthrough and I/Q imbalance calibration. In Proceedings of the 2011 IEEE International Solid-State Circuits Conference, San Francisco, CA, USA, 20–24 February 2011; IEEE: New York, NY, USA, 2011; pp. 424–426. [Google Scholar]
- Un, K.F.; Yu, W.H.; Cheang, C.F.; Qi, G.; Mak, P.I.; Martins, P.R. Sub-GHz wireless transmitter utilizing a multi-class-linearized PA and time-Domain wideband-auto I/Q-LOFT calibration for IEEE 802.11af WLAN. IEEE Trans. Microw. Theory Tech. 2015, 63, 3228–3241. [Google Scholar] [CrossRef]














| Design Parameter | Value |
|---|---|
| Technology | 55 nm |
| Supply Voltage | 1.2/1.8 V |
| Operating Frequency | 433.92 MHz |
| Data Rate | 192 kbps |
| Overall Conversion Gain | >40 dB |
| Power Consumption | <6 mW |
| Maximum Output Power | >3 dBm |
| Component | Value | Component | Value |
|---|---|---|---|
| 16 m/0.06 m | 2 × (16 m/0.06 m) | ||
| 4 × (32 m/0.5 m) | 12 × (12 m/1 m) | ||
| 12 m/1 m | 2 × (12 m/1 m) | ||
| 4 × (4 m/0.1 m) | 20 m/0.1 m | ||
| 4 × (32 m/0.5 m) | 2 × (64 m/0.06 m) | ||
| 2 × (16 m/0.06 m) | 10 k | ||
| 10 k | 6 k | ||
| 10 k | 800 fF |
| Component | Value |
|---|---|
| 2 × (20 m/0.2 m) | |
| 5 × (5 m/0.3 m) | |
| 2 × (2 m/0.3 m) | |
| 4 × (2 m/0.3 m) | |
| 9 × (2 m/0.3 m) | |
| 2 × (20 m/0.2 m) |
| Component | Value |
|---|---|
| 437 fF | |
| 250 | |
| 74.8 nH |
| Performance | [2] | [28] * | [29] | This Work |
|---|---|---|---|---|
| Year | 2020 | 2019 | 2020 | 2023 |
| Architecture | AMP + ADC + PLL | Ring | SRAM + DAC + PLL | Mixer + |
| + Mixer + PA | Oscillator | + Mixer + Driver | Driver + PA | |
| Modulation Type | BPSK | FSK | 64-QAM | BPSK |
| Technology (nm) | 350 | 180 | 65 | 55 |
| Operating Frequency | 433 | 433 | 1000 | 433 |
| (MHz) | ||||
| VDD (V) | 1.8/2.5 | 1.8 | N.A. | 1.2/1.8 |
| DE (%) | N.A. | N.A. | N.A. | 34.5 |
| Maximum Pout | 5.7 | −28 | 9.5 | 2.7 |
| (dBm) | ||||
| Area (mm) | 1.71 | 0.0018 | 0.5 | 0.018 |
| Power (mW) | 25.1 (PA 9.8) | 0.58 | 45 | 6.72 |
| Bandwidth (MHz) | 0.384 | N.A. | 20 | 0.384 |
| EVM (%) | 17.06 | N.A. | 7.33 | 0.83 |
Disclaimer/Publisher’s Note: The statements, opinions and data contained in all publications are solely those of the individual author(s) and contributor(s) and not of MDPI and/or the editor(s). MDPI and/or the editor(s) disclaim responsibility for any injury to people or property resulting from any ideas, methods, instructions or products referred to in the content. |
© 2023 by the authors. Licensee MDPI, Basel, Switzerland. This article is an open access article distributed under the terms and conditions of the Creative Commons Attribution (CC BY) license (https://creativecommons.org/licenses/by/4.0/).
Share and Cite
Yuan, H.; Zhou, R.; Wang, P.; Xu, H.; Wang, Y. A 55 nm CMOS RF Transmitter Front-End with an Active Mixer and a Class-E Power Amplifier for 433 MHz ISM Band Applications. Electronics 2023, 12, 4711. https://doi.org/10.3390/electronics12224711
Yuan H, Zhou R, Wang P, Xu H, Wang Y. A 55 nm CMOS RF Transmitter Front-End with an Active Mixer and a Class-E Power Amplifier for 433 MHz ISM Band Applications. Electronics. 2023; 12(22):4711. https://doi.org/10.3390/electronics12224711
Chicago/Turabian StyleYuan, Huazhong, Ranran Zhou, Peng Wang, Hui Xu, and Yong Wang. 2023. "A 55 nm CMOS RF Transmitter Front-End with an Active Mixer and a Class-E Power Amplifier for 433 MHz ISM Band Applications" Electronics 12, no. 22: 4711. https://doi.org/10.3390/electronics12224711
APA StyleYuan, H., Zhou, R., Wang, P., Xu, H., & Wang, Y. (2023). A 55 nm CMOS RF Transmitter Front-End with an Active Mixer and a Class-E Power Amplifier for 433 MHz ISM Band Applications. Electronics, 12(22), 4711. https://doi.org/10.3390/electronics12224711

