Next Article in Journal
Energy Prediction for Energy-Harvesting Wireless Sensor: A Systematic Mapping Study
Previous Article in Journal
Intelligent Vibration Monitoring System for Smart Industry Utilizing Optical Fiber Sensor Combined with Machine Learning
 
 
Font Type:
Arial Georgia Verdana
Font Size:
Aa Aa Aa
Line Spacing:
Column Width:
Background:
Article

A z-Axis-Tolerant Inductive Power Transfer System Using a Bipolar Double D Receiver Coil Structure

Faculty of Electrical Engineering and Computer Science, University of Maribor, 2000 Maribor, Slovenia
*
Author to whom correspondence should be addressed.
Electronics 2023, 12(20), 4303; https://doi.org/10.3390/electronics12204303
Submission received: 12 September 2023 / Revised: 6 October 2023 / Accepted: 16 October 2023 / Published: 17 October 2023
(This article belongs to the Section Power Electronics)

Abstract

:
This paper presents a solution to a limitation of wireless power transfer that arises when using two D-shaped transmitter and receiver coils. Double D, or DD, coils are well known to have a polar, directional magnetic field, which increases the misalignment tolerance in one of the directions. The misalignment tolerance is nonsymmetric, and it is significantly better in one of the directions, which can also be considered a shortcoming. An additional shortcoming of the DD coil is that it is dependent on the rotation around the z-axis, due to the directional magnetic field. This is not a problem when using classic planar spiral coils, which do not generate a directional magnetic field. Therefore, DD coils are not suitable for applications in which the z-axis orientation is not determined and fixed to specific angle and direction. This paper presents a unique design of a transmitter coil, based on a double DD coil. The transmitter coil consists of two DD coils which are perpendicular to each other. The proposed transmitter structure can excite the receiver DD coil in a way that the efficiency of the power transfer is the highest, regardless of the orientation. The proposed transmitter structure can, therefore, solve the problem with rotation of a single DD coil. The proposed system structure was tested on the small-scale experimental setup.

1. Introduction

Wireless power transfer has gained more prominence in the recent decade, especially with the recent developments in the field of electric vehicles [1,2,3,4,5,6,7,8] and portable, battery powered devices and wearables [9,10,11]. As an alternative to wired charging, it eliminates the wear and tear associated with wired connectors. Additional benefits are robustness and the resistance to environmental influences, and also its simplicity of use. Among the different wireless power transfer methods, inductive wireless power transfer (IPT) is the most popular. The main advantages of IPT are power scalability and short to medium distance transfer. The IPT systems are also very scalable; they can provide power from a few watts for portable devices and medical implants up to several kilowatts, as required for electric vehicle charging [12].
The IPT system transfers power via a magnetic field generated by the transmitter coil. The transmitter coil is coupled magnetically to the receiver coil. The efficiency and power losses of the system are linked to the magnetic coupling between the transmitter and the receiver coil. The coupling is usually formatted as a dimensionless parameter called the coupling coefficient. The coupling coefficient between the coils is dependent on the shape and size of the coils. It is also dependent on the distance and misalignment between the coils. When the coupling coefficient is smaller, the efficiency of the system is also reduced. The main cause of coupling coefficient reduction is usually horizontal misalignment between the transmitter and the receiver coil [13,14,15]. The vertical distance between the coils is usually constant and important when designing the size and other physical parameters of the coils. The coils with a larger footprint also allow for more horizontal misalignment.
There are many different methods to increase the misalignment tolerance, from the usage of different coil shapes to multi-transmitter IPT system designs. One of the most unique shapes that is also tolerant to horizontal misalignment is the DD coil shape [16,17,18]. The DD coil shape consists of two planar spiral D coils connected in series. The coil structure generates a uniform directional magnetic field, without the need for bulky ferrite cores, such as is the case in a flux-pipe coil design [19]. Regarding the required volume, the DD coil is very similar to classic planar spiral coils, which are usually used in IPT. The main advantage of a DD coil is its better misalignment tolerance compared with other planar coils. The misalignment tolerance is increased due to the directional, uniform magnetic field. On the other hand, a DD coil is not tolerant to changes in orientation around the z-axis, and the advantage of a classic spiral coil is that it is independent of orientation around the z-axis.
The coupling coefficient between the transmitter and the receiver DD coil is dependent on orientation around the z-axis. If the orientation is 90°, the coupling coefficient is zero. Using a double DD coil structure on the transmitter and the receiver side makes system automatically tolerant to rotation around the z-axis [20].
In the case of a maximum coupling coefficient, and therefore, maximum efficiency, the orientation between the coils must be near zero. If the DD coils are not visible and are not marked correctly, this can be difficult. For instance, additional markings are not required in planar spiral coils in smart phones.
This paper presents a solution to the orientation problem of DD coils. It is based on a multicoil transmitter and single coil receiver. The transmitter consists of two DD coils in a double DD coil structure. The power is transmitted to the single DD coil. A multicoil transmitter has the ability to change the direction of the transmitter magnetic field, which can be rotated around the z-axis. At the start of the charging process, a computer control algorithm determines the orientation of the receiver and activates the transmitter coil structure. When the orientation of the receiver coil is determined, the correct transmitter configuration is used to wirelessly transfer the power and control the voltage at the output of the full-bridge rectifier. This specific transmitter structure enables a DD receiver coil to be placed on top of the transmitter coil in any orientation, ensuring the best possible efficiency.
The paper is organized as follows. The Section 2, following this introduction, is the description of the transfer pad topology that enables the rotating directional magnetic field. In the Section 3, the circuit of the proposed IPT system is described, which also includes the orientation detection algorithm that is used to optimize the power efficiency of the system. The fabricated IPT system and parameters of the system are presented in the Section 4. The experimental results of the fabricated IPT system, with or without the proposed algorithm, are presented in Section 5. The results are presented on systems with and without the proposed orientation detection algorithm. Section 6 includes a discussion about the measurement results and possible future work. Lastly, Section 7 serves as a conclusion to this paper.

2. Concept Description

The DD coil system has the best efficiency if most of the magnetic flux generated by the transmitter coils is also coupled trough the receiver DD coil. Because the DD transmitter coil generates the directional magnetic flux, the efficiency is the highest if the receiver DD coil is also aligned in the direction of the generated magnetic flux. In a classical DD coil system topology, this is not always possible.
The proposed double DD transmitter coil structure solves this problem by implementing a multicoil transmitter design. The double DD transfer pad was first described in [21]. It was used to transfer power to a double DD coil on the receiver side, thus doubling the transfer power.
The double DD coil structure is presented in Figure 1 as a transmitter coil. The transfer structure consists of two classic DD coils with the same dimensions that occupy the same area. The coils are placed on top of each other and are rotated 90° to each other. The bottom coil is called the DD1 coil and the top coil is called the DD2 coil. The DD1 coil generates a directional magnetic flux in the x-axis direction, and the DD2 coil generates a directional magnetic flux in the y-direction. The magnetic flux generated by the DD1 coil does not induce voltage in the DD2 coil. The same applies to the DD2 coil magnetic flux, which does not induce voltage in the DD1 coil. Therefore, the coupling coefficient between the two transmitter coils in a double DD coil structure is zero.
The main differences between the systems described in previous works [20,21] are in the secondary side of the IPT system. In previous works, the receiver side also consisted of a double DD coil, the same as the transmitter coil. Therefore, in [21], the DD1 transmitter coil transferred power to the DD1 receiver coil. The same is true for the DD2 transmitter coil, which transmits power to the DD2 receiver coil. Thus, a system using a double DD transmitter and receiver coil forms two energy transfer channels, which doubles the power. If the coils are aligned, DD1 and DD2 power channels do not interact with each other. However, they start to interact if the receiver is rotated. The system is also automatically tolerant to rotation between the transmitter and receiver, as presented in [20]. There is no need for an orientation detection algorithm.
In the case of this paper, the transmitter DD coil transfers power to a single DD coil. The receiver coil can receive power from each of the transmitter coils, DD1 or DD2. However, the power transfer can be suboptimal, since the DD receiver coil is sensitive to the direction of the magnetic field generated by the transmitter coil. Therefore, an orientation detection algorithm should be applied at the start of the transfer in order to ensure the most optimal wireless power transfer.
The receiver coil in Figure 1 is a classic directional DD coil, which receives power transferred from the transmitter coil. The receiver coil can be rotated relative to the transmitter coil. The orientation angle is marked with α. The angle α is 0° when the receiver DD coil is aligned with the transmitter DD1 coil. The angle α is 90° if the receiver DD coil is aligned with the transmitter DD2 coil. The IPT system structure using only a single DD transmitter coil is not tolerant to changes in orientation. At angles near 90°, the coupling coefficient decreases drastically. This is one of the drawbacks of the DD coil structure compared with the classic spiral planar coil, which is tolerant to changes in orientation.
When the proposed double DD coil is used, at angles near 90°, the DD1 coil can be switched off and the DD2 coil can be switched on. At 90°, the DD2 coil is perfectly aligned with the receiver coil. Therefore, the efficiency of the proposed system is higher, and the IPT system is more tolerant to different orientations between the transmitter and the receiver coil.
By changing which transmitter coil is active and adjusting the phase difference between excitation voltages, the transmitter coil can energize the receiver coil, oriented in a different direction. The direction of the coil is determined at the start of the wireless power transfer using an orientation detection algorithm. Altogether, there are four basic modes the transmitter double DD coil can operate in. Each of the modes is more suitable for power transfer to a single DD coil. The modes are presented in Figure 2. The active coils are marked with color and the non-active coils are gray. Figure 2a presents the optimal mode when the angle α between the transmitter and the receiver coil is 0°. The active coils are marked in red. Figure 2b presents the optimal mode when the angle α between the transmitter and the receiver coil is 45°. The active coils are marked in green. Figure 2c presents the optimal mode when the angle between the transmitter and the receiver coil is 90°. The active coils are marked in yellow. The fourth (and last) mode when the transmitter and the receiver coil are rotated 135° to each other, is presented in Figure 2d. The active coils are marked in purple.
In the case that the angle α is 0° or 90°, only one of the coils is active. The second coil is not excited, due to not transferring power to the receiver coil. In Figure 2a, when α is 0°, only the DD1 coil is active. The case is similar in Figure 2c, when α is 90° and only the DD2 coil is active. When α is between 0° and 90°, both transmitter coils should be active, as is evident in Figure 2b. The main component of the generated magnetic flux has a diagonal direction. Similarly, in the case when the angle α is between 90° and 180°, both transmitter coils should be active. This is also evident in Figure 2b. The main difference between modes, as presented in Figure 2b,d, is in the direction of the field. In both cases, the DD1 and DD2 transmitter coils are active. In both modes, the DD1 coil is excited in the same way. The difference is in excitation of the DD2 coils, which are inverted to each other. The excitation waveform of the DD2 coil has a different sign. This impacts on the direction of the generated magnetic flux.
Figure 2 describes wireless transfer modes in the case when the receiver DD coil is rotated at angles of α between 0° and 135°. The transmitter and the receiver coils are symmetrical. This means that if the angle α is 180°, the system can operate in the same mode as when the angle α is 0°. The four basic modes, therefore, cover the entire 360° rotation of the single receiver DD coil.
The phase in which the orientation of the receiver DD coil is determined is called the system initialization phase. The initialization phase must be performed at the start of the wireless power transfer to determine the optimal wireless transfer mode. If the initialization is not performed, the system can operate in suboptimal mode, which can decrease the efficiency of the wireless power transfer system drastically.

3. System Design

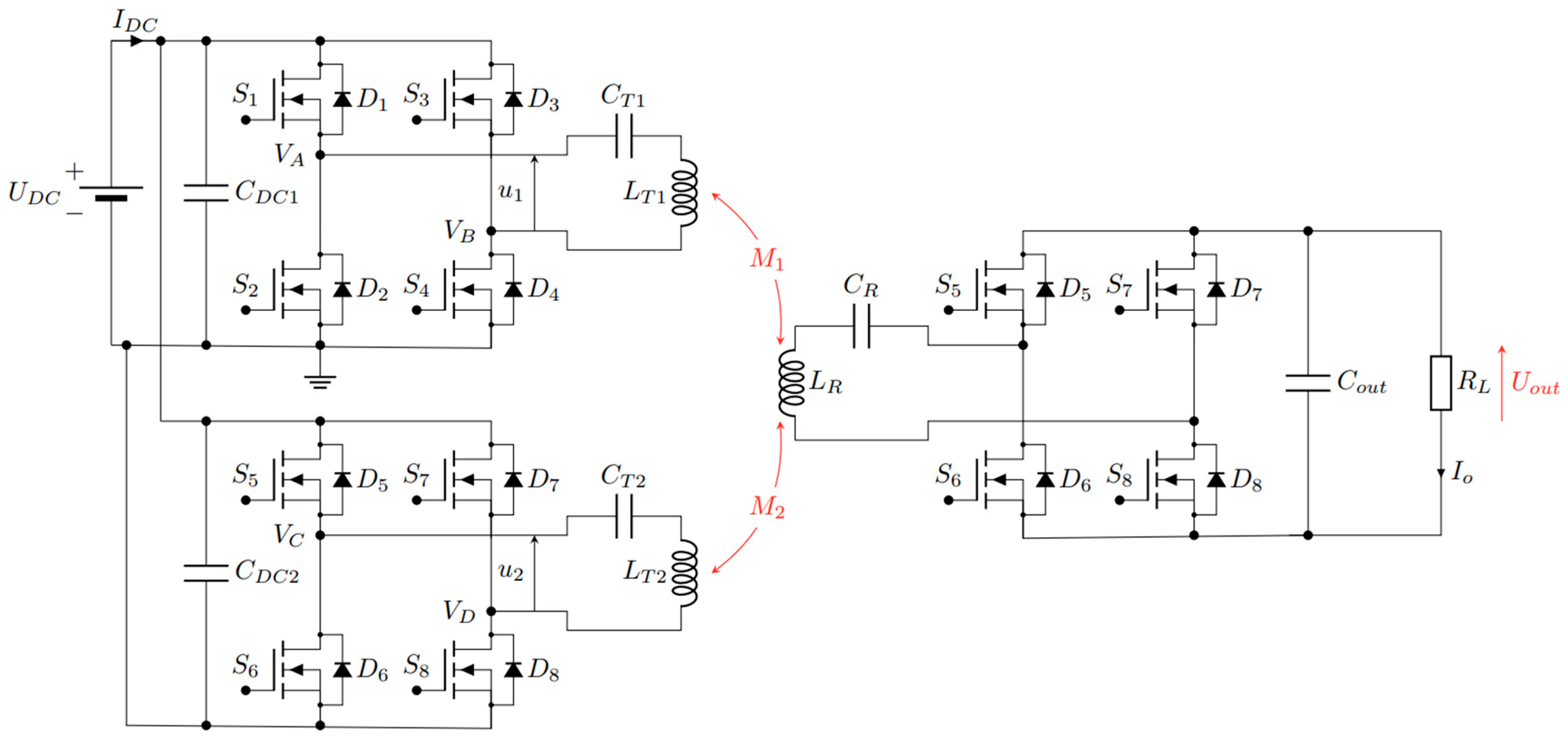
The proposed IPT system can be divided into primary and secondary sides. The primary, or the transmitter side, includes two high-frequency full-bridge inverters and two transmitter coils with their respective compensation networks. The secondary, or receiver side, includes the receiver coil, compensation network and active rectifier that powers up the load. The circuit structure is presented in Figure 3. The high-frequency inverter is powered up by a DC voltage source with the voltage UDC, which supplies the DC current IDC. Each of the two inverters drives one of the DD coils in the double DD coil structure. The DD1 transmitter coil, with inductance LT1 and series compensation capacitor CT1, is excited by current iT1. The DD2 transmitter coil, with inductance LT2 and series compensation capacitor CT2, is excited by current iT2. Current iT1 is controlled using the first inverter and current iT2 is controlled by the second inverter. The induced AC voltage is rectified using a synchronous rectifier and powers up the load with resistance RL. The receiver coil with inductance LR is compensated using a series compensation capacitor with capacitance CR. The double DD transmitter coil has two coils, and therefore, has two mutual inductances with the receiver coil. The mutual inductance between the DD1 coil LT1 and receiver coil LR is denoted as M1, and the mutual inductance between the DD2 coil LT2 and the receiver coil is denoted as M2. Both mutual inductances M1 and M2 are dependent on the orientation between the transmitter double DD coil and the receiver coil.
The operation frequency of the system is determined with the resonant frequency of the transmitter coil and its own compensation capacitor. When the series–series compensation topology is used, the frequency can be determined using:
ω 0 = 1 L T 1 C T 1 = 1 L T 2 C T 2 = 1 L R C R
where ω0 is the angular operational frequency. The operational switching frequency of the inverter can be different to the resonant frequency of the compensation circuit.
The voltage waveforms used to excite the transmitter coils are presented in Figure 4. The top graph presents the voltage potentials at the output of the first inverter, and the bottom graph presents the voltage potentials at the output of the second inverter. Both inverters are driven using a phase-shifted PWM signal [22,23,24]. Phase-shifted modulation is used to control the main harmonic component of the voltage at the input of the transmitter resonant circuit. The phase shift angle is denoted with ϕ1 and is the same for both inverters. The phase shift angle ϕ1 can vary between 0 and π. The waveforms can also be phase-shifted to each other. The phase shift angle between the output voltages of the inverters is denoted as ϕ2. The phase shift angle ϕ2 between the output voltages of the inverter can also be varied between 0 and π.
The main harmonic component of the inverter output voltages is dependent on the input DC voltage and the phase-shifted angle of the inverters. In the case of the proposed IPT system, the phase-shifted angle is the same. Therefore, the main harmonic component of the voltage also has the same amplitude. The main harmonic component of the output voltage can be described using:
u 1 = 4 U D C π sin ϕ 1 2 sin ω t
u 2 = 4 U D C π sin ϕ 1 2 sin ω t + ϕ 2
The voltage waveforms are presented in Figure 5. The waveforms marked with the red line are the waveforms of the first inverter, and the waveforms marked with the blue line are the second inverter waveforms. The waveforms marked with the continuous line are the waveforms on the actual output of the inverter. The dashed waveforms represent the first harmonic component of the output voltage. By changing the phase shift ϕ2 between the voltages, the excitation mode of the double DD transfer pad can be changed. This is described in the next subsection.

Orientation Detection Algorithm

The double DD transmitter coil can be divided into four quadrants. The quadrants are presented in Figure 6. During the power transfer, two or all quadrants can be active. Which quadrant of the transmitter coil is active is determined by the magnetic flux density. The magnetic flux direction is, therefore, determined by the operational mode of the double DD coil structure. When only the bottom DD1 coil is active, the main component of the magnetic flux flows in the direction of the x-axis. If only the top DD2 coil is active, the main component of the magnetic flux flows in the direction of the y-axis. In both cases, all four quadrants of the double DD coil structure are active.
When both coils are active, the magnetic field generated by each coil interacts and forms regions of higher and lower magnetic flux density in the quadrants of the coils. If the current through both coils is the same, two regions have a higher value of magnetic flux density. In the other two quadrants, the magnetic flux density is zero. Which regions are active is dependent on the phase difference between the excitation voltages of the coils. In the case when the phase angle between the voltages is zero, the second and fourth quadrants are active and the first and third quadrants are not. The magnetic flux, therefore, flows from the fourth to the second quadrant. In the case that the phase difference between the inverter voltages is 180°, only the first and third quadrants are active. Therefore, the magnetic flux flows from the first to the third quadrant.
When all modes are added together, the double DD transmitter coil structure can be excited in four separated modes. Which mode should be active is determined by the orientation of the receiver coil. The orientation of the receiver coil can be determined by the receiver orientation algorithm at the start before the wireless power transfer.
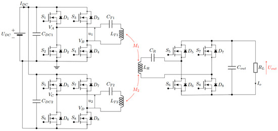
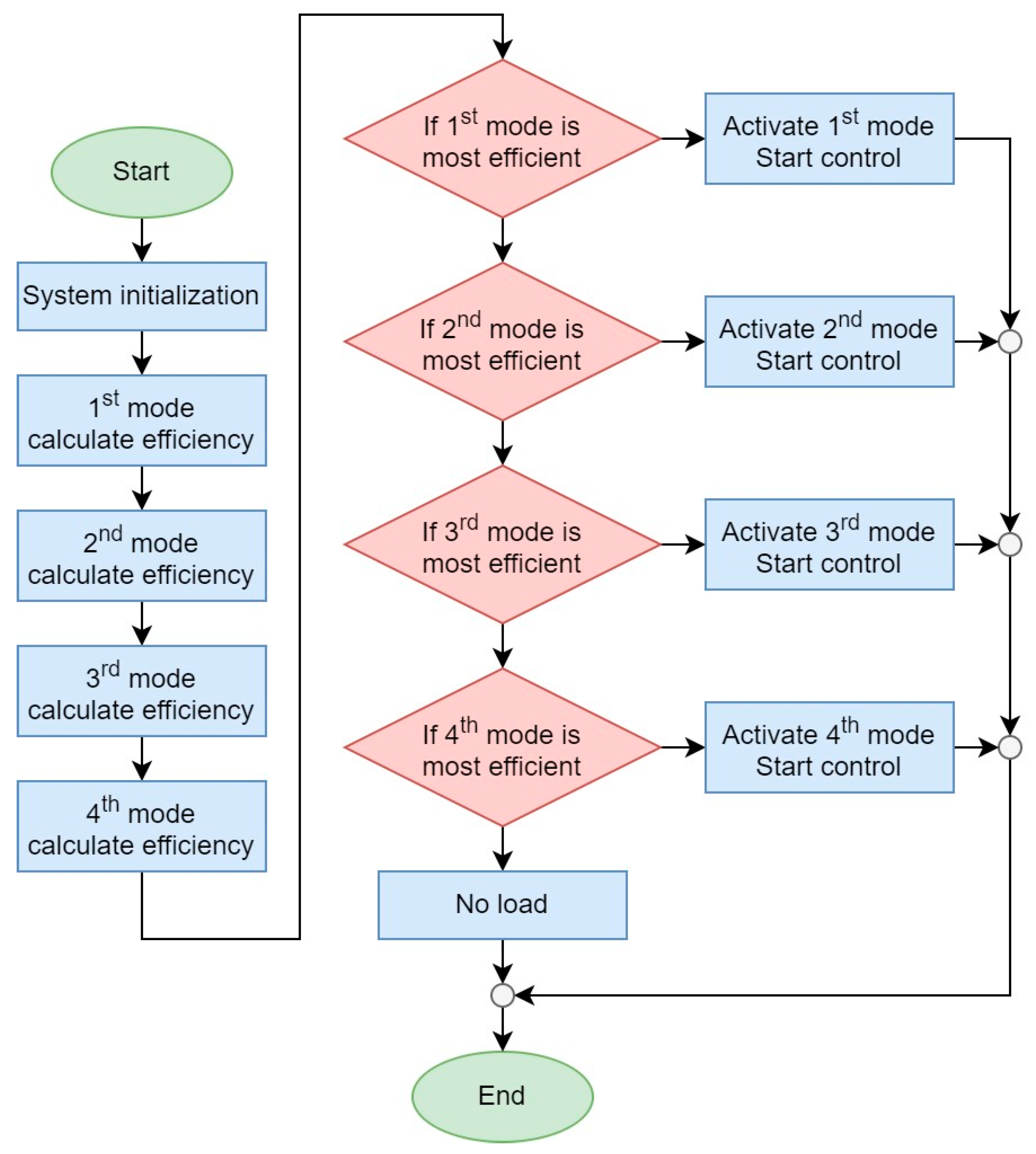
The orientation detection algorithm is described in the flowchart in Figure 7. First is the system initialization. Then, the high-frequency inverter energizes the coils in four different modes. The modes are summarized in Table 1. In the first mode, only the DD1 coil is active. In the second mode, both the DD1 and DD2 coils are active, with a phase difference of 0° between the excitation voltages. In the third mode, only the DD2 coil is active. In the fourth and last mode, both the DD1 and DD2 coils are active, with a phase difference of 180° between the voltages. The inverter input voltage UDC and input current IDC are measured during each mode. The load voltage UL and current IL are measured on the secondary side. The efficiency of the system is calculated in each mode. When the mode is aligned with the orientation of the receiver coil, higher efficiency results. When the mode is not aligned with the receiver coil, the efficiency of the power transfer is lower.
The receiver coil is aligned with first mode if the receiver coil orientation is 0°. In the case when the receiver coil orientation is between 0° and 90°, the most efficient mode is the second mode. When the receiver coil orientation is 90°, the most efficient mode is the third mode. Lastly, if the coil orientation is between 90° and 180°, the most efficient mode is the fourth mode. Because the transmitter coil structure and receiver DD coil are axisymmetric, the receiver coil orientations between 180° and 360°are the same as orientations between 0°and 180°.
n i = U o u t I o u t U D C I D C

4. Fabricated Set-Bench

An IPT test bench was fabricated to test the proposed idea. The test set-bench is presented in Figure 8. The IPT system is mounted on a 3D positioning mechanism that helps with the positioning of the transmitter and receiver pads in a 3D space. The main parts of the IPT system are highlighted. The IPT system is divided into primary and secondary sides. The main parts of the primary side of the IPT system are the dual high-frequency inverters, primary compensation capacitors and double DD transmitter coil structure. The main parts of the secondary side are the receiver DD coil, secondary compensation capacitor and active rectifier.
The dual high-frequency inverter is controlled using a microcontroller card. It generates PWM signals for the transistor gate drivers. The previously described orientation detection algorithm is also implemented on the microprocessor. According to the orientation detection algorithm, the transmitter coil is powered up in optimal IPT mode. The microprocessor communicates with the PC using a USB cable.
The parameters of the fabricated system are presented in Table 2. This includes the inductances of the transfer coils, the values of the compensation capacitors and the basic operating point of the dual inverters. Both inverters operate in a frequency range above the resonant frequency in the inductive load range.
The coils have footprint of 100 mm × 100 mm, which is determined by the 6 mm thick ferrite pad. The DD coils used in the receiver and the transmitter have the same number of turns and the same dimensions. Each coil consists of two D-shaped planar coils with outer dimensions of 100 mm × 5 mm and nine turns. The resulting DD coil has 18 turns.

5. Experimental Results

This section includes the experimental results of the proposed method. As stated before, using a detection algorithm, the microcontroller estimates the orientation of the receiver DD coil, and starts to transfer power in one of the four defined modes. This results in higher system efficiency, compared with a single DD coil IPT. Section 5.1 includes the results of the IPT system without using the detection algorithm and voltage controller. Section 5.2 includes the results of the IPT system with the implemented algorithm.

5.1. Impact of the Receiver Coil Orientation on IPT Efficiency

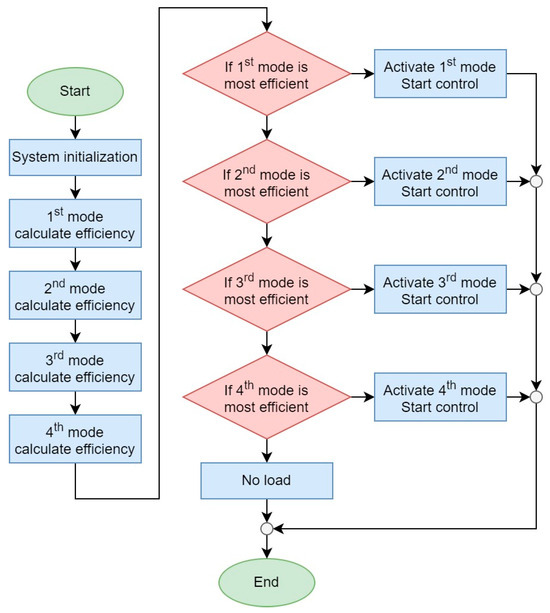
To examine the impact of the receiver coil orientation with angle α, measurements were first performed on the system without the angle detection algorithm and usage of the four different modes of operation. The angle α between the transmitter and the receiver coil was adjusted between 0° and 90°. This range of angles encompasses the first, second, and third modes of the operation. The fourth mode of operation is for angles between 90° and 135° and is not that different from the second operating mode. To evaluate the impact of the receiver coil orientation on IPT, the efficiency of the system was measured at each measurement point. The measurements were performed at three different double DD coil configurations. In the first configuration, only the DD1 coil was active. In the second configuration only the DD2 coil was active. In the third and the last configurations, both the DD1 and DD2 coils were active.
The results are presented in Table 3, Table 4 and Table 5. Angle α describes the orientation angle between the transmitter and receiver coil, UDC is the voltage at the input of the inverter, and IDC is the current at the input of the inverter. Input power Pin is calculated from the input voltage and current. The output power Pout is calculated from the rectifier output voltage Uout and the load resistance RL. The DC-DC efficiency of the system is calculated from the input and output power.
The results of the measurements from Table 3, Table 4 and Table 5 are presented in Figure 9. Figure 9a presents the efficiency of the system using only the DD1 coil. Figure 9b presents the efficiency of the system using only the DD2 coil. The efficiency of the IPT system using both coils of the double DD coil structure is presented in Figure 9c. Figure 9d presents all the results on the same graph.
At the angle 0°, the DD1 coil was aligned perfectly with the receiver coil. The efficiency of the system was around 75%. The efficiency of the IPT using only the DD2 coil was 0%. On the other hand, when the angle was 90°, the DD2 coil was aligned perfectly with the receiver coil. The efficiency of the IPT was also 75%. At 90°, the efficiency of the IPT using only the DD1 coil was 0%. When the angle changed from 0° to 90°, the efficiency of the IPT system using only the DD1 coil decreased. On the other hand, the efficiency of the IPT system using only the DD2 coil increased. When both coils were active, the highest efficiency of the system was in the middle, around the 45° angle, and around 80%. The efficiency of the double DD coil IPT transfer decreased in edge cases when angle was near 0° or 90°. In the edge cases, the efficiency of the double DD IPT system was lower than the single DD coil system. This can be seen more clearly in Figure 9d.
Because a double DD transmitter coil is not better than a single DD transmitter coil on the entire region, the control system must switch between different modes. Only then can the optimal efficiency of the wireless power transfer be achieved. The proposed orientation detection algorithm and different operating modes are designed to eliminate the inefficiency of the IPT that is the result of different orientations between the transmitter and the receiver coil.

5.2. Orientation Detection and Voltage Control

The proposed orientation detection algorithm that was described in previous sections was implemented on the microcontroller in the form of a state machine with four different states. At the start of the IPT, the microcontroller activates one state at a time and energizes the receiver coil in different modes. The efficiency of the wireless transfer was calculated in each state. The state with the highest efficiency is then used in a further wireless transfer. This resulted in higher efficiency of the IPT system compared with the system without the coil detection algorithm, or a system using only a single DD transmitter coil. The receiver coil orientation detection is presented in Figure 10. One of the four modes is chosen for the working IPT mode, based on the efficiency criteria. In Figure 10a, the receiver coil was at angle 0°. Therefore, the receiver coil was aligned perfectly with the DD1 coil. This is also reflected in the fact that the efficiency of the first mode was the highest. Figure 10b presents the orientation detection when receiver coil was at a 45° angle. The IPT system had the highest efficiency in the second mode, when both coils were active and the phase angle between the voltages was zero. Figure 10c presents the results when receiver coil was oriented by 90°. The efficiency of the IPT was, therefore, highest when only the DD2 coil was active—in the third mode—when the receiver coil was aligned perfectly with the DD2 coil. Lastly, in Figure 10d, the receiver coil is oriented at 135°. The efficiency was, therefore, the highest when the transmitter DD coil was excited in mode 4.
After the orientation detection algorithm determines the best operating mode, the voltage controller can be enabled to control the voltage at the output of the rectifier. The response of the controlled IPT system is presented in Figure 11. Figure 11a presents the results when only one of the DD transmitter coils is used, and Figure 11b presents the results when both DD coils are active. In Figure 11a, the IPT system was powered off. Then, the orientation detection algorithm started. The voltage was not controlled for the entire duration of the algorithm. The output voltage was used to determine the most efficient mode. This marks the start of the control procedure. The output voltage value increased to the voltage reference of 5 V. In Figure 11b, the system was also powered off. After the orientation detection algorithm, the output voltage increased to the reference value of 8 V. Later, at 1.3 s, the reference voltage was changed from 8 V to 5 V. After a short delay due to communication between the computer and the microprocessor, the output voltage decreased to a constant 5 V.

6. Discussion

One of the main differences between the classic planar spiral coil and single or double D or DD coils is in their orientation tolerance. The spiral planar coil generates a nondirectional magnetic flux compared with the DD coil, which generates a directional flux. By rotating the directional magnetic flux, a single DD coil can be used in a different orientation. The directional, rotational magnetic flux can be generated using the double DD coil transmitter structure. Unlike the nondirectional planar spiral coil, the proposed unidirectional DD coil system requires an initialization phase. In the initialization phase the orientation detection algorithm is applied and the orientation of the receiver coil in relation to the transmitter coil is determined. Only after the initialization does the power transfer take place. In this initialization phase, the transmitter coil has to excite the receiver coil in four modes. Only after this initialization phase can the volage control take place. The sequence of mode switching in the orientation detection algorithm is not important. It is important for the algorithm to cycle through all four modes in order to measure their efficiency. The sequence can be random; however, all four modes are required to cover the full range of rotation.
In the case of a single DD coil IPT system, it can be observed that the power reduces significantly, and even to zero, when the orientation between the transmitter and receiver DD coil approaches 90°. This results in significant power loss and lower system efficiency. The drop in the efficiency is dependent on the angle between the current coil orientation and optimal coil orientation. This problem can be avoided when using the proposed double DD coil structure. As the results show, only four different excitation modes can be used to increase the efficiency of the IPT system drastically.
The control of the system is very similar to the control of a classic single coil IPT system. The DD transmitter coil can be represented using two separate transmitter coils, transmitting power to a single DD coil. The output voltage control was realized using the PI control of the double inverter. The controller determines the value of the phase angle between the inverter transistor legs. In the case that both coils are active, both inverters use the same value of the control phase angle. This simplifies the control of the system and does not impact on the system’s efficiency. The maximum efficiency of the system was above 80%, and was smaller at lower output voltages.
However, the maximum output voltage of the system is not the same through all the four modes. When both coils are active, more power can be transferred. This means that when operating the system in the second and fourth modes, the system capability is underutilized. However, by limiting and controlling the output voltage, the system can provide the same output voltage, regardless of the orientation.
The wireless power transfer range and misalignment tolerance, which were not tested and were not within the scope of this study, are dependent on the size of the DD coils used. Larger coils have larger inductance compared with small coils. Therefore, they can be used to transfer more power over longer distances with better tolerance of misalignment. However, when designing IPT systems, space is limited, which also limits the size of the coils.

7. Conclusions

This paper presents an orientation-independent DD coil IPT, which eliminates one of the weaknesses of the DD coil structure. This is possible by using a double DD coil structure as the transmitter coil. This transforms the IPT system from a single-input, single-output system to a multi-input, single-output system. The transmitter coil structure can transfer power in different modes with different orientations of the magnetic field. This results in a multidirectional magnetic field, which can be in one of the orientations at a time. A method is proposed to calculate and determine the orientation of the transmitter coil to increase the transfer efficiency. The difference between a single DD coil system and a multidirectional system was demonstrated. The double DD transmitter coil structure with the orientation detection algorithm showed better efficiency. In future work, misalignment tolerance in the x- and y-axis directions should also be evaluated to further investigate the difference between using bipolar and unipolar receiver coils. In theory, a bipolar DD coil should have better horizontal misalignment tolerance in one of the directions compared with the classic planar spiral coil.

Author Contributions

Conceptualization, J.D.; methodology, J.D.; software, J.D.; validation, N.P.; formal analysis, N.P.; investigation, N.P.; writing—original draft preparation, J.D. and N.P.; writing—review and editing, N.P. All authors have read and agreed to the published version of the manuscript.

Funding

This research was funded by the Slovenian Research Agency (ARRS) (Research Core Funding No. P2-0028).

Data Availability Statement

Data are contained within the article.

Conflicts of Interest

The authors declare no conflict of interest.

References

  1. Hasanzadeh, S.; Vaez-Zadeh, S.; Isfahani, A.H. Optimization of a contactless power transfer system for electric vehicles. IEEE Trans. Veh. Technol. 2012, 61, 3566–3573. [Google Scholar] [CrossRef]
  2. Esser, A. Contactless charging and communication for electric vehicles. IEEE Ind. Appl. Mag. 1995, 1, 4–11. [Google Scholar] [CrossRef]
  3. Manshadi, S.D.; Khodayar, M.E.; Abdelghany, K.; Üster, H. Wireless charging of electric vehicles in electricity and transportation networks. IEEE Trans. Smart Grid 2017, 9, 4503–4512. [Google Scholar] [CrossRef]
  4. Buja, G.; Bertoluzzo, M.; Mude, K.N. Design and Experimentation of WPT Charger for Electric City Car. IEEE Trans. Ind. Electr. 2015, 62, 7436–7447. [Google Scholar] [CrossRef]
  5. Fisher, T.; Farley, K.; Gao, Y.; Bai, H.; Tse, Z. Electric vehicle wireless charging technology: A state-of-the-art review of magnetic coupling systems. Wirel. Power Transf. 2014, 1, 87–96. [Google Scholar] [CrossRef]
  6. Laporte, S.; Coquery, G.; Deniau, V.; Bernardinis, A.; Hautière, N. Dynamic Wireless Power Transfer Charging Infrastructure for Future EVs: From Experimental Track to Real Circulated Roads Demonstrations. World Electr. Veh. J. 2019, 10, 84. [Google Scholar] [CrossRef]
  7. Kosmanos, D.; Maglaras, L.A.; Mavrovouniotis, M.; Moschoyiannis, S.; Argyriou, A.; Maglaras, A.; Janicke, H. Route optimization of electric vehicles based on dynamic wireless charging. IEEE Access 2018, 6, 42551–42565. [Google Scholar] [CrossRef]
  8. Lukic, S.; Pantic, Z. Cutting the Cord: Static and Dynamic Inductive Wireless Charging of Electric Vehicles. IEEE Electrif. Mag. 2013, 1, 64. [Google Scholar] [CrossRef]
  9. Hui, S.Y. Planar Wireless Charging Technology for Portable Electronic Products and Qi. Proc. IEEE 2013, 101, 1290–1301. [Google Scholar] [CrossRef]
  10. Olvitz, L.; Vinko, D.; Švedek, T. Wireless power transfer for mobile phone charging device. In Proceedings of the 2012 35th International Convention MIPRO, Opatija, Croatia, 21–25 May 2012. [Google Scholar]
  11. Hui, S.Y.R.; Ho, W.C. A new generation of universal contactless battery charging platform for portable consumer electronic equipment. In Proceedings of the 2004 IEEE 35th Annual Power Electronics Specialists Conference (IEEE Cat. No.04CH37551), Aachen, Germany, 20–25 June 2004; pp. 638–644. [Google Scholar] [CrossRef]
  12. Dai, J.; Ludois, D.C. A Survey of Wireless Power Transfer and a Critical Comparison of Inductive and Capacitive Coupling for Small Gap Applications. IEEE Trans. Power Electron. 2015, 30, 6017–6029. [Google Scholar] [CrossRef]
  13. Vatsala, V.; Ahmad, A.; Alam, M.S.; Chaban, R.C. Efficiency enhancement of wireless charging for Electric vehicles through reduction of coil misalignment. In Proceedings of the 2017 IEEE Transportation Electrification Conference and Expo (ITEC), Chicago, IL, USA, 22–24 June 2017. [Google Scholar]
  14. Gao, Y.; Ginart, A.; Farley, K.B.; Tse, Z.T.H. Misalignment effect on efficiency of wireless power transfer for electric vehicles. In Proceedings of the 2016 IEEE Applied Power Electronics Conference and Exposition (APEC), Long Beach, CA, USA, 20–24 March 2016; pp. 3526–3528. [Google Scholar] [CrossRef]
  15. Yang, Y.; Cui, J.; Cui, X. Design and Analysis of Magnetic Coils for Optimizing the Coupling Coefficient in an Electric Vehicle Wireless Power Transfer System. Energies 2020, 13, 4143. [Google Scholar] [CrossRef]
  16. Budhia, M.; Boys, J.T.; Covic, G.A.; Huang, C. Development of a Single-Sided Flux Magnetic Coupler for Electric Vehicle IPT Charging Systems. IEEE Trans. Ind. Electron. 2013, 60, 318–328. [Google Scholar] [CrossRef]
  17. Chunhua, L.; Jiang, C.; Qiu, C. Overview of coil designs for wireless charging of electric vehicle. In Proceedings of the 2017 IEEE PELS Workshop on Emerging Technologies: Wireless Power Transfer (WoW), Chongqing, China, 20–22 May 2017. [Google Scholar]
  18. Xiang, L.; Sun, Y.; Tang, C.; Dai, X.; Jiang, C. Design of crossed DD coil for dynamic wireless charging of electric vehicles. In Proceedings of the 2017 IEEE PELS Workshop on Emerging Technologies: Wireless Power Transfer (WoW), Chongqing, China, 20–22 May 2017; pp. 1–5. [Google Scholar] [CrossRef]
  19. Budhia, M.; Covic, G.; Boys, J. A new IPT magnetic coupler for electric vehicle charging systems. In Proceedings of the IECON 2010—36th Annual Conference on IEEE Industrial Electronics Society, Glendale, AZ, USA, 7–10 November 2010; pp. 2487–2492. [Google Scholar] [CrossRef]
  20. Domajnko, J.; Prosen, N. A Control of a z-Axis Rotation-Tolerant Wireless Power Transfer System Using a Double DD Coil. Electronics 2023, 12, 606. [Google Scholar] [CrossRef]
  21. Prosen, N.; Domajnko, J.; Milanovič, M. Wireless Power Transfer Using Double DD Coils. Electronics 2021, 10, 2528. [Google Scholar] [CrossRef]
  22. Xiao, H.; Xie, S. A ZVS bidirectional DC–DC converter with phase-shift plus PWM control scheme. IEEE Trans. Power Electron. 2008, 23, 813–823. [Google Scholar] [CrossRef]
  23. Zhao, C.; Wang, Z.; Du, J.; Wu, J.; Zong, S.; He, X. Active resonance wireless power transfer system using phase shift control strategy. In Proceedings of the 2014 IEEE Applied Power Electronics Conference and Exposition—APEC, Fort Worth, TX, USA, 16–20 March 2014; pp. 1336–1341. [Google Scholar] [CrossRef]
  24. Dai, X.; Jincheng, J.; Yanling, L.; Ting, Y. A Phase-Shifted Control for Wireless Power Transfer System by Using Dual Excitation Units. Energies 2017, 10, 1000. [Google Scholar] [CrossRef]
Figure 1. The proposed IPT transmitter and receiver structure.
Figure 1. The proposed IPT transmitter and receiver structure.
Electronics 12 04303 g001
Figure 2. Four possible configurations of wireless power transfer using a double DD transmitter coil and a single DD receiver coil: (a) DD1 coil to single DD coil transfer at the angle α = 0°, (b) DD1 and DD2 coils to a single DD coil transfer at the angle α = 45°, (c) DD2 coil to a single DD coil transfer at the angle α = 90°, and (d) DD1 and DD2 coils to a single DD coil transfer at the angle α = 135°.
Figure 2. Four possible configurations of wireless power transfer using a double DD transmitter coil and a single DD receiver coil: (a) DD1 coil to single DD coil transfer at the angle α = 0°, (b) DD1 and DD2 coils to a single DD coil transfer at the angle α = 45°, (c) DD2 coil to a single DD coil transfer at the angle α = 90°, and (d) DD1 and DD2 coils to a single DD coil transfer at the angle α = 135°.
Electronics 12 04303 g002
Figure 3. The proposed IPT system structure using two full-bridge inverters, a double DD transmitter coil structure and single receiver DD coil.
Figure 3. The proposed IPT system structure using two full-bridge inverters, a double DD transmitter coil structure and single receiver DD coil.
Electronics 12 04303 g003
Figure 4. Output voltage waveforms of the inverter legs in the case of the double inverter transmitter setup.
Figure 4. Output voltage waveforms of the inverter legs in the case of the double inverter transmitter setup.
Electronics 12 04303 g004
Figure 5. Waveforms and equivalent first harmonic output voltage components of the double inverter setup.
Figure 5. Waveforms and equivalent first harmonic output voltage components of the double inverter setup.
Electronics 12 04303 g005
Figure 6. Double DD coil structure with inscribed quadrants.
Figure 6. Double DD coil structure with inscribed quadrants.
Electronics 12 04303 g006
Figure 7. Flowchart describing the orientation detection algorithm.
Figure 7. Flowchart describing the orientation detection algorithm.
Electronics 12 04303 g007
Figure 8. Fabricated set-bench.
Figure 8. Fabricated set-bench.
Electronics 12 04303 g008
Figure 9. IPT efficiency of DD transfer coils in different orientations: (a) DD1 coil active, (b) DD2 coil active, (c) DD1 and DD2 coils active, and (d) all efficiencies combined.
Figure 9. IPT efficiency of DD transfer coils in different orientations: (a) DD1 coil active, (b) DD2 coil active, (c) DD1 and DD2 coils active, and (d) all efficiencies combined.
Electronics 12 04303 g009
Figure 10. IPT efficiency in four different orientations in four quadrants: (a) coil orientation at 0°, (b) coil orientation at 45°, (c) coil orientation at 90°, and (d) coil orientation at 135°.
Figure 10. IPT efficiency in four different orientations in four quadrants: (a) coil orientation at 0°, (b) coil orientation at 45°, (c) coil orientation at 90°, and (d) coil orientation at 135°.
Electronics 12 04303 g010
Figure 11. IPT coil orientation detection and control: (a) control using only one coil, and (b) control using two coils.
Figure 11. IPT coil orientation detection and control: (a) control using only one coil, and (b) control using two coils.
Electronics 12 04303 g011
Table 1. Different modes of operation.
Table 1. Different modes of operation.
ModeOrientation Angle αTransmitter Coil State
Mode 1DD1 on, DD2 offAround 0° or 180°
Mode 2DD1 on, DD2 on; 0° angleAround 45° or 125°
Mode 3DD1 off, DD2 onAround 90° or 270°
Mode 4DD1 on, DD2 on; 180° angleAround 135° or 315°
Table 2. Parameters of the test system.
Table 2. Parameters of the test system.
ParameterValue
DD1 TX coil inductance LT145 µH
DD2 TX coil inductance LT241.9 µH
DD RX coil inductance LR45.9 µH
DD1 TX capacitor CT175.8 nF
DD2 TX capacitor CT284.5 nF
DD RX capacitor CR76.9 nF
Inverter switching frequency fs87 kHz
Inverter input voltage UDC0–16 V
Inverter input current IDC0–2 A
Load resistance RL10.7 Ω
Table 3. Impact of orientation on efficiency when using the DD1 coil.
Table 3. Impact of orientation on efficiency when using the DD1 coil.
α (°)UDC (V)IDC (A)Uout (V)Pin (W)Pout (W)η (%)
080.485.523.842.8474.05
680.495.563.922.8973.70
1380.515.694.083.0374.16
1980.535.854.243.2075.43
2680.535.954.243.3178.03
3280.576.014.563.3874.03
3980.575.884.563.2370.86
4580.515.244.082.5662.78
5280.424.643.362.0159.86
5880.333.912.641.4353.98
6580.243.071.920.8845.91
7180.192.471.520.5737.45
7880.141.811.120.3127.43
8480.101.030.800.1012.42
9080.080.010.640.000.00
Table 4. Impact of orientation on efficiency when using the DD2 coil.
Table 4. Impact of orientation on efficiency when using the DD2 coil.
α (°)UDC (V)IDC (A)Uout (V)Pin (W)Pout (W)η (%)
080.100.020.800.000.00
680.221.001.760.095.32
1380.292.322.320.5021.59
1980.393.333.121.0433.20
2680.504.284.001.7142.74
3280.675.615.362.9454.88
3980.887.197.044.8368.63
4580.937.617.445.4172.75
5280.887.557.045.3376.02
5880.817.266.484.9375.82
6580.746.935.924.4974.92
7180.706.705.604.2074.92
7880.666.525.283.9775.24
8480.626.354.963.7775.98
9080.576.084.563.4575.76
Table 5. Impact of orientation on efficiency when using both DD1 and DD2 coils.
Table 5. Impact of orientation on efficiency when using both DD1 and DD2 coils.
α (°)UDC (V)IDC (A)Uout (V)Pin (W)Pout (W)η (%)
080.594.914.722.2547.66
680.705.915.603.2758.37
1380.826.736.564.2364.50
1980.917.477.285.2271.64
2681.018.018.086.0074.21
3281.128.588.966.8876.79
3981.239.119.847.7678.82
4581.239.149.847.8179.34
5281.168.889.287.3779.41
5881.078.518.656.7779.07
6580.968.007.685.9877.88
7180.877.586.965.3777.15
7880.807.096.404.7073.41
8480.726.615.764.0870.89
9080.585.554.642.8862.04
Disclaimer/Publisher’s Note: The statements, opinions and data contained in all publications are solely those of the individual author(s) and contributor(s) and not of MDPI and/or the editor(s). MDPI and/or the editor(s) disclaim responsibility for any injury to people or property resulting from any ideas, methods, instructions or products referred to in the content.

Share and Cite

MDPI and ACS Style

Domajnko, J.; Prosen, N. A z-Axis-Tolerant Inductive Power Transfer System Using a Bipolar Double D Receiver Coil Structure. Electronics 2023, 12, 4303. https://doi.org/10.3390/electronics12204303

AMA Style

Domajnko J, Prosen N. A z-Axis-Tolerant Inductive Power Transfer System Using a Bipolar Double D Receiver Coil Structure. Electronics. 2023; 12(20):4303. https://doi.org/10.3390/electronics12204303

Chicago/Turabian Style

Domajnko, Jure, and Nataša Prosen. 2023. "A z-Axis-Tolerant Inductive Power Transfer System Using a Bipolar Double D Receiver Coil Structure" Electronics 12, no. 20: 4303. https://doi.org/10.3390/electronics12204303

APA Style

Domajnko, J., & Prosen, N. (2023). A z-Axis-Tolerant Inductive Power Transfer System Using a Bipolar Double D Receiver Coil Structure. Electronics, 12(20), 4303. https://doi.org/10.3390/electronics12204303

Note that from the first issue of 2016, this journal uses article numbers instead of page numbers. See further details here.

Article Metrics

Back to TopTop