Application of Metal Oxide Memristor Models in Logic Gates
Abstract
1. Introduction
2. Metal–Oxide Memristors and Their Modeling
2.1. Basics of Metal–Oxide Memristors and Their Modeling
2.2. A description of the Applied Metal–Oxide Memristor Models
3. LTSPICE Memristor Models’ Realization
4. Memristor-Based Logic Gates
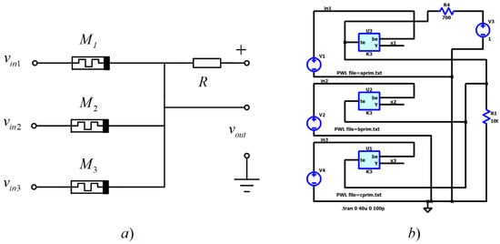
4.1. Memristor-Based AND Gate
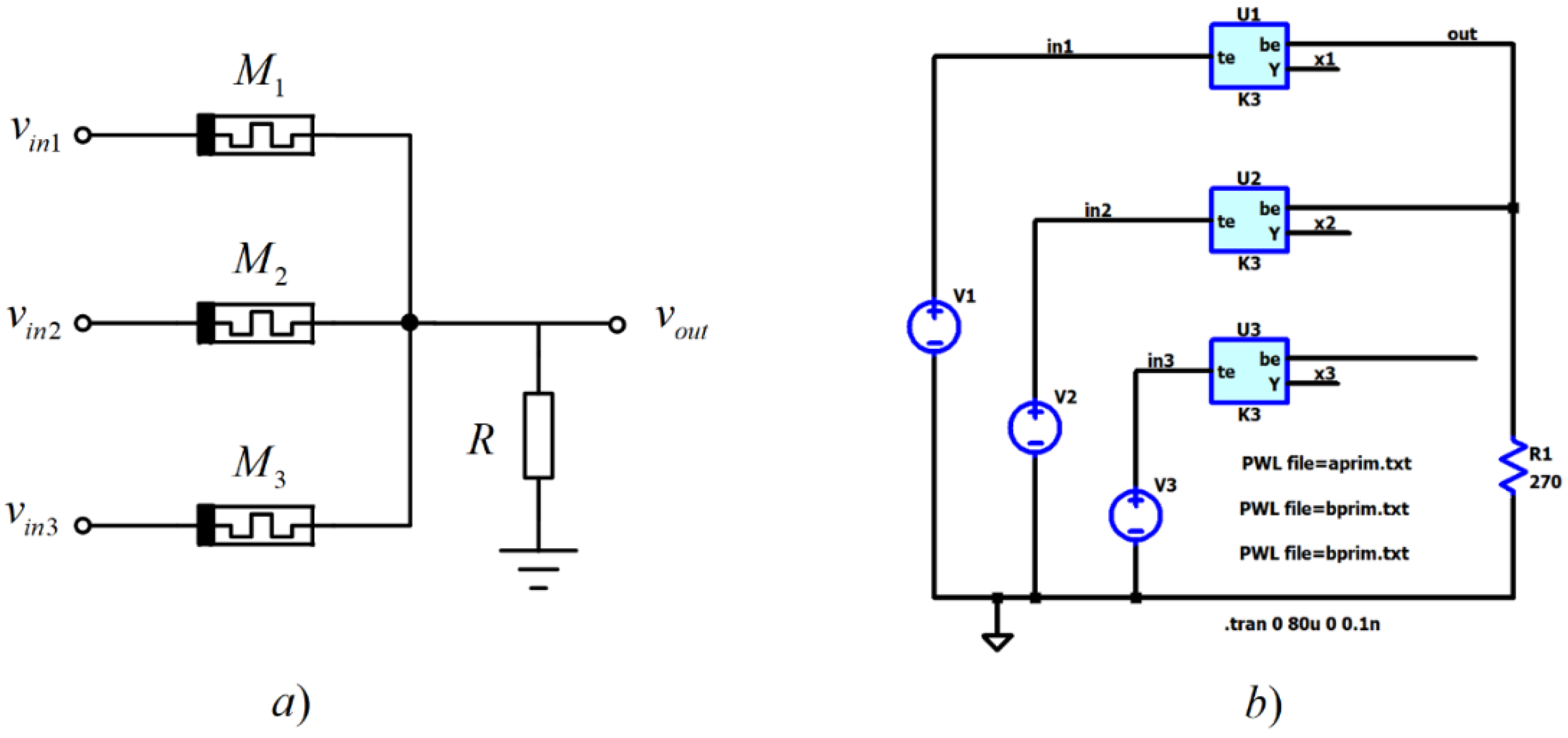
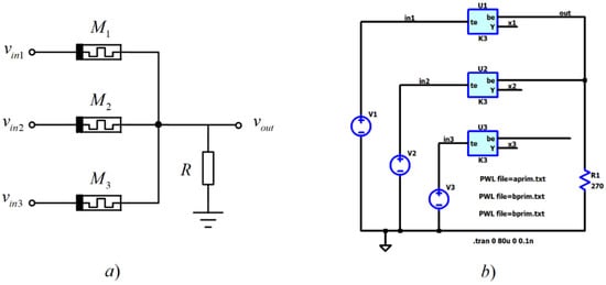
4.2. Memristor-Based OR Gate
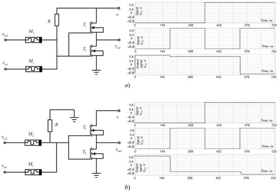
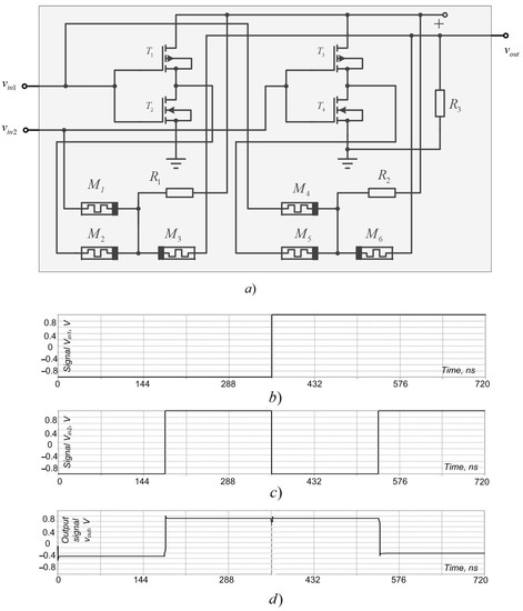
4.3. Memristor-CMOS Based NAND and NOR Gates
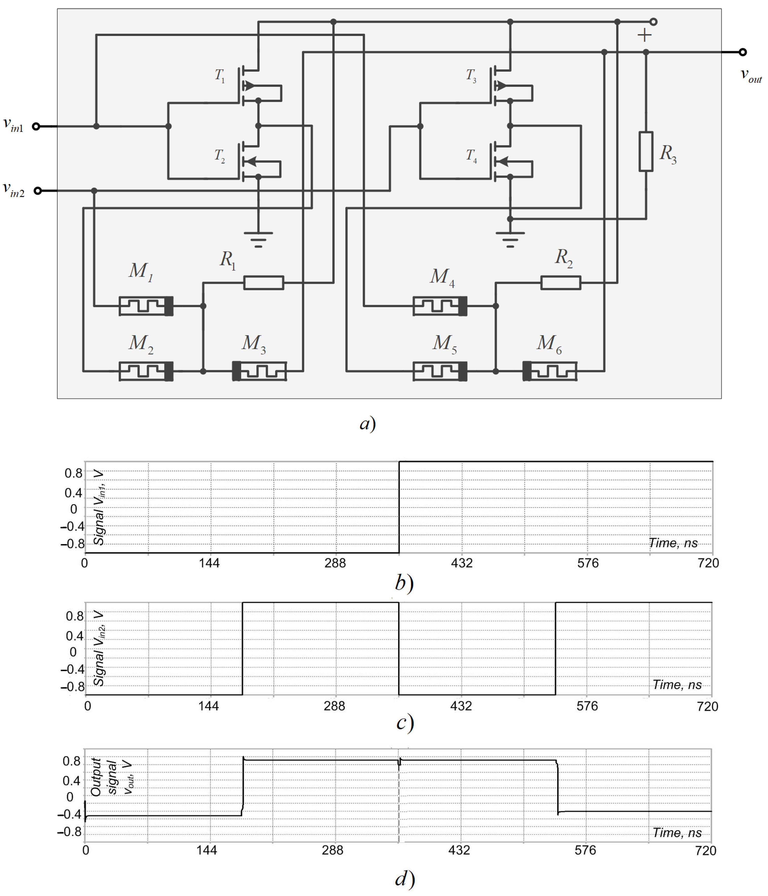
5. A Complex Memristor-Based Logic Circuit
6. A Comparison of the Applied Memristor Models
7. Discussion
8. Conclusions
Funding
Data Availability Statement
Conflicts of Interest
References
- Strukov, D.B.; Snider, G.S.; Stewart, D.R.; Williams, R.S. The missing memristor found. Nature 2008, 453, 80–83, Erratum in Nature 2009, 459, 1154. [Google Scholar] [CrossRef] [PubMed]
- Mohammad, B.; Jaoude, M.A.; Kumar, V.; Al Homouz, D.M.; Abu Nahla, H.; Al-Qutayri, M.; Christoforou, N. State of the art of metal oxide memristor devices. Nanotechnol. Rev. 2016, 5, 311–329. [Google Scholar] [CrossRef]
- Linn, E.; Siemon, A.; Waser, R.; Menzel, S. Applicability of Well-Established Memristive Models for Simulations of Resistive Switching Devices. IEEE Trans. Circuits Syst. I Regul. Pap. 2014, 61, 2402–2410. [Google Scholar] [CrossRef]
- Joglekar, Y.N.; Wolf, S.J. The elusive memristor: Properties of basic electrical circuits. Eur. J. Phys. 2009, 30, 661–675. [Google Scholar] [CrossRef]
- Molter, T.W.; Nugent, M.A. The generalized metastable switch memristor model. In Proceedings of the CNNA 2016, 15th International Workshop on Cellular Nanoscale Networks and Their Applications, VDE, Dresden, Germany, 23–25 August 2016; pp. 1–2. [Google Scholar]
- Ascoli, A.; Corinto, F.; Senger, V.; Tetzlaff, R. Memristor Model Comparison. IEEE Circuits Syst. Mag. 2013, 13, 89–105. [Google Scholar] [CrossRef]
- Ascoli, A.; Tetzlaff, R.; Biolek, Z.; Kolka, Z.; Biolkova, V.; Biolek, D. The Art of Finding Accurate Memristor Model Solutions. IEEE J. Emerg. Sel. Top. Circuits Syst. 2015, 5, 133–142. [Google Scholar] [CrossRef]
- May, C. Passive Circuit Analysis with LTspice®: An Interactive Approach; Springer Nature: Cham, Switzerland, 2020; p. 763. ISBN 978-3-030-38304-6. [Google Scholar] [CrossRef]
- Biolek, Z.; Biolek, D.; Biolkova, V. SPICE Model of Memristor with Nonlinear Dopant Drift. Radioengineering 2009, 18, 210–214. [Google Scholar]
- Kvatinsky, S.; Wald, N.; Satat, G.; Kolodny, A.; Weiser, U.; Friedman, E. MRL—Memristor Ratioed Logic. In Proceedings of the 2012 13th International Workshop on Cellular Nanoscale Networks and their Applications, Turin, Italy, 29–31 August 2012; pp. 1–6. [Google Scholar]
- Lehtonen, E.; Laiho, M. CNN using memristors for neighborhood connections. In Proceedings of the 2010 12th International Workshop on Cellular Nanoscale Networks and their Applications (CNNA 2010), Berkeley, CA, USA, 3–5 February 2010; pp. 1–4. [Google Scholar]
- Mladenov, V. A Unified and Open LTSPICE Memristor Model Library. Electronics 2021, 10, 1594. [Google Scholar] [CrossRef]
- Hoffer, B.; Rana, V.; Menzel, S.; Waser, R.; Kvatinsky, S. Experimental Demonstration of Memristor-Aided Logic (MAGIC) Using Valence Change Memory (VCM). IEEE Trans. Electron Devices 2020, 67, 3115–3122. [Google Scholar] [CrossRef]
- Teimoori, M.; Ahmadi, A.; Alirezaee, S.; Ahmadi, M. A novel hybrid CMOS-memristor logic circuit using Memristor Ratioed Logic. In Proceedings of the 2016 IEEE Canadian Conference on Electrical and Computer Engineering (CCECE), IEEE, Vancouver, BC, Canada, 15–18 May 2016; pp. 1–4. [Google Scholar]
- Kvatinsky, S.; Ramadan, M.; Friedman, E.G.; Kolodny, A. VTEAM: A general model for voltage-controlled memristors. IEEE Trans. Circuits Syst. II Express Briefs 2015, 62, 786–790. [Google Scholar] [CrossRef]
- Mladenov, V. Advanced Memristor Modeling: Memristor Circuits and Networks; MDPI: Basel, Switzerland, 2019; p. 170. ISBN 978-3-03897-104-7. [Google Scholar] [CrossRef]
- Wang, X.Y.; Zhou, P.F.; Eshraghian, J.K.; Lin, C.Y.; Iu, H.H.C.; Chang, T.C.; Kang, S.M. High-density memristor-CMOS ternary logic family. IEEE Trans. Circuits Syst. I Regul. Pap. 2020, 68, 264–274. [Google Scholar] [CrossRef]
- Solovyeva, E.B.; Azarov, V.A. Comparative Analysis of Memristor Models with a Window Function Described in LTspice. In Proceedings of the 2021 IEEE Conference of Russian Young Researchers in Electrical and Electronic Engineering (ElConRus), St. Petersburg/Moscow, Russia, 26–28 January 2021; pp. 1097–1101. [Google Scholar] [CrossRef]
- Kim, K.M.; Williams, R.S. A Family of Stateful Memristor Gates for Complete Cascading Logic. IEEE Trans. Circuits Syst. I Regul. Pap. 2019, 66, 4348–4355. [Google Scholar] [CrossRef]
- Mladenov, V.M.; Zaykov, I.D.; Kirilov, S.M. Application of a Nonlinear Drift Memristor Model in Analogue Reconfigurable Devices. In Proceedings of the 2022 26th International Conference Electronics, Palanga, Lithuania, 13–15 June 2022; pp. 1–6. [Google Scholar] [CrossRef]
- Mladenov, V.M.; Zaykov, I.D.; Kirilov, S.M. A Nonlinear Titanium Dioxide Memristor Model for Memory Crossbars Analysis. In Proceedings of the 2022 26th International Conference Electronics, Palanga, Lithuania, 13–15 June 2022; pp. 1–6. [Google Scholar] [CrossRef]
- Cho, K.; Lee, S.-J.; Eshraghian, K. Memristor-CMOS logic and digital computational components. Microelectron. J. 2015, 46, 214–220. [Google Scholar] [CrossRef]
- Maini, A. Digital Electronics—Principles, Devices and Applications; John Wiley & Sons, Ltd.: Hoboken, NJ, USA, 2007; p. 726. ISBN 978-0-470-03214-5. [Google Scholar]
- Mladenov, V. Application of Metal Oxide Memristor Models in Logic Gates. In Proceedings of the International Symposium on Theoretical Electrical Engineering ISTET 2022, Szczecin, Poland, 28–30 June 2022. [Google Scholar]
- Biolek, D.; Kohl, Z.; Vavra, J.; Biolková, V.; Bhardwaj, K.; Srivastava, M. Mutual transformation of flux-controlled and charge-controlled memristors. IEEE Access 2022, 10, 68307–68318. [Google Scholar] [CrossRef]
- Kunwar, S.; Somodi, C.B.; Lalk, R.A.; Rutherford, B.X.; Corey, Z.; Roy, P.; Zhang, D.; Hellenbrand, M.; Xiao, M.; Mac-Manus-Driscoll, J.L.; et al. Protons: Critical Species for Resistive Switching in Interface-Type Memristors. Adv. Electron. Mater. 2022, 9, 2200816. [Google Scholar] [CrossRef]
- Park, H.-L.; Kim, M.-H.; Lee, S.-H. Control of conductive filament growth in flexible organic memristor by polymer alignment. Org. Electron. 2020, 87, 105927. [Google Scholar] [CrossRef]
- Reuben, J. Rediscovering Majority Logic in the Post-CMOS Era: A Perspective from In-Memory Computing. J. Low Power Electron. Appl. 2020, 10, 28. [Google Scholar] [CrossRef]








| Memristor Model | Biolek | Lehtonen–Laiho | B1 | B2 |
|---|---|---|---|---|
| Simulation time, ms | 16.6 | 18.4 | 17.1 | 17.5 |
| Switching properties | Middle | Good | good | good |
| Operating frequency | low, middle | High | high | high |
| RMS error, % | 5.86 | 3.62 | 3.93 | 3.81 |
| Accuracy | middle | High | high | high |
| Complexity | low | High | low | low |
Disclaimer/Publisher’s Note: The statements, opinions and data contained in all publications are solely those of the individual author(s) and contributor(s) and not of MDPI and/or the editor(s). MDPI and/or the editor(s) disclaim responsibility for any injury to people or property resulting from any ideas, methods, instructions or products referred to in the content. |
© 2023 by the author. Licensee MDPI, Basel, Switzerland. This article is an open access article distributed under the terms and conditions of the Creative Commons Attribution (CC BY) license (https://creativecommons.org/licenses/by/4.0/).
Share and Cite
Mladenov, V. Application of Metal Oxide Memristor Models in Logic Gates. Electronics 2023, 12, 381. https://doi.org/10.3390/electronics12020381
Mladenov V. Application of Metal Oxide Memristor Models in Logic Gates. Electronics. 2023; 12(2):381. https://doi.org/10.3390/electronics12020381
Chicago/Turabian StyleMladenov, Valeri. 2023. "Application of Metal Oxide Memristor Models in Logic Gates" Electronics 12, no. 2: 381. https://doi.org/10.3390/electronics12020381
APA StyleMladenov, V. (2023). Application of Metal Oxide Memristor Models in Logic Gates. Electronics, 12(2), 381. https://doi.org/10.3390/electronics12020381
