A Multi-Beam XL-MIMO Testbed Based on Hybrid CPU-FPGA Architecture
Abstract
1. Introduction
- 1.
- Multiple beams: In our testbed, a maximum of eight beams are supported and can be further expanded. Moreover, calibration of amplitude and phase deviations, which are caused by phased array antennas, analog-to-digital converters (ADCs) and cables with different lengths, are implemented. Thus, algorithms corresponding to multi-user scenarios can be evaluated using our testbed.
- 2.
- The flexible and fast deployment of high-throughput baseband algorithms: The field programmable gate array (FPGA) can realize high-speed data processing while the developing period is long, as opposed to x86 servers. Thus, FPGA and x86 servers are combined to support the fast deployment of arbitrary algorithms. Moreover, our test platform adopts a modular and parametric design, which enables the customization of different algorithms, waveforms and parameters.
- 3.
- The mmWave band and broad bandwidth: The operating carrier frequency and signal bandwidth are 28 GHz and 400 MHz, respectively, so that the testbed can be used for the evaluation of algorithms related to broadband mmWave signal and measurement of broadband mmWave channel characteristics.
- 4.
- Flexible beam patterns: In our testbed, various desired beam patterns can be achieved by adjusting the phase shifter on each antenna element, which contributes to the evaluation of different beamforming algorithms.
2. System Architecture
2.1. Hardware Architecture
- 1.
- The LO module receives a 10 MHz reference signal and generates a 25.2 GHz LO signal, which is further transmitted to Tx/Rx modules through an power divider for the transmission between 2.8 GHz IF signals and 28 GHz RF signals.
- 2.
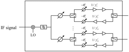
- The Tx/Rx module comprises a mixer, a bandpass filter (BPF), a power divider, phase shifters, power amplifiers (PA), low noise amplifiers (LNA) and switches. The Tx/Rx module receives a control signal and configures phase shifters, amplifiers and switches, where the phase shifter is 6-bit quantized with the resolution of .
- 3.
- As shown in Figure 2, each antenna subarray is equipped with a uniform linear array (ULA) with antennas separated by , where is the wavelength of the RF signal.

2.2. Channel Calibration
2.2.1. Calibration of Phased Array Antenna Related Deviation
2.2.2. Calibration of RF-ADC/RF-DAC and Cable-Related Deviation
2.3. Software Architecture
3. Example: A Multi-Beam mmWave Testbed
3.1. System Parameters Design
3.2. System Frame Structure
3.3. OFDM Modulation and Demodulation
- 1.
- Perform IFFT operation to each 1024-point data channel and then insert -point CP;
- 2.
- Multiply the output of step 1 by the complex number ;
- 3.
- Perform 4-point IFFT to the output of four channels. The first 4096 points of the result sequence are .
4. Experimental Results
4.1. Measurement Scenario
4.2. Beam Management Measurement
4.3. Data Transmission Measurement
5. Conclusions
Author Contributions
Funding
Data Availability Statement
Conflicts of Interest
References
- Lu, Y.; Dai, L. Double-Side Near-Field Channel Estimation for Extremely Large-Scale MIMO System. arXiv 2022, arXiv:2205.03615. [Google Scholar]
- Yang, J.; Zeng, Y.; Jin, S.; Wen, C.K.; Xu, P. Communication and Localization With Extremely Large Lens Antenna Array. IEEE Trans. Wirel. Commun. 2021, 20, 3031–3048. [Google Scholar] [CrossRef]
- Wang, Z.; Zhang, J.; Du, H.; Sha, W.E.; Ai, B.; Niyato, D.; Debbah, M. Extremely Large-Scale MIMO: Fundamentals, Challenges, Solutions, and Future Directions. arXiv 2022, arXiv:2209.12131. [Google Scholar]
- Giordani, M.; Mezzavilla, M.; Zorzi, M. Initial Access in 5G mmWave Cellular Networks. IEEE Commun. Mag. 2016, 54, 40–47. [Google Scholar] [CrossRef]
- Liu, D.; Wang, L.; Chen, Y.; Elkashlan, M.; Wong, K.K.; Schober, R.; Hanzo, L. User Association in 5G Networks: A Survey and an Outlook. IEEE Commun. Surv. Tutor. 2015, 18, 1018–1044. [Google Scholar] [CrossRef]
- Polese, M.; Giordani, M.; Mezzavilla, M.; Rangan, S.; Zorzi, M. Improved Handover Through Dual Connectivity in 5G mmWave Mobile Networks. IEEE J. Sel. Areas Commun. 2017, 35, 2069–2084. [Google Scholar] [CrossRef]
- Quadri, A.; Zeng, H.; Hou, Y.T. A Real-Time mmWave Communication Testbed with Phase Noise Cancellation. In Proceedings of the IEEE INFOCOM 2019—IEEE Conference on Computer Communications Workshops (INFOCOM WKSHPS), Paris, France, 29 April–2 May 2019. [Google Scholar]
- Kuhne, T.; Caire, G. An Analog Module for Hybrid Massive MIMO Testbeds Demonstrating Beam Alignment Algorithms. In Proceedings of the ITG Workshop on Smart Antennas, Bochum, Germany, 14–16 March 2018. [Google Scholar]
- Shepard, C.; Yu, H.; Anand, N.; Li, E.; Marzetta, T.; Yang, R.; Zhong, L. Argos: Practical many-antenna base stations. In Proceedings of the 18th Annual International Conference on Mobile Computing and Networking, Istanbul, Turkey, 22–26 August 2012. [Google Scholar]
- Shepard, C.; Yu, H.; Zhong, L. ArgosV2: A flexible many-antenna research platform. In Proceedings of the 19th Annual International Conference on Mobile Computing and Networking, Snowbird, UT, USA, 16–20 October 2017. [Google Scholar]
- Shepard, C.W.; Doost-Mohammady, R.; Guerra, R.E.; Zhong, L. ArgosV3: An Efficient Many-Antenna Platform. In Proceedings of the 23rd Annual International Conference on Mobile Computing and Networking, Bochum, Germany, 14–16 March 2018. [Google Scholar]
- Chung, M.; Liu, L.; Johansson, A.; Nilsson, M.; Zander, O.; Ying, Z.; Tufvesson, F.; Edfors, O. Millimeter-Wave Massive MIMO Testbed with Hybrid Beamforming. In Proceedings of the Asilomar Conference on Signals, Systems, and Computers, Pacific Grove, CA, USA, 1–4 November 2020. [Google Scholar]
- Gunnarsson, S.; Chung, M.; Johansson, A.; Liu, L.; Tufvesson, F.; Edfors, O.; Zander, O.; Ying, Z.; Samanta, K.; Clifton, C. mmWave Massive MIMO in Real Propagation Environment: Performance Evaluation Using LuMaMi28GHz. In Proceedings of the Asilomar Conference on Signals, Systems, and Computers, Pacific Grove, CA, USA, 31 October–3 November 2021. [Google Scholar]
- Chung, M.; Liu, L.; Johansson, A.; Liu, L.; Tufvesson, F.; Edfors, O.; Zander, O.; Ying, Z.; Samanta, K.; Clifton, C. LuMaMi28: Real-Time Millimeter-Wave Massive MIMO Systems with Antenna Selection. arXiv 2021, arXiv:2109.03273. [Google Scholar]
- Wang, K.; Yang, X.; Li, X.; Went, C.K.; Jin, S. SDR Implementation of an End-to-End mmWave Testbed Based on Phased Antenna Array. In Proceedings of the 2019 11th International Conference on Wireless Communications and Signal Processing (WCSP), Xi’an, China, 23–25 October 2019. [Google Scholar]
- Yang, X.; Zhang, J.; Yang, B.; Wang, K.; Li, X.; Jin, S. A Scalable Implementation for Real-Time Phased Antenna Array mmWave Testbeds. In Proceedings of the 2019 IEEE/CIC International Conference on Communications in China (ICCC), Changchun, China, 11–13 August 2019. [Google Scholar]
- ZCU111 Evaluation Board User Guide (UG1271). Available online: Https://docs.xilinx.com/v/u/en-US/ug1271-zcu111-eval-bd (accessed on 2 October 2018).
- Zynq UltraScale+ RFSoC Product Data Sheet: Overview (DS889). Available online: Https://docs.xilinx.com/v/u/en-US/ds889-zynq-usp-rfsoc-overview (accessed on 8 April 2021).
- Technical Specification Group Radio Access Network, NR, Physical Channels and Modulation, document 3GPP TS 38.211 V15.9.0, 3rd Generation Partnership Project. June 2021.
- Technical Specification Group Radio Access Network, NR, User Equipment (UE) radio transmission and reception, Part 2: Range 2 Standalone, document 3GPP TS 38.101-2 V17.4.0, 3rd Generation Partnership Project. December 2021.
- Technical Specification Group Radio Access Network, NR, Base Station (BS) radio transmission and reception, document 3GPP TS 38.104 V16.3.0, 3rd Generation Partnership Project. March 2020.












| Paramter | Value |
|---|---|
| Carrier frequency | 28 GHz |
| Intermediate frequency | 2.8 GHz |
| Bandwidth | 400 MHz |
| Subcarrier spacing | 120 kHz |
| Operation mode | TDD |
| FFT size | 4096 |
| # of used subcarriers | 3168 |
| CP length | 288 or 544 |
| # of OFDM symbols per frame | 1120 |
| Modulation schemes | QPSK, 16QAM, 64QAM |
Disclaimer/Publisher’s Note: The statements, opinions and data contained in all publications are solely those of the individual author(s) and contributor(s) and not of MDPI and/or the editor(s). MDPI and/or the editor(s) disclaim responsibility for any injury to people or property resulting from any ideas, methods, instructions or products referred to in the content. |
© 2023 by the authors. Licensee MDPI, Basel, Switzerland. This article is an open access article distributed under the terms and conditions of the Creative Commons Attribution (CC BY) license (https://creativecommons.org/licenses/by/4.0/).
Share and Cite
Fang, T.; Gao, Y.; Suo, C.; Sun, G.; Chen, P.; Xiao, W.; Wang, W. A Multi-Beam XL-MIMO Testbed Based on Hybrid CPU-FPGA Architecture. Electronics 2023, 12, 380. https://doi.org/10.3390/electronics12020380
Fang T, Gao Y, Suo C, Sun G, Chen P, Xiao W, Wang W. A Multi-Beam XL-MIMO Testbed Based on Hybrid CPU-FPGA Architecture. Electronics. 2023; 12(2):380. https://doi.org/10.3390/electronics12020380
Chicago/Turabian StyleFang, Tianhao, Yangyang Gao, Chaoju Suo, Gangle Sun, Pengyu Chen, Wei Xiao, and Wenjin Wang. 2023. "A Multi-Beam XL-MIMO Testbed Based on Hybrid CPU-FPGA Architecture" Electronics 12, no. 2: 380. https://doi.org/10.3390/electronics12020380
APA StyleFang, T., Gao, Y., Suo, C., Sun, G., Chen, P., Xiao, W., & Wang, W. (2023). A Multi-Beam XL-MIMO Testbed Based on Hybrid CPU-FPGA Architecture. Electronics, 12(2), 380. https://doi.org/10.3390/electronics12020380

