Battery-Assisted Battery Charger with Maximum Power Point Tracking for Thermoelectric Generator: Concept and Experimental Proof
Abstract
:1. Introduction
- (1)
- The proposal of the battery-assisted battery charger. It allows standard CMOS to design the battery charger even with the TEG whose open-circuit voltage is as low as 0.6 V, because the input voltage of the battery charge is the sum of the battery voltage and the TEG output voltage.
- (2)
- The proposal and experimental proof of the MPPT for the battery-assisted battery charger. The theoretical maximum input power extracted from TEG is shown and has been experimentally proven to charge the battery with maximum power.
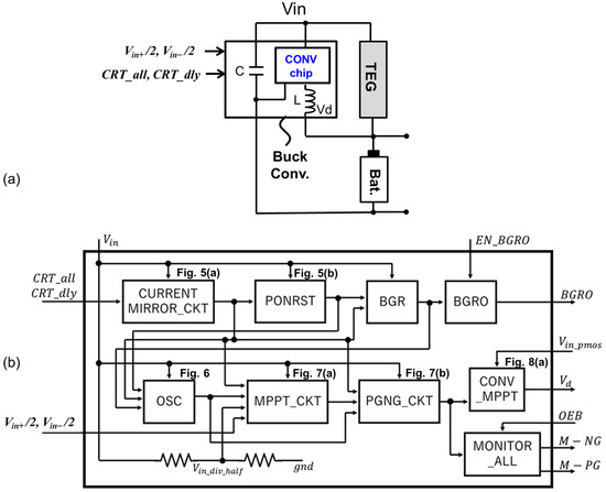
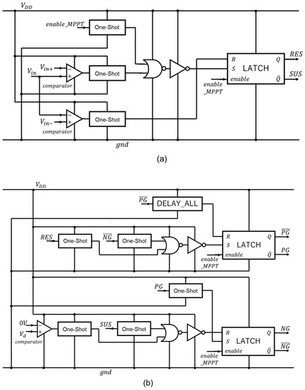
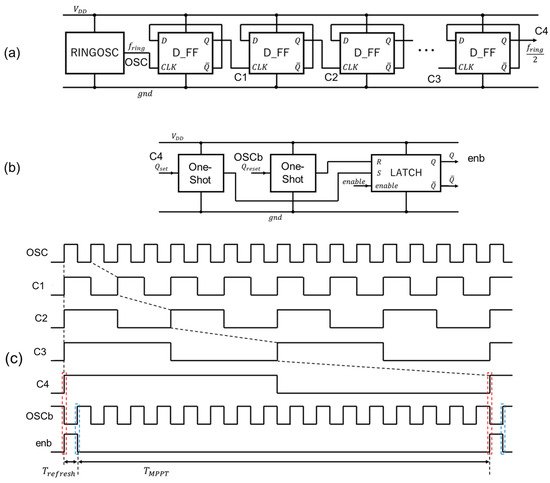
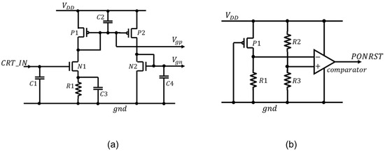
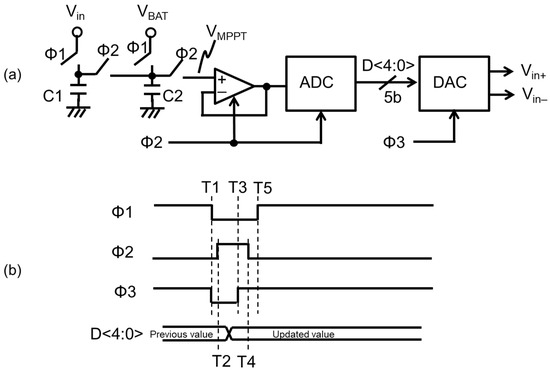
2. Battery-Assisted Battery Charger with Maximum Power Point Tracking
3. Experiments
3.1. Determination of the Circuit Parameters
3.2. Equivalent Circuit Model for TEG
3.3. Flexible TEG with a Mimic Heat Pipe
4. Future Work
5. Conclusions
Author Contributions
Funding
Institutional Review Board Statement
Informed Consent Statement
Data Availability Statement
Conflicts of Interest
References
- Zanella, A.; Bui, N.; Castellani, A.; Vangelista, L.; Zorzi, M. Internet of Things for smart cities. IEEE Internet Things J. 2014, 1, 22–32. [Google Scholar] [CrossRef]
- Al-Fuqaha, A.; Guizani, M.; Mohammadi, M.; Aledhari, M.; Ayyash, M. Internet of things: A survey on enabling technologies, protocols, and applications. IEEE Commun. Surv. Tutor. 2015, 17, 2347–2376. [Google Scholar] [CrossRef]
- Mitcheson, P.D.; Yeatman, E.M.; Rao, G.K.; Holmes, A.S.; Green, T.C. Energy harvesting from human and machine motion for wireless electronic devices. Proc. IEEE 2008, 96, 1457–1486. [Google Scholar] [CrossRef]
- Sudevalayam, S.; Kulkarni, P. Energy harvesting sensor nodes: Survey and implications. IEEE Commun. Surveys Tuts. 2011, 13, 443–461. [Google Scholar] [CrossRef]
- Xiaosen, L.; Sanchez-Sinencio, E. A 0.45-to-3V reconfigurable charge-pump energy harvester with two-dimensional MPPT for Internet of Things. In Proceedings of the 2015 IEEE International Solid-State Circuits Conference-(ISSCC) Digest of Technical Papers, San Francisco, CA, USA, 22–26 February 2015; pp. 1–3. [Google Scholar]
- Carreon-Bautista, S.; Huang, L.; Sanchez-Sinencio, E. An autonomous energy harvesting power management unit with digital regulation for IoT applications. IEEE J. Solid-State Circuits 2016, 51, 1457–1474. [Google Scholar] [CrossRef]
- Yoon, S.; Carreon-Bautista, S.; Sánchez-Sinencio, E. An Area Efficient Thermal Energy Harvester with Reconfigurable Capacitor Charge Pump for IoT Applications. IEEE Trans. Circuits Syst. II Express Briefs 2018, 65, 1974–1978. [Google Scholar] [CrossRef]
- Nono, K.; Tanzawa, T. One-Dimensional Maximum Power Point Tracking Design of Switched-Capacitor Charge Pumps for Thermoelectric Energy Harvesting. Electronics 2023, 12, 1203. [Google Scholar] [CrossRef]
- Salas, V.; Olías, E.; Barrado, A.; Lazaro, A. Review of the maximum power point tracking algorithms for stand-alone photovoltaic systems. Sol. Energy Mater. Sol. Cells 2006, 90, 1555–1578. [Google Scholar] [CrossRef]
- Liu, X.; Sánchez-Sinencio, E. An 86% Efficiency 12 μW Self-Sustaining PV Energy Harvesting System with Hysteresis Regulation and Time-Domain MPPT for IOT Smart Nodes. IEEE J. Solid-State Circuits 2015, 50, 1424–1437. [Google Scholar] [CrossRef]
- Kadirvel, K.; Ramadass, Y.; Lyles, U.; Carpenter, J.; Ivanov, V.; McNeil, V.; Chandrakasan, A.; Lum-Shue-Chan, B. A 330nA Energy-Harvesting Charger with Battery Management for Solar and Thermoelectric Energy Harvesting. In Proceedings of the IEEE International Conference on Solid-State Circuits (ISSCC), San Francisco, CA, USA, 19–23 February 2012; pp. 106–107. [Google Scholar]
- El-Damak, D.; Chandrakasan, A.P. A 10 nW–1 μW Power Management IC With Integrated Battery Management and Self-Startup for Energy Harvesting Applications. IEEE J. Solid State Circuits 2016, 51, 943–954. [Google Scholar]
- de Queiroz, A.C.M.; Domingues, M. The Doubler of Electricity Used as Battery Charger. IEEE Trans. Circuits Syst. II Express Briefs 2011, 58, 797–801. [Google Scholar] [CrossRef]
- Liu, P.-J.; Chen, T.-F.; Yang, H.-S. A Li-Ion Battery Charger with Variable Charging Current and Automatic Voltage-Compensation Controls for Parallel Charging. IEEE J. Emerg. Sel. Top. Power Electron. 2022, 10, 997–1006. [Google Scholar] [CrossRef]
- Guo, Z.-M.; Huang, S.-M.; Tsai, T.-H. A Current-Mode Control Li-Ion Battery Charger with Trickle-Current Mode and Built-In Aging Detection. In Proceedings of the 2019 IEEE International Symposium on Circuits and Systems (ISCAS), Sapporo, Japan, 26–29 May 2019; pp. 1–4. [Google Scholar] [CrossRef]
- Tanabe, S.; Sakamoto, Y.; Uchida, H.; Tanzawa, T. A Hybrid Thermoelectric Generator–Battery Power Supply System Toward Replacement-Free Battery. In Proceedings of the 2023 11th International Conference on Power Electronics and ECCE Asia (ICPE 2023-ECCE Asia), Jeju Island, Republic of Korea, 22–25 May 2023; pp. 1817–1822. [Google Scholar] [CrossRef]
- Arbetter, B.; Erickson, R.; Maksimovic, D. DC-DC converter design for battery-operated systems. In Proceedings of the PESC ‘95-Power Electronics Specialist Conference, Atlanta, GA, USA, 18–22 June 1995; Volume 1, pp. 103–109. [Google Scholar] [CrossRef]
- Huesgen, T.; Woias, P.; Kockmann, N. Design and fabrication of MEMS thermoelectric generators with high temperature efficiency. Sens. Actuators A Phys. 2008, 145, 423–429. [Google Scholar] [CrossRef]
- Micropelt. Date Sheet of TGP-651. Available online: http://www.micropelt.com/ (accessed on 1 September 2023).
- Du, Y.; Xu, J.; Paul, B.; Eklund, P. Flexible thermoelectric materials and devices. Appl. Mater. Today 2018, 12, 366–388. [Google Scholar] [CrossRef]
- Suemori, K.; Hoshino, S.; Kamata, T. Flexible and lightweight thermoelectric generators composed of carbon nanotube—Polystyrene composites printed on film substrate. Appl. Phys. Lett. 2013, 103, 153902. [Google Scholar] [CrossRef]
- Koketsu, K.; Tanzawa, T. Design of a charge pump circuit and system with input impedance modulation for a flexible-type thermoelectric generator with high-output impedance. Electronics 2021, 10, 1212. [Google Scholar] [CrossRef]
- Khan, M.Q.; Malarmannan, S.; Manikandaraja, G. Power generation from waste heat of vehicle exhaust using thermo electric generator: A review. IOP Conf. Ser. Mater. Sci. Eng. 2018, 402, 012174. [Google Scholar] [CrossRef]
- Maxell. All-Solid-State Battery (PSB401515L). Available online: https://biz.maxell.com/en/rechargeable_batteries/allsolidstate.html (accessed on 1 September 2023).



















| Previous Work [16] | This Work | |
|---|---|---|
| Operation mode | Discontinuous conduction mode | Boundary conduction mode (during RES period) |
| Outputs of the converter | Load and battery | Battery-only |
| Parameter to be controlled | VLOAD to be controlled to the target voltage | Vin− < Vin < Vin+ |
| Charged battery power |
| To be maximized |
| Parameter | Symbol | Value | |
|---|---|---|---|
| Input power supply capacitor | Cin [μF] | 0.67, 3.4 | |
| Inductor | L [mH] | 3.0 | |
| Battery | VBAT [V] | 1.6, 2.3 | |
| Equivalent circuit of TEG | Open circuit voltage | VET [V] | 0.6, 1.2 |
| Equivalent output resistance | RET [kΩ] | 1.2 |
Disclaimer/Publisher’s Note: The statements, opinions and data contained in all publications are solely those of the individual author(s) and contributor(s) and not of MDPI and/or the editor(s). MDPI and/or the editor(s) disclaim responsibility for any injury to people or property resulting from any ideas, methods, instructions or products referred to in the content. |
© 2023 by the authors. Licensee MDPI, Basel, Switzerland. This article is an open access article distributed under the terms and conditions of the Creative Commons Attribution (CC BY) license (https://creativecommons.org/licenses/by/4.0/).
Share and Cite
Tanabe, S.; Tanzawa, T. Battery-Assisted Battery Charger with Maximum Power Point Tracking for Thermoelectric Generator: Concept and Experimental Proof. Electronics 2023, 12, 4102. https://doi.org/10.3390/electronics12194102
Tanabe S, Tanzawa T. Battery-Assisted Battery Charger with Maximum Power Point Tracking for Thermoelectric Generator: Concept and Experimental Proof. Electronics. 2023; 12(19):4102. https://doi.org/10.3390/electronics12194102
Chicago/Turabian StyleTanabe, Shunsuke, and Toru Tanzawa. 2023. "Battery-Assisted Battery Charger with Maximum Power Point Tracking for Thermoelectric Generator: Concept and Experimental Proof" Electronics 12, no. 19: 4102. https://doi.org/10.3390/electronics12194102
APA StyleTanabe, S., & Tanzawa, T. (2023). Battery-Assisted Battery Charger with Maximum Power Point Tracking for Thermoelectric Generator: Concept and Experimental Proof. Electronics, 12(19), 4102. https://doi.org/10.3390/electronics12194102
