A Switchable Frequency Selective Rasorber with a Broad Transmission Window at the X-Band
Abstract
:1. Introduction
2. Basic Guidelines of the FSR
3. Design of the Switchable FSR
3.1. Design of the Proposed FSR
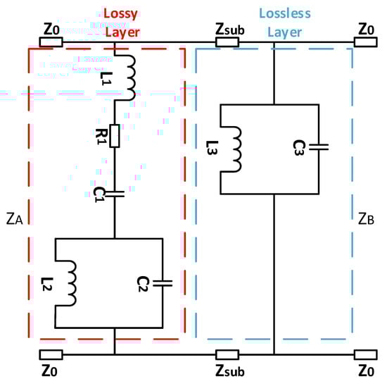
3.2. Equivalent Circuit Model
4. Analysis of the Switchable FSR
5. Conclusions
Author Contributions
Funding
Data Availability Statement
Conflicts of Interest
References
- Munk, B.A. Frequency Selective Surfaces: Theory and Design; John Wiley & Sons: Hoboken, NJ, USA, 2005. [Google Scholar]
- Arceneaux, W.S.; Akins, R.D.; May, W.B. Absorptive/Transmissive Radome. U.S. Patent US5400043A, 21 March 1995. [Google Scholar]
- Munk, B.A. Metamaterials: Critique and Alternatives; John Wiley & Sons: Hoboken, NJ, USA, 2009. [Google Scholar]
- Kiani, G.I.; Esselle, K.P.; Ford, K.L.; Weily, A.R.; Panagamuwa, C. Angle and polarization-independent bandstop frequency selective surface for indoor wireless systems. Microw. Opt. Technol. Lett. 2008, 50, 2315–2317. [Google Scholar] [CrossRef]
- Kiani, G.I.; Ford, K.L.; Esselle, K.P.; Weily, A.R.; Panagamuwa, C.J. Oblique incidence performance of a novel frequency selective surface absorber. IEEE Trans. Antennas Propag. 2007, 55, 2931–2934. [Google Scholar] [CrossRef]
- Kiani, G.I.; Weily, A.R.; Esselle, K.P. Frequency selective surface absorber using resistive cross-dipoles. In Proceedings of the 2006 IEEE Antennas and Propagation Society International Symposium, Albuquerque, Mexico, 9–14 July 2006; pp. 4199–4202. [Google Scholar]
- Motevasselian, A.; Jonsson, B.L.G. Design of a wideband rasorber with a polarisation-sensitive transparent window. IET Microw. Antennas Propag. 2012, 6, 747–755. [Google Scholar] [CrossRef]
- Motevasselian, A.; Jonsson, B.L.G. Partially transparent Jaumann-like absorber applied to a curved structure. Int. J. Antennas Propag. 2011, 2011, 708987. [Google Scholar] [CrossRef]
- Li, B.; Shen, Z. Wideband 3D frequency selective rasorber. IEEE Trans. Antennas Propag. 2014, 62, 6536–6541. [Google Scholar] [CrossRef]
- Shen, Z.; Wang, J.; Li, B. 3-D frequency selective rasorber: Concept, analysis, and design. IEEE Trans. Microw. Theory Tech. 2016, 64, 3087–3096. [Google Scholar] [CrossRef]
- Chen, Q.; Yang, S.; Bai, J.; Fu, Y. Design of absorptive/transmissive frequency-selective surface based on parallel resonance. IEEE Trans. Antennas Propag. 2017, 65, 4897–4902. [Google Scholar] [CrossRef]
- Han, Y.; Che, W.; Xiu, X.; Yang, W.; Christopoulos, C. Switchable low-profile broadband frequency-selective rasorber/absorber based on slot arrays. IEEE Trans. Antennas Propag. 2017, 65, 6998–7008. [Google Scholar] [CrossRef]
- Xia, J.; Wei, J.; Liu, Y.; Zhang, Y.; Guo, S.; Li, C.; Bie, S.; Jiang, J. Design of a wideband absorption frequency selective rasorber based on double lossy layers. IEEE Trans. Antennas Propag. 2020, 68, 5718–5723. [Google Scholar] [CrossRef]
- Bouslama, M.; Traii, M.; Denidni, T.A.; Gharsallah, A. Beam-Switching Antenna with a New Reconfigurable Frequency Selective Surface. IEEE Antennas Wirel. Propag. Lett. 2016, 15, 1159–1162. [Google Scholar] [CrossRef]
- Fan, J.; Chen, W.; Chen, D.; Chen, H.; Luo, L.; Bao, S. Vibro-acoustic modulation-based bolt looseness detection method using frequency sweep probe waves. Nondestruct. Test. Eval. 2023, 1–22. [Google Scholar] [CrossRef]
- Marindra, A.M.J.; Tian, G.Y. Chipless RFID sensor for corrosion characterization based on frequency selective surface and feature fusion. Smart Mater. Struct. 2020, 29, 125010. [Google Scholar] [CrossRef]
- Daura, L.U.; Tian, G.Y. Characterization of Angular RCF Cracks in a Railway Using Modified Topology of WPT-Based Eddy Current Testing. IEEE Trans. Ind. Inform. 2023, 19, 5612–5622. [Google Scholar] [CrossRef]
- Costa, F.; Monorchio, A. A frequency selective radome with wideband absorbing properties. IEEE Trans. Antennas Propag. 2012, 60, 2740–2747. [Google Scholar] [CrossRef]
- Costa, F.; Monorchio, A. Absorptive frequency selective radome. In Proceedings of the 2011 XXXth URSI General Assembly and Scientific Symposium, Istanbul, Turkey, 13–20 August 2011; pp. 1–4. [Google Scholar]
- Liu, L.G.; Li, Y.Q.; Meng, Q.Z.; Wu, W.W.; Mo, J.J.; Fu, Y.Q.; Yuan, N.C. Design of an invisible radome by frequency selective surfaces loaded with lumped resistors. Chin. Phys. Lett. 2013, 30, 064101. [Google Scholar] [CrossRef]
- Shang, Y.; Shen, Z.; Xiao, S. Frequency-selective rasorber based on square-loop and cross-dipole arrays. IEEE Trans. Antennas Propag. 2014, 62, 5581–5589. [Google Scholar] [CrossRef]
- Huang, H.; Shen, Z. Absorptive frequency-selective transmission structure with square-loop hybrid resonator. IEEE Antennas Wirel. Propag. Lett. 2017, 16, 3212–3215. [Google Scholar] [CrossRef]
- Guo, M.; Chen, Q.; Sun, Z.; Sang, D.; Fu, Y. Design of dual-band frequency-selective rasorber. IEEE Antennas Wirel. Propag. Lett. 2019, 18, 841–845. [Google Scholar] [CrossRef]
- Li, B.; Shen, Z. Three-Dimensional Bandpass Frequency-Selective Structures with Multiple Transmission Zeros. IEEE Trans. Microw. Theory Tech. 2013, 61, 3578–3589. [Google Scholar] [CrossRef]
- Yu, W.; Luo, G.Q.; Yu, Y.; Liao, Z.; Jin, H.; Shen, Z. Broadband Band-Absorptive Frequency-Selective Rasorber with a Hybrid 2-D and 3-D Structure. IEEE Antennas Wirel. Propag. Lett. 2019, 18, 1701–1705. [Google Scholar] [CrossRef]
- Yu, Y.; Deng, T.; Shen, Z. Wideband 3D frequency selective rasorber with two absorption bands. In Proceedings of the 2016 11th International Symposium on Antennas, Propagation and EM Theory (ISAPE), Guilin, China, 18–21 October 2016. [Google Scholar]
- Omar, A.A.; Shen, Z.; Huang, H. Absorptive Frequency-Selective Reflection and Transmission Structures. IEEE Trans. Antennas Propag. 2017, 65, 6173–6178. [Google Scholar] [CrossRef]
- Wang, Y.; Qi, S.S.; Shen, Z.; Wu, W. Ultrathin 3-D frequency selective rasorber with wide absorption bands. IEEE Trans. Antennas Propag. 2020, 68, 4697–4705. [Google Scholar] [CrossRef]
- Wang, Y.; Wang, M.; Shen, Z.; Wu, W. 3-D Single- and Dual-Polarized Frequency-Selective Rasorbers with Wide Absorption Bands Based on Stepped Impedance Resonator. IEEE Access 2021, 9, 22317–22327. [Google Scholar] [CrossRef]
- Wu, L.; Zhong, S.; Huang, J.; Liu, T. Broadband frequency-selective rasorber with varactor-tunable interabsorption band transmission window. IEEE Trans. Antennas Propag. 2019, 67, 6039–6050. [Google Scholar] [CrossRef]
- Guo, M.; Chen, Q.; Zheng, Y.; He, Y.; Fu, Y. Continuous Tunable Transmission Band Frequency Selective Rasorber Radome with Inter-Absorption Band Based on Varactor. In Proceedings of the 2019 8th Asia-Pacific Conference on Antennas and Propagation (APCAP), Incheon, Korea, 4–7 August 2019; pp. 326–328. [Google Scholar]
- Bakshi, S.C.; Mitra, D.; Teixeira, F.L. Wide-angle broadband rasorber for switchable and conformal application. IEEE Trans. Microw. Theory Tech. 2021, 69, 1205–1216. [Google Scholar] [CrossRef]
- Qian, G.; Zhao, J.; Ren, X.; Chen, K.; Jiang, T.; Feng, Y.; Liu, Y. Switchable broadband dual-polarized frequency-selective rasorber/absorber. IEEE Antennas Wirel. Propag. Lett. 2019, 18, 2508–2512. [Google Scholar] [CrossRef]
- Li, R.; Tian, J.; Jiang, B.; Lin, Z.; Chen, B.; Hu, H. A switchable frequency selective rasorber with wide passband. IEEE Antennas Wirel. Propag. Lett. 2021, 20, 1567–1571. [Google Scholar] [CrossRef]
- Tang, M.; Zhou, D.F.; Liu, Q.K.; Yao, Z.N.; Liu, Q. Low-profile FSS-based polarization-insensitive rasorber with switchable transmission band. IEEE Antennas Wirel. Propag. Lett. 2021, 20, 1038–1042. [Google Scholar] [CrossRef]
- Dutta, R.; Ghosh, J.; Sarkhel, A. Planar Frequency Selective Surface-Based Switchable Rasorber/Absorber for Airborne Application. IEEE Antennas Wirel. Propag. Lett. 2022, 21, 1842–1846. [Google Scholar] [CrossRef]
- Wang, H.; Kong, X.; Zhang, X. A Dual-Polarized Frequency-Selective Rasorber With a Switchable Wide Passband Based on Characteristic Mode Analysis. Front. Mater. 2022, 9, 912913. [Google Scholar] [CrossRef]
- Yang, X.L.; Liu, Z.G.; Chen, H.; Geng, M.Y.; Bo, X.Z.; Lu, W.B. Switchable Rasorber/Absorber with Frequency Tuning Capability. In Proceedings of the 2022 IEEE MTT-S International Microwave Workshop Series on Advanced Materials and Processes for RF and THz Applications (IMWS-AMP), Guangzhou, China, 27–29 November 2022; pp. 1–3. [Google Scholar]
- Wu, Z.; Zhou, Q.; Liu, P.; Lin, M. Active Frequency Selective Rasorber with Switchable Transmission Band and Tunable Absorption Band. IEEE Microw. Wirel. Technol. Lett. 2023, 33, 1247–1250. [Google Scholar] [CrossRef]






| Ref. | Realization of Lossy FSS | ) | ) | ) | Oblique Performance | Polarization |
|---|---|---|---|---|---|---|
| [33] | a square loop, the center patch metallic parts | 1.6 | 1.7 | 124% | 30° | dual |
| [34] | the dual-spiral structure | 1.1 | <1 | 67% | 45° | dual |
| [35] | the parallel outer loop and inner rectangles | 0.8 | 0.35 | 112% | 40° | dual |
| [36] | the outer and inner square loop | 2 | 0.2 | 103% | 30° | single |
| This work | the four triangular patches and four folded wires | 2.14 | 1.94 | 91% | 40° | dual |
Disclaimer/Publisher’s Note: The statements, opinions and data contained in all publications are solely those of the individual author(s) and contributor(s) and not of MDPI and/or the editor(s). MDPI and/or the editor(s) disclaim responsibility for any injury to people or property resulting from any ideas, methods, instructions or products referred to in the content. |
© 2023 by the authors. Licensee MDPI, Basel, Switzerland. This article is an open access article distributed under the terms and conditions of the Creative Commons Attribution (CC BY) license (https://creativecommons.org/licenses/by/4.0/).
Share and Cite
Shi, S.; Chai, Z.; Zhang, S.; Shi, Y.; Zhang, Y. A Switchable Frequency Selective Rasorber with a Broad Transmission Window at the X-Band. Electronics 2023, 12, 3941. https://doi.org/10.3390/electronics12183941
Shi S, Chai Z, Zhang S, Shi Y, Zhang Y. A Switchable Frequency Selective Rasorber with a Broad Transmission Window at the X-Band. Electronics. 2023; 12(18):3941. https://doi.org/10.3390/electronics12183941
Chicago/Turabian StyleShi, Shengnan, Zizhao Chai, Shan Zhang, Yanpeng Shi, and Yifei Zhang. 2023. "A Switchable Frequency Selective Rasorber with a Broad Transmission Window at the X-Band" Electronics 12, no. 18: 3941. https://doi.org/10.3390/electronics12183941
APA StyleShi, S., Chai, Z., Zhang, S., Shi, Y., & Zhang, Y. (2023). A Switchable Frequency Selective Rasorber with a Broad Transmission Window at the X-Band. Electronics, 12(18), 3941. https://doi.org/10.3390/electronics12183941

