An Intelligent Location Method for Power System Oscillation Sources Based on a Digital Twin
Abstract
:1. Introduction
- A data and mechanism fusion power system oscillation source localization method is proposed, achieving accurate oscillation location of a power system.
- A power system oscillation source localization system is developed based on the digital twin workshop CloudPSS-XStudio. The oscillation location system is a cloud computing-based software and is portable.
2. Digital Twin Construction for Power Systems
2.1. Digital Twin Framework
2.2. Construction of Digital Twin Application
3. Oscillation Source Localization Algorithms
3.1. Acquired Signal Preprocessing
3.1.1. Generative Adversarial Imputation Network
3.1.2. Super Resolution Measurement
3.2. Modal Analysis of Oscillation
3.3. Oscillation Source Localization
3.3.1. Mechanism and Data-Driven Fusion Methods for Oscillation Source Localization
- Oscillation Source Location Method Based on Branch Potential Energy Method
- Data-Driven Oscillation Source Localization Method
- Oscillation Source Localization Method Based on Mechanism and Data Fusion
3.3.2. Cross-Validation of Double Solvers
4. Development of an Oscillation Source Location System Based on Digital Twin Platform CloudPSS-XStuido
5. Example Test Results
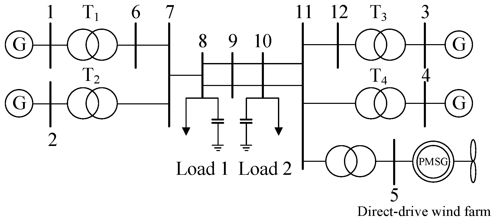
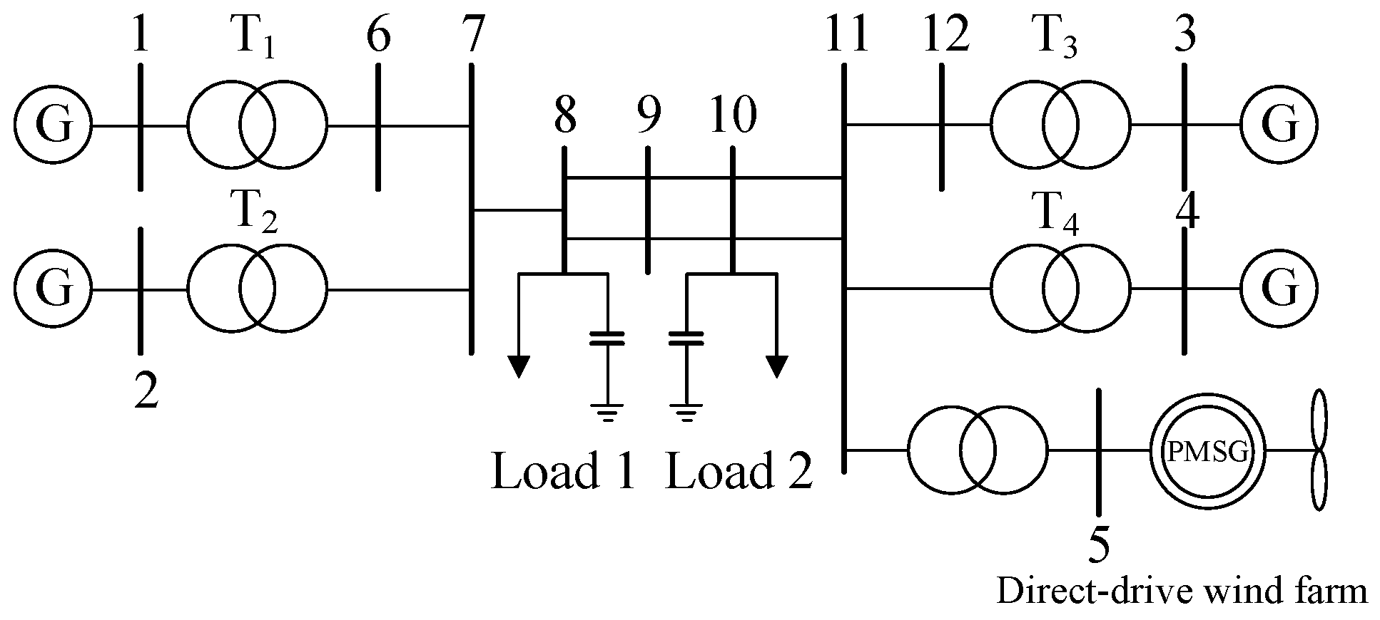
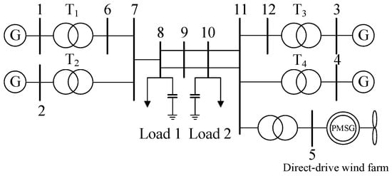
5.1. Example Introduction
5.2. Data Preprocessing Algorithm Validation Test
5.3. Oscillator Source Localization Algorithm Performance Validation Test
5.3.1. The Results of Localization Based on Branch Potential Energy Function
5.3.2. The Results of Data-Driven Methods
5.3.3. The Result of Data-driven Combined with Branch Potential Energy
5.3.4. Comparison and Cross-Validation of the Effectiveness of Different Data-Driven Methods Combined with Branching Potential Energy
6. Conclusions
Author Contributions
Funding
Data Availability Statement
Conflicts of Interest
References
- Lin, S.; Liu, F.; Dreglea, A. Mode Identification of Broad-band Oscillation Signal Based on Improved VMD Method. In Proceedings of the 2020 39th Chinese Control Conference (CCC), Shenyang, China, 27–29 July 2020; pp. 6162–6167. [Google Scholar] [CrossRef]
- Ma, N.; Xie, X.; Sun, Y.; Zhang, Y.; Li, Y.; Liu, P. Wide-area Monitoring and Analysis of Wide-band Oscillation in New-type Power Systems. In Proceedings of the 2022 China International Conference on Electricity Distribution (CICED), Changsha, China, 7–8 September 2022; pp. 345–349. [Google Scholar] [CrossRef]
- Zhai, W.; Jia, Q.; Yan, G. Analysis of sub synchronous oscillation characteristics from a direct drive wind farm based on the complex torque coefficient method. CSEE J. Power Energy Systems 2022. early access. [Google Scholar] [CrossRef]
- Shen, J.; Liu, C.; Su, C.; Li, H.; Wei, W. Deepening Research on State Space Analytical Model of HVDC Transmission System. In Proceedings of the 2021 IEEE 4th International Electrical and Energy Conference (CIEEC), Wuhan, China, 28 May 2021; pp. 1–4. [Google Scholar] [CrossRef]
- Shi, J.; Yang, L.; Zhu, M. Impedance Modeling and Interaction Stability Analysis of Grid-Connected Voltage Source Converter Considering Multiple Frequency Coupling Factors. In Proceedings of the 2021 IEEE 4th International Electrical and Energy Conference (CIEEC), Wuhan, China, 28 May 202; pp. 1–6. [CrossRef]
- Chen, L.; Min, Y.; Chen, Y.-P.; Hu, W. Evaluation of Generator Damping Using Oscillation Energy Dissipation and the Connection With Modal Analysis. IEEE Trans. Power Syst. 2014, 29, 1393–1402. [Google Scholar] [CrossRef]
- Ul Banna, H.; Solanki, S.K.; Solanki, J. Data Driven Disturbance Source Identification for Power System Oscillations Using Credibility Search Ensemble Learning. IET Smart Grid 2019, 2, 293–300. [Google Scholar] [CrossRef]
- Cao, S.; Dinavahi, V.; Lin, N. Machine Learning Based Transient Stability Emulation and Dynamic System Equivalencing of Large-Scale AC-DC Grids for Faster-Than-Real-Time Digital Twin. IEEE Access 2022, 10, 112975–112988. [Google Scholar] [CrossRef]
- Ruban, N.; Suvorov, A.; Andreev, M.; Ufa, R.; Askarov, A.; Gusev, A.; Bhalja, B.R. Software and Hardware Decision Support System for Operators of Electrical Power Systems, in IEEE Transactions on Power Systems. IEEE Trans. Power Syst. 2021, 36, 3840–3848. [Google Scholar] [CrossRef]
- Cheng, T.; Duan, T.; Dinavahi, V. ECS-Grid: Data-Oriented Real-Time Simulation Platform for Cyber-Physical Power Systems. IEEE Trans. Ind. Inform. 2023. early access. [Google Scholar] [CrossRef]
- Song, Y.; Chen, Y.; Yu, Z.; Huang, S.; Shen, C. CloudPSS: A high-performance power system simulator based on cloud computing. Energy Rep. 2020, 6, 1611–1618. [Google Scholar] [CrossRef]
- Grieves, M.W. Virtually Intelligent Product Systems: Digital and Physical Twins. In Complex Systems Engineering: Theory and Practice; American Institute of Aeronautics and Astronautics: Reston, VA, USA, 2019. [Google Scholar] [CrossRef]
- Hu, R.; Shang, L.; Ma, N.; Huang, Z.; Ou, M. Research on The Low-voltage Governance and Evaluation Method for New Distribution System Based on the Digital Twin. In Proceedings of the 2022 Power System and Green Energy Conference (PSGEC), Shanghai, China, 25 August 2022; pp. 806–813. [Google Scholar] [CrossRef]
- Lu, X.; Hu, R.; Shang, L. An LSTM Neural Network-Based Fault Line Detection System Using CloudPSS-XStudio. In Proceedings of the 2022 Power System and Green Energy Conference (PSGEC), Shanghai, China, 25 August 2022; pp. 830–835. [Google Scholar]
- Tan, Z.; Song, Y.; Gao, S.; Liu, Z.; Ying, C.; Chen, S. Automatic Generation and Parameter Verification of Large-scale EMT Simulation Models Based on TSP Projects. In Proceedings of the 2021 Power System and Green Energy Conference (PSGEC), Shanghai, China, 20 August 2021; pp. 107–111. [Google Scholar]
- Sunitha, R. Robust Dynamic State Estimation During Missing of PMU Data. In Proceedings of the 2018 4th International Conference for Convergence in Technology (I2CT), Mangalore, India, 27 October 2018; pp. 1–6. [Google Scholar]
- Ibtehaz, N.; Rahman, M.S. MultiResUNet: Rethinking the U-Net architecture for multimodal biomedical image segmentation. Neural Netw. 2020, 121, 74–87. [Google Scholar] [CrossRef]
- Li, J.; Xiao, Y.; Wu, J.; Feng, J.; Liu, J. Network Flow Generation Based on Reinforcement Learning Powered Generative Adversarial Network. In Proceedings of the 2021 7th IEEE International Conference on Network Intelligence and Digital Content (IC-NIDC), Beijing, China, 17 November 2021; pp. 235–239. [Google Scholar] [CrossRef]
- Yoon, J.; Jordon, J.; Van Der Schaar, M. Gain: Missing data imputation using generative adversarial nets. In Proceedings of the 35th International Conference on Machine Learning, Stockholm, Sweden, 10–15 July 2018. [Google Scholar]
- Liu, K.; Zhou, F.; Zhou, H. Missing data imputation in transformer district based on improved generative adversarial network. Power Syst. Technol. 2022, 46, 3231–3240. [Google Scholar]
- Cao, M.; Liu, Z.; Huang, X.; Shen, Z. Research for Face Image Super-Resolution Reconstruction Based on Wavelet Transform and SRGAN. In Proceedings of the 2021 IEEE 5th Advanced Information Technology, Electronic and Automation Control Conference (IAEAC), Chongqing, China, 12 March 2021; pp. 448–451. [Google Scholar] [CrossRef]
- Wu, T.; Song, X.; Gan, T.; Zeng, B.; Chen, J. Super-resolution Reconstruction of Night-light Images Based on Improved SRCNN. In Proceedings of the 2022 4th International Conference on Advances in Computer Technology, Information Science and Communications (CTISC), Suzhou, China, 22 April 2022; pp. 1–5. [Google Scholar] [CrossRef]
- Zhang, T.; Sun, M.; Cremer, J.L.; Zhang, N.; Strbac, G.; Kang, C. A Confidence-Aware Machine Learning Framework for Dynamic Security Assessment. IEEE Trans. Power Syst. 2021, 36, 3907–3920. [Google Scholar] [CrossRef]
- Lei, X.; Yang, Z.; Yu, J.; Zhao, J.; Gao, Q.; Yu, H. Data-Driven Optimal Power Flow: A Physics-Informed Machine Learning Approach. IEEE Trans. Power Syst. 2021, 36, 346–354. [Google Scholar] [CrossRef]
- Yu, Y.; Grijalva, S.; Thomas, J.J.; Xiong, L.; Ju, P.; Min, Y. Oscillation Energy Analysis of Inter-Area Low-Frequency Oscillations in Power Systems. IEEE Trans. Power Syst. 2016, 31, 1195–1203. [Google Scholar] [CrossRef]
- Singh, I.; Chiluka, V.K.R.; Trudnowski, D.J.; Donnelly, M. A Strategy for Oscillation Source Location Using Closed-Contour Grouping and Energy-Flow Spectra. In Proceedings of the 2020 IEEE/PES Transmission and Distribution Conference and Exposition (T&D), Chicago, IL, USA, 12 October 2020; pp. 1–5. [Google Scholar] [CrossRef]
- Meng, Y.Y.; Yu, Z.; Shi, D.; Bian, D.; Wang, Z. Forced Oscillation Source Location via Multivariate Time Series Classification. In Proceedings of the 2018 IEEE/PES Transmission and Distribution Conference and Exposition (T&D), Denver, CO, USA, 16 April 2018; pp. 1–5. [Google Scholar] [CrossRef]
- Pai, A. Energy Function Analysis for Power System Stability; Springer: Berlin/Heidelberg, Germany, 1989. [Google Scholar]

















| Loss (%) | Method | MSE (×10−4) | DTW |
|---|---|---|---|
| 10 | Mean interpolation | 47.843 | 1.289 |
| KNN | 4.591 | 0.411 | |
| GAIN | 0.782 | 0.181 | |
| 20 | Mean interpolation | 108.252 | 3.033 |
| KNN | 11.625 | 1.090 | |
| GAIN | 1.570 | 0.926 | |
| 30 | Mean interpolation | 130.154 | 4.655 |
| KNN | 11.625 | 1.121 | |
| GAIN | 1.570 | 0.091 | |
| 40 | Mean interpolation | 216.434 | 4.759 |
| KNN | 28.299 | 1.182 | |
| GAIN | 1.584 | 0.341 |
| Solver | CNN | LSTM | Cross-Validation |
|---|---|---|---|
| Reliability | 0.999 | 0.993 | |
| Location Result | PMU0 | PMU0 | PMU0 |
Disclaimer/Publisher’s Note: The statements, opinions and data contained in all publications are solely those of the individual author(s) and contributor(s) and not of MDPI and/or the editor(s). MDPI and/or the editor(s) disclaim responsibility for any injury to people or property resulting from any ideas, methods, instructions or products referred to in the content. |
© 2023 by the authors. Licensee MDPI, Basel, Switzerland. This article is an open access article distributed under the terms and conditions of the Creative Commons Attribution (CC BY) license (https://creativecommons.org/licenses/by/4.0/).
Share and Cite
Yang, L.; Wang, Y.; Gao, S.; Zheng, Z.; Jiang, Q.; Zhou, C. An Intelligent Location Method for Power System Oscillation Sources Based on a Digital Twin. Electronics 2023, 12, 3603. https://doi.org/10.3390/electronics12173603
Yang L, Wang Y, Gao S, Zheng Z, Jiang Q, Zhou C. An Intelligent Location Method for Power System Oscillation Sources Based on a Digital Twin. Electronics. 2023; 12(17):3603. https://doi.org/10.3390/electronics12173603
Chicago/Turabian StyleYang, Luojia, Yuhong Wang, Shilin Gao, Zongsheng Zheng, Qiliang Jiang, and Chenyu Zhou. 2023. "An Intelligent Location Method for Power System Oscillation Sources Based on a Digital Twin" Electronics 12, no. 17: 3603. https://doi.org/10.3390/electronics12173603
APA StyleYang, L., Wang, Y., Gao, S., Zheng, Z., Jiang, Q., & Zhou, C. (2023). An Intelligent Location Method for Power System Oscillation Sources Based on a Digital Twin. Electronics, 12(17), 3603. https://doi.org/10.3390/electronics12173603

