Calibration of Wideband LFM Radars Based on Sliding Window Algorithm
Abstract
:1. Introduction
- The characteristics of the TRMs, amplitude, phase, and time delay can be monitored and calibrated simultaneously.
- The proposed method can be applied to the LFM radar system with both TTD and the phase shifter based beamforming system.
- The proposed method can be directly applied to the existing radar system without any hardware modification.
- The proposed method is compatible with orthogonal code calibration methods.
- The proposed method does not require additional measurements for the calibration.
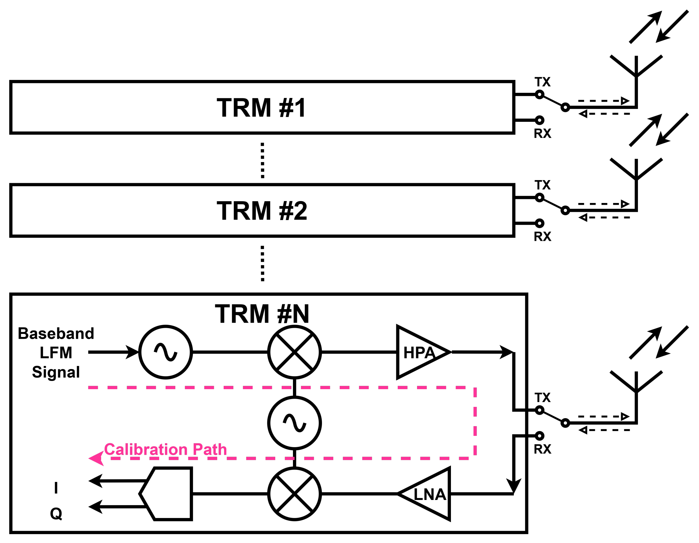
2. Calibration of Beamforming System with Linear Frequency Modulation
3. Proposed Method
3.1. Frequency-Dependent Error Model
3.2. Calibration with Sliding Window Algorithm
4. Simulation and Results
4.1. Simulation Parameters
4.2. Error Model
4.3. Scenario and Results
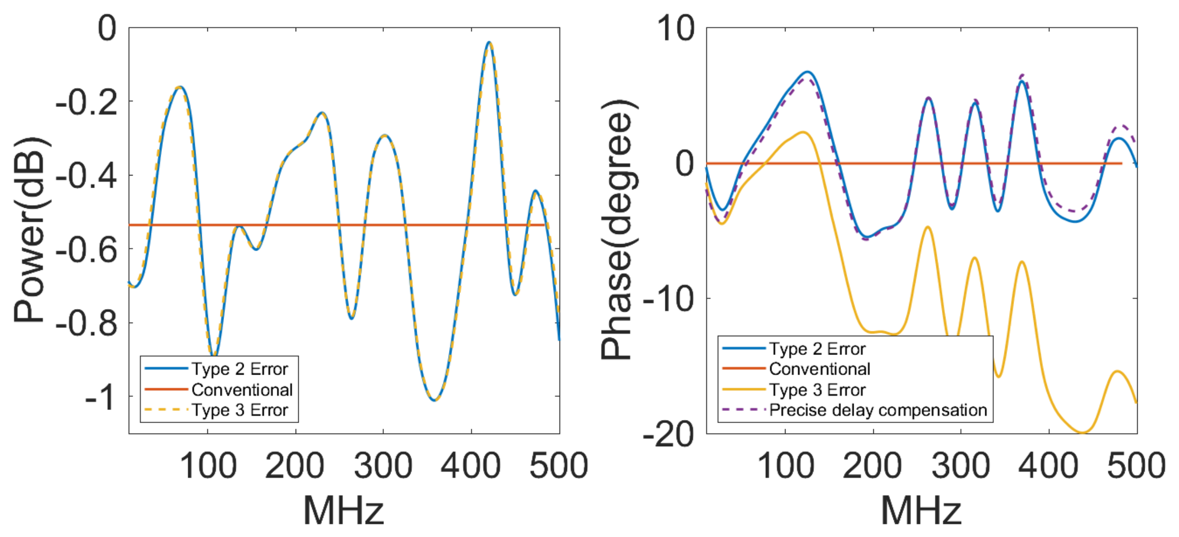
4.3.1. Error Measurement
- Frequency constant amplitude and phase error (Type 1)
- Frequency-dependent amplitude and phase error (Type 2)
- Frequency dependent amplitude and phase error with time delay error (Type 3).
4.3.2. Calibration Effects on Beamforming
4.4. Discussions
5. Conclusions
Author Contributions
Funding
Conflicts of Interest
Abbreviations
| LFM | Linear Frequency Modulation |
| TRM | Transmit and Receive Module |
| TTD | True Time Delay |
| PN | Pseudorandom Noise |
| BW | Bandwidth |
References
- Skolnik, M.I. Introduction to Radar Systems; McGraw Hill Book Co.: New York, NY, USA, 1980. [Google Scholar]
- Longbrake, M. True time-delay beamsteering for radar. In Proceedings of the 2012 IEEE National Aerospace and Electronics Conference (NAECON), Dayton, OH, USA, 25–27 July 2012; pp. 246–249. [Google Scholar]
- Wang, S.; He, P. Research on low intercepting radar waveform based on LFM and barker code composite modulation. In Proceedings of the 2018 International Conference on Sensor Networks and Signal Processing (SNSP), Xi’an, China, 28–31 October 2018; pp. 297–301. [Google Scholar]
- Guccione, P.; Mapelli, D.; Giudici, D.; Persico, A.R. Design of f-SCAN acquisition mode for synthetic aperture radar. Remote Sens. 2022, 14, 5283. [Google Scholar] [CrossRef]
- Maffei, M.; Aubry, A.; De Maio, A.; Farina, A. Spaceborne radar sensor architecture for debris detection and tracking. IEEE Trans. Geosci. Remote Sens. 2020, 59, 6621–6636. [Google Scholar] [CrossRef]
- Rau, R.; Mcclellan, J.H. Analytic models and postprocessing techniques for UWB SAR. IEEE Trans. Aerosp. Electron. Syst. 2000, 36, 1058–1074. [Google Scholar]
- Bonache, J.; Martín, F.; Falcone, F.; Baena, J.D.; Lopetegi, T.; García-García, J.; Laso, M.A.; Gil, I.; Marcotegui, A.; Marqués, R.; et al. Application of complementary split-ring resonators to the design of compact narrow band-pass structures in microstrip technology. Microw. Opt. Technol. Lett. 2005, 46, 508–512. [Google Scholar] [CrossRef]
- Tang, T.; Wu, C.; Elangage, J. Analyze the FMCW Waveform Skin Return of Moving Objects in the Presence of Stationary Hidden Objects Using Numerical Models. Electronics 2020, 10, 28. [Google Scholar] [CrossRef]
- Fujita, M.; Masuda, T.; Fujino, Y.; Satake, M. Polarimetric calibration of the SIR-C C-band channel using active radar calibrators and polarization selective dihedrals. IEEE Trans. Geosci. Remote Sens. 1998, 36, 1872–1878. [Google Scholar] [CrossRef]
- Buck, C.; Suchail, J.; Torres, R.; Zink, M. ASAR instrument calibration. In Proceedings of the ERS-ENVISAT Symposium, Goteborg, Sweden, 6–20 October 2000; pp. 16–20. [Google Scholar]
- Hounam, D.; Schwerdt, M.; Zink, M. Active antenna module characterisation by pseudo-noise gating. In Proceedings of the 25th ESA Antenna Workshop on Satellite Antenna Technology, Noordwijk, The Netherlands, 18–20 September 2002. [Google Scholar]
- Boncori, J.P.M.; Schiavon, G. Signal processing issues for the exploitation of pulse-to-pulse encoding SAR transponders. IEEE Trans. Geosci. Remote Sens. 2008, 46, 1048–1057. [Google Scholar] [CrossRef]
- Schwerdt, M.; Brautigam, B.; Bachmann, M.; Doring, B.; Schrank, D.; Gonzalez, J.H. Final TerraSAR-X calibration results based on novel efficient methods. IEEE Trans. Geosci. Remote Sens. 2009, 48, 677–689. [Google Scholar] [CrossRef]
- Kim, S.; Sung, J.; Torre, A. In-orbit antenna pattern extraction method for active phased-array SAR antennas. IEEE Antennas Wirel. Propag. Lett. 2015, 15, 317–320. [Google Scholar] [CrossRef]
- Schwerdt, M.; Bräutigam, B.; Bachmann, M.; Döring, B. TerraSAR-X calibration results. In Proceedings of the 7th European Conference on Synthetic Aperture Radar, Friedrichshafen, Germany, 2–5 June 2008; pp. 1–4. [Google Scholar] [CrossRef]
- Vollbracht, D. System specification for dual polarized low power X-band weather radars using phased array technology. In Proceedings of the 2014 International Radar Conference, Lille, France, 13–17 October 2014; pp. 1–6. [Google Scholar]
- Brautigam, B.; Schwerdt, M.; Bachmann, M. An efficient method for performance monitoring of active phased array antennas. IEEE Trans. Geosci. Remote Sens. 2009, 47, 1236–1243. [Google Scholar] [CrossRef]
- Wang, S.; Qi, H.; Yu, W. Polarimetric SAR internal calibration scheme based on T/R module orthogonal phase coding. IEEE Trans. Geosci. Remote Sens. 2009, 47, 3969–3980. [Google Scholar] [CrossRef]
- Deng, Y.; Zheng, H.; Wang, R.; Feng, J.; Liu, Y. Internal calibration for stepped-frequency chirp SAR imaging. IEEE Geosci. Remote Sens. Lett. 2011, 8, 1105–1109. [Google Scholar] [CrossRef]
- Reimann, J.; Schwerdt, M. Technique for concurrent internal calibration during data acquisition for SAR systems. Remote Sens. 2020, 12, 1773. [Google Scholar] [CrossRef]
- Gong, Y.; Wang, R.; Wang, P. Improved phase-encoding calibration for active phased-array antennas of SAR. IEEE Geosci. Remote Sens. Lett. 2016, 13, 767–771. [Google Scholar] [CrossRef]
- Fadamiro, A.O.; Famoriji, O.J.; Kashif, R.; Ali, M.S.; Lin, F. An improved calibration algorithm for active phased array antenna. In Proceedings of the 2018 IEEE International Conference on Computational Electromagnetics (ICCEM), Chengdu, China, 26–28 March 2018; pp. 1–3. [Google Scholar]
- Fadamiro, A.O.; Semomhe, A.A.H.; Famoriji, O.J.; Lin, F. A multiple element calibration algorithm for active phased array antenna. IEEE J. Multiscale Multiphys. Comput. Tech. 2019, 4, 163–170. [Google Scholar] [CrossRef]
- Kumar, V.; Rao, D.S.; Kumar, P.; Sreenivasulsu, K.; Beenamole, K.; Gangwar, R.K. Demonstration of X-Band Wideband Scanning Using Hybrid Beam Steering Components. In Proceedings of the 2022 IEEE International Symposium on Phased Array Systems & Technology (PAST), Waltham, MA, USA, 11–14 October 2022; pp. 1–5. [Google Scholar]
- Jeong, J.C.; Yom, I.B.; Kim, J.D.; Lee, W.Y.; Lee, C.H. A 6–18-GHz GaAs multifunction chip with 8-bit true time delay and 7-bit amplitude control. IEEE Trans. Microw. Theory Tech. 2018, 66, 2220–2230. [Google Scholar] [CrossRef]
















| Parameters | Value | Unit |
|---|---|---|
| Central Frequency | 3.25 | GHz |
| Bandwidth | 0.5 | GHz |
| Pulsewidth | 50 | us |
| No. of TRMs | 64 | |
| No. of TTDs | 8 |
| Parameters | Value | Unit |
|---|---|---|
| Amplitude Error | −1.1∼0 | dB |
| Phase Error | −7∼7 | degree |
| Coarse Time Delay Error Unit | 100 | ps |
| Precise Time Delay Error Unit | 20 | ps |
| Conventional | Proposed | |||||
|---|---|---|---|---|---|---|
| Table | Amplitude (dB) | Phase (Degree) | Time (ps) | Amplitude (dB) | Phase (Degree) | Time (ps) |
| Type 1 Error | 0.0151 | 0 | N/A | 0.0151 | 0 | N/A |
| Type 2 Error | 1.4910 | 3.3972 | N/A | 0.0235 | 0.2753 | N/A |
| Type 3 Error | 3.3972 | 20.9799 | N/A | 0.0235 | 0.6599 | 4 |
Disclaimer/Publisher’s Note: The statements, opinions and data contained in all publications are solely those of the individual author(s) and contributor(s) and not of MDPI and/or the editor(s). MDPI and/or the editor(s) disclaim responsibility for any injury to people or property resulting from any ideas, methods, instructions or products referred to in the content. |
© 2023 by the authors. Licensee MDPI, Basel, Switzerland. This article is an open access article distributed under the terms and conditions of the Creative Commons Attribution (CC BY) license (https://creativecommons.org/licenses/by/4.0/).
Share and Cite
Kim, H.; Kim, J.; Kim, J.; Choi, J.; Hong, S.; Kim, N.; Kim, B. Calibration of Wideband LFM Radars Based on Sliding Window Algorithm. Electronics 2023, 12, 3564. https://doi.org/10.3390/electronics12173564
Kim H, Kim J, Kim J, Choi J, Hong S, Kim N, Kim B. Calibration of Wideband LFM Radars Based on Sliding Window Algorithm. Electronics. 2023; 12(17):3564. https://doi.org/10.3390/electronics12173564
Chicago/Turabian StyleKim, Hyungwoo, Jinwoo Kim, Jinha Kim, Jaeyoung Choi, Sangpyo Hong, Nammoon Kim, and Byungkwan Kim. 2023. "Calibration of Wideband LFM Radars Based on Sliding Window Algorithm" Electronics 12, no. 17: 3564. https://doi.org/10.3390/electronics12173564
APA StyleKim, H., Kim, J., Kim, J., Choi, J., Hong, S., Kim, N., & Kim, B. (2023). Calibration of Wideband LFM Radars Based on Sliding Window Algorithm. Electronics, 12(17), 3564. https://doi.org/10.3390/electronics12173564

