Design of a Common-Mode Rejection Filter Using Dumbbell-Shaped Defected Ground Structures Based on Equivalent Circuit Models
Abstract
1. Introduction
2. Structure and Analysis
2.1. Configuration of a DS-DG CMR Filter
2.2. DS-DG Structure and Its Equivalent Circuit Model
2.3. GCS Resonator and Its Equivalent Circuit Model
3. Simulations and Measurements
4. Conclusions
Author Contributions
Funding
Data Availability Statement
Conflicts of Interest
References
- Martín, F.; Zhu, L.; Medina, F.; Hong, J.S. Balanced Microwave Filters; John Wiley & Sons: Hoboken, NJ, USA, 2018. [Google Scholar]
- Henry, W.O. Electromagnetic Compatibility Engineering; John Wiley & Sons: Hoboken, NJ, USA, 2009. [Google Scholar]
- Kumar, A.; Kartikeyan, V.M. Microstrip filter with defected ground structure: A close perspective. Int. J. Microw. Wirel. Technol. 2013, 5, 589–602. [Google Scholar] [CrossRef]
- Jordi, N.; Armando, F.P.; Miguel, D.S.; Francisco, M.; Jesus, M.; Francisco, M.; Ferran, M. Common-mode suppression in microstrip differential lines by means of complementary split ring resonators: Theory and applications. IEEE Trans. Microw. Theory Tech. 2012, 60, 3023–3034. [Google Scholar] [CrossRef]
- Zhu, H.R.; Mao, J.F. An ultra-wideband common-mode suppression filter based on S-DBCSRR for high-speed differential signals. IEEE Microw. Wirel. Compon. Lett. 2015, 25, 226–228. [Google Scholar] [CrossRef]
- Wu, S.J.; Tsai, C.H.; Wu, T.L.; Tatsuo, I. A novel wideband common-mode suppression filter for gigahertz differential signals using coupled patterned ground structure. IEEE Trans. Microw. Theory Tech. 2009, 57, 848–855. [Google Scholar] [CrossRef]
- Liu, W.T.; Tsai, C.H.; Han, T.W.; Wu, T.L. An embedded common-mode suppression filter for GHz differential signals using periodic defected ground plane. IEEE Microw. Wirel. Compon. Lett. 2008, 18, 248–250. [Google Scholar] [CrossRef]
- Yang, D.H.; Yeh, C.I.; Jeffrey, S.F.; Cheng, J.C.; Chin, K.S.; Chiu, H.C.; Xiao, J.K. SLL similarity filling factor design for Chebyshev modulated dumbbell DGS low pass filters. In Proceedings of the IEEE Asia Pacific Microwave Conference, Singapore, 7–10 December 2009; pp. 2026–2029. [Google Scholar]
- Chang, I.S.; Lee, B.S. Design of defected ground structures for harmonics control for active microstrip antenna. In Proceedings of the IEEE Antennas Propagation Society International Symposium, San Antonio, TX, USA, 16–21 June 2002; pp. 852–855. [Google Scholar]
- Xu, K.D.; Liu, Y. Millimeter-wave on chip bandpass filter using complementary-broadside-coupled structure. IEEE Trans. Circuits Syst. II Exp. Briefs 2023. [Google Scholar] [CrossRef]
- Xu, K.D.; Liu, Y. Millimeter-wave bandpass filters using on-chip dual-mode resonators in 0.13-µm SiGe BiCMOS technology. IEEE Trans. Microw. Theory Tech. 2023. [Google Scholar] [CrossRef]
- Xu, K.D.; Guo, Y.J.; Liu, Y.; Deng, X.; Chen, Q.; Ma, Z. 60-GHz compact dual-mode on-chip bandpass filter using GaAs technology. IEEE Electron Device Lett. 2021, 42, 1120–1123. [Google Scholar] [CrossRef]
- Su, L.; Paris, V.; Jonathan, M.E.; Ferran, M. Discussion and analysis of dumbbell defect-ground-structure (DB-DGS) resonators for sensing applications from a circuit theory perspective. Sensors 2021, 21, 8334. [Google Scholar] [CrossRef] [PubMed]
- Vijay, S.; Mohammad, H. Effective blood bank management system based on chipless RFID. In Proceedings of the IEEE Indian Conference on Antennas and Propagation, Ahmedabad, India, 19–22 December 2019; pp. 1–4. [Google Scholar]
- Frederick, W.G. Inductance Calculations: Working Formulas and Tables; Courier Corporation: New York, NY, USA, 2004. [Google Scholar]
- Woo, D.J.; Lee, T.K. An equivalent circuit model for a dumbbell-shaped DGS microstrip line. J. Electromagn. Eng. Sci. 2014, 14, 415–418. [Google Scholar] [CrossRef]
- Hong, J.S. Microstrip Filters for RF/Microwave Applications; John Wiley & Sons: Hoboken, NJ, USA, 2011; pp. 169–175. [Google Scholar]
- Mouris, B.A.; Armando, F.P.; Jose, L.M.R.; Thobaben, R.; Martel, J.; Mesa, F.; Medina, F.; Oscar, Q.T. Glide symmetry applied to printed common-mode rejection filters. IEEE Trans. Microw. Theory Tech. 2022, 70, 198–1210. [Google Scholar] [CrossRef]
- Armando, F.P.; Santos, V.D.; Martel, J.; Jose, L.M.R.; Mesa, F.; Oscar, Q.T.; Boix, R.R.; Medina, F. Glide symmentry applied to the design of common-mode rejection filters based on complementary split-ring resonators. IEEE Trans. Circuits Syst. II Express Briefs 2023, 70, 1911–1915. [Google Scholar] [CrossRef]










| N | |||||
|---|---|---|---|---|---|
| 5 | 1.7058 | 1.2296 | 2.5408 | 1.2296 | 1.7058 |
| Dumbbell-Head Shape | Square | Triangular | Circular | Diamond |
|---|---|---|---|---|
| Simulated (GHz) | 4.68 | 4.79 | 4.5 | 4.84 |
| Calculated (GHz) | 4.506 | 4.506 | 4.547 | 4.526 |
| Dumbbell-head perimeter (mm) | 25.6 | 25.6 | 25.2 | 25.4 |
| Error (%) | 3.86 | 6.3 | 1.03 | 6.93 |
| Parameter | Dimension (mm) | Parameter | Dimension (mm) |
|---|---|---|---|
| 0.96 | 3.397 | ||
| 0.7874 | 3.81 | ||
| 0.1 | 0.1 | ||
| 7.62 | 5.08 | ||
| 7.366 | 4.7 | ||
| 1.2446 | 0.3 |
| Structure | Theoretical | Calculated | Error (%) | |
|---|---|---|---|---|
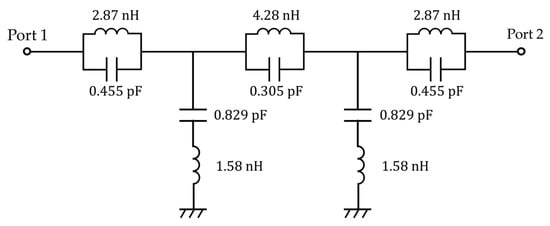
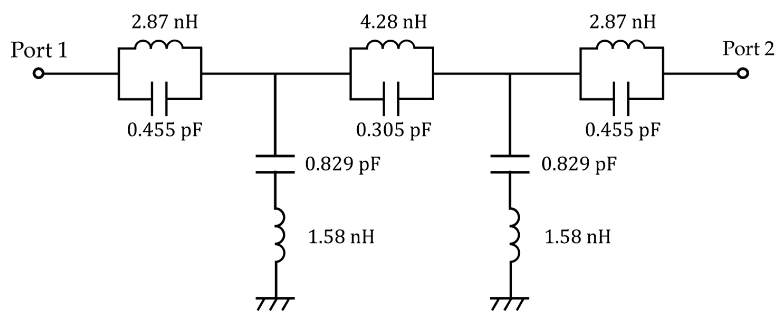
| DS-DGS type 1 | L (nH) | 2.87 | 2.9 | 1.04 |
| C (pF) | 0.455 | 0.45 | 1.1 | |
| DS-DGS type 2 | L (nH) | 4.28 | 4.31 | 0.7 |
| C (pF) | 0.306 | 0.317 | 3.59 | |
| GCS resonator | L (nH) | 1.58 | 1.64 | 3.8 |
| C (pF) | 0.829 | 0.797 | 3.86 | |
| Parameters | Max. Insertion Loss (dB) | Diff. Signal Bandwidth (GHz) | Rejection Bandwidth (GHz) | ||
|---|---|---|---|---|---|
| References | |||||
| [4] | 0.6 | DC–over 2.5 | 1–1.7 (51.8%) | ||
| [5] | 3 | DC–3.9 | 1.52–4.07 (87.8%) | ||
| [6] | 4 | DC–8 | 3.6–9.1 (75.9%) | ||
| [7] | 0.8 | DC–over 8 | 3.3–5.7 (53.3%) | ||
| [18] | 0.8 | DC–over 4 | 3.35–4.86 (45.7%) | ||
| [19] | 1.3 | DC–over 5 | 2.45–3.15 (24.3%) | ||
| This work | 0.6 | DC–10 | 3–7.8 (88.9%) | ||
Disclaimer/Publisher’s Note: The statements, opinions and data contained in all publications are solely those of the individual author(s) and contributor(s) and not of MDPI and/or the editor(s). MDPI and/or the editor(s) disclaim responsibility for any injury to people or property resulting from any ideas, methods, instructions or products referred to in the content. |
© 2023 by the authors. Licensee MDPI, Basel, Switzerland. This article is an open access article distributed under the terms and conditions of the Creative Commons Attribution (CC BY) license (https://creativecommons.org/licenses/by/4.0/).
Share and Cite
Choi, J.-S.; Min, B.-C.; Kim, M.-J.; Kumar, S.; Choi, H.-C.; Kim, K.-W. Design of a Common-Mode Rejection Filter Using Dumbbell-Shaped Defected Ground Structures Based on Equivalent Circuit Models. Electronics 2023, 12, 3230. https://doi.org/10.3390/electronics12153230
Choi J-S, Min B-C, Kim M-J, Kumar S, Choi H-C, Kim K-W. Design of a Common-Mode Rejection Filter Using Dumbbell-Shaped Defected Ground Structures Based on Equivalent Circuit Models. Electronics. 2023; 12(15):3230. https://doi.org/10.3390/electronics12153230
Chicago/Turabian StyleChoi, Jeong-Sik, Byung-Cheol Min, Mun-Ju Kim, Sachin Kumar, Hyun-Chul Choi, and Kang-Wook Kim. 2023. "Design of a Common-Mode Rejection Filter Using Dumbbell-Shaped Defected Ground Structures Based on Equivalent Circuit Models" Electronics 12, no. 15: 3230. https://doi.org/10.3390/electronics12153230
APA StyleChoi, J.-S., Min, B.-C., Kim, M.-J., Kumar, S., Choi, H.-C., & Kim, K.-W. (2023). Design of a Common-Mode Rejection Filter Using Dumbbell-Shaped Defected Ground Structures Based on Equivalent Circuit Models. Electronics, 12(15), 3230. https://doi.org/10.3390/electronics12153230

