Abstract
This study presents a bridge arm attached to the FESS motor’s neutral point and reconstructs the mathematical model after a phase-loss fault to assure the safe and dependable functioning of the FESS motor after such fault. To increase the fault tolerance in FESS motors with phase-loss faults, 3D-SVPWM technology was utilized to operate the motor. The parameters of the zero-axis current compensation control were modified based on the dual-closed-loop control strategy for the speed and current. The simulation experiments conducted in this study demonstrate that the fault-tolerant control strategy adopted can significantly reduce excessive torque pulsation after the phase failure of the FESS motor, stabilize the motor output torque, and improve the fault-tolerance performance of the FESS motor’s control system for the FESS motor.
1. Introduction
According to the “Guiding Opinions on Accelerating the Development of New Energy Storage,” the “Implementation Plan for the Development of New Energy Storage during the 14th Five-Year Plan,” and other proposed policies, China’s new energy storage system has moved into a period of rapid development. The trend of large-scale applications has gradually emerged, technology has shown diversified development, the relevant industry chain for accelerating the layout has been specified, and the supporting role of energy transformation has been initiated.
In recent years, the development of new national research and advancements in technologies for energy storage has been rapidly increasing: energy density, power density, and cycle life have significantly improved, and safety prevention and control technology and measures have also improved. The flywheel energy storage industry is in the transition phase from R&D demonstration to the early stage of commercialization and is gradually moving toward an industrialized system. However, there has been little research in the field of reliable operation control for drive motors, and flywheel energy storage technology is on the rise [1,2].
The most crucial part of a flywheel energy storage system (FESS) is the flywheel rotor. To convert energy, the entire system depends on the flywheel rotor rotation. During the spin of the flywheel, the kinetic energy E is
where are the maximum and minimum speeds of the FESS during charging and discharging (in r/min), respectively, is the rotational inertia of the flywheel (in ), and is the angular velocity of the revolving flywheel (in rad/s).
When the FESS is operating normally, the reliability of its drive motor operation is directly related to whether the entire system can operate for a long time. The main choices for flywheel energy-storage motors are permanent-magnet synchronous motors (PMSM), induction motors (IM), variable reluctant motors (RRMs), switched reluctance motors (SRM), etc. [3,4]. Compared with other motors, PMSMs have the advantages of high efficiency, high performance, and compact size; thus, the PMSM was chosen as the drive motor for the FESS [5,6]. The main factors causing the phase-loss faults in the FESS motor are the unstable motor supply voltage and detached winding output. When an open-circuit fault occurs in one phase of the motor, the current in the remaining nonfaulty phases increases sharply. If the FESS motor control system is not controlled after the occurrence of a phase-loss fault, the control performance of the motor will degrade and a major safety accident may occur during prolonged operation [7]. Therefore, to ensure the safe and reliable operation of the drive motor of the FESS, even after a phase failure, a fault-tolerant control strategy for the FESS motor has been developed.
A new approach for the fault tolerance of PMSM based on coordinate transformation was proposed in [8,9,10]. The position-dependent sinusoidal current command was transformed into a DC variable using a new coordinate system transformation. Although this scheme does not require a controller reconfiguration of the parameters, a certain range of torque fluctuations still exist and the deviations cannot be eliminated. In the literature [11,12], hysteresis loop current controllers were used to achieve fault-tolerant control for tracking the phase current command and neutral current command; however, a system based on hysteresis loop current controllers is more robust than a system based on voltage feedforward compensation. However, a disadvantage of this control system is that frequency variations cause delays in signal transmission and processing, which affects the real-time performance of the control system. A fault-tolerant architecture with three phases and four switches was suggested in [13], which links the winding of the defective phase to the voltage in the middle of the DC bus voltage [14]. The fault-tolerant control method coupled with predictive control is used to accomplish the ultimate fault-tolerant control effect by studying the theory of voltage imbalance in the middle of the capacitor. However, this faces tight limitations in terms of the carrying ability of the bus capacitor [15]. A generalized PMSM open-circuit fault model predictive control technique was presented when it was discovered [16] that a defective PMSM driver could be viewed as an equivalent healthy PMSM driver. Although a PMSM has a single MPC for both ordinary and phase-loss fault circumstances, which simplifies the control technique, mismatched MPC parameters may cause erroneous predictions and delay compensation.
To address the above problems, this study reconstructs a mathematical model of the FESS motor after a phase-loss fault, calculates the zero-axis current compensation control amount after the fault occurs, introduces a four-bridge arm inverter to improve the fault tolerance capability, and obtains three independent voltage-controlled inverters that turn on and off through 3D-SVPWM to realize the fault-tolerant control operation of the FESS motor under a phase-loss fault. Compared to other control methods, this control scheme is easy to implement, does not require the establishment of an accurate control model, and ensures that the fault-tolerant control effect of the FESS does not change, even during a long period of operation.
2. Flywheel Energy Storage Motor Phase-Loss Model
Two types of fault-tolerant topologies have been studied for fault-tolerant PMSMs: three-phase four-bridge arm [17,18] and three-phase four-switch [19,20].
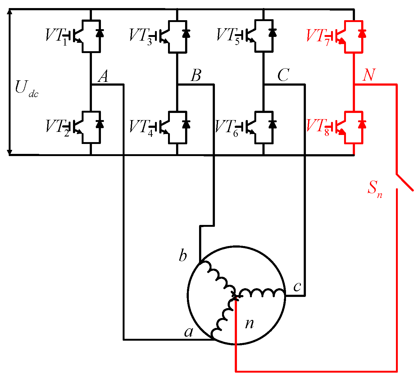
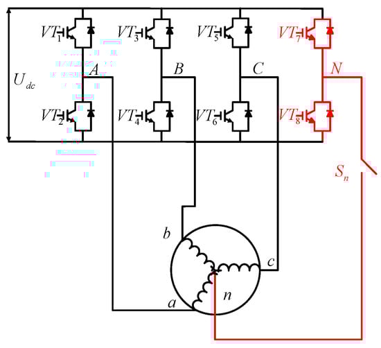
Figure 1 shows a redundant bridge arm compared with a typical PMSM. For fault tolerance, the neutral point n of the FESS motor is connected through the fourth bridge arm N in a star arrangement. The fourth bridge arm N cannot be used, and the motor works in a three-phase, three-bridge arm condition while the FESS functions regularly. Switch will be closed in the event of a phase defect, the fourth bridge arm N will be turned on, and the motor will run in two-phase and neutral conditions.
Figure 1.
Topology of FESS motor based on the four-bridge arm.
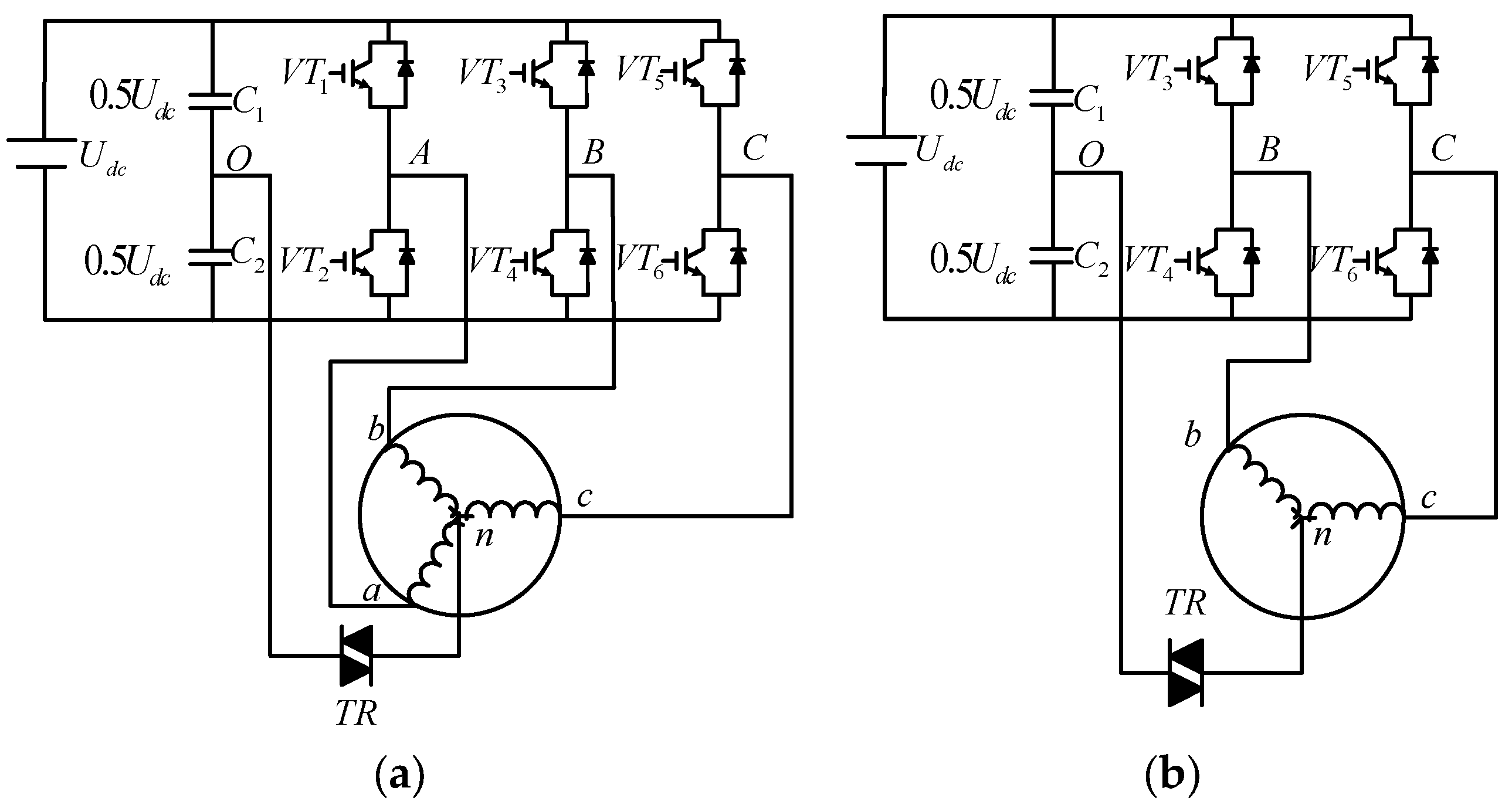
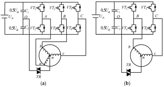
As shown in Figure 2, this study assumes that a phase-breaking fault occurs in the bridge arm of phase A. Thus, the system structure can be smoothly reorganized from structure (a) to structure (b) by disconnecting the A-phase bridge arm and switching on the corresponding bidirectional thyristor (TR) so that the FESS motor can continue to operate in a three-phase mode.
Figure 2.
(a) PMSM fault-tolerant topology; (b) motor fault-tolerant topology after A-phase failure.
Because the amplitude of the maximum output voltage vector of the four-switch drive method is , when a larger load needs to be driven, the bus voltage needs to be increased, leading to voltage imbalance problems in the bus voltage. The drive motor structure of the FESS is shown in Figure 1.
When the FESS motor is operating normally, the three-phase voltage is as follows:
where represents the stator winding resistance (in ), stand for the stator winding’s self-inductance and the mutual inductance (in H), respectively.
The three-phase sinusoidal currents are transformed into dq0 currents as follows:
where represents the motor’s rotor electricity position (in rad).
The zero-sequential current of the flywheel energy storage motor is zero when it operates normally. The zero-sequence current is no longer zero when phase loss occurs, at which time ( is the neutral current).
The voltage equation in the d-q-0 coordinate system is as follows:
The electromagnetic torque equation is as follows:
where is the electromagnetic torque (in ), is the number of motor pole pairs, and is the permanent-magnet chain (in Wb).
Assuming that the flywheel energy storage motor phase A is not coupled, at this point, , The voltage equation in the a-b-c reference framework is as follows:
where superscript ‘’ represents the broken phase state.
The midline current in phase A of the flywheel energy storage motor after the phase break is as follows:
The electromagnetic torque after the phase break of phase A is as follows:
It is clear from Equations (5) and (8) that the electromagnetic torque output of the flywheel energy storage motor is correlated with the sizes of the d- and q-axis currents before and after fault occurrence. Consequently, all that is required to provide torque-free disturbance management after a phase loss is to ensure that the d- and q-axis currents are constant before and after a fault occurs.
3. Fault-Tolerant Control Strategy for the Flywheel Energy Storage Motors
3.1. Fault-Tolerant Control Solutions
The primary consideration when choosing a control strategy for a normally operating FESS motor is controlling instantaneous torque, and controlling torque necessitates an indirect control of the stator current. As a result, both the development and the optimization of the control system center on the current control strategy, and excellent speed regulation performance is achieved with good current control performance. The mode is the most straightforward when compared to other control strategies because it avoids the demagnetizing effects of armature response and produces an output torque that is proportionate to the stator current.
Assuming that the FESS’ motor phase A is disconnected, the expression for the non-faulty phase current in the αβ-axis coordinates is as follows:
The expression for the nonfaulty phase current after the occurrence of phase loss in the dq0-axis coordinate system is as follows:
From Equation (10), it is clear that the flywheel energy that maintains healthy phase currents after a phase break must be multiplied by times the magnitude of the current during normal operation, and the phases must change by in comparison to the phase in the state of normal operation. In the event of a phase loss, the amplitude of the neutral current is three times greater than usual while maintaining the same current phase.
The equations for the open-circuit faults in phases B and C can be expressed as follows:
where is the amplitude of the current in each phase. Figure 3 depicts the stator current command phase in both the normal and other phase-loss fault states. In conclusion, if the FESS motor has a phase-loss fault, it can be fault-tolerant and managed through formula derivation and theoretical judgment. The method used was based on the principle of constant magnetodynamic potential, and the amplitude and phase of the nonfaulty phase currents were appropriately adjusted.
Figure 3.
(a) Normal condition; (b) diagram of phase b and phase c currents following phase a fault; (c) diagram of phase a and phase c currents following phase b fault; (d) diagram of phase a and phase b currents following phase c fault.
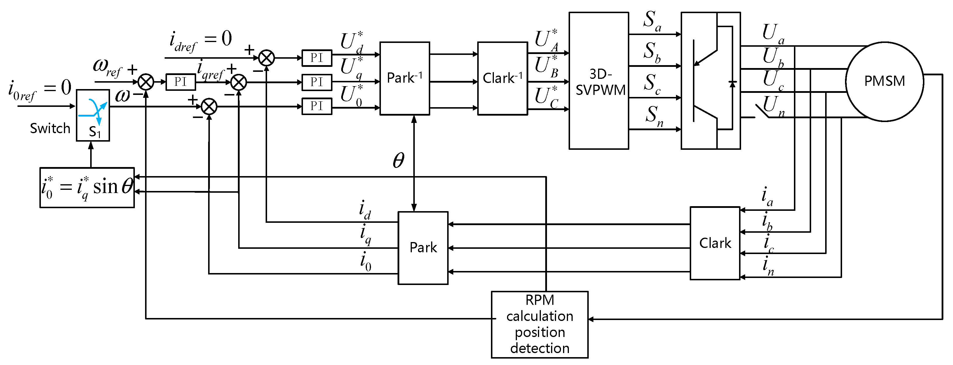
The current in one phase of an FESS three-phase motor decreases to zero when a phase-loss fault occurs in that phase, and the d-q-0 current is also affected. The torque of the FESS motor fluctuates because of the imbalance between the currents. Zero-axis current compensation can be used to ensure that the d-q-axis current is decoupled both before and after the fault remains unchanged. To keep the FESS motor operating smoothly after a phase-loss fault, the remaining healthy phase current should generate an identical d-q current component to be in its state before the fault. Because the open-phase fault-tolerant method in the mode was used in the present study, the formula for zero-axis current compensation has been condensed as follows:
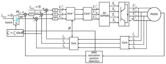
The principal structure of fault-tolerant control is shown in Figure 4. The basic design is the same as that of the conventional control , except that the scheme adds a zero-axis current loop to the current loop and uses 3D-SVPWM as the standard pulse-width modulation method for the inverter in both normal operation and the phase-off state of the FESS motor. In the mode, the d-axis current is set to 0, the speed outer loop output is used to set the q-axis current, and the initial value of the zero-axis current should be 0. The typical control in the vector control is used when the FESS operates normally; therefore, the zero-axis current does not need to be corrected. Fault-tolerant control of the flywheel energy storage motor for phase failure can be achieved by coordinating the transformation and 3D-SVPWM when a phase failure occurs in the FESS motor. The zero-axis current is added to the compensation value .
Figure 4.
Diagram of the flywheel energy storage motor’s fault-tolerant control system based on the three-phase four-bridge arm architecture.
3.2. 3D-SVPWM Pulse Width Modulation Method
Because the FESS motor is driven by a four-bridge arm inverter under both normal and fault conditions, attention should be paid to the operation of the four-bridge arm inverter. There are two modulation methods for a four-bridge arm inverter: the 3D-SVPWM method [21,22] and the carrier-based PWM method [23]. The 3D-SVPWM method is more complex than the carrier-based PWM algorithm, but the former has evolved from the two-dimensional SVPWM, and their core control ideas are similar to each other; therefore, the 3D-SVPWM method is used as the modulation method of the inverter.
From the topology of the four-bridge arm FESS motor based on Figure 1, it can be seen that the four pairs of upper and lower bridge arms alternate conduction; each bridge arm’s upper tube conduction (lower tube off) is 1, and the upper tube off (lower tube on) is 0, so there are a total of 16 switching states. Each switching state corresponds to a synthetic switching vector, . Let be the 16 switching vectors, where and are the zero vectors. The 16 switching vectors form a spatial dodecahedron, as shown in Figure 5.
Figure 5.
Vector diagram of 3D-SVPWM in the stationary coordinate system.
Compared to the traditional SVPWM algorithm, the process of the 3D-SVPWM algorithm can be roughly divided into sector judgment, duty cycle conversion to action time, and the PWM control signal module to generate the switching tube on/off commands. The 3D-SVPWM algorithm execution process is shown in Figure 6.
Figure 6.
3D-SVPWM algorithm execution process diagram.
- Sector Judgment:
As shown in Figure 5. Dividing the spatial dodecahedron into 24 smaller spatial tetrahedra using six constraint-based planes, each spatial tetrahedron is composed of three nonzero switching voltage vectors and two zero vectors [24]; thus, only the spatial tetrahedra where the reference voltage vector is located can be judged and fitted using the corresponding switching voltage vectors [25,26]. The constraints are as follows:
- Duty cycle conversion to action time:
As each reference voltage vector must be synthesized with three nonzero voltage vectors and two zero vectors to be equivalent, the link between the voltage used as the reference vector [27] and each switching voltage vector corresponding to the current moment is as follows:
By flipping Equation (14),
The duty cycle of the zero vector (either or , or a combination of both) is as follows:
The action time was calculated as the cycle time multiplied by the duty cycle percentage.
- PWM control signal module generates switching tube on/off commands.
When acquiring the modulated waveform in the three-dimensional space vector, the desired voltage output waveform can be achieved using a reasonable turn-on and turn-off sequence and an accurately calculated on-time. The on-time of each switching tube is expressed as follows:
where , , , and , in turn, is the duty cycle of the four bridge arms from the largest to the smallest on-time moment of the upper tube, is the sampling period.
4. Simulation Analysis
To verify that the FESS three-phase motor can still operate fault-tolerantly after a phase failure, an FESS motor fault-tolerant control model was built in MATLAB/Simulink for medium-scale reduction, and the zero-axis current compensation control strategy used in this study was verified. In the simulation, by adjusting the motor speed according to T = 9550 P/n, it was feasible to adjust the speed to meet the storage facility requirement of 1 KW. Table 1 lists the simulation-based parameters of the flywheel ESM.
Table 1.
Simulation parameters of flywheel energy storage motor.
4.1. Simulation Diagram of Three-Phase Current
Figure 7 shows the stator’s current , , waveform when phase A of the FESS motor is disconnected at 0.25 s without any effective fault-tolerant control strategy. It can be observed that after phase A is disconnected, the remaining current waveforms of phases B and C fluctuate significantly, and the current amplitude increases compared to the current amplitude during normal operation. However, this does not mean that the current amplitude will continue to increase infinitely; the current amplitude will reach a critical point, beyond which the power supply line will be burned and the FESS stops running. Figure 8 shows the waveforms of the stator currents , , and midline current after the zero-axis current compensation fault-tolerant control strategy was adopted after the A phase of the FESS motor was opened. From this, it can be observed that the A-phase current becomes 0 after 0.25 s and the current amplitude of the remaining healthy phases B and C becomes times that of the normal operating current, while the phase difference between phases B and C changes from to , the centerline current also changes from the initial nonoperational to three times the normal current value.
Figure 7.
The waveform of a three-phase current when phase A is an open circuit.
Figure 8.
Fault-tolerant current waveform.
4.2. Simulation Diagram of dq0 Current
Figure 9 shows the dq-axis current waveform of the FESS motor without fault-tolerant control at 0.25 s. From this figure, it can be observed that the dq current response curve fluctuates after 0.25 s, because the voltage in the motor stator winding is influenced by the DC bus voltage, and the fluctuation will not continue to increase indefinitely. Figure 10 shows the dq0-axis current waveform of FESS motor with the fault-tolerant control strategy after the phase-loss fault at 0.25 s. From this, it can be seen that the magnitude of id and iq remain unchanged, thus ensuring the consistency of electromagnetic torque before and after the fault, and changes from 0 in the normal state to .
Figure 9.
The dq-axis current waveform (open-circuit fault occurred in phase A at 0.25 s).
Figure 10.
The dq0-axis fault-tolerant current waveform.
4.3. Electromagnetic Torque Simulation Diagram
Figure 11 demonstrates that without a fault-tolerant control strategy when phase A is disconnected at 0.25 s, the electromagnetic torque of the FESS motor produces large fluctuations, which will cause the motor to run unsteadily and produce loud noises and strong vibrations while operating. This will have a negative impact on the motor’s body parts and other related components and may even result in motor body damage when the motor is running in the fault state for an extended period. Figure 12 shows the electromagnetic torque waveform of the zero-axis current compensation fault-tolerant control strategy when phase A of the FESS motor is disconnected at 0.25 s. As can be seen from the figure, the control scheme can significantly minimize the electromagnetic torque variation, and the simulation results verify that the electromagnetic torque output can be maintained constant by adjusting the amplitude and phase of the remaining two phases of the current.
Figure 11.
Torque waveform during phase A fault.
Figure 12.
Fault-tolerant control torque waveform.
4.4. Motor Speed Simulation Diagram
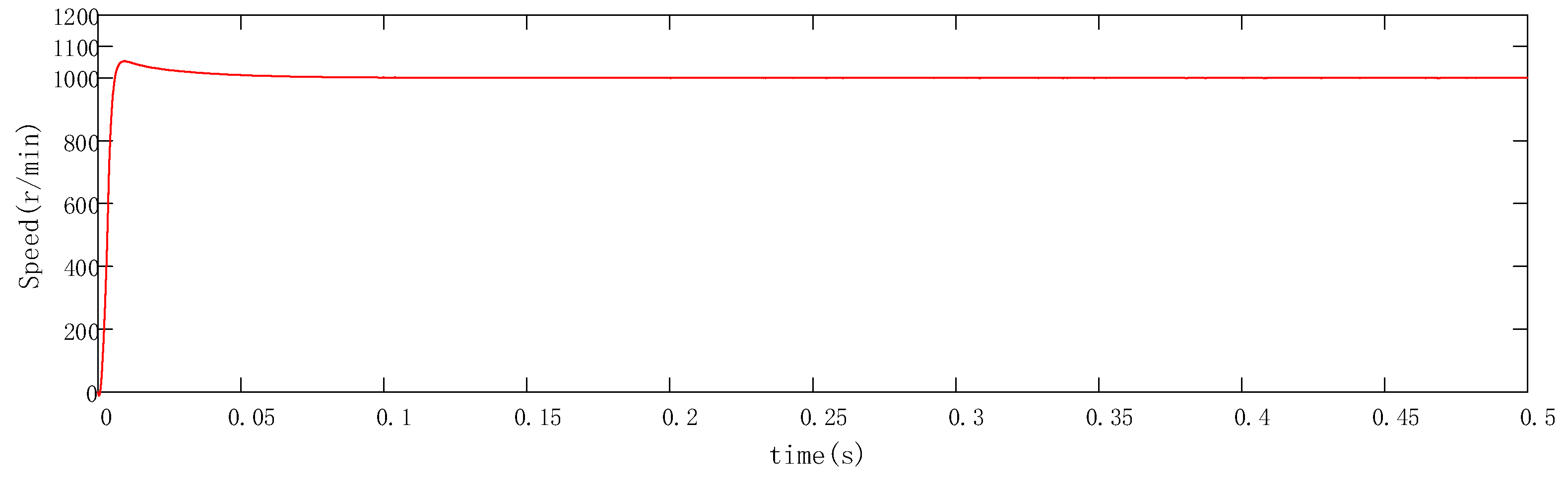
Figure 13 shows that the constant speed of 1000 r/min drops immediately after the FESS motor phase A is disconnected at 0.25 s, and the motor speed oscillates for a period of time afterward. However, the vibration amplitude does not continue to increase indefinitely, and the speed fluctuation reaches its maximum fluctuation state when the critical point of the DC bus voltage is reached. The speed waveform when the fault-tolerant control technique based on zero-axis current compensation was used is shown in Figure 14. When the flywheel energy storage motor’s A phase is disconnected at 0.25 s, it is discovered that the speed is not out of balance and is in a stable state, which can guarantee safe and reliable operation of the motor in the event of a phase failure and will not lower its efficiency.
Figure 13.
The waveform of speed during phase A fault.
Figure 14.
Fault-tolerant control speed waveform.
4.5. Load Torque Sudden Increase Experiment
The load torque increases from 5 N.m to 9 N.m at 0.35 s to evaluate the FESS motor’s capacity to respond to a load increase after a phase failure occurs at 0.25 s. Figure 15 depicts the response curve for a specific load increase. It can be inferred that the parameters of the developed PI regulator are of high quality, as shown by the fact that the motor output torque achieves the equilibrium state after 5 ms. When the load is increased, the response curve waveform of the three-phase stator current after fault tolerance is as shown in Figure 16. As shown in the figure, the frequency does not change as the amplitude of the three-phase stator current increases.
Figure 15.
The response curve for a given load burst.
Figure 16.
The response curve of three-phase stator current with the sudden increase in given load.
5. Conclusions and Future Work
In this study, to solve the problems of reduced average torque and the excessive torque pulsation of the FESS three-phase motor in the face of a phase-loss fault, a backup bridge arm was introduced through a neutral-point connection to achieve fault tolerance. To improve the fault tolerance of the motor after phase loss, 3D-SVPWM was used as a common modulation method for inverters under normal and fault conditions, unlike conventional fault-tolerant control strategies. The results show that the feedforward zero-axis current compensation control strategy proposed in this study can realize fault-tolerant control of the out-of-phase FESS motor and verify the feasibility of the control scheme. In the future, with the increasing installation of new energy in China, the “new energy + energy storage” mode has become an effective way to solve the problem of new energy consumption, and the FESS is an important force in the energy storage industry. It is important to control the FESS motor in case of phase failure.
Author Contributions
Conceptualization, X.Z.; methodology, X.Z.; software, X.Z. and Y.J.; formal analysis, X.Z. and Z.W.; resources, J.Z. and P.Y.; data curation, X.Z. and Y.J.; writing—original draft preparation, X.Z.; writing—review and editing, X.Z.; supervision, Z.W., J.Z., and P.Y.; project administration, Z.W.; funding acquisition, Z.W. and Z.Z. All authors have read and agreed to the published version of the manuscript.
Funding
This study was sponsored by the Major Science and Technology Project in the Inner Mongolia Autonomous Region, China (Grant 2020ZD0017); solar heat pump heating unit and its intelligent control, China (Grant 2020GG0159); Research and Application of Key Technologies for Cooperative Optimal Operation of Distributed Energy Systems, China (Grant 2020GG0156); and the Higher Education Scientific Research Project Inner Mongolia Autonomous Region, China (Grant NJZY21379).
Data Availability Statement
The datasets generated and/or analyzed in the current study are available from the corresponding author upon reasonable request.
Conflicts of Interest
The authors declare no conflict of interest.
Nomenclature
| NEC | National energy administration |
| FESS | Flywheel energy storage system |
| PMSM | Permanent-magnet synchronous motor |
| IM | Induction motor |
| VRM | Variable reluctant motor |
| SRM | Switched reluctance motor |
| SVPWM | Space vector pulse width modulation |
| 3D-SVPWM | Three-dimensional space vector pulse width modulation |
| MPC | Model predictive control |
| Rotational inertia and mechanical angular speed of FESS | |
| Maximum and minimum speeds of FESS | |
| d-axis inductance, q-axis inductance, 0-axis inductance, stator resistance, permanent-magnet flux linkage and pole pairs of PMSMs | |
| Current amplitude in each phase of PMSM | |
| Phase voltages of PMSM | |
| Phase currents of PMSM | |
| Counter-electromotive force of PMSM | |
| Phase self-inductance and mutual inductance | |
| d-axis voltage, q-axis voltage and 0-axis voltage of PMSM | |
| d-axis current, q-axis current and 0-axis current of PMSM | |
| Counter-electromotive force in the dq0 coordinate system of PMSM | |
| α-axis current and β-axis current of PMSM | |
| Neutral point current of PMSM | |
| Electromagnetic torque and electrical rotor position of PMSM | |
| Reference voltage vector of 3D-SVPWM | |
| Projected values of the reference voltage on each axis in the ABC coordinate system (X = A, B, C) of 3D-SVPWM | |
| Projected values of the switching voltage vector in the ABC coordinate system (x = 1, 2, 3) of 3D-SVPWM | |
| Duty cycle of 3D-SVPWM | |
| Conduction time of 3D-SVPWM | |
| Sampling period |
References
- Jing, L.; Xue, X.; Guo, X. Research Review of Flywheel Energy Storage Technology. IOP Conf. Ser. Earth Environ. Sci. 2020, 558, 052034. [Google Scholar] [CrossRef]
- Dai, X.; Wei, K.; Zhang, X.; Jiang, X.; Zhang, K. A review on flywheel energy storage technology in fifty years. Energy Storage Sci. Technol. 2018, 7, 765–782. [Google Scholar]
- Olabi, A.G.; Wilberforce, T.; Abdelkareem, M.A.; Ramadan, M. Critical Review of Flywheel Energy Storage System. Energies 2021, 14, 2159. [Google Scholar] [CrossRef]
- Li, X.; Palazzolo, A.J.J.o.E.S. A review of flywheel energy storage systems: State of the art and opportunities. J. Energy Storage 2022, 46, 103576. [Google Scholar] [CrossRef]
- Pullen, K.R. The Status and Future of Flywheel Energy Storage. Joule 2019, 3, 1394–1399. [Google Scholar] [CrossRef]
- Liu, S.; Jiang, J. Technical Evolution of Advanced Flywheel Energy Storage System. In Proceedings of the 38th Chinese Control Conference (CCC), Guangzhou, China, 27–30 July 2019; pp. 6588–6593. [Google Scholar]
- Jiang, X.; Wu, D.; Li, L.; Li, Y. Analysis of Highly Reliable Electric Drive System Based on Dual-Winding Fault-Tolerant Permanent Magnet Motor. In Proceedings of the IEEE International Magnetic Conference (INTERMAG), Electr Network, Lyon, France, 26–30 April 2021. [Google Scholar] [CrossRef]
- Zhou, X.; Sun, J.; Li, H.; Song, X. High Performance Three-Phase PMSM Open-Phase Fault-Tolerant Method Based on Reference Frame Transformation. IEEE Trans. Ind. Electron. 2019, 66, 7571–7580. [Google Scholar] [CrossRef]
- Zhou, X.; Li, S.; Lu, M.; Zeng, F.; Zhu, M.; Yu, Y. New Fault Tolerance Method for Open-Phase PMSM. IEEE Access 2019, 7, 146416–146427. [Google Scholar] [CrossRef]
- Zhou, X.; Sun, J.; Li, H.; Lu, M.; Zeng, F. PMSM Open-Phase Fault-Tolerant Control Strategy Based on Four-Leg Inverter. IEEE Trans. Power Electron. 2020, 35, 2799–2808. [Google Scholar] [CrossRef]
- Meinguet, F.; Kestelyn, X.; Semail, E.; Gyselinck, J. Fault Detection, Isolation and Control Reconfiguration of Three-Phase PMSM Drives. In Proceedings of the 20th IEEE International Symposium on Industrial Electronics (ISIE), Gdansk, Poland, 27–30 June 2011. [Google Scholar]
- Meng, Y.; Zhou, X.; Li, H.; Cui, Y. Fault Tolerant Strategy of Four-Leg for Permanent Magnet Synchronous Motor in Case of Open Circuit Fault. Trans. China Electrotech. Soc. 2019, 34, 3158–3166. [Google Scholar]
- Gu, M.; Wan, H.; Huang, Z.; Gin, F. Research on Fault-tolerant Predictive Control Based on Three-phase Four-switch in Motor. In Proceedings of the 2021 China Automation Congress (CAC), Beijing, China, 22–24 October 2021; pp. 7332–7337. [Google Scholar]
- Li, Y.; Zhao, J.; Chen, Z.; Liu, X.; Chen, H. Fault tolerant control of dual-rotor PMSM under open-circuit fault conditions. In Proceedings of the 17th IEEE International Conference on Electrical Machines and Systems (ICEMS), Hangzhou, China, 22–25 October 2014; pp. 1227–1232. [Google Scholar]
- Fang, W.; Wang, Z.; Wang, D.; Li, R.; Li, M. A Strategy of Suppressing Torque Ripple in PMSM Drive System with Open-Phase Fault. In Proceedings of the 39th Chinese Control Conference (CCC), Shenyang, China, 27–29 July 2020; pp. 2573–2580. [Google Scholar]
- Wang, W.; Zhang, J.; Cheng, M. Common Model Predictive Control for Permanent-Magnet Synchronous Machine Drives Considering Single-Phase Open-Circuit Fault. IEEE Trans. Power Electron. 2017, 32, 5862–5872. [Google Scholar] [CrossRef]
- Li, G.; Zhao, Y.; Li, B. Open-Circuit Fault-Tolerant Control of Five-Phase Permanent-Magnet Synchronous Motor using Control Variable Method. In Proceedings of the International Conference on Electrical Machines (ICEM), Electr Network, Gothenburg, Sweden, 23–26 August 2020; pp. 2132–2138. [Google Scholar]
- Hu, W.; Ruan, C.H.; Nian, H.; Sun, D. A Unified Modulation Strategy Based on Current Prediction Control for Open-Winding PMSM with Four Bridge Arms. In Proceedings of the 34th Annual IEEE Applied Power Electronics Conference and Exposition (APEC), Anaheim, CA, USA, 17–21 March 2019; pp. 1865–1870. [Google Scholar]
- Li, G.; Teng, Q.; Gao, F.; Zhang, Y.; Wang, C. Model Predictive Torque Control of Fault-tolerant Three-phase Four-switch Inverter Permanent Magnet Synchronous Motor. Inf. Control 2015, 44, 697–702. [Google Scholar]
- Dong, Y.; Zhang, H.; Jing, K.; Zhang, X. PMSM Torque Ripple Optimized New SVPWM Strategy for Three-phase Four-switch Inverter. Power Electron. 2020, 54, 87–91,109. [Google Scholar]
- Li, X.; Deng, Z.; Chen, Z.; Fei, Q. Analysis and Simplification of Three-Dimensional Space Vector PWM for Three-Phase Four-Leg Inverters. IEEE Trans. Ind. Electron. 2011, 58, 450–464. [Google Scholar] [CrossRef]
- Awad, F.H.; Mansour, A.A.; Marei, M.I.; El-Sattar, A.A. Simplified methods of the 3D-SVPWM for four-wire three-leg inverter. J. Power Electron. 2020, 20, 1405–1419. [Google Scholar] [CrossRef]
- Jang-Hwan, K.; Sul, S.-K. A carrier-based PWM method for three-phase four-leg voltage source converters. IEEE Trans. Power Electron. 2004, 19, 66–75. [Google Scholar] [CrossRef]
- Xu, Y.; Sun, Y.; Hou, Y. Multi-step model predictive current control of permanent-magnet synchronous motor. J. Power Electron. 2020, 20, 176–187. [Google Scholar] [CrossRef]
- Ren, S.; Xiao, Z.; Hu, B. 3D-SVPWM Modulation Strategy for Four-leg Three-level Inverter. Proc. CSU-EPSA 2019, 31, 125–132. [Google Scholar]
- Tang, H.; Li, W.; Li, J.; Gao, H.; Wu, Z.; Shen, X. Calculation and Analysis of the Electromagnetic Field and Temperature Field of the PMSM Based on Fault-Tolerant Control of Four-Leg Inverters. IEEE Trans. Energy Convers. 2020, 35, 2141–2151. [Google Scholar] [CrossRef]
- Zhang, X.; Zhang, W. Model Predictive Full-Torque Control for the Open-Winding PMSM System Driven by Dual Inverter with a Common DC Bus. IEEE J. Emerg. Sel. Top. Power Electron. 2021, 9, 1541–1554. [Google Scholar] [CrossRef]
Disclaimer/Publisher’s Note: The statements, opinions and data contained in all publications are solely those of the individual author(s) and contributor(s) and not of MDPI and/or the editor(s). MDPI and/or the editor(s) disclaim responsibility for any injury to people or property resulting from any ideas, methods, instructions or products referred to in the content. |
© 2023 by the authors. Licensee MDPI, Basel, Switzerland. This article is an open access article distributed under the terms and conditions of the Creative Commons Attribution (CC BY) license (https://creativecommons.org/licenses/by/4.0/).















